An Optimal Operation Strategy for Surge Protective Devices in Li-Ion Based Energy Storage Systems
Abstract
1. Introduction
2. Operation Characteristics of SPDs in ESSs
2.1. Configuration of Subsystem in ESS
2.2. Protection Concepts of SPD in ESS
2.3. Design of SPD in ESS
3. Optimal Operation Method of SPD in ESS
- [Step 1] Assume system voltage, 0 dielectric strength (UW), etc., in DC side of ESS [18].
- [Step 2] Calculate the nominal voltage (Un) of SPD considering the magnitude of CMV for (+) and (–) terminals, as shown in Equation (1). Here, the larger value of CMV is selected as Un of SPD.where Un: nominal voltage; UCMV(+): magnitude of CMV for (+) terminal; UCMV(−): magnitude of CMV for (−) terminal.
- [Step 3] Define the initial value of the maximum continuous operating voltage (UC,0) considering the nominal voltage of SPD (Un) and 120% of the margin ratio, which is proposed by “IEC 60364-5-53”, as shown in Equation (2) [14].where UC,0: initial value of the maximum continuous operating voltage of SPD.
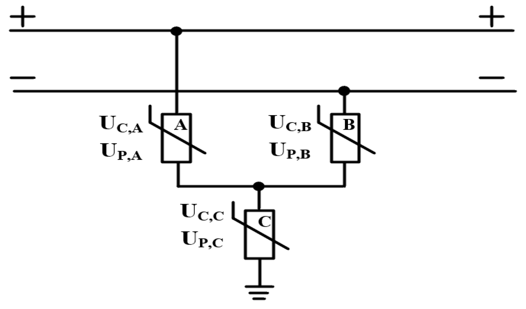
- [Step 4] For the Y connection type of SPD in Figure 6, calculate the maximum continuous operating voltage of SPD A, SPD B and SPD C (UC,A(m), UC,B(m) and UC,C(m)) by considering typical values of voltage step of UC for each iteration number (m), as shown in Equations (3)–(5).Figure 6. Y connection type of SPD.where UC,A: UC of SPD A; UC,B: UC of SPD B; UC,C: UC of SPD C; ΔUC: typical values of voltage step of UC; m: iteration number.
- [Step 5] Calculate the sum of maximum continuous operating voltage (UC,sum) of SPD as shown in Equation (6). If the UC,sum value is larger than the dielectric continuous voltage limit (UW) of DC system in ESS, return to [Step 4] in order to decrease UC by typical values of varying voltage (ΔUC); otherwise, go to [Step 6].where UC,sum: sum of maximum continuous operating voltage of SPD.
- [Step 6] Next, based on the UC,A, UC,B and UC,C which are obtained in [Step 5], assume the initial value of the voltage protection level of SPD A, SPD B and SPD C (UP,A0, UP,B0 and UP,C0) considering weighting factor of SPD (Wf) and margin ratio of voltage protection level (RP) as shown in Equations (7)–(9). Here, the Wf is obtained by the maximum ratio of output voltage of SPD to UC for input voltage of SPD and RP is assumed to be 120% of the typical value.where UP,A0: initial value of voltage protection level of SPD A; UP,B0: initial value of voltage protection level of SPD B; UP,C0: initial value of voltage protection level of SPD C; Wf: weighting factor of SPD; RP: margin ratio of voltage protection level.
- [Step 7] Calculate the voltage protection level of SPD A, SPD B and SPD C (UP,A(n), UP,B(n) and UP,C(n)) by considering typical values of voltage step of UP for each iteration number (n) as shown in Equations (10)–(12).where UP,A(n): UP of SPD A; UP,B(n): UP of SPD B; UP,C(n): UP of SPD C; ΔUP: typical values of voltage step of UP; n: iteration number.
- [Step 8] Calculate the sum of the voltage protection level (UP,sum) as shown in Equation (13). If the UP,sum value is larger than the dielectric continuous voltage limit (UW) of the DC system in ESS, return to [Step 7] in order to decrease UP by typical values of voltage step (ΔUP); otherwise, go to [Step 9].where UP,sum: sum of voltage protection level.
- [Step 9] Finally, determine the optimal capacity of UC and UP for SPD A, SPD, B and SPD C, based on [Step 5] and [Step 8].
4. Implementation of Test Device for SPD in ESS
5. Case Studies
5.1. Operation Characteristics of One-Port SPD Application
5.1.1. Test Conditions of One-Port SPD
5.1.2. Residual Voltage Characteristics of One-Port SPD
5.2. Operation Characteristics of Two-Port SPD Application
5.2.1. Test Conditions of Two-Port SPD
5.2.2. Residual Voltage Characteristics of Two-Port SPD
6. Conclusions
- (1)
- For the existing SPD application of Case I, the maximum residual voltage for a 1.5 kV combination surge with a third-class combination waveform is obtained as 1.32 kV, and thus it is found that surge protection is not performed effectively due an 11.8% surge reduction rate.
- (2)
- On the other hand, the maximum residual voltage for the optimal SPD application of Case II, selected based on the proposed operation method, is obtained as 0.776 kV, and the surge reduction rate is calculated as 48.2%. Therefore, it is confirmed that the optimal SPD in ESSs can properly reduce switching and lightning surges.
- (3)
- From the test results for a two-port SPD with a third-class combination waveform, the maximum residual voltage of the primary-side SPD for a 20 kV combination surge is obtained as 2.434 kV, with a value of 0.762 kV for the secondary-side SPD, and the total surge reduction rate is calculated as 96.2%.
- (4)
- Therefore, it is confirmed that the SPD tested using the proposed method can effectively reduce surges, while the existing SPDs installed in ESS sites may not protect ESSs from switching and lightning surges.
- (5)
- The proposed SPD for ESSs can keep maximum residual voltages within 1.5 kV of the surge voltage limit, and thus the ESS can be safety protected from switching and lightning surges.
- (6)
- This study has focused on an operation method for surge protective devices in ESSs; research on strategies for the commercialization of the proposed device in terms of economy and reliability will be performed in the near future.
Author Contributions
Funding
Data Availability Statement
Acknowledgments
Conflicts of Interest
References
- Chen, J.; Liu, Y.; Bao, G. Optimal operating strategy for distribution networks with PV and BESS considering flexible energy storage. In Proceedings of the 2016 IEEE Power and Energy Society General Meeting (PESGM), Boston, MA, USA, 17–21 July 2016; pp. 1–5. [Google Scholar]
- Xiong, P.; Singh, C. Optimal Planning of Storage in Power Systems Integrated with Wind Power Generation. IEEE Trans. Sustain. Energy 2016, 7, 232–240. [Google Scholar] [CrossRef]
- Kim, Y.H.; Myung, H.S.; Kang, N.H.; Lee, C.W.; Kim, M.J.; Kim, S.H. Operation Plan of ESS for Increase of Acceptable Product of Renewable Energy to Power System. Trans. Korean Inst. Electr. Eng. 2018, 67, 31–40. [Google Scholar]
- Kim, Y.M.; Son, B.S.; Kim, S.H. Operation Planning and Capacity Calculation of Energy Storage Systems Considering Curtailment of Renewable Energy. J. Korean Sol. Energy Soc. 2023, 43, 1–12. [Google Scholar]
- Matsuura, S.; Kanatani, K. Characteristics of Damages of Distribution Lines Due to Lightning in Hokuriku Area of Japan. In Proceedings of the 2023 12th Asia-Pacific International Conference on Lightning (APL), Langkawi, Kedah, 12–15 June 2023. [Google Scholar]
- Cho, S.D.; Shen, J.; Choi, S.M.; Han, B.G.; Rho, D.S. A Study on Mechanism and Modeling of CMV in Sharing Energy Storage System. J. Korea Acad. Ind. Coop. Soc. 2023, 24, 616–625. [Google Scholar] [CrossRef]
- Zaini, N.H.; Ab-Kadir, M.Z.A.; Radzi, M.A.A.; Izadi, M.; Ahmad, N.I.; Azis, N.; Nasir, M.S.M. On the Effect of Surge Protection Devices (SPDs) Placement for Grid-connected Solar PV Farm. In Proceedings of the 2018 34th International Conference on Lightning Protection (ICLP), Rzeszow, Poland, 2–7 September 2018. [Google Scholar]
- Kim, J.Y.; Choi, S.J.; Kim, J.H.; Lee, G.H.; Jung, J.S.; Shong, K.M. Analysis of Accident Cases and Development of Safety Standards for LiB-based Energy Storage Technology. Trans. Korean Inst. Electr. Eng. 2023, 72, 1760–1767. [Google Scholar] [CrossRef]
- Luo, S.; Wang, Z.; Ren, Y.; Wang, H. Research on Follow-current Interruption Capacity of Switching Type SPD for Low-voltage Distribution Systems Used in Telecommunication Stations. In Proceedings of the 2024 4th International Conference on Electronics, Circuits and Information Engineering (ECIE), Hangzhou, China, 1–3 March 2024; pp. 175–180. [Google Scholar]
- Yan, N.; Qing, Y.; Yao, Z.; Li, Z.; Kaifang, Z. Optimal Allocation of SPD in Low Voltage Distribution System Based on Particle Swarm Optimization. In Proceedings of the 2017 Chinese Automation Congress (CAC), Jinan, China, 20–22 October 2017; pp. 4015–4018. [Google Scholar]
- Milardic, V.; Uglesic, I.; Pavic, I. Selection of Surge Protective Devices for Low-Voltage Systems Connected to Overhead Line. IEEE Trans. Power Deliv. 2010, 25, 1530–1537. [Google Scholar] [CrossRef]
- Piparo, G.B.L.; Kisielewicz, T.; Mazzetti, C.; Rousseau, A. Selection procedures for surge protective devices according to the probability of damage. Electr. Power Syst. Res. 2017, 146, 321–330. [Google Scholar] [CrossRef]
- IEC 62933-3-1; Electrical Energy Storage (EES) Systems—Part 3-1: Planning and Performance Assessment of Electrical Energy Storage Systems. IEC: Geneva, Switzerland, 2018.
- IEC 62305-1; Protection Against Lightning—Part 1: General Principles. IEC: Geneva, Switzerland, 2024.
- IEC 62305-4; Protection Against Lightning—Part 4: Electrical and Electronic Systems Within Structures. IEC: Geneva, Switzerland, 2024.
- IEC 61643-12; Low-Voltage Surge Protective Devices—Part 12: Surge Protective Devices Connected to Low-Voltage Power Systems—Selection and Application Principles. IEC: Geneva, Switzerland, 2020.
- IEC 60099-7; Surge Arresters—Part 7: Glossary of Terms and Definitions. IEC: Geneva, Switzerland, 2004.
- IEC 60364-5-53; Low-Voltage Electrical Installations—Part 5-53: Selection and Erection of Electrical Equipment—Devices for Protection for Safety, Isolation, Switching, Control and Monitoring. IEC: Geneva, Switzerland, 2024.
- IEC 60364-4-44; Low-Voltage Electrical Installations—Part 4-44: Protection for Safety—Protection Against Voltage Disturbances and Electromagnetic Disturbances. IEC: Geneva, Switzerland, 2024.
- IEC 61643-11; Low-Voltage Surge Protective Devices—Part 11: Surge Protective Devices Connected to Low-Voltage Power Systems—Requirements and Test Methods. IEC: Geneva, Switzerland, 2011.
- IEEE C62.41; IEEE Recommended Practice for Surge Voltages in Low-Voltage AC Power Circuits. IEEE: Piscataway, NJ, USA, 1991.











| Zones | Definition | 
|---|---|
| LPZ0A | zone where the threat is due to direct lightning flash and the full lightning electromagnetic field, the internal systems may be subjected to full lightning | 
| LPZ0B | zone protected against direct lightning flashes but where the threat is the full lightning electromagnetic field; the internal systems may be subjected to partial lightning current | 
| LPZ1 | zone where the surge current is limited by current sharing and by SPDs at the boundary, spatial shielding may attenuate the lightning electromagnetic field | 
| LPZ2…n | zone where the surge current may be further limited by current sharing and by additional SPDs at the boundary, additional spatial shielding may be used to further attenuate the lightning electromagnetic field | 
| SPD Type | Identification of LPZ | Coupling Point | 
|---|---|---|
| class I | zone protected against direct lightning flashes but where the threat is the full lightning electromagnetic field | Ⓐ | 
| class II | zone where the surge current is limited by current sharing and by SPDs at the boundary | Ⓑ | 
| class III | zone where the surge current may be further limited by current sharing and additional SPDs at the boundary and additional spatial shielding may be used to further attenuate the lightning electromagnetic field | Ⓒ, Ⓓ | 
| Items | Specification | |
|---|---|---|
| MCB | rated current (In) | 50 A | 
| rated insulation voltage (Ui) | 750 V | |
| rated surge voltage limit (Uimp) | 8 kV | |
| SPD DS | nominal surge discharge current (In) | 20 kA, 8/20 μs | 
| maximum surge discharge current (Imax) | 40 kA, 8/20 μs | |
| maximum continuous operating voltage (Uc) | 600 V | |
| SPD | nominal surge discharge current (In) | 20 kA, 8/20 μs | 
| maximum surge discharge current (Imax) | 40 kA, 8/20 μs | |
| maximum continuous operating voltage (Uc) | 320 V | |
| protection voltage level (Up) | 1.5 kV | |
| NCT | capacity | 5 kVA | 
| winding type | 1 P, 2 W | |
| Nominal Voltage of Installation [V] | Required Rated Surge Voltage Limit of Equipment [kV] | ||||
|---|---|---|---|---|---|
| 3-Phase Systems | 1-Phase Systems | Equipment at the Origin of Installation | Equipment of Distribution and Final Circuit | Appliances and Current Using Equipment | Specially Protected Equipment | 
| - | 120–240 | 4 | 2.5 | 1.5 | 0.8 | 
| 230/400 277/480 | - | 6 | 4 | 2.5 | 1.5 | 
| 400/690 | - | 8 | 6 | 4 | 2.5 | 
| 1000 | - | 12 | 8 | 6 | 4 | 
| Case | Parameter Value of SPD | |
|---|---|---|
| UC [kV] | UP [kV] | |
| I | 1.5 | 4.5 | 
| II | 0.8 | 1.5 | 
| Items | Contents | 
|---|---|
| injection waveform | combination waveform of voltage pulse (1.2/50 μs) and current pulse (8/20 μs) | 
| injection terminals | L-N | 
| exposure level | C1, C2, C3 | 
| measurement point | SPD on primary and secondary sides | 
| Case | Combination Waveform Voltage [kV] | Combination Waveform Current [kA] | 
|---|---|---|
| III | 6 | 3 | 
| IV | 10 | 5 | 
| V | 20 | 10 | 
| Case | Primary-Side Voltage [kV] | Secondary-Side Voltage [kV] | 
|---|---|---|
| III | 1.169 | 0.501 | 
| IV | 1.577 | 0.682 | 
| V | 2.434 | 0.762 | 
| Disclaimer/Publisher’s Note: The statements, opinions and data contained in all publications are solely those of the individual author(s) and contributor(s) and not of MDPI and/or the editor(s). MDPI and/or the editor(s) disclaim responsibility for any injury to people or property resulting from any ideas, methods, instructions or products referred to in the content. | 
© 2025 by the authors. Licensee MDPI, Basel, Switzerland. This article is an open access article distributed under the terms and conditions of the Creative Commons Attribution (CC BY) license (https://creativecommons.org/licenses/by/4.0/).
Share and Cite
Kim, Y.-H.; You, H.-S.; Lee, M.-H.; Rho, S.-E.; Kim, S.-J.; Rho, D.-S. An Optimal Operation Strategy for Surge Protective Devices in Li-Ion Based Energy Storage Systems. Electronics 2025, 14, 3629. https://doi.org/10.3390/electronics14183629
Kim Y-H, You H-S, Lee M-H, Rho S-E, Kim S-J, Rho D-S. An Optimal Operation Strategy for Surge Protective Devices in Li-Ion Based Energy Storage Systems. Electronics. 2025; 14(18):3629. https://doi.org/10.3390/electronics14183629
Chicago/Turabian StyleKim, Yun-Ho, Hyun-Sang You, Min-Haeng Lee, Seong-Eun Rho, Se-Jin Kim, and Dae-Seok Rho. 2025. "An Optimal Operation Strategy for Surge Protective Devices in Li-Ion Based Energy Storage Systems" Electronics 14, no. 18: 3629. https://doi.org/10.3390/electronics14183629
APA StyleKim, Y.-H., You, H.-S., Lee, M.-H., Rho, S.-E., Kim, S.-J., & Rho, D.-S. (2025). An Optimal Operation Strategy for Surge Protective Devices in Li-Ion Based Energy Storage Systems. Electronics, 14(18), 3629. https://doi.org/10.3390/electronics14183629
 
         
                                                


 
                         
       
       