Next Article in Journal
Multi-Criteria Optimization of the Paper Production Process Using Numerical Taxonomy Methods: A Necessary Condition for Predicting Heat and Electricity Output in a Combined Heat and Power (CHP) System
Previous Article in Journal
Optimizing the Operation of an Electrolyzer with Hydrogen Storage Using Two Different Methods: A Trade-Off Between Simplicity and Precision in Minimizing Hydrogen Production Costs Using Day-Ahead Market Prices
 
 
Font Type:
Arial Georgia Verdana
Font Size:
Aa Aa Aa
Line Spacing:
Column Width:
Background:
Article

Method for Calculating the Unbalanced Current in Ungrounded Double Wye C-Type Harmonic Filters

by
Sergio Arrieta Meza
1,
Fernando Salinas Salinas
2,*,
Luis Alonso Trujillo Guajardo
2,
Luis Humberto Rodríguez Alfaro
2,
Mario Alberto González Vázquez
2,
Johnny Rodríguez Maldonado
2 and
Miguel Angel Platas-Garza
2
1
Diram, Calle Libertad 325 Ote, Casco Urbano, San Pedro Garza García 66200, N.L., Mexico
2
Universidad Autónoma de Nuevo León (UANL), Facultad de Ingeniería Mecánica y Eléctrica (FIME), Avenida Universidad S/N Ciudad Universitaria, San Nicolás de los Garza 66455, N.L., Mexico
*
Author to whom correspondence should be addressed.
Energies 2024, 17(22), 5547; https://doi.org/10.3390/en17225547
Submission received: 4 October 2024 / Revised: 23 October 2024 / Accepted: 29 October 2024 / Published: 6 November 2024
(This article belongs to the Section F: Electrical Engineering)

Abstract

This paper presents a methodology to calculate the neutral unbalanced current in C-type filters with an ungrounded double Wye topology; this equipment is widely used in the steel sector to mitigate the harmonic content in electrical installations caused by electric furnaces used in metal smelting processes. A common failure in these filters is the current unbalance caused by the degradation of the capacitor and inductor modules, leading to dangerous surges that affect these components, possible harmonic resonances, and deficient filtering by the equipment. Currently, there are no documented strategies for calculating the neutral current that allow for the proper adjustment of neutral protection in this type of equipment, resulting in catastrophic failures, costly unscheduled shutdowns, and potential harm to plant personnel. In this paper, we propose a methodology for calculating the unbalanced current in double Wye C-type harmonic filters, considering the natural degradation of capacitor and inductor modules and based on on-site measurements of the impedances for each element of the equipment. This allows for the predictive maintenance of these devices and the precise adjustment of neutral overcurrent protection. First, we review the operating principle of C-type harmonic filters and the neutral protection scheme. Then, the calculation methodology is proposed and validated in two practical case studies. In the first case, a 45 Mvar C-type second harmonic filter connected to a 34.5 kV bus is analyzed. In the second case, an 18.5 Mvar C-type second harmonic filter, part of a ±80 Mvar STATCOM system, connected to a 34.5 kV bus is examined. In both cases, these filters reduce the harmonic content in two steel plants: the first connected to a 400 kV bus and the second to a 230 kV bus. The results obtained with the proposed methodology were implemented in the protection device for a neutral current imbalance, considering different degradation values of the capacitors, and compared with the manufacturer’s suggested settings. The discussion highlights the good performance of the proposed methodology, particularly in terms of the protection device’s response speed to a risky unbalanced current.

1. Introduction

One of the most used passive filters in the steel industry is the third-order C-type harmonic filter. Its main advantage is the ability to filter second-order harmonics produced by the operation of electric arc furnaces in the smelting process [1]. In most cases, these devices operate in hybrid schemes alongside static var compensators (SVCs) or static synchronous compensators (STATCOMs) [2]. These passive harmonic filters use resistors, inductors, and capacitors to produce an electrical resonance effect, allowing them to be tuned to one or more frequencies to provide a low impedance path for harmonic currents [3]. Like any electrical device, these filters are susceptible to failures in their components, necessitating studies to limit the damage to each element. Capacitors are susceptible to damage when exposed to high levels of harmonic distortion, switching transients, and unbalanced conditions, as noted in [4]. The study highlights that capacitor explosions can occur due to operational overvoltage, and internal imbalances should trigger alarms and warnings. In [5], a novel method for detecting an unbalanced voltage and protecting fuseless single-star earthed shunt capacitor banks is explored, with testing and engineering validation. This research confirms that capacitor failures are generally caused by overvoltage stress. Continuous operation in such adverse electrical environments causes the premature degradation of these elements, leading to two major issues for the customer: (a) an insufficient reactive power contribution to compensate for the power factor, and (b) risky current imbalances that can result in harmful surges affecting the capacitors themselves [6]. The first issue can result in penalties for non-compliance with power factor requirements, as specified in international grid codes, while the second issue can lead to unscheduled shutdowns and costly production losses.
There are several technical documents addressing unbalanced conditions in reactive power compensation devices, developed by organizations such as IEEE, IEC, and electrical equipment manufacturers. The IEEE standards [7] outline fundamental considerations and present different methodologies for protecting capacitor banks, including protection against unbalance. The IEC standards [8] discuss aspects to ensure the proper functioning of reactive compensation equipment in low-voltage networks. Additionally, operational aspects of capacitors in series arrangements [9] may apply to the filters under study, depending on their configuration. Moreover, various manufacturers and consulting companies in the power quality field provide relevant information on protecting such equipment [10,11,12,13]. Additionally, the protection of different types of passive harmonic filters is addressed in [14], with a focus on their respective three-phase configurations.
The bibliographic review revealed that no existing documents provide a methodology for calculating the unbalanced current in the neutral for C-type harmonic filters in ungrounded double Wye topology. Furthermore, none of the articles consider the impact of capacitor degradation on the capacitance value deviation. This study proposes a methodology for calculating a neutral current in such filters, enabling the adjustment of protection devices to ensure safe operation under risky current imbalance scenarios. The proposal is structured as follows: Section 2 explains the operating principle of C-type harmonic filters; Section 3 reviews the current unbalance protection through the neutral; Section 4 presents a nodal analysis approach for calculating a neutral current imbalance; and Section 5 validates the proposal through practical case studies, comparing calculated values for different capacitor deviations against the manufacturer’s recommended protection adjustment.
As additional lines of research, the use of fixed-time observers can be employed to estimate disturbances in the harmonic filter [15]. A possible application of this tool would be to employ an observation methodology to estimate parameters that would allow the algorithms presented in this paper to be used automatically, actively determining the operating status of the equipment and allowing better decision making by the equipment operation and maintenance engineers.

2. Fundamentals of C-Type Harmonic Filters

This section explains the operating principle of C-type harmonic filters, a specialized implementation of single-tuned damped filters. These filters exhibit low impedance at a specific frequency, with the bandwidth around the resonant frequency determined by the damping factor, which is influenced by the resistance value in the array. C-type filters are also referred to as third-order filters, comprising three energy-storing elements: two capacitors (C1 and C2) and one inductor (L) [16].
In its simplest form, this device comprises an auxiliary capacitor (C) in series with a tuning inductor (L), along with a damping resistor (R) in parallel with the series elements (C and L). The values of C and L are meticulously chosen during the filter design process to achieve precise series resonance at the specific frequency targeted for mitigation. A key benefit of this configuration is the low fundamental current flowing through resistor R, making it particularly suitable for low-frequency tuning applications.
Additionally, this type of equipment offers better performance in terms of electrical losses compared to single-tuned damped filters. However, due to its complexity, the use of these devices for tuning frequencies above the fifth harmonic has not been technically or economically justified [17]. When comparing a C-type harmonic filter with a single-tuned harmonic filter, the C-type filter exhibits lower power losses but requires more investment due to the additional components [18]. It has also been found that the C-type filter outperforms in suppressing harmonics above its tuning frequency, while single-tuned filters are more effective at suppressing harmonics at their specific tuning frequency [19]. These factors make C-type harmonic filters ideal for filtering non-characteristic harmonic orders and lower frequencies, such as the second harmonic.
As is well-known, C-type filters leverage the resonance phenomenon to achieve the minimal equivalent impedance at a specific frequency, channeling harmonic currents into the filter rather than allowing them to propagate through the power grid [20]. Additionally, the resistor connected in parallel with the capacitor module prevents excessive resonance, which could otherwise lead to undesirable voltage surges. Furthermore, the capacitive element of the filter helps improve the power factor. Figure 1 illustrates the basic structure of the C-type filter.
For the LC branch, the cutoff frequency is calculated as shown in (1):
h = X C X L
where:
XC is the capacitive reactance of the circuit in Ω;
XL is the inductive reactance of the circuit in Ω;
h is the frequency order with respect to the fundamental frequency.

3. Neutral Unbalance Protection

In this section, the neutral unbalance protection in capacitor banks and harmonic filters will be reviewed. First, the neutral unbalance protection in the mentioned equipment has the following primary functions:
  • Fault detection in the capacitor bank;
  • Faulted element disconnection;
  • Fault indication.
This scheme safeguards capacitors against common surge voltages. As recommended in [7,10], the protection settings for capacitor banks must be configured to ensure the integrity of the capacitor modules and maintain nominal operation. The neutral unbalance protection setting enables adjustable alarm thresholds for abnormal operating conditions, allowing for a timely shutdown to prevent major equipment damage. This feature enables plant personnel to swiftly identify the alarm source and address the issue before a catastrophic failure occurs.
For capacitor banks operating in an ungrounded double Wye configuration, the recommended protection scheme relies on monitoring the current flowing between the neutrals of each Wye section. This approach enables the detection of any current circulating through the neutral due to an unbalance, allowing for the timely disconnection of the equipment in the event of a hazardous unbalance condition [21].
In Figure 2, the basic scheme of neutral unbalance protection in capacitor banks in ungrounded double Wye configuration is shown.
Figure 2 illustrates that, by detecting or estimating the unbalanced current through the neutral, the optimal protection setting can be determined, enabling the safe disconnection of the equipment and minimizing the risk of catastrophic damage. However, in C-type harmonic filters, which feature a more complex arrangement of series–parallel elements, conventional analysis techniques struggle to accurately assess the unbalanced currents. Therefore, an alternative analysis tool is proposed below to address this challenge.

4. Ybus Admittance Matrix

The Ybus matrix is a mathematical tool used in the analysis of electrical power systems to calculate the currents and voltages at each node in the system. The matrix is constructed based on the electrical system topology and the impedances of each element. It is a complex matrix that describes the relationship between the nodes of an electrical system and the currents flowing through them where each element of the matrix represents the admittance between two specific nodes of the system.
The matrix equation used for node analysis is as follows:
[ I n o d e ] = V b u s Y b u s l
where:
Inode is the vector of the nodal current injection, in A;
Vbus is the vector of bus voltages, in V;
Ybus is the admittance matrix of the system, in S.
Suppose the equations that model the system shown in Figure 3 are obtained as follows:
Applying Kirchoff’s current law, the equation for bus “i” is obtained as follows:
I i = I i j + I i k + I i r e f
The currents in the system branches can be expressed as a function of bus voltages and branch admittances:
I i j = Y i j ( V i V j )
I i k = Y i k ( V i V k )
I i r e f = Y i r e f ( V i V r e f )
Substituting (4), (5), and (6) in (3), we obtain:
I i = Y i j ( V i V j ) + Y i k ( V i V k ) + Y i r e f ( V i V r e f )
The final equation is as follows:
I i = Y i j + Y i k + Y i r e f V i Y i j V j Y i k V k Y i r e f V r e f
From Equation (8), the rules for forming the admittance matrix are obtained:
  • The main diagonal of the matrix is formed by summing the admittances of the elements connected to the corresponding node—positioned at that element is the location in the matrix;
  • The off-diagonal elements of the matrix are defined as the negative sum of admittances between the corresponding node and the nodes with direct branch connections.

5. Unbalanced Current Calculation by Ybus Matrix

The presented methodology applies to ungrounded double Wye C-type harmonic filters. However, the calculation criteria can be adapted for estimating the unbalance in various three-phase configurations or compensation equipment with different operating characteristics.
This unbalance analysis method includes the following steps:
  • Identify the system buses: Determine the buses in the electrical system that make up the harmonic filter;
  • Identify the system elements: Identify the elements under analysis, such as resistors, capacitors, inductors, and the impedance of the Thevenin equivalent at the connection point;
  • Calculate the admittances of each element: Calculate the admittances of each system element based on their electrical characteristics;
  • Construct the nodal admittance matrix: Place the calculated admittances in the matrix at their respective positions, according to the connections between the nodes representing each element;
  • Calculate the nodal currents and voltages: Use the nodal admittance matrix and system information to calculate the nodal currents and voltages;
  • Calculate the circulating current between the neutrals of the double Wye array: Calculate the circulating current through the neutral as the sum of the phase currents of each Wye array.
Based on this information and assuming a typical system for ungrounded double Wye C-type harmonic filters, the equations modeling its behavior are determined.
The Ybus admittance matrix that models the C-type harmonic filter is as follows:
Y b u s = Y 01 01 Y 01 02 Y 01 03 Y 01 04 Y 01 05 Y 01 06 Y 01 07 Y 01 08 Y 01 09 Y 01 10 Y 01 11 Y 01 12 Y 01 13 Y 02 01 Y 02 02 Y 02 03 Y 02 04 Y 02 05 Y 02 06 Y 02 07 Y 02 08 Y 02 09 Y 02 10 Y 02 11 Y 02 12 Y 02 13 Y 03 01 Y 03 02 Y 03 03 Y 03 04 Y 03 05 Y 03 06 Y 03 07 Y 03 08 Y 03 09 Y 03 10 Y 03 11 Y 03 12 Y 03 13 Y 04 01 Y 04 02 Y 04 03 Y 04 04 Y 04 05 Y 04 06 Y 04 07 Y 04 08 Y 04 09 Y 04 10 Y 04 11 Y 04 12 Y 04 13 Y 05 01 Y 05 02 Y 05 03 Y 05 04 Y 05 05 Y 05 06 Y 05 07 Y 05 08 Y 05 09 Y 05 10 Y 05 11 Y 05 12 Y 05 13 Y 06 01 Y 06 02 Y 06 03 Y 06 04 Y 06 05 Y 06 06 Y 06 07 Y 06 08 Y 06 09 Y 06 10 Y 06 11 Y 06 12 Y 06 13 Y 07 01 Y 07 02 Y 07 03 Y 07 04 Y 07 05 Y 07 06 Y 07 07 Y 07 08 Y 07 09 Y 07 10 Y 07 11 Y 07 12 Y 07 13 Y 08 01 Y 08 02 Y 08 03 Y 08 04 Y 08 05 Y 08 06 Y 08 07 Y 08 08 Y 08 09 Y 08 10 Y 08 11 Y 08 12 Y 08 13 Y 09 01 Y 09 02 Y 09 03 Y 09 04 Y 09 05 Y 09 06 Y 09 07 Y 09 08 Y 09 09 Y 09 10 Y 09 11 Y 09 12 Y 09 13 Y 10 01 Y 10 02 Y 10 03 Y 10 04 Y 10 05 Y 10 06 Y 10 07 Y 10 08 Y 10 09 Y 10 10 Y 10 11 Y 10 12 Y 10 13 Y 11 01 Y 11 02 Y 11 03 Y 11 04 Y 11 05 Y 11 06 Y 11 07 Y 11 08 Y 11 09 Y 11 10 Y 11 11 Y 11 12 Y 11 13 Y 12 01 Y 12 02 Y 12 03 Y 12 04 Y 12 05 Y 12 06 Y 12 07 Y 12 08 Y 12 09 Y 12 10 Y 12 11 Y 12 12 Y 12 13 Y 13 01 Y 13 02 Y 13 03 Y 13 04 Y 13 05 Y 13 06 Y 13 07 Y 13 08 Y 13 09 Y 13 10 Y 13 11 Y 13 12 Y 13 13
The system current vector [Iabc] is as follows:
I a b c = V a θ a ° Z s o u r c e a 0 0 0 V b θ b ° Z s o u r c e b 0 0 0 V c θ c Z s o u r c e c 0 0 0 0 T
The equation for the nodal voltage vectors is as follows:
V b u s = [ Y b u s ] 1 [ I a b c ]
Using Equation (11), the voltage between the neutral point and ground for the unbalanced system is determined. The magnitude at position 13 of the [Vbus] vector is used to find the unbalanced voltage observed relative to the power supply of each phase of the equipment. In an ungrounded double Wye connection, an unbalance results in a displacement of the neutral point, causing an imbalance in the voltages.
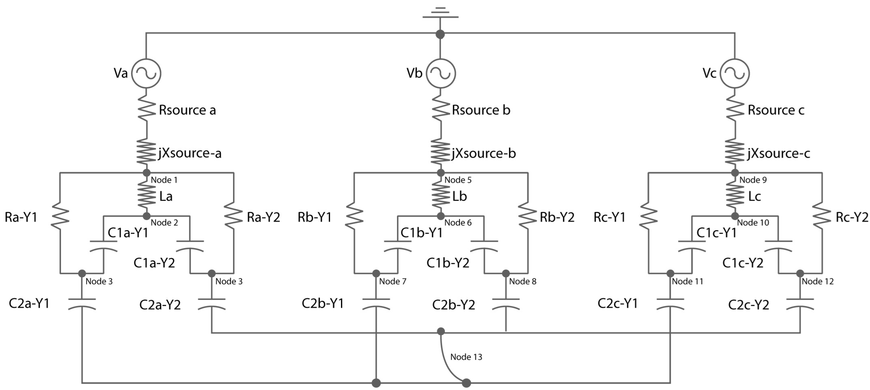
From the diagram in Figure 4, the total current per phase is the current flowing through the capacitors C2 of each Wye array. Therefore, the unbalanced nodal voltages for each point are calculated as follows:
V p h a s e u n b Y i = V n o d e j V n o d e 13
The currents per phase and per Wye arrangement in the C2 capacitors of the unit are as calculated as follows:
I p h a s e Y i = V p h a s e u n b Y i Y j 13
Note: The sub-index “i” indicates the Wye arrangement being analyzed. As can be seen in Figure 4, for this analysis, the “j” nodes of interest are nodes 3, 4, 7, 8, 11, and 12.
Once the currents through the capacitors C2 of the equipment have been obtained for each phase and the Wye arrays Y1 and Y2, the current in the common connection between the Wye arrangements can be calculated. This connection is located at the floating neutral point of each array.
As is known, the current in the neutral of a three-phase system can be calculated by the vector summation of its phase currents. Since the currents flowing through each Wye array and their respective phases are known, the neutral current is calculated as follows:
I n Y 1 = I a Y 1 + I b Y 1 + I c Y 1
I n Y 2 = I a Y 1 + I b Y 1 + I c Y 1
Finally, the origin of the unbalanced current can be defined by the direction of the neutral current, where the current entering the node (positive magnitude) indicates that the predominant unbalance is coming from the neighboring Wye array, while the current leaving the node (negative magnitude) indicates that the predominant unbalance is being caused by damaged elements in the Wye array.

6. Study Cases and Simulation Results

6.1. Case Study 1—C-Type 45 Mvar Second Harmonic Filter of a ±250 Mvar SVC

The case study system consists of a ±250 Mvar SVC with applications in the steel industry, which is composed of the following equipment:
  • 275 Mvar TCR;
  • Third-order filter, second harmonic, 45 Mvar;
  • First-order filter, third harmonic, 65 Mvar;
  • First-order filter, fourth harmonic, 60 Mvar;
  • First-order filter, fifth harmonic, 55 Mvar;
  • First-order filter, sixth harmonic, 50 Mvar.
The equipment under analysis is the 45 Mvar C-type second harmonic filter. This device is a critical element of the system for the compensation and filtering of harmonics generated by the operation of electric arc furnaces.
The C-type harmonic filter is shown in Figure 5.
The load center’s point of common coupling (PCC) operates at a voltage level of 400 kV. This voltage is stepped down to 34.5 kV using a Wye-Delta 250/300 MVA, ABB (Cary, NC, USA)—Transformer with an impedance (Z) of 15%. The short-circuit power at the PCC, as calculated by the energy supplier, is 16,870 MVA. See Figure 6.
The electrical parameters at the SVC connection point at 34.5 kV are shown in Table 1.
The rated parameters for the second harmonic filter are shown in Table 2.
On-site capacitance, resistance, and inductance tests were performed on the elements that compose the device, obtaining the equivalent parameters shown in Table 3.
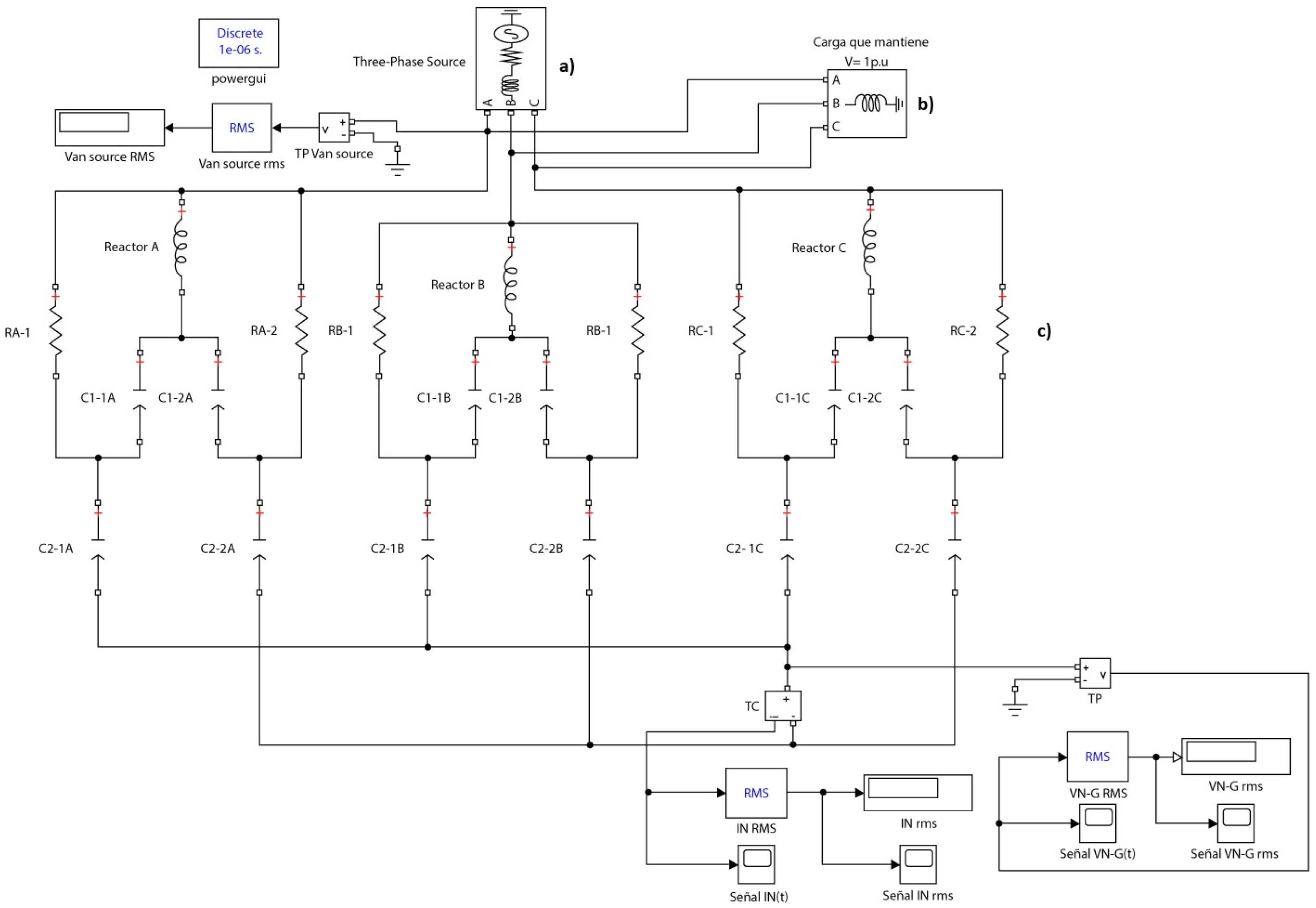
With the data from Table 1 and Table 3, a simulation model was performed in Simulink to obtain the magnitude of the neutral current according to the on-site measurements.
For Figure 7, the setup data for the three-phase source was taken from Table 1, while the setup data for the other components were taken from Table 3. The element connected in parallel with the source is an inductive load (45 Mvar) that maintains the source voltage operating at 1 p.u in the simulation.
The results of the proposed methodology were compared with those obtained from the MATLAB-Simulink (MATLAB R2023a) model and the tripping record of the main protection of the second harmonic filter. The last neutral current recorded by the relay before the protection tripped was 4.6 A, which matches the value calculated both analytically and with MATLAB-Simulink. See Table 4. It is worth mentioning that this current magnitude appeared due to the catastrophic damage in different capacitor units of the equipment, due to the degradation allowed and not operated by the unbalance protection of the equipment.
Once the unbalanced current has been calculated, this value is placed in the relay as an adjustment, which is another of the objectives of this paper. For this, an analysis was carried out considering a percentage of the degradation/deviation in the nominal capacitance value against calculating the unbalanced current.
Figure 8 presents the neutral current results obtained using the proposed methodology, where the manufacturer’s original alarm and trip settings are compared with the adjustments suggested in this paper. The proposed settings were derived based on an overvoltage criterion specifically established for the capacitor units, determining the sensitivity of the protection system to unbalances in the capacitor bank of the harmonic filter. The overvoltage calculation, which is fundamental to this analysis, is based on the equipment’s topology and the application of Equation (11). This evaluation was key to selecting the optimal settings that ensure the equipment is safely taken out of service, minimizing the risk of significant damage.
As shown, the alarm and trip settings proposed by the equipment manufacturer are higher than those recommended in this paper. Additionally, the current trip setting is found to be overly permissive to the unbalance present in the equipment. If not properly monitored, this could lead to damaging events affecting the equipment components, such as the incident recorded with a neutral current of 4.6 A.
In Figure 9, two operating curves of overcurrent relays are shown. In the violet curve, corresponding to the adjustment obtained with the proposed methodology, the instantaneous operation of the circuit breaker will be with a lower unbalanced current (1.18 A) than the adjustment proposed by the manufacturer (2.10 A). In this way, it is observed that the proposed setting allows the equipment to be triggered in anticipation of the occurrence of events of greater severity in the equipment.

6.2. Case Study 2—C-Type 18.50 Mvar Second Harmonic Filter of a ±80 Mvar STATCOM

This case study system consists of a ±80 Mvar STATCOM with applications in the steel industry, which is composed of the following equipment:
  • ±80 Mvar STATCOM;
  • Third-order filter, second harmonic, 18.50 Mvar;
  • First-order filter, third harmonic, 21.50 Mvar.
The equipment under analysis is the 18.50 Mvar C-type second harmonic filter. This device is used as STATCOM support for the mitigation of the second harmonic generated by the operation of electric arc furnaces in the electrical system.
The C-type harmonic filter is shown in Figure 10:
In this case, as can be seen in Figure 11, a fault occurred in one of the second harmonic filter resistors, causing the equipment to trip. As a result, the equipment was inspected, and corrective maintenance routines were carried out. After replacing the failed resistor, resistance, inductance, and capacitance tests were conducted to ensure there was no risk of failure when re-energizing the equipment.
The load center’s point of common coupling (PCC) operates at a voltage level of 230 kV. This voltage is stepped down to 34.5 kV using a Wye-Wye 90/120 MVA transformer with an impedance (Z) of 10.213%. The short-circuit power at the PCC, as calculated by the energy supplier, is 7,100 MVA. See Figure 12.
On-site capacitance, resistance, and inductance tests were performed on the elements that compose the device, obtaining the equivalent parameters shown in Table 5.
Using the data from Table 5, a calculation was performed following the methodology presented in this paper. The goal was to determine the magnitude of the neutral current based on on-site measurements and to confirm that there is no risk of failure when re-energizing the equipment.
The results obtained by using the proposed methodology are shown in Table 6.
After re-energizing the device, the neutral current readings in the equipment were verified, finding that the readings are consistent with the calculation results by using parameters recorded on-site. Figure 13 shows the value of the neutral current displayed on an SEL relay.
It should be noted that the decimal precision displayed by the relay has steps of 0.1 A; therefore, the result obtained whose value is less than 0.1 will always show the value of 0.1 A on the display of the equipment. However, within the setting parameters of the relay, this equipment has 0.01 A steps, so the neutral unbalance adjustment can be performed accurately without any problem for this device.
Finally, for this case study, a comparative table is presented showing the results obtained from the proposed calculation methodology alongside the values recorded on-site by the SEL-751 protective relay (Schweitzer Engineering Laboratories, Pullman, WA, USA). See Table 7. This table compares the calculated neutral current imbalance with the actual values recorded in the field.

7. Conclusions

This paper presents a methodology for calculating the neutral unbalanced current in an ungrounded double Wye C-type harmonic filter using Ybus matrix analysis techniques. The methodology has proven to be an effective tool for assessing the neutral unbalance in electrical systems. Two real-world case studies were presented to validate the accuracy of the calculation tool. The first case involves an SVC that experienced a trip in its C-type second harmonic filter due to a neutral unbalance, while the second focuses on a C-type second harmonic filter in a STATCOM system, which tripped due to a failure in one of the harmonic filter resistors. The goal of the second study was to verify that re-energizing the equipment would not lead to repeated failure and tripping.
The results for both case studies show a close concordance between the neutral current calculated by the proposed methodology and the data obtained from both the Simulink simulation and the real neutral current shown in the protective relay.
The proposed methodology has significant potential for improving protection algorithms, monitoring the operational status of the compensation equipment, and estimating early the degradation of device components. This helps avoid undesired system shutdowns, enhancing the operational efficiency and power quality of the electrical grid. By preventing unplanned shutdowns, it ensures compliance with the parameters established by utilities in the electrical network. Furthermore, implementing this methodology in predictive maintenance plans contributes to overall power quality improvement and increases the operational efficiency of the electrical grid.
The method’s performance was evaluated by configuring the neutral unbalance protection for the harmonic filter in the first case study. The settings were adjusted based on the overvoltage criteria in the failed units, enabling early equipment shutdown. These adjustments were made in accordance with [22] and compared with the manufacturer’s recommendations, demonstrating the tool’s effectiveness for this application.
One limitation of the proposed methodology is that it relies on data collected on-site using capacitance, inductance, and resistance meters. Consequently, the accuracy of the results depends not only on the precision of the measurement equipment but also on the correct sampling and recording of readings by the engineer conducting the tests.
The proposed calculation methodology provides a two-fold benefit: a valuable tool for setting neutral unbalance protection for harmonic filters, and a method for estimating the operating condition of capacitors in high-performance equipment, such as C-type harmonic filters. Finally, as additional lines of research, the use of fixed-time observers can be adopted, employing an observation methodology to estimate parameters that would allow the algorithms presented in this paper to be used automatically.

Author Contributions

Conceptualization, methodology, software, validation, resources, data curation, visualization, investigation, writing—original draft preparation, and writing—review and editing, S.A.M. and F.S.S.; software, resources, visualization, investigation, and writing—review and editing, L.A.T.G., L.H.R.A., M.A.G.V., J.R.M. and M.A.P.-G. All authors have read and agreed to the published version of the manuscript.

Funding

This research received no external funding.

Data Availability Statement

The original contributions presented in the study are included in the article, further inquiries can be directed to the corresponding author.

Acknowledgments

The authors would like to thank Diram S.A. de C.V. for providing them with the required data for the corresponding analysis in collaboration with the Cuerpo Académico Diagnóstico, Análisis, Control y Medición de Sistemas Eléctricos y Electrónicos (UANL-CA-432) of the Ministry of Public Education of Mexico.

Conflicts of Interest

Author Sergio Arrieta Meza was employed by Diram. The remaining authors declare that the research was conducted in the absence of any commercial or financial relationships that could be construed as a potential conflict of interest.

References

  1. Olczykowski, Z. Arc Voltage Distortion as a Source of Higher Harmonics Generated by Electric Arc Furnaces. Energies 2022, 15, 3628. [Google Scholar] [CrossRef]
  2. Adware, R.; Chandrakar, V. A Hybrid Approach with STATCOM to Enhance Grid Power Quality Associated with Wind Farms. Eng. Technol. Appl. Sci. Res. 2023, 13, 11426–11431. [Google Scholar] [CrossRef]
  3. Junesco, D.; Al-Youif, S.; Mnati, M.J.; Tofigh, M.A. Various Passive Filters Designs Proposed for Harmonic Extenuation in Industrial Distribution Systems. Int. J. Eng. Technol. 2018, 7, 75–84. [Google Scholar] [CrossRef]
  4. Xiong, X.-P.; Hu, J.-J.; Fu, Q. Analysis on unbalance protection of SCB. In Proceedings of the 2nd International Conference on Systems Engineering and Modeling (ICSEM-13), Beijing, China, 19–20 April 2013. [Google Scholar]
  5. Baker-Duly, P.W. Shunt Capacitor Bank Fundamentals and the Application of Differential Voltage Protection of Fuseless Single Star Earthed Shunt Capacitor Banks. Ph.D. Thesis, Faculty of Engineering and the Built Environment of the University of the Witwatersrand, Johannesburg, South Africa, 2008. [Google Scholar]
  6. Park, B.; Lee, H.; Jang, G.; Han, B.M. A fault analysis of DC electric arc furnaces with SVC harmonic filters in a mini-mill plant. Electr. Power Syst. Res. 2010, 80, 807–814. [Google Scholar] [CrossRef]
  7. C37.99-2012; IEEE Guide for the Protection of Shunt Capacitor Banks. Institute of Electrical and Electronics Engineers: Piscataway, NJ, USA, 2012. [CrossRef]
  8. IEC 61921; Power Capacitors—Low-Voltage Power Factor Correction Banks. International Electrotechnical Commission: London, UK, 2017.
  9. IEC 60143; Commission Series Capacitors for Power Systems. International Electrotechnical: London, UK, 2015.
  10. Schweitzer, I. Engineering Laboratories, Capacitor Bank Unbalance Protection Calculations and Sensitivity Analysis. In Proceedings of the 49th Annual Western Protective Relay Conference, Spokane, WA, USA, 10–13 October 2022. [Google Scholar]
  11. ABB. Section 8.10 Protection of Capacitor Banks. In Distribution Automation Handbook; ABB: Zurich, Switzerland, 2011. [Google Scholar]
  12. Brunello, G.; Kasztenny, B.; Wester, C. Shunt Capacitor Bank Fundamentals and Protection. In Proceedings of the Conference for Protective Relay Engineers, College Station, TX, USA, 8–10 April 2003. [Google Scholar]
  13. Price, E.; Wolsey, R. String Current Unbalance Protection and Faulted String Identification for Grounded-Wye Fuseless Capacitor Banks. In Proceedings of the 65th Annual Georgia Tech Protective Relaying Conference, Atlanta, GA, USA, 11–13 May 2011. [Google Scholar]
  14. Brandi, E.; Abboud, R.; Calero, F. Protecting Harmonic Filters in a ±600 kV HVDC Installation. In Proceedings of the 42nd Annual Western Protective Relay Conference, Spokane, WA, USA, 20–22 October 2015. [Google Scholar]
  15. Huang, S.; Xiong, L.; Zhou, Y.; Gao, F.; Jia, Q.; Li, X. Robust Distributed Fixed-Time Fault-Tolerant Control for Shipboard Microgrids with Actuator Fault. IEEE Trans. Transp. Electrif. 2024, 70, 5643–5653. [Google Scholar] [CrossRef]
  16. Klempka, R. A New Method for the C-Type Passive Filter Design. Przegląd Elektrotechniczny Electr. Rev. 2012, 88, 277–281. [Google Scholar]
  17. Abdel Aleem, S.H.E.; Zobaa, A.F. Optimal C-Type Filter for Harmonics Mitigation and Resonance Damping in Industrial Distribution Systems; Brunel University Research Archive (BURA): London, UK, 2016. [Google Scholar]
  18. Xiao, Y.; Zhao, J.; Mao, S. Theory for the Design of C-Type Filter. In Proceedings of the 2004 11th International Conference on Harmonics and Quality of Power, Chengdu, China, 15–18 October 2004. [Google Scholar]
  19. Usman; Muchtar, A.; Sujito; Muttaqin, W.M. Comparison between single tuned filter and c-type filter performance on the electric power distribution network. J. Phys. Conf. Ser. 2019, 1175, 012127. [Google Scholar] [CrossRef]
  20. Das, J. Power System Harmonics and Passive Filter Designs; John Wiley & Sons, Inc.: Hoboken, NJ, USA, 2015. [Google Scholar]
  21. Amaya, C.A.F. Capacitores en Media Tensión, Aplicación en la Subestación Loja; Escuela Politécnica Nacional, Escuela de Ingeniería: Quito, Ecuador, 2003. [Google Scholar]
  22. IEEE Std. 18-2012; IEEE Standard for Shunt Power Capacitors. Institute of Electrical and Electronics Engineers: Piscataway, NJ, USA, 2013.
Figure 1. C-type filter configuration.
Figure 1. C-type filter configuration.
Energies 17 05547 g001
Figure 2. Protection scheme for a capacitor bank in ungrounded double Wye connection. Lines a, b, and c represent the phase voltages Va, Vb, and Vc.
Figure 2. Protection scheme for a capacitor bank in ungrounded double Wye connection. Lines a, b, and c represent the phase voltages Va, Vb, and Vc.
Energies 17 05547 g002
Figure 3. Electrical system for determining the equation on bus “i”.
Figure 3. Electrical system for determining the equation on bus “i”.
Energies 17 05547 g003
Figure 4. Three-phase diagram of ungrounded double Wye C-type harmonic filters.
Figure 4. Three-phase diagram of ungrounded double Wye C-type harmonic filters.
Energies 17 05547 g004
Figure 5. 45 Mvar second harmonic C-type filter—SVC ± 250 Mvar.
Figure 5. 45 Mvar second harmonic C-type filter—SVC ± 250 Mvar.
Energies 17 05547 g005
Figure 6. Single-line diagram of case study 1: (a) service entrance, (b) main transformer, (c) feeder, (d) ladle Furnace (LF), (e) electric arc furnace (EAF), and (f) static var compensator.
Figure 6. Single-line diagram of case study 1: (a) service entrance, (b) main transformer, (c) feeder, (d) ladle Furnace (LF), (e) electric arc furnace (EAF), and (f) static var compensator.
Energies 17 05547 g006
Figure 7. 45 Mvar C-type second harmonic filter model developed in Simulink: (a) Thevenin equivalent to the coupling point, (b) equivalent RL load to maintain the voltage at 1.0 p.u., and (c) C-type filter.
Figure 7. 45 Mvar C-type second harmonic filter model developed in Simulink: (a) Thevenin equivalent to the coupling point, (b) equivalent RL load to maintain the voltage at 1.0 p.u., and (c) C-type filter.
Energies 17 05547 g007
Figure 8. Graphical comparison between manufacturer settings and proposed settings.
Figure 8. Graphical comparison between manufacturer settings and proposed settings.
Energies 17 05547 g008
Figure 9. TCC for neutral unbalance protection—comparison between manufacturer settings and proposed settings.
Figure 9. TCC for neutral unbalance protection—comparison between manufacturer settings and proposed settings.
Energies 17 05547 g009
Figure 10. 18.50 Mvar second harmonic C-type filter and ±80 Mvar STATCOM.
Figure 10. 18.50 Mvar second harmonic C-type filter and ±80 Mvar STATCOM.
Energies 17 05547 g010
Figure 11. 18.50 Mvar second harmonic C-type filter—failed resistor.
Figure 11. 18.50 Mvar second harmonic C-type filter—failed resistor.
Energies 17 05547 g011
Figure 12. Single-line diagram of case study 2: (a) service entrance, (b) main transformer, (c) feeder, (d) single tuned filter, (e) C-type filter, and (f) static synchronous compensator, STATCOM.
Figure 12. Single-line diagram of case study 2: (a) service entrance, (b) main transformer, (c) feeder, (d) single tuned filter, (e) C-type filter, and (f) static synchronous compensator, STATCOM.
Energies 17 05547 g012
Figure 13. Unbalanced current for the 18.50 Mvar second harmonic filter.
Figure 13. Unbalanced current for the 18.50 Mvar second harmonic filter.
Energies 17 05547 g013
Table 1. Electrical parameters at the SVC PCC at 34.5 kV—case study 1.
Table 1. Electrical parameters at the SVC PCC at 34.5 kV—case study 1.
SVC PCC
Vbus34.5kV
ZTh0 + j0.7847
Scc1516.82MVA
Table 2. Rated electrical parameters of the second harmonic filter—case study 1.
Table 2. Rated electrical parameters of the second harmonic filter—case study 1.
Wye
Arrangement
Phase APhase BPhase C
DeviceMagnitudeUnitsDeviceMagnitudeUnitsDeviceMagnitudeUnits
Y1L26.117mHL26.117mHL26.117mH
R551WR551WR551W
C1134.85mFC1134.85mFC1134.85mF
C250.16mFC250.16mFC250.16mF
Y2L26.117mHL26.117mHL26.117mH
R551WR551WR551W
C1134.85mFC1134.85mFC1134.85mF
C250.16mFC250.16mFC250.16mF
Table 3. On-site tested electrical parameters for the second harmonic filter—case study 1.
Table 3. On-site tested electrical parameters for the second harmonic filter—case study 1.
Wye
Arrangement
Phase APhase BPhase C
DeviceMagnitudeUnitsDeviceMagnitudeUnitsDeviceMagnitudeUnits
Y1L26.117mHL26.117mHL26.117mH
R551WR551WR551W
C1131.09mFC1133.22mFC1131.25mF
C248.953mFC247.294mFC247.305mF
Y2L26.117mHL26.117mHL26.117mH
R551WR551WR551W
C1130.17mFC1131.11mFC1132.36mF
C248.333mFC248.461mFC247.588mF
Table 4. Calculation and simulation results—case study 1.
Table 4. Calculation and simulation results—case study 1.
Proposed MethodologySimulink
ParameterMagnitudeUnitsParameterMagnitudeUnits
VN-G123.44VVN-G123.70V
INY1-24.56AINY1-24.57A
INY2-14.56AINY2-14.57A
Table 5. On-site tested electrical parameters for the 18.50 Mvar second harmonic filter.
Table 5. On-site tested electrical parameters for the 18.50 Mvar second harmonic filter.
Wye
Arrangement
Phase APhase BPhase C
DeviceMagnitudeUnitsDeviceMagnitudeUnitsDeviceMagnitudeUnits
Y1L57.63mHL57.63mHL57.63mH
R2000WR2000WR2000W
C163.40mFC163.30mFC163.40mF
C221.17mFC221.13mFC221.14mF
Y2L57.63mHL57.63mHL57.63mH
R2000WR2000WR2000W
C163.50mFC163.50mFC163.50mF
C221.16mFC221.13mFC221.13mF
Table 6. Calculation results with on-site measurements—case study 2.
Table 6. Calculation results with on-site measurements—case study 2.
Calculated Unbalance Current
ParameterMagnitudeUnits
VN-G11.16V
INY1-20.0852A
INY2-10.0852A
Table 7. Comparison between calculated and on-site measured current—case study 2.
Table 7. Comparison between calculated and on-site measured current—case study 2.
Proposed MethodologyOn-Site Relay Unbalance Current
ParameterMagnitudeUnitsParameterMagnitudeUnits
VN-G11.16VVN-G-V
INY1-20.0852AINY1-20.1000A
INY2-10.0852AINY2-10.1000A
Disclaimer/Publisher’s Note: The statements, opinions and data contained in all publications are solely those of the individual author(s) and contributor(s) and not of MDPI and/or the editor(s). MDPI and/or the editor(s) disclaim responsibility for any injury to people or property resulting from any ideas, methods, instructions or products referred to in the content.

Share and Cite

MDPI and ACS Style

Arrieta Meza, S.; Salinas Salinas, F.; Trujillo Guajardo, L.A.; Rodríguez Alfaro, L.H.; González Vázquez, M.A.; Rodríguez Maldonado, J.; Platas-Garza, M.A. Method for Calculating the Unbalanced Current in Ungrounded Double Wye C-Type Harmonic Filters. Energies 2024, 17, 5547. https://doi.org/10.3390/en17225547

AMA Style

Arrieta Meza S, Salinas Salinas F, Trujillo Guajardo LA, Rodríguez Alfaro LH, González Vázquez MA, Rodríguez Maldonado J, Platas-Garza MA. Method for Calculating the Unbalanced Current in Ungrounded Double Wye C-Type Harmonic Filters. Energies. 2024; 17(22):5547. https://doi.org/10.3390/en17225547

Chicago/Turabian Style

Arrieta Meza, Sergio, Fernando Salinas Salinas, Luis Alonso Trujillo Guajardo, Luis Humberto Rodríguez Alfaro, Mario Alberto González Vázquez, Johnny Rodríguez Maldonado, and Miguel Angel Platas-Garza. 2024. "Method for Calculating the Unbalanced Current in Ungrounded Double Wye C-Type Harmonic Filters" Energies 17, no. 22: 5547. https://doi.org/10.3390/en17225547

APA Style

Arrieta Meza, S., Salinas Salinas, F., Trujillo Guajardo, L. A., Rodríguez Alfaro, L. H., González Vázquez, M. A., Rodríguez Maldonado, J., & Platas-Garza, M. A. (2024). Method for Calculating the Unbalanced Current in Ungrounded Double Wye C-Type Harmonic Filters. Energies, 17(22), 5547. https://doi.org/10.3390/en17225547

Note that from the first issue of 2016, this journal uses article numbers instead of page numbers. See further details here.

Article Metrics

Back to TopTop