Sign in to use this feature.

Years

Between: -

Subjects

remove_circle_outline
remove_circle_outline
remove_circle_outline
remove_circle_outline
remove_circle_outline
remove_circle_outline
remove_circle_outline
remove_circle_outline
remove_circle_outline

Journals

Article Types

Countries / Regions

remove_circle_outline
remove_circle_outline
remove_circle_outline
remove_circle_outline

Search Results (382)

Search Parameters:
Keywords = pulse width modulated inverter

Order results
Result details
Results per page
Select all
Export citation of selected articles as:
19 pages, 4034 KB  
Article
Assessment of a Hybrid Modulation Strategy for Asymmetrical Cascaded Multilevel Inverters Under Comparative Analysis
by Gerlando Frequente, Massimo Caruso, Giuseppe Schettino and Rosario Miceli
Electronics 2025, 14(21), 4354; https://doi.org/10.3390/electronics14214354 - 6 Nov 2025
Abstract
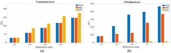
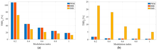
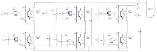
This paper presents a novel hybrid modulation technique for Asymmetrical Cascaded H-Bridge Multilevel Inverters (ACHBMLIs), specifically designed to enhance both efficiency and harmonic performance. Unlike conventional strategies, the proposed method optimizes the switching scheme by operating the high-voltage H-Bridge at the fundamental frequency, [...] Read more.
This paper presents a novel hybrid modulation technique for Asymmetrical Cascaded H-Bridge Multilevel Inverters (ACHBMLIs), specifically designed to enhance both efficiency and harmonic performance. Unlike conventional strategies, the proposed method optimizes the switching scheme by operating the high-voltage H-Bridge at the fundamental frequency, thereby significantly reducing switching losses while maintaining low harmonic distortion levels comparable to traditional Pulse Width Modulation (PWM). To assess the effectiveness of the approach, a comprehensive comparison was conducted against two widely adopted modulation techniques for ACHBMLIs: Multicarrier Pulse Width Modulation (MPWM) and the Staircase Modulation Strategy (SMS). The evaluation involved both simulation and real-time Hardware-in-the-Loop (HIL) testing of a 7-level three-phase ACHBMLI, with a focus on key performance indicators such as voltage and current harmonic distortion, as well as converter efficiency. The results demonstrate that the proposed hybrid modulation achieves higher efficiency than PWM and lower current Total Harmonic Distortion (THD) than SMS. These findings highlight the potential of the hybrid strategy as a compelling solution for applications that demand an optimal balance between energy efficiency and waveform quality. Full article
(This article belongs to the Special Issue Power Electronics and Renewable Energy System)
Show Figures

Graphical abstract

16 pages, 2114 KB  
Article
The Design Optimization of a Harmonic-Excited Synchronous Machine Operating in the Field-Weakening Region
by Vladimir Prakht, Vladimir Dmitrievskii, Vadim Kazakbaev, Eduard Valeev and Victor Goman
World Electr. Veh. J. 2025, 16(11), 599; https://doi.org/10.3390/wevj16110599 - 29 Oct 2025
Viewed by 262
Abstract
In this paper, the optimization of a harmonic-excited synchronous machine (HESM) is carried out. A two-phase harmonic exciter winding of the HESM provides brushless excitation and sufficient starting torque at any rotor position. The HESM under consideration is intended to be used for [...] Read more.
In this paper, the optimization of a harmonic-excited synchronous machine (HESM) is carried out. A two-phase harmonic exciter winding of the HESM provides brushless excitation and sufficient starting torque at any rotor position. The HESM under consideration is intended to be used for applications requiring speed control, especially in the field-weakening region. The novelty of the proposed approach is that a two-level optimization based on a two-stage model is used to reduce the computational burden. It includes a finite-element model that takes into account only the fundamental current harmonic (basic model). Using the output of the basic model, a reduced-order model (ROM) is parametrized. The ROM considers pulse-width-modulated components of the inverter output current, zero-sequence current injected into the stator winding, and harmonic excitation winding currents. A two-level optimization technique is developed based on the Nelder–Mead method, taking into account the significantly different computational complexity of the basic and reduced-order models. Optimization is performed considering two operating points: base and maximum speed. The results show that an optimized design provides significantly higher efficiency and reduced inverter power requirements. This allows the use of more compact and cheaper power switches. Therefore, the advantage of the presented approach lies in the computationally effective optimization of HESMs (optimization time is reduced by approximately three orders of magnitude compared to calculations using FEA alone), which enhances HESMs’ performance in various applications. Full article
Show Figures

Figure 1

30 pages, 5764 KB  
Article
Control and Modeling Framework for Balanced Operation and Electro-Thermal Analysis in Three-Level T-Type Neutral Point Clamped Inverters
by Ahmed H. Okilly, Cheolgyu Kim, Do-Wan Kim and Jeihoon Baek
Energies 2025, 18(21), 5587; https://doi.org/10.3390/en18215587 - 24 Oct 2025
Viewed by 222
Abstract
Reliable multilevel inverter IGBT modules require precise loss and heat management, particularly in severe traction applications. This paper presents a comprehensive modeling framework for three-level T-type neutral-point clamped (TNPC) inverters using a high-power Insulated Gate Bipolar Transistor (IGBT) module that combines model predictive [...] Read more.
Reliable multilevel inverter IGBT modules require precise loss and heat management, particularly in severe traction applications. This paper presents a comprehensive modeling framework for three-level T-type neutral-point clamped (TNPC) inverters using a high-power Insulated Gate Bipolar Transistor (IGBT) module that combines model predictive control (MPC) with space vector pulse width modulation (SVPWM). The particle swarm optimization (PSO) algorithm is used to methodically tune the MPC cost function weights for minimization, while achieving a balance between output current tracking, stabilization of the neutral-point voltage, and, consequently, a uniform distribution of thermal stress. The proposed SVPWM-MPC algorithm selects optimal switching states, which are then utilized in a chip-level loss model coupled with a Cauer RC thermal network to predict transient chip-level junction temperatures dynamically. The proposed framework is executed in MATLAB R2024b and validated with experiments, and the SemiSel industrial thermal simulation tool, demonstrating both control effectiveness and accuracy of the electro-thermal model. The results demonstrate that the proposed control method can sustain neutral-point voltage imbalance of less than 0.45% when operating at 25% load and approximately 1% under full load working conditions, while accomplishing a uniform junction temperature profile in all inverter legs across different working conditions. Moreover, the results indicate that the proposed control and modeling structure is an effective and common-sense way to perform coordinated electrical and thermal management, effectively allowing for predesign and reliability testing of high-power TNPC inverters. Full article
(This article belongs to the Special Issue Power Electronics Technology and Application)
Show Figures

Figure 1

20 pages, 8476 KB  
Article
Three-Phase Space Vector PWM Inverter for Induction Motor Drive with Leakage Current Reduction
by Gerardo Vazquez-Guzman, Panfilo R. Martinez-Rodriguez, Julio C. Rosas-Caro, Emmanuel Rivera-Perez, Juan A. Verdin-Cruz, Christopher J. Rodriguez-Cortes and Diego Langarica-Cordoba
Sustainability 2025, 17(20), 9317; https://doi.org/10.3390/su17209317 - 20 Oct 2025
Viewed by 284
Abstract
Several industrial applications rely on induction motors to carry out processes essential for product manufacturing. Speed control of an induction motor commonly requires a pulse width modulated inverter capable of driving a system with long cables, suppression of common mode voltage, reduction in [...] Read more.
Several industrial applications rely on induction motors to carry out processes essential for product manufacturing. Speed control of an induction motor commonly requires a pulse width modulated inverter capable of driving a system with long cables, suppression of common mode voltage, reduction in common mode current, and suppression of electromagnetic interference. This paper proposes a three-phase motor drive aimed at maintaining a constant common-mode voltage. The proposed system consists of two three-phase conventional full bridge inverters connected in parallel and having as an input two separate direct current sources. The proposed system is controlled by using the space vector pulse width modulation technique. By properly designing the switching signal sequences for both converters, the common-mode voltage can be maintained constant, thereby reducing the associated common-mode current to an RMS value of 92.3 mA and enhancing the overall reliability of the system. The proposed system is validated through numerical simulations and by the implementation of an experimental prototype. Full article
(This article belongs to the Special Issue Power Electronics on Recent Sustainable Energy Conversion Systems)
Show Figures

Figure 1

22 pages, 5131 KB  
Article
Predictive Torque Control for Induction Machine Fed by Voltage Source Inverter: Theoretical and Experimental Analysis on Acoustic Noise
by Bouyahi Henda and Adel Khedher
Acoustics 2025, 7(4), 63; https://doi.org/10.3390/acoustics7040063 - 11 Oct 2025
Viewed by 299
Abstract
Induction motors piloted by voltage source inverters constitute a major source of acoustic noise in industry. The discrete tonal bands generated by induction motor stator current spectra controlled by the fixed Pulse Width Modulation (PWM) technique have damaging effects on the electronic noise [...] Read more.
Induction motors piloted by voltage source inverters constitute a major source of acoustic noise in industry. The discrete tonal bands generated by induction motor stator current spectra controlled by the fixed Pulse Width Modulation (PWM) technique have damaging effects on the electronic noise source. Nowadays, the investigation of new advanced control techniques for variable speed drives has developed a potential investigation field. Finite state model predictive control has recently become a very popular research focus for power electronic converter control. The flexibility of this control shows that the switching times are generated using all the information on the drive status. Predictive Torque Control (PTC), space vector PWM and random PWM are investigated in this paper in terms of acoustic noise emitted by an induction machine fed by a three-phase two-level inverter. A comparative study based on electrical and mechanical magnitudes, as well as harmonic analysis of the stator current, is presented and discussed. An experimental test bench is also developed to examine the effect of the proposed PTC and PWM techniques on the acoustic noise of an induction motor fed by a three-phase two-level voltage source converter. Full article
Show Figures

Figure 1

22 pages, 5438 KB  
Article
Investigation of Constant SVPWM and Variable RPWM Strategies on Noise Generated by an Induction Motor Powered by VSI Two- or Three-Level
by Bouyahi Henda and Adel Khedher
Appl. Sci. 2025, 15(19), 10819; https://doi.org/10.3390/app151910819 - 9 Oct 2025
Viewed by 245
Abstract
A three-phase inverter generates non-sinusoidal voltages, contains high order harmonics, and concentrates on switching frequency multiples. Supplying an induction machine (IM) with a voltage source inverter (VSI) increases the acoustic noise content which becomes unbearable, particularly for systems needing a moderate level of [...] Read more.
A three-phase inverter generates non-sinusoidal voltages, contains high order harmonics, and concentrates on switching frequency multiples. Supplying an induction machine (IM) with a voltage source inverter (VSI) increases the acoustic noise content which becomes unbearable, particularly for systems needing a moderate level of electric traction. The discrete tonal bands produced by the IM stator current spectrum controlled by the fixed pulse width modulation (PWM) technique have damaging effects on the electronic noise source. Moreover, it has been factually proven that the noise content is strongly associated with the harmonics of the source feeding electric machine. Thus, the harmonic content is influenced by the control strategy VSI to produce pulse width modulation (PWM). Currently, the investigation of new advanced control techniques for variable speed drives has developed into a potential investigation file. Two fundamental topologies for a three-phase inverter have been suggested in the literature, namely two- and three-level topologies. Therefore, this paper investigated the effect of variable and fixed PWM strategies, such as random PWM (RPWM) and space vector PWM (SVPWM), on the noise generated by an IM, powered with a two- or three-level inverter. Simulation results showed the validity and efficiency of the proposed variable RPWM strategy in reducing sideband harmonics for both the two and three levels at different switching frequencies and modulation indexes. The proposed PWM strategies were further evaluated by the results of equivalent experiments on an IM fed by a two-level VSI. The experimental measurements of harmonic current and noise spectra demonstrate that the acoustic noise is reduced and dispersed totally for the RPWM strategy. Full article
Show Figures

Figure 1

20 pages, 7171 KB  
Article
Research on a Phase-Shift-Based Discontinuous PWM Method for 24V Onboard Thermally Limited Micro Voltage Source Inverters
by Shuo Wang and Chenyang Xia
Micromachines 2025, 16(10), 1128; https://doi.org/10.3390/mi16101128 - 30 Sep 2025
Viewed by 426
Abstract
This research explores a phase-shift-based discontinuous PWM method used for 24 V battery-powered onboard micro inverters, which are critical for thermally limited applications like micromachines, where efficient heat dissipation and compact size are paramount. Discontinuous pulse width modulation (DPWM) reduces switching losses by [...] Read more.
This research explores a phase-shift-based discontinuous PWM method used for 24 V battery-powered onboard micro inverters, which are critical for thermally limited applications like micromachines, where efficient heat dissipation and compact size are paramount. Discontinuous pulse width modulation (DPWM) reduces switching losses by clamping the phase voltage to the DC bus in order to improve inverter efficiency. Due to the change in power factor at different operating points from motors or the inductor load, the use of only one DPWM method cannot achieve the optimal efficiency of a three-phase voltage source inverter (3ph-VSI). This paper proposes a generalized DPWM method with a continuously adjustable phase shift angle, which extends the six traditional DPWM methods to any type. According to different power factors, the proposed DPWM method is divided into five power factor angle intervals, namely [−90°, −60°], [−60°, −30°], [−30°, 30°], [30°, 60°], and [60°, 90°], and automatically adjusts the phase shift angle to the optimal-efficiency DPWM mode. The power factor is calculated by means of the Synchronous Reference Frame Phase-Locked Loop (SRF-PLL) method. The switching losses and harmonic characteristics of the proposed DPWM are analyzed, and finally, a 24 V onboard 3ph-VSI experimental platform is built. The experimental results show that the efficiency of DPWM methods can be improved by 3–6% and the switching loss can be reduced by 40–50% under different power factors. At the same time, the dynamic performance of the proposed algorithm with a transition state is verified. This method is particularly suitable for miniaturized inverters where efficiency and thermal management are critical. Full article
Show Figures

Figure 1

19 pages, 15200 KB  
Article
Integrated FCS-MPC with Synchronous Optimal Pulse-Width Modulation for Enhanced Dynamic Performance in Two-Level Voltage-Source Inverters
by Aathira Karuvaril Vijayan, Pedro F. da Costa Gonçalves, Battur Batkhishig, Babak Nahid-Mobarakeh and Ali Emadi
Electronics 2025, 14(19), 3757; https://doi.org/10.3390/electronics14193757 - 23 Sep 2025
Viewed by 365
Abstract
The adoption of synchronous optimal pulse-width modulation (SOPWM) in two-level voltage-source inverters (2L-VSIs) offers low switching-to-fundamental-frequency ratio (SFR) operation while maintaining reduced current total harmonic distortion (THD). Despite these advantages, the performance of SOPWM is highly sensitive to signal noise in the modulation [...] Read more.
The adoption of synchronous optimal pulse-width modulation (SOPWM) in two-level voltage-source inverters (2L-VSIs) offers low switching-to-fundamental-frequency ratio (SFR) operation while maintaining reduced current total harmonic distortion (THD). Despite these advantages, the performance of SOPWM is highly sensitive to signal noise in the modulation index and reference voltage angle. To prevent degradation, conventional PI controllers are conservatively tuned with slow dynamic response, which limits overall system performance. Finite control set model predictive control (FCS-MPC) integrated with SOPWM offers a promising solution, combining the fast dynamic response of FCS-MPC with the optimal steady-state performance of SOPWM. Nevertheless, the intricate tuning of weighting factors in FCS-MPC presents a significant challenge, particularly in balancing between enhanced harmonic performance and fast dynamic response. This paper introduces a simplified FCS-MPC approach that eliminates the need for complex weighting factor tuning while retaining the excellent dynamic performance of FCS-MPC and ensuring the low current THD achieved by SOPWM under steady-state conditions. The efficacy of the proposed method is validated through MATLAB/Simulink (R2023b) simulations and experimental results. Full article
Show Figures

Figure 1

19 pages, 17187 KB  
Article
Controller Hardware-in-the-Loop Validation of a DSP-Controlled Grid-Tied Inverter Using Impedance and Time-Domain Approaches
by Leonardo Casey Hidalgo Monsivais, Yuniel León Ruiz, Julio Cesar Hernández Ramírez, Nancy Visairo-Cruz, Juan Segundo-Ramírez and Emilio Barocio
Electricity 2025, 6(3), 52; https://doi.org/10.3390/electricity6030052 - 6 Sep 2025
Viewed by 564
Abstract
In this work, a controller hardware-in-the-loop (CHIL) simulation of a grid-connected three-phase inverter equipped with an LCL filter is implemented using a real-time digital simulator (RTDS) as the plant and a digital signal processor (DSP) as the control hardware. This work identifies and [...] Read more.
In this work, a controller hardware-in-the-loop (CHIL) simulation of a grid-connected three-phase inverter equipped with an LCL filter is implemented using a real-time digital simulator (RTDS) as the plant and a digital signal processor (DSP) as the control hardware. This work identifies and discusses the critical aspects of the CHIL implementation process, emphasizing the relevance of the control delays that arise from sampling, computation, and pulse width modulation (PWM), which also adversely affect system stability, accuracy, and performance. Time and frequency domains are used to validate the modeling of the system, either to represent large-signal or small-signal models. This work shows multiple representations of the system under study: the fundamental frequency model, the switched model, and the switched model controlled by the DSP, are used to validate the nonlinear model, whereas the impedance-based modeling is followed to validate the linear representation. The results demonstrate a strong correlation among the models, confirming that the delay effects are accurately captured in the different simulation approaches. This comparison provides valuable insights into configuration practices that improve the fidelity of CHIL-based validation and supports impedance-based stability analysis in power electronic systems. The findings are particularly relevant for wideband modeling and real-time studies in electromagnetic transient analysis. Full article
Show Figures

Figure 1

29 pages, 38336 KB  
Article
Control and Design of a Quasi-Y-Source Inverter for Vehicle-to-Grid Applications in Virtual Power Plants
by Rafael Santos, Guilherme Gomes Leite and Flávio Alessandro Serrão Gonçalves
Processes 2025, 13(9), 2800; https://doi.org/10.3390/pr13092800 - 1 Sep 2025
Viewed by 704
Abstract
This paper proposes a design and control methodology for a Quasi-Y-Source impedance source inverter (QS-YSI) as a power electronics interface for Vehicle-to-Grid (V2G) and Grid-to-Vehicle (G2V) applications in the context of virtual power plants (VPPs). The work presents an analysis of bidirectional power [...] Read more.
This paper proposes a design and control methodology for a Quasi-Y-Source impedance source inverter (QS-YSI) as a power electronics interface for Vehicle-to-Grid (V2G) and Grid-to-Vehicle (G2V) applications in the context of virtual power plants (VPPs). The work presents an analysis of bidirectional power transfer using Electric Vehicles (EVs) to supply power to the utility grid, businesses, and homes, thereby acting as distributed energy resources. The proposed QS-YSI topology supports both V2G and G2V operation while providing reactive power compensation and enabling the decoupled tracking of active power (P) and reactive power (Q), demonstrating the capability of EVs to return energy to the grid and to provide ancillary services such as power factor correction. The key contributions are a detailed control design methodology that includes pulsating DC-link voltage regulation, inverter output current reference tracking in the synchronous dq reference frame considering DC-link voltage dynamics, and a modified Pulse Width Modulation (PWM) technique for effective decoupling of DC link and inverter output current control. Finally, the feasibility and validity of the proposed approach are demonstrated through simulations of the complete system under nominal conditions and experiments conducted considering a small-scale prototype. Full article
(This article belongs to the Special Issue Advances in Power Converters in Energy and Microgrid Systems)
Show Figures

Figure 1

20 pages, 5833 KB  
Article
Power Factor Adaptive DPWM Control Strategy for T-Type Three-Level Inverters
by Jialiang Tian, Yingying Xu, Mingxia Xu, Zhenjiang Liu and Yuchi Zhou
Energies 2025, 18(17), 4574; https://doi.org/10.3390/en18174574 - 28 Aug 2025
Viewed by 578
Abstract
With the widespread application of multilevel inverters, device losses have become a critical area of research. A key limitation of conventional three-level discontinuous pulse width modulation (DPWM) strategies is their inability to maintain switching device clamping during the peak intervals of the load [...] Read more.
With the widespread application of multilevel inverters, device losses have become a critical area of research. A key limitation of conventional three-level discontinuous pulse width modulation (DPWM) strategies is their inability to maintain switching device clamping during the peak intervals of the load current, especially under varying load power factor conditions, thereby reducing switching losses. This paper proposes an improved three-level power factor adaptive DPWM (PFA-DPWM) strategy that minimizes switching losses by clamping the power devices during the one-third fundamental period of maximum load current. First, a unified mathematical model of DPWM strategies is established. Theoretical analysis demonstrates that phase disposition (PD) carrier modulation for three-level inverter exhibits superior line voltage harmonic characteristics. Based on this, a theoretical comparison of switching losses and harmonic distortion for various DPWM schemes is conducted. The proposed PFA-DPWM control strategy has the minimum switching loss without compromising harmonic performance. The efficacy and validity of the proposed strategy are confirmed by comprehensive simulation and experimental results. Full article
(This article belongs to the Special Issue Advanced Power Electronics Technology: 2nd Edition)
Show Figures

Figure 1

15 pages, 4292 KB  
Article
Research on Medium Voltage Energy Storage Inverter Control Based on Hybrid Variable Virtual Vectors
by Zhimin Mei, Kai Xiong and Jiang Liu
Electronics 2025, 14(17), 3372; https://doi.org/10.3390/electronics14173372 - 25 Aug 2025
Viewed by 487
Abstract
Medium-voltage energy storage converter equipment is an important component of the new generation of ship power and power systems. Virtual space vector pulse width modulation, as a modulation optimization method to improve the neutral-point voltage imbalance in medium- and high-voltage multilevel energy storage [...] Read more.
Medium-voltage energy storage converter equipment is an important component of the new generation of ship power and power systems. Virtual space vector pulse width modulation, as a modulation optimization method to improve the neutral-point voltage imbalance in medium- and high-voltage multilevel energy storage converters, has become a research hotspot for T-type three-level energy storage inverter modulation methods due to its significant balancing effect and simple implementation. However, the current research method of constructing virtual vectors through redundant small vectors has limitations in regulating the neutral-point potential under full (especially high) modulation ratios. This paper proposes a modulation method that uses hybrid variable virtual small vectors and virtual medium vectors through optimization selection and reconstruction of basic vectors. This method ensures that the neutral-point charge change of the vector is zero and the common-mode voltage is minimized within the switching period under the full modulation ratio, achieving the purpose of controlling the neutral-point voltage balance and suppressing the common-mode voltage. Finally, simulation and experimental results show that the proposed method has good neutral-point voltage regulation and common-mode voltage suppression capabilities within the full modulation ratio range, and the system also has strong robustness and adaptability under different load conditions. Full article
Show Figures

Figure 1

27 pages, 4022 KB  
Article
Performance Analysis of Multivariable Control Structures Applied to a Neutral Point Clamped Converter in PV Systems
by Renato Santana Ribeiro Junior, Eubis Pereira Machado, Damásio Fernandes Júnior, Tárcio André dos Santos Barros and Flavio Bezerra Costa
Energies 2025, 18(16), 4394; https://doi.org/10.3390/en18164394 - 18 Aug 2025
Viewed by 393
Abstract
This paper addresses the challenges encountered by grid-connected photovoltaic (PV) systems, including the stochastic behavior of the system, harmonic distortion, and variations in grid impedance. To this end, an in-depth technical and pedagogical analysis of three linear multivariable current control strategies is performed: [...] Read more.
This paper addresses the challenges encountered by grid-connected photovoltaic (PV) systems, including the stochastic behavior of the system, harmonic distortion, and variations in grid impedance. To this end, an in-depth technical and pedagogical analysis of three linear multivariable current control strategies is performed: proportional-integral (PI), proportional-resonant (PR), and deadbeat (DB). The study contributes to theoretical formulations, detailed system modeling, and controller tuning procedures, promoting a comprehensive understanding of their structures and performance. The strategies are investigated and compared in both the rotating (dq) and stationary (αβ) reference frames, offering a broad perspective on system behavior under various operating conditions. Additionally, an in-depth analysis of the PR controller is presented, highlighting its potential to regulate both positive- and negative-sequence components. This enables the development of more effective and robust tuning methodologies for steady-state and dynamic scenarios. The evaluation is conducted under three main conditions: steady-state operation, transient response to input power variations, and robustness analysis in the presence of grid parameter changes. The study examines the impact of each controller on the total harmonic distortion (THD) of the injected current, as well as on system stability margins and dynamic performance. Practical aspects that are often overlooked are also addressed, such as the modeling of the inverter and photovoltaic generator, the implementation of space vector pulse-width modulation (SVPWM), and the influence of the output LC filter capacitor. The control structures under analysis are validated through numerical simulations performed in MatLab® software (R2021b) using dedicated computational routines, enabling the identification of strategies that enhance performance and ensure compliance of grid-connected photovoltaic systems. Full article
(This article belongs to the Section A2: Solar Energy and Photovoltaic Systems)
Show Figures

Figure 1

47 pages, 3190 KB  
Article
THDv Reduction in Multilevel Three-Phase Inverters Using the SHE-PWM Technique with a Hybrid Optimization Algorithm
by Miguel Ayala, Luis Tipán, Manuel Jaramillo and Cristian Cuji
Energies 2025, 18(16), 4292; https://doi.org/10.3390/en18164292 - 12 Aug 2025
Viewed by 792
Abstract
The following article aims to implement a hybrid modulation methodology based on the Selective Harmonic Elimination Pulse Width Modulation (SHE-PWM) technique to work with the fundamental frequency of the system and find the optimal firing angles using the PSO optimization algorithm, capable of [...] Read more.
The following article aims to implement a hybrid modulation methodology based on the Selective Harmonic Elimination Pulse Width Modulation (SHE-PWM) technique to work with the fundamental frequency of the system and find the optimal firing angles using the PSO optimization algorithm, capable of reducing the voltage THDv present in the output signals of three-phase multilevel inverters. To develop this approach, three case studies are proposed, developed in MATLAB/Simulink software, which feature three-phase inverters with five, seven, and nine levels, respectively, of the CHB topology. The impact of adequate modulation is assessed, resulting in a voltage output signal with reduced distortion. The national regulation ARCERNNR 002/20 will be used as a reference point to evaluate the results before and after implementing the methodology. It was verified that the developed methodology can effectively eliminate the selected harmonics, especially those of lower order (3rd, 5th, 7th, 9th, 11th, 13th, and 15th), achieving an improvement of up to 17.93% in the voltage THDv concerning the standard S-PWM modulation present in the CHB-MLI. Full article
(This article belongs to the Section F3: Power Electronics)
Show Figures

Figure 1

16 pages, 2890 KB  
Article
Thermal Behavior Improvement in Induction Motors Using a Pulse-Width Phase Shift Triangle Modulation Technique in Multilevel H-Bridge Inverters
by Francisco M. Perez-Hidalgo, Juan-Ramón Heredia-Larrubia, Antonio Ruiz-Gonzalez and Mario Meco-Gutierrez
Machines 2025, 13(8), 703; https://doi.org/10.3390/machines13080703 - 8 Aug 2025
Viewed by 427
Abstract
This study investigates the thermal performance of induction motors powered by multilevel H-bridge inverters using a novel pulse-width phase shift triangle modulation (PSTM-PWM) technique. Conventional PWM methods introduce significant harmonic distortion, increasing copper and iron losses and causing overheating and reduced motor lifespan. [...] Read more.
This study investigates the thermal performance of induction motors powered by multilevel H-bridge inverters using a novel pulse-width phase shift triangle modulation (PSTM-PWM) technique. Conventional PWM methods introduce significant harmonic distortion, increasing copper and iron losses and causing overheating and reduced motor lifespan. Through experimental testing and comparison with standard PWM techniques (LS-PWM and PS-PWM), the proposed PSTM-PWM reduces harmonic distortion by up to 64% compared to the worst one and internal motor losses by up to 5.5%. A first-order thermal model is used to predict motor temperature, validated with direct thermocouple measurements and infrared thermography. The results also indicate that the PSTM-PWM technique improves thermal performance, particularly at a triangular waveform peak value of 3.5 V, reducing temperature by around 6% and offering a practical and simple solution for industrial motor drive applications. The modulation order was set to M = 7 to reduce both the losses in the power inverter and to prevent the generation of very high voltage pulses (high dV/dt), which can deteriorate the insulation of the induction motor windings over time. Full article
Show Figures

Figure 1

Back to TopTop