Investigation of Constant SVPWM and Variable RPWM Strategies on Noise Generated by an Induction Motor Powered by VSI Two- or Three-Level
Abstract
1. Introduction
2. Noise Generation in Electrical Machines
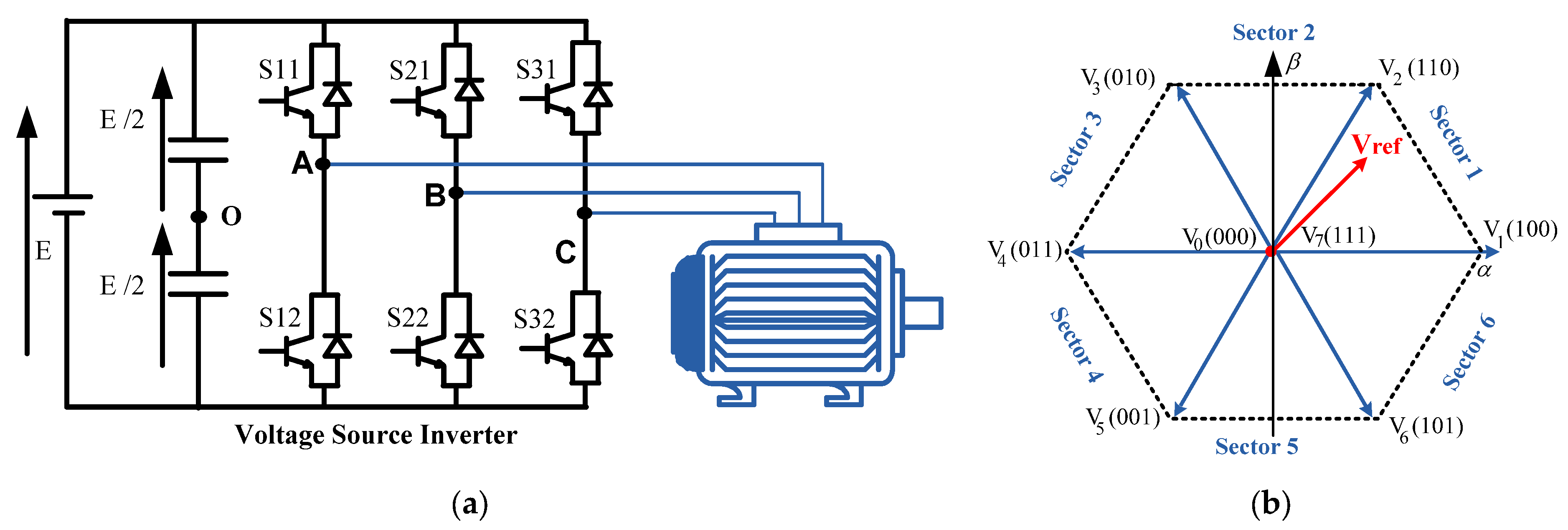
3. Three-Phase Two- or Three-Level PWM Inverters
3.1. IM Model
- where I3 is the third-order unit matrix, Rs the stator phase resistance, and Rr the rotor phase resistance.
3.2. Two-Level PWM Inverter
3.3. Three-Level PWM Inverter
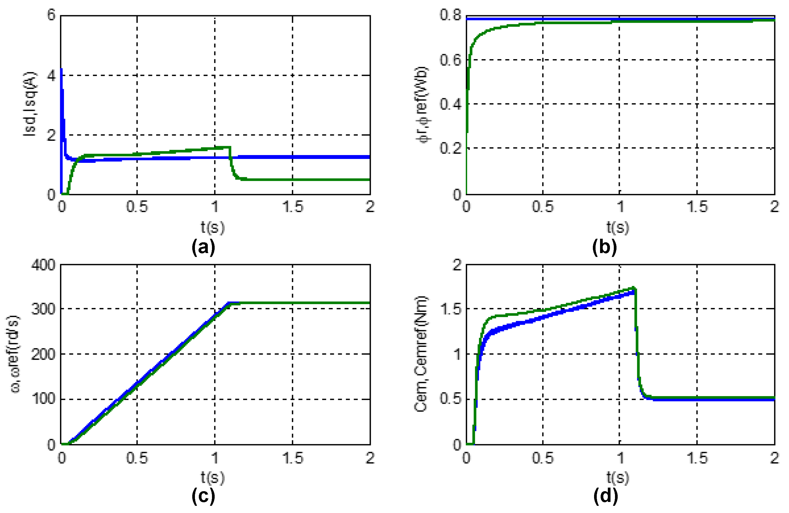
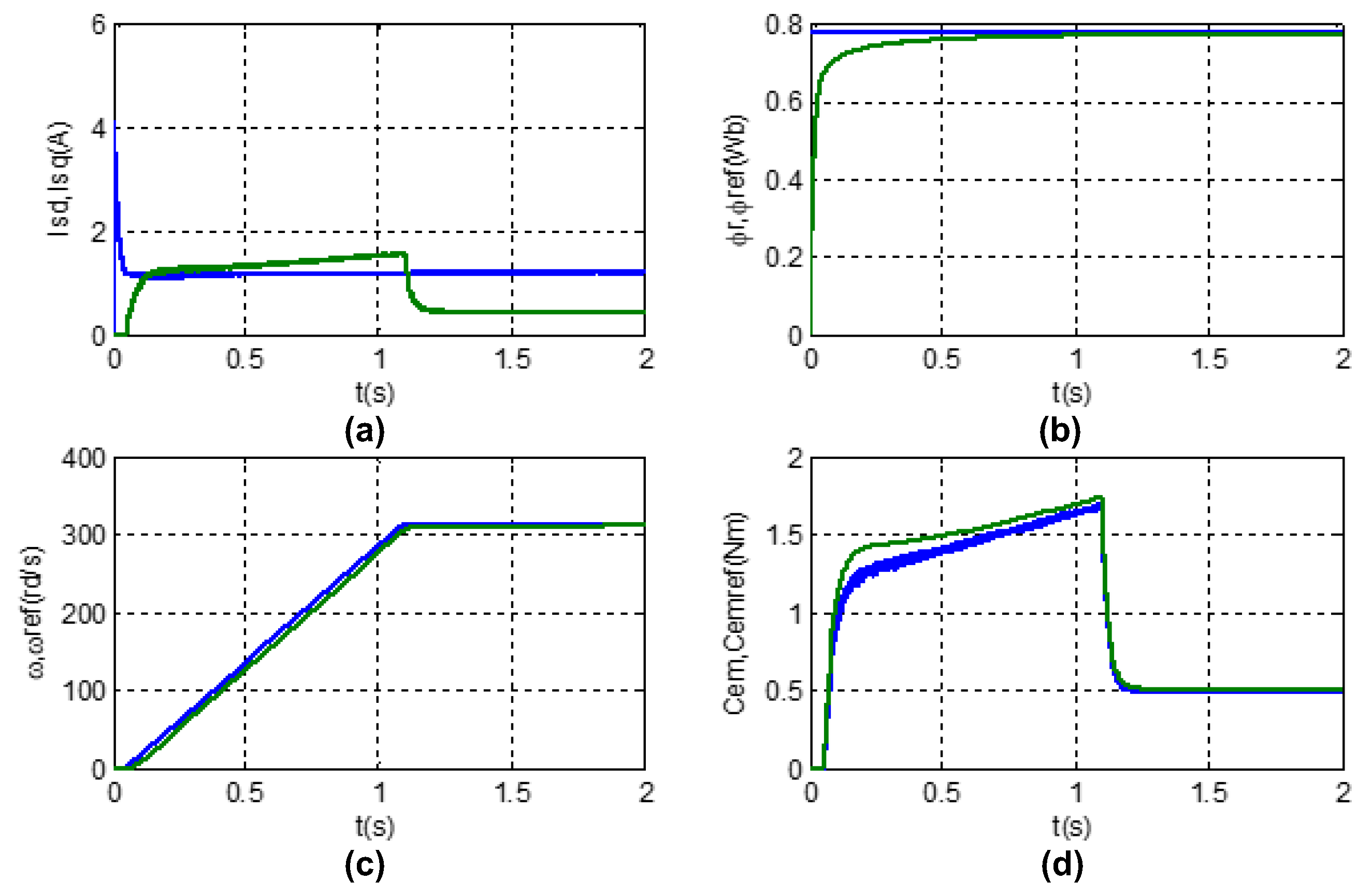
4. Simulation Results
5. Experimental Results Obtained
6. Field Oriented Control FOC Using RPWM Technique for Two- and Three-Level Inverter
- -
- For the flux controller, the and parameters are given by Equation (16):where Tr = lr/Rr is the rotor time constant and M is the mutual inductance.
- -
- For speed regulation, the and parameters are determined by the following:where , f: is the friction coefficient, and : is the nominal torque proportionality constant.
- -
- For speed regulation, the same design as for the d-axis and q-axis current loops, the regulators parameters are expressed by the following:where ls: is the stator inductance, Rs is the stator resistance, Rr is the rotor resistance, lr: is the rotor inductance, and is the Blondel dispersion coefficient.
7. Conclusions
Author Contributions
Funding
Institutional Review Board Statement
Informed Consent Statement
Data Availability Statement
Conflicts of Interest
Appendix A
| Parameter | Value |
|---|---|
| Rated power P | 0.5 kW |
| Motor speed ω | 3000 tr/min |
| Stator resistance Rs | 24 Ω |
| Stator inductance ls | 0.66 H |
| Rotor resistance Rr | 10.88 Ω |
| Rotor inductance lr | 0.66 H |
| Mutual inductance M | 0.63 H |
| Friction coefficient f | 0.00159 |
| Inertia moment J | 0.004 kg·m2 |
References
- Binojkumar, C.; Saritha, B.; Narayanan, G. Acoustic Noise Characterization of Space Vector Modulated Induction Motor Drives—An Experimental Approach. IEEE Trans. Ind. Electron. 2015, 62, 3362–3371. [Google Scholar] [CrossRef]
- Vijayraghavan, P.; Krishnan, R. Noise in electric machines: A review. IEEE Trans. Ind. Appl. 1999, 35, 1007–1013. [Google Scholar] [CrossRef]
- Huang, Y.; Xu, Y.; Zhang, W.; Zou, J. Hybrid RPWM technique based on modified SVPWM to reduce the PWM acoustic noise. IEEE Trans. Power Electron. 2018, 34, 5667–5674. [Google Scholar] [CrossRef]
- Huang, Y.; Xu, Y.; Li, Y.; Yang, G.; Zou, J. PWM frequency voltage noise cancelation in three-phase VSI using the novel SVPWM strategy. IEEE Trans. Power Electron. 2017, 33, 8596–8606. [Google Scholar] [CrossRef]
- Gieras, J.F.; Wang, C.; Lai, J.C. Noise of Polyphase Electric Motors; CRC Press: Boca Raton, FL, USA, 2018. [Google Scholar]
- Gonzalez, P.; Buigues, G.; Mazon, A.J. Noise in electric motors: A comprehensive review. Energies 2023, 16, 5311. [Google Scholar] [CrossRef]
- Reddy, M.; Reddy, T.; Reddy, B.; Kalavathi, M.S. Random PWM technique for dual-inverter-fed vector-controlled induction motor drive. J. Control Autom. Electr. Syst. 2016, 27, 60–68. [Google Scholar] [CrossRef]
- Habetler, T.; Divan, D. Acoustic noise reduction in sinusoidal PWM drives using a randomly modulated carrier. IEEE Trans. Power Electron. 1991, 6, 356–363. [Google Scholar] [CrossRef]
- Kumar, A.; Narayanan, G. Variable-switching frequency PWM technique for induction motor drive to spread acoustic noise spectrum with reduced current ripple. IEEE Trans. Ind. Appl. 2016, 52, 3927–3938. [Google Scholar] [CrossRef]
- Boudouda, A.; Boudjerda, N.; Aibeche, A. dSPACE-based dual randomized pulse width modulation for acoustic noise mitigation in induction motor. J. Braz. Soc. Mech. Sci. Eng. 2022, 44, 493. [Google Scholar] [CrossRef]
- Gamoudi, R.; Chariag, D.; Sbita, L. A review of spread-spectrum-based PWM techniques—A novel fast digital implementation. IEEE Trans. Power Electron. 2018, 33, 10292–10307. [Google Scholar] [CrossRef]
- Jadeja, R.; Ved, A.; Chauhan, S.; Trivedi, T. A random carrier frequency PWM technique with a narrowband for a grid-connected solar inverter. Electr. Eng. 2020, 102, 1755–1767. [Google Scholar] [CrossRef]
- Xu, J.; Ouyang, Z.; Dong, Y.; Nie, Z. Spectrum-Dispersion Effects of Random Triangular Carrier Wave SVPWM for NPC Three-Level Inverters. IEEE Trans. Ind. Electron. 2024, 71, 7756–7765. [Google Scholar] [CrossRef]
- Bouyahi, H.; Khedher, A. Acoustic noise of induction motor drive with Voltage-Source Inverter by Random Space Vector PWM: Simulation and Experimentation analysis. J. Appl. Sci. 2025, 15, 4646. [Google Scholar]
- Kim, J.; Jung, Y. Spreading power spectrum of an induction motor drive system by chaotic pulse width modulation method. J. Electr. Eng. Technol. 2021, 16, 2685–2694. [Google Scholar] [CrossRef]
- Khalid, M.; Mohan, A.; Binojkumar, C. Carrier-Based Variable Frequency PWM Technique for PMSM Drives to Achieve Dispersed Spectrum and Extended Low-Speed Operation Capability. Arab. J. Sci. Eng. 2023, 48, 15045–15061. [Google Scholar] [CrossRef]
- Sadhu, N.; Teegala, B.; Marapu, V. Constant and variable switching frequency random PWM strategies for open-end winding induction motor drive. J. Power Electron. 2020, 20, 1488–1495. [Google Scholar] [CrossRef]
- Xu, J.; Ouyang, Z.; Sun, J.; Zhu, W.; Nie, Z. Performance and Characterization of Optimal Harmonic Dispersion Effect in Double Frequency Band Random PWM Strategy. IEEE Trans. Power Electron. 2024, 39, 14680–14690. [Google Scholar] [CrossRef]
- Binojkumar, C.; Prasad, J.; Narayanan, G. Experimental investigation on the effect of advanced bus-clamping pulse-width modulation on motor acoustic noise. IEEE Trans. Ind. Electron. 2013, 60, 433–439. [Google Scholar] [CrossRef]
- Ibrahim, A.; Sujod, M. Variable switching frequency hybrid PWM technique for switching loss reduction in a three-phase two-level voltage source inverter. Meas. J. 2020, 151, 107192. [Google Scholar] [CrossRef]
- Fang, Y.; Zhang, T. Sound quality investigation and improvement of an electric powertrain for electric vehicles. IEEE Trans. Ind. Electron. 2017, 65, 1149–1157. [Google Scholar] [CrossRef]
- Duong, T.; Nguyen, M.; Tran, T.; Vo, D.; Lim, Y.; Choi, J. Topology review of three-phase two-level transformerless photovoltaic inverters for common-mode voltage reduction. Energies 2022, 15, 3106. [Google Scholar] [CrossRef]
- Lee, J.; Park, J. Selection of PWM methods for common-mode voltage and DC-link capacitor current reduction of three-phase VSI. IEEE Trans. Ind. Appl. 2022, 59, 1064–1076. [Google Scholar] [CrossRef]
- Pain, M.; Gateau, G.; Blaquiere, J. A three-phase three-level converter with shared flying capacitors. IET Power Electron. 2023. [Google Scholar] [CrossRef]
- Hu, Z.; Xing, X.; Liu, C.; Zhang, R.; Blaabjerg, F. A Modified Discontinuous PWM Method for Three-Level Inverters with the Improved LCL Filter. IEEE Trans. Power Electron. 2024, 39, 5498–5509. [Google Scholar] [CrossRef]
- Lee, S.; Lim, C.; Lee, K. Novel active-neutral-point-clamped inverters with improved voltage-boosting capability. IEEE Trans. Power Electron. 2019, 35, 5978–5986. [Google Scholar]
- Schirmer, P.; Glose, D.; Ammann, U. Zero-voltage and frequency pattern selection for DC-link loss minimization in PWM-VSI drives. Electr. Eng. 2023, 105, 349–358. [Google Scholar]
- Robles, E.; Fernandez, M.; Andreu, J.; Ibarra, E.; Ugalde, U. Advanced power inverter topologies and modulation techniques for common-mode voltage elimination in electric motor drive systems. Renew. Sustain. Energy Rev. 2021, 140, 110746. [Google Scholar] [CrossRef]
- Freddy, T.; Rahim, N.; Hew, W.; Che, H.S. Modulation techniques to reduce leakage current in three-phase transformerless H7 photovoltaic inverter. IEEE Trans. Ind. Electron. 2015, 62, 322–331. [Google Scholar]
- Gupta, K.; Ranjan, A.; Bhatnagar, P.; Sahu, L.K.; Jain, S. Multilevel inverter topologies with reduced device count: A review. IEEE Trans. Power Electron. 2016, 31, 135–151. [Google Scholar]
- Das, S.; Narayanan, G. Novel switching sequences for a space-vector-modulated three-level inverter. IEEE Trans. Ind. Electron. 2011, 59, 1477–1487. [Google Scholar]
- Ruiz, A.; Meco, M.; Heredia, J.; Perez-Hidalgo, F.; Vargas-Merino, F. Pulse width modulation technique with harmonic injection in the modulating wave and discontinuous frequency modulation for the carrier wave to reduce vibrations in asynchronous machines. IET Power Electron. 2019, 12, 2865–2872. [Google Scholar] [CrossRef]
- Mahmoud, Z.; Hamouda, M.; Khedher, A. A comparative study between the nearest three vectors and two-level hexagons based space vector modulation algorithms for three-level NPC inverters. Int. J. Renew. Energy Res. 2017, 7, 1074–1084. [Google Scholar]
- Binojkumar, C.; Narayanan, G. A low-cost system for measurement and spectral analysis of motor acoustic noise. In Proceedings of the 6th National Power Electronics Conference (NPEC), Howrah, India, 19–22 December 2011; pp. 24–29. [Google Scholar]
- Lisner, R.; Timar, P. A new approach to electric motor acoustic noise standards and test procedures. IEEE Trans. Energy Convers. 1999, 14, 692–697. [Google Scholar] [CrossRef]



























| Reference | PWM Strategy Used | Inverter | Year |
|---|---|---|---|
| [8] | Sinusoidal PWM (SPWM) and Random PWM (RPWM) | Two-Level | 1991 |
| [19] | Advanced Bus-Clamping PWM and Space Vector PWM SVPWM | Two-Level | 2013 |
| [1] | SVPWM | Two-Level | 2015 |
| [9] | Variable-switching Frequency PWM (VFPWM) and SVPWM | Two-Level | 2016 |
| [7] | RPWM | Two-Level | 2016 |
| [4] | SVPWM and Modified SVPWM | Two-Level | 2017 |
| [3] | Hybrid Random PWM (HRPWM), RPWM and SVPWM | Two-Level | 2018 |
| [14] | SHEPWM, SVPWM and RPWM | Two-Level | 2019 |
| [16] | VFPWM and SVPWM | Two-Level | 2023 |
| [13] | Random Triangular Carrier Wave SVPWM and SVPWM | Three-Level | 2024 |
| dx | dy | dz | |
|---|---|---|---|
| Triangle 1 | |||
| Triangle 2 | |||
| Triangle 3 | |||
| Triangle 4 |
| Parameter | Value | Parameter | Value |
|---|---|---|---|
| Rated power | 0.5 kW | Rotor inductance | 0.66 H |
| Motor speed | 3000 tr/min | Mutual inductance M | 0.63 H |
| Stator resistance | 24 Ω | Friction coefficient | 0.00159 |
| Stator inductance | 0.66 H | Pair pole number | 1 |
| Rotor Resistance | 10.88 Ω | Inertia Moment | 0.004 kg·m2 |
Disclaimer/Publisher’s Note: The statements, opinions and data contained in all publications are solely those of the individual author(s) and contributor(s) and not of MDPI and/or the editor(s). MDPI and/or the editor(s) disclaim responsibility for any injury to people or property resulting from any ideas, methods, instructions or products referred to in the content. |
© 2025 by the authors. Licensee MDPI, Basel, Switzerland. This article is an open access article distributed under the terms and conditions of the Creative Commons Attribution (CC BY) license (https://creativecommons.org/licenses/by/4.0/).
Share and Cite
Henda, B.; Khedher, A. Investigation of Constant SVPWM and Variable RPWM Strategies on Noise Generated by an Induction Motor Powered by VSI Two- or Three-Level. Appl. Sci. 2025, 15, 10819. https://doi.org/10.3390/app151910819
Henda B, Khedher A. Investigation of Constant SVPWM and Variable RPWM Strategies on Noise Generated by an Induction Motor Powered by VSI Two- or Three-Level. Applied Sciences. 2025; 15(19):10819. https://doi.org/10.3390/app151910819
Chicago/Turabian StyleHenda, Bouyahi, and Adel Khedher. 2025. "Investigation of Constant SVPWM and Variable RPWM Strategies on Noise Generated by an Induction Motor Powered by VSI Two- or Three-Level" Applied Sciences 15, no. 19: 10819. https://doi.org/10.3390/app151910819
APA StyleHenda, B., & Khedher, A. (2025). Investigation of Constant SVPWM and Variable RPWM Strategies on Noise Generated by an Induction Motor Powered by VSI Two- or Three-Level. Applied Sciences, 15(19), 10819. https://doi.org/10.3390/app151910819
