Sign in to use this feature.

Years

Between: -

Subjects

remove_circle_outline
remove_circle_outline
remove_circle_outline
remove_circle_outline
remove_circle_outline
remove_circle_outline
remove_circle_outline
remove_circle_outline
remove_circle_outline

Journals

remove_circle_outline
remove_circle_outline
remove_circle_outline
remove_circle_outline
remove_circle_outline
remove_circle_outline
remove_circle_outline
remove_circle_outline
remove_circle_outline
remove_circle_outline

Article Types

Countries / Regions

remove_circle_outline
remove_circle_outline
remove_circle_outline
remove_circle_outline

Search Results (1,474)

Search Parameters:
Keywords = power-smoothing

Order results
Result details
Results per page
Select all
Export citation of selected articles as:
32 pages, 3615 KB  
Article
Development of a Hybrid Expert Diagnostic System for Power Transformers Based on the Integration of Computational and Measurement Complexes
by Ivan Beloev, Mikhail Evgenievich Alpatov, Marsel Sharifyanovich Garifullin, Ilgiz Fanzilevich Galiev, Shamil Faridovich Rakhmankulov, Iliya Iliev and Ylia Sergeevna Valeeva
Energies 2025, 18(20), 5360; https://doi.org/10.3390/en18205360 (registering DOI) - 11 Oct 2025
Abstract
The paper presents a hybrid intelligent expert diagnostic system (HIESD) of power transformer (PT) subsystems realized on the basis of integration of measuring and computing hardware and software complexes into a single functional architecture. HIESD performs online diagnostics of four main subsystems of [...] Read more.
The paper presents a hybrid intelligent expert diagnostic system (HIESD) of power transformer (PT) subsystems realized on the basis of integration of measuring and computing hardware and software complexes into a single functional architecture. HIESD performs online diagnostics of four main subsystems of PT: 1—insulating (liquid and solid insulation); 2—electromagnetic (windings, magnetic conductor); 3—voltage regulation; and 4—high-voltage inputs. Computational complexes and modules of the system are connected with the real object of power grids, 110/10 kV substation, which interact with each other and contain a relational database of retrospective offline data of the PT “life cycle” (including test and measurement results), supplemented by online monitoring data of the main subsystems, corrected by high-precision test measurements; analytical complex, in which the work of calculation modules of the operational state of PT subsystems is supplemented by predictive analytics and machine learning modules; and a knowledge base, sections of which are regularly updated and supplemented. The system architecture is tested at industrial facilities in terms of online transformer diagnostics based on dissolved gas analysis (DGA) data. Additionally, a theoretical model of diagnostics based on the electromagnetic characteristics of the transformer, which takes into account distorted and nonlinear modes of its operation, is presented. The scientific significance of the work consists of the presentation of the following new provisions: Methodology and algorithm for diagnostics of electromagnetic parameters of ST, taking into account nonlinearity and non-sinusoidality of winding currents and voltages; formation of optimal client–service architecture of training models of hybrid system based on the processes of data storage and management; and modification of the moth–flame algorithm to optimize the smoothing coefficient in the process of training a probabilistic neural network Full article
(This article belongs to the Section F: Electrical Engineering)
Show Figures

Figure 1

20 pages, 4326 KB  
Article
Analysis and Enhancement of HQT and ENTSO-E Synthetic Inertia Criteria Using the Unison U151 Wind Turbine
by Yong Cheol Kang, Kicheol Kang, Youngsun Lee and Kyu-Ho Kim
Energies 2025, 18(20), 5359; https://doi.org/10.3390/en18205359 (registering DOI) - 11 Oct 2025
Abstract
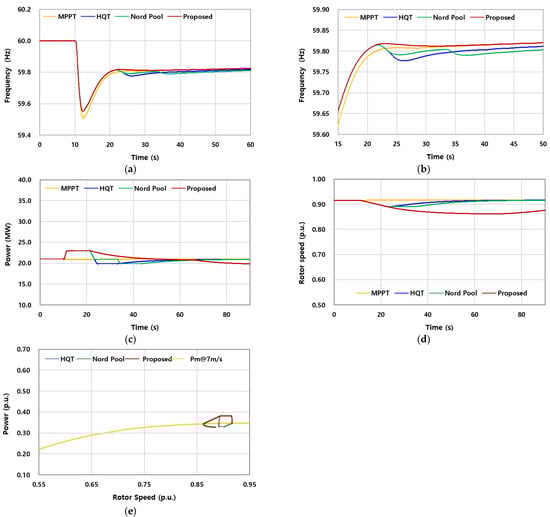
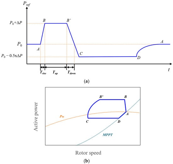
Synthetic inertia (SI) enables wind turbine generators (WTGs) to support frequency stability by releasing stored kinetic energy during disturbances. Existing grid-code requirements, such as those of Hydro-Québec TransÉnergie (HQT) and ENTSO-E/Nord Pool, improve the first frequency nadir but often aggravate a second frequency [...] Read more.
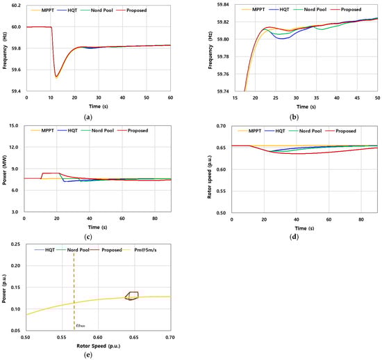
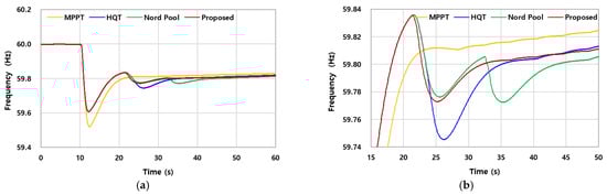
Synthetic inertia (SI) enables wind turbine generators (WTGs) to support frequency stability by releasing stored kinetic energy during disturbances. Existing grid-code requirements, such as those of Hydro-Québec TransÉnergie (HQT) and ENTSO-E/Nord Pool, improve the first frequency nadir but often aggravate a second frequency dip (SFD) or risk rotor over-deceleration (OD) when the boost magnitude is large. This paper proposes an enhanced SI requirement that retains the stepwise boost-and-hold structure but replaces the time-based ramp-down with a rotor-speed-dependent recovery, followed by a smooth transition back to maximum power point tracking (MPPT). The proposed scheme was validated using an electromagnetic transient model of the Unison U151 wind turbine (4.569 MW, inertia constant 9.68 s), designed for Korea’s low-wind conditions. Five case studies at wind speeds of 5 and 7 m/s with varying boost levels confirmed that all methods yield identical first nadirs for a given boost, but only the proposed approach consistently maintained a higher second nadir, stabilized rotor dynamics, and prevented repeated dips. These results demonstrate that rotor-speed-dependent SI requirements, when combined with high-inertia turbines, can enhance frequency stability while protecting turbine operation, offering practical guidance for future grid-code revisions. Full article
Show Figures

Figure 1

22 pages, 4427 KB  
Article
Higher-Order Dynamic Mode Decomposition to Identify Harmonics in Power Systems
by Aboubacar Abdou Dango, Innocent Kamwa, Himanshu Grover, Alexia N’Dori and Alireza Masoom
Energies 2025, 18(19), 5327; https://doi.org/10.3390/en18195327 - 9 Oct 2025
Abstract
The proliferation of renewable energy sources and distributed generation systems interfaced to the grid by power electronics systems is forcing us to better understand the issues arising due to the quality of electrical signals generated through these devices. Understanding and monitoring these harmonics [...] Read more.
The proliferation of renewable energy sources and distributed generation systems interfaced to the grid by power electronics systems is forcing us to better understand the issues arising due to the quality of electrical signals generated through these devices. Understanding and monitoring these harmonics is crucial to ensure the smooth and seamless operation of these networks, as well as to protect and manage the renewable energy sources-based power system. In this paper, we propose an advanced method of dynamic modal decomposition, called Higher-Order Dynamic Mode Decomposition (HODMD), one of the recently proposed data-driven methods used to estimate the frequency/amplitude and phase with high resolution, to identify the harmonic spectrum in power systems dominated by renewable energy generation. In the proposed method, several time-shifted copies of the measured signals are integrated to create the initial data matrices. A hard thresholding technique based on singular value decomposition is applied to eliminate ambiguities in the measured signal. The proposed method is validated and compared to Synchrosqueezing Transform based on Short-Time Fourier Transform (SST-STFT) and the Concentration of Frequency and Time via Short-Time Fourier Transform (ConceFT-STFT) using synthetic signals and real measurements, demonstrating its practical effectiveness in identifying harmonics in emerging power networks. Finally, the effectiveness of the proposed methodology is analyzed on the energy storage-based laboratory-scale microgrid setup using an Opal-RT-based real-time simulator. Full article
(This article belongs to the Special Issue Energy, Electrical and Power Engineering: 4th Edition)
Show Figures

Figure 1

23 pages, 1058 KB  
Article
SM-GCG: Spatial Momentum Greedy Coordinate Gradient for Robust Jailbreak Attacks on Large Language Models
by Landi Gu, Xu Ji, Zichao Zhang, Junjie Ma, Xiaoxia Jia and Wei Jiang
Electronics 2025, 14(19), 3967; https://doi.org/10.3390/electronics14193967 - 9 Oct 2025
Abstract
Recent advancements in large language models (LLMs) have increased the necessity of alignment and safety mechanisms. Despite these efforts, jailbreak attacks remain a significant threat, exploiting vulnerabilities to elicit harmful responses. While white-box attacks, such as the Greedy Coordinate Gradient (GCG) method, have [...] Read more.
Recent advancements in large language models (LLMs) have increased the necessity of alignment and safety mechanisms. Despite these efforts, jailbreak attacks remain a significant threat, exploiting vulnerabilities to elicit harmful responses. While white-box attacks, such as the Greedy Coordinate Gradient (GCG) method, have demonstrated promise, their efficacy is often limited by non-smooth optimization landscapes and a tendency to converge to local minima. To mitigate these issues, we propose Spatial Momentum GCG (SM-GCG), a novel method that incorporates spatial momentum. This technique aggregates gradient information across multiple transformation spaces—including text, token, one-hot, and embedding spaces—to stabilize the optimization process and enhance the estimation of update directions, thereby more effectively exploiting model vulnerabilities to elicit harmful responses. Experimental results on models including Vicuna-7B, Guanaco-7B, and Llama2-7B-Chat demonstrate that SM-GCG significantly enhances the attack success rate in white-box settings. The method achieves a 10–15% improvement in attack success rate over baseline methods against robust models such as Llama2, while also exhibiting enhanced transferability to black-box models. These findings indicate that spatial momentum effectively mitigates the problem of local optima in discrete prompt optimization, thereby offering a more powerful and generalizable approach for red-team assessments of LLM safety. Warning: This paper contains potentially offensive and harmful text. Full article
Show Figures

Figure 1

26 pages, 5816 KB  
Article
Disturbance-Free Switching Control Strategy for Grid-Following/Grid-Forming Modes of Energy Storage Converters
by Geling Jiang, Siyu Kan, Yuhang Li and Xiaorong Zhu
Electronics 2025, 14(19), 3963; https://doi.org/10.3390/electronics14193963 - 9 Oct 2025
Abstract
To address the problem of transient disturbance arising during the grid-following (GFL) and grid-forming (GFM) mode switching of energy storage converters, this paper proposes a dual-mode seamless switching control strategy. First, we conduct an in-depth analysis of the mechanism behind switching transients, identifying [...] Read more.
To address the problem of transient disturbance arising during the grid-following (GFL) and grid-forming (GFM) mode switching of energy storage converters, this paper proposes a dual-mode seamless switching control strategy. First, we conduct an in-depth analysis of the mechanism behind switching transients, identifying that sudden changes in current commands and angle-control misalignment are the key factors triggering oscillations in system power and voltage frequency. To overcome this, we design a virtual synchronous generator (VSG) control angle-tracking technique based on the construction of triangular functions, which effectively eliminates the influence of periodic phase-angle jumps on tracking accuracy and achieves precise pre-synchronization of the microgrid phase in GFM mode. Additionally, we employ a current-command seamless switching technique involving real-time latching and synchronization of the inner-loop current references between the two modes, ensuring continuity of control commands at the switching instant. The simulation and hardware-in-the-loop (HIL) experimental results show that the proposed strategy does not require retuning of the parameters after switching, greatly suppresses voltage and frequency fluctuations during mode transition, and achieves smooth, rapid, seamless switching between the GFL and GFM modes of the energy storage converter, thereby improving the stability of microgrid operation. Full article
Show Figures

Figure 1

38 pages, 2683 KB  
Article
Minimally Invasive Design and Energy Efficiency Evaluation of Photovoltaic–Energy Storage–Direct Current–Flexible Systems in Low-Carbon Retrofitting of Existing Buildings
by Chenxi Jia, Longyue Yang, Wei Jin, Jifeng Zhao, Chuanjin Zhang and Yutan Li
Buildings 2025, 15(19), 3599; https://doi.org/10.3390/buildings15193599 - 7 Oct 2025
Viewed by 256
Abstract
To overcome the challenges of conventional low-carbon retrofits for existing buildings—such as high construction volume, cost, and implementation difficulty—this study proposes a minimally invasive design and optimization method for Photovoltaic–Energy Storage–Direct Current–Flexible (PEDF) systems. The goal is to maximize energy savings and economic [...] Read more.
To overcome the challenges of conventional low-carbon retrofits for existing buildings—such as high construction volume, cost, and implementation difficulty—this study proposes a minimally invasive design and optimization method for Photovoltaic–Energy Storage–Direct Current–Flexible (PEDF) systems. The goal is to maximize energy savings and economic benefits while minimizing physical intervention. First, the minimally invasive retrofit challenge is decomposed into two coupled problems: (1) collaborative PV-ESS layout optimization and (2) flexible energy management optimization. A co-optimization framework is then developed to address them. For the layout problem, a model with multiple constraints is established to minimize retrofitting workload and maximize initial system performance. A co-evolutionary algorithm is employed to handle the synergistic effects of electrical pathways on equipment placement, efficiently obtaining an optimal solution set that satisfies the minimally invasive requirements. For the operation problem, an energy management model is developed to maximize operational economy and optimize grid interactivity. A deep reinforcement learning (DRL) agent is trained to adaptively make optimal charging/discharging decisions. Case simulations of a typical office building show that the proposed method performs robustly across various scenarios (e.g., office, commercial, and public buildings). It achieves an energy saving rate exceeding 20% and reduces operational costs by 10–15%. Moreover, it significantly improves building–grid interaction: peak demand is reduced by 33%, power fluctuations are cut by 75%, and voltage deviation remains below 5%. The DRL-based policy outperforms both rule-based strategies and the DDPG algorithm in smoothing grid power fluctuations and increasing the PV self-consumption rate. Full article
Show Figures

Figure 1

26 pages, 2330 KB  
Article
Research on Multi-Timescale Optimization Scheduling of Integrated Energy Systems Considering Sustainability and Low-Carbon Characteristics
by He Jiang and Xingyu Liu
Sustainability 2025, 17(19), 8899; https://doi.org/10.3390/su17198899 - 7 Oct 2025
Viewed by 182
Abstract
The multi-timescale optimization dispatch method for integrated energy systems proposed in this paper balances sustainability and low-carbon characteristics. It first incorporates shared energy storage resources such as electric vehicles into system dispatch, fully leveraging their spatiotemporal properties to enhance dispatch flexibility and rapid [...] Read more.
The multi-timescale optimization dispatch method for integrated energy systems proposed in this paper balances sustainability and low-carbon characteristics. It first incorporates shared energy storage resources such as electric vehicles into system dispatch, fully leveraging their spatiotemporal properties to enhance dispatch flexibility and rapid response capabilities for integrating renewable energy and enabling clean power generation. Second, an incentive-penalty mechanism enables effective interaction between the system and the green certificate–carbon joint trading market. Penalties are imposed for failing to meet renewable energy consumption targets or exceeding carbon quotas, while rewards are granted for meeting or exceeding targets. This regulates the system’s renewable energy consumption level and carbon emissions, ensuring robust low-carbon performance. Third, this strategy considers the close coordination between heating, cooling, and electricity demand response measures with the integrated energy system, smoothing load fluctuations to achieve peak shaving and valley filling. Finally, through case study simulations and analysis, the advantages of the multi-timescale dispatch strategy proposed in this paper, in terms of economic feasibility, low-carbon characteristics, and sustainability, are verified. Full article
Show Figures

Figure 1

11 pages, 3893 KB  
Article
Investigation of Aqueous Delamination Processes for Lithium-Ion Battery Anodes
by Eric Trebeck, Anting Grams, Jan Talkenberger, Sricharana Prakash, Julius Eik Grimmenstein, Thomas Krampitz, Holger Lieberwirth and Adrian Valenas
Recycling 2025, 10(5), 189; https://doi.org/10.3390/recycling10050189 - 7 Oct 2025
Viewed by 227
Abstract
Recycling of lithium-ion batteries (LIBs) requires efficient separation of active material from current collectors to enable high-quality recovery of both the coating and the metal foil. In this study, a water-based delamination process for anode foils was systematically investigated under variations in temperature, [...] Read more.
Recycling of lithium-ion batteries (LIBs) requires efficient separation of active material from current collectors to enable high-quality recovery of both the coating and the metal foil. In this study, a water-based delamination process for anode foils was systematically investigated under variations in temperature, particle size, ultrasonic power, and prior mechanical stressing of the particles. Mechanically cut and pre-folded foil pieces were treated in a batch setup at different temperatures (room temperature to 100 °C) and ultrasonic power levels (50 and 100%). Results show that higher temperatures strongly promote delamination, with 100% removal of the active layer achieved on the smooth foil side at 80 °C without ultrasonic treatment. Ultrasonic treatment at moderate power (50%) yielded greater delamination than at full power (100%), likely due to more effective cavitation dynamics at moderate intensity. Mechanical pre-stressing by folding significantly reduced delamination, with three folds effectively preventing separation. In comparison, mechanically comminuted particles from a granulator achieved similar delamination to three-folded particles after 5 min treatment, and higher delamination after 30 min. These findings highlight the importance of process parameters in achieving efficient aqueous delamination, providing insights for scaling low-energy recycling processes for LIB production scrap. Full article
(This article belongs to the Special Issue Lithium-Ion and Next-Generation Batteries Recycling)
Show Figures

Figure 1

10 pages, 1979 KB  
Article
A Novel Approach to Day-Ahead Forecasting of Battery Discharge Profiles in Grid Applications Using Historical Daily
by Marek Bobček, Róbert Štefko, Július Šimčák and Zsolt Čonka
Batteries 2025, 11(10), 370; https://doi.org/10.3390/batteries11100370 - 6 Oct 2025
Viewed by 140
Abstract
This paper presents a day-ahead forecasting approach for discharge profiles of a 0.5 MW battery energy storage system connected to the power grid, utilizing historical daily discharge profiles collected over one year to capture key operational patterns and variability. Two forecasting techniques are [...] Read more.
This paper presents a day-ahead forecasting approach for discharge profiles of a 0.5 MW battery energy storage system connected to the power grid, utilizing historical daily discharge profiles collected over one year to capture key operational patterns and variability. Two forecasting techniques are employed: a Kalman filter for dynamic state estimation and Holt’s exponential smoothing method enhanced with adaptive alpha to capture trend changes more responsively. These methods are applied to generate next-day discharge forecasts, aiming to support better battery scheduling, improve grid interaction, and enhance overall energy management. The accuracy and robustness of the forecasts are evaluated against real operational data. The results confirm that combining model-based and statistical techniques offers a reliable and flexible solution for short-term battery discharge prediction in real-world grid applications. Full article
(This article belongs to the Special Issue Towards a Smarter Battery Management System: 3rd Edition)
Show Figures

Figure 1

21 pages, 5961 KB  
Article
Stability Boundary Analysis and Design Considerations for Power Hardware-in-the-Loop Simulations of Grid-Following Inverters Under Weak and Stiff Grids
by Nancy Visairo-Cruz, Juan Segundo Ramirez, Ciro Nuñez-Gutierrez, Yuniel León Ruiz and Diego Mauricio Gómez Cabriales
Processes 2025, 13(10), 3163; https://doi.org/10.3390/pr13103163 - 4 Oct 2025
Viewed by 241
Abstract
As stability is one of the most important property of any system, studying it is paramount when performing a power-hardware-in-the-loop simulation in an experimental setup. To guarantee the proper operation of such a system, a thorough understanding of the critical issues regarding the [...] Read more.
As stability is one of the most important property of any system, studying it is paramount when performing a power-hardware-in-the-loop simulation in an experimental setup. To guarantee the proper operation of such a system, a thorough understanding of the critical issues regarding the dynamics of the power amplifier, the real-time simulated system and the hardware under test is required. Thus, this paper provides a detailed analysis of the correct design of the real-time simulation modeling for the secure and reliable execution of power-hardware-in-the-loop simulations involving power electronic devices in an experimental setup. Specifically, the stability region of a power-hardware-in-the-loop simulation in an experimental AC microgrid setup involving two parallel three-phase grid-following inverters with LCL filters is studied. Through experimental testing, the stability boundaries of the power-hardware-in-the-loop simulation in the experimental setup is determined, demonstrating a direct relationship between the short-circuit ratio of the utility grid and the cutoff frequency of the feedback current filter. Experimental evidence confirms the capability of the AC microgrid setup to achieve smooth transitions between diverse operating conditions and determine stability boundaries with parameter variations. This research provides practical design guidelines for modeling and the real-time simulation to ensure stability in the power-hardware-in-the-loop simulations in experimental setups involving actual grid-following inverters, specifically using an Opal-RT platform with a voltage-source ideal transformer model and parameter variations in the short-circuit ratio from 2 to 20, the line impedance ratio X/R from 7 to 10, and the feedback-current-filter cutoff frequency from 100 to 1000 kHz. Full article
(This article belongs to the Section Energy Systems)
Show Figures

Figure 1

22 pages, 5743 KB  
Article
Lightweight Road Adaptive Path Tracking Based on Soft Actor–Critic RL Method
by Yubo Weng and Jinhong Sun
Sensors 2025, 25(19), 6079; https://doi.org/10.3390/s25196079 - 2 Oct 2025
Viewed by 349
Abstract
We propose a speed-adaptive robot accurate path-tracking framework based on the soft actor–critic (SAC) and Stanley methods (STANLY_ASAC). First, the Lidar–Inertial Odometry Simultaneous Localization and Mapping (LIO-SLAM) method is used to map the environment and the LIO-localization framework is adopted to achieve real-time [...] Read more.
We propose a speed-adaptive robot accurate path-tracking framework based on the soft actor–critic (SAC) and Stanley methods (STANLY_ASAC). First, the Lidar–Inertial Odometry Simultaneous Localization and Mapping (LIO-SLAM) method is used to map the environment and the LIO-localization framework is adopted to achieve real-time positioning and output the robot pose at 100 Hz. Next, the Rapidly exploring Random Tree (RRT) algorithm is employed for global path planning. On this basis, we integrate an improved A* algorithm for local obstacle avoidance and apply a gradient descent smoothing algorithm to generate a reference path that satisfies the robot’s kinematic constraints. Secondly, a network classification model based on U-Net is used to classify common road surfaces and generate classification results that significantly compensate for tracking accuracy errors caused by incorrect road surface coefficients. Next, we leverage the powerful learning capability of adaptive SAC (ASAC) to adaptively adjust the vehicle’s acceleration and lateral deviation gain according to the road and vehicle states. Vehicle acceleration is used to generate the real-time tracking speed, and the lateral deviation gain is used to calculate the front wheel angle via the Stanley tracking algorithm. Finally, we deploy the algorithm on a mobile robot and test its path-tracking performance in different scenarios. The results show that the proposed path-tracking algorithm can accurately follow the generated path. Full article
(This article belongs to the Section Sensors and Robotics)
Show Figures

Figure 1

16 pages, 2383 KB  
Article
A Method for Sizing Shipboard ESSs Based on Generator Output Fluctuation Analysis
by Joohyuk Leem, Taewan Kim, SungHoon Lim and Jung-Wook Park
Electronics 2025, 14(19), 3885; https://doi.org/10.3390/electronics14193885 - 30 Sep 2025
Viewed by 157
Abstract
The International Maritime Organization (IMO) has announced regulations that affect many shipbuilding industries and related companies. They require building companies to demonstrate strict compliance with these regulations in construction activities going forward. In response, shipbuilding companies are testing various electrification methods, with the [...] Read more.
The International Maritime Organization (IMO) has announced regulations that affect many shipbuilding industries and related companies. They require building companies to demonstrate strict compliance with these regulations in construction activities going forward. In response, shipbuilding companies are testing various electrification methods, with the ultimate aim of making ships more eco-friendly. In large ships, in particular, constructors often take a gradual route by hybridizing the propulsion system. In many large cargo ships, the adoption of energy storage systems (ESSs) is expected as part of this transition. In practice, the most frequently operating units inside the ship are the generator engines (GEs). Therefore, this study targets the fluctuation rate characteristics of GEs, providing a more realistic basis for ESS sizing. By focusing on smoothing the GE output, this study determines the ESS capacity required to maintain system stability using a simple moving average (SMA) method and evaluates the fluctuation rate of the GEs under various load conditions. Full article
Show Figures

Figure 1

17 pages, 3677 KB  
Article
Improvement of Physical and Electrical Characteristics in 4H-SiC MOS Capacitors Using AlON Thin Films Fabricated via Plasma-Enhanced Atomic Layer Deposition
by Zhaopeng Bai, Chengxi Ding, Yunduo Guo, Man Luo, Zimo Zhou, Lin Gu, Qingchun Zhang and Hongping Ma
Materials 2025, 18(19), 4531; https://doi.org/10.3390/ma18194531 - 29 Sep 2025
Viewed by 253
Abstract
In this study, we investigate the improvement of physical and electrical characteristics in 4H-silicon carbide (SiC) MOS capacitors using Aluminum Oxynitride (AlON) thin films fabricated via Plasma-Enhanced Atomic Layer Deposition (PEALD). AlON thin films are grown on SiC substrates using a high ratio [...] Read more.
In this study, we investigate the improvement of physical and electrical characteristics in 4H-silicon carbide (SiC) MOS capacitors using Aluminum Oxynitride (AlON) thin films fabricated via Plasma-Enhanced Atomic Layer Deposition (PEALD). AlON thin films are grown on SiC substrates using a high ratio of NH3 and O2 as nitrogen and oxygen sources through PEALD technology, with improved material properties and electrical performance. The AlON films exhibited excellent thickness uniformity, with a minimal error of only 0.14%, a high refractive index of 1.90, and a low surface roughness of 0.912 nm, demonstrating the precision of the PEALD process. Through XPS depth profiling and electrical characterization, it was found that the AlON/SiC interface showed a smooth transition from Al-N and Al-O at the surface to Al-O-Si at the interface, ensuring robust bonding. Electrical measurements indicated that the SiC/AlON MOS capacitors demonstrated Type I band alignment with a valence band offset of 1.68 eV and a conduction band offset of 1.16 eV. Additionally, the device demonstrated a low interface state density (Dit) of 7.6 × 1011 cm−2·eV−1 with a high breakdown field strength of 10.4 MV/cm. The results highlight AlON’s potential for enhancing the performance of high-voltage, high-power SiC devices. Full article
Show Figures

Graphical abstract

21 pages, 5385 KB  
Article
Research on the Mechanism and Process of Water-Jet-Guided Laser Annular Cutting for Hole Making in Inconel 718
by Qian Liu, Guoyong Zhao, Yugang Zhao, Shuo Yu and Guiguan Zhang
Micromachines 2025, 16(10), 1090; https://doi.org/10.3390/mi16101090 - 26 Sep 2025
Viewed by 382
Abstract
Nickel-based superalloys, serving as the preferred materials for hot-end structural components in aerospace engines, pose considerable challenges for the fabrication of high-quality gas film holes on their surfaces due to their inherent high hardness and strength. Water-jet-guided laser processing technology has exhibited notable [...] Read more.
Nickel-based superalloys, serving as the preferred materials for hot-end structural components in aerospace engines, pose considerable challenges for the fabrication of high-quality gas film holes on their surfaces due to their inherent high hardness and strength. Water-jet-guided laser processing technology has exhibited notable potential in the realm of gas film hole fabrication; however, its engineering application is hindered by the lack of synergy between processing quality and efficiency. To tackle this issue, this study achieves efficient coupling between a 1064 nm high-power laser and a stable water jet, leveraging a multi-focal water–light coupling mode. Furthermore, an “inside-to-outside” multi-pass ring-cutting drilling strategy is introduced, and the controlled variable method is employed to investigate the influence of laser single-pulse energy, scanning speed, and pulse frequency on the surface morphology and geometric accuracy of micro-holes. Building upon this foundation, micro-holes fabricated using optimized process parameters are analyzed and validated using scanning electron microscopy and energy-dispersive spectroscopy. The findings reveal that single-pulse energy is a pivotal parameter for achieving micro-hole penetration. By moderately increasing the scanning speed and pulse frequency, melt deposition and thermal accumulation effects can be effectively mitigated, thereby enhancing the surface morphology and machining precision of micro-holes. Specifically, when the single-pulse energy is set at 0.8 mJ, the scanning speed at 25 mm/s, and the pulse frequency at 300 kHz, high-quality micro-holes with an entrance diameter of 820 μm and a taper angle of 0.32° can be fabricated in approximately 60 s. The micro-morphology and element distribution of the micro-holes affirm that water-jet-guided laser processing exhibits exceptional performance in minimizing recast layers, narrowing the heat-affected zone, and preserving the smoothness of the hole wall. Full article
(This article belongs to the Special Issue Ultra-Precision Micro Cutting and Micro Polishing)
Show Figures

Figure 1

23 pages, 7271 KB  
Article
A Hybrid ASW-UKF-TRF Algorithm for Efficient Data Classification and Compression in Lithium-Ion Battery Management Systems
by Bowen Huang, Xueyuan Xie, Jiangteng Yi, Qian Yu, Yong Xu and Kai Liu
Electronics 2025, 14(19), 3780; https://doi.org/10.3390/electronics14193780 - 24 Sep 2025
Viewed by 288
Abstract
Electrochemical energy storage technology, primarily lithium-ion batteries, has been widely applied in large-scale energy storage systems. However, differences in assembly structures, manufacturing processes, and operating environments introduce parameter inconsistencies among cells within a pack, producing complex, high-volume datasets with redundant and fragmented charge–discharge [...] Read more.
Electrochemical energy storage technology, primarily lithium-ion batteries, has been widely applied in large-scale energy storage systems. However, differences in assembly structures, manufacturing processes, and operating environments introduce parameter inconsistencies among cells within a pack, producing complex, high-volume datasets with redundant and fragmented charge–discharge records that hinder efficient and accurate system monitoring. To address this challenge, we propose a hybrid ASW-UKF-TRF framework for the classification and compression of battery data collected from energy storage power stations. First, an adaptive sliding-window Unscented Kalman Filter (ASW-UKF) performs online data cleaning, imputation, and smoothing to ensure temporal consistency and recover missing/corrupted samples. Second, a temporally aware TRF segments the time series and applies an importance-weighted, multi-level compression that formally prioritizes diagnostically relevant features while compressing low-information segments. The novelty of this work lies in combining deployment-oriented engineering robustness with methodological innovation: the ASW-UKF provides context-aware, online consistency restoration, while the TRF compression formalizes diagnostic value in its retention objective. This hybrid design preserves transient fault signatures that are frequently removed by conventional smoothing or generic compressors, while also bounding computational overhead to enable online deployment. Experiments on real operational station data demonstrate classification accuracy above 95% and an overall data volume reduction in more than 60%, indicating that the proposed pipeline achieves substantial gains in monitoring reliability and storage efficiency compared to standard denoising-plus-generic-compression baselines. The result is a practical, scalable workflow that bridges algorithmic advances and engineering requirements for large-scale battery energy storage monitoring. Full article
Show Figures

Figure 1

Back to TopTop