Next Article in Journal
Development of a Hybrid Expert Diagnostic System for Power Transformers Based on the Integration of Computational and Measurement Complexes
Next Article in Special Issue
Development of DC–DC Converters for Fuel-Cell Hybrid Power Systems in a Lift–Cruise Unmanned Aerial Vehicle
Previous Article in Journal
Experimental Studies on Diesel Deterioration: Accelerated Oxidation in a Reaction Vessel and Thermogravimetric Analysis
Previous Article in Special Issue
An Optimal Control Strategy Considering Fatigue Load Suppression for Wind Turbines with Soft Switch Multiple Model Predictive Control Based on Membership Functions
 
 
Font Type:
Arial Georgia Verdana
Font Size:
Aa Aa Aa
Line Spacing:
Column Width:
Background:
Article

Analysis and Enhancement of HQT and ENTSO-E Synthetic Inertia Criteria Using the Unison U151 Wind Turbine

by
Yong Cheol Kang
1,
Kicheol Kang
2,
Youngsun Lee
2 and
Kyu-Ho Kim
3,*
1
Department of Electrical Engineering, Kwangwoon University, Seoul 01897, Republic of Korea
2
Korea Renewable Energy Institute, Kunsan 54002, Republic of Korea
3
Department of Electrical Engineering, Hankyong National University, Anseong 17579, Republic of Korea
*
Author to whom correspondence should be addressed.
Energies 2025, 18(20), 5359; https://doi.org/10.3390/en18205359
Submission received: 7 September 2025 / Revised: 2 October 2025 / Accepted: 9 October 2025 / Published: 11 October 2025

Abstract

Synthetic inertia (SI) enables wind turbine generators (WTGs) to support frequency stability by releasing stored kinetic energy during disturbances. Existing grid-code requirements, such as those of Hydro-Québec TransÉnergie (HQT) and ENTSO-E/Nord Pool, improve the first frequency nadir but often aggravate a second frequency dip (SFD) or risk rotor over-deceleration (OD) when the boost magnitude is large. This paper proposes an enhanced SI requirement that retains the stepwise boost-and-hold structure but replaces the time-based ramp-down with a rotor-speed-dependent recovery, followed by a smooth transition back to maximum power point tracking (MPPT). The proposed scheme was validated using an electromagnetic transient model of the Unison U151 wind turbine (4.569 MW, inertia constant 9.68 s), designed for Korea’s low-wind conditions. Five case studies at wind speeds of 5 and 7 m/s with varying boost levels confirmed that all methods yield identical first nadirs for a given boost, but only the proposed approach consistently maintained a higher second nadir, stabilized rotor dynamics, and prevented repeated dips. These results demonstrate that rotor-speed-dependent SI requirements, when combined with high-inertia turbines, can enhance frequency stability while protecting turbine operation, offering practical guidance for future grid-code revisions.

1. Introduction

The rapid integration of renewable energy sources and the gradual retirement of synchronous generators have significantly reduced system inertia, making frequency stability a critical challenge in modern power grids [1]. Without appropriate countermeasures, renewable generators operating under maximum power point tracking (MPPT) may exacerbate frequency drops during disturbances, lowering the frequency nadir ( f n a d i r , defined as the lowest frequency reached after a disturbance) and compromising overall stability [2]. Ensuring that f n a d i r remains above the threshold that triggers under-frequency load shedding is essential to avoid cascading failures and maintain reliable power supply [3,4].
Synthetic inertia control (SIC, a control strategy that enables wind turbine generators (WTGs) to emulate the inertia response conventional synchronous machines) has been widely investigated as a cost-effective solution to enhance frequency stability by releasing stored kinetic energy from the rotor during frequency events [5,6]. At the turbine level, SIC strategies are generally divided into frequency-based and stepwise schemes. Frequency-based schemes adjust active power in response to frequency deviation or the rate of change of frequency (ROCOF). Recent studies have proposed advanced versions, including adaptive gain controllers [7], closed-loop inertia combined with deloading operation [8], multi-objective adaptive designs [9], and fuzzy adaptive strategies for improved rotor speed recovery [10].
In addition, recent research has investigated the effect of proportional coefficients on frequency stability in extreme scenarios [11], and the interaction between pitch/MPPT control and virtual synchronous machine performance [12]. Although these methods enhance f n a d i r , challenges remain in restoring rotor speed without compromising turbine stability.
Stepwise schemes, in contrast, inject incremental power immediately after an event [13,14]. Further developments have included intelligent participation mechanisms [15], torque-limit-based control [16], temporary support under high penetration [17], and linear inertial response emulation [18]. Moreover, structural innovations such as variable blade inertia have recently been proposed to expand SIC capability [19]. While such approaches improve the initial frequency nadir, they often aggravate a second frequency dip (SFD) or increase the risk of rotor over-deceleration (OD), reflecting an inherent trade-off between frequency support and rotor stability. More recent research has also explored coordination at the farm- and system-level [20,21], but the core challenges of SFD and OD persist.
Recognizing the importance of SIC, transmission system operators (TSOs) have introduced explicit requirements in grid codes. The Hydro-Québec TransÉnergie (HQT) specification prescribes a four-phase response consisting of (i) a power boost, (ii) a short hold, (iii) a continuous ramp-down to an intermediate level, and (iv) a hold at a fixed power level, which is sustained until the operating point rejoins the MPPT curve [22,23]. In contrast, the ENTSO-E Nord Pool specification also forms a four-phase response but introduces a buffer stage within the ramp-down process, effectively splitting it into two segments [24,25]. While the additional buffer is intended to suppress further frequency decline, it entails extra kinetic-energy extraction and can aggravate rotor instability. Overall, both approaches embody a fundamental trade-off: a larger power boost strengthens the frequency nadir but also exacerbates an SFD and increases the risk of rotor OD. To avoid these risks, the boost must be constrained, which inherently limits SIC performance.
This paper proposes an enhanced SI requirement that builds on the structures of HQT and Nord Pool while addressing their limitations. The approach retains the stepwise boost-and-hold behavior common to both specifications but replaces the time-based recovery with a rotor-speed-dependent reduction in active power, thereby preventing OD and alleviating an SFD before smoothly returning to MPPT. The proposed requirement is validated using a detailed electromagnetic transient (EMTP) model of the Unison U151 wind turbine (4.569 MW, inertia constant 9.68 s), specifically designed for Korea’s low-wind conditions. Five case studies at wind speeds of 5 and 7 m/s with varying boost magnitudes are conducted to evaluate the effects of the proposed scheme on frequency nadir improvement, rotor stability, and kinetic energy utilization, providing a comprehensive comparison against existing grid-code-based requirements.

2. Modeling of PMSG-Based Wind Turbine Generator and Control System

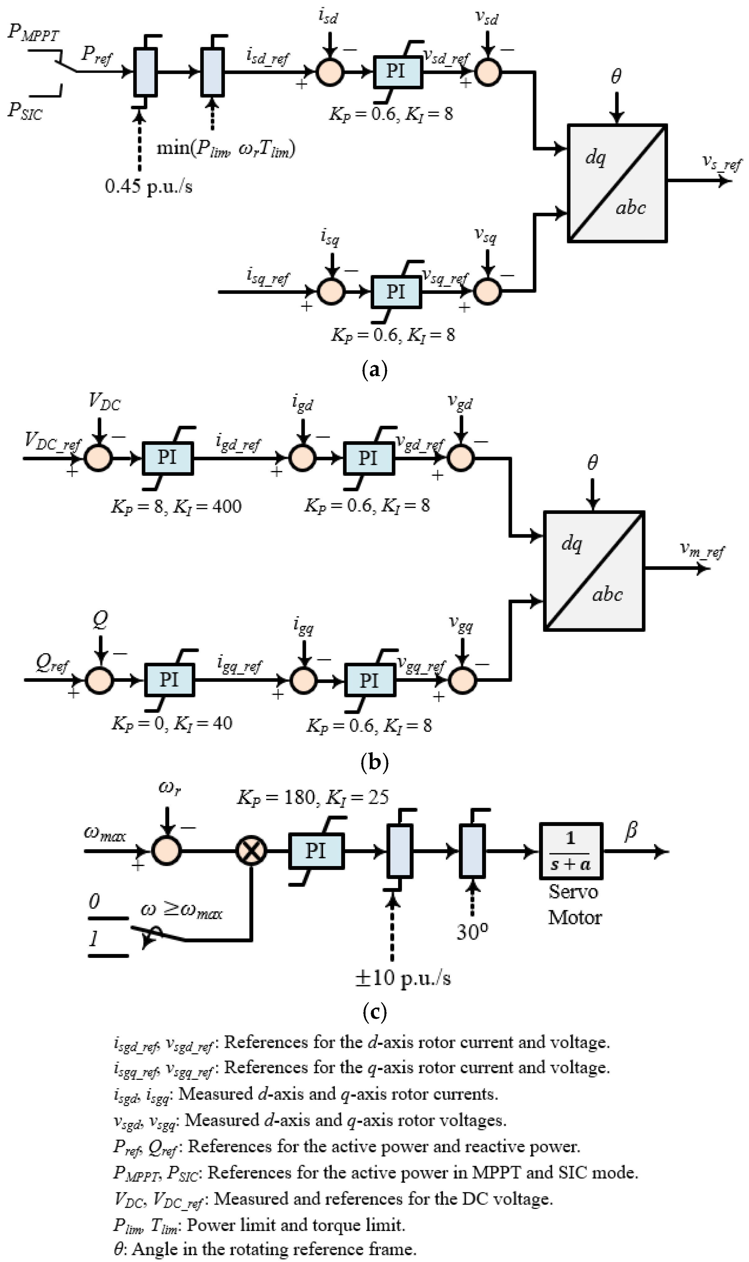
The overall structure of a permanent-magnet synchronous generator (PMSG)-based wind turbine generator (WTG) is illustrated in Figure 1. The system consists of a wind turbine, a gearbox, a PMSG, a back-to-back converter, and associated control units. The mechanical dynamics of the drive train are modeled using a two-mass representation of the turbine and generator shafts. For the generator, a fifth-order representation in the dq synchronous reference frame is employed, which incorporates voltage and flux equations to accurately capture the electromagnetic dynamics [26].
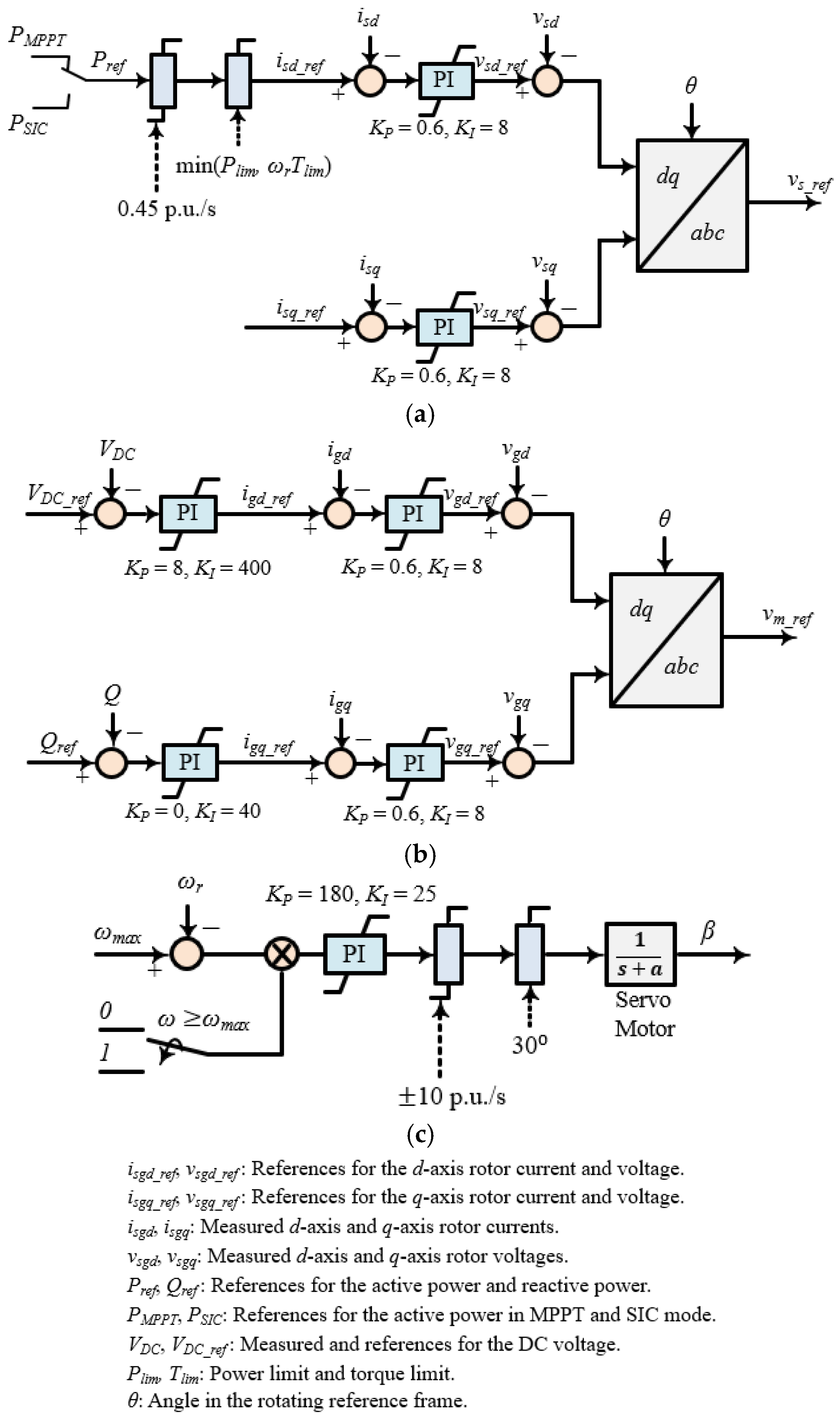
The control system is shown in Figure 2, which includes controllers for the machine-side converter (MSC), the grid-side converter (GSC), and the pitch actuator. The MSC regulates the active power exchange between the generator and the grid, while the GSC is responsible for stabilizing the DC-link voltage and managing reactive power. The pitch-angle controller adjusts the blade pitch to ensure that the rotor speed ( ω r ) remains within its operational limits.
The reference active power during normal operation is determined by the MPPT strategy, expressed as
P M P P T = k g ω r 3
where k g is the MPPT constant [27].
When a frequency disturbance is detected, the active power reference P r e f switches from MPPT operation ( P M P P T ) to SIC operation ( P S I C ), as illustrated in Figure 2a. Depending on the specific SIC scheme—described in Section 3 and Section 4—the turbine provides additional active power for a limited duration before smoothly returning to MPPT mode. The reference power is constrained by both a power rate limiter and a torque limiter. In this study, the power ramping rate is restricted to 0.45 p.u./s, and the maximum torque limit ( T l i m ) is set to 1.0 p.u.

3. Existing SI Requirements in HQT and ENTSO-E Nord Pool

To establish a benchmark for evaluating SI performance, this section summarizes the requirements specified in the HQT and ENTSO-E Nord Pool grid codes. These two implementations are among the most representative grid-code-based approaches and provide the foundation for comparison with the proposed SI strategy.

3.1. SI Requirement in HQT

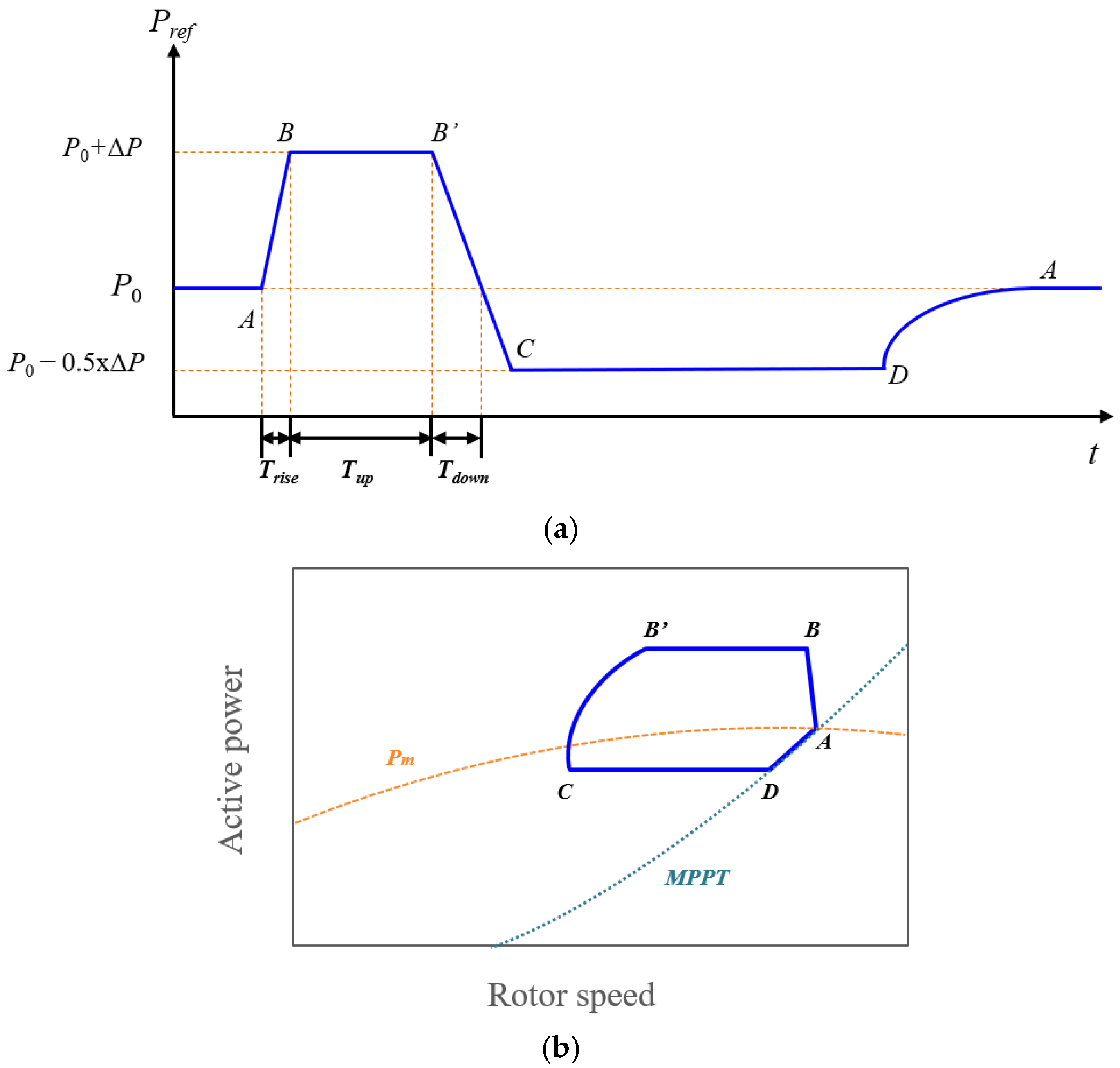
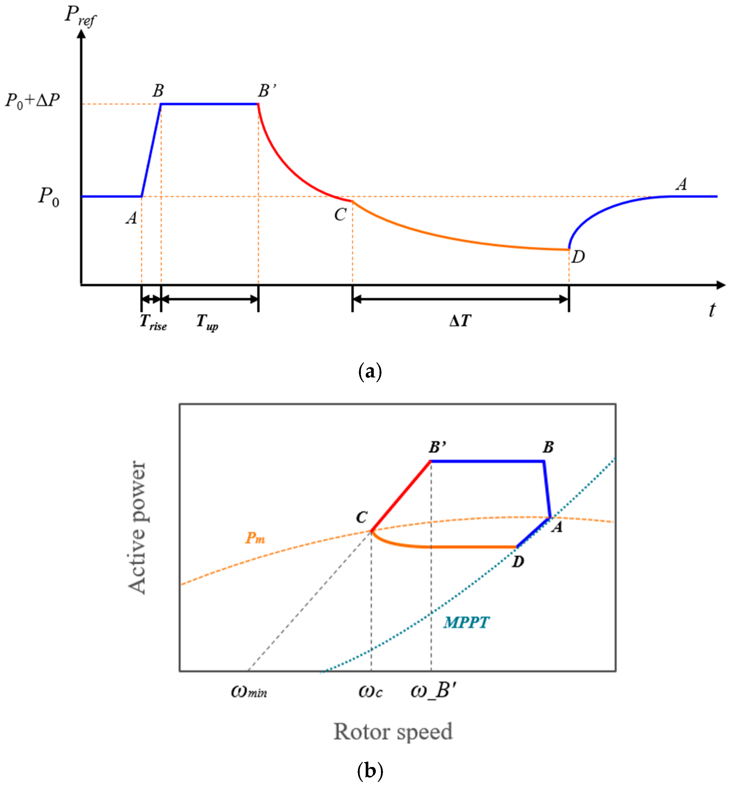
As shown in Figure 3, the HQT specification [19,20] prescribes a four-stage active power reference trajectory during a frequency event. Upon event detection, P r e f rises from the pre-event operating point P 0 to P 0 + Δ P with the rise time T r i s e (segment A–B). The value is then held constant at this level for a duration T u p (segment B–B’). Afterward, P r e f decreases from P 0 + Δ P to P 0 0.5 Δ P over a period of 1.5 T d o w n , where T d o w n denotes the ramp-down time from P 0 + Δ P back to P 0 . Finally, P r e f is held at P 0 0.5 Δ P until the operating point intersects the MPPT curve at Point D, after which the turbine is expected to return to MPPT operation (segment C–D–A).
The corresponding power–rotor speed trajectory is illustrated in Figure 3b. During the boost and hold phase (A–B–B’), P r e f exceeds the mechanical power curve P m . This condition results in the electrical torque surpassing the aerodynamic torque, thereby accelerating rotor deceleration. The subsequent reduction to P 0 0.5 Δ P is intended to enable partial rotor-speed recovery. However, if point C does not lie beneath the P m curve, the aerodynamic torque remains insufficient to accelerate the rotor, preventing the operating point from following the C–D–A path. In such cases, the rotor speed continues to decline, leading to OD. The larger the additional boost Δ P , the more difficult it becomes to ensure that point C falls below P m , thereby increasing the risk of OD. This limitation highlights a fundamental concern of the HQT specification, which becomes even more pronounced in the ENTSO-E Nord Pool approach discussed in Section 3.2.

3.2. SI Requirement in ENTSO-E Nord Pool

As shown in Figure 4a, the ENTSO-E Nord Pool specification also prescribes a four-phase active power reference trajectory but introduces an additional buffer stage within the ramp-down process. Following the boost (A–B) and hold (B–B′), P r e f decreases during the first ramp-down interval ( T d o w n 1 , segment B′–C′). Instead of continuing directly to P 0 0.5 Δ P as in HQT, the trajectory inserts a buffer period ( T b u f f e r , C′–C″), where P r e f is temporarily held constant. After this pause, the final ramp-down ( T d o w n 2 , C″–C) is executed. The last stage (C–D–A) is intended to bring the operating point back toward MPPT.
The corresponding power–rotor speed trajectory in Figure 4b clearly illustrates the implications of this modification. By introducing the buffer, Nord Pool aims to suppress further frequency decline during the ramp-down process and facilitate faster system-level recovery. However, because P r e f remains above the P m curve during the buffer (C′–C″), the electrical torque exceeds the aerodynamic torque, and the rotor continues to decelerate. Whether the trajectory can successfully return to MPPT depends on point C lying below P m . If this condition is not met, rotor speed keeps decreasing and OD occurs. Compared with HQT, the Nord Pool specification therefore increases the likelihood of OD, especially for larger values of Δ P . Thus, while the buffer improves frequency recovery at the grid level, it simultaneously compromises rotor stability at the turbine level.
In summary, both the HQT and ENTSO-E Nord Pool specifications prescribe four-phase SI trajectories and share a fundamental limitation in ensuring rotor stability during recovery.

4. Proposed Synthetic Inertia Requirement

The comparison of HQT and Nord Pool requirements highlights a persistent trade-off between system-level frequency support and turbine-level rotor stability. While an initial power boost improves f n a d i r , it also accelerates rotor deceleration, making successful recovery contingent on the operating point falling below the P m curve. In practice, this condition becomes increasingly difficult to satisfy as Δ P increases, thereby increasing the risk of OD.
The Nord Pool specification attempts to mitigate further frequency decline by introducing a buffer stage, which temporarily stabilizes power output and improves system-level recovery. However, this modification exacerbates rotor deceleration and further increases the likelihood of OD compared with HQT. Consequently, both approaches reveal an inherent trade-off: they enhance frequency recovery at the grid level but at the expense of turbine stability.
To address these shortcomings, this paper proposes an enhanced SI requirement that retains the boosting benefits of HQT and Nord Pool while introducing a rotor-speed-dependent recovery mechanism. By reducing active power proportionally to rotor speed and transitioning smoothly back to MPPT, the proposed method aims to prevent OD, alleviate the second frequency dip, and improve overall system performance.

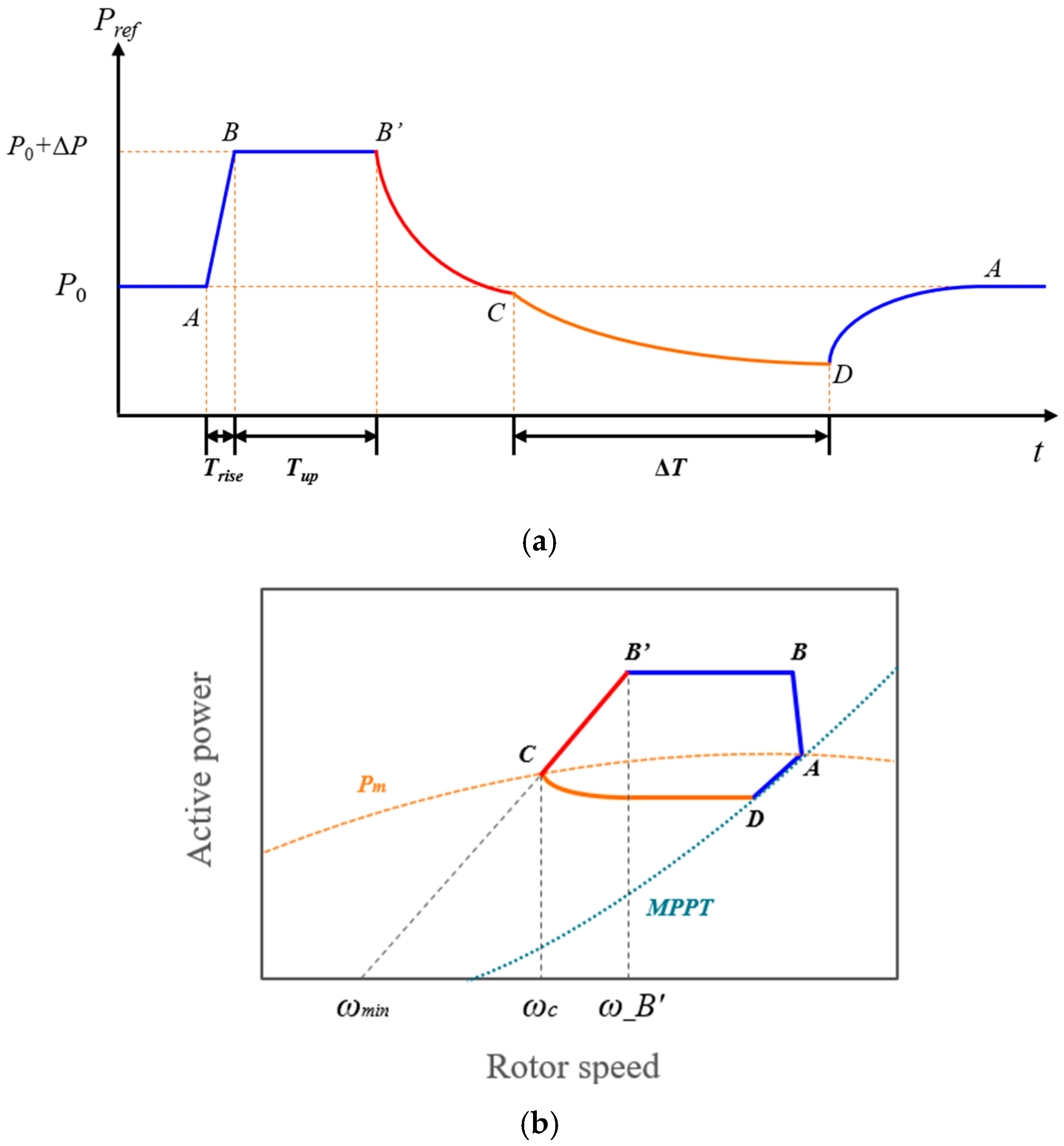
4.1. Proposed Control Profile

The proposed SI requirement is designed to preserve the beneficial characteristics of stepwise schemes while overcoming their inherent drawbacks. As shown in Figure 5a, P r e f follows the same boost-and-hold sequence (A–B–B′) as in the HQT and Nord Pool specifications. This structure is retained because the stepwise power boost is the essential feature of synthetic inertia schemes, ensuring a rapid improvement in f n a d i r .
The key innovation lies in the recovery stage. Instead of applying a purely time-based ramp-down, P r e f is reduced proportionally to rotor speed during B′–C. In this interval, P r e f is defined as
P r e f ( ω r ) = P r e f ( B ) ω r ( B ) ω m i n ( ω r ω m i n ) ,
where ω m i n is the minimum stable rotor speed.
This rotor-speed-dependent decrease prevents the electrical torque from exceeding the aerodynamic torque during the recovery process, thereby avoiding OD while simultaneously reducing the magnitude of an SFD.
Once rotor speed stabilizes, the trajectory transitions smoothly from point C to D, enabling a gradual return to MPPT operation. The transition is expressed as
P r e f ω r , t = P M P P T + Δ P C 1 Δ T ( t t C ) + 1 ,   for   t C < t t C + Δ T
where Δ T is the duration for transition to MPPT; t C is the time when ω r stabilizes; Δ P C is the difference between P r e f ω C and P M P P T ω C [17].
The overall profile is illustrated in Figure 5a, while the corresponding power–rotor speed trajectory is shown in Figure 5b, demonstrating how the proposed method alleviates OD and supports stable system recovery.

4.2. Power-Rotor Speed Trajectory Analysis

The dynamic behavior of the proposed requirement can be further understood through the power–rotor speed trajectory shown in Figure 5b. During the boost-and-hold stage (A–B–B′), P r e f exceeds the P m curve, causing the electrical torque to surpass the aerodynamic torque and leading to rotor deceleration. This phenomenon is common to all stepwise SI schemes, including those specified by HQT and Nord Pool.
The distinction arises during the recovery process (B′–C). In the proposed approach, P r e f decreases proportionally with rotor speed, converging to the P m curve. Point C represents the equilibrium point on the P m curve, where the aerodynamic and electrical torques are equal. At this equilibrium, rotor speed can begin to recover without entering an OD condition. By contrast, the HQT and Nord Pool schemes employ time-based reductions, making it difficult to guarantee that point C lies below the P m curve, particularly for large Δ P .
After stabilization at point C, the transition from point C to D provides a gradual reduction in P r e f , enabling the operating point to realign smoothly with the MPPT curve. This gradual recovery prevents abrupt torque reversals, thereby alleviating an SFD while preserving rotor stability.
Overall, the trajectory analysis demonstrates that the proposed scheme balances system-level frequency support and turbine-level stability: it achieves the same initial nadir improvement as HQT and Nord Pool, while avoiding OD and mitigating an SFD through rotor-speed-dependent recovery.

5. Test System and U151 Wind Turbine Characteristics

5.1. Test System

A modified IEEE 14-bus system was employed to validate the performance of the proposed SI requirement, as shown in Figure 6. The original configuration includes five synchronous generators, yielding a system inertia constant of 3.71 s. All synchronous generators are modeled as steam turbine units with the IEEEG1 governor model, representing a tandem-compound, single-reheat turbine [28]. The governor droop is set to 5.0%, and the deadband is fixed at 36 mHz.
To represent wind power integration, a 54.8-MW wind power plant (WPP) comprising twelve units of the Unison U151 (4.569 MW each) is connected to Bus 9 at the 33-kV level. In this configuration, SG4 is taken offline to maintain load balance. The overall system consists of 132-kV and 33-kV buses with a total pre-event demand of 289 MW and 81 MVAr.
Automatic generation control (AGC), a secondary frequency control mechanism designed to restore system frequency, is also incorporated into the model system. The frequency deviation is processed through an integral controller, and the resulting corrective power command Δ P A G C is distributed to the online synchronous generators every 4 s.
A frequency event is simulated by tripping SG2 at t = 10 s. System dynamics are simulated using an EMTP simulator to evaluate the frequency response and rotor stability under the proposed and grid-code-based SI schemes.

5.2. Characteristics of the Unison U151 Wind Turbine

Figure 7 illustrates the operating characteristics of the Unison U151 wind turbine, including the power coefficient ( C p ) curve at a blade pitch angle of 0°, which reaches a maximum value of 0.4425 at a tip-speed ratio of 11.4, along with its principal parameters summarized in Table 1. In the EMT model, C p curves were implemented for blade pitch angles ranging from −1° to 30°, and the C p curve at 0° pitch angle is shown in Figure 7b. The C p values for different combinations of pitch angle and tip-speed ratio were obtained using a piecewise linear interpolation method.
The cut-in, rated, and cut-out wind speeds are 3 m/s, 10 m/s, and 22 m/s, respectively. Turbine operation can be divided into four regions: Region I (3–4 m/s), Region II (4–8 m/s), Region III (8–10 m/s), and Region IV (10–22 m/s). Region II corresponds to the MPPT zone, where the turbine extracts maximum power from the wind. Each region in the power–rotor speed curve reflects a different operating strategy depending on wind conditions and control objectives.
A distinctive feature of the U151 is its design optimized for Korea’s relatively low-wind environment. The turbine is equipped with long blades (75.5 m), resulting in a high inertia constant of 9.68 s on the turbine side. This high-inertia characteristic provides a significant reservoir of kinetic energy, enabling the turbine to contribute effectively to SIC. As a result, the U151 is particularly well suited for frequency support applications, offering both stable power generation under low wind speeds and enhanced capability to release stored kinetic energy during frequency events.

6. Case Studies

To evaluate the effectiveness of the proposed SI requirement, a series of case studies were performed using the test system described in Section 5. In each case, a frequency event was triggered by tripping SG2 (36 MW) at t = 10 s. The resulting system response was analyzed under three control strategies: the HQT specification, the ENTSO-E Nord Pool specification, and the proposed requirement.
The studies were designed to examine how wind speed and the magnitude of Δ P influence frequency support and rotor stability. Two operating points were selected to represent different levels of available kinetic energy. At a wind speed of 5.0 m/s, the initial rotor speed was approximately 0.679 p.u., corresponding to a relatively limited energy reserve. At a higher wind speed of 7.0 m/s, a larger kinetic energy margin was available, allowing for more aggressive SIC operation.
In this section, T r i s e ,   T u p ,   T d o w n ,   T d o w n 2 ,   T b u f f e r and Δ T are set to 1 s, 10 s, 2 s, 1 s, 10 s, and 45 s, respectively.
Across these wind speeds, the power boost magnitude varied systematically: Δ P = 10% and 60% at 5.0 m/s, and Δ P = 10%, 40%, and 60% at 7.0 m/s. This framework enables a direct comparison of the proposed scheme with existing grid-code requirements under conditions ranging from low to moderate kinetic energy availability.
The selection of 5.0 m/s and 7.0 m/s was based on their representativeness within the MPPT region (Region II). A wind speed of 5.0 m/s corresponds to conditions with limited available kinetic energy, allowing us to demonstrate the proposed method’s effectiveness under constrained reserves, whereas 7.0 m/s represents a moderate-wind condition with larger kinetic energy margins for more aggressive support. Region III cases (e.g., 9.0 m/s) were not included, as they involve additional control mechanisms beyond pure synthetic inertia and could dilute the focus of this study.
The simulation objectives are threefold: (i) to assess improvements in f n a d i r , (ii) to evaluate the extent of an SFD, and (iii) to determine the potential for OD. Together, these metrics provide a comprehensive view of how effectively each SI scheme balances system-level frequency support with turbine-level stability.

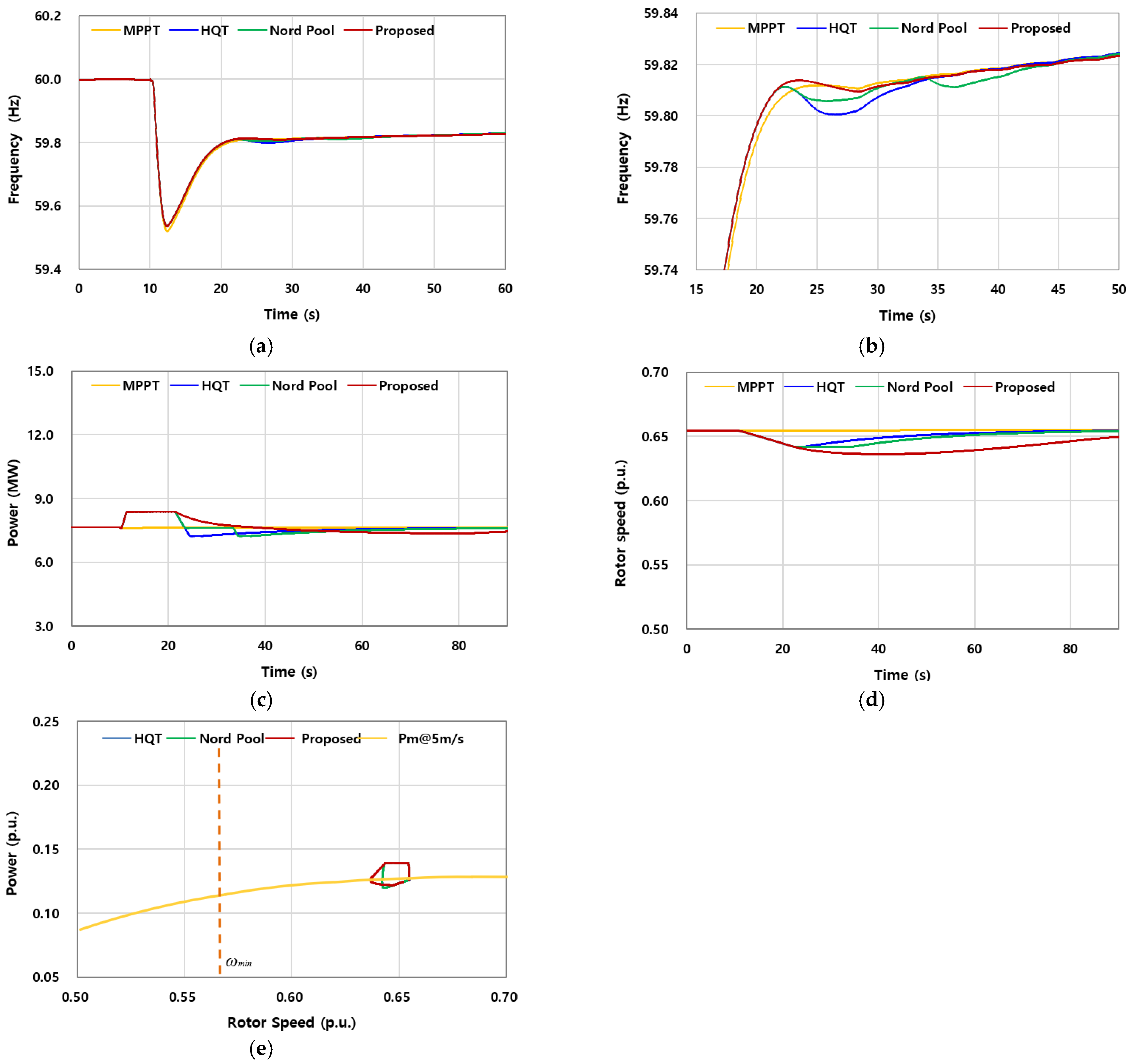
6.1. Case 1: Wind Speed of 5.0 m/s and Δ P of 10%

Figure 8 presents the simulation results for Case 1, where the wind speed is 5.0 m/s and Δ P is set to 10% of the pre-event output. As summarized in Table 2, f n a d i r was identical across all three SI schemes (HQT, Nord Pool, and the proposed requirement), since Δ P was fixed at the same level. Nevertheless, all SI-based schemes improved the nadir by approximately 0.016 Hz compared with the MPPT case (59.536 Hz vs. 59.520 Hz). This modest gain underscores that while the effect of SI is limited at small Δ P , its benefits become more evident as the boost level increases, a point further explored in subsequent cases.
The more critical difference appears in the second nadir, which reflects the severity of the SFD. Among the schemes, the proposed scheme achieved the highest second nadir (59.810 Hz), compared with 59.806 Hz for Nord Pool and 59.801 Hz for HQT. This confirms that the rotor-speed-dependent recovery strategy of the proposed method effectively alleviates the SFD, even under low wind speed and small boost conditions.
Rotor speed trajectories in Figure 8d show that the rotor speed decreased to 0.636 p.u. under the proposed scheme, compared with 0.642 p.u. for HQT and Nord Pool. As a result, the proposed requirement released more kinetic energy (23% of the available reserve) than HQT and Nord Pool (both 16%), contributing directly to its improved second nadir.
It is also noteworthy that the Nord Pool scheme, despite introducing a buffer stage, released nearly the same amount of energy as HQT. This outcome is attributable to the high inertia constant of the U151 turbine (H = 9.68 s). At 5 m/s with a small boost ( Δ P = 10%), the turbine can sustain a higher second nadir without requiring additional energy extraction than the HQT. In other words, for high-inertia turbines operating under low-wind conditions, Nord Pool achieves better mitigation of the SFD than HQT while maintaining comparable energy utilization.
Overall, Case 1 demonstrates that while the absolute improvement in frequency nadir is modest due to the small Δ P , the proposed requirement outperforms both HQT and Nord Pool in mitigating the SFD and preventing OD, highlighting its robustness even under limited kinetic energy conditions.

6.2. Case 2: Wind Speed of 5.0 m/s and Δ P of 60%

To evaluate the upper bound of SIC capability for the U151 turbine under low-wind conditions, Δ P was progressively increased from 10% of the pre-event output until OD was observed. The objective was to identify the maximum boost level that could be sustained without compromising rotor stability, even under demanding SIC operation. Notably, rotor instability appeared earlier than expected: at Δ P = 60%, OD occurred in the Nord Pool profile, whereas the HQT and the proposed requirement avoided OD under the same condition.
Figure 9 illustrates the results for Case 2, where Δ P is six times greater than in Case 1. This setup enables a more comprehensive assessment of the U151’s performance and the comparative effectiveness of the three SIC strategies.
As summarized in Table 2, all three SI schemes achieved the same first nadir (59.607 Hz), corresponding to an improvement of 0.087 Hz relative to the MPPT case (59.520 Hz). This confirms the direct effect of the larger Δ P : while Case 1 improved the nadir by only 0.016 Hz, Case 2 yielded a substantially greater enhancement, equivalent to a 17% reduction in nadir deviation.
The second nadir provides clearer insight into scheme-dependent performance. The proposed requirement delivered the best result (59.773 Hz), slightly outperforming HQT (59.746 Hz) and Nord Pool (59.7725 Hz). However, in the Nord Pool case, this improvement came at the expense of rotor stability: OD was observed, driven by the buffer stage that prolongs energy extraction beyond the turbine’s aerodynamic torque balance. In Figure 9e, this instability is evident during the buffer period. Once OD occurred, P r e f was forced to switch back to the MPPT curve, leading to an abrupt reduction in active power output. This sudden drop in power aggravated the system response, producing an additional frequency decline and thereby manifesting as a pronounced subsequent frequency dip.
Rotor speed responses in Figure 9d show the minimum rotor speed dropped to 0.571 p.u. under HQT, 0.566 p.u. under Nord Pool, and 0.574 p.u. under the proposed scheme. The Nord Pool trajectory exhibited the deepest deceleration, consistent with OD. The released energy values in Table 2 also support this interpretation: Nord Pool extracted 100% of the available kinetic energy, compared with 95% for HQT and 92% for the proposed method. By contrast, the proposed scheme mitigated the SFD with less extreme energy depletion, preserving a safer operating margin.
In summary, Case 2 demonstrates that at a wind speed of 5 m/s, the U151 turbine can sustain large boosts without instability when operated under HQT or the proposed requirement. However, OD emerges in the Nord Pool profile at Δ P = 60%, indicating that its buffer strategy can become counterproductive under high-boost conditions. The proposed requirement not only matched the nadir improvements of existing grid-code-based schemes but also maintained rotor stability and alleviated the SFD with less energy extraction, underscoring its advantage under demanding SIC scenarios.

6.3. Case 3: Wind Speed of 7.0 m/s and Δ P of 10%

Figure 10 summarizes the results for Case 3, where the wind speed was increased to 7 m/s while maintaining a boost of Δ P = 10% of the pre-event output. Similar to Case 1, all three SI schemes (HQT, Nord Pool, and the proposed method) achieved the same improvement in the first frequency nadir relative to MPPT, raising it from 59.507 Hz to 59.552 Hz (Table 2). This corresponds to a modest enhancement of 0.045 Hz compared with MPPT.
The key distinction at this higher wind speed is the larger amount of releasable kinetic energy. As shown in Figure 10d, the rotor maintained a significantly higher pre-event speed (0.891 p.u.), ensuring a substantial energy reserve. However, since the boost level was kept at only 10%, the actual extracted energy remained small: approximately 9% for HQT and Nord Pool, and 19% for the proposed scheme (Table 2). This explains why the nadir improvement was limited despite the higher energy availability.
Regarding the second nadir, the proposed method once again demonstrated a noticeable advantage. The extended frequency response in Figure 10b indicates that the proposed scheme achieved 59.812 Hz, outperforming both HQT (59.777 Hz) and Nord Pool (59.790 Hz). This improvement is attributable to the rotor-speed-dependent recovery, which alleviates over-deceleration and mitigates the SFD, even under low boost conditions.
In summary, Case 3 confirms that when Δ P is small, the high inertia of the U151 turbine prevents significant rotor instability across all schemes. Nonetheless, the proposed method consistently maintains the highest second nadir, highlighting its robustness in reducing SFD while operating safely at higher wind speeds.

6.4. Case 4: Wind Speed of 7.0 m/s and Δ P of 40%

Figure 11 presents the results for Case 4, where Δ P was increased to 40% at a wind speed of 7 m/s. Compared with Case 3, the larger boost delivered more significant frequency support immediately after the event, raising the first nadir well above that of MPPT. However, the recovery dynamics revealed clear differences among the schemes.
In the Nord Pool specification, a severe third frequency dip appeared during the recovery stage. This was not due to OD but rather a consequence of the buffer stage. When the buffer interval ended, the subsequent reduction of P r e f was applied over a much larger Δ P than in Case 3. The sharper decline in active power output produced a noticeable drop in system frequency, creating the pronounced third frequency dip observed in Figure 11b. This demonstrates that while the buffer temporarily slows frequency decay, it also amplifies the magnitude of the later reduction when Δ P is large.
The HQT scheme, which applies a continuous ramp-down instead of a buffer, showed a more moderate SFD but released less kinetic energy overall. By contrast, the proposed method injected more energy than either HQT or Nord Pool while ensuring that the reduction of P r e f was governed by rotor speed. As a result, rotor deceleration remained within stable limits, OD was avoided, and the second nadir was higher than in both grid-code schemes.
These results confirm that at higher boost levels, Nord Pool’s buffer strategy can aggravate frequency instability, whereas the proposed rotor-speed-dependent recovery provides more effective support without introducing new dips, striking a superior balance between frequency improvement and rotor stability.

6.5. Case 5: Wind Speed of 7.0 m/s and Δ P of 60%

Figure 12 summarizes the results for Case 5, where the boost magnitude was increased to 60% at a wind speed of 7 m/s. Under this condition, all SIC strategies improved the first nadir compared with MPPT, but clear weaknesses appeared in the recovery stage.
For the HQT profile, the second nadir fell below the first. This outcome was not due to rotor instability but rather to the steep ramp-down applied after the boost. The large Δ P forced an abrupt reduction in active power, which in turn caused the system frequency to decline more sharply, producing a deeper SFD than in the initial dip.
The Nord Pool profile exhibited a different response. The buffer stage delayed the initial reduction, leading to a second nadir that was slightly lower than the first. When the subsequent ramp-down was applied, a third nadir appeared, which remained higher than the first nadir but close in depth to the second. This pattern shows that while the buffer helps to avoid a sharp immediate drop, it is unable to fully prevent repeated dips when the boost magnitude is large.
By contrast, the proposed rotor-speed-dependent strategy achieved a smoother and more stable recovery trajectory. Because P r e f was reduced in proportion to rotor speed, the scheme avoided sharp torque imbalances and prevented the cascading nadirs observed in HQT and Nord Pool. As a result, the proposed requirement maintained rotor stability, alleviated the SFD, and achieved the highest second nadir among all cases.
Overall, Case 5 confirms that conventional grid-code-based schemes struggle to manage large boosts, either deepening the second nadir (HQT) or producing repeated dips (Nord Pool). The proposed method, however, demonstrated robust performance under the same conditions, highlighting its suitability for future grid-code applications in low-inertia systems.
Table 2 summarizes the results of all five case studies, reporting the first and second frequency nadirs, the relative improvement in frequency nadir compared with the MPPT baseline, the minimum rotor speed, and the proportion of released kinetic energy. These indicators provide a concise comparison of SIC performance across MPPT, HQT, Nord Pool, and the proposed scheme, serving as the basis for evaluating trade-offs between frequency support and rotor stability.
Table 2. Comparative results for all cases.
Table 2. Comparative results for all cases.
Cases Control Schemes f n a d i r
(Hz)
60 f n a d i r
(Hz)
Improvement vs. MPPT (%)2nd f n a d i r
(Hz)
Min. ω r
(p.u.)
Released Energy
(%)
1MPPT59.5200.480--0.655-
HQT59.5360.4643.359.8010.64216
Nord Pool59.5360.4643.359.8060.64216
Proposed59.5360.4643.359.8100.63623
2MPPT59.5200.480--0.655-
HQT59.6070.39318.159.7460.57195
Nord Pool59.6070.39318.159.77250.566100
Proposed59.6070.39318.159.7730.57492
3MPPT59.5070.493--0.916-
HQT59.5520.4489.159.7770.8919
Nord Pool59.5520.4489.159.7900.8919
Proposed59.5520.4489.159.8120.86219
4MPPT59.5070.493--0.916-
HQT59.6620.33831.459.6850.77537
Nord Pool59.6620.33831.459.7420.76039
Proposed59.6620.33831.459.7770.70058
5MPPT59.5070.493--0.916-
HQT59.7130.28741.859.6240.74156
Nord Pool59.7130.28741.859.7100.71962
Proposed59.7130.28741.859.7470.67275

7. Conclusions

This paper investigated synthetic inertia requirements for wind turbine generators by examining established grid-code specifications and proposing an improved alternative. Building on the HQT and ENTSO-E Nord Pool approaches, the study introduced a rotor-speed-dependent recovery strategy designed to overcome the limitations of time-based reductions. The Unison U151 wind turbine, developed for Korea’s low-wind conditions, was modeled to validate the feasibility of the approach, leveraging its large inertia constant to provide effective frequency support.
The comparative analysis of SI requirements highlighted the inherent trade-offs in existing schemes. The HQT specification, which employs a continuous ramp-down, is prone to deeper SFDs when the boost magnitude is large due to rapid power reduction. The Nord Pool specification, by inserting a buffer stage, alleviates some of these issues but often produces repeated nadirs under heavy boosts. In contrast, the proposed requirement maintained the benefits of stepwise boosting while mitigating OD and alleviating an SFD, resulting in a smoother recovery trajectory and higher stability margins.
The case studies across five scenarios, varying in wind speed and boost magnitude, confirmed the robustness of the proposed method. While all schemes improved the first nadir relative to MPPT, only the proposed requirement consistently sustained a higher second nadir and stable rotor dynamics. At moderate boosts, it released more kinetic energy without instability, and at high boosts, it prevented the severe dips observed in both HQT and Nord Pool. These results underscore the potential of combining high-inertia turbines, such as the U151, with rotor-speed-dependent SI schemes to strengthen frequency stability in low-inertia systems. From a policy perspective, these findings suggest that current grid-code requirements, exemplified by HQT and Nord Pool, could be improved by integrating rotor-speed-dependent recovery strategies. Such an update would allow TSOs and regulators to better balance frequency security with turbine protection, thereby enhancing the reliability of future power systems with high renewable penetration.

Supplementary Materials

The following supporting information can be downloaded at: https://www.mdpi.com/article/10.3390/en18205359/s1. File S1: Case 1 dataset used in this study.

Author Contributions

Conceptualization, Y.C.K., K.K. and K.-H.K.; Methodology, Y.C.K., K.K. and K.-H.K.; Model Verification, K.K. and Y.L.; Writing—original draft preparation, Y.C.K., K.K. and Y.L.; Writing—review and editing, Y.C.K. and K.-H.K.; Supervision, Y.C.K. All authors have read and agreed to the published version of the manuscript.

Funding

This research received no external funding.

Data Availability Statement

The minimal dataset supporting the findings of this study (Case 1 results) is provided as Supplementary Material. The complete dataset cannot be made publicly available due to institutional restrictions but will be made available by the corresponding author upon reasonable request after the publication of this article.

Conflicts of Interest

Authors Kicheol Kang and Youngsun Lee were employed by the company Korea Renewable Energy Institute. The remaining authors declare that the research was conducted in the absence of any commercial or financial relationships that could be construed as a potential conflict of interest.

References

  1. Machowski, J.; Bialek, J.W.; Bumby, J.R. Power System Dynamics: Stability and Control, 2nd ed.; John Wiley & Sons, Ltd.: Chichester, UK, 2008. [Google Scholar]
  2. Diaz-Gonzalez, F.; Hau, M.; Sumper, A.; Gomis-Bellmunt, O. Participation of wind power plants in system frequency control: Review of grid code requirements and control methods. Renew. Sustain. Energy Rev. 2014, 34, 551–564. [Google Scholar] [CrossRef]
  3. Reliability Guideline: Primary Frequency Control; North American Electric Reliability Corporation: Atlanta, GA, USA, 2015.
  4. Eto, J.H.; Undrill, J.; Mackin, P.; Daschmans, R.; Williams, B.; Haney, B.; Hunt, R.; Ellis, J.; Illian, H.; Martinez, C.; et al. Use of Frequency Response Metrics to Assess the Planning and Operating Requirements for Reliable Integration of Variable Renewable Generation; Lawrence Berkeley National Laboratory: Berkeley, CA, USA, 2010. [Google Scholar]
  5. Morren, J.; de Haan, S.W.H.; Kling, W.L.; Ferreira, J.A. Wind turbines emulating inertia and supporting primary frequency control. IEEE Trans. Power Syst. 2006, 21, 433–434. [Google Scholar] [CrossRef]
  6. Margaris, I.D.; Papathanassiou, S.A.; Hatziargyriou, N.D.; Hansen, A.D.; Sørensen, P. Frequency control in autonomous power grids with high wind power penetration. IEEE Trans. Sustain. Energy 2012, 3, 189–199. [Google Scholar] [CrossRef]
  7. Ashouri-Zadeh, A.; Toulabi, M. Adaptive virtual inertia controller for DFIGs considering nonlinear aerodynamic efficiency. IEEE Trans. Sustain. Energy 2021, 12, 1060–1067. [Google Scholar] [CrossRef]
  8. Bao, W.; Ding, L.; Kang, Y.C.; Sun, L. Closed-Loop synthetic inertia control for wind turbine generators in association with slightly over-speeded deloading operation. IEEE Trans. Power Syst. 2023, 38, 5022–5032. [Google Scholar] [CrossRef]
  9. Chen, W.; Zheng, T.; Nian, H.; Yang, D.; Yang, W.; Geng, H. Multi-objective adaptive inertia and droop control method of wind turbine generators. IEEE Trans. Ind. Appl. 2023, 59, 7789–7799. [Google Scholar] [CrossRef]
  10. Tang, Y.; Yang, P.; Yang, Y.; Zhao, Z.; Lai, L.L. Fuzzy Adaptive Frequency Support Control Strategy for Wind Turbines with Improved Rotor Speed Recovery. IEEE Trans. Sustain. Energy 2024, 15, 1351–1364. [Google Scholar] [CrossRef]
  11. Zhang, H.; Zhai, X.; Zhang, J.; Bai, X.; Li, Z. Mechanism Analysis of the Effect of the Equivalent Proportional Coefficient of Inertia Control for a Doubly Fed Wind Generator on Frequency Stability in Extreme Environments. Sustainability 2024, 16, 4965. [Google Scholar] [CrossRef]
  12. Orihara, D.; Taoka, H.; Otani, K. Influence of Wind-Turbine-Generator Power Control on the Performance of a Virtual Synchronous Machine. Energies 2024, 17, 234. [Google Scholar] [CrossRef]
  13. Ullah, N.R.; Thiringer, T.; Karlsson, D. Temporary primary frequency control support by variable speed wind turbines—Potential and applications. IEEE Trans. Power Syst. 2008, 23, 601–612. [Google Scholar] [CrossRef]
  14. Keung, P.; Li, P.; Banakar, H.; Ooi, B.T. Kinetic energy of wind-turbine generators for system frequency-support. IEEE Trans. Power Syst. 2009, 24, 279–287. [Google Scholar] [CrossRef]
  15. Kheshti, M.; Ding, L.; Bao, W.; Yin, M.; Wu, Q.; Terzija, V. Toward intelligent inertial frequency participation of wind farms for the grid frequency control. IEEE Trans. Ind. Inform. 2020, 16, 6772–6786. [Google Scholar] [CrossRef]
  16. Kang, M.; Kim, K.; Muljadi, E.; Park, J.-W.; Kang, Y.C. Frequency control support of a doubly-fed induction generator based on the torque limit. IEEE Trans. Power Syst. 2016, 31, 4575–4583. [Google Scholar] [CrossRef]
  17. Yang, D.; Kim, J.; Kang, Y.C.; Muljadi, E.; Zhang, N.; Hong, J.; Song, S.-H.; Zheng, T. Temporary frequency-support of a DFIG for high wind power penetration. IEEE Trans. Power Syst. 2018, 33, 3428–3437. [Google Scholar] [CrossRef]
  18. Azizipanah-Abarghooee, R.; Malekpour, M.; Dragicevic, T.; Blaabjerg, F.; Terzija, V. A linear inertial response emulation for variable speed wind turbines. IEEE Trans. Power Syst. 2020, 35, 1198–1208. [Google Scholar] [CrossRef]
  19. Alhrshy, L.; Lippke, A.; Jauch, C. Variable Blade Inertia in State-of-the-Art Wind Turbine Structural-Dynamics Models. Energies 2023, 16, 6061. [Google Scholar] [CrossRef]
  20. Lim, S.; Park, J.-W. Hierarchical Control Strategy for Effective Virtual Frequency Responses of Multiple WPPs. IEEE Trans. Power Syst. 2024, 39, 576–586. [Google Scholar] [CrossRef]
  21. Peng, Z.; Peng, Q.; Zhang, Y.; Han, H.; Yin, Y.; Liu, T. Online Inertia Allocation for Grid-Connected Renewable Energy Systems Based on Generic ASF Model Under Frequency Nadir Constraint. IEEE Trans. Power Syst. 2024, 39, 1615–1627. [Google Scholar] [CrossRef]
  22. Hydro Québec. Transmission Provider Technical Requirements for the Connection of Power Plants to the Hydro Québec Transmission System; Hydro Québec: Montréal, QC, Canada, 2009. [Google Scholar]
  23. Brisebois, J.; Aubut, N. Wind farm inertia emulation to fulfill Hydro-Québec specific need. In Proceedings of the IEEE Power and Energy Society General Meeting, Detroit, MI, USA, 24–28 July 2011. [Google Scholar]
  24. European Network of Transmission System Operators for Electricity (ENTSO-E). Technical Requirements for Fast Frequency Reserve Provision in the Nordic Synchronous Area. 23 May 2019. Available online: https://www.epressi.com/media/userfiles/132826/1562134367/technical-requirements-for-fast-frequency-reserve-provision-in-the-nordic-synchronous-area.pdf (accessed on 8 October 2025).
  25. European Network of Transmission System Operators for Electricity. Technical Requirements for Fast Frequency Reserve Provision in the Nordic Synchronous Area—External Document. 2021. Available online: https://www.svk.se/siteassets/english/stakeholder-portal/prequalification/technical-requirements-for-ffr-v1.1.pdf (accessed on 8 October 2025).
  26. Boukhezzar, B.; Siguerdidjane, H. Nonlinear control of a variable speed wind turbine using a two mass model. IEEE Trans. Energy Convers. 2011, 26, 149–161. [Google Scholar] [CrossRef]
  27. Muljadi, E.; Butterfield, C.P. Pitch-controlled variable-speed wind turbine generation. IEEE Trans. Ind. Appl. 2001, 37, 240–246. [Google Scholar] [CrossRef]
  28. Byerly, R.T.; Aanstad, O.; Berry, D.H.; Dunlop, R.D.; Ewart, D.N.; Fox, B.M.; Johnson, L.H.; Tschappat, D.W. Dynamic models for steam and hydro turbines in power system studies. IEEE Trans. Power Appar. Syst. 1973, 92, 1904–1915. [Google Scholar] [CrossRef]
Figure 1. Typical configuration of the PMSG model.
Figure 1. Typical configuration of the PMSG model.
Energies 18 05359 g001
Figure 2. PMSG control logics: (a) MSC; (b) GSC; (c) Pitch angle control.
Figure 2. PMSG control logics: (a) MSC; (b) GSC; (c) Pitch angle control.
Energies 18 05359 g002
Figure 3. P r e f for HQT: (a) P r e f of the HQT requirement; (b) Power–rotor speed trajectory of the HQT requirement.
Figure 3. P r e f for HQT: (a) P r e f of the HQT requirement; (b) Power–rotor speed trajectory of the HQT requirement.
Energies 18 05359 g003
Figure 4. P r e f for Nord Pool: (a) P r e f of the Nord Pool requirement; (b) Power–rotor speed trajectory of the Nord Pool requirement.
Figure 4. P r e f for Nord Pool: (a) P r e f of the Nord Pool requirement; (b) Power–rotor speed trajectory of the Nord Pool requirement.
Energies 18 05359 g004
Figure 5. Operational characteristics of the proposed requirement. (a) P r e f of the proposed requirement; (b) Power–rotor speed trajectory of the proposed requirement.
Figure 5. Operational characteristics of the proposed requirement. (a) P r e f of the proposed requirement; (b) Power–rotor speed trajectory of the proposed requirement.
Energies 18 05359 g005
Figure 6. Modified IEEE 14-bus system.
Figure 6. Modified IEEE 14-bus system.
Energies 18 05359 g006
Figure 7. Characteristics of the U151 wind turbine: (a) control regions; (b) C p curve at 0° pitch angle.
Figure 7. Characteristics of the U151 wind turbine: (a) control regions; (b) C p curve at 0° pitch angle.
Energies 18 05359 g007
Figure 8. Results for Case 1: (a) system frequencies; (b) extended frequencies; (c) WPP outputs; (d) rotor speeds; (e) power–speed trajectories.
Figure 8. Results for Case 1: (a) system frequencies; (b) extended frequencies; (c) WPP outputs; (d) rotor speeds; (e) power–speed trajectories.
Energies 18 05359 g008
Figure 9. Results for Case 2: (a) system frequencies; (b) extended frequencies; (c) WPP outputs; (d) rotor speeds; (e) power–speed trajectories.
Figure 9. Results for Case 2: (a) system frequencies; (b) extended frequencies; (c) WPP outputs; (d) rotor speeds; (e) power–speed trajectories.
Energies 18 05359 g009aEnergies 18 05359 g009b
Figure 10. Results for Case 3: (a) system frequencies; (b) extended frequencies; (c) WPP outputs; (d) rotor speeds; (e) power–speed trajectories.
Figure 10. Results for Case 3: (a) system frequencies; (b) extended frequencies; (c) WPP outputs; (d) rotor speeds; (e) power–speed trajectories.
Energies 18 05359 g010
Figure 11. Results for Case 4: (a) system frequencies; (b) extended frequencies; (c) WPP outputs; (d) rotor speeds; (e) power–speed trajectories.
Figure 11. Results for Case 4: (a) system frequencies; (b) extended frequencies; (c) WPP outputs; (d) rotor speeds; (e) power–speed trajectories.
Energies 18 05359 g011
Figure 12. Results for Case 5. (a) system frequencies; (b) extended frequencies; (c) WPP outputs; (d) rotor speeds; (e) power–speed trajectories.
Figure 12. Results for Case 5. (a) system frequencies; (b) extended frequencies; (c) WPP outputs; (d) rotor speeds; (e) power–speed trajectories.
Energies 18 05359 g012
Table 1. Parameters of U151 wind turbine.
Table 1. Parameters of U151 wind turbine.
DescriptionValuesUnits
Rated power of mechanical part4.569MW
Blade length75.5 m
Gear ratio110.1
Turbine inertia constant9.68s
Generator inertia constant0.4s
Minimum rotor speed6rpm
Maximum rotor speed10.6rpm
Disclaimer/Publisher’s Note: The statements, opinions and data contained in all publications are solely those of the individual author(s) and contributor(s) and not of MDPI and/or the editor(s). MDPI and/or the editor(s) disclaim responsibility for any injury to people or property resulting from any ideas, methods, instructions or products referred to in the content.

Share and Cite

MDPI and ACS Style

Kang, Y.C.; Kang, K.; Lee, Y.; Kim, K.-H. Analysis and Enhancement of HQT and ENTSO-E Synthetic Inertia Criteria Using the Unison U151 Wind Turbine. Energies 2025, 18, 5359. https://doi.org/10.3390/en18205359

AMA Style

Kang YC, Kang K, Lee Y, Kim K-H. Analysis and Enhancement of HQT and ENTSO-E Synthetic Inertia Criteria Using the Unison U151 Wind Turbine. Energies. 2025; 18(20):5359. https://doi.org/10.3390/en18205359

Chicago/Turabian Style

Kang, Yong Cheol, Kicheol Kang, Youngsun Lee, and Kyu-Ho Kim. 2025. "Analysis and Enhancement of HQT and ENTSO-E Synthetic Inertia Criteria Using the Unison U151 Wind Turbine" Energies 18, no. 20: 5359. https://doi.org/10.3390/en18205359

APA Style

Kang, Y. C., Kang, K., Lee, Y., & Kim, K.-H. (2025). Analysis and Enhancement of HQT and ENTSO-E Synthetic Inertia Criteria Using the Unison U151 Wind Turbine. Energies, 18(20), 5359. https://doi.org/10.3390/en18205359

Note that from the first issue of 2016, this journal uses article numbers instead of page numbers. See further details here.

Article Metrics

Back to TopTop