Sign in to use this feature.

Years

Between: -

Subjects

remove_circle_outline
remove_circle_outline
remove_circle_outline
remove_circle_outline
remove_circle_outline
remove_circle_outline
remove_circle_outline

Journals

Article Types

Countries / Regions

Search Results (22)

Search Parameters:
Keywords = moment of inertia identification

Order results
Result details
Results per page
Select all
Export citation of selected articles as:
27 pages, 2961 KB  
Article
Mechanical Parameter Identification of Permanent Magnet Synchronous Motor Based on Symmetry
by Xing Ming, Xiaoyu Wang, Fucong Liu, Yi Qu, Bingyin Zhou, Shuolin Zhang and Ping Yu
Symmetry 2025, 17(11), 1929; https://doi.org/10.3390/sym17111929 - 11 Nov 2025
Cited by 1 | Viewed by 437
Abstract
Permanent Magnet Synchronous Motors (PMSMs) have been widely applied across various electrical systems due to their significant advantages, including high power density, high-efficiency conversion, and easy controllability. However, the issue of ‘parameter asymmetry’ (a mismatch between the controller’s preset parameters and the actual [...] Read more.
Permanent Magnet Synchronous Motors (PMSMs) have been widely applied across various electrical systems due to their significant advantages, including high power density, high-efficiency conversion, and easy controllability. However, the issue of ‘parameter asymmetry’ (a mismatch between the controller’s preset parameters and the actual system parameters) in PMSMs can lead to performance problems, such as delayed speed response and increased overshoot. The destruction of symmetry, including the asymmetric weight distribution between new and old data in the moment-of-inertia identification algorithm and the asymmetry between “measured values and true values” caused by sampling delay, is the core factor limiting the system’s control performance. All these factors significantly affect the accuracy of parameter identification and the system’s stability. To address this, this study focuses on the mechanical parameter identification of PMSMs with the core goal of “symmetric matching between set values and true values”. Firstly, a current-speed dual closed-loop vector control system model is constructed. The PI parameters are tuned to meet the symmetric tracking requirements of “set value-feedback” in the dual loops, and the influence of the PMSM’s moment of inertia on the loop symmetry is analyzed. Secondly, the symmetry defects of traditional algorithms are highlighted, such as the imbalance between “data weight and working condition characteristics” in the least-squares method and the mismatch between “set inertia and true inertia” caused by data saturation. Finally, a Forgetting Factor Recursive Least Squares (FFRLS) scheme is proposed: the timing asymmetry of signals is corrected via a first-order inertial link, a forgetting factor λ is introduced to balance data weights, and a recursive structure is adopted to avoid data saturation. Simulation results show that when λ = 0.92, the identification accuracy reaches +5% with a convergence time of 0.39 s. Moreover, dynamic symmetry can still be maintained under multiple multiples of inertia, thereby improving identification performance and ensuring symmetry in servo control. Full article
(This article belongs to the Special Issue Symmetry in Power System Dynamics and Control)
Show Figures

Figure 1

17 pages, 6469 KB  
Article
Autogenetic Gravity Center Placement
by Timothy Sands
Sensors 2025, 25(12), 3786; https://doi.org/10.3390/s25123786 - 17 Jun 2025
Cited by 4 | Viewed by 718
Abstract
Operations by space drones mandate significant autonomy. This study experimentally evaluates key proposed applications of autonomy. Center of gravity auto-location is proposed using autonomous identification of mass properties, necessitating nonlinear state estimation. Nonlinear, coupled governing kinetics are strictly adopted as the control, and [...] Read more.
Operations by space drones mandate significant autonomy. This study experimentally evaluates key proposed applications of autonomy. Center of gravity auto-location is proposed using autonomous identification of mass properties, necessitating nonlinear state estimation. Nonlinear, coupled governing kinetics are strictly adopted as the control, and inversion provides closed-form estimates of mass properties. Seminally neglecting the diagonal inertia moments, the inertia cross-products are utilized to exactly find the mass center coordinates using the parallel axis theorem to parameterize the location coordinates. In December 2024, experiments were performed in space for hours, validating the approaches proposed. The findings indicate the longitudinal distribution was quite symmetric. Meanwhile, the lateral distribution was quite off-balance. Estimation convergence of the mass center coordinates was improved compared to the state-of-the-art comparative benchmark. In hundreds of days, the latter achieved millimeter convergence, while in minutes, the former achieved hundreds of millimeters convergence. Full article
Show Figures

Figure 1

22 pages, 5407 KB  
Article
Low-Power Constant Current Driver for Stepper Motors in Aerospace Applications
by Leijie Jiang, Lixun Zhu and Chuande Liu
Energies 2025, 18(12), 3173; https://doi.org/10.3390/en18123173 - 17 Jun 2025
Viewed by 723
Abstract
Stepper motors are used in satellites for various drive operations that are achieved by custom designs. This paper presents a stepper motor driver for satellite systems. It takes rotor position and phase current as inputs and employs a current subdivision method with back-propagation [...] Read more.
Stepper motors are used in satellites for various drive operations that are achieved by custom designs. This paper presents a stepper motor driver for satellite systems. It takes rotor position and phase current as inputs and employs a current subdivision method with back-propagation neural network (BPNN) to achieve constant current control of the motor. The driver can ensure the smooth operation and the positioning accuracy of the motor with a filter wheel that is 0.1944 kg·m2 in the moment of inertia and satisfy self-adaption of the load without system parameter identification. Compared to the previous scheme, the proposed scheme can reduce the power consumption by about 21.15% when the motor runs at 2 r/s, which is beneficial to the reduction in the size and the mass of some power supply modules. The performances of the developed driver are implemented on a field programmable gate array (FPGA) circuit board. The experimental results are conducted to verify the claims presented. The proposed scheme can be extended to other stepper motor systems with large moment of inertia loads within spacecraft. Full article
Show Figures

Figure 1

24 pages, 7065 KB  
Article
Center of Mass Auto-Location in Space
by Lucas McLeland, Brian Erickson, Brendan Ruchlin, Eryn Daman, James Mejia, Benjamin Ho, Joshua Lewis, Bryan Mann, Connor Paw, James Ross, Christopher Reis, Scott Walter, Stefanie Coward, Thomas Post, Andrew Freeborn and Timothy Sands
Technologies 2025, 13(6), 246; https://doi.org/10.3390/technologies13060246 - 12 Jun 2025
Cited by 2 | Viewed by 1001
Abstract
Maintaining a spacecraft’s center of mass at the origin of a body-fixed coordinate system is often key to precision trajectory tracking. Typically, the inertia matrix is estimated and verified with preliminary ground testing. This article presents groundbreaking preliminary results and significant findings from [...] Read more.
Maintaining a spacecraft’s center of mass at the origin of a body-fixed coordinate system is often key to precision trajectory tracking. Typically, the inertia matrix is estimated and verified with preliminary ground testing. This article presents groundbreaking preliminary results and significant findings from on-orbit space experiments validating recently proposed methods as part of a larger study over multiple years. Time-varying estimates of inertia moments and products are used to reveal time-varying estimates of the location of spacecraft center of mass using geosynchronous orbiting test satellites proposing a novel two-norm optimal projection learning method. Using the parallel axis theorem, the location of the mass center is parameterized using the cross products of inertia, and that information is extracted from spaceflight maneuver data validating modeling and simulation. Mass inertia properties are discerned, and the mass center is experimentally revealed to be over thirty centimeters away from the assumed locations in two of the three axes. Rotation about one axis is found to be very well balanced, with the center of gravity lying on that axis. Two-to-three orders of magnitude corrections to inertia identification are experimentally demonstrated. Combined-axis three-dimensional maneuvers are found to obscure identification compared with single-axis maneuvering as predicted by the sequel analytic study. Mass center location migrates 36–95% and subsequent validating experiments duplicate the results to within 0.1%. Full article
(This article belongs to the Special Issue Advanced Autonomous Systems and Artificial Intelligence Stage)
Show Figures

Figure 1

21 pages, 2778 KB  
Article
Research on the Mechanical Parameter Identification and Controller Performance of Permanent Magnet Motors Based on Sensorless Control
by Mingchen Luan, Yun Zhang, Jiuhong Ruan, Yongwu Guo, Long Wang and Huihui Min
Actuators 2024, 13(12), 525; https://doi.org/10.3390/act13120525 - 19 Dec 2024
Cited by 2 | Viewed by 1126
Abstract
In order to improve the control performance of the position sensorless control system of permanent magnet synchronous motors and to reduce the influence of external uncertainties on the control system, such as inertia ingestion and load disturbance, this paper proposes a novel position [...] Read more.
In order to improve the control performance of the position sensorless control system of permanent magnet synchronous motors and to reduce the influence of external uncertainties on the control system, such as inertia ingestion and load disturbance, this paper proposes a novel position sensorless control algorithm for permanent magnet synchronous motors based on an interleaved parallel extended sliding mode observer. Firstly, in order to identify the time-varying moment of inertia, load torque and viscous friction coefficient of the system, a novel interleaved parallel extended sliding mode observer based on a single-observer model is proposed, and a robust activator is designed to reduce the coupling between the parameters to be measured. Then, a new predefined-time sliding mode controller is designed for the face-mounted permanent magnet synchronous motor using sliding film control theory, which improves the response speed and control accuracy of the system. Then, the proposed novel interleaved parallel extended sliding mode observer and predefined-time sliding mode controller are used to design the permanent magnet synchronous motor control system, and the stability of the system is proved using the Lyapunov stability theorem. Finally, through simulation analysis and experimental tests, it is verified that the control strategy proposed in this paper can improve the identification accuracy of the motor parameters, reduce the time of identification, and improve the control accuracy and tracking speed. Full article
(This article belongs to the Special Issue Power Electronics and Actuators—Second Edition)
Show Figures

Figure 1

23 pages, 11396 KB  
Article
Estimation of Full Dynamic Parameters of Large Space Debris Based on Rope Net Flexible Collision and Vision
by Chao Tang, Jinming Yao, Lei Liang, Huibo Zhang, Cheng Wei and Yang Zhao
Actuators 2023, 12(9), 344; https://doi.org/10.3390/act12090344 - 26 Aug 2023
Cited by 4 | Viewed by 2200
Abstract
The identification of space debris’s dynamic parameters is a prerequisite for detumbling and capture operations. In this paper, a novel method for identifying dynamic parameters based on the rope net flexible collision and vision data is proposed, which combines the advantages of full [...] Read more.
The identification of space debris’s dynamic parameters is a prerequisite for detumbling and capture operations. In this paper, a novel method for identifying dynamic parameters based on the rope net flexible collision and vision data is proposed, which combines the advantages of full dynamic parameter estimation (contact method) and safety (non-contact method). The point cloud data before and after collision is obtained by LiDAR, and the transformation matrix of point clouds and debris motion data are calculated by point cloud registration. Before the collision, using the motion model-based optimization, the real-time position of the debris center of mass is estimated. And the transformation matrix between visual and debris-fixed coordinates are calculated by the mass center position and transformation matrix of the point cloud. Then, using the debris dynamic model and parameters’ characteristics, the normalized dynamic parameters are estimated. An identification method of net node position changes based on the flexible collision characteristics of rope nets is proposed, which is used to obtain the momentum of the rope net after the collision. Based on the conservation of linear momentum and angular momentum of the satellite-net system, the true values of the mass and the principal moment of inertia of the debris are estimated. The true values of the kinetic energy and momentum can be obtained by substituting the true values of the principal moment of inertia into the normalized parameters, and the full dynamic parameters of large space debris is estimated. Simulations of identifying full dynamic parameters have been performed; the results indicate that this method can provide accurate and real-time true values of dynamic parameters for the detumbling and capture mission. Full article
(This article belongs to the Section Aerospace Actuators)
Show Figures

Figure 1

23 pages, 8270 KB  
Article
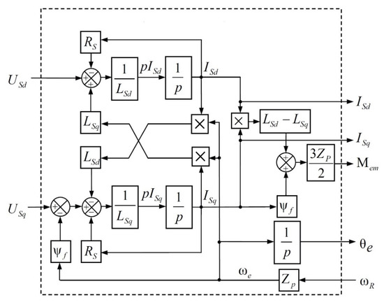
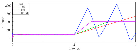
Anti-Inertia Disturbance Control of Permanent Magnet Synchronous Motor Based on Integral Time-Varying Fast Terminal Sliding Mode
by Fang Xie, Shilin Ni, Houying Wang, Jinghu Xu and Ziang Zheng
Machines 2023, 11(7), 690; https://doi.org/10.3390/machines11070690 - 30 Jun 2023
Viewed by 1803
Abstract
To improve the speed control performance of a permanent magnet synchronous motor (PMSM) when the moment of inertia changes during operation, this paper studies an anti-inertia disturbance method based on integral time-varying fast terminal sliding mode control (ITFTSMC). First, the mechanical motion equation [...] Read more.
To improve the speed control performance of a permanent magnet synchronous motor (PMSM) when the moment of inertia changes during operation, this paper studies an anti-inertia disturbance method based on integral time-varying fast terminal sliding mode control (ITFTSMC). First, the mechanical motion equation of the permanent magnet synchronous motor is established to obtain the inverse relationship between the moment of inertia and the rate of speed change. Second, the extended state observer is designed to identify the moment of inertia online and improve real-time tracking accuracy. Third, to solve the motor speed fluctuation caused by the sudden inertia change, an integral time-varying fast terminal sliding mode control method is proposed, which improves both speed stability through integral time-varying and rapidity through the fast terminal. The identified moment of inertia is then updated to the integral time-varying fast terminal sliding mode controller in real time to meet the dynamic performance of the permanent magnet synchronous motor when said inertia changes. Finally, simulation and comparative experiments were used to verify the feasibility and effectiveness of the abovementioned proposed methods. Full article
(This article belongs to the Section Electrical Machines and Drives)
Show Figures

Figure 1

15 pages, 1142 KB  
Review
Identification of Parameters and States in PMSMs
by Paolo Mercorelli
Electronics 2023, 12(12), 2625; https://doi.org/10.3390/electronics12122625 - 11 Jun 2023
Cited by 6 | Viewed by 6869
Abstract
This paper discusses the importance of accurately identifying the parameters and states in permanent magnet synchronous motors (PMSMs) and their impact on motor performance and efficiency. This study was conducted to demonstrate the significance of these parameters. The results showed that inaccurate identification [...] Read more.
This paper discusses the importance of accurately identifying the parameters and states in permanent magnet synchronous motors (PMSMs) and their impact on motor performance and efficiency. This study was conducted to demonstrate the significance of these parameters. The results showed that inaccurate identification of the friction coefficient and moment of inertia led to poor motor performance, instability, and reduced efficiency. Accurate identification of these parameters is necessary for the proper control and operation of PMSMs. This paper highlights the various methods for calculating the friction coefficient and moment of inertia, as well as their potential limitations. The findings of this study emphasize the importance of accurately identifying these parameters for the efficient and effective operation of PMSMs. Full article
(This article belongs to the Section Systems & Control Engineering)
Show Figures

Figure 1

13 pages, 3287 KB  
Article
Adaptive Multi-Parameter Estimation of Inertial Stabilization Platform with Unknown Load
by Jieji Zheng, Xin Xie, Baoyu Li, Ziping Wan, Ning Chen and Dapeng Fan
Actuators 2023, 12(4), 176; https://doi.org/10.3390/act12040176 - 18 Apr 2023
Cited by 1 | Viewed by 2433
Abstract
In order to improve the state monitoring and adaptive control capability of inertial stabilization platforms (ISPs) with unknown loads, it is necessary to estimate the dynamic parameters comprehensively online. However, most current online estimation methods regard the system as a linear dual-inertia model [...] Read more.
In order to improve the state monitoring and adaptive control capability of inertial stabilization platforms (ISPs) with unknown loads, it is necessary to estimate the dynamic parameters comprehensively online. However, most current online estimation methods regard the system as a linear dual-inertia model which neglects the backlash and nonlinear friction torque. It reduces the accuracy of the model and leads to incomplete and low accuracy of the estimated parameters. The purpose of this research is to achieve a comprehensive and accurate online estimation of multiple parameters of ISPs and lay a foundation for state monitoring and adaptive control of ISPs. First, a dual-inertia model containing backlash and nonlinear friction torque of the motor and load is established. Then, the auto-regressive moving average (ARMA) model of the motor and load is established by the forward Euler method, which clearly expresses the online identification formula of the parameters. On this basis, the adaptive identification method based on the recursive extended least squares (RELS) algorithm is used to realize the online estimation of multiple parameters. The simulation and experimental results show that the proposed adaptive multi-parameter estimation method can realize the simultaneous online identification of the moment of inertia of the load, the damping coefficient of motor and load, the transmission stiffness, the Coulomb friction torque of motor and load, and the backlash, and the steady-state error is less than 10%. Compared with the traditional linear dual-inertia model, the similarity between the model based on the proposed adaptive parameter estimation algorithm and the actual system is increased by 65.3%. Full article
(This article belongs to the Section Control Systems)
Show Figures

Figure 1

21 pages, 6816 KB  
Article
Identifying the Inertial Properties of a Padel Racket: An Experimental Maneuverability Proposal
by Carlos Blanes, Antonio Correcher, Pablo Beltrán and Martin Mellado
Sensors 2022, 22(23), 9266; https://doi.org/10.3390/s22239266 - 28 Nov 2022
Cited by 6 | Viewed by 6983
Abstract
Although the moment of inertia of padel rackets is one of their fundamental properties and of particular interest to the players, hardly any manufacturer specifies the parameter for its rackets. The present paper offers a solution to determine the moment of inertia around [...] Read more.
Although the moment of inertia of padel rackets is one of their fundamental properties and of particular interest to the players, hardly any manufacturer specifies the parameter for its rackets. The present paper offers a solution to determine the moment of inertia around different axes of padel rackets and makes a standardized comparison possible. After a short overview of the physical background of the problem and the existing solutions for inertia testing, the developed concept for a test stand is described in detail. The approach uses the fact that a pendulum swings with its natural frequency, which depends directly on its moment of inertia. The inertia can be calculated by measuring the cycle time of the swing. Two different test stands, a trifilar and a swing pendulum, are designed to enable an oscillation of the rackets with different rotation axes, and an acceleration sensor is used to measure its natural frequency. A user-friendly interface acquires and processes accelerometer data providing inertial moments. A calibration model defines sensor accuracy. Precision is estimated by calculating the influence of the measurement errors and by testing the repeatability. The maneuverability parameter is created, and in the last step, various rackets are evaluated to create a database with the main properties. As a result of the study of the racket population, a maneuverability parameter is proposed to classify the rackets in a comprehensible way for users. The classification method is tested with users to explore the matching between the scientific classification and the player’s feelings. The results are shown and explained. Full article
(This article belongs to the Collection Inertial Sensors and Applications)
Show Figures

Figure 1

12 pages, 14842 KB  
Article
Testing of Structural Integrity of U-Shaped Sheet Pile in Canal Engineering Using Ground Penetrating Radar
by Yongqing Yang, Guowei Li, Na Luo and Xueshan Cao
Appl. Sci. 2022, 12(22), 11558; https://doi.org/10.3390/app122211558 - 14 Nov 2022
Cited by 3 | Viewed by 2432
Abstract
Compared with other piles with the same cross-sectional area, “U-shaped” structural section sheet pile can increase the moment of inertia of the structure’s section. Due to the large excavation depth of the open section of the “Yin Jiang Ji Huai” river canal project [...] Read more.
Compared with other piles with the same cross-sectional area, “U-shaped” structural section sheet pile can increase the moment of inertia of the structure’s section. Due to the large excavation depth of the open section of the “Yin Jiang Ji Huai” river canal project in Anhui province, China, the unprotected excavated inclined canal slope covers a large land area, which results in the current situation of high housing demolition costs and a shortage of land resources in densely populated areas. In this study, the non-destructive testing of a U-shaped sheet-pile wall to protect the vertical slope of the underwater expansive soil in the canal project is studied, which is of great significance in reducing the construction area and minimizing the cost of construction. It is necessary to test the structural integrity of the U-shaped sheet pile, which is also vital to ensuring the whole project quality. Ground penetrating radar (GPR) is used to detect the structural integrity of the U-shaped sheet pile in expansive soil. On the basis of identification and conversion of the original GPR data format, the processing methods based on the time-varying automatic gain and wavelet analysis are implemented. This case study proves that the GPR testing method is effective to estimate the quality of the U-shaped sheet pile. Full article
Show Figures

Figure 1

19 pages, 3208 KB  
Article
Improved Landscape Expansion Index and Its Application to Urban Growth in Urumqi
by Yuhang Tian, Yanmin Shuai, Xianwei Ma, Congying Shao, Tao Liu and Latipa Tuerhanjiang
Remote Sens. 2022, 14(20), 5255; https://doi.org/10.3390/rs14205255 - 20 Oct 2022
Cited by 20 | Viewed by 4904
Abstract
Automatic determination of quantitative parameters describing the pattern of urban expansion is extremely important for urban planning, urban management and civic resource configuration. Though the widely adopted LEI (landscape expansion index) has exhibited the potential to capture the evolution of urban landscape patterns [...] Read more.
Automatic determination of quantitative parameters describing the pattern of urban expansion is extremely important for urban planning, urban management and civic resource configuration. Though the widely adopted LEI (landscape expansion index) has exhibited the potential to capture the evolution of urban landscape patterns using multi-temporal remote sensing data, erroneous determination still exists, especially for patches with special shapes due to the limited consideration of spatial relationships among patches. In this paper, we improve the identification of urban landscape expansion patterns with an enhancement of the topological relationship. We propose MCI (Mean patch Compactness Index) and AWCI (Area-Weighted Compactness Index) in terms of the moment of inertia shape index. The effectiveness of the improved approach in identifying types of expansion patches is theoretically demonstrated with a series of designed experiments. Further, we apply the proposed approaches to the analysis of urban expansion features and dynamics of urban compactness over Urumqi at various 5-year stages using available SUBAD-China data from 1990–2015. The results achieved by the theoretical experiments and case application show our approach effectively suppressed the effects induced by shapes of patches and buffer or envelope box parameters for the accurate identification of patch type. Moreover, the modified MCI and AWCI exhibited an improved potential in capturing the landscape scale compactness of urban dynamics. The investigated 25-year urban expansion of Urumqi is dominated by edge-expansion patches and supplemented by outlying growth, with opposite trends of increasing and decreasing, with a gradual decrease in landscape fragmentation. Our examination using the proposed MCI and AWCI indicates Urumqi was growing more compact in latter 15-year period compared with the first 10 years studied, with the primary urban patches tending to be compacted earlier than the entire urban setting. The historical transformation trajectories based on remote sensing data show a significant construction land gain—from 1.06% in 1990 to 6.96% in 2015—due to 289.16 km2 of recently established construction, accompanied by fast expansion northward, less dynamic expansion southward, and earlier extension in the westward direction than eastward. This work provides a possible means to improve the identification of patch expansion type and further understand the compactness of urban dynamics. Full article
Show Figures

Graphical abstract

13 pages, 4894 KB  
Article
Development of Electric Drive on the Basis of Five-Phase Synchronous Electric Motor
by Ivan Kuric, Yury Nikitin, Milan Sága, Vladimír Tlach and Alexander Bannikov
Electronics 2022, 11(17), 2680; https://doi.org/10.3390/electronics11172680 - 26 Aug 2022
Cited by 6 | Viewed by 1907
Abstract
This paper shows a model of a five-phase synchronous motor with permanent magnets and a simulation model of a control device. A simulation model in the SimInTech software product is built. The transient time is 0.03 s when a stepped input is applied. [...] Read more.
This paper shows a model of a five-phase synchronous motor with permanent magnets and a simulation model of a control device. A simulation model in the SimInTech software product is built. The transient time is 0.03 s when a stepped input is applied. When the load moment of inertia increases by a factor of 10, the accuracy of speed response decreases. The maximum motor speed error is 40% at a time of 0.2 s. This is a consequence of changing the model of the control object. It is suggested to perform model identification and adapt PI controllers according to load parameters. Full article
(This article belongs to the Section Systems & Control Engineering)
Show Figures

Figure 1

13 pages, 36101 KB  
Article
Biospeckle Activity of Highbush Blueberry Fruits Infested by Spotted Wing Drosophila (Drosophila suzukii Matsumura)
by Monika Janaszek-Mańkowska, Arkadiusz Ratajski and Jacek Słoma
Appl. Sci. 2022, 12(2), 763; https://doi.org/10.3390/app12020763 - 12 Jan 2022
Cited by 4 | Viewed by 2289
Abstract
In this study, the potential of the biospeckle phenomenon for detecting fruit infestation by Drosophila suzukii was examined. We tested both graphical and analytical approaches to evaluate biospeckle activity of healthy and infested fruits. As a result of testing the qualitative approach, a [...] Read more.
In this study, the potential of the biospeckle phenomenon for detecting fruit infestation by Drosophila suzukii was examined. We tested both graphical and analytical approaches to evaluate biospeckle activity of healthy and infested fruits. As a result of testing the qualitative approach, a generalized difference method proved to be better at identifying infested areas than Fujii’s method. Biospeckle activity of healthy fruits was low and increased with infestation development. It was found that the biospeckle activity index calculated from spatial-temporal speckle correlation of THSP was the best discriminant of healthy fruits and fruits in two different stages of infestation development irrespective of window size and pixel selection strategy adopted to create the THSP. Other numerical indicators of biospeckle activity (inertia moment, absolute value of differences, average differences) distinguished only fruits in later stage of infestation. Regular values of differences turned out to be of no use in detecting infested fruits. We found that to provide a good representation of activity it was necessary to use a strategy aimed at random selection of pixels gathered around the global maximum of biospeckle activity localized on the graphical outcome. The potential of biospeckle analysis for identification of highbush blueberry fruits infested by D. suzukii was confirmed. Full article
(This article belongs to the Special Issue Applications of Computer Science in Agricultural Engineering)
Show Figures

Figure 1

17 pages, 3483 KB  
Article
Multiparameter Identification of Permanent Magnet Synchronous Motor Based on Model Reference Adaptive System—Simulated Annealing Particle Swarm Optimization Algorithm
by Guoyong Su, Pengyu Wang, Yongcun Guo, Gang Cheng, Shuang Wang and Dongyang Zhao
Electronics 2022, 11(1), 159; https://doi.org/10.3390/electronics11010159 - 5 Jan 2022
Cited by 32 | Viewed by 4332
Abstract
The accurate identification of permanent magnet synchronous motor (PMSM) parameters is the basis for high-performance drive control. The traditional PMSM multiparameter identification method experiences problems with the uncertainty of the identification results and low identification accuracy due to the under-ranking of the mathematical [...] Read more.
The accurate identification of permanent magnet synchronous motor (PMSM) parameters is the basis for high-performance drive control. The traditional PMSM multiparameter identification method experiences problems with the uncertainty of the identification results and low identification accuracy due to the under-ranking of the mathematical model of motor control. A multiparameter identification of PMSM based on a model reference adaptive system and simulated annealing particle swarm optimization (MRAS-SAPSO) is proposed here. The algorithm first identifies the electrical parameters of the PMSM (stator winding resistance R, cross-axis inductance L, and magnetic linkage ψf) by means of the model reference adaptive system method. Second, the result is used as the initial population in particle swarm optimization identification to further optimize and identify the electrical and mechanical parameters (moment of inertia J and damping coefficient B) in the motor control system. Additionally, in order to avoid problems such as premature convergence of the particle swarm in the optimization search process, the results of the adaptive simulated annealing algorithm to optimize multiparameter identification are introduced. The simulation experiment results show that the five identification parameters obtained by the MRAS-SAPSO algorithm are highly accurate and stable, and the errors between them and the real values are below 2%. This also verifies the effectiveness and reliability of this identification method. Full article
(This article belongs to the Section Systems & Control Engineering)
Show Figures

Figure 1

Back to TopTop