Sign in to use this feature.

Years

Between: -

Subjects

remove_circle_outline
remove_circle_outline
remove_circle_outline
remove_circle_outline
remove_circle_outline
remove_circle_outline
remove_circle_outline
remove_circle_outline
remove_circle_outline

Journals

remove_circle_outline
remove_circle_outline
remove_circle_outline
remove_circle_outline
remove_circle_outline
remove_circle_outline

Article Types

Countries / Regions

remove_circle_outline
remove_circle_outline
remove_circle_outline
remove_circle_outline

Search Results (1,131)

Search Parameters:
Keywords = lumped model

Order results
Result details
Results per page
Select all
Export citation of selected articles as:
18 pages, 1702 KB  
Article
Dynamic Modeling and Calibration of an Industrial Delayed Coking Drum Model for Digital Twin Applications
by Vladimir V. Bukhtoyarov, Ivan S. Nekrasov, Alexey A. Gorodov, Yadviga A. Tynchenko, Oleg A. Kolenchukov and Fedor A. Buryukin
Processes 2026, 14(2), 375; https://doi.org/10.3390/pr14020375 - 21 Jan 2026
Abstract
The increasing share of heavy and high-sulfur crude oils in refinery feed slates worldwide highlights the need for models of delayed coking units (DCUs) that are both physically meaningful and computationally efficient. In this study, we develop and calibrate a simplified yet dynamic [...] Read more.
The increasing share of heavy and high-sulfur crude oils in refinery feed slates worldwide highlights the need for models of delayed coking units (DCUs) that are both physically meaningful and computationally efficient. In this study, we develop and calibrate a simplified yet dynamic one-dimensional model of an industrial coke drum intended for integration into digital twin frameworks. The model includes a three-phase representation of the drum contents, a temperature-dependent global kinetic scheme for vacuum residue cracking, and lumped descriptions of heat transfer and phase holdups. Only three physically interpretable parameters—the kinetic scaling factors for distillate and coke formation and an effective wall temperature—were calibrated using routinely measured plant data, namely the overhead vapor and drum head temperatures and the final coke bed height. The calibrated model reproduces the temporal evolution of the top head and overhead temperatures and the final bed height with mean relative errors of a few percent, while capturing the more complex bottom-head temperature dynamics qualitatively. Scenario simulations illustrate how the coking severity (represented here by the effective wall temperature) affects the coke yield, bed growth, and cycle duration. Overall, the results indicate that low-order dynamic models can provide a practical balance between physical fidelity and computational speed, making them suitable as mechanistic cores for digital twins and optimization tools in delayed coking operations. Full article
Show Figures

Figure 1

28 pages, 3530 KB  
Article
A Reinforcement Learning-Based Crushing Method for Robots Operating Within Smart Fully Mechanized Mining Faces
by Yuan Wang, Jun Liu, Zhiyuan Wang and Zhengxiong Lu
Machines 2026, 14(1), 115; https://doi.org/10.3390/machines14010115 - 19 Jan 2026
Viewed by 20
Abstract
The current method of manually handling or using open-loop automation to deal with abnormal coal lumps on the scraper conveyor is inefficient due to constraints, such as safety concerns and equipment wear. To address inefficiencies in the handling of abnormal coal blocks on [...] Read more.
The current method of manually handling or using open-loop automation to deal with abnormal coal lumps on the scraper conveyor is inefficient due to constraints, such as safety concerns and equipment wear. To address inefficiencies in the handling of abnormal coal blocks on scraper conveyors, a reinforcement-learning-based method is proposed. Aiming to address the issue that experimenting on abnormal coal handling by scraper conveyors is expensive, this paper designs a variational Auto-Encoder model with the U-MLP network as its core to simulate the processing environment. In addition, given the sparse characteristics of coal block point cloud data, a deep reinforcement learning model based on the LKDG model is designed to control the crushing equipment when dealing with abnormal coal blocks. Through the point cloud data, images, and other information collected by the fully mechanized mining laboratory before and after abnormal processing of coal blocks, we built a simulation environment for abnormal coal blocks, and trained the LKDG model in the simulation environment. To validate the proposed model, we compared LKDG with baseline models in simulation experiments. The results demonstrate that this method can effectively enhance the efficiency of abnormal coal lump processing without human intervention: LKDG achieved a 10.92% higher average reward compared to existing approaches. In terms of engineering applicability, the trained LKDG delivered excellent performance in laboratory tests conducted in a fully mechanized mining environment, increasing the effective crushing count by 67.11% over conventional automated processing methods. Full article
(This article belongs to the Section Robotics, Mechatronics and Intelligent Machines)
Show Figures

Figure 1

21 pages, 5085 KB  
Article
Design Method of Variable Cross-Section Winding for Coating-Cooled Tapered Permanent Magnet Linear Synchronous Motors
by Qiang Tan, Junhao Pian, Jing Li and Wuji Wei
Electronics 2026, 15(2), 439; https://doi.org/10.3390/electronics15020439 - 19 Jan 2026
Viewed by 32
Abstract
To solve slot temperature accumulation in high thrust density permanent magnet linear synchronous motors (PMLSMs), this paper proposes an additive manufacturing (AM)-based variable cross-section winding design for coating-cooled tapered PMLSMs. Integrating the magnetic circuit features of tapered PMLSMs and AM windings’ technical merits, [...] Read more.
To solve slot temperature accumulation in high thrust density permanent magnet linear synchronous motors (PMLSMs), this paper proposes an additive manufacturing (AM)-based variable cross-section winding design for coating-cooled tapered PMLSMs. Integrating the magnetic circuit features of tapered PMLSMs and AM windings’ technical merits, the motor’s operating mechanism and electromagnetic distribution are analyzed. With the coating cooling structure as the thermal management foundation, simulation reveals the motor’s temperature distribution under water cooling, defining core slot thermal management requirements. A novel cross-section winding design is then presented: first, a lumped-parameter thermal network model quantifies the coupling between the winding cross-sectional area and slot heat source distribution; second, a greedy algorithm optimizes the winding cross-section globally to reduce the slot hot-spot temperature and suppress temperature rise. Validated by a fabricated tapered PMLSM stator prototype and static temperature-rise experiments, the results confirm that winding cross-section reconstruction optimizes heat distribution effectively, offering a new approach for temperature rise suppression in high thrust density PMLSMs. Full article
Show Figures

Figure 1

23 pages, 3500 KB  
Proceeding Paper
Modelling Heat Recovery System for Efficiency Enhancement in Alkaline Electrolyser
by Mohamed Amin, Edward Antwi, Taimoor Khan, Romy Sommer, Qahtan Thabit and Johannes Gulden
Eng. Proc. 2026, 121(1), 19; https://doi.org/10.3390/engproc2025121019 - 16 Jan 2026
Viewed by 129
Abstract
The global energy landscape is transitioning towards cleaner solutions, with hydrogen emerging as a key energy source. To unlock hydrogen’s potential, it is crucial to prioritize the development of a more efficient, cost-effective, and environmentally friendly production process. Enhancing the efficiency and scalability [...] Read more.
The global energy landscape is transitioning towards cleaner solutions, with hydrogen emerging as a key energy source. To unlock hydrogen’s potential, it is crucial to prioritize the development of a more efficient, cost-effective, and environmentally friendly production process. Enhancing the efficiency and scalability of these technologies will not only reduce their environmental impact but also accelerate the adoption of hydrogen as a viable alternative energy solution, fostering a cleaner and more sustainable future. This paper presents a study on simulating a heat recovery system in an alkaline electrolyser consisting of 30 cells, which integrates a plate heat exchanger to preheat the water entering the system, and assessing how it affects efficiency. The study uses a thermal model, employing the concept of lumped thermal capacitance, to analyze the impact of the heat recovery system utilization on the overall performance of the electrolyser. MATLAB/Simulink was used to simulate and provide a detailed visualization of how recovery systems affect the electrolyser’s efficiency. The results of the simulations confirmed that incorporating a heat recovery system significantly improves the efficiency of alkaline electrolysers up to 8%. The study provides a promising outlook for the future of hydrogen production, emphasizing the potential of waste heat recovery systems to make green hydrogen production more viable and sustainable. Full article
Show Figures

Figure 1

24 pages, 5517 KB  
Article
Volumetric Efficiency Prediction of External Gear Pumps Using a Leakage Model Based on Dynamic Clearances
by HyunWoo Yang, Ho Sung Jang and Sangwon Ji
Actuators 2026, 15(1), 56; https://doi.org/10.3390/act15010056 - 15 Jan 2026
Viewed by 97
Abstract
External gear pumps are widely used in industrial hydraulic systems, but their volumetric efficiency can deteriorate significantly because of internal leakage, especially under high-pressure operating conditions. Conventional lumped parameter models typically assume fixed clearances and therefore cannot accurately capture the leakage behavior associated [...] Read more.
External gear pumps are widely used in industrial hydraulic systems, but their volumetric efficiency can deteriorate significantly because of internal leakage, especially under high-pressure operating conditions. Conventional lumped parameter models typically assume fixed clearances and therefore cannot accurately capture the leakage behavior associated with pressure-induced deformation and wear. In this study, a dynamic clearance model for an external gear pump is developed and experimentally validated. Radial and axial clearances are measured in situ using eddy-current gap sensors over a range of operating conditions, and empirical correlation equations are identified as functions of pressure and rotational speed. These correlations are embedded into a tooth-space-volume-based lumped parameter model so that the leakage flow is updated at each time step according to the instantaneous dynamic clearances. The proposed model is validated against experimental measurements of volumetric efficiency obtained from a dedicated test bench. At 800 rev/min, the average prediction error of volumetric efficiency is reduced to 1.98% with the proposed dynamic clearance model, compared with 9.43% for a nominal static-clearance model and 3.35% for a model considering only static wear. These results demonstrate that explicitly accounting for dynamic clearance variations significantly improves the predictive accuracy of volumetric efficiency, and the proposed model can be used as a design tool for optimizing leakage paths and enhancing the energy efficiency of external gear pumps. Full article
Show Figures

Figure 1

20 pages, 2503 KB  
Article
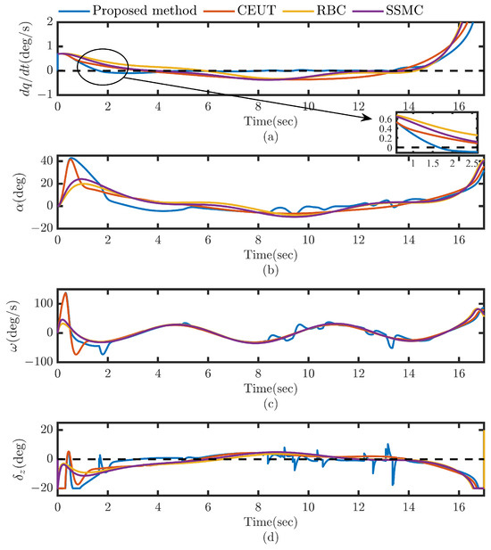
Disturbance Observer-Based Terminal Sliding Mode Control Approach for Virtual Coupling Train Set
by Zhiyu He, Ning Xu, Kun Liang, Zhiwei Cao, Xiaoyu Zhao and Zhao Sheng
Appl. Sci. 2026, 16(2), 887; https://doi.org/10.3390/app16020887 - 15 Jan 2026
Viewed by 105
Abstract
To enhance line capacity in high-speed railways without new infrastructure, virtual coupling train sets (VCTSs) enable reduced inter-train distances via real-time communication and cooperative control. However, unknown disturbances and model uncertainties challenge VCTS performance, often causing chattering, slow convergence, and poor disturbance rejection. [...] Read more.
To enhance line capacity in high-speed railways without new infrastructure, virtual coupling train sets (VCTSs) enable reduced inter-train distances via real-time communication and cooperative control. However, unknown disturbances and model uncertainties challenge VCTS performance, often causing chattering, slow convergence, and poor disturbance rejection. This paper proposes a novel finite-time extended state observer-based nonsingular terminal sliding mode (FTESO-NTSM) control strategy. The method integrates a nonsingular terminal sliding mode surface with a hyperbolic tangent-based reaching law to ensure fast convergence and chattering suppression, while a finite-time extended state observer estimates and compensates for lumped disturbances in real time. Lyapunov analysis rigorously proves finite-time stability. Numerical simulations under different initial statuses are conducted to validate the effectiveness of the proposed method. The results show that the maximum observation error achieves 0.0087 kN. The speed chattering magnitudes reach 0.00087 km/h, 0.0017 km/h, 0.0026 km/h, and 0.0034 km/h for the leading train and three followers, respectively. Furthermore, the convergence time of the followers is 56 s, 130 s, and 76 s, respectively. The results highlight that the proposed method can significantly improve line capacity and transportation efficiency. Full article
(This article belongs to the Special Issue Advances in Intelligent Transportation and Its Applications)
Show Figures

Figure 1

16 pages, 4110 KB  
Article
Design of a Dual Path Mixed Coupling Wireless Power Transfer Coupler for Improving Transmit Arrays in UAV Charging
by GwanTae Kim and SangWook Park
Appl. Sci. 2026, 16(2), 827; https://doi.org/10.3390/app16020827 - 13 Jan 2026
Viewed by 137
Abstract
This paper proposes a dual path mixed coupling wireless power transfer (DPMPT) coupler as a four-port structure for near-field wireless power transfer in drone and unmanned aerial vehicles. The DPMPT coupler integrates orthogonal double-D coils and 8-plates to realize mixed inductive–capacitive coupling at [...] Read more.
This paper proposes a dual path mixed coupling wireless power transfer (DPMPT) coupler as a four-port structure for near-field wireless power transfer in drone and unmanned aerial vehicles. The DPMPT coupler integrates orthogonal double-D coils and 8-plates to realize mixed inductive–capacitive coupling at 6.78 MHz without additional lumped matching networks. A four-port equivalent model is developed by classifying the mutual networks into three coupling types and representing them with a transmission-matrix formulation fitted to three-dimensional full-wave simulations. The model is used to identify the main coupling paths and to evaluate the effect of rotation and lateral/diagonal misalignment on power-transfer characteristics. Simulation results at a transfer distance of 70 mm show a maximum transmission coefficient of about 0.82 at 6.78 MHz and high robustness against rotation. When switch-based port selection is applied on the transmit side, blind spots associated with pose variations that cause an abrupt drop in transmission characteristics are significantly reduced, demonstrating that the DPMPT coupler with switch control provides an effective structural basis for enhancing alignment tolerance in mixed coupling wireless power transfer systems. Full article
(This article belongs to the Section Electrical, Electronics and Communications Engineering)
Show Figures

Figure 1

37 pages, 15911 KB  
Article
Geometry-Resolved Electro-Thermal Modeling of Cylindrical Lithium-Ion Cells Using 3D Simulation and Thermal Network Reduction
by Martin Baťa, Milan Plzák, Michal Miloslav Uličný, Gabriel Gálik, Markus Schörgenhumer, Šimon Berta, Andrej Ürge and Danica Rosinová
Energies 2026, 19(2), 375; https://doi.org/10.3390/en19020375 - 12 Jan 2026
Viewed by 133
Abstract
Accurate estimation of internal temperature is essential for safe operation and state estimation of lithium-ion batteries, yet it usually cannot be measured directly and requires physically grounded electro-thermal models. High fidelity 3D simulations capture geometry-dependent heat transfer behavior but are too computationally intensive [...] Read more.
Accurate estimation of internal temperature is essential for safe operation and state estimation of lithium-ion batteries, yet it usually cannot be measured directly and requires physically grounded electro-thermal models. High fidelity 3D simulations capture geometry-dependent heat transfer behavior but are too computationally intensive for real-time use, whereas common lumped models cannot represent internal gradients. This work presents an integrated geometry-resolved workflow that combines detailed 3D finite volume thermal modeling with systematic reduction to a compact multi-node thermal network and its coupling with an equivalent circuit electrical model. A realistic 3D model of the Panasonic NCR18650B cell was reconstructed from computed tomography data and literature parameters and validated against published axial and radial thermal conductivity measurements. The automated reduction yields a five-node thermal network preserving radial temperature distribution, which was coupled with five parallel Battery Table-Based blocks in MATLAB/Simulink R2024b to capture spatially distributed heat generation. Experimental validation under dynamic loading is performed using measured surface temperature and terminal voltage, showing strong agreement (surface temperature MAE ≈ 0.43 °C, terminal voltage MAE ≈ 16 mV). The resulting model enables physically informed estimation of internal thermal behavior, is interpretable, computationally efficient, and suitable for digital twin development. Full article
(This article belongs to the Special Issue Renewable Energy and Power Electronics Technology)
Show Figures

Figure 1

18 pages, 16707 KB  
Article
Robust Trajectory Tracking for Omnidirectional Mobile Robots with Input Time Delay: An ADRC Approach
by Alberto Luviano-Juárez, Mario Ramírez-Neria and Jaime González-Sierra
Mathematics 2026, 14(2), 266; https://doi.org/10.3390/math14020266 - 10 Jan 2026
Viewed by 175
Abstract
In this article, the problem of control of the kinematic model of an omnidirectional robot with time delay in the control input is tackled through an Active Disturbance Rejection Control (ADRC) with a disturbance predictor-based scheme, which consists in predicting the generalized forward [...] Read more.
In this article, the problem of control of the kinematic model of an omnidirectional robot with time delay in the control input is tackled through an Active Disturbance Rejection Control (ADRC) with a disturbance predictor-based scheme, which consists in predicting the generalized forward disturbance input in order to cancel it and then using a feedforward linearization approach to control the system in trajectory tracking tasks. The novelties of the scheme are to demonstrate that using the proposed extended state disturbance estimation leads to a forward estimation following the Taylor series approximation, and, to avoid using additional pose predictions, a feedforward input as an exact linearization approach is used, in which the remaining dynamics can be lumped into the generalized disturbance input. Thus, the use of extended states in prediction improves the robustness of the predictor while increasing the prediction horizon for larger time delays. The stability of the proposal is demonstrated using the second method of Lyapunov, which shows the closed-loop estimation/tracking ultimate bound behavior. Additionally, numerical simulations and experimental tests validate the robustness of the approach in trajectory-tracking tasks. Full article
(This article belongs to the Special Issue Mathematics Methods of Robotics and Intelligent Systems)
Show Figures

Figure 1

21 pages, 3876 KB  
Article
A Fast Robust Integrated Guidance and Control Scheme for Flight Vehicles Based on Convergence Rate Estimation Mechanism
by Tianyu Ye, Wanying Xu, Yongbin Zheng, Qingwen Ma, Peisen Zhu and Yangyang Deng
Aerospace 2026, 13(1), 72; https://doi.org/10.3390/aerospace13010072 - 9 Jan 2026
Viewed by 171
Abstract
Convergence rate is a key performance index for flight vehicles, and accelerating it remains a critical open issue. In this paper, a fast robust integrated guidance and control scheme for flight vehicles based on convergence rate estimation mechanism is proposed, which improves the [...] Read more.
Convergence rate is a key performance index for flight vehicles, and accelerating it remains a critical open issue. In this paper, a fast robust integrated guidance and control scheme for flight vehicles based on convergence rate estimation mechanism is proposed, which improves the control performance and interception accuracy of flight vehicles. In the fast robust control scheme, a convergence rate indicator for integrated guidance and control systems is developed to measure the impact on convergence rate imposed by model nonlinearities and couplings within flight vehicles. Based on the indicator, the influences on convergence rate are transformed and injected into controllers to accelerate the convergence of flight vehicles. The unmatched lumped uncertainties in flight vehicle dynamics are addressed by a backstepping control method and finite-time convergence disturbance observers, which improves the robustness of the vehicle’s control system. Furthermore, the stability analysis of the closed-loop system is performed via the Lyapunov stability theorem. Extensive numerical simulations are conducted to verify the effectiveness and interception performance of the proposed method, and the comparison results confirm that it outperforms three other recently developed robust control methods. Full article
(This article belongs to the Special Issue Guidance and Control Systems of Aerospace Vehicles)
Show Figures

Figure 1

23 pages, 1396 KB  
Article
Determination of Dynamic Accuracy for the RLC Interface of AC Traction Network–Pantograph
by Krzysztof Tomczyk, Tymoteusz Naczyński and Maciej Sułowicz
Energies 2026, 19(2), 314; https://doi.org/10.3390/en19020314 - 8 Jan 2026
Viewed by 234
Abstract
The article presents a comprehensive determination and analysis of the dynamic accuracy of the AC traction network–pantograph interface using an equivalent lumped-parameter RLC model derived from a distributed-parameter representation of the traction line. The study investigates the system’s response to representative excitation signals: [...] Read more.
The article presents a comprehensive determination and analysis of the dynamic accuracy of the AC traction network–pantograph interface using an equivalent lumped-parameter RLC model derived from a distributed-parameter representation of the traction line. The study investigates the system’s response to representative excitation signals: step, sinusoidal, and multi-harmonic, where the root mean square value of the voltage error at the network–pantograph interface is adopted as the main performance indicator. A novel contribution of this work lies in determining the upper bound on the dynamic error (UBDE) for input signals constrained by realistic physical limitations: initially by magnitude and duration, and subsequently extended with an additional rate of change constraint. In the first case, an iterative optimization procedure is applied to determine the constrained excitation and its corresponding error, while in the extended case, the problem of maximizing the dynamic error energy is solved numerically using a genetic algorithm. In both formulations, the objective is to identify extreme, physically admissible excitation waveforms that represent the most unfavorable dynamic scenarios for voltage reproduction within the traction network–pantograph RLC interface. The results obtained in this study are of both theoretical and practical significance. They allow the identification of frequency ranges and resonance conditions that intensify dynamic errors, support the design of compensation and filtering strategies, and enable the assessment of the system robustness to fast disturbances and supply voltage distortions. From a theoretical point of view, the article introduces a unified methodology for the determination and evaluation of dynamic errors and their worst-case upper estimates under realistic signal constraints, providing a foundation for future research on control design, optimization, and voltage quality requirements in AC traction power systems. Full article
(This article belongs to the Special Issue Modern Aspects of the Design and Operation of Electric Machines)
Show Figures

Figure 1

13 pages, 3784 KB  
Article
Design and Implementation of an L-Band 400 W Continuous-Wave GaN Power Amplifier
by Xiaodong Jing, Hailong Wang, Fei You, Xiaofan Zhang and Kuo Ma
Electronics 2026, 15(1), 203; https://doi.org/10.3390/electronics15010203 - 1 Jan 2026
Viewed by 206
Abstract
Based on a large-signal chip model, this paper designs and implements an L-band broadband continuous-wave 400 W high-efficiency power amplifier fabricated using 0.5 μm GaN High Electron Mobility Transistor (HEMT) technology. The input-matching circuit employs a hybrid structure combining a lumped-element pre-matching network [...] Read more.
Based on a large-signal chip model, this paper designs and implements an L-band broadband continuous-wave 400 W high-efficiency power amplifier fabricated using 0.5 μm GaN High Electron Mobility Transistor (HEMT) technology. The input-matching circuit employs a hybrid structure combining a lumped-element pre-matching network and a multi-section microstrip capacitor network to achieve impedance matching with a 50 Ω port. The output-matching circuit uses a multi-segment microstrip structure to meet the impedance requirements of the continuous mode, thereby achieving broadband impedance matching. In addition, in the circuit implementation, by optimizing the placement of the blocking capacitor, the current flowing through it is minimized to a low level, enhancing the circuit’s high-power handling capability under continuous-wave operation. Additionally, the power amplifier’s reliability lifetime was calculated based on simulation results of the operating temperature of the GaN amplifier chip. Measurement results demonstrate that across a wide operating bandwidth within the L-band, the output power exceeds 400 W with a drain efficiency greater than 70%. The estimated reliability lifetime (MTTF) of the power amplifier is 8.1 × 107 h. Full article
(This article belongs to the Special Issue RF/Microwave Integrated Circuits Design and Application)
Show Figures

Figure 1

18 pages, 2757 KB  
Article
Heat Transfer Model for Traditional Chinese Medicine Extraction and Its Application in Laboratory and Industrial Equipment
by Gelin Wu, Feng Ding, Xinyan Zhao, Zhenfeng Wu, Xingchu Gong and Na Wan
Separations 2026, 13(1), 14; https://doi.org/10.3390/separations13010014 - 28 Dec 2025
Viewed by 340
Abstract
A semi-empirical lumped parameter model for the extraction process of traditional Chinese medicine based on thermal equilibrium was established in this work. In this model, the effect of heat dissipation was considered. Differential equations was solved using numerical methods. Key model parameters such [...] Read more.
A semi-empirical lumped parameter model for the extraction process of traditional Chinese medicine based on thermal equilibrium was established in this work. In this model, the effect of heat dissipation was considered. Differential equations was solved using numerical methods. Key model parameters such as the overall heat transfer coefficient and heat dissipation coefficient were obtained by fitting measured data. In the laboratory scale, Ginkgo biloba leaves were used as the liquid-solid extraction object to systematically investigate the effects of liquid-to-solid ratio, extraction temperature, solvent ratio, and slice particle size on the temperature changes during the extraction process. The average determination coefficient (R2) of the model fitting was 0.9955, and the R2 value for the prediction group was 0.9950. In the laboratory scale, extraction experiments of Xiaochaihu Decoction were conducted, and the performance of the model was verified. Furthermore, the model was applied to the mixed decoction process of five medicinal materials (Bupleurum, Glycyrrhiza, Scutellaria, Codonopsis, and Jujube) in industrial-scale for the production of Xiaochaihu capsules. The temperature change curves of three extraction tanks were all fitting well. The fitting results indicated abnormal heat transfer performance in Tank No. 1, providing a prompt for equipment maintenance and process optimization for the enterprise. A feasible method for temperature calculation and abnormal identification in the industrial process of traditional Chinese medicine extraction was provided in this work. Full article
Show Figures

Figure 1

32 pages, 5689 KB  
Review
Grey-Box RC Building Models for Intelligent Management of Large-Scale Energy Flexibility: From Mass Modeling to Decentralized Digital Twins
by Leonardo A. Bisogno Bernardini, Jérôme H. Kämpf, Umberto Desideri, Francesco Leccese and Giacomo Salvadori
Energies 2026, 19(1), 77; https://doi.org/10.3390/en19010077 - 23 Dec 2025
Viewed by 327
Abstract
Managing complex and large-scale building facilities requires reliable, easily interpretable, and computationally efficient models. Considering the electrical-circuit analogy, lumped-parameter resistance–capacitance (RC) thermal models have emerged as both simulation surrogates and advanced tools for energy management. This review synthesizes recent uses of RC models [...] Read more.
Managing complex and large-scale building facilities requires reliable, easily interpretable, and computationally efficient models. Considering the electrical-circuit analogy, lumped-parameter resistance–capacitance (RC) thermal models have emerged as both simulation surrogates and advanced tools for energy management. This review synthesizes recent uses of RC models for building energy management in large facilities and aggregates. A systematic review of the most recent international literature, based on the analysis of 70 peer-reviewed articles, led to the classification of three main areas: (i) the physics and modeling potential of RC models; (ii) the methods for automation, calibration, and scalability; and (iii) applications in model predictive control (MPC), energy flexibility, and digital twins (DTs). The results show that these models achieve an efficient balance between accuracy and simplicity, allowing for real-time deployment in embedded control systems and building-automation platforms. In complex and large-scale situations, a growing integration with machine learning (ML) techniques, semantic frameworks, and stochastic methods within virtual environments is evident. Nonetheless, challenges persist regarding the standardization of performance metrics, input data quality, and real-scale validation. This review provides essential and up-to-date guidance for developing interoperable solutions for complex building energy systems, supporting integrated management across district, urban, and community levels for the future. Full article
Show Figures

Figure 1

15 pages, 1674 KB  
Article
Optimal Design Guidelines for Efficient Energy Harvesting in Piezoelectric Bladeless Wind Turbines
by Joohan Bae, Armanto Pardamean Simanjuntak and Jae Young Lee
Energies 2026, 19(1), 25; https://doi.org/10.3390/en19010025 - 20 Dec 2025
Viewed by 355
Abstract
This study presents an optimal design methodology for a piezoelectric-based bladeless wind turbine (BWT) that efficiently converts wind-induced vibration of a cantilever-mounted cylinder into electrical energy. A lumped-parameter model integrating structural dynamics, fluid-structure interaction, and piezoelectric energy conversion is introduced and simplified to [...] Read more.
This study presents an optimal design methodology for a piezoelectric-based bladeless wind turbine (BWT) that efficiently converts wind-induced vibration of a cantilever-mounted cylinder into electrical energy. A lumped-parameter model integrating structural dynamics, fluid-structure interaction, and piezoelectric energy conversion is introduced and simplified to derive key dimensionless design parameters and optimal conditions for maximizing power output. The optimal design criteria are as follows: tuning the resonance between the structural natural frequency and vortex shedding frequency; setting the dimensionless load resistance R* to unity; and minimizing ωnRLCeq to a value smaller than unity. Numerical simulations and wind tunnel experiments validate the model, showing good agreement with less than 7% error in power prediction under resonance conditions and successfully predicting the coupled behavior of fluid, structure, and piezoelectric components. The proposed optimal design methodology facilitates the development of compact and efficient piezoelectric-based bladeless wind energy harvesting systems suitable for urban and space-constrained environments. Full article
(This article belongs to the Section A3: Wind, Wave and Tidal Energy)
Show Figures

Figure 1

Back to TopTop