Sign in to use this feature.

Years

Between: -

Subjects

remove_circle_outline
remove_circle_outline
remove_circle_outline
remove_circle_outline
remove_circle_outline
remove_circle_outline
remove_circle_outline
remove_circle_outline
remove_circle_outline

Journals

remove_circle_outline
remove_circle_outline
remove_circle_outline
remove_circle_outline

Article Types

Countries / Regions

remove_circle_outline
remove_circle_outline
remove_circle_outline
remove_circle_outline
remove_circle_outline
remove_circle_outline

Search Results (379)

Search Parameters:
Keywords = inverter parallel

Order results
Result details
Results per page
Select all
Export citation of selected articles as:
29 pages, 10810 KB  
Article
Malicious Manipulation of the Setpoint in the Temperature Control System of a Heating Process Based on Resistive Electric Heating
by Jarosław Joostberens, Aurelia Rybak, Aleksandra Rybak, Piotr Toś, Artur Kozłowski and Leszek Kasprzyczak
Electronics 2026, 15(8), 1568; https://doi.org/10.3390/electronics15081568 - 9 Apr 2026
Viewed by 164
Abstract
This article presents the potential for maliciously influencing a control system by interfering with the program code of an industrial controller, using a temperature control system for a heating process based on resistive electric heating as an example. The presented attack scenarios are [...] Read more.
This article presents the potential for maliciously influencing a control system by interfering with the program code of an industrial controller, using a temperature control system for a heating process based on resistive electric heating as an example. The presented attack scenarios are crucial for the energy efficiency of electric heating systems, which is related to the issue of cybersecurity in the area of energy security. The aim of this research was to demonstrate that a cyberattack involving the malicious manipulation of the setpoint can be carried out in a manner invisible to the heating process operator and be difficult to detect using classical time-domain control quality indicators (time-response specifications). The first involves incorporating proportional elements with mutually inverted gains into the input and output of a closed-loop system. The second method is based on adding an additional transfer function Gm(s) in parallel to the control system. The difference between the correct and manipulated setpoints is introduced into the input, and the output signal is added to the actual (hidden) value of the controlled variable. In the first method, at the moment of starting the control system, there is a difference between the apparent (falsified) value and the ambient temperature. In the second method, the inclusion of an additional Gm(s) ensures that the apparent (falsified) value of the controlled variable matches the temperature at the moment of starting the system. PID control enables achieving satisfactory control quality in heating processes, which are characterized by high inertia and time delays. Compared to classical PID regulation, advanced control methods can, under certain conditions, provide better performance in terms of quality indicators. However, due to their high computational complexity and sensitivity to model uncertainty—particularly in methods relying on accurate system identification—PID controllers continue to be widely used in industrial practice. For this reason, the present study focuses on a control system based on a PID controller as a practical solution. Based on the results, it was found that the most effective manipulation occurred within the range from 0.9 to 1.1 of the actual setpoint value for both the first and second method, using a model with Tm between 5 s and 30 s. In these cases, the quality indicators referenced to the nominal values, determined for the falsified control system responses to a step change in the setpoint, were as follows: overshoot—0.97 and 1.30 (method 1), and 0.90 and 1.10 (method 2 for 5 s), 0.75 and 1.30 (method 2 for 30 s); settling time—1.06 (method 1), and 0.98 and 1.17 (method 2 for 5 s), 0.85 and 1.14 (method 2 for 30 s). The settling times determined for the system’s response to a disturbance were: 1.00 and 1.15 (method 1), and 1.13 and 1.16 (method 2 for 5 s), 1.12 and 1.02 (method 2 for 30 s). Based on the conducted analysis, it was demonstrated that the relatively simple setpoint manipulation methods presented can effectively mask the impact of malicious interference on the temperature value in the control system of a heating process. Full article
Show Figures

Figure 1

26 pages, 13449 KB  
Article
Pipelined Space-Time Krylov Method with Preconditioning: A Parallel-in-Time Algorithm for Biot’s Quasi-Static Poroelasticity
by Guoliang Ju, Xin Xia, Zeyuan Zhou, Yan Gao, Huipeng Gu, Jiake Tian, Longfeng Nie, Xucong Wang and Wei Xing
Mathematics 2026, 14(7), 1177; https://doi.org/10.3390/math14071177 - 1 Apr 2026
Viewed by 181
Abstract
This paper presents a preconditioner-based parallel-in-time (PinT) method for solving the quasi-static Biot’s consolidation model in poroelasticity, a problem characterized by stiff coupling and saddle-point structures. To address the computational challenges of the resulting large-scale linear systems, we design two physics-based Schur-complement approximation [...] Read more.
This paper presents a preconditioner-based parallel-in-time (PinT) method for solving the quasi-static Biot’s consolidation model in poroelasticity, a problem characterized by stiff coupling and saddle-point structures. To address the computational challenges of the resulting large-scale linear systems, we design two physics-based Schur-complement approximation preconditioners that ensure robust Krylov convergence. Crucially, the method achieves a pipelined space-time architecture by introducing an inverted time-stepping mechanism: Instead of sequential time marching, time steps are traversed in the inner loop, while the outer loop applies an iterative solve across the entire space-time trajectory. This structure relaxes the strict dependency on fully converged solutions at each time step, enabling approximate solutions to be iteratively refined in parallel. Implemented as a pipelined wavefront scheme with strictly nearest-neighbor communication, the algorithm achieves strong scalability. Algorithmic verification conducted on systems with up to 200 thousand degrees of freedom demonstrates stable convergence and sustained strong scaling with up to 128 cores. The proposed approach maintains the accuracy of the underlying finite element discretization while alleviating the “time bottleneck,” making it highly effective for large-scale, long-duration poroelastic simulations. Full article
Show Figures

Figure 1

15 pages, 5846 KB  
Technical Note
Improved Land AOD Retrieval of GK-2A/AMI via Background Surface Reflectance Based on sRTLS-BRDF Inversion
by Daeseong Jung, Sungwon Choi, Suyoung Sim, Jongho Woo, Sungwoo Park, Seungkyoo Lee, Seungwon Kim and Kyung-Soo Han
Remote Sens. 2026, 18(7), 1018; https://doi.org/10.3390/rs18071018 - 28 Mar 2026
Viewed by 280
Abstract
The Advanced Meteorological Imager (AMI) on GEO-KOMPSAT-2A (GK-2A) lacks a 2.1 μm shortwave infrared channel, precluding the dark target surface reflectance estimation that other geostationary aerosol retrievals rely on. We propose an improved land aerosol optical depth (AOD) retrieval in which background surface [...] Read more.
The Advanced Meteorological Imager (AMI) on GEO-KOMPSAT-2A (GK-2A) lacks a 2.1 μm shortwave infrared channel, precluding the dark target surface reflectance estimation that other geostationary aerosol retrievals rely on. We propose an improved land aerosol optical depth (AOD) retrieval in which background surface reflectance (BSR) is derived entirely from pixel-level bidirectional reflectance distribution function (BRDF) inversion using the scaled Ross-Thick Li-Sparse (sRTLS) kernel model fitted to geostationary time-series observations. Unlike existing approaches, the algorithm inverts the BRDF independently at each retrieval channel without relying on spectral reflectance relationships or external surface reflectance products; it assumes a low-background AOD during an initial accumulation period and then iteratively refines both BRDF coefficients and AOD. Two aerosol models—generic and dust—are supported, with a geographic dust-zone mask activating two-model selection during spring. Validation against 74 Aerosol Robotic Network sites over 2023 yields R = 0.86, RMSE = 0.15, and bias = −0.02, compared with R = 0.59, RMSE = 0.25, and bias = −0.04 for the National Meteorological Satellite Center (NMSC) GK-2A AOD product. The largest improvements appear at AOD ≤ 0.1 (bias: +0.03 versus +0.11) and AOD > 0.8 (bias: −0.12 versus −0.85). The full March–May (MAM) evaluation yields bias = −0.06 across all 74 sites. As a separate parallel retrieval restricted to matchups inside the geographic dust-zone mask, the proposed algorithm (dust model included) gives bias = −0.03, which worsens to −0.11 when only the generic model is applied—nearly a fourfold increase. A comparison against Himawari-9/Advanced Himawari Imager (AHI)—a co-located geostationary sensor carrying a 2.3 μm shortwave infrared (SWIR) channel—shows that the proposed algorithm (R = 0.897) outperforms Himawari-9/AHI (R = 0.855) across all metrics, demonstrating competitive accuracy without relying on a SWIR channel. Full article
Show Figures

Figure 1

36 pages, 5639 KB  
Article
Multi-Stage Power Conversion and Coordinated Voltage Control for Battery-Based Power Barges Supplying LV and HV AC Loads
by Allahyar Akhbari, Kasper Jessen and Amin Hajizadeh
Electronics 2026, 15(7), 1386; https://doi.org/10.3390/electronics15071386 - 26 Mar 2026
Viewed by 277
Abstract
The growing electrification of ports and maritime transport requires flexible power systems capable of supplying multiple voltage levels with high efficiency and power quality. Battery-based power barges offer a promising solution, but their power conversion systems must handle wide voltage and power ranges [...] Read more.
The growing electrification of ports and maritime transport requires flexible power systems capable of supplying multiple voltage levels with high efficiency and power quality. Battery-based power barges offer a promising solution, but their power conversion systems must handle wide voltage and power ranges while remaining stable under dynamic operating conditions. This paper presents a scalable multi-stage power conversion architecture for battery-based power barges that can supply both low-voltage and high-voltage AC loads from a common DC source. The system combines isolated Dual Active Bridge (DAB) DC–DC converters with a three-level Neutral-Point-Clamped (NPC) inverter. An input-parallel output-series DAB configuration is used for high-voltage operation, enabling modularity and scalability within semiconductor limits. A coordinated control strategy ensures stable DC-link regulation, balanced module operation, and high-quality AC voltage generation. Simulation results confirm stable operation, fast dynamic response, a voltage THD below 4%, and overall efficiency above 95%, demonstrating the suitability of the proposed architecture for future power barge and port electrification applications. Full article
(This article belongs to the Section Industrial Electronics)
Show Figures

Figure 1

17 pages, 3231 KB  
Article
An Analytical Model for DC-Link Capacitor Ripple Current in Multi-Phase H-Bridge Inverters
by Bo Wang and Huiying Tang
Processes 2026, 14(7), 1059; https://doi.org/10.3390/pr14071059 - 26 Mar 2026
Viewed by 373
Abstract
Ripple currents on the direct current (DC) bus in variable frequency drive (VFD) systems originate from motor load current fluctuations and the high-frequency switching of power devices. The resulting Joule heating within the DC-link capacitors is a primary driver of lifespan degradation. To [...] Read more.
Ripple currents on the direct current (DC) bus in variable frequency drive (VFD) systems originate from motor load current fluctuations and the high-frequency switching of power devices. The resulting Joule heating within the DC-link capacitors is a primary driver of lifespan degradation. To address the lack of systematic models for multi-phase H-bridge inverters and the over-design caused by empirical methods, this paper proposes a novel analytical method that incorporates the 2kπ/N phase difference of parallel units for precise ripple current quantification. First, a dynamic DC-link capacitor model is established based on a single-phase H-bridge inverter, and the expressions for the instantaneous, average, and root mean square (RMS) input currents are derived. Furthermore, by introducing the 2kπ/N phase difference (where k = 0, 1, …, N − 1) among N parallel H-bridge units, a universal analytical expression for the RMS input current and its harmonic spectrum in a multi-phase system is obtained. The analysis reveals that ripple current harmonics concentrate at 2m × fsw (where m is a positive integer and fsw is switching frequency) and their sidebands (2m × fsw ± fo, fo is output fundamental frequency), and the coupling influence of modulation index and power factor angle on ripple amplitude is quantitatively characterized. A 12 × 160 kW twelve-phase H-bridge inverter is taken as a case study, and MATLAB (v2023b) simulations and hardware experiments demonstrate that the theoretical calculations are in close agreement with the simulated and measured results, with the errors of input current harmonic amplitudes all below 5%. Compared with traditional empirical design, the proposed method reduces the capacitor volume and cost by approximately 15–20% while ensuring system reliability. This method is directly extensible to other multi-phase inverter topologies, providing a theoretical foundation for the accurate selection of DC-link capacitors. Full article
(This article belongs to the Special Issue Design, Control, Modeling and Simulation of Energy Converters)
Show Figures

Figure 1

31 pages, 6152 KB  
Article
Enhanced Structural Decoupling and Spatiotemporal Evolution of Thermal–Mass Coupling in LaNi5-Based Solid-State Hydrogen Storage Reactors
by Tao Wu, Yayi Wang, Yuhang Liu, Yong Gao, Rengen Ding and Jian Miao
Materials 2026, 19(7), 1308; https://doi.org/10.3390/ma19071308 - 26 Mar 2026
Viewed by 325
Abstract
Hydrogen energy is pivotal to the global energy transition, and the development of high-efficiency, safe hydrogen storage technologies constitutes a prerequisite for its large-scale commercialization. Kinetic bottlenecks including slow reactions, delayed front propagation, and marked spatial heterogeneity driven by strong thermal–mass transfer coupling [...] Read more.
Hydrogen energy is pivotal to the global energy transition, and the development of high-efficiency, safe hydrogen storage technologies constitutes a prerequisite for its large-scale commercialization. Kinetic bottlenecks including slow reactions, delayed front propagation, and marked spatial heterogeneity driven by strong thermal–mass transfer coupling restrict the engineering application of solid-state metal hydrides. However, the current research mainly focusing on overall performance lacks a systematic understanding of the spatiotemporal evolution mechanisms and their intrinsic links to internal structural control. In this work, a 3D multiphysics model of a LaNi5-based reactor is developed to systematically elucidate spatiotemporal evolution patterns, facilitating the proposal of a structural decoupling framework based on synergistic thermal–mass resistance reconfiguration. Both absorption and desorption show distinct three-stage evolution, shifting from kinetic dominance to transfer limitation: absorption causes core self-inhibition via heat-hydrogen supply mismatch, leading to much lower core than surface storage capacity; desorption results in significant inner-layer lag due to endothermic cooling-driven pressure drops. Thermal–mass coupling-induced inverted spatiotemporal evolution is identified as the root cause of spatial heterogeneity. Quantitative comparison of straight-pipe, spiral-tube, and honeycomb structures reveals that internal architectures achieve effective thermal–mass decoupling through expanded heat-exchange areas, reconstructed diffusion pathways, and optimized heat source distribution. Notably, the honeycomb structure with a parallel micro-unit network achieves 89.1% and 86.6% reductions in absorption and desorption times, respectively, showing superior dynamic performance and field uniformity. This study provides a theoretical basis for the mechanism-driven design and synergistic performance optimization of high-efficiency solid-state hydrogen storage reactors. Full article
(This article belongs to the Section Energy Materials)
Show Figures

Figure 1

19 pages, 4594 KB  
Article
Plastid Genome Characterization and Development of Plastid and Nuclear SNP Markers for Juncus decipiens (Juncaceae)
by Sivagami Jean Claude, Yu Gyeom Kim, Ji-Yoon Kim and Joo-Hwan Kim
Diversity 2026, 18(3), 174; https://doi.org/10.3390/d18030174 - 11 Mar 2026
Viewed by 231
Abstract
Juncus (Juncaceae) comprises over 300 species with high morphological plasticity, and its systematics remain incompletely resolved due to limited genomic resources. Here, we generated complete plastid genomes for two Korean Juncus species (J. decipiens and J. gracillimus) and incorporated [...] Read more.
Juncus (Juncaceae) comprises over 300 species with high morphological plasticity, and its systematics remain incompletely resolved due to limited genomic resources. Here, we generated complete plastid genomes for two Korean Juncus species (J. decipiens and J. gracillimus) and incorporated plastid coding genes from an additional species to reconstruct phylogenetic relationships and examine plastome evolution within Juncaceae. Comparative analyses revealed substantial plastome size variation across Juncus and Luzula, largely driven by changes in inverted repeat (IR) length, with Luzula plastomes showing pronounced IR expansion. Within Juncus, extensive structural rearrangements were detected, including multiple inversion events, and closely related taxa shared conserved inversion patterns. Phylogenomic analyses recovered well-supported clades that were associated with structural traits such as extreme small single-copy (SSC) contraction and consistent loss of the plastid ndh, some rps and rpl gene families, indicating clade-specific plastome evolution in Juncaceae. To support applied molecular identification, we identified J. decipiens-specific plastid diagnostic SNPs (matK, rpl2) and validated allele-specific PCR markers using individuals from different species within the Juncus genus. In parallel, transcriptome sequencing of J. decipiens generated 133,559 transcripts and 66,324 unigenes, enabling discovery of high-confidence nuclear exonic SNP loci by mapping reads to a J. effusus nuclear genome. Collectively, our results provide new insights into plastome structural evolution and gene loss in Juncus and deliver validated plastid and nuclear markers for authentication and future conservation or utilisation studies on J. decipiens. Full article
(This article belongs to the Section Plant Diversity)
Show Figures

Figure 1

24 pages, 50347 KB  
Article
Analysis Model of Load Transfer Method Based on Domain Decomposition Physics-Informed Neural Networks
by Xiaoru Jia, Keshen Zhang, Junwei Liu, Wenchang Shang, Yahui Zhang, Yuxing Ding and Guangyu Qi
Buildings 2026, 16(6), 1114; https://doi.org/10.3390/buildings16061114 - 11 Mar 2026
Viewed by 229
Abstract
The load transfer method is important for the settlement prediction of axially loaded piles, but in multi-layered complex soils, it lacks analytical solutions. Traditional numerical methods such as the finite element method suffer from strong dependence on mesh generation, time-consuming iterative calculations, and [...] Read more.
The load transfer method is important for the settlement prediction of axially loaded piles, but in multi-layered complex soils, it lacks analytical solutions. Traditional numerical methods such as the finite element method suffer from strong dependence on mesh generation, time-consuming iterative calculations, and high computational costs for back-analysis. This paper proposes a load transfer analysis model based on a Domain Decomposition Physics-Informed Neural Network. A multi-subnet parallel architecture is adopted to simulate multi-layered soils, solving the problem of inter-layer stress–strain discontinuity through interface coupling and gradient continuity constraints; a non-dimensionalization system and a hard constraint mechanism are introduced to enhance training efficiency and physical consistency; and a two-stage analysis framework comprising surrogate model forward analysis and field data inversion is established. Numerical experimental results indicate that the forward analysis of this model is in high agreement with FEM simulation results, and computational efficiency is improved by six orders of magnitude; based on a small amount of field static load test data, multi-layer soil parameters are accurately inverted, achieving more precise pile settlement prediction than FEM. Comparative analysis validates the effectiveness of the domain decomposition multi-subnet over a single network, demonstrating extensibility to hyperbolic and exponential multi-soil constitutive models. Full article
Show Figures

Figure 1

51 pages, 6268 KB  
Article
A Comprehensive Comparative Analysis of Grid Code Requirements for Renewable Power Plants and Energy Storage Systems Integration: Technical Requirements, Compliance Assessments, and Future Directions for Türkiye
by Fatma Yıldırım, Erdi Doğan, Yunus Yalman, Erman Terciyanlı, Muzaffer Dindar, Elif Kayar, Murat Tuncer and Kamil Çağatay Bayındır
Electronics 2026, 15(5), 968; https://doi.org/10.3390/electronics15050968 - 26 Feb 2026
Viewed by 673
Abstract
The rapid integration of inverter-based renewable energy sources (RES), particularly solar photovoltaic (PV) and wind power plants (WPPs), together with the large-scale deployment of battery energy storage systems (BESSs) is fundamentally reshaping modern power systems. While these technologies are essential for decarbonization, their [...] Read more.
The rapid integration of inverter-based renewable energy sources (RES), particularly solar photovoltaic (PV) and wind power plants (WPPs), together with the large-scale deployment of battery energy storage systems (BESSs) is fundamentally reshaping modern power systems. While these technologies are essential for decarbonization, their converter-dominated and variable characteristics introduce new challenges for grid stability, operational security, and regulatory compliance. As a result, grid codes are being continuously revised to define advanced technical requirements, including fault ride-through (FRT) capability, reactive power support, frequency response, voltage control, and active power management for RESs and energy storage systems (ESS). This study presents a systematic comparative assessment of international grid codes, examining the technical and operational requirements imposed on inverter-based resources (IBR) and ESSs across multiple jurisdictions. In parallel, the current Turkish Grid Code is evaluated from a future-oriented perspective, and recommendations that can improve the existing regulatory framework are proposed, particularly regarding high-voltage ride-through capability, synthetic inertia provision, fast frequency response (FFR), hybrid power plant (HPP) coordination, and ESS-specific performance criteria. Based on the comparative analysis, the study proposes targeted amendments to the Turkish Grid Code aimed at enhancing system resilience under high renewable penetration levels. Furthermore, field-testing methodologies, model-based validation practices, and emerging digitalized compliance monitoring architectures are investigated to assess their applicability to next-generation power systems. By integrating international best practices with country-specific recommendations, this work contributes to the development of transparent, adaptive, and technically robust grid code compliance frameworks, supporting both academic research and practical grid modernization efforts. Full article
Show Figures

Figure 1

27 pages, 4842 KB  
Article
Diurnal Regulation and Gene-Specific Vulnerability of Oxidative Alcohol-Metabolizing Enzymes to Circadian Disruption
by Yool Lee, Ali Keshavarzian and Byoung-Joon Song
Int. J. Mol. Sci. 2026, 27(4), 2041; https://doi.org/10.3390/ijms27042041 - 22 Feb 2026
Viewed by 805
Abstract
Oxidative alcohol metabolism in the liver relies on sequential enzymatic reactions involving alcohol dehydrogenase (ADH), cytochrome P450 2E1 (CYP2E1), and aldehyde dehydrogenase (ALDH) isozymes. However, the circadian regulation of these enzymes, their susceptibility to genetic, environmental, and metabolic disruption, and their functional implications [...] Read more.
Oxidative alcohol metabolism in the liver relies on sequential enzymatic reactions involving alcohol dehydrogenase (ADH), cytochrome P450 2E1 (CYP2E1), and aldehyde dehydrogenase (ALDH) isozymes. However, the circadian regulation of these enzymes, their susceptibility to genetic, environmental, and metabolic disruption, and their functional implications toward alcohol-mediated tissue injury remain incompletely defined. To address this gap, we performed a comprehensive integrative analysis of the publicly available circadian transcriptome datasets spanning genetic clock disruption, acute sleep deprivation, chronic high-fat diet feeding, and occupational shift work to systematically characterize the temporal regulation and disruption vulnerability of the major alcohol-metabolizing enzymes. Mouse tissue-cycling analyses revealed pronounced gene- and tissue-specific diurnal regulation, with Adh1 oscillating primarily in adipose tissues; Cyp2e1 and mitochondrial Aldh2 cycling broadly across kidney, aorta, lung, adrenal gland, and liver; and cytosolic Aldh1b1 being uniformly arrhythmic. In the liver, Cyp2e1 and Aldh2 exhibited robust ~24 h oscillations that peaked during the light/resting phase, while Adh1 showed inconsistent rhythmicity and Aldh1b1 remained arrhythmic. Notably, Cyp2e1 and Aldh2 rhythms persisted in Bmal1 knockout and Clock mutant livers under light–dark conditions, despite complete loss of core clock gene oscillations, yet were abolished in constant darkness, revealing that systemic zeitgeber cues can mask the loss of intrinsic clock function to maintain apparent rhythmicity in these metabolic genes. Systematic cross-paradigm comparison established a novel gene-specific vulnerability hierarchy. Aldh2 was found to be most disrupted by environmental and metabolic perturbations, with acute sleep deprivation eliminating its rhythmicity and temporal expression pattern and a Western-style high-fat diet inducing pronounced phase delays and rhythm loss relative to low-fat diet controls. Both disruptions paralleled alterations in hepatocyte nuclear factor 4α (Hnf4a), newly implicating HNF4α as a potential mediator of ALDH2 circadian instability. In humans, ALDH2 and CYP2E1 exhibited conserved but phase-inverted circadian rhythms across multiple tissues relative to mice, and, importantly, night-shift workers showed markedly dampened and phase-shifted ALDH2 rhythms in peripheral blood mononuclear cells, providing the molecular link between occupational circadian misalignment and impaired acetaldehyde detoxification. Collectively, our detailed and innovative analytical approach reveals gene- and tissue-specific circadian regulation of alcohol-metabolizing enzymes, identifies ALDH2 as uniquely vulnerable to circadian misalignment, underscores the importance of circadian timing for optimal hepatic detoxification and resistance to tissue injury, and suggests that monitoring circadian rhythms could help tailor individualized advice on alcohol consumption for shift workers and populations with irregular sleep schedules, informing precision medicine approaches for alcohol-related disorders. Full article
(This article belongs to the Special Issue Exploring the Impact of the Biological Clock on Health and Disease)
Show Figures

Figure 1

12 pages, 2345 KB  
Article
Current-Summing Multilevel LCC Inverter for Radiated EMI Harmonic Reduction in Wireless Power Transfer
by Waqar Hussain Khan and Dukju Ahn
Energies 2026, 19(4), 1063; https://doi.org/10.3390/en19041063 - 19 Feb 2026
Viewed by 290
Abstract
This article proposes a parallel current-summing LCC multilevel inverter (MLI) to suppress harmonic distortion of radiated EMI for wireless power transfer. Traditionally, ZVS has been an issue for staircase voltage output multilevel inverters because a shared current output became faster than some of [...] Read more.
This article proposes a parallel current-summing LCC multilevel inverter (MLI) to suppress harmonic distortion of radiated EMI for wireless power transfer. Traditionally, ZVS has been an issue for staircase voltage output multilevel inverters because a shared current output became faster than some of the voltage transitions in staircase voltage output. The other common problem was capacitor voltage imbalance and resultant output voltage distortion if a sophisticated voltage balancing function is not used. The proposed LCC MLI ensures ZVS by separating each voltage transition into multiple bridge legs. Each bridge leg outputs different phases of currents for each voltage transition. The individual output currents are summed at the matching network of wireless power transfer, generating a near-sinusoid output current to suppress harmonic distortions. In this way, each leg achieves ZVS even though the summed output current at the LCC network is faster than some of the voltage transitions. To avoid the capacitor voltage imbalance issue, the proposed MLI eliminated the flying capacitor. Instead, the four parallel legs are supplied by a shared DC input link. Therefore, the four legs can output identical voltages without using a typical DC flying capacitor. The necessity of multiple input voltage sources is, therefore, also eliminated. Measurement demonstrates that the proposed method effectively reduces radiated harmonic EMI by up to 14 dB. Full article
(This article belongs to the Section F3: Power Electronics)
Show Figures

Figure 1

19 pages, 3610 KB  
Article
LCS-Net: Learnable Color Correction and Selective Multi-Scale Fusion for Underwater Image Enhancement
by Gang Li and Xiangfei Zhao
Sensors 2026, 26(4), 1323; https://doi.org/10.3390/s26041323 - 18 Feb 2026
Cited by 1 | Viewed by 370
Abstract
Underwater images are frequently degraded by wavelength-dependent absorption and scattering, which introduce strong color casts, reduce contrast, and obscure fine structures. Although learning-based enhancement methods have recently improved perceptual quality, many remain computationally intensive, limiting deployment on resource-constrained underwater platforms. To address this [...] Read more.
Underwater images are frequently degraded by wavelength-dependent absorption and scattering, which introduce strong color casts, reduce contrast, and obscure fine structures. Although learning-based enhancement methods have recently improved perceptual quality, many remain computationally intensive, limiting deployment on resource-constrained underwater platforms. To address this challenge, we propose LCS-Net, a lightweight framework for single underwater image enhancement that targets a favorable quality–efficiency trade-off. LCS-Net first applies a dynamic Learnable Color Correction Module (LCCM) that predicts image-specific correction parameters from global color statistics, enabling low-overhead cast compensation and stabilizing the input distribution. Feature extraction is conducted using efficient inverted residual blocks equipped with squeeze-and-excitation (SE) to recalibrate channel responses and facilitate detail recovery under scattering-induced degradation. At the bottleneck, a Selective Multi-Scale Dilated Block (SMSDB) aggregates complementary context via parallel dilated convolutions and global cues and adaptively reweights the fused features to handle diverse water conditions. Extensive experiments on public benchmarks demonstrate that LCS-Net achieves competitive performance, yielding a PSNR of 26.46 dB and an SSIM of 0.92 on UIEB, along with 28.71 dB and 0.86 on EUVP, while maintaining a compact model size and low computational cost, highlighting its potential for practical deployment. Full article
(This article belongs to the Section Sensing and Imaging)
Show Figures

Figure 1

22 pages, 6149 KB  
Article
Evolutionary and Modification Features of Two Monkeypox Virus Strains: Insights from Integrated Genomic and Epigenomic Analyses
by Zhongru Zhao, Bohan Zhang, Jingwan Han, Dandan Lin, Yongjian Liu, Lei Jia, Hanping Li, Jingyun Li, Xiaolin Wang, Hongling Wen and Lin Li
Viruses 2026, 18(2), 259; https://doi.org/10.3390/v18020259 - 18 Feb 2026
Viewed by 863
Abstract
Since 2022, global outbreaks of monkeypox virus (MPXV) have been repeatedly designated by the World Health Organization (WHO) as a public health emergency of international concern (PHEIC), underscoring the urgent need to elucidate the multidimensional mechanisms underlying viral evolution and transmission. Current understanding [...] Read more.
Since 2022, global outbreaks of monkeypox virus (MPXV) have been repeatedly designated by the World Health Organization (WHO) as a public health emergency of international concern (PHEIC), underscoring the urgent need to elucidate the multidimensional mechanisms underlying viral evolution and transmission. Current understanding remains largely focused on genomic variation, while the critical role of epigenetic regulation has been considerably overlooked. To address this gap, this study integrates high-throughput evolutionary genomic analysis with whole-genome DNA methylation profiling. Using parallel Illumina and Nanopore sequencing platforms, we comprehensively characterized two clinically derived MPXV isolates collected locally. The results revealed that both isolates belonged to the C.1.1 ancestral lineage, diverging into distinct clades (E.3 and E.4, respectively, supporting the presence of at least two independent viral introduction events into the region, each followed by limited local transmission. They had accrued a considerable number of single-nucleotide polymorphisms (SNPs), with APOBEC3-associated substitutions constituting 84.8% and 77.6% of all observed mutations. Furthermore, both 5-hydroxymethylcytosine (5hmC) and N6-methyladenine (6mA) modifications were identified and found to be preferentially enriched within the inverted terminal repeats (ITRs) regions of MPXV genome in both viral strains; moreover, the E.4 lineage viral strain exhibits a markedly more intricate and compositionally diversified modification landscape, a pattern that indicates appreciable epigenetic heterogeneity among MPXV lineages. Our study furnishes a multi-omics framework that presents a systematic evolutionary feature of two clinical MPXV isolates and their genomic DNA 5hmC and 6mA modification topologies, and enhances our understanding of MPXV viral adaptation and diversification. Full article
(This article belongs to the Section General Virology)
Show Figures

Figure 1

19 pages, 3891 KB  
Article
Harmonic Power Sharing Control Method for Microgrid Inverters Based on Disturbance Virtual Impedance
by Fei Chang, Genglun Song, Shubao Li, Bao Li, Zinan Lou, Yufei Liang, Danyang Wang and Yan Zhang
Energies 2026, 19(4), 1015; https://doi.org/10.3390/en19041015 - 14 Feb 2026
Viewed by 270
Abstract
Parallel inverter systems constitute the fundamental units of AC microgrids and distributed renewable energy generation systems, wherein accurate power sharing among units represents a critical challenge for stable operation. Conventional droop control fails to share the harmonic power in proportionality to the capacity [...] Read more.
Parallel inverter systems constitute the fundamental units of AC microgrids and distributed renewable energy generation systems, wherein accurate power sharing among units represents a critical challenge for stable operation. Conventional droop control fails to share the harmonic power in proportionality to the capacity of inverters due to disparities on line impedance, leading to circulating currents, degraded power quality, and reduced system load capability. To address these issues, this paper proposes a harmonic power-sharing control strategy based on perturbative virtual impedance injection. Under the premise that fundamental power sharing according to capacity ratios has been ensured, the strategy first converts the harmonic power information of each inverter into a small-signal perturbation, which is injected into the virtual impedance of its fundamental control loop. Subsequently, by detecting the resulting variations in fundamental power coefficients induced by this perturbation, a closed-loop feedback is constructed to adaptively adjust the virtual impedance value of each inverter at harmonic frequencies. This adjustment enables the automatic matching of the harmonic power distribution ratio to the inverter capacity ratio, ultimately achieving precise harmonic power sharing. The proposed strategy operates without requiring inter-unit communication links or sampling the voltage at the common coupling point, relying solely on local information, thereby enhancing system reliability. Finally, the effectiveness of the proposed control strategy in achieving harmonic power sharing under conditions of line impedance mismatch is validated through an RT-LAB hardware-in-the-loop platform. Full article
(This article belongs to the Section A1: Smart Grids and Microgrids)
Show Figures

Figure 1

22 pages, 5476 KB  
Article
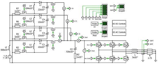
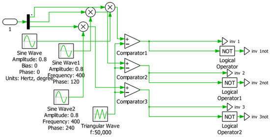
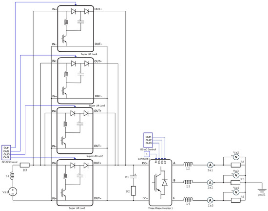
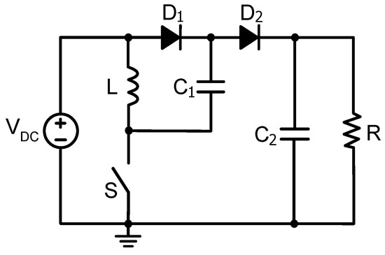
Design and Real-Time Validation of a Three-Phase Inverter Using an Interleaved Synchronous Super-Lift Luo Converter for Aircraft Power Systems
by Eralp Sener and Gurhan Ertasgin
Aerospace 2026, 13(2), 185; https://doi.org/10.3390/aerospace13020185 - 14 Feb 2026
Viewed by 379
Abstract
This paper examines a 24 kVA three-phase inverter supplied by a set of four synchronous Super-Lift Luo DC–DC converters (ISSLLC) connected in parallel to a common DC link. The converters boost a 28 V DC input to approximately 400 V, which then feeds [...] Read more.
This paper examines a 24 kVA three-phase inverter supplied by a set of four synchronous Super-Lift Luo DC–DC converters (ISSLLC) connected in parallel to a common DC link. The converters boost a 28 V DC input to approximately 400 V, which then feeds a 115 V, 400 Hz inverter intended for aircraft electrical systems. The overall system was modeled analytically, simulated using PLECS, and validated in real time on a Typhoon HIL platform. In both simulation and HIL, the DC link remained low ripple, and the inverter delivered well-balanced three-phase output voltages. The measured total harmonic distortion was 0.77%, and the power factor was close to unity, staying within MIL-STD-704F limits. The agreement between the simulation and HIL results confirms the precision and real-time feasibility of the proposed ISSLLC-based inverter for aerospace and other high-gain, high-efficiency applications. Full article
(This article belongs to the Special Issue New Trends in Aviation Development 2024–2025)
Show Figures

Figure 1

Back to TopTop