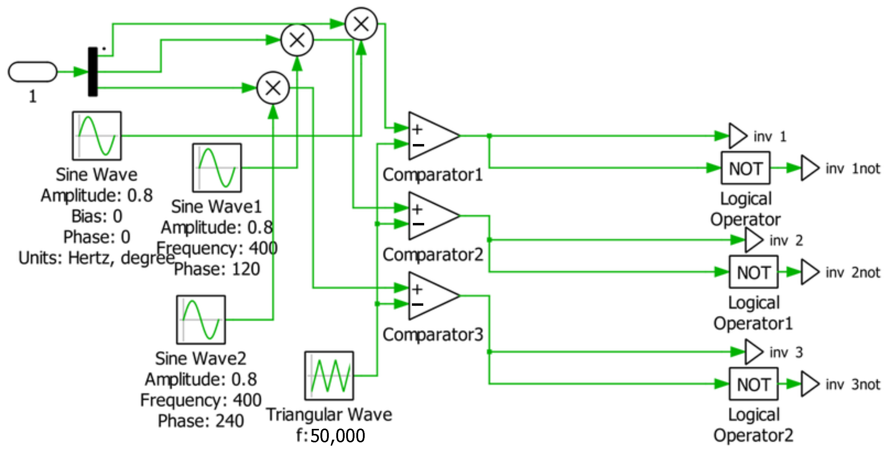
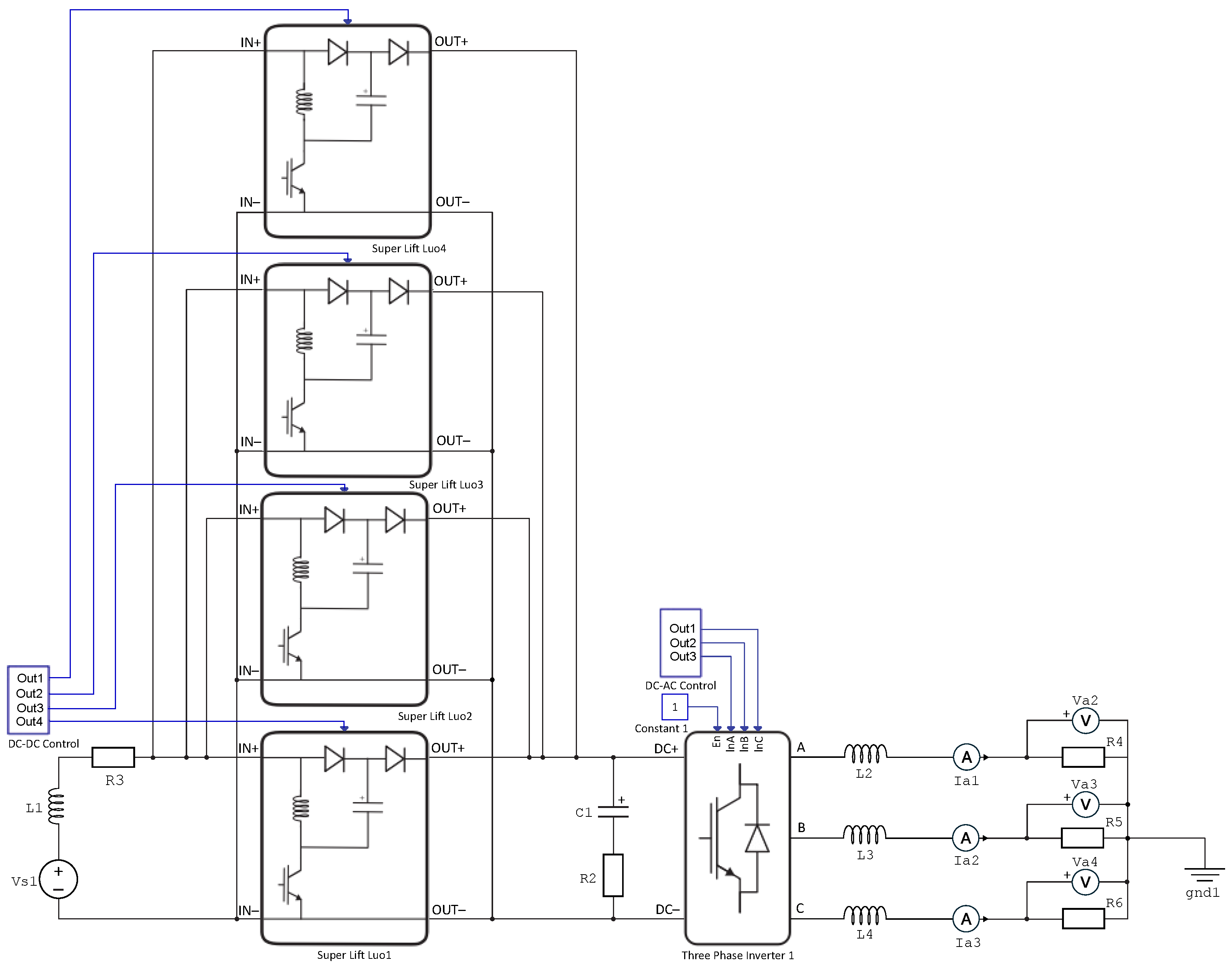
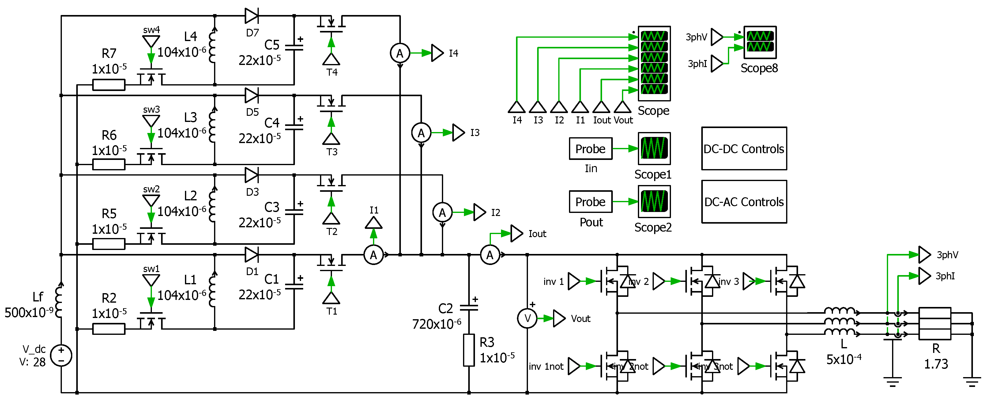
Design and Real-Time Validation of a Three-Phase Inverter Using an Interleaved Synchronous Super-Lift Luo Converter for Aircraft Power Systems
Abstract
Share and Cite
Sener, E.; Ertasgin, G. Design and Real-Time Validation of a Three-Phase Inverter Using an Interleaved Synchronous Super-Lift Luo Converter for Aircraft Power Systems. Aerospace 2026, 13, 185. https://doi.org/10.3390/aerospace13020185
Sener E, Ertasgin G. Design and Real-Time Validation of a Three-Phase Inverter Using an Interleaved Synchronous Super-Lift Luo Converter for Aircraft Power Systems. Aerospace. 2026; 13(2):185. https://doi.org/10.3390/aerospace13020185
Chicago/Turabian StyleSener, Eralp, and Gurhan Ertasgin. 2026. "Design and Real-Time Validation of a Three-Phase Inverter Using an Interleaved Synchronous Super-Lift Luo Converter for Aircraft Power Systems" Aerospace 13, no. 2: 185. https://doi.org/10.3390/aerospace13020185
APA StyleSener, E., & Ertasgin, G. (2026). Design and Real-Time Validation of a Three-Phase Inverter Using an Interleaved Synchronous Super-Lift Luo Converter for Aircraft Power Systems. Aerospace, 13(2), 185. https://doi.org/10.3390/aerospace13020185

