Sign in to use this feature.

Years

Between: -

Subjects

remove_circle_outline
remove_circle_outline
remove_circle_outline
remove_circle_outline
remove_circle_outline
remove_circle_outline
remove_circle_outline
remove_circle_outline
remove_circle_outline

Journals

remove_circle_outline
remove_circle_outline
remove_circle_outline
remove_circle_outline
remove_circle_outline
remove_circle_outline
remove_circle_outline
remove_circle_outline
remove_circle_outline
remove_circle_outline
remove_circle_outline
remove_circle_outline
remove_circle_outline
remove_circle_outline
remove_circle_outline
remove_circle_outline
remove_circle_outline
remove_circle_outline

Article Types

Countries / Regions

remove_circle_outline
remove_circle_outline
remove_circle_outline
remove_circle_outline
remove_circle_outline
remove_circle_outline

Search Results (2,531)

Search Parameters:
Keywords = equivalent-surface

Order results
Result details
Results per page
Select all
Export citation of selected articles as:
42 pages, 13526 KB  
Article
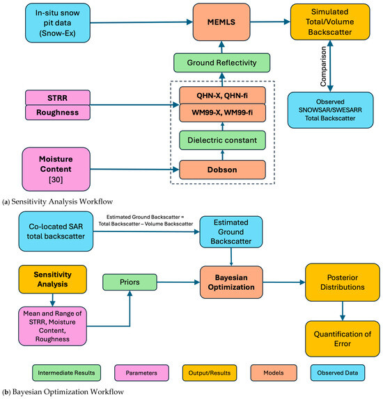
Quantifying Snow–Ground Backscatter Uncertainty: A Bayesian Approach Using Multifrequency SAR and In-Situ Observations
by Ashwani Rai and Ana P. Barros
Remote Sens. 2026, 18(4), 634; https://doi.org/10.3390/rs18040634 - 18 Feb 2026
Abstract
Accurate estimation of snowpack microwave backscatter is critical for retrieving key physical properties of snow, such as snow depth (SD) and snow water equivalent (SWE), typically modeled using radiative transfer models (RTM). Among the various sources of uncertainty in RTM simulations, snow–ground reflectivity—used [...] Read more.
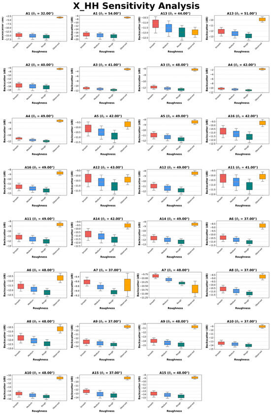
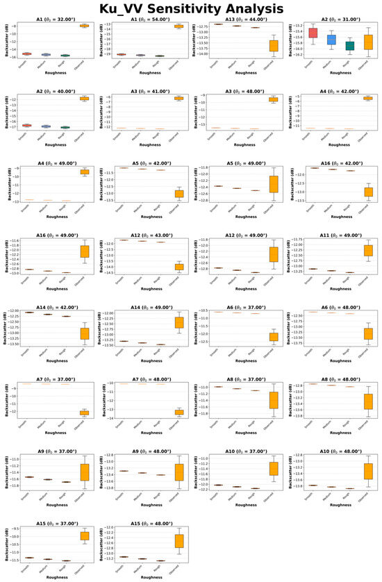
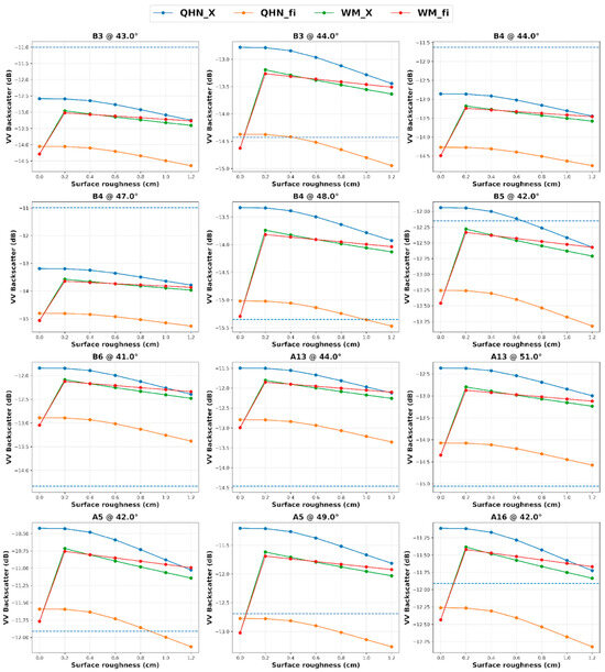
Accurate estimation of snowpack microwave backscatter is critical for retrieving key physical properties of snow, such as snow depth (SD) and snow water equivalent (SWE), typically modeled using radiative transfer models (RTM). Among the various sources of uncertainty in RTM simulations, snow–ground reflectivity—used as a boundary condition—plays a critical role in influencing the accuracy of simulated backscatter. This study leverages high-resolution X- and Ku-band synthetic aperture radar (SAR) backscatter aircraft measurements using SWESARR and SnowSAR from NASA’s SnowEx campaigns, co-located with in situ snow pit observations in Grand Mesa, Colorado, and uses a Bayesian MCMC parameter optimization model with RTM framework to estimate the key ground parameters such as surface roughness, moisture content, and specular-to-total reflectivity ratio (STRR) governing the estimation of the snow–ground reflectivity and quantify the uncertainties associated with them. At the X-band, increasing ground surface roughness reduced the simulated backscatter by ~1.5 dB across the tested range, increasing the STRR produced an additional ~1.0 dB decrease while the dielectric properties of the ground are highly sensitive to the moisture content of frozen soil, and increasing the moisture content even by 2% increased the backscatter by 2–3 dB. The retrieval sensitivity to the STRR is minimized in the 0.6–0.7 range and it can be fixed at 0.65 without having discernible impact. The Bayesian inversion reveals that the extreme parameter values act as diagnostic indicators of unmodeled complexity rather than retrieval failures, with representativeness error often dominating over instrument noise. The study provides a robust methodology for the estimation of the snow–ground backscatter boundary condition for forward modeling, ultimately aiding SWE and SD retrieval from active microwave observations. While this study relied on Grand Mesa, the framework developed here is general and, along with the model uncertainty, is directly transferable and broadly applicable to other snow-dominated mountain regions where active microwave observations can be used for snowpack monitoring. Full article
Show Figures

Figure 1

24 pages, 13232 KB  
Article
Stability Assessment of Reservoir Bank Anti-Dip Slopes Using a Modified Goodman–Bray Method and Monte Carlo Simulation
by Junheng Chen, Jiawen Zhou, Nan Jiang, Haibo Li, Yuxiang Hu, Hongyu Luo and Jieyuan Zhang
Water 2026, 18(4), 505; https://doi.org/10.3390/w18040505 - 18 Feb 2026
Abstract
Toppling failure is a fundamental mode of instability in rock slopes and occurs predominantly in reservoir bank anti-dip bedded rock masses. Reservoir impoundment changes seepage conditions and weakens slopes, whereas discontinuity non-persistence introduces uncertainty and complicates the identification of coupled toppling–sliding mechanisms. To [...] Read more.
Toppling failure is a fundamental mode of instability in rock slopes and occurs predominantly in reservoir bank anti-dip bedded rock masses. Reservoir impoundment changes seepage conditions and weakens slopes, whereas discontinuity non-persistence introduces uncertainty and complicates the identification of coupled toppling–sliding mechanisms. To address this, a probabilistic framework using the Goodman–Bray limit equilibrium method is developed. Equivalent strength parameters are introduced to unify the strength contrast between unsaturated and saturated segments along a common basal surface. Basal discontinuity connectivity is modeled as a random variable, and a Monte Carlo simulation is used to derive failure mode probabilities and a probability-weighted factor of safety. The framework is applied to the Huangcaoping anti-dip slope in the Dagangshan reservoir area at a normal water level of 1130 m. The most probable scenario has a probability of 0.116, involving sliding at 1120–1420 m and toppling at 1420–1550 m, with a probability-weighted mean factor of safety of 0.978. Predicted failure characteristics and deformation intervals are consistent with engineering observations, confirming the method’s effectiveness. This integration enables the simultaneous characterization of stability levels and the evolution mechanism. The approach provides mechanism-explicit mode likelihoods and a robust stability metric to support hazard assessment, monitoring placement, and reinforcement design. Full article
12 pages, 1815 KB  
Article
Unlocking the Potential of Cranberry (Vaccinium macrocarpon Aiton) Pruning Biomass: Phenolic Composition and Antioxidant Properties of Response Surface Methodology Optimized Extracts
by Tomasz Piechowiak, Ireneusz Kapusta, Maciej Balawejder, Radosław Józefczyk and Natalia Matłok
Molecules 2026, 31(4), 698; https://doi.org/10.3390/molecules31040698 - 17 Feb 2026
Abstract
The aim of this study was to investigate the chemical composition and biological activity of extracts obtained from vegetative cranberry biomass generated during plantation rejuvenation. This biomass, composed mainly of young shoots removed during routine agricultural maintenance, represents a readily available and currently [...] Read more.
The aim of this study was to investigate the chemical composition and biological activity of extracts obtained from vegetative cranberry biomass generated during plantation rejuvenation. This biomass, composed mainly of young shoots removed during routine agricultural maintenance, represents a readily available and currently underutilized by-product of commercial cranberry (Vaccinium macrocarpon Aiton) cultivation. Extraction optimization was performed using response surface methodology (RSM), which enabled both the assessment of the effects of process variables and the identification of conditions ensuring maximal extraction efficiency. The optimal parameters were determined to be 40% ethanol, a temperature of 60 °C, and an extraction time of 49.44 min, and these conditions were further validated through an additional triplicate extraction. The resulting extract exhibited a high antioxidant activity (429–490 mg Trolox equivalents per gram) and was rich in phenolic compounds, particularly quercetin glycoside derivatives. The chemical profile and bioactivity of the extract highlight the considerable potential of cranberry pruning biomass as an alternative, sustainable source of high-value phytochemicals. Its valorization may support the development of environmentally friendly extraction technologies and contribute to closing the resource loop within agricultural production systems. Full article
Show Figures

Figure 1

25 pages, 3577 KB  
Article
Optimizing OPM-MEG Sensor Layouts Using the Sequential Selection Algorithm with Simulated Sources and Individual Anatomy
by Urban Marhl, Rok Hren, Tilmann Sander and Vojko Jazbinšek
Sensors 2026, 26(4), 1292; https://doi.org/10.3390/s26041292 - 17 Feb 2026
Abstract
Magnetoencephalography (MEG) based on optically pumped magnetometers (OPMs) offers the flexibility to position sensors closer to the scalp, which improves the signal-to-noise ratio compared to conventional superconducting quantum interference device (SQUID) systems. However, the spatial resolution of OPM-MEG critically depends on sensor placement, [...] Read more.
Magnetoencephalography (MEG) based on optically pumped magnetometers (OPMs) offers the flexibility to position sensors closer to the scalp, which improves the signal-to-noise ratio compared to conventional superconducting quantum interference device (SQUID) systems. However, the spatial resolution of OPM-MEG critically depends on sensor placement, especially when the number of sensors is limited. In this study, we present a methodology for optimizing OPM-MEG sensor layouts using each subject’s anatomical information derived from individual magnetic resonance imaging (MRI). We generated realistic forward models from reconstructed head surfaces and simulated magnetic fields produced by equivalent current dipoles (ECDs). We compared multiple simulation strategies, including ECDs randomly distributed across the cortical surface and ECDs constrained to regions of interest. For each simulated magnetic field map (MFM) database, we applied the sequential selection algorithm (SSA) to identify sensor positions that maximized information capture. Unlike previous approaches relying on large measurement databases, this simulation-driven strategy eliminates the need for extensive pre-existing recordings. We benchmarked the performance of the personalized layouts using OPM-MEG datasets of auditory evoked fields (AEFs) derived from real whole-head SQUID-MEG measurements. Our results show that simulation-based SSA optimization improves the coverage of cortical regions of interest, reduces the number of sensors required for accurate source reconstruction, and yields sensor configurations that perform comparably to layouts optimized using measured data. To evaluate the quality of estimated MFMs, we applied metrics such as the correlation coefficient (CC), root-mean-square error, and relative error. Our results show that the first 15 to 20 optimally selected sensors (CC > 0.95) capture most of the information contained in full-head MFMs. Additionally, we performed source localization for the highest auditory response (M100) by fitting equivalent current dipoles and found that localization errors were < 5 mm. The results further indicate that SSA performance is insensitive to individualized head geometry, supporting the feasibility of using representative anatomical models and highlighting the potential of this approach for clinical OPM-MEG applications. Full article
(This article belongs to the Special Issue Feature Papers in Biomedical Sensors 2025)
Show Figures

Figure 1

20 pages, 1166 KB  
Article
A Model-Based Framework for Lithium-Ion Battery SoC Estimation Using a Tuning-Light Discrete-Time Sliding-Mode Observer
by Sajad Saberi and Jaber A. Abu Qahouq
Modelling 2026, 7(1), 42; https://doi.org/10.3390/modelling7010042 - 16 Feb 2026
Viewed by 30
Abstract
Reliable state-of-charge (SoC) estimation is crucial for safe and efficient battery management. However, it is challenging in practice. Terminal-voltage sensitivity becomes weak in open-circuit-voltage (OCV) plateau regions. Model uncertainty also persists at practical sampling periods. To tackle this issue, this paper proposes a [...] Read more.
Reliable state-of-charge (SoC) estimation is crucial for safe and efficient battery management. However, it is challenging in practice. Terminal-voltage sensitivity becomes weak in open-circuit-voltage (OCV) plateau regions. Model uncertainty also persists at practical sampling periods. To tackle this issue, this paper proposes a discrete-time, model-based SoC estimation framework. This framework combines a dual-polarization equivalent-circuit model with a tuning-light sliding-mode observer. It is specifically designed for digitally sampled battery management systems. The modeling stage includes: (i) a discrete-time DP representation suitable for embedded use, (ii) a shape-preserving PCHIP reconstruction of the OCV–SoC curve and its derivative, and (iii) an effective-slope regularization mechanism that maintains non-vanishing output sensitivity even in flat OCV regions. On top of this structure, a boundary-layer SMO is developed with output-error shaping, model-driven gain scaling, and simple bias-compensation terms based on integral correction and leaky Coulomb counting. A discrete-time Lyapunov analysis is conducted directly on the surface dynamics. This analysis shows finite-time reaching to the boundary layer and a practical limit on the steady-state error that depends on the sampling period, disturbance level, and boundary-layer width. Numerical tests on a DP model identified from experimental data indicate that the proposed method achieves SoC accuracy similar to a switching-gain adaptive SMO. The results confirm the benefits of a model-centric design. The discrete-time formulation and convergence proof, which do not depend on high sampling rates, provide robustness advantages over traditional sliding-mode methods. The proposed method also performs better than a tuned EKF in plateau regions, requiring much less tuning effort. Full article
(This article belongs to the Special Issue The 5th Anniversary of Modelling)
36 pages, 141661 KB  
Article
Design Optimization of Eccentric Pole PM Motors Using the Bilinear Mapping Method
by Ali Jabbari and Frédéric Dubas
Symmetry 2026, 18(2), 368; https://doi.org/10.3390/sym18020368 - 16 Feb 2026
Viewed by 37
Abstract
The eccentric permanent-magnet (PM) pole technique is widely recognized as an effective technique for reducing cogging torque in surface-mounted PM motors (SMPMMs). This paper proposes a novel analytical approach based on bilinear mapping to determine the optimal PM reduction parameters. In this method, [...] Read more.
The eccentric permanent-magnet (PM) pole technique is widely recognized as an effective technique for reducing cogging torque in surface-mounted PM motors (SMPMMs). This paper proposes a novel analytical approach based on bilinear mapping to determine the optimal PM reduction parameters. In this method, the outer surface of the PM and the stator inner bore are modeled as eccentric circles. Bilinear mapping is then used to transform a slotted stator bore into an equivalent slotless configuration with small slot-openings, allowing the optimal PM reduction to be identified. The key electromagnetic performance characteristics of SMPMMs—including torque, efficiency, mean air-gap flux density, and related parameters—are formulated as explicit mathematical functions of the PM reduction factor. The influence of the optimal PM reduction on both static and dynamic rotor eccentricity is also investigated. The results reveal that the bilinear mapping equations yield two distinct roots for the optimal PM reduction. Once the optimal values are known for a reference motor, those of other motors with different dimensions can be readily derived by scaling according to the ratio of the outer PM radii, without repeating the full calculation process. The proposed method is applicable to various SMPMM geometries, including radial, parallel, and bread-loaf configurations. Full article
(This article belongs to the Special Issue Computational Mathematics and Its Applications in Numerical Analysis)
Show Figures

Figure 1

41 pages, 6438 KB  
Review
Advances and Perspectives in Gate Dielectric Thin Films for 4H-SiC MOSFETs
by Zhaopeng Bai, Jinsong Liang, Chengxi Ding, Zimo Zhou, Man Luo, Lin Gu, Hong-Ping Ma and Qing-Chun Zhang
Materials 2026, 19(4), 766; https://doi.org/10.3390/ma19040766 - 15 Feb 2026
Viewed by 292
Abstract
The performance and reliability of 4H-SiC Metal-Oxide-Semiconductor Field-Effect Transistors (MOSFETs) are largely determined by the material properties of gate dielectric films and the quality of the dielectric/SiC interface. This paper provides a systematic review of recent progress in gate dielectric engineering for 4H-SiC [...] Read more.
The performance and reliability of 4H-SiC Metal-Oxide-Semiconductor Field-Effect Transistors (MOSFETs) are largely determined by the material properties of gate dielectric films and the quality of the dielectric/SiC interface. This paper provides a systematic review of recent progress in gate dielectric engineering for 4H-SiC MOSFETs, with emphasis on SiO2-based gate dielectrics and high-dielectric-constant (high-k) gate dielectrics. First, for conventional thermally grown SiO2/SiC systems, the effects of interface nitridation, gate oxide doping, and surface pretreatment techniques are comprehensively discussed. The influence mechanisms of these processes on carbon-related interface defects, interface state density and field-effect mobility are analyzed, and the advances in related research are summarized. Second, the application of high-k gate dielectrics, including Al2O3, HfO2, ZrO2, and stacked dielectric structures, in SiC MOS devices is systematically reviewed. The advantages of these materials in reducing equivalent oxide thickness, increasing gate capacitance, suppressing leakage current, and improving thermal stability are highlighted. In addition, interface defects and electrical characteristics associated with different high-k gate dielectrics are comparatively evaluated. Finally, future research directions are discussed, including in situ interface engineering based on atomic layer deposition, dopant modulation, and heterogeneous gate dielectric structures. These approaches show strong potential for achieving high mobility, low loss, and high reliability in advanced 4H-SiC power MOSFETs. Full article
(This article belongs to the Special Issue Advancements in Thin Film Deposition Technologies)
Show Figures

Figure 1

24 pages, 5354 KB  
Article
Integrated Aerodynamic–Propulsion Optimization for Gas-Powered Fan VTOL Systems via CFD and Genetic Algorithms
by Mohammad Javad Pour Razzaghi, Guoping Huang and Yuanzhao Zhu
Aerospace 2026, 13(2), 184; https://doi.org/10.3390/aerospace13020184 - 13 Feb 2026
Viewed by 124
Abstract
Vertical takeoff and landing (VTOL) aircraft must balance the conflicting demands of hover and cruise performance. To address the lack of integrated design methodologies in the existing literature, a unified design-optimization framework is presented, coupling high-fidelity CFD simulations with a genetic algorithm to [...] Read more.
Vertical takeoff and landing (VTOL) aircraft must balance the conflicting demands of hover and cruise performance. To address the lack of integrated design methodologies in the existing literature, a unified design-optimization framework is presented, coupling high-fidelity CFD simulations with a genetic algorithm to refine a gas-driven thrust fan (GDTF) VTOL nacelle. Key geometric parameters—fan pressure ratio pressure ratio, fan tilt, nozzle angle, tail inclination, and tip shape—were varied in a comprehensive parametric study to maximize lift-to-drag ratio and maintain constant mass flow. The optimization reveals that a nearly horizontal fan axis maximizes cruise efficiency (LD  2.98), a nozzle angle of about 22° offers the best lift-vs-drag compromise during transition, and refining the tip geometry yields a 1020% performance boost. To validate the numerical predictions, a 1:1.05 scale VTOL nacelle model (fan diameter D = 0.42 m) was fabricated and tested in a low-speed wind tunnel at 52ms (Re  5 × 106, turbulence intensity ≈ 2%). Total-pressure probes at the intake exit plane and static taps along the inner cowl wall provided detailed pressure distributions, from which exit Mach number, velocity and the equivalent flow coefficient φ (≈0.68 under test conditions) were derived. Oil-flow visualization on the external cowl surface confirmed smooth, attached streamlines with no large separation bubbles. This dual validation combining surface-flow visualization and pressure-recovery mapping demonstrates the accuracy and reliability of the proposed simulation methodology. By successfully bridging detailed CFD with genetic-algorithm-driven design and validating against comprehensive wind-tunnel measurements, this integrated approach paves the way for next-generation VTOL configurations with longer range and lower fuel consumption. Full article
(This article belongs to the Special Issue Advanced Aircraft Structural Design and Applications)
Show Figures

Figure 1

23 pages, 8631 KB  
Article
Oxygen-Enriched Combustion Characteristics of Premixed NH3/Air Flames in a Closed Tube
by Guang Zeng, Chuang Zhou, Mobei Xu, Chuan Li, Qing Wang and Yueqi Wu
Energies 2026, 19(4), 949; https://doi.org/10.3390/en19040949 - 11 Feb 2026
Viewed by 123
Abstract
This study investigated premixed NH3 combustion in a closed circular duct using two-dimensional numerical simulations. By varying the equivalence ratio and the oxygen volume fraction from 21% to 30%, the evolution of flame morphology, flame propagation velocity, flame surface area, as well [...] Read more.
This study investigated premixed NH3 combustion in a closed circular duct using two-dimensional numerical simulations. By varying the equivalence ratio and the oxygen volume fraction from 21% to 30%, the evolution of flame morphology, flame propagation velocity, flame surface area, as well as the temporal variations in duct-averaged temperature and pressure were systematically examined. In addition, sensitivity analysis and reaction-pathway analysis based on a detailed chemical kinetic mechanism were performed to clarify the coupling between local chemical reactions and global flow dynamics. The results showed that the flame generally evolves through a sequence of hemispherical, finger-shaped, wall-attached skirt, and planar finger- and tulip-shaped structures. Well-developed tulip flames are mainly observed under conditions close to stoichiometric composition with moderate to elevated oxygen enrichment, corresponding to an intermediate overall reactivity. As the oxygen volume fraction increases from 21% to 30%, flame propagation becomes markedly faster. The tube-averaged temperature and the peak overpressure show an overall increasing trend. This increase in overpressure is most pronounced at equivalence ratios of 1.0–1.2. This study identifies hazardous parameter ranges in oxygen-enriched NH3 combustion that are prone to producing strong tulip flames and high overpressure, providing useful guidance for explosion risk assessment and safety-oriented design of NH3-fueled combustion systems. Full article
(This article belongs to the Section I2: Energy and Combustion Science)
Show Figures

Figure 1

18 pages, 1736 KB  
Article
Sustainable Pathways in Powder Reuse: A Comparative Study of Virgin, Reused, and Ultrasonic-Atomization-Recycled NiTi Powder for Additive Manufacturing
by Harsh K. Bajaj, Mahyar Sojoodi, Francis Y. Asare Baffour, Maedeh Hesami, Shiva Houshmand, Vidura R. De Silva Kanakaratne, Ahu Celebi and Mohammad Elahinia
Sustainability 2026, 18(4), 1843; https://doi.org/10.3390/su18041843 - 11 Feb 2026
Viewed by 156
Abstract
Nickel–titanium (NiTi) shape memory alloys offer transformative functionality for biomedical and aerospace systems, yet their adoption in additive manufacturing (AM) remains constrained by powder reactivity, compositional sensitivity, and the high energy of feedstock production. This work establishes a unified, data-driven evaluation of how [...] Read more.
Nickel–titanium (NiTi) shape memory alloys offer transformative functionality for biomedical and aerospace systems, yet their adoption in additive manufacturing (AM) remains constrained by powder reactivity, compositional sensitivity, and the high energy of feedstock production. This work establishes a unified, data-driven evaluation of how powder-state evolution during reuse and ultrasonic plasma atomization (UPA) affects both functional behavior and environmental performance. Virgin, reused, and UPA-recycled NiTi powders were systematically characterized based on particle-size distribution (PSD), SEM morphology, sphericity, oxygen content (ONH), and differential scanning calorimetry (DSC), and these results were coupled with a process-level life-cycle assessment (LCA) spanning cradle-to-gate feedstock generation. Reused powder showed finer but broadened PSD, surface oxidation, and elevated transformation temperatures; these degradation mechanisms limited its reuse despite reducing energy demand by ~30% relative to virgin powder. UPA provided a more effective regeneration pathway: UPA-recycled NiTi recovered high sphericity and smooth particle surfaces while lowering cradle-to-gate energy from 100 ± 10 to 50 ± 5 MJ·kg−1 (≈50%) and reducing CO2-equivalent emissions by ≈45%, with ~95% material recovery. Although the UPA condition exhibited a higher oxygen content in this study due to system-level atmosphere limitations, prior work indicates that optimized inert-gas control can suppress oxidation, suggesting clear avenues for improvement. Sustainability Index analysis confirmed UPA as the most favorable route, integrating reductions in energy demand and emissions with recovery of powder morphology and reconditioning of thermal transformation behavior. More broadly, the ability of UPA to promote compositional and microstructural redistribution highlights its potential to deliberately re-tune or “reprogram” transformation temperatures for application-specific requirements when alloying and processing atmospheres are carefully managed. Full article
(This article belongs to the Section Sustainable Engineering and Science)
Show Figures

Figure 1

35 pages, 7094 KB  
Article
Beyond Linear Limits: Advanced Nonlinear Suspensions for Enhanced Vibration Control
by Farhad S. Samani, Amirali Mehrabian, Antonio Zippo and Francesco Pellicano
Machines 2026, 14(2), 209; https://doi.org/10.3390/machines14020209 - 10 Feb 2026
Viewed by 163
Abstract
The vehicle suspensions have the primary task of attenuating the forces coming from the road surface. The performance is directly linked to the stiffness of the suspension system. Traditional suspensions, composed of linear elements, effectively damp high frequencies but perform poorly at low [...] Read more.
The vehicle suspensions have the primary task of attenuating the forces coming from the road surface. The performance is directly linked to the stiffness of the suspension system. Traditional suspensions, composed of linear elements, effectively damp high frequencies but perform poorly at low frequencies. In this regard, non-linear suspensions, characterized by a non-linear force–displacement relationship, have been introduced. These types of suspensions achieve this characteristic by combining elements with positive stiffness with elements with negative stiffness, resulting in an equivalent system with quasi-zero stiffness (QZS) around the equilibrium. The performance of the QZS suspension system is analyzed here using the Multibody Dynamics software MSC Adams® (2022.2). Static characteristics, transmissibility, and isolation performance are investigated through dynamic tests based on road profiles according to ISO 8608 regulations generated using MATLAB® (R2022b). The proposed quasi-zero stiffness suspension demonstrates an improvement of approximately 19% in vibration attenuation compared to a conventional suspension system under realistic road excitations. Full article
Show Figures

Figure 1

18 pages, 8799 KB  
Article
Wear and Thermal Analysis of Cu-MMC Brake Pad Fabricated by Powder Metallurgy for Railway Braking Applications
by Rusnaldy Rusnaldy, Nur Kollis Fathurrohman, Sultan Haydar At-Toriq and P. Paryanto
J. Manuf. Mater. Process. 2026, 10(2), 60; https://doi.org/10.3390/jmmp10020060 - 10 Feb 2026
Viewed by 146
Abstract
This study evaluates the performance of a copper-based metal matrix composite (Cu-MMC) brake pad fabricated by powder metallurgy for high-speed railway braking applications. The material was produced via homogeneous powder mixing, compaction at 650 MPa, and sintering at 950 °C for 2 h [...] Read more.
This study evaluates the performance of a copper-based metal matrix composite (Cu-MMC) brake pad fabricated by powder metallurgy for high-speed railway braking applications. The material was produced via homogeneous powder mixing, compaction at 650 MPa, and sintering at 950 °C for 2 h to promote densification and metallurgical bonding. The fabricated Cu-MMC exhibited densities of 5.71–5.98 g/cm3, porosities of 5.85–10.1%, and hardness values of 62–73 HV, indicating effective microstructural control. Tribological performance was assessed using a brake dynamometer at an equivalent speed of 160 km/h and a contact pressure of 0.95 MPa. The composite demonstrated a low specific wear rate of 0.11–0.14 cm3/MJ, meeting the TJ/CL 307-2014 standard for high-energy braking. Surface analysis revealed stable frictional behavior dominated by oxidative–abrasive, adhesive, and delamination wear mechanisms. Thermal evaluation showed a maximum operating temperature of 225–235 °C, below the softening temperature of copper, confirming adequate thermal stability. Full article
Show Figures

Graphical abstract

21 pages, 5095 KB  
Article
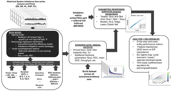
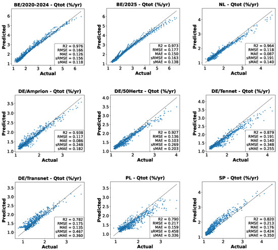
A Parametric LFP Battery Degradation Model for Techno-Economic Assessment of European System-Imbalance Services
by Samuel O. Ezennaya and Julia Kowal
Batteries 2026, 12(2), 56; https://doi.org/10.3390/batteries12020056 - 8 Feb 2026
Viewed by 159
Abstract
Battery energy storage systems (BESSs) are increasingly deployed by European Balance Responsible Parties (BRPs) to mitigate system-imbalance exposure; yet, techno-economic assessments often represent degradation using fixed-lifetime or equivalent-full-cycle assumptions that obscure the dependence of wear on operating policy and sizing. This study develops [...] Read more.
Battery energy storage systems (BESSs) are increasingly deployed by European Balance Responsible Parties (BRPs) to mitigate system-imbalance exposure; yet, techno-economic assessments often represent degradation using fixed-lifetime or equivalent-full-cycle assumptions that obscure the dependence of wear on operating policy and sizing. This study develops a data-driven, parameterised degradation framework for LiFePO4 (LFP) BESS operating under imbalance duty. Using historical imbalance datasets from five European countries spanning eight transmission system operators (TSOs), annual cycle-induced capacity loss, calendar-induced capacity loss, and total annual capacity loss at 25 °C are mapped as explicit functions of energy-to-power ratio (duration), maximum power rating, depth of discharge, state-of-charge operating bounds, and daily cycling intensity. A degree-2 Ridge specification yields compact, auditable coefficients that transfer across entities (including an out-of-time full-year hold-out for Belgium, 2025). The fitted response surfaces reveal consistent EU-wide operating regimes: cycling-dominant ageing for durations 3 h, a mixed regime for durations 3–6 h, and calendar-dominant ageing for durations 6 h, indicating a practical compromise around ≈4–5.5 h. The resulting coefficientised outputs are Techno-Economic Assessment (TEA)-ready and enable risk-aware sizing and state-of-charge policy design for imbalance-focused BESS portfolios. Full article
(This article belongs to the Section Battery Modelling, Simulation, Management and Application)
Show Figures

Graphical abstract

23 pages, 4388 KB  
Article
Neuromuscular and Kinematic Strategies During Step-Up and Down-Forwards Task in Individuals with Knee Osteoarthritis
by Denise-Teodora Nistor, Maggie Brown and Mohammad Al-Amri
J. Clin. Med. 2026, 15(3), 1278; https://doi.org/10.3390/jcm15031278 - 5 Feb 2026
Viewed by 270
Abstract
Background/Objectives: Knee osteoarthritis (KOA) is associated with pain, functional decline, and altered biomechanics. The Step-Up and Down-Forwards (StUD-F) task provides an ecologically relevant assessment of challenging movements. This study investigated neuromuscular activation and lower-limb kinematics of leading and trailing-limbs during the StUD-F in [...] Read more.
Background/Objectives: Knee osteoarthritis (KOA) is associated with pain, functional decline, and altered biomechanics. The Step-Up and Down-Forwards (StUD-F) task provides an ecologically relevant assessment of challenging movements. This study investigated neuromuscular activation and lower-limb kinematics of leading and trailing-limbs during the StUD-F in individuals with KOA. Methods: Forty participants with KOA (65.3 ± 7.68 years; 21M/19F; BMI 28.9 ± 4.52 kg/m2) completed a 25 cm box StUD-F task. Surface electromyograph recorded bilateral activation of the vastus medialis (VM), vastus lateralis (VL), bicep femoris (BF), and semitendinosus (ST). Triplanar hip, knee, and ankle joint angles were estimated using inertial measurement units. StUD-F events (initial stance; step contact; ascent completion; descent preparation; step-down touchdown; and descent completion) were identified using custom algorithms. Pain was assessed using visual analogue scales and the Knee Injury and Osteoarthritis Outcome Score (KOOS). Limb differences were analysed for leading or trailing roles using paired samples t-tests or non-parametric equivalents; waveforms were visually inspected. Results: Distinct neuromuscular and kinematic asymmetries were observed when affected and contralateral limbs were compared within each role (leading/trailing). During step-up, the affected leading limb demonstrated higher quadriceps activation at initial stance (VM: p = 0.035; VL: p = 0.027) and reduced trailing-limb activation at step contact (VM: p = 0.015; VL: p = 0.018), with sagittal-plane ankle differences (p = 0.004). During step-down, when the affected limb initiated ascent, trailing limb activation was higher at descent completion (VL: p < 0.001; VM: p = 0.003; BF: p = 0.009), with coronal-plane hip deviations (p < 0.001). When the contralateral limb-initiated ascent, trailing-limb muscles activation differences (VM: p < 0.001; VL: p = 0.015; BF: p = 0.007) and ankle/coronal-plane asymmetries (p ≤ 0.049) persisted. Conclusions: The StUD-F task elicits altered strategies in KOA, including elevated quadriceps–hamstring co-activation and altered sagittal/coronal alignment, and habitual limb choice across ascent and descent. These adaptations may enhance stability and joint protection but could increase medial compartment loading. The findings support rehabilitation focused on dynamic control, alignment, and shock absorption. Full article
(This article belongs to the Topic New Advances in Musculoskeletal Disorders, 2nd Edition)
Show Figures

Figure 1

20 pages, 4557 KB  
Article
Research on Characterization and Detection Methods of Photovoltaic Cell Thermal Defects Based on Temperature Derivatives
by Zhizhen Du, Kai Liu, Zhiqiang Dai, Like Fan and Guangning Wu
Inventions 2026, 11(1), 14; https://doi.org/10.3390/inventions11010014 - 4 Feb 2026
Viewed by 149
Abstract
Photovoltaic (PV) cells play an important role in the development of green energy. However, in practical photovoltaic systems, shunting-related defects and hotspot phenomena may originate not only from manufacturing imperfections, but also from mechanical stress and environmental factors during transportation, installation, and long-term [...] Read more.
Photovoltaic (PV) cells play an important role in the development of green energy. However, in practical photovoltaic systems, shunting-related defects and hotspot phenomena may originate not only from manufacturing imperfections, but also from mechanical stress and environmental factors during transportation, installation, and long-term field operation. Such hotspots not only reduce the power-generation efficiency and service life of PV cells but may also pose safety risks to grid-connected photovoltaic power stations. To address this problem, a squared even-order derivative (SEOD) method based on surface temperature analysis is introduced to enable the quantitative detection of thermal defects in PV cells. In this study, typical faults in PV cells, including low-resistance defects and silicon-based deep scratches, are analyzed. A simulation model is established to correlate typical faults with their equivalent volumetric heat sources, followed by experimental validation for low-resistance defects. Based on this framework, the SEOD algorithm is developed and applied to achieve high-precision localization and quantitative characterization of thermal defects in both simulation models and experimental samples. Full article
Show Figures

Figure 1

Back to TopTop