Sign in to use this feature.

Years

Between: -

Subjects

remove_circle_outline
remove_circle_outline
remove_circle_outline
remove_circle_outline
remove_circle_outline
remove_circle_outline
remove_circle_outline
remove_circle_outline
remove_circle_outline

Journals

Article Types

Countries / Regions

remove_circle_outline
remove_circle_outline
remove_circle_outline
remove_circle_outline

Search Results (587)

Search Parameters:
Keywords = electromagnetic finite element analysis

Order results
Result details
Results per page
Select all
Export citation of selected articles as:
15 pages, 3071 KB  
Article
In-Plane Vibration-Driven Miniature Piezoelectric Motor: Design, Modeling, and Experimental Characterization
by Yunlai Shi, Cong Tang, Junhan Wang and Ruijun Wang
Actuators 2026, 15(2), 103; https://doi.org/10.3390/act15020103 - 5 Feb 2026
Abstract
High-speed miniature rotary actuators are critical components in compact, high-performance systems. However, conventional electromagnetic micromotors face a prominent trade-off between miniaturization and output performance, which restricts their applicability in highly integrated devices. To address this challenge, a novel high-speed rotary piezoelectric ultrasonic motor [...] Read more.
High-speed miniature rotary actuators are critical components in compact, high-performance systems. However, conventional electromagnetic micromotors face a prominent trade-off between miniaturization and output performance, which restricts their applicability in highly integrated devices. To address this challenge, a novel high-speed rotary piezoelectric ultrasonic motor is proposed. The proposed motor consists of a titanium alloy metal body with offset driving teeth, piezoelectric ceramic plates, two conical rotors, a compression spring, an output shaft, and a fastening sleeve. Four PZT-8 plates are bonded to the periphery of the metal body and excited to generate in-plane bending vibration modes; these vibrations are then transformed into unidirectional rotary motion through the periodic contraction and expansion of the offset driving teeth and frictional contact with the rotors. The operating principle and structural parameters of the proposed motor were analyzed and optimized using finite element analysis (FEA), including modal, harmonic response, and transient analyses. A prototype was fabricated to evaluate its mechanical properties. The stator has a compact size of 12 mm × 12 mm × 4 mm and a mass of 2.3 g. Experimental results demonstrate that under an excitation voltage of 350 Vp-p at the resonant frequency of 28.6 kHz, the motor achieves a maximum rotational speed of 4720 rpm and a maximum stall torque of 0.36 mN·m. With its simple structure, compact size, lightweight design, and excellent output performance, the proposed ultrasonic motor provides a solution for compact high-speed rotary actuation. Full article
(This article belongs to the Section Actuator Materials)
Show Figures

Figure 1

22 pages, 6280 KB  
Article
Numerical Simulation and Influencing Factor Analysis of Magnetic-Field Antennas and Electric-Field Antennas for Near-Bit Wireless Short-Range Transmission
by Wenjing Cao, Qingyun Di, Fei Tian, Jingyue Liu, Aosai Zhao, Dingjun Chang and Wenhao Zheng
Appl. Sci. 2026, 16(3), 1519; https://doi.org/10.3390/app16031519 - 3 Feb 2026
Viewed by 145
Abstract
Wireless short-range transmission is essential for precise wellbore trajectory control and real-time formation evaluation. Its signal propagation characteristics are influenced by multiple factors, including antenna type, drill collar, mud, and formation resistivity. Most prior studies are based on Magnetic-field Antennas (MFA) and primarily [...] Read more.
Wireless short-range transmission is essential for precise wellbore trajectory control and real-time formation evaluation. Its signal propagation characteristics are influenced by multiple factors, including antenna type, drill collar, mud, and formation resistivity. Most prior studies are based on Magnetic-field Antennas (MFA) and primarily focus on the effects of formation resistivity variations, whereas the investigations on the influence of drill collars and mud resistivity are limited. In this study, a three-dimensional finite-element electromagnetic model of the “antenna–drill collar–mud–formation” system was developed to investigate wireless short-range transmission. The model was used to characterize and compare the electromagnetic field distributions of MFA and Electric-field Antennas (EFA) under in situ conditions. On this basis, a set of parametric sensitivity analyses on transmission performance was performed to quantify the effects of key factors, including drill-collar conductivity and mud resistivity. The results reveal fundamentally different electromagnetic field distributions for the two antenna types: (1) MFA is dominated by localized circumferential magnetic flux loops, whereas EFA transmits signals through axially extended eddy-current channels. (2) The drill collar exerts opposite effects on the two antennas, suppressing signal levels for MFA while significantly enhancing transmission for EFA, resulting in signal amplitudes that are 103105 times higher. (3) In addition, mud resistivity has little influence on MFA, whereas increasing mud resistivity leads to the pronounced attenuation of EFA signals. These findings provide a quantitative basis for antenna selection and performance optimization in wireless short-range transmission systems under different Logging-While-Drilling (LWD) conditions. Full article
Show Figures

Figure 1

17 pages, 5854 KB  
Article
Dynamic Analysis of Progressive Circular Ultrasonic Waves in Piezoelectric Motors of Photo Lenses
by Lucian Milica
AppliedPhys 2026, 2(1), 2; https://doi.org/10.3390/appliedphys2010002 - 28 Jan 2026
Viewed by 118
Abstract
This paper presents a dynamic analysis of ultrasonic motors (USMs) used in camera lens systems, which achieve high-precision motion via piezoelectric stators rather than electromagnetic components. The study focuses on the coupling of radial and tangential vibrations that create elliptical particle trajectories, driving [...] Read more.
This paper presents a dynamic analysis of ultrasonic motors (USMs) used in camera lens systems, which achieve high-precision motion via piezoelectric stators rather than electromagnetic components. The study focuses on the coupling of radial and tangential vibrations that create elliptical particle trajectories, driving the rotor through friction. The methodology is divided into two stages: Stage I: A discrete mass-spring model simplifies the coupled motion to a single degree of freedom. This analytical approach approximates natural frequencies and identifies modal degeneracy and the upper limits of representable modes via the Nyquist–Shannon criterion. Stage II: Based on continuous ring elasticity theory, the research establishes the actual coupled modal shapes. This stage demonstrates the manner in which kinematically linked displacements result in an elliptical trajectory on the stator surface. The analytical findings are validated using Finite Element Analysis (FEA) in CATIA. The simulations confirm the degeneracy of natural modes, proving that biphasic excitation is strictly necessary to maintain the progressive waves required for USM operation. Full article
Show Figures

Figure 1

14 pages, 2754 KB  
Article
Field–Circuit Model of a Novel PMDC Motor with Rectangular NdFeB Permanent Magnets in Ansys Maxwell
by Paweł Strączyński, Sebastian Różowicz, Karol Suchenia, Łukasz Gruszka and Krzysztof Baran
Energies 2026, 19(3), 661; https://doi.org/10.3390/en19030661 - 27 Jan 2026
Viewed by 231
Abstract
Accurate analysis of commutation phenomena in permanent magnet DC (PMDC) motors requires simultaneous consideration of electromagnetic field distribution and armature circuit dynamics. Classical circuit-based models are unable to properly capture transient effects occurring in short-circuited coils during commutation, while purely field-based models neglect [...] Read more.
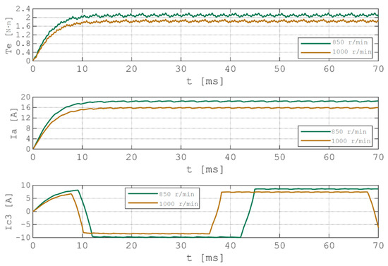
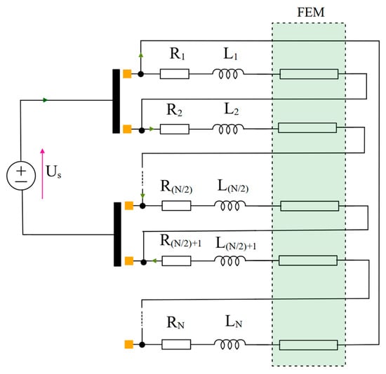
Accurate analysis of commutation phenomena in permanent magnet DC (PMDC) motors requires simultaneous consideration of electromagnetic field distribution and armature circuit dynamics. Classical circuit-based models are unable to properly capture transient effects occurring in short-circuited coils during commutation, while purely field-based models neglect the influence of the supply circuit. In this paper, a coupled field–circuit model of a PMDC motor with an innovative magnetic circuit based on rectangular NdFeB permanent magnets is presented. The model combines a two-dimensional finite element electromagnetic analysis with a segmented armature circuit and dynamic commutator switching, allowing the electromotive force to be computed individually for each coil based on the actual magnetic field distribution. The novelty of the proposed approach lies in the integration of a non-standard rectangular permanent magnet topology with a coil-resolved field–circuit commutation model, validated on a physical motor prototype. Simulation results are compared with experimental measurements obtained from a laboratory prototype at rotational speeds of 850 and 1000 r/min. The predicted electromagnetic torque shows good agreement with measurements, with deviations below 5%, while the armature current is estimated with an error of up to approximately 20%, primarily due to model simplifications. The developed model provides direct access to transient commutation waveforms and constitutes a practical tool for the analysis and design optimization of PMDC motors operating under dynamic conditions, particularly in cost-sensitive and reliability-oriented applications. Full article
Show Figures

Figure 1

24 pages, 9665 KB  
Article
Multi-Physics Based Optimal Design of an Axial-Flux Ferrite Consequent-Pole Motor for Permanent Magnet Reduction Using 3D Finite Element Analysis
by Hyeon-Jun Kim and Soo-Whang Baek
Appl. Sci. 2026, 16(2), 1094; https://doi.org/10.3390/app16021094 - 21 Jan 2026
Viewed by 140
Abstract
This paper proposes a multiphysics-based optimal design process for a 750 W axial-flux ferrite consequent-pole (AFCP) pump motor aimed at reducing permanent magnet usage. To mitigate the high computational cost associated with repetitive numerical analyses, a metamodel (surrogate model)-based optimization framework is adopted. [...] Read more.
This paper proposes a multiphysics-based optimal design process for a 750 W axial-flux ferrite consequent-pole (AFCP) pump motor aimed at reducing permanent magnet usage. To mitigate the high computational cost associated with repetitive numerical analyses, a metamodel (surrogate model)-based optimization framework is adopted. A consequent-pole (CP) structure is applied to an initial ferrite axial-flux permanent magnet (AFPM) motor, and ten key design variables are selected for optimization. The electromagnetic performance corresponding to variations in these variables is evaluated using three-dimensional finite element analysis (3D FEA), and the resulting dataset is used to construct metamodels. In AFPM motors incorporating ferrite permanent magnets and a CP structure, electromagnetic performance, thermal saturation, and structural stability collectively limit reliable operation. Therefore, a multiphysics-based evaluation is essential. The optimal design is assessed through electromagnetic, thermal, and structural finite element analyses. According to the 3D FEA results, the optimal model achieves a 46.85% reduction in permanent magnet volume while improving efficiency by 0.75%, reaching 95.53%, compared to the initial model. The torque ripple and peak-to-peak cogging torque are reduced by 28.81% and 31.37%, reaching 0.08 Nm and 0.06 Nm, respectively. In addition, the total harmonic distortion (THD) of the back-electromotive force waveform decreases from 12.4% to 2.53%. Stable operating characteristics are confirmed through demagnetization, thermal, and structural analyses, demonstrating that the proposed optimal design process successfully achieves both permanent magnet reduction and overall performance improvement in ferrite-based AFCP motors. Full article
(This article belongs to the Section Electrical, Electronics and Communications Engineering)
Show Figures

Figure 1

13 pages, 6402 KB  
Article
Design and Electromagnetic-Mechanical Coupled Analysis of a Wrapped Interior Permanent Magnet Synchronous Motor
by Kyeong-Won Kwak, Jang-Young Choi, Min-Mo Koo, Kyung-Hun Shin and Hyeon-Jae Shin
World Electr. Veh. J. 2026, 17(1), 49; https://doi.org/10.3390/wevj17010049 - 20 Jan 2026
Viewed by 162
Abstract
An interior permanent magnet synchronous motor (IPMSM) rotor equipped with a carbon-fiber-reinforced plastic (CFRP) sleeve, based on an electromagnetic–mechanical coupled analysis approach, was designed and analyzed. As the demand for high-speed traction motors increases, addressing the excessive rotor stress caused by higher rotational [...] Read more.
An interior permanent magnet synchronous motor (IPMSM) rotor equipped with a carbon-fiber-reinforced plastic (CFRP) sleeve, based on an electromagnetic–mechanical coupled analysis approach, was designed and analyzed. As the demand for high-speed traction motors increases, addressing the excessive rotor stress caused by higher rotational speeds has become critical. To mitigate this issue, a CFRP sleeve is used to enhance mechanical strength while minimizing the impact on electromagnetic performance. However, the introduction of the CFRP sleeve increases design complexity because of changes in air gap length and structural constraints. The crucial considerations required in the design and manufacturing processes, including tradeoffs between mechanical integrity and magnetic performance, are discussed. The proposed design methodology differentiates the rotor structure from conventional IPMSMs, offering a viable solution for high-speed, high-power-density motor applications. Full article
Show Figures

Figure 1

31 pages, 38692 KB  
Article
Stability and Dynamics Analysis of Rainfall-Induced Rock Mass Blocks in the Three Gorges Reservoir Area: A Multidimensional Approach for the Bijiashan WD1 Cliff Belt
by Hao Zhou, Longgang Chen, Yigen Qin, Zhihua Zhang, Changming Yang and Jin Xie
Water 2026, 18(2), 257; https://doi.org/10.3390/w18020257 - 18 Jan 2026
Viewed by 248
Abstract
Accurately assessing collapse risks of high-elevation, concealed rock mass blocks within the steep cliffs of Bijiashan, Three Gorges Reservoir Area, is challenging. This study employed a multidimensional approach—integrating airborne Light Detection and Ranging (LiDAR), the transient electromagnetic method (TEM), close-range photogrammetry, horizontal drilling, [...] Read more.
Accurately assessing collapse risks of high-elevation, concealed rock mass blocks within the steep cliffs of Bijiashan, Three Gorges Reservoir Area, is challenging. This study employed a multidimensional approach—integrating airborne Light Detection and Ranging (LiDAR), the transient electromagnetic method (TEM), close-range photogrammetry, horizontal drilling, and borehole optical imaging—to characterize the rock mass structure of the WD1 cliff belt and delineate 52 individual blocks. Stability analysis incorporated stereographic projection for macro-scale assessment and employed mechanical models specific to three primary failure modes (toppling, sliding, falling). Finite element strength reduction quantified the stress–strain response of a representative block under natural and rainstorm conditions. Particle Flow Code (PFC) simulated dynamic instability of the exceptionally large block W1-37. Results indicate the WD1 rock mass is highly fractured, with base sections prone to weakness. Toppling failure dominates (90.4%). Under rainstorm conditions, the average Factor of Safety (FOS) decreased by 14.7%, and 73.1% of the blocks that were stable under natural conditions were destabilized—specifically transitioning to marginally stable or substable states—often triggering chain-reaction instability characterized by “crack propagation—base buckling”. W1-37 exhibited staged failure under rainstorm: “strain localization at fissure tips—penetration of basal cracks—overturning of the upper rock mass”. Its frontal rock reached a peak sliding velocity of 15.17 m/s, indicative of base-breaking toppling. The integrated “multi-technology survey—multi-method evaluation—multi-scale simulation” framework provides a quantitative basis for risk assessment of rock mass disasters in the Three Gorges Reservoir Area and offers a technical paradigm for similar high-steep canyon regions. Full article
Show Figures

Figure 1

24 pages, 8612 KB  
Article
Multi-Objective Hierarchical Optimization for Suppressing Zero-Order Radial Force Waves and Enhancing Acoustic-Vibration Performance of Permanent Magnet Synchronous Motors
by Tianze Xu, Yanhui Zhang, Weiguang Zheng, Chengtao Zhang and Huawei Wu
Energies 2026, 19(2), 475; https://doi.org/10.3390/en19020475 - 17 Jan 2026
Viewed by 275
Abstract
To address the significant vibration and noise problems caused by the zero-order radial electromagnetic force (REF) in integer-slot permanent magnet synchronous motors (PMSMs), while simultaneously improving the motor’s overall electromagnetic performance, this paper proposes a hierarchical iterative optimization strategy integrating Taguchi methods and [...] Read more.
To address the significant vibration and noise problems caused by the zero-order radial electromagnetic force (REF) in integer-slot permanent magnet synchronous motors (PMSMs), while simultaneously improving the motor’s overall electromagnetic performance, this paper proposes a hierarchical iterative optimization strategy integrating Taguchi methods and genetic algorithms. The optimization objectives include minimizing the zero-order REF amplitude, cogging torque, and torque ripple, while maximizing the average torque, with efficiency and back electromotive force total harmonic distortion (back-EMF THD) treated as constraints. First, an 8-pole 48-slot double-layer embedded PMSM model is constructed. An innovative parameter selection strategy, combining theoretical analysis with finite-element analysis, is employed to investigate the spatial order and frequency characteristics of the electromagnetic force. Subsequently, a sensitivity analysis is performed to stratify parameters: highly sensitive parameters undergo first-round optimization via the Taguchi method, followed by second-round optimization using a multi-objective genetic algorithm. The results demonstrate significant reductions in both the zero-order REF amplitude and cogging torque. Specifically, the motor’s peak vibration acceleration is reduced by 32.96%, and the peak sound pressure level (SPL) drops by 9.036 dB. Vibration acceleration and sound pressure across all frequency bands are significantly reduced to varying extents, validating the effectiveness of the proposed optimization approach. Full article
Show Figures

Figure 1

14 pages, 2202 KB  
Article
Brushless Wound-Field Synchronous Machine Topology with Excellent Rotor Flux Regulation Freedom
by Muhammad Ayub, Arsalan Arif, Atiq Ur Rehman, Azka Nadeem, Ghulam Jawad Sirewal, Mohamed A. Abido and Mudassir Raza Siddiqi
Machines 2026, 14(1), 110; https://doi.org/10.3390/machines14010110 - 17 Jan 2026
Viewed by 303
Abstract
This paper presents a nine-switch inverter for brushless operation of wound-field synchronous machines with excellent rotor flux regulation freedom. The manufacturing cost of permanent magnet machines is high due to the instability of rare-earth magnet prices in the global market. Moreover, conventional wound-field [...] Read more.
This paper presents a nine-switch inverter for brushless operation of wound-field synchronous machines with excellent rotor flux regulation freedom. The manufacturing cost of permanent magnet machines is high due to the instability of rare-earth magnet prices in the global market. Moreover, conventional wound-field synchronous machines (WFSMs) have problems with their rotor brushes and slip-ring assembly, wherein the assembly starts to malfunction in the long run. Furthermore, recently, some brushless WFSM topologies have been investigated to eliminate the problems associated with rotor brushes and slip rings, but they have either a high cost due to a double-inverter, or low flux regulation freedom due to a single inverter (−id). The proposed nine-switch topology achieves a low cost by using a single inverter with nine switches and excellent flux control through three variables (−id, iq, and if), making it highly suitable for wide-speed applications. In the proposed topology, the machine’s armature winding is divided into two sets of coils: ABC and XYZ. A 12-slot and 8-pole machine stator is wound with armature winding coils ABC and XYZ, creating six terminals for injecting currents and two neutrals from each ABC and XYZ coil set. The current to the ABC and XYZ coils is supplied by a nine-switch inverter. The inverter is specially designed to supply rated currents to the ABC winding coils and half of the rated current to the XYZ winding coils. The number of turns of the ABC and XYZ winding coils are kept the same so they produce the same winding function. However, the current in the XYZ winding coils is half compared to that of the ABC winding coils, which creates an asymmetrical airgap magnetomotive force (MMF). The asymmetrical airgap MMF contains two working harmonics, i.e., fundamental MMF for torque production and an additional sub-harmonic MMF component for rotor field brushless excitation. The rotor field is controlled by the difference in current of the two armature winding coils: ABC and XYZ. The proposed topology is validated through theoretical analysis and finite element simulations of electromagnetic and flux regulation. A 2D finite-element analysis is performed to verify the idea. The proposed topology is capable of establishing a 9.15 A dc current in the rotor field winding coil, which consequently generates a torque of 7.8 N·m with a 20.30% torque ripple. Rotor field flux regulation was analyzed from the stator ABC and XYZ coils current ratio ζ. The ratio ζ is analyzed as 2 to 1.3; subsequently, the inducted field currents were 9.15 A dc to 4.8 A dc, respectively. Full article
(This article belongs to the Section Electrical Machines and Drives)
Show Figures

Figure 1

25 pages, 7202 KB  
Article
Optimal Design of a Coaxial Magnetic Gear Considering Thermal Demagnetization and Structural Robustness for Torque Density Enhancement
by Tae-Kyu Ji and Soo-Whang Baek
Actuators 2026, 15(1), 59; https://doi.org/10.3390/act15010059 - 16 Jan 2026
Viewed by 301
Abstract
This study presents an optimal design combined with comprehensive multiphysics validation to enhance the torque density of a coaxial magnetic gear (CMG) incorporating an overhang structure. Four high non-integer gear-ratio CMG configurations exceeding 1:10 were designed using different pole-pair combinations, and three-dimensional finite [...] Read more.
This study presents an optimal design combined with comprehensive multiphysics validation to enhance the torque density of a coaxial magnetic gear (CMG) incorporating an overhang structure. Four high non-integer gear-ratio CMG configurations exceeding 1:10 were designed using different pole-pair combinations, and three-dimensional finite element method (3D FEM) was employed to accurately capture axial leakage flux and overhang-induced three-dimensional effects. Eight key geometric design variables were selected within non-saturating limits, and 150 sampling points were generated using an Optimal Latin Hypercube Design (OLHD). Multiple surrogate models were constructed and evaluated using the root-mean-square error (RMSE), and the Kriging model was selected for multi-objective optimization using a genetic algorithm. The optimized CMG with a 1:10.66 gear ratio achieved a 130.76% increase in average torque (65.75 Nm) and a 162.51% improvement in torque density (117.14 Nm/L) compared with the initial design. Harmonic analysis revealed a strengthened fundamental component and a reduction in total harmonic distortion, indicating improved waveform quality. To ensure the feasibility of the optimized design, comprehensive multiphysics analyses—including electromagnetic–thermal coupled simulation, high-temperature demagnetization analysis, and structural stress evaluation—were conducted. The results confirm that the proposed CMG design maintains adequate thermal stability, magnetic integrity, and mechanical robustness under rated operating conditions. These findings demonstrate that the proposed optimal design approach provides a reliable and effective means of enhancing the torque density of high gear-ratio CMGs, offering practical design guidance for electric mobility, robotics, and renewable energy applications. Full article
Show Figures

Figure 1

19 pages, 10479 KB  
Article
Design and Investigation of Powertrain with In-Wheel Motor for Permanent Magnet Electrodynamic Suspension Maglev Car
by Zhentao Ding, Jingguo Bi, Siyi Wu, Chong Lv, Maoru Chi and Zigang Deng
Actuators 2026, 15(1), 58; https://doi.org/10.3390/act15010058 - 16 Jan 2026
Viewed by 210
Abstract
A new type of transportation vehicle, the maglev car, is gaining attention in the automotive and maglev industries due to its potential to meet personalized urban mobility and future travel needs. To optimize the chassis layout of maglev cars, this paper proposes a [...] Read more.
A new type of transportation vehicle, the maglev car, is gaining attention in the automotive and maglev industries due to its potential to meet personalized urban mobility and future travel needs. To optimize the chassis layout of maglev cars, this paper proposes a compact powertrain integrating electrodynamic suspension with in-wheel motor technology, in which a permanent magnet electrodynamic in-wheel motor (PMEIM) enables integrated propulsion and levitation. First, the PMEIM external magnetic field distribution is characterized by analytical and finite element (FEM) approaches, revealing the magnetic field distortion of the contactless powertrain. Subsequently, the steady-state electromagnetic force is modeled and the operating states of the PMEIM powertrain are calculated and determined. Next, the PMEIM electromagnetic design is conducted, and its electromagnetic structure rationality is verified through magnetic circuit and parametric analysis. Finally, an equivalent prototype is constructed, and the non-contact electromagnetic forces of the PMEIM are measured in bench testing. Results indicate that the PMEIM powertrain performs propulsion and levitation functions, demonstrating 14.2 N propulsion force and 45.8 N levitation force under the rated condition, with a levitation–weight ratio of 2.52, which hold promise as a compact and flexible drivetrain solution for maglev cars. Full article
(This article belongs to the Section Actuators for Surface Vehicles)
Show Figures

Figure 1

19 pages, 6578 KB  
Article
High-Resolution Spatiotemporal-Coded Differential Eddy-Current Array Probe for Defect Detection in Metal Substrates
by Qi Ouyang, Yuke Meng, Lun Huang and Yun Li
Sensors 2026, 26(2), 537; https://doi.org/10.3390/s26020537 - 13 Jan 2026
Viewed by 186
Abstract
To address the problems of weak geometric features, low signal response amplitude, and insufficient spatial resolvability of near-surface defects in metal substrates, a high-resolution spatiotemporal-coded eddy-current array probe is proposed. The probe adopts an array topology with time-multiplexed excitation and adjacent differential reception, [...] Read more.
To address the problems of weak geometric features, low signal response amplitude, and insufficient spatial resolvability of near-surface defects in metal substrates, a high-resolution spatiotemporal-coded eddy-current array probe is proposed. The probe adopts an array topology with time-multiplexed excitation and adjacent differential reception, achieving a balance between high common-mode rejection ratio and high-density spatial sampling. First, a theoretical electromagnetic coupling model between the probe and the metal substrate is established, and finite-element simulations are conducted to investigate the evolution of the skin effect, eddy-current density distribution, and differential impedance response over an excitation frequency range of 1–10 MHz. Subsequently, a 64-channel M-DECA probe and an experimental testing platform are developed, and frequency-sweeping experiments are carried out under different excitation conditions. Experimental results indicate that, under a 50 kHz excitation frequency, the array eddy-current response achieves an optimal trade-off between signal amplitude and spatial geometric consistency. Furthermore, based on the pixel-to-physical coordinate mapping relationship, the lateral equivalent diameters of near-surface defects with different characteristic scales are quantitatively characterized, with relative errors of 6.35%, 4.29%, 3.98%, 3.50%, and 5.80%, respectively. Regression-based quantitative analysis reveals a power-law relationship between defect area and the amplitude of the differential eddy-current array response, with a coefficient of determination R2=0.9034 for the bipolar peak-to-peak feature. The proposed M-DECA probe enables high-resolution imaging and quantitative characterization of near-surface defects in metal substrates, providing an effective solution for electromagnetic detection of near-surface, low-contrast defects. Full article
Show Figures

Figure 1

14 pages, 2468 KB  
Article
Transient Arcing Characteristics of the Pantograph–Catenary System in Electrical Sectioning Overlaps
by Like Pan, Xiaokang Wang, Yuan Yuan, Tong Xing and Liming Chen
Infrastructures 2026, 11(1), 17; https://doi.org/10.3390/infrastructures11010017 - 8 Jan 2026
Viewed by 233
Abstract
Transient arcing often occurs as an electric locomotive traverses an electrical sectioning overlap (ESO), deteriorating current collection stability and reducing the durability of the pantograph–catenary (PC) system. In this study, the formation mechanism and electrical evolution characteristics of transient arcing in the ESO [...] Read more.
Transient arcing often occurs as an electric locomotive traverses an electrical sectioning overlap (ESO), deteriorating current collection stability and reducing the durability of the pantograph–catenary (PC) system. In this study, the formation mechanism and electrical evolution characteristics of transient arcing in the ESO region are investigated through theoretical analysis and numerical simulations. First, based on the dynamic motion of the locomotive passing through the ESO, the transient arcing mechanism of the ESO is clarified, and the plasma characteristics of the arc are described. Then, the electromagnetic, airflow, and thermal field interactions within the PC contact gap during arc ignition are analyzed. A Multiphysics coupled PC arc model is developed, incorporating aerodynamic, electromagnetic, and heat transfer effects. Subsequently, finite element meshing and boundary conditions are applied to simulate the transient evolution of the ESO arc. Finally, the transient arcing characteristics of the ESO are analyzed. The results indicate that the current density is highly concentrated at the initial arcing stage and gradually forms an axially symmetric conductive channel (approximately 107 A/m2), which shifts upward as the contact gap increases. Moreover, due to the geometric discontinuity of the ESO, a strong localized electric field develops near the wire edge, leading to arc root migration and reignition. Full article
(This article belongs to the Special Issue The Resilience of Railway Networks: Enhancing Safety and Robustness)
Show Figures

Figure 1

29 pages, 8623 KB  
Article
Magnetostatic and Thermal Analysis of Classical and Hybrid Axial Active Magnetic Bearings
by Renat Badykov, Zhenxin Liu, Artem Yurtaev, Dmitriy Diligenskiy, Weixing Zhou and Alexander Molokanov
Actuators 2026, 15(1), 30; https://doi.org/10.3390/act15010030 - 4 Jan 2026
Viewed by 373
Abstract
The paper presents the development of analytical and finite element models, focusing on both magnetostatics and thermal solutions, of axial classical and hybrid active magnetic bearings (AMBs). An improved hybrid axial AMB design is proposed, combining permanent magnets and an electromagnet, where the [...] Read more.
The paper presents the development of analytical and finite element models, focusing on both magnetostatics and thermal solutions, of axial classical and hybrid active magnetic bearings (AMBs). An improved hybrid axial AMB design is proposed, combining permanent magnets and an electromagnet, where the bias magnetic flux is provided by the permanent magnets. This configuration significantly reduces the power consumption and heat generation. Numerical modeling is conducted using 2D magnetostatic and both 2D and 3D thermal finite element analysis. The study focuses on the system’s mass reduction, electrical power consumption, and heat flow output while maintaining the bearing’s load capacity. Digital control systems and algorithms have been developed and fabricated for both axial classical and hybrid axial AMBs, using an ESP32 microcontroller. Two experimental setups have been designed, fabricated, and tested. Full article
(This article belongs to the Section Actuator Materials)
Show Figures

Figure 1

18 pages, 3811 KB  
Article
Optimization Design of High-Performance Hybrid Superconducting ECR Ion Source Magnet System Based on Particle Swarm Algorithm
by Manman Xu, Lei Liu, Yongming Liu, Yimin Lu and Huaiyang Wang
Symmetry 2026, 18(1), 82; https://doi.org/10.3390/sym18010082 - 3 Jan 2026
Viewed by 292
Abstract
The development of 18 GHz hybrid superconducting ECR ion sources is constrained by the complex trade-off in magnet system design, where achieving simultaneous excellence in field strength, confinement stability, and resonant coupling remains a formidable challenge. A design automation framework that tightly integrates [...] Read more.
The development of 18 GHz hybrid superconducting ECR ion sources is constrained by the complex trade-off in magnet system design, where achieving simultaneous excellence in field strength, confinement stability, and resonant coupling remains a formidable challenge. A design automation framework that tightly integrates Particle Swarm Optimization (PSO) with COMSOL-based finite element analysis is presented. This synergy enables the global optimization of the permanent magnet hexapole and the superconducting solenoids’ currents as an interconnected system. The optimizer delivers a magnetic field configuration that simultaneously achieves a 2.6 T axial peak, a 4.25 mirror ratio, and a precise minimum-B field of 0.6 T. This synergy creates a stable magnetic cage perfectly resonant at 18 GHz, ensuring superior plasma confinement and efficient microwave-to-plasma energy transfer. This study validates the PSO algorithm as a powerful tool for transcending conventional design paradigms in complex electromagnetic systems. The resulting magnet solution not only meets the stringent demands of next-generation ECR ion sources but also provides a transferable blueprint for optimizing a broad class of symmetric devices governed by multi-physics constraints. Full article
(This article belongs to the Special Issue Meta-Heuristics for Manufacturing Systems Optimization, 3rd Edition)
Show Figures

Figure 1

Back to TopTop