Next Article in Journal
Influence of Local Microclimate Conditions on Indoor Thermal Comfort: The Example of Historical Urban Structure Located in the Central Part of Lodz (Poland)
Previous Article in Journal
A Coordinated Wind-Storage Primary Frequency Regulation Strategy Accounting for Wind-Turbine Rotor Kinetic Energy Recovery
Previous Article in Special Issue
Application of Fractional-Order Differential Operators for Enhanced Electromagnetic Field Modeling in Electrical Devices and Electromechanical Systems
 
 
Font Type:
Arial Georgia Verdana
Font Size:
Aa Aa Aa
Line Spacing:
Column Width:
Background:
Article

Field–Circuit Model of a Novel PMDC Motor with Rectangular NdFeB Permanent Magnets in Ansys Maxwell

by
Paweł Strączyński
1,*,
Sebastian Różowicz
1,
Karol Suchenia
2,
Łukasz Gruszka
3 and
Krzysztof Baran
4
1
Department of Electrical Devices and Automation, Kielce University of Technology, Tysiąclecia Państwa Polskiego 7, 25-314 Kielce, Poland
2
Department of Automation and Computer Science, Cracow University of Technology, Warszawska 24, 31-155 Kraków, Poland
3
Institute of Automatic Control and Robotics, Warsaw University of Technology, Boboli 8, 02-525 Warszawa, Poland
4
Department of Power Electronics and Power Engineering, Rzeszow University of Technology, Wincentego Pola 2, 35-959 Rzeszow, Poland
*
Author to whom correspondence should be addressed.
Energies 2026, 19(3), 661; https://doi.org/10.3390/en19030661
Submission received: 10 January 2026 / Revised: 21 January 2026 / Accepted: 26 January 2026 / Published: 27 January 2026

Abstract

Accurate analysis of commutation phenomena in permanent magnet DC (PMDC) motors requires simultaneous consideration of electromagnetic field distribution and armature circuit dynamics. Classical circuit-based models are unable to properly capture transient effects occurring in short-circuited coils during commutation, while purely field-based models neglect the influence of the supply circuit. In this paper, a coupled field–circuit model of a PMDC motor with an innovative magnetic circuit based on rectangular NdFeB permanent magnets is presented. The model combines a two-dimensional finite element electromagnetic analysis with a segmented armature circuit and dynamic commutator switching, allowing the electromotive force to be computed individually for each coil based on the actual magnetic field distribution. The novelty of the proposed approach lies in the integration of a non-standard rectangular permanent magnet topology with a coil-resolved field–circuit commutation model, validated on a physical motor prototype. Simulation results are compared with experimental measurements obtained from a laboratory prototype at rotational speeds of 850 and 1000 r/min. The predicted electromagnetic torque shows good agreement with measurements, with deviations below 5%, while the armature current is estimated with an error of up to approximately 20%, primarily due to model simplifications. The developed model provides direct access to transient commutation waveforms and constitutes a practical tool for the analysis and design optimization of PMDC motors operating under dynamic conditions, particularly in cost-sensitive and reliability-oriented applications.

1. Introduction

The modeling and analysis of electromechanical systems using the finite element method (FEM) have played a significant role in the study of electromagnetic phenomena for many years. FEM-based field models have become a standard and well-established tool in the design and analysis of electrical machines, as they allow detailed evaluation of magnetic field distributions and the influence of design parameters without the need for constructing costly physical prototypes.
In recent years, research efforts have focused predominantly on brushless DC (BLDC) motors and permanent magnet synchronous machines (PMSMs). Numerous scientific publications have addressed the development and improvement of field-based and coupled models for these machine types, driven by their increasing popularity in industrial, automotive, and consumer applications, where high efficiency, compact design, and precise control are essential [1,2,3,4,5,6]. In contrast, traditional commutator machines, such as permanent magnet DC motors, have received relatively limited attention in recent literature due to their design constraints, shorter service life, and lower energy efficiency. Nevertheless, PMDC motors are still widely used in many applications where simplicity of the control system, low cost, ease of speed regulation, and independence from complex power electronics are of primary importance [7,8].
In PMDC motors equipped with mechanical commutators, the commutation process is a critical phenomenon that directly affects machine performance, reliability, and lifetime. The switching of current between successive sections of the rotor winding, realized by the interaction of brushes and the commutator, is inherently associated with transient electromagnetic and mechanical effects. Improper commutation can lead to excessive sparking, accelerated wear of brushes and commutator segments, increased losses, reduced efficiency, and, in extreme cases, severe damage to the machine. Consequently, accurate modeling and analysis of commutation phenomena—on both the electromagnetic and mechanical sides—are essential for improving reliability and optimizing the design of PMDC motors.
Purely electromagnetic field models are well suited for analyzing the spatial distribution of magnetic fields within electrical machines; however, they are insufficient for capturing the dynamic phenomena occurring during commutation. The commutation process is strongly nonlinear and depends not only on the magnetic field distribution but also on the properties of the armature circuit, the power supply system, and the interaction between brushes and the commutator. To realistically represent the actual operating conditions of a PMDC motor, it is therefore necessary to employ a coupled field–circuit modeling approach that simultaneously accounts for electromagnetic field effects and time-varying currents and voltages in the armature circuit. Such models enable the analysis of transient phenomena and their impact on the overall behavior of the electromechanical system [9,10].
Despite the extensive development of FEM-based models for electrical machines, a research gap remains in the realistic field–circuit modeling of the commutation process in PMDC motors. In particular, limited attention has been paid to machines with non-standard magnetic circuit topologies, where the interaction between the electromagnetic field, segmented armature windings, and the supply circuit plays a decisive role during commutation transients.
The aim of this paper is to develop and experimentally validate a coupled field–circuit model of a PMDC motor equipped with a non-standard magnetic circuit based on rectangular NdFeB permanent magnets. The proposed approach combines a two-dimensional finite element electromagnetic model with a segmented armature circuit and dynamic commutator switching, enabling coil-resolved analysis of electromotive force and current transients during commutation.
The main contributions of this work can be summarized as follows:
  • Development of a coupled field–circuit model of a PMDC motor featuring a rectangular permanent magnet topology;
  • Implementation of a coil-resolved commutation model allowing transient analysis of short-circuited armature windings;
  • Experimental validation of the proposed modeling approach using a laboratory motor prototype.

2. Materials and Methods

2.1. Commutation Phenomena in DC Motor

The commutation mechanism is essential for the seamless functioning of a DC motor. As the rotor moves and the brush transitions across different commutator segments, each coil in the rotor winding, linked to the commutator, experiences a reversal in current direction. As shown in Figure 1, the total armature current Ia splits into two branches. The windings are arranged in such a way that the coils between points 1–S and 2–S-1 conduct current through multiple commutator segments.
In the short-circuited part of the winding (at the moment of switching), the current does not change instantaneously due to the inductance of the coil, which counteracts sudden changes in current. Instead, the direction and value of the current changes gradually—from Ia/2 to −Ia/2—as the brush moves across the commutator segments. This process describes the phenomenon of self-induction, in which an electromotive force (SEM) is induced in the winding to counteract the change in current, according to the law:
ε L = L di dt ,
Correct commutation prevents sparking (arcing) at the contact between brushes and commutator and enables continuous and stable motor operation.

2.2. Design Overview of a PMDC Motor with Rectangular Neodymium Magnets

The authors undertook the development of a new commutator motor design based on earlier research conducted in [11,12] that uses rectangular neodymium magnets to excite the magnetic field. The design was based on the solution presented in utility model PL72924Y1 [13]. The cross-section of the stator is shown in Figure 2. The aim was to create a small but efficient DC motor that could be used to drive horns at level crossings—such a machine should therefore be characterized by reliability, simplicity of construction and low production cost.
Typical PMDC motors usually use ferrite magnets in the shape of ring cut-outs. Ferrite magnets, made from iron oxides and barium or strontium carbonates, are cheap and easy to manufacture—they are formed into the correct shapes at the production stage. This makes them ideal for many simple applications [14]. The main disadvantage of this type of motor is the low magnetic energy density. Neodymium magnets (NdFeB), which belong to the group of rare-earth magnets, have a much higher energy density—from 200 to even 400 kJ/m3. This makes it possible to reduce the size and weight of the motors in which they are used [15]. They are more expensive to produce, mainly due to the need to cut the magnet to the correct shape. It is estimated that the waste of an NdFeB magnet can be as high as 20–30% [16].
The designed motor uses rectangular neodymium magnets (NdFeB), which are placed in special holes in the stator. This makes the assembly much easier and the whole design more reliable, as there is no need to use glue to fix the magnets. Furthermore, rectangular magnets are produced on a large scale and are much cheaper than arc-shaped ones, which have to be custom-made. This significantly reduces the cost of the entire motor. The advantages of using rectangular permanent magnets—including, among other things, reduced cogging torque, simplified assembly and improved mechanical stability [17]—were analyzed in detail in the author’s doctoral dissertation [11], where they were compared with a classical design with ring-shaped slice magnets.

2.3. Field–Circuit Model of a PMDC Motor

A common simplification in electromagnetic field modeling of electrical machines is the use of imposed current excitation in the windings [18]. Although this approach reduces computational effort, it prevents realistic representation of commutation phenomena, as the current is forced to change instantaneously and independently of inductive effects. This limitation is particularly critical in PMDC motors, where commutation quality strongly depends on transient current behavior.
In the Ansys Maxwell 2025R2 environment, it is possible to task the coils with forcing from an external circuit. The field–circuit model created in this way can use the built-in Maxwell Circuit Editor, in which the coils are supplied with voltage from a real circuit. As a result, this provides a much more accurate picture of the actual operation of the commutation process in a PMDC machine. In this approach, the currents in the windings result from the solutions of the field equations and the circuit parameters—such as resistances and inductances. This gives a much more accurate picture of the actual operation of the PMDC, especially under dynamic conditions such as start-up or load changes [19]. As a result, this provides a much more accurate picture of the actual operation.
The electrical circuit equation for a DC machine excited by permanent magnets is reduced only to the armature circuit (Figure 3a) equation:
U s = R a · i a + L a di a dt + e b ,
where
  • U s —supply voltage;
  • R a —armature winding resistance;
  • La—armature winding inductance;
  • i a —armature current;
  • eb—back electromotive force (back-EMF), given by:
e b = k e · ω ,
where k e is the back-EMF constant and ω is the angular velocity of the rotor.
Figure 3. Electrical circuit model of a permanent magnet DC motor: (a) classic equivalent circuit with back-EMF represented as a voltage source; (b) coupled field–circuit model with FEM block used to compute back-EMF and electromagnetic torque—based on [11].
Figure 3. Electrical circuit model of a permanent magnet DC motor: (a) classic equivalent circuit with back-EMF represented as a voltage source; (b) coupled field–circuit model with FEM block used to compute back-EMF and electromagnetic torque—based on [11].
Energies 19 00661 g003
Figure 3 shows two circuit models of a permanent magnet DC motor (PMDC). Figure 3a shows a classical circuit model in which the electromotive force (back-EMF) eb is represented as an ideal voltage source. This model consists of the winding resistance Ra, the self-inductance La and the supply voltage U s . The back-EMF is assumed here as a known function of rotor speed, which means that the effect of changes in the magnetic field or machine geometry is not considered. Figure 3b, on the other hand, shows a field–circuit model in which the source of back-EMF and electromagnetic torque information is a FEM field solver block. The machine coil is connected to an FEM that dynamically calculates the back-EMF voltage and torque values based on the magnetic field distribution, geometry and material properties. This approach allows magnetic nonlinearities, saturation effects and true commutation to be taken into account, making the model much more accurate—especially when analyzing the dynamic operation of the machine.
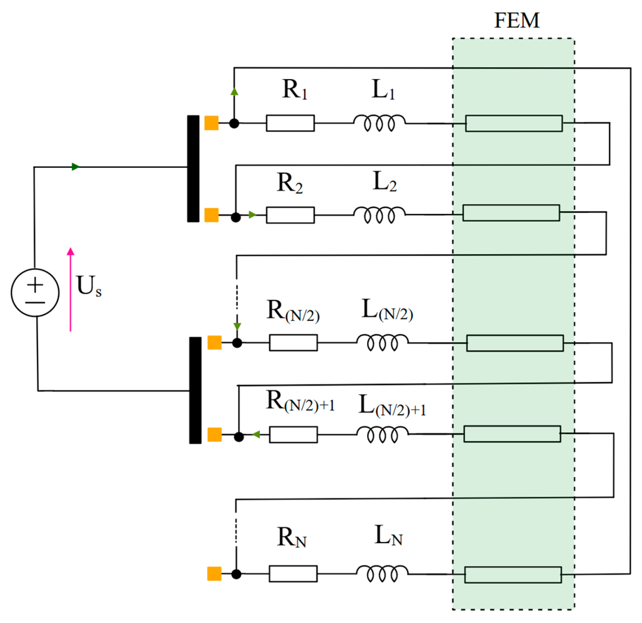
To accurately simulate the commutation process in PMDC motors, a more detailed circuit model is required. In the proposed extended model (Figure 4), the rotor winding is divided into multiple segments, each described by individual resistance and inductance values. These segments represent the coil between the commutator cut-outs and are connected to the power source via brushes, respectively. This approach allows the time-varying current distribution to be represented. Each armature coil in the extended circuit model is represented by a series combination of resistance Ri, inductance Li and back-EMF voltage, which is determined directly from the electromagnetic field analysis using the finite element method. This method enables an accurate depiction of motor function during commutation by considering dynamic changes in field distribution, flux behavior, and local magnetic saturation in each coil. The comprehensive field–circuit model, therefore, permits a highly precise analysis of electromagnetic and transient phenomena, essential for evaluating the quality of commutation and the drive system’s efficiency under actual operating conditions.
The model shown assumes the presence of one pair of brushes. The brushes are in contact with the corresponding segments of the commutator. As a result, the rotor winding system forms two parallel branches through which the supply current flows. Each of these branches contains a corresponding number of coils, each of which is represented by a series combination of resistance, inductance and a back-EMF source calculated from a field model.

2.4. Ansys Maxwell Model of PMDC Motor with Rectangular NdFeB Permanent Magnet

In order to analyze the electromagnetic properties of the designed PMDC motor, a two-dimensional field model was developed in the Ansys Maxwell 2D environment, as shown in Figure 5. The field model was integrated with the circuit model using the Maxwell Circuit Editor, and a fragment of the circuit is shown in Figure 6. The geometrical model reflects the actual design, including a wound rotor with 15 slots and a stator equipped with rectangular NdFeB permanent magnets.
The stator of the analyzed PMDC motor consists of two salient poles with embedded rectangular NdFeB permanent magnets. As a result, the air-gap length is not uniform along the circumference. In the numerical model, the minimum air-gap length was equal to δ = 0.5 mm and occurred in the region of the stator poles, while larger local air-gap values were present outside the pole regions.
By using External Excitation, it was possible to combine the field model with the power system and the focused elements representing the coils. This approach allows an integrated field–circuit simulation to be realized without the need for an additional environment (e.g., Simplorer).
Each winding coil was mapped in the circuit model as an R-L element and coupled to the FEM model, which calculates the generated back-EMF voltage. The commutator was realised as a set of switchable segments (Bars) that dynamically change the way the coils are connected depending on the rotor rotation angle. The model is supplied from an idealised 24 V voltage source, taking into account the low internal resistance, with the entire circuit analysed using a Triansient solver. The rotor movement was set via the Rotational Motion Setup function at a specific angular velocity.
The simulation assumes a Vector Potential = 0 boundary condition on the outer geometric envelope of the motor model. This means that the vector potential (and thus the magnetic flux) does not cross the boundary of the calculation area. This assumption simplifies the calculation and at the same time ensures a correct representation of the magnetic field line closure inside the machine. The finite element mesh has been compacted in the air gap—where the largest field gradient is expected. This allows results of a desirable accuracy to be obtained with a reasonable simulation time. The mesh parameters are shown in Table 1.
The developed model forms the basis for a detailed analysis of dynamic phenomena in the machine, such as commutation, torque pulsations or loss analysis. The use of an integrated field–circuit approach in the Ansys Maxwell environment provides high accuracy and flexibility without the need for additional simulation tools.

3. Results

In order to verify the developed model, an motor prototype was made in accordance with the presented concept and the developed computational model. The motor was tested on an electromechanical dynamometer [11]. The execution of the prototype made it possible to compare the results obtained from simulations with actual measurements of electromagnetic torque and winding current. The completed motor prototype is shown in Figure 7.
The parameters of the motor coil (between the commutator cut-outs are shown in Table 2). The rated (nameplate) parameters of the tested PMDC motor used for both simulation and experimental validation are summarized in Table 3. The machine has a double-layer loop winding with variable pitch.
In order to verify the correctness of the developed field–circuit model, a series of simulations and laboratory measurements were carried out. The electromagnetic torque and armature current waveforms were analysed under fixed operating conditions for two rotational speeds: 1000 r/min and 850 r/min. The speed of 850 r/min corresponds to the rated operating condition of the tested PMDC motor and was therefore selected as the primary validation point. The additional operating point at 1000 r/min was considered to validate the model at a different, yet practically relevant, steady-state operating condition beyond the rated speed.
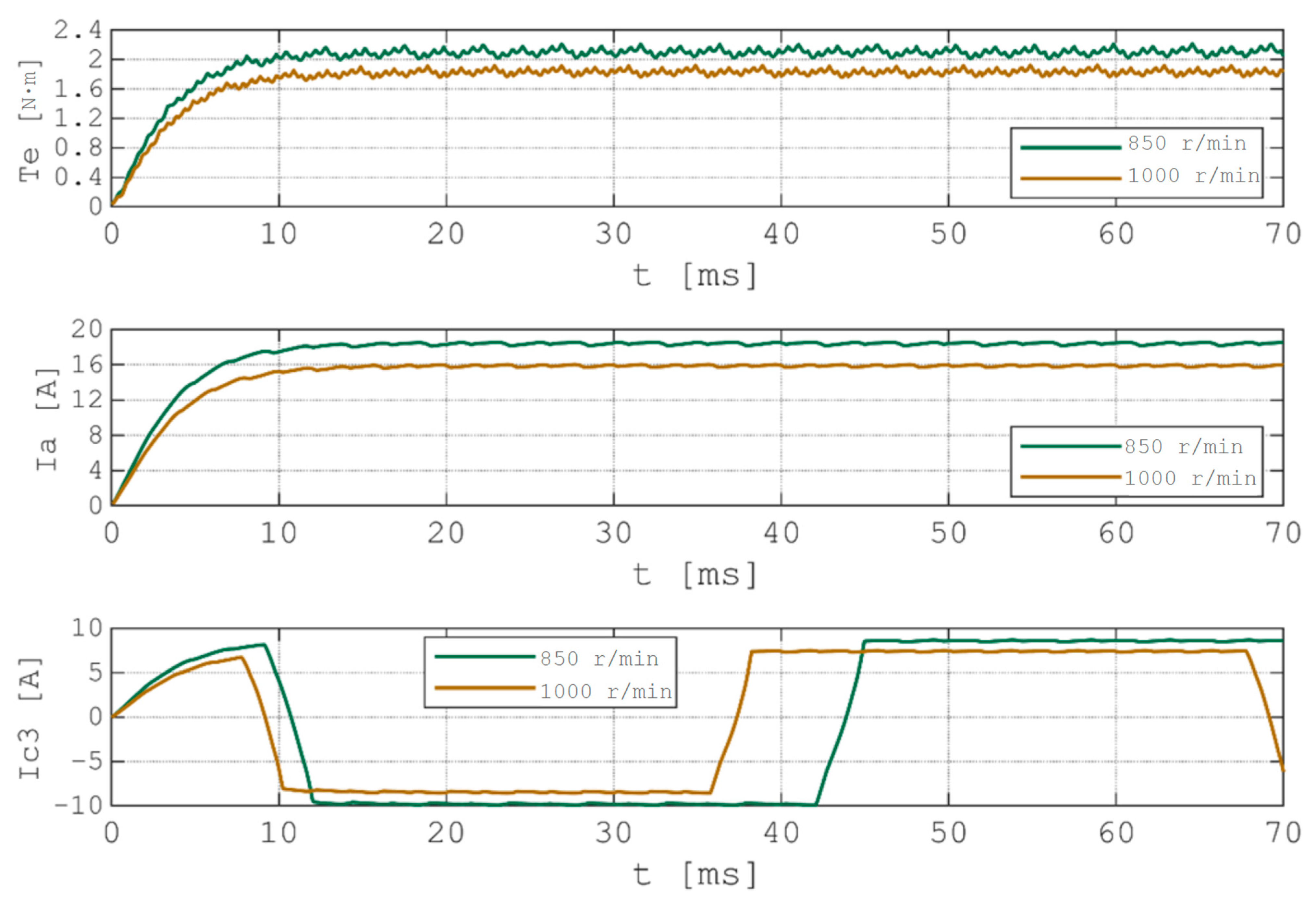
Figure 8 shows the time courses of electromagnetic torque, armature current, and selected coil current obtained from the simulations. Characteristic torque pulsations related to the occurrence of commutation torque ripple and current ripples, typical of commutator machines, are visible. The current waveform Ic3 clearly illustrates the commutation process, including the rapid current reversal occurring during the short-circuit interval when the coil is simultaneously connected to adjacent commutator segments by the brushes. Although the presented Ic3 waveform does not allow direct extraction of the complete commutation spectrum, the time scale of the observed current transitions is consistent with the commutation frequency determined by the number of commutator segments and the rotational speed of the motor (on the order of a few hundred hertz for the analyzed operating points). These commutation-related current variations directly contribute to the torque and armature current ripples observed in Figure 8.
The experimental steady-state speed–torque and armature current–torque characteristics of the tested motor are presented in Figure 9. The results obtained from the numerical simulations were compared with measurements carried out on the actual prototype motor—shown in Table 4. The values of electromagnetic torque (Tₑ) and armature current (Iₐ) were tabulated for two rotational speeds: 1000 r/min and 850 r/min. The differences in torque estimates do not exceed 5% and indicate good agreement with reality. In the case of armature current, larger deviations were observed—up to about 20%. The higher discrepancy observed for the armature current, reaching approximately 20%, can be attributed to several factors:
  • Simplified representation of brush–commutator contact resistance;
  • Omission of temperature-dependent winding resistance variation;
  • Neglect of detailed brush dynamics and contact voltage drop;
  • Uncertainties related to measurement conditions under dynamic commutation;
  • Use of a two-dimensional model, which does not account for three-dimensional end-winding effects and axial flux components that may influence current distribution during commutation.
Despite these differences, the model shows satisfactory accuracy and can be useful at the design stage of similar structures [20].

4. Discussion

The results obtained confirm that the developed field–circuit model accurately reproduces the key phenomena occurring in a PMDC commutator motor equipped with rectangular NdFeB magnets. Particularly important is the very good representation of the electromagnetic torque, with an error not exceeding 5%. This means that the model correctly reflects the flux distribution in the innovative magnetic circuit and the nature of the segmented winding operation during commutation. Larger differences in current waveforms can be explained by simplifications in the electrical circuit and manufacturing tolerances of the prototype, which has also been pointed out in the literature on PMDC models.
Compared to classic circuit models commonly used in the analysis of commutator motors, the presented model offers significantly greater accuracy in mapping commutation phenomena. Circuit models are usually based on an ideal change in the direction of current in the coils, while the actual commutation process is highly nonlinear and depends on inductance, magnetic excitation, and rotational speed. The results show that the electromagnetic field generated by rectangular magnets significantly affects local SEM values, which is impossible to capture using simplified models.
Another important element of the work is the analysis of the impact of the unusual geometry of the magnets on the behavior of the machine. Rectangular NdFeB magnets cause a different flux distribution than classic arc magnets, which on the one hand simplifies the design and reduces production costs, but on the other hand requires the use of more complex models. The results indicate that such a design can be effective, but details regarding the impact of different magnet configurations, air gaps, and pole shoe shapes on operating parameters are discussed in more detail in Paweł Strączyński’s doctoral dissertation, which contains a comprehensive study of many design variants.
It is also worth emphasizing the practical significance of the results in the context of railroad crossing drives. In an earlier article by the authors published in the journal Energies, it was shown that the choice of the right motor is crucial for the reliability and energy efficiency of railroad traffic safety systems. This paper builds on that research, providing a tool for detailed analysis of the phenomena occurring in the new motor design intended for use in such systems. This makes it possible not only to improve the motor design, but also to improve the reliability of the entire barrier drive system.
However, the developed model has certain limitations. In particular, the thermal phenomena model has been omitted, the brush and commutator model has been simplified, and a 2D analysis has been used, which does not take into account the phenomena at the ends of the windings. In the future, it is planned to extend the model with a three-dimensional analysis, a loss model, and a full thermal analysis under dynamic conditions.

5. Conclusions

The article presents a comprehensive field–circuit model of a PMDC commutator motor featuring a non-standard magnetic circuit based on rectangular NdFeB permanent magnets. The proposed modeling approach explicitly accounts for armature winding segmentation, dynamic commutator switching, and the determination of electromotive force in individual coils based on the actual magnetic field distribution. As a result, the model enables a realistic representation of commutation phenomena and electromagnetic torque production.
The simulation results demonstrate good agreement with laboratory measurements performed on the motor prototype, particularly with respect to the electromagnetic torque characteristics. This confirms the correctness and practical applicability of the adopted field–circuit modeling methodology for PMDC motors with unconventional magnetic circuit topologies.
The developed model constitutes a practical tool for the analysis and optimization of PMDC motor designs. It can be used to assess commutation quality, support the selection of armature winding geometry and permanent magnet parameters, and predict the steady-state operating characteristics of machines under various operating conditions.
Despite its effectiveness, the proposed model involves certain simplifications. In particular, thermal effects, detailed brush–commutator contact phenomena, and three-dimensional end-winding effects are not considered, which may influence the accuracy of current prediction under specific operating conditions.
Future research will focus on extending the model to include thermal coupling and power loss analysis, developing a three-dimensional formulation, and performing further experimental validation over a wider range of load and speed conditions. These extensions will enable a more comprehensive assessment of the efficiency and performance of PMDC motors equipped with non-standard magnetic circuits.

Author Contributions

Conceptualization: P.S.; Methodology: P.S. and S.R.; Software: P.S. and Ł.G.; Validation: Ł.G. and K.B.; Formal analysis: P.S.; Investigation: P.S. and S.R.; Writing—original draft preparation: P.S.; Writing—review and editing: K.B. and K.S.; Visualization: P.S. and K.S.; Supervision: P.S.; Project administration: S.R.; Funding acquisition: S.R. All authors have read and agreed to the published version of the manuscript.

Funding

This research received no external funding.

Data Availability Statement

Most relevant data are included in the article. Additional data are not publicly available but can be obtained from the corresponding author upon request.

Conflicts of Interest

The authors declare no conflicts of interest.

Nomenclature

δMinimum air-gap length [mm]
EMFElectromagnetic Force
FEMFinite Element Method
IaArmature current [A]
keEMF constant [V/(rad/s)]
LaArmature inductance [H]
NdFeBNeodymium Iron Boron
PMDCPermanent Magnet DC motor
RaArmature resistance [Ω]
TeElectromagnetic torque [N·m]
ωAngular velocity [rad/s]

References

  1. Jo, S.-T.; Shin, H.-S.; Lee, Y.-G.; Lee, J.-H.; Choi, J.-Y. Optimal Design of a BLDC Motor Considering Three-Dimensional Structures Using the Response Surface Methodology. Energies 2022, 15, 461. [Google Scholar] [CrossRef]
  2. Smółka, K.; Firych-Nowacka, A.; Wiak, S. Comparison of the Design of 3-Pole BLDC Actuators/Motors with a Rotor Based on a Single Permanent Magnet. Sensors 2022, 22, 3759. [Google Scholar] [CrossRef] [PubMed]
  3. Knypiński, Ł.; Devarepalli, R.; Le Menach, Y. Constrained Optimization of the brushless DC motor using the SALP swarm algorithm. Arch. Electr. Eng. 2022, 71, 775–787. [Google Scholar] [CrossRef]
  4. Cong, T.T.; Quoc, V.D. Design of a Six-Phase Surface Mounted Permanent Magnet Synchronous Motor with Application to Electric Trucks. Arch. Electr. Eng. 2024, 73, 721–741. [Google Scholar] [CrossRef]
  5. Cetinceviz, Y. Optimal Design, Electromagnetic–Thermal Analysis and Application of In-Wheel Permanent Magnet BLDC Motor for E-Mobility. Appl. Sci. 2025, 15, 3258. [Google Scholar] [CrossRef]
  6. Qiu, H.; Zhang, Y.; Yang, C.; Yi, R. Performance Analysis and Comparison of PMSM with Concentrated Winding and Distributed Winding. Arch. Electr. Eng. 2020, 69, 303–317. [Google Scholar] [CrossRef]
  7. Liu, R.; Yan, D.; Hu, M. Finite Element Analysis on Torque Fluctuation of PMDC Motors Induced by Cogging and Commutation. In Proceedings of the ICEMS 2003, Beijing, China, 9–11 November 2003; Volume 2, pp. 747–750. [Google Scholar]
  8. Cvetkovski, G. Performance Evaluation of PM DC Commutator Motor Using Finite Element Method as a Tool. Przegląd Elektrotechniczny 2007, 8, 152–155. [Google Scholar]
  9. Berhausen, S.; Paszek, S. Use of the Finite Element Method for Parameter Estimation of the Circuit Model of a High Power Synchronous Generator. Bull. Pol. Acad. Sci. Tech. Sci. 2015, 63, 575–582. [Google Scholar] [CrossRef][Green Version]
  10. Bialik, J.; Zawilak, J.; Antal, L. Polowo-Obwodowy Model Dwubiegowego Silnika Synchronicznego. Zesz. Probl. Masz. Elektr. 2006, 75, 55–59. [Google Scholar]
  11. Strączyński, P. Analiza Wpływu Wybranych Zmian Obwodu Magnetycznego na Parametry Silnika Komutatorowego z Magnesami Trwałymi. Ph.D. Thesis, Kielce University of Technology, Kielce, Poland, 2024. [Google Scholar]
  12. Stefański, G.; Michta, Ł.; Krzowski, M.; Kaniewski, M. Silnik Komutatorowy do Napędu Rogatkowego. Napędy Sterow. 2022, 12, 28–30. [Google Scholar]
  13. Goryca, Z.; Różowicz, S.; Goryca, M. Stator of a Commutator Motor. Utility Model PL72924Y1, Poland, 2022. Available online: https://ewyszukiwarka.pue.uprp.gov.pl/search/pwp-details/W.130602 (accessed on 11 May 2024).
  14. Guzmán Mínguez, J.; Fuertes, V.; Granados-Miralles, C.; Fernández, J.; Quesada, A. Greener Processing of SrFe12O19 Ceramic Permanent Magnets by Two-Step Sintering. Ceram. Int. 2021, 47, 22415–22422. [Google Scholar] [CrossRef]
  15. Sagawa, M.; Fujimura, S.; Yamamoto, H.; Matsuura, Y.; Hiraga, K. Permanent Magnet Materials Based on the Rare Earth–Iron–Boron Tetragonal Compounds. IEEE Trans. Magn. 1984, 20, 1584–1589. [Google Scholar] [CrossRef]
  16. Xu, X.; Jia, X.; Zhao, K.; Xu, P.; Jing, P.; Liu, B.; Zhang, J. Recent Progress in Electrochemical Recycling of Waste NdFeB Magnets. Chem. Commun. 2025, 61, 2257–2268. [Google Scholar] [CrossRef] [PubMed]
  17. Strączyński, P.; Goryca, Z.; Różowicz, S. Analysis of the Impact of Selected Design Changes on the Cogging Torque of a Commutator Motor with Permanent Magnets. Autom. Elektr. Zakłócenia 2023, 14, 96–109. [Google Scholar]
  18. Mazur, D.; Gołębiowski, M.; Rudy, M. Modelowanie i Analiza Układów Elektromechanicznych Metodą Elementów Skończonych; Oficyna Wydawnicza Politechniki Rzeszowskiej: Rzeszów, Poland, 2016; ISBN 978-83-7934-073-6. [Google Scholar]
  19. Özüpak, Y. Design and Analysis of Permanent Magnet DC Machines with FEM Based ANSYS-MAXWELL. Int. J. Innov. Eng. Appl. 2023, 7, 7–12. [Google Scholar] [CrossRef]
  20. Strączyński, P.; Różowicz, S.; Goryca, Z.; Baran, K. Wyznaczanie Parametrów Elektromagnetycznych Silnika PMDC z Wykorzystaniem Metody Elementów Skończonych. Przegląd Elektrotechniczny 2025, 101, 97–101. [Google Scholar] [CrossRef]
Figure 1. PMDC motor armature circuit at the moment of commutation. The commutator segments are labeled 1, 2, S−1, and S, where S is the total number of commutator segments; segments (1, 2) and (S−1, S) form two pairs located on opposite sides of the commutator. During commutation, the armature current I_asplits into two parallel paths, each carrying I_a/2, as indicated by the arrows. The coil indices (1, 2, …, N/2, …, N) denote the corresponding armature coils/turns connected between successive commutator segments.
Figure 1. PMDC motor armature circuit at the moment of commutation. The commutator segments are labeled 1, 2, S−1, and S, where S is the total number of commutator segments; segments (1, 2) and (S−1, S) form two pairs located on opposite sides of the commutator. During commutation, the armature current I_asplits into two parallel paths, each carrying I_a/2, as indicated by the arrows. The coil indices (1, 2, …, N/2, …, N) denote the corresponding armature coils/turns connected between successive commutator segments.
Energies 19 00661 g001
Figure 2. Cross-sectional view of the stator core based on the concept described in utility model PL72924Y1 [13].
Figure 2. Cross-sectional view of the stator core based on the concept described in utility model PL72924Y1 [13].
Energies 19 00661 g002
Figure 4. Extended equivalent circuit model of a PMDC motor with segmented armature windings. Each winding section is represented by its own resistance Ri, inductance Li, and a coupling to the FEM-based magnetic field model. This structure enables detailed analysis of transient phenomena during commutation—based on [11].
Figure 4. Extended equivalent circuit model of a PMDC motor with segmented armature windings. Each winding section is represented by its own resistance Ri, inductance Li, and a coupling to the FEM-based magnetic field model. This structure enables detailed analysis of transient phenomena during commutation—based on [11].
Energies 19 00661 g004
Figure 5. Geometric cross-section of the Ansys Maxwell motor model. The blue region denotes the rotating band defined in ANSYS Maxwell to enable transient rotor motion.
Figure 5. Geometric cross-section of the Ansys Maxwell motor model. The blue region denotes the rotating band defined in ANSYS Maxwell to enable transient rotor motion.
Energies 19 00661 g005
Figure 6. Fragment of the circuit model implemented in the Ansys Maxwell environment, showing commutator segments, coil inductance and resistance, FEM-coupled winding, and power supply configuration—based on [11].
Figure 6. Fragment of the circuit model implemented in the Ansys Maxwell environment, showing commutator segments, coil inductance and resistance, FEM-coupled winding, and power supply configuration—based on [11].
Energies 19 00661 g006
Figure 7. PMDC motor prototype.
Figure 7. PMDC motor prototype.
Energies 19 00661 g007
Figure 8. Time-domain waveforms obtained from simulations at rotational speeds of 850 and 1000 r/min: electromagnetic torque Te, armature current Ia, and current Ic3 of a selected armature coil. The waveform Ic3 illustrates the commutation event as a rapid current reversal associated with the switching action of the brush–commutator system.
Figure 8. Time-domain waveforms obtained from simulations at rotational speeds of 850 and 1000 r/min: electromagnetic torque Te, armature current Ia, and current Ic3 of a selected armature coil. The waveform Ic3 illustrates the commutation event as a rapid current reversal associated with the switching action of the brush–commutator system.
Energies 19 00661 g008
Figure 9. Experimental steady-state speed–torque and armature current–torque characteristics of the tested PMDC motor.
Figure 9. Experimental steady-state speed–torque and armature current–torque characteristics of the tested PMDC motor.
Energies 19 00661 g009
Table 1. Finite element mesh parameters used in the PMDC motor simulation.
Table 1. Finite element mesh parameters used in the PMDC motor simulation.
RegionElement TypeMax Element SizeMesh DensityDescription
Air gapTriangular0.1 mmFineCritical area due to high magnetic field gradient
Remaining domainTriangular0.5 mmCoarseIncludes stator, magnets, rotor, and windings
Table 2. Electrical parameters of the winding between commutator segments.
Table 2. Electrical parameters of the winding between commutator segments.
ParameterValue
Inductance41.4 μH
Resistance0.06 Ω
Table 3. Rated parameters of the tested PMDC motor.
Table 3. Rated parameters of the tested PMDC motor.
ParameterSymbolValue
Rated armature voltageUN24 V
Rated armature currentIN15 A
Rated speednN850 r/min
Rated electromagnetic torqueTN2.0 N·m
Rated output powerPN180 W
Table 4. Comparison of experimental and simulated results.
Table 4. Comparison of experimental and simulated results.
QuantitySpeedExperimentSimulationError [%]
Te1000 r/min1.945 N·m1.85 N·m4.89
850 r/min2.181 N·m2.10 N·m3.72
Ia1000 r/min13.7 A15.8 A15.33
850 r/min15.2 A18.2 A19.74
Disclaimer/Publisher’s Note: The statements, opinions and data contained in all publications are solely those of the individual author(s) and contributor(s) and not of MDPI and/or the editor(s). MDPI and/or the editor(s) disclaim responsibility for any injury to people or property resulting from any ideas, methods, instructions or products referred to in the content.

Share and Cite

MDPI and ACS Style

Strączyński, P.; Różowicz, S.; Suchenia, K.; Gruszka, Ł.; Baran, K. Field–Circuit Model of a Novel PMDC Motor with Rectangular NdFeB Permanent Magnets in Ansys Maxwell. Energies 2026, 19, 661. https://doi.org/10.3390/en19030661

AMA Style

Strączyński P, Różowicz S, Suchenia K, Gruszka Ł, Baran K. Field–Circuit Model of a Novel PMDC Motor with Rectangular NdFeB Permanent Magnets in Ansys Maxwell. Energies. 2026; 19(3):661. https://doi.org/10.3390/en19030661

Chicago/Turabian Style

Strączyński, Paweł, Sebastian Różowicz, Karol Suchenia, Łukasz Gruszka, and Krzysztof Baran. 2026. "Field–Circuit Model of a Novel PMDC Motor with Rectangular NdFeB Permanent Magnets in Ansys Maxwell" Energies 19, no. 3: 661. https://doi.org/10.3390/en19030661

APA Style

Strączyński, P., Różowicz, S., Suchenia, K., Gruszka, Ł., & Baran, K. (2026). Field–Circuit Model of a Novel PMDC Motor with Rectangular NdFeB Permanent Magnets in Ansys Maxwell. Energies, 19(3), 661. https://doi.org/10.3390/en19030661

Note that from the first issue of 2016, this journal uses article numbers instead of page numbers. See further details here.

Article Metrics

Back to TopTop