Sign in to use this feature.

Years

Between: -

Subjects

remove_circle_outline
remove_circle_outline
remove_circle_outline
remove_circle_outline
remove_circle_outline
remove_circle_outline
remove_circle_outline
remove_circle_outline
remove_circle_outline

Journals

remove_circle_outline
remove_circle_outline
remove_circle_outline
remove_circle_outline
remove_circle_outline
remove_circle_outline
remove_circle_outline
remove_circle_outline
remove_circle_outline
remove_circle_outline
remove_circle_outline
remove_circle_outline
remove_circle_outline
remove_circle_outline
remove_circle_outline
remove_circle_outline
remove_circle_outline

Article Types

Countries / Regions

remove_circle_outline
remove_circle_outline
remove_circle_outline
remove_circle_outline
remove_circle_outline
remove_circle_outline

Search Results (1,241)

Search Parameters:
Keywords = construction digital integration

Order results
Result details
Results per page
Select all
Export citation of selected articles as:
18 pages, 6931 KB  
Article
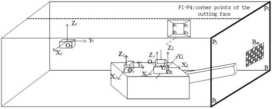
Research on Multi-Sensor Data Fusion Based Real-Scene 3D Reconstruction and Digital Twin Visualization Methodology for Coal Mine Tunnels
by Hongda Zhu, Jingjing Jin and Sihai Zhao
Sensors 2025, 25(19), 6153; https://doi.org/10.3390/s25196153 (registering DOI) - 4 Oct 2025
Abstract
This paper proposes a multi-sensor data-fusion-based method for real-scene 3D reconstruction and digital twin visualization of coal mine tunnels, aiming to address issues such as low accuracy in non-photorealistic modeling and difficulties in feature object recognition during traditional coal mine digitization processes. The [...] Read more.
This paper proposes a multi-sensor data-fusion-based method for real-scene 3D reconstruction and digital twin visualization of coal mine tunnels, aiming to address issues such as low accuracy in non-photorealistic modeling and difficulties in feature object recognition during traditional coal mine digitization processes. The research employs cubemap-based mapping technology to project acquired real-time tunnel images onto six faces of a cube, combined with navigation information, pose data, and synchronously acquired point cloud data to achieve spatial alignment and data fusion. On this basis, inner/outer corner detection algorithms are utilized for precise image segmentation, and a point cloud region growing algorithm integrated with information entropy optimization is proposed to realize complete recognition and segmentation of tunnel planes (e.g., roof, floor, left/right sidewalls) and high-curvature feature objects (e.g., ventilation ducts). Furthermore, geometric dimensions extracted from segmentation results are used to construct 3D models, and real-scene images are mapped onto model surfaces via UV (U and V axes of texture coordinate) texture mapping technology, generating digital twin models with authentic texture details. Experimental validation demonstrates that the method performs excellently in both simulated and real coal mine environments, with models capable of faithfully reproducing tunnel spatial layouts and detailed features while supporting multi-view visualization (e.g., bottom view, left/right rotated views, front view). This approach provides efficient and precise technical support for digital twin construction, fine-grained structural modeling, and safety monitoring of coal mine tunnels, significantly enhancing the accuracy and practicality of photorealistic 3D modeling in intelligent mining applications. Full article
(This article belongs to the Section Sensing and Imaging)
Show Figures

Figure 1

31 pages, 3755 KB  
Article
Perception Evaluation and Optimization Strategies of Pedestrian Space in Beijing Fayuan Temple Historic and Cultural District
by Qin Li, Yanwei Li, Qiuyu Li, Shaomin Peng, Yijun Liu and Wenlong Li
Buildings 2025, 15(19), 3574; https://doi.org/10.3390/buildings15193574 - 3 Oct 2025
Abstract
With the rapid development of urbanization and tourism in China, increasing attention has been paid to the protection and utilization of historical and cultural heritage, while tourists’ demands for travel experiences have gradually shifted towards in-depth cultural perception. This paper selects Beijing Fayuan [...] Read more.
With the rapid development of urbanization and tourism in China, increasing attention has been paid to the protection and utilization of historical and cultural heritage, while tourists’ demands for travel experiences have gradually shifted towards in-depth cultural perception. This paper selects Beijing Fayuan Temple Historic and Cultural District as the research case, and adopts methods such as the LDA (Latent Dirichlet Allocation) topic model, collection and analysis of online text data, and field research to explore the current situation of pedestrian space in Fayuan Temple District and its optimization strategies from the perspective of tourists’ perception. The study found that the dimensions of tourists’ perception of the pedestrian space in Fayuan Temple District mainly include six aspects: historical buildings and relics, tour modes and transportation, natural landscapes and environment, historical figures and culture, residents’ life and activities, and tourists’ experiences and visits. By integrating online text data, questionnaire surveys, and on-site behavioral observations, the study constructed a “physical environment-cultural experience-behavioral network” three-dimensional IPA (Importance–Possession Analysis) evaluation model, and analyzed and evaluated the high-frequency perception elements in tourists’ spontaneous evaluations. Based on the current situation evaluation of the pedestrian space in Fayuan Temple District, this paper puts forward optimization strategies for the perception of pedestrian space from the aspects of block space, transportation usage, landscape ecology, digital technology, and cultural symbol translation. It aims to promote the high-quality development of historical blocks by improving and optimizing the pedestrian space, and achieve the dual goals of cultural inheritance and utilization of tourism resources. Full article
(This article belongs to the Section Architectural Design, Urban Science, and Real Estate)
Show Figures

Figure 1

19 pages, 515 KB  
Article
The Experience Paradox: Problematizing a Common Digital Trace Proxy on Crowdfunding Platforms
by Ohsung Kim and Jungwon Lee
J. Theor. Appl. Electron. Commer. Res. 2025, 20(4), 270; https://doi.org/10.3390/jtaer20040270 - 3 Oct 2025
Abstract
Information Systems (ISs) research frequently relies on digital trace data, often using simple activity counts as proxies for complex latent constructs like ‘experience’. However, the validity of such proxies is often assumed rather than critically scrutinized. This study problematizes this practice by treating [...] Read more.
Information Systems (ISs) research frequently relies on digital trace data, often using simple activity counts as proxies for complex latent constructs like ‘experience’. However, the validity of such proxies is often assumed rather than critically scrutinized. This study problematizes this practice by treating a common proxy—a creator’s prior project count on Kickstarter—not as a measure of experience, but as a focal signal whose meaning is inherently ambiguous and context-dependent. By analyzing large-scale data (N ≈ 16,407 projects), we uncover a nuanced ‘experience paradox.’ The proxy exhibits a significant inverted-U association with backer mobilization and non-linearly moderates the value of other positive signals. Strikingly, it also maintains a persistent negative direct association with total funding, with its meaning varying significantly across project categories. These findings reveal the profound ambiguity of seemingly objective digital traces. Our primary contribution is methodological and theoretical: we provide a robust empirical critique of naive proxy use and refine signaling theory for digital contexts by integrating it with cognitive limitations and contextual factors. We urge IS scholars to develop more sophisticated measurement models and offer specific, evidence-based cautions for platform managers against the simplistic use of activity metrics in the digital economy. Full article
Show Figures

Figure 1

26 pages, 1520 KB  
Article
Terminal Forensics in Mobile Botnet Command and Control Detection Using a Novel Complex Picture Fuzzy CODAS Algorithm
by Geng Niu, Fei Zhang and Muyuan Guo
Symmetry 2025, 17(10), 1637; https://doi.org/10.3390/sym17101637 - 3 Oct 2025
Abstract
Terminal forensics in large mobile networks is a vital activity for identifying compromised devices and analyzing malicious actions. In contrast, the study described here begins with the domain of terminal forensics as the primary focus, rather than the threat itself. This paper proposes [...] Read more.
Terminal forensics in large mobile networks is a vital activity for identifying compromised devices and analyzing malicious actions. In contrast, the study described here begins with the domain of terminal forensics as the primary focus, rather than the threat itself. This paper proposes a new multi-criteria decision-making (MCDM) model that integrates complex picture fuzzy sets (CPFS) with the combinative distance-based assessment (CODAS), referred to throughout as complex picture fuzzy CODAS (CPF-CODAS). The aim is to assist in forensic analysis for detecting mobile botnet command and control (C&C) systems. The CPF-CODAS model accounts for the uncertainty, hesitation, and complex numerical values involved in expert decision-making, using degrees of membership as positive, neutral, and negative values. An illustrative forensic case study is constructed where three mobile devices are evaluated by three cybersecurity professionals based on six key parameters related to botnet activity. The results demonstrate that the model can effectively distinguish suspicious devices and support the use of the CPF-CODAS approach in terminal forensics of mobile networks. The robustness, symmetry, and advantages of this model over existing MCDM methods are confirmed through sensitivity and comparison analyses. In conclusion, this paper introduces a novel probabilistic decision-support tool that digital forensic specialists can incorporate into their workflow to proactively identify and prevent actions of mobile botnet C&C servers. Full article
(This article belongs to the Section Mathematics)
Show Figures

Figure 1

45 pages, 2430 KB  
Article
Adolescent Smartphone Overdependence in South Korea: A Place-Stratified Evaluation of Conceptually Informed AI/ML Modeling
by Andrew H. Kim, Uibin Lee, Yohan Cho, Sangmi Kim and Vatsal Shah
Int. J. Environ. Res. Public Health 2025, 22(10), 1515; https://doi.org/10.3390/ijerph22101515 - 2 Oct 2025
Abstract
Smartphone overdependence among South Korean adolescents, affecting nearly 40%, poses a growing public health concern, with usage patterns varying by regional context. Leveraging conceptually informed AI/ML models, this study (1) develops a high-performing low-risk screening tool to monitor disease burden, (2) leverages AI/ML [...] Read more.
Smartphone overdependence among South Korean adolescents, affecting nearly 40%, poses a growing public health concern, with usage patterns varying by regional context. Leveraging conceptually informed AI/ML models, this study (1) develops a high-performing low-risk screening tool to monitor disease burden, (2) leverages AI/ML to explore psychologically meaningful constructs, and (3) provides place-based policy implication profiles to inform public health policy. This study uses data from 1873 adolescents in the 2023 Smartphone Overdependence Survey by the National Information Society Agency (NISA) in South Korea. Across the sample, the adolescents were about 14 years old (SD = 2.4) and equally distributed by sex (48.1% male). We then conceptually selected 131 features across two domains and 10 identified constructs. A nested modeling approach identified a low-risk screening tool using 59 features that achieved strong predictive accuracy (AUC = 81.5%), with Smartphone Use Case features contributing approximately 20% to performance. Construct-specific models confirmed the importance of Smartphone Use Cases, Perceived Digital Competence and Risk, and Consequences and Dependence (AUC range: 80.6–89.1%) and uncovered cognitive patterns warranting further study. Place-stratified analysis revealed substantial regional variation in model performance (AUC range: 71.4–91.1%) and distinct local feature importance. Overall, this study demonstrated the value of integrating conceptual frameworks with AI/ML to detect adolescent smartphone overdependence, offering novel approaches to monitoring disease burden, advancing construct-level insights, and providing targeted place-based public health policy recommendations within the South Korean context. Full article
(This article belongs to the Special Issue Problematic Internet and Smartphone Use as a Public Health Concern)
26 pages, 2248 KB  
Article
Exploring Critical Success Factors of AI-Integrated Digital Twins on Saudi Construction Project Deliverables: A PLS-SEM Approach
by Aljawharah A. Alnaser and Haytham Elmousalami
Buildings 2025, 15(19), 3543; https://doi.org/10.3390/buildings15193543 - 2 Oct 2025
Abstract
Artificial intelligence-enhanced digital twins are widely acknowledged as effective instruments for facilitating digital transformation in the building industry. Nonetheless, their implementation remains uneven, with little knowledge regarding the organizational conditions that convert these technologies into enhanced project outcomes. This study investigates the critical [...] Read more.
Artificial intelligence-enhanced digital twins are widely acknowledged as effective instruments for facilitating digital transformation in the building industry. Nonetheless, their implementation remains uneven, with little knowledge regarding the organizational conditions that convert these technologies into enhanced project outcomes. This study investigates the critical success factors (CSFs) that shape the effectiveness of AI-integrated digital twins in Saudi Arabia’s construction industry. A hierarchical structural equation model was developed to capture three dimensions of CSFs, including human-centric, technological, and governance-related, and to evaluate their impact on project deliverables, including time, cost, resource utilization, quality, and risk. Data from a survey of 120 industry professionals were assessed utilizing a PLS-SEM approach, incorporating rigorous measurement and structural assessments. Results indicate that technology and infrastructural factors have the most significant impact on critical success factors, followed by governance and human-related enablers. Consequently, CSFs substantially forecast project outcomes, mediating the influences of all three domains. These findings underscore the importance of investing in data quality, scalable infrastructure, and governance frameworks, complemented by workforce training and incentives, to realize the benefits of AI-enabled digital transformations fully. The study presents a validated paradigm that elucidates how enabling conditions enhance performance improvements, providing practical direction for industry players and policymakers. Full article
(This article belongs to the Special Issue The Power of Knowledge in Enhancing Construction Project Delivery)
Show Figures

Figure 1

28 pages, 599 KB  
Article
Influencing Factors of Behavioral Intention to Use Cloud Technologies in Small–Medium Enterprises
by Fotios Nikolopoulos and Spiridon Likothanassis
J. Theor. Appl. Electron. Commer. Res. 2025, 20(4), 264; https://doi.org/10.3390/jtaer20040264 - 2 Oct 2025
Abstract
As small–medium-sized enterprises (SMEs) increasingly adopt cloud technologies, understanding the factors influencing this shift is crucial as it helps to optimize cloud integration strategies, enabling SMEs to thrive in today’s digital economy. A cross-sectional, quantitative survey was conducted in February 2022 on 626 [...] Read more.
As small–medium-sized enterprises (SMEs) increasingly adopt cloud technologies, understanding the factors influencing this shift is crucial as it helps to optimize cloud integration strategies, enabling SMEs to thrive in today’s digital economy. A cross-sectional, quantitative survey was conducted in February 2022 on 626 employees of SMEs in the USA, based on the TAM-2, TAM-3, and UTAUT-2 models. The questionnaire presented satisfactory reliability, as well as factorial and convergent validity. Employees presented positive behavioral intentions to use cloud technologies, particularly during the COVID-19 period. SMEs were satisfied with the use of Software as a Service (SaaS), Infrastructure as a Service (IaaS), and the public cloud development model in the wake of the COVID-19 period. Behavioral intention to use cloud technologies was linked with higher performance and effort expectancy, price, perceived enjoyment, computer self-efficacy, and social influence. A higher behavioral intention was observed in employees (a) with a mid–top-level role; (b) who worked in finance and insurance, information services data, construction, or software and in an SME with 26–500 employees; (c) who had a master’s degree; (d) were 35–44 years old; and (e) had family obligations. Higher experience with the use of cloud technologies enhanced the positive impacts of effort expectancy, computer self-efficacy, and perceived enjoyment on behavioral intention. Full article
(This article belongs to the Section Digital Business Organization)
Show Figures

Figure 1

22 pages, 2187 KB  
Review
Artificial Intelligence and Digital Twins for Bioclimatic Building Design: Innovations in Sustainability and Efficiency
by Ekaterina Filippova, Sattar Hedayat, Tina Ziarati and Matteo Manganelli
Energies 2025, 18(19), 5230; https://doi.org/10.3390/en18195230 - 1 Oct 2025
Abstract
The integration of artificial intelligence (AI) into bioclimatic building design is reshaping the architecture, engineering, and construction (AEC) industry by addressing critical challenges in sustainability and efficiency. By aligning structures with local climates, bioclimatic design addresses global challenges such as energy consumption, urbanization, [...] Read more.
The integration of artificial intelligence (AI) into bioclimatic building design is reshaping the architecture, engineering, and construction (AEC) industry by addressing critical challenges in sustainability and efficiency. By aligning structures with local climates, bioclimatic design addresses global challenges such as energy consumption, urbanization, and climate change. Complementing these principles, AI technologies—including machine learning, digital twins, and generative algorithms—are revolutionizing the sector by optimizing processes across the entire building lifecycle, from design and construction to operation and maintenance. Amid the diverse array of AI-driven innovations, this research highlights digital twin (DT) technologies as a key to AI-driven transformation, enabling real-time monitoring, simulation, and optimization for sustainable design. Applications like façade optimization, energy flow analysis, and predictive maintenance showcase their role in adaptive architecture, while frameworks like Construction 4.0 and 5.0 promote human-centric, data-driven sustainability. By bridging AI with bioclimatic design, the findings contribute to a vision of a built environment that seamlessly aligns environmental sustainability with technological advancement and societal well-being, setting new standards for adaptive and resilient architecture. Despite the immense potential, AI and DTs face challenges like high computational demands, regulatory barriers, interoperability and skill gaps. Overcoming these challenges will be crucial for maximizing the impact on sustainable building, requiring ongoing research to ensure scalability, ethics, and accessibility. Full article
(This article belongs to the Special Issue New Insights into Hybrid Renewable Energy Systems in Buildings)
Show Figures

Figure 1

41 pages, 724 KB  
Article
The Impact of Integrity-Related Factors on Consumer Shopping Intention. An Interactive Marketing Approach Based on Digital Integrity Model
by Nicoleta-Valentina Florea, Gabriel Croitoru and Aurelia-Aurora Diaconeasa
J. Theor. Appl. Electron. Commer. Res. 2025, 20(4), 262; https://doi.org/10.3390/jtaer20040262 - 1 Oct 2025
Abstract
The purpose of this study is to examine the impact of integrity-related considerations, such as ethics, privacy, protection, security, and trust, on online consumer shopping intention within the interactive marketing environment. To achieve this, the research uses partial least squares structural equation modelling [...] Read more.
The purpose of this study is to examine the impact of integrity-related considerations, such as ethics, privacy, protection, security, and trust, on online consumer shopping intention within the interactive marketing environment. To achieve this, the research uses partial least squares structural equation modelling (PLS-SEM), analysing data from a sample of 260 respondents collected through an online survey. The findings reveal that protection is the most influential factor driving consumer buying intentions, followed by trust, ethics and security. Privacy, while significant, has a more moderate influence on consumer behaviour compared to other factors. The study makes a key theoretical contribution by advancing the understanding of how these constructs interact to shape consumer behaviour in the digital marketplace, particularly highlighting the importance of data protection and ethical practices. Practically, the research offers actionable recommendations for e-commerce businesses, based on building a digital integrity model, suggesting the focus on enhancing data security and ethical transparency to build consumer trust. Furthermore, the findings highlight the need for policymakers to strengthen data privacy regulations and harmonise international security standards in e-commerce. Future research should consider longitudinal studies and explore these dynamics in different regulatory environments. Full article
Show Figures

Figure 1

26 pages, 842 KB  
Article
Exploring Customer Perceptions of Business Model Innovation in Family Economic Groups: Evidence from Ecuador
by Ana Belén Tulcanaza-Prieto, Alexandra Cortez-Ordoñez, Jairo Rivera and Chang Won Lee
Sustainability 2025, 17(19), 8793; https://doi.org/10.3390/su17198793 - 30 Sep 2025
Abstract
This study investigates the determinants of customers’ perception of business model innovation (BMI) and its impact on customer satisfaction (CS), customer loyalty (CL), and firm sustainability (FS) within Ecuadorian family economic groups (EFEGs). It also examines the moderating role of perceived BMI in [...] Read more.
This study investigates the determinants of customers’ perception of business model innovation (BMI) and its impact on customer satisfaction (CS), customer loyalty (CL), and firm sustainability (FS) within Ecuadorian family economic groups (EFEGs). It also examines the moderating role of perceived BMI in the relationships between CS, CL, and FS. Data were collected through an online survey yielding 342 valid responses, using a structured instrument that included socio-demographic variables, perceived EFEG characteristics, and nine validated constructs. Reliability and validity were corroborated through exploratory and confirmatory factor analyses, while structural equation modeling (SEM) and multiple regression analyses were employed to test the proposed relationships. The results reveal that socially responsible consumption (SRC), technological/digital customer skills (TCS), value creation innovativeness (VCrI), value proposition innovativeness (VPI), and value capture innovativeness (VCI) significantly influence customers’ perception of BMI. In turn, BMI positively influences CS, CL, and FS, and moderates the relationships between CS and FS, and CL and FS, though it does not significantly moderate the CS–CL relationship. These findings are consistent with previous research on European family firms, emphasizing the relevance of innovation capabilities, entrepreneurial orientation, and socioemotional wealth in enhancing adaptability and performance in family-owned businesses. This study contributes novel empirical evidence on BMI in the context of an emerging economy dominated by family firms. It underscores BMI as a dynamic capability crucial for fostering customer engagement, improving competitiveness, and ensuring long-term sustainability. Managerial implications suggest that EFEG managers should prioritize digital integration, service innovation, and transparency to strengthen customer trust and loyalty. Future research should broaden the scope to include other Latin American contexts, integrate internal organizational perspectives, and explore intergenerational dynamics and digital transformation processes to deepen understanding of BMI in family business ecosystems. Full article
39 pages, 1103 KB  
Article
Digitalization and Culture–Tourism Integration in China: The Moderated Mediation Effects of Employment Quality, Infrastructure, and New-Quality Productivity
by Kahaer Abula and Yusupu Aihemaiti
Sustainability 2025, 17(19), 8792; https://doi.org/10.3390/su17198792 - 30 Sep 2025
Abstract
The digital economy is significantly transforming the global economic environment and has emerged as the primary driver behind China’s high-quality development. The comprehensive melding of the cultural and tourism sectors (CTI) serves as a strategic approach to boost regional competitiveness and enhance public [...] Read more.
The digital economy is significantly transforming the global economic environment and has emerged as the primary driver behind China’s high-quality development. The comprehensive melding of the cultural and tourism sectors (CTI) serves as a strategic approach to boost regional competitiveness and enhance public welfare. This study investigates the mechanisms and boundary conditions through which the growth of the digital economy across China’s 31 provinces from 2011 to 2023 impacts CTI, aiming to address existing research gaps related to micro-level transmission mechanisms and the analysis of contextual variables. Utilizing a two-way fixed-effects moderated mediation model complemented by instrumental variable (IV-2SLS) regression for testing endogeneity, the research uncovers intricate interactions among the digital economy, CTI, and significant influencing factors. The results strongly suggest that advancements in the digital economy substantially facilitate the integration of cultural and tourism sectors. This beneficial effect is partially mediated through two primary channels: the construction of new infrastructure and enhancements in employment quality, underscoring the critical role of both material and human capital in digital empowerment. Significantly, this research uniquely identifies that new quality productive forces (NQP) have a notable negative moderating impact on the link between the digital economy and cultural–tourism integration. This indicates that in provinces exhibiting high levels of NQP, the positive influence of the digital economy on cultural–tourism integration is considerably diminished. This unexpected finding can be interpreted through mechanisms such as resource dilution, varied integration pathways or maturity effects, along with differences in developmental stages and priorities. Furthermore, it resonates well with the resource-based view, innovation ecosystem theory, and dynamic capability theory. Instrumental variable regression further substantiates the notable positive influence of the digital economy on the integration of cultural tourism. This approach effectively tackles potential endogeneity concerns and reveals the upward bias that may exist in fixed-effects models. The findings contribute significantly to theoretical frameworks by enhancing the understanding of the intricate mechanisms facilitating the digital economy and, for the first time, innovatively designating NQP as a surprising key boundary condition. This enriches theories related to industrial advancement and resource allocation in the digital age. On a practical note, the research provides nuanced and differentiated policy guidance aimed at optimizing pathways for integration across various Chinese provinces at different stages of development. Additionally, it underscores significant implications for other developing nations engaged in digital tourism growth, thereby improving its global relevance. Full article
16 pages, 4415 KB  
Article
Use of a Pathomics Signature to Predict the Prognosis of Hepatocellular Carcinoma with Cirrhosis: A Multicentre Retrospective Study
by Ting Wang, Jixiang Zheng, Lingling Guo, Jiawen Fan, Yubin Lu, Zhen Peng, Yanfeng Zhong, Zhengjun Zhou and Erbao Chen
Cancers 2025, 17(19), 3192; https://doi.org/10.3390/cancers17193192 - 30 Sep 2025
Abstract
Background: Hepatocellular carcinoma (HCC) is a highly aggressive and heterogeneous malignancy which predominantly arises in the setting of cirrhosis, and there is lack of models to predict prognosis in cirrhotic HCC. This study aims to develop and validate a prediction model based on [...] Read more.
Background: Hepatocellular carcinoma (HCC) is a highly aggressive and heterogeneous malignancy which predominantly arises in the setting of cirrhosis, and there is lack of models to predict prognosis in cirrhotic HCC. This study aims to develop and validate a prediction model based on the pathomics signature and clinicopathological characteristics to predict the prognosis of HCC with cirrhosis. Methods: In this multicenter, retrospective study, 389 patients were enrolled (training cohort: 268; independent validation cohort: 121). A total of 351 pathomics features were extracted from digital H-E–stained images, and a pathomics signature (PSHCC) was constructed using a least absolute shrinkage and selection operator Cox regression model. Then two nomograms were established by combining the PSHCC and clinicopathological characteristics. Further validation was performed in the validation cohort. Results: This study included 389 patients. A 24 feature-based PSHCC was constructed. A higher PSHCC was significantly associated with worse OS and DFS in both the training (OS: hazard ratio [HR], 4.341 [95% CI, 3.109–6.062]; DFS: HR, 3.058 [95% CI, 2.223–4.207]) and validation (OS: HR, 4.145 [95% CI, 2.357–7.291]; DFS: HR, 3.395 [95% CI, 2.104–5.479]) cohorts (p < 0.001 for all comparisons). Multivariable analysis revealed that the PSHCC was an independent factor associated with OS and DFS. Integrating the PSHCC into pathomics nomograms resulted in better performance for prognosis prediction than the traditional model in both cohorts. Conclusions: The PSHCC may serve as a reliable surrogate for prognosis, and the nomograms offer promising tools to predict individual outcomes, facilitating personalized management of HCC with cirrhosis. Full article
(This article belongs to the Section Cancer Biomarkers)
29 pages, 618 KB  
Review
End-of-Life Strategies for Wind Turbines: Blade Recycling, Second-Life Applications, and Circular Economy Integration
by Natalia Cieślewicz, Krzysztof Pilarski and Agnieszka A. Pilarska
Energies 2025, 18(19), 5182; https://doi.org/10.3390/en18195182 - 29 Sep 2025
Abstract
Wind power is integral to the transformation of energy systems towards sustainability. However, the increasing number of wind turbines approaching the end of their service life presents significant challenges in terms of waste management and environmental sustainability. Rotor blades, typically composed of thermoset [...] Read more.
Wind power is integral to the transformation of energy systems towards sustainability. However, the increasing number of wind turbines approaching the end of their service life presents significant challenges in terms of waste management and environmental sustainability. Rotor blades, typically composed of thermoset polymer composites reinforced with glass or carbon fibres, are particularly problematic due to their low recyclability and complex material structure. The aim of this article is to provide a system-level review of current end-of-life strategies for wind turbine components, with particular emphasis on blade recycling and decision-oriented comparison, and its integration into circular economy frameworks. The paper explores three main pathways: operational life extension through predictive maintenance and design optimisation; upcycling and second-life applications; and advanced recycling techniques, including mechanical, thermal, and chemical methods, and reports qualitative/quantitative indicators together with an indicative Technology Readiness Level (TRL). Recent innovations, such as solvolysis, microwave-assisted pyrolysis, and supercritical fluid treatment, offer promising recovery rates but face technological and economic as well as environmental compliance limitations. In parallel, the review considers deployment maturity and economics, including an indicative mapping of cost and deployment status to support decision-making. Simultaneously, reuse applications in the construction and infrastructure sectors—such as concrete additives or repurposed structural elements—demonstrate viable low-energy alternatives to full material recovery, although regulatory barriers remain. The study also highlights the importance of systemic approaches, including Extended Producer Responsibility (EPR), Digital Product Passports and EU-aligned policy/finance instruments, and cross-sectoral collaboration. These instruments are essential for enhancing material traceability and fostering industrial symbiosis. In conclusion, there is no universal solution for wind turbine blade recycling. Effective integration of circular principles will require tailored strategies, interdisciplinary research, and bankable policy support. Addressing these challenges is crucial for minimising the environmental footprint of the wind energy sector. Full article
(This article belongs to the Collection Feature Papers in Energy, Environment and Well-Being)
Show Figures

Figure 1

24 pages, 2865 KB  
Review
Technological Innovations in Sustainable Civil Engineering: Advanced Materials, Resilient Design, and Digital Tools
by Carlos A. Ligarda-Samanez, Mary L. Huamán-Carrión, Domingo J. Cabel-Moscoso, Doris Marlene Muñoz Sáenz, Jaime Antonio Martinez Hernandez, Antonina J. Garcia-Espinoza, Dante Fermín Calderón Huamaní, Carlos Carrasco-Badajoz, Darwin Pino Cordero, Reynaldo Sucari-León and Yolanda Aroquipa-Durán
Sustainability 2025, 17(19), 8741; https://doi.org/10.3390/su17198741 - 29 Sep 2025
Abstract
Civil engineering today faces the challenge of responding to climate change, rapid urbanization, and the need to reduce environmental impacts. These factors drive the search for more sustainable approaches and the adoption of digital technologies. This article addresses three principal dimensions: advanced low-impact [...] Read more.
Civil engineering today faces the challenge of responding to climate change, rapid urbanization, and the need to reduce environmental impacts. These factors drive the search for more sustainable approaches and the adoption of digital technologies. This article addresses three principal dimensions: advanced low-impact materials, resilient structural designs, and digital tools applied throughout the infrastructure life cycle. To this end, a systematic search was conducted considering studies published between 2020 and 2025, including both experimental and review works. The results show that materials such as geopolymers, biopolymers, natural fibers, and nanocomposites can significantly reduce the carbon footprint; however, they still face regulatory, cost, and adoption barriers. Likewise, modular, adaptable, and performance-based design proposals enhance infrastructure resilience against extreme climate events. Finally, digital tools such as Building Information Modeling, digital twins, artificial intelligence, the Internet of Things, and 3D printing provide improvements in planning, construction, and maintenance, though with limitations related to interoperability, investment, and training. In conclusion, the integration of materials, design, and digitalization presents a promising pathway toward safer, more resilient, and sustainable infrastructure, aligning with the Sustainable Development Goals and the concept of smart cities. Full article
Show Figures

Figure 1

23 pages, 2269 KB  
Review
A Review of Human–Robot Collaboration Safety in Construction
by Peng Lin, Ningshuang Zeng, Qiming Li and Konrad Nübel
Systems 2025, 13(10), 856; https://doi.org/10.3390/systems13100856 - 29 Sep 2025
Abstract
Integrating human–robot collaboration (HRC) into construction sites has significantly enhanced efficiency and quality. However, it also introduces new or intensifies existing risks as it brings in new entities, relationships, and construction activities. Safety remains the top priority and a persistent concern in HRC [...] Read more.
Integrating human–robot collaboration (HRC) into construction sites has significantly enhanced efficiency and quality. However, it also introduces new or intensifies existing risks as it brings in new entities, relationships, and construction activities. Safety remains the top priority and a persistent concern in HRC systems. However, the current literature on human–robot collaboration safety (HRCS) is vast yet fragmented, and a systematic exploration of its status and research trends in the construction context is still lacking. This paper explores advances in HRCS over the past two decades through a mixed quantitative and qualitative analysis method. Initially, 287 related articles were identified by keyword-searching in Scopus, followed by bibliometric analysis using CiteSpace to uncover the knowledge structure and track emerging research trends. Subsequently, a qualitative discussion highlights achievements in HRCS across five dimensions: (1) optimization of remote intelligent machinery; (2) hazard analysis and risk assessment in HRCS; (3) digital twin for safety monitoring; (4) cognitive and psychological impacts; (5) organizational management perspective. This study quantitatively maps the scientific landscape of HRCS at a macro level and qualitatively identifies key research areas. It provides a comprehensive foundation for understanding the evolution of HRCS and exploring future research directions and applications. Full article
Show Figures

Figure 1

Back to TopTop