Sign in to use this feature.

Years

Between: -

Subjects

remove_circle_outline
remove_circle_outline
remove_circle_outline
remove_circle_outline
remove_circle_outline

Journals

Article Types

Countries / Regions

Search Results (10)

Search Parameters:
Keywords = buses with different power plants

Order results
Result details
Results per page
Select all
Export citation of selected articles as:
24 pages, 3697 KB  
Article
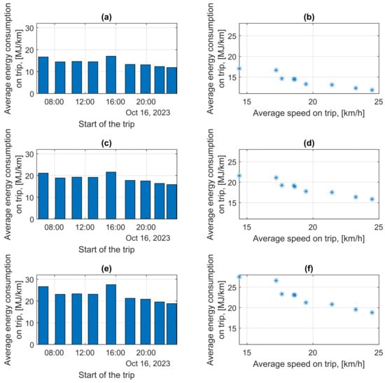
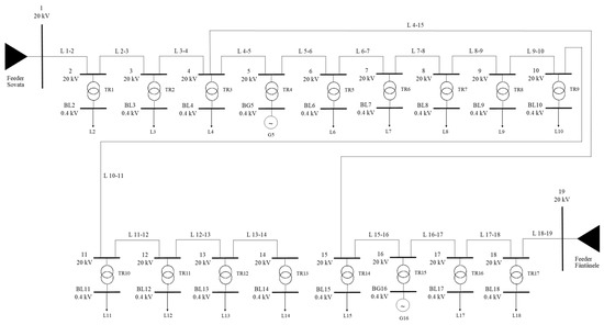
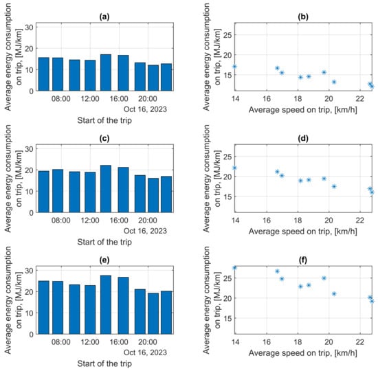
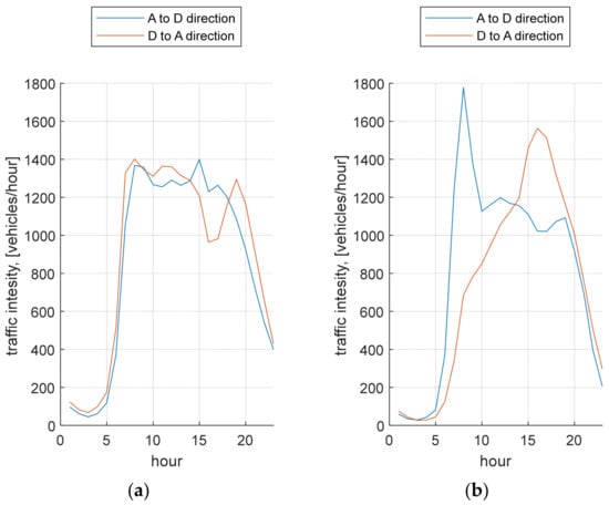
Study of the Energy Consumption of Buses with Different Power Plants in Urban Traffic Conditions
by Miroslaw Smieszek, Vasyl Mateichyk, Jakub Mosciszewski and Nataliia Kostian
Energies 2025, 18(24), 6611; https://doi.org/10.3390/en18246611 - 18 Dec 2025
Abstract
Public transport still uses vehicles powered by fossil fuels. Replacing the fleet with zero-emission vehicles will take many years. During this period, it is still necessary to carry out work aimed at reducing energy consumption and thus the emission of toxic substances into [...] Read more.
Public transport still uses vehicles powered by fossil fuels. Replacing the fleet with zero-emission vehicles will take many years. During this period, it is still necessary to carry out work aimed at reducing energy consumption and thus the emission of toxic substances into the atmosphere. An important part of this work is the study of the relationship between energy demand of buses with different power plants and urban traffic conditions. These conditions include traffic intensity, average and maximum speeds, and number of stops. The VSP (Vehicle-Specific Power) model is useful in research on this relationship. In this article, such research was carried out using data from public bus monitoring and data provided by the city authorities of Rzeszów. In the first stage, a VSP model was created and tuned for three buses with different power plants operating on selected routes. Then, as a result of a large number of simulation processes, the impact of the average speed on the energy demand was determined. The results of the conducted research can be used in the modernization or planning of public transport networks and the modification of road infrastructure. All these activities should contribute to reducing energy consumption and environmental pollution. Full article
(This article belongs to the Section A: Sustainable Energy)
Show Figures

Figure 1

54 pages, 5731 KB  
Article
Impact of Multi-Energy System and Different Control Strategies on a Generic Low-Voltage Distribution Grid
by Tanja M. Kneiske
Electronics 2024, 13(13), 2545; https://doi.org/10.3390/electronics13132545 - 28 Jun 2024
Cited by 2 | Viewed by 1411
Abstract
The rising electricity costs, cost of space heating, and domestic hot water end up driving consumers toward reducing expenses by generating their electricity through devices like photovoltaic systems and efficient combined heat and power plants. When coupled with thermal systems via an energy [...] Read more.
The rising electricity costs, cost of space heating, and domestic hot water end up driving consumers toward reducing expenses by generating their electricity through devices like photovoltaic systems and efficient combined heat and power plants. When coupled with thermal systems via an energy management system (EMS) in a Multi-Energy System (MES), this self-produced electricity can effectively lower electricity and heating bills. However, MESs with EMSs can serve various purposes beyond cost reduction via self-consumption, such as reacting to variable electricity prices, meeting special grid connection conditions, or minimizing CO2 emissions. These diverse strategies create unique prosumer profiles, deviating significantly from standard load profiles. The potential threat to the power grid arises as grid operators lack visibility into which consumers employ which control strategies. This paper investigates the impact of controlled MESs on the power grid compared to average households and answers whether new control strategies affect the planning strategies of low voltage grids. It proposes a comprehensive four-step toolchain for the detailed simulation of thermal–electrical load profiles, MES control strategies, and grid dynamics. It includes a new method for the grid impact analysis of extreme and average bulk values. As a result, this study identifies three primary factors influencing distribution power grids by MESs. Firstly, the presence and scale of photovoltaic (PV) systems significantly affect extreme values in the grid. Secondly, MESs incorporating combined heat and power (CHP) and heat pump (HP) units impact the overall grid performance, mainly reflected in bulk values. Thirdly, the placement of an MES with heating systems, especially when concentrated in one feeder, plays a crucial role in grid dynamics. Despite the three distinct factors identified as impactful on the power grid, this study reveals that the various control strategies, despite leading to vastly different grid profiles, do not exhibit divergent impacts on buses, lines, or transformers. Remarkably, the impact of MESs remains consistently similar across the range of control strategies studied. Therefore, different control strategies do not pose an additional challenge to the grid integration of MESs. Full article
Show Figures

Figure 1

25 pages, 3476 KB  
Article
Optimal Power Flow of Hybrid Wind/Solar/Thermal Energy Integrated Power Systems Considering Costs and Emissions via a Novel and Efficient Search Optimization Algorithm
by Ali S. Alghamdi
Appl. Sci. 2023, 13(8), 4760; https://doi.org/10.3390/app13084760 - 10 Apr 2023
Cited by 25 | Viewed by 3824
Abstract
The OPF problem has significant importance in a power system’s operation, planning, economic scheduling, and security. Today’s electricity grid is rapidly evolving, with increased penetration of renewable power sources (RPSs). Conventional optimal power flow (OPF) has non-linear constraints that make it a highly [...] Read more.
The OPF problem has significant importance in a power system’s operation, planning, economic scheduling, and security. Today’s electricity grid is rapidly evolving, with increased penetration of renewable power sources (RPSs). Conventional optimal power flow (OPF) has non-linear constraints that make it a highly non-linear, non-convex optimization problem. This complex problem escalates further with the integration of renewable energy resource (RES), which are generally intermittent in nature. This study suggests a new and effective improved optimizer via a TFWO algorithm (turbulent flow of water-based optimization), namely the ITFWO algorithm, to solve non-linear and non-convex OPF problems in energy networks with integrated solar photovoltaic (PV) and wind turbine (WT) units (being environmentally friendly and clean in nature). OPF in the energy networks is an optimization problem proposed to discover the optimal settings of an energy network. The OPF modeling contains the forecasted electric energy of WT and PV by considering the voltage value at PV and WT buses as decision parameters. Forecasting the active energy of PV and WT units has been founded on the real-time measurements of solar irradiance and wind speed. Eight scenarios are analyzed on the IEEE 30-bus test system in order to determine a cost-effective schedule for thermal power plants with different objectives that reflect fuel cost minimization, voltage profile improvement, emission gases, power loss reduction, and fuel cost minimization with consideration of the valve point effect of generation units. In addition, a carbon tax is considered in the goal function in the examined cases in order to investigate its effect on generator scheduling. A comparison of the simulation results with other recently published algorithms for solving OPF problems is made to illustrate the effectiveness and validity of the proposed ITFWO algorithm. Simulation results show that the improved turbulent flow of water-based optimization algorithm provides an effective and robust high-quality solution of the various optimal power-flow problems. Moreover, results obtained using the proposed ITFWO algorithm are either better than, or comparable to, those obtained using other techniques reported in the literature. The utility of solar and wind energy in scheduling problems has been proposed in this work. Full article
Show Figures

Figure 1

29 pages, 927 KB  
Article
Impact of Electric Vehicles on a Power Line with Photovoltaic Power Plants Connected
by Lucian Ioan Dulău and Dorin Bică
Machines 2022, 10(2), 102; https://doi.org/10.3390/machines10020102 - 28 Jan 2022
Cited by 4 | Viewed by 2959
Abstract
Electric vehicles (EVs) are currently popular, and their number is growing; therefore, they have an impact on the power system. In this paper, the impact of electric vehicles on a power line connected to photovoltaic (PV) power plants regarding the power losses and [...] Read more.
Electric vehicles (EVs) are currently popular, and their number is growing; therefore, they have an impact on the power system. In this paper, the impact of electric vehicles on a power line connected to photovoltaic (PV) power plants regarding the power losses and voltage level is presented. The study is performed for a power line located in Mureș County, Romania, to which two photovoltaic power plants are connected. Three supply options are available for the power line, which supplies 15 loads. The power demand of the loads is determined with the power meters installed at the load premises. Electric vehicles are also considered to be connected in different points along the power line at the buses with the lowest voltage level. The results give the power losses and voltage levels for the case of when the PV power plants and EVs are connected to the power line, compared with the case when the EVs are not connected to the power line. The power losses were 400% higher in the case where the EVs were connected when the power demand was higher, while the voltage level was 2% lower if the EVs were connected. Full article
Show Figures

Figure 1

17 pages, 1013 KB  
Article
Decentralized Prosumer-Centric P2P Electricity Market Coordination with Grid Security
by Duarte Kazacos Winter, Rahul Khatri and Michael Schmidt
Energies 2021, 14(15), 4665; https://doi.org/10.3390/en14154665 - 1 Aug 2021
Cited by 16 | Viewed by 2982
Abstract
The increasing number of prosumers and the accompanying greater use of decentralised energy resources (DERs) bring new opportunities and challenges for the traditional electricity systems and the electricity markets. Microgrids, virtual power plants (VPPs), peer-to-peer (P2P) trading and federated power plants (FPPs) propose [...] Read more.
The increasing number of prosumers and the accompanying greater use of decentralised energy resources (DERs) bring new opportunities and challenges for the traditional electricity systems and the electricity markets. Microgrids, virtual power plants (VPPs), peer-to-peer (P2P) trading and federated power plants (FPPs) propose different schemes for prosumer coordination and have the potential of becoming the new paradigm of electricity market and power system operation. This paper proposes a P2P trading scheme for energy communities that negotiates power flows between participating prosumers with insufficient renewable power supply and prosumers with surplus supply in such a way that the community welfare is maximized while avoiding critical grid conditions. For this purpose, the proposed scheme is based on an Optimal Power Flow (OPF) problem with a Multi-Bilateral Economic Dispatch (MBED) formulation as an objective function. The solution is realized in a fully decentralized manner on the basis of the Relaxed Consensus + Innovations (RCI) algorithm. Network security is ensured by a tariff-based system organized by a network agent that makes use of product differentiation capabilities of the RCI algorithm. It is found that the proposed mechanism accurately finds and prevents hazardous network operations, such as over-voltage in grid buses, while successfully providing economic value to prosumers’ renewable generation within the scope of a P2P, free market. Full article
(This article belongs to the Special Issue Energy Management of Prosumer Communities)
Show Figures

Figure 1

18 pages, 446 KB  
Article
A Non-Cooperative Game-Theoretic Approach for Distributed Voltage Regulation in DC Grids with a High Penetration of Renewable Energies
by Luis Orihuela, Pablo Millán and Álvaro Rodríguez del Nozal
Electronics 2021, 10(7), 768; https://doi.org/10.3390/electronics10070768 - 24 Mar 2021
Cited by 6 | Viewed by 1852
Abstract
This manuscript deals with the situation in which the different agents or buses in a power network have access to local renewable resources and must manage its use in a distributed fashion. The buses distributedly decide the amount of power to be generated [...] Read more.
This manuscript deals with the situation in which the different agents or buses in a power network have access to local renewable resources and must manage its use in a distributed fashion. The buses distributedly decide the amount of power to be generated using their local renewable power plants, and that to be demanded from the grid. The decisions are made according to the optimization of a cost function that considers both economic and technical factors. The problem is approached resorting to a game-theoretical framework that requires a negotiation process among the neighboring buses. An iterative algorithm is proposed in order to solve this problem, providing existence and convergence conditions under which the buses reach a suitable equilibrium. The algorithm performance is tested in simulations over a modification of the IEEE 14-bus system, in which the lines are modeled as resistances and distributed generation is considered. Simulations on a network of 44 buses are also included to show the scalability of the method. Full article
(This article belongs to the Section Power Electronics)
Show Figures

Figure 1

17 pages, 2550 KB  
Article
Performance of Communication Network for Monitoring Utility Scale Photovoltaic Power Plants
by Ali M. Eltamaly, Mohamed A. Ahmed, Majed A. Alotaibi, Abdulrahman I. Alolah and Young-Chon Kim
Energies 2020, 13(21), 5527; https://doi.org/10.3390/en13215527 - 22 Oct 2020
Cited by 13 | Viewed by 6061
Abstract
The grid integration of large scale photovoltaic (PV) power plants represents many challenging tasks for system stability, reliability and power quality due to the intermittent nature of solar radiation and the site accessibility issues where most PV power plants are located over a [...] Read more.
The grid integration of large scale photovoltaic (PV) power plants represents many challenging tasks for system stability, reliability and power quality due to the intermittent nature of solar radiation and the site accessibility issues where most PV power plants are located over a wide area. In order to enable real-time monitoring and control of large scale PV power plants, reliable two-way communications with low latency are required which provide accurate information for the electrical and environmental parameters as well as enabling the system operator to evaluate the overall performance and identify any abnormal conditions and faults. This work aims to design a communication network architecture for the remote monitoring of large-scale PV power plants based on the IEC 61850 Standard. The proposed architecture consists of three layers: the PV power system layer, the communication network layer, and the application layer. The PV power system layer consists of solar arrays, inverters, feeders, buses, a substation, and a control center. Monitoring parameters are classified into different categories including electrical measurements, status information, and meteorological data. This work considers the future plan of PV power plants in Saudi Arabia. In order to evaluate the performance of the communication network for local and remote monitoring, the OPNET Modeler is used for network modeling and simulation, and critical parameters such as network topology, link capacity, and latency are investigated and discussed. This work contributes to the design of reliable monitoring and communication of large-scale PV power plants. Full article
(This article belongs to the Section A1: Smart Grids and Microgrids)
Show Figures

Figure 1

31 pages, 15084 KB  
Article
Islanding Detection Using a Micro-Synchrophasor for Distribution Systems with Distributed Generation
by Karthikeyan Subramanian and Ashok Kumar Loganathan
Energies 2020, 13(19), 5180; https://doi.org/10.3390/en13195180 - 5 Oct 2020
Cited by 20 | Viewed by 2999
Abstract
Distributed Generation (DG) has changed the power generation system to small-scale instead of large-scale generation. The demanding issue with the interconnection of DG is the detection of unintended islanding in a network. Several methods proposed in the literature show drawbacks such as high [...] Read more.
Distributed Generation (DG) has changed the power generation system to small-scale instead of large-scale generation. The demanding issue with the interconnection of DG is the detection of unintended islanding in a network. Several methods proposed in the literature show drawbacks such as high non-detection zones (NDZ) and higher tripping time. In this paper, the IEEE 13 bus distribution network with DGs like wind and solar power plants is integrated at two buses. Islanding is detected by utilizing data from a micro-synchrophasor located at the distribution grid and the DG. The micro-synchrophasor-based unintended islanding detection algorithm is based on parameters such as voltage, rate of change of voltage, frequency, rate of change of frequency, voltage phase angle difference and the rate of change of the voltage phase angle difference between the utility and the islanded grid. The proposed islanding detection algorithm discriminates between islanding and non-islanding conditions and is highly efficient under zero power mismatch conditions. The proposed method has null NDZ and satisfies the IEEE 1547 standard for DG tripping time. The effectiveness of the proposed IDM was verified when there are multiple DGs in the islanded grid. Also, the proposed method does not require additional hardware as it can be incorporated in digital relays with synchrophasor functionality. Full article
Show Figures

Figure 1

16 pages, 16820 KB  
Article
Static Operational Impacts of Residential Solar PV Plants on the Medium Voltage Distribution Grids—A Case Study Based on the Danish Island Bornholm
by Ziyu Wang and Guangya Yang
Energies 2019, 12(8), 1458; https://doi.org/10.3390/en12081458 - 17 Apr 2019
Cited by 4 | Viewed by 5779
Abstract
Driven by the Energy Strategy 2050 of Denmark, renewable energy sources (RESs) are increasingly integrated into the Danish power grid. Solar photovoltaic (PV) plants play an important role in this process. This paper conducted a study to investigate the impacts of residential solar [...] Read more.
Driven by the Energy Strategy 2050 of Denmark, renewable energy sources (RESs) are increasingly integrated into the Danish power grid. Solar photovoltaic (PV) plants play an important role in this process. This paper conducted a study to investigate the impacts of residential solar PV integration in the distribution grid on voltage security and grid loss based on the 10 kV distribution grid in Bornholm. Three case studies are performed to test three different reactive power control methods, i.e., PF(P), constant PF and constant Q, at different penetration levels. The assessment of the impacts of PV integration and different control methods are done in the DIgSILENT PowerFactory. It was found that PV integration can contribute to reducing the loss of the system, increased overvoltage in buses and overload in transformers, and 40% penetration at the low voltage is considered to be an optimal level based on the result. PF(P) control gives the best performance among all three methods under the current grid codes. With constant PF control, it was found that the system loss can be significantly reduced if the PV systems operate with a power factor of 0.9 leading, which is not the norm of the current Danish grid code. Full article
(This article belongs to the Special Issue Integration of PV in Distribution Networks)
Show Figures

Figure 1

14 pages, 2397 KB  
Article
Optimal Power Flow Using Particle Swarm Optimization of Renewable Hybrid Distributed Generation
by Usama Khaled, Ali M. Eltamaly and Abderrahmane Beroual
Energies 2017, 10(7), 1013; https://doi.org/10.3390/en10071013 - 17 Jul 2017
Cited by 71 | Viewed by 7378
Abstract
The problem of voltage collapse in power systems due to increased loads can be solved by adding renewable energy sources like wind and photovoltaic (PV) to some bus-bars. This option can reduce the cost of the generated energy and increase the system efficiency [...] Read more.
The problem of voltage collapse in power systems due to increased loads can be solved by adding renewable energy sources like wind and photovoltaic (PV) to some bus-bars. This option can reduce the cost of the generated energy and increase the system efficiency and reliability. In this paper, a modified smart technique using particle swarm optimization (PSO) has been introduced to select the hourly optimal load flow with renewable distributed generation (DG) integration under different operating conditions in the 30-bus IEEE system. Solar PV and wind power plants have been introduced to selected buses to evaluate theirs benefits as DG. Different solar radiation and wind speeds for the Dammam site in Saudi Arabia have been used as an example to study the feasibility of renewable energy integration and its effect on power system operation. Sensitivity analysis to the load and the other input data has been carried out to predict the sensitivity of the results to any deviation in the input data of the system. The obtained results from the proposed system prove that using of renewable energy sources as a DG reduces the generation and operation cost of the overall power system. Full article
(This article belongs to the Section F: Electrical Engineering)
Show Figures

Figure 1

Back to TopTop