Sign in to use this feature.

Years

Between: -

Subjects

remove_circle_outline
remove_circle_outline
remove_circle_outline
remove_circle_outline
remove_circle_outline
remove_circle_outline
remove_circle_outline
remove_circle_outline
remove_circle_outline

Journals

Article Types

Countries / Regions

Search Results (116)

Search Parameters:
Keywords = SUT1

Order results
Result details
Results per page
Select all
Export citation of selected articles as:
15 pages, 31607 KB  
Article
Photonic-Assisted Simultaneous Frequency and Angle of Arrival Measurement Based on Stimulated Brillouin Scattering
by Liangshun Zhao, Yue Zhang, Ju Chen, Fangyi Chen, Caili Gong and Yongfeng Wei
Photonics 2025, 12(12), 1215; https://doi.org/10.3390/photonics12121215 - 9 Dec 2025
Viewed by 97
Abstract
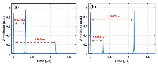
The multidimensional parameter measurement of microwave signals, including temporal, spatial, and frequency, is essential for electronic warfare and radar systems. In this article, we present a photonic scheme for real-time microwave frequency and angle-of-arrival (AOA) measurement based on stimulated Brillouin scattering (SBS). In [...] Read more.
The multidimensional parameter measurement of microwave signals, including temporal, spatial, and frequency, is essential for electronic warfare and radar systems. In this article, we present a photonic scheme for real-time microwave frequency and angle-of-arrival (AOA) measurement based on stimulated Brillouin scattering (SBS). In the proposed system, the unknown signal under test (SUT) received by adjacent antennas is injected into a dual-drive Mach–Zehnder modulator (DDMZM). Two branches of the SUT with phase difference interfere in the optical domain, converting phase difference into the power of optical sidebands. These optical sidebands are scanned by combining SBS with frequency-to-time mapping (FTTM) to achieve simultaneous measurement of the AOA and frequency. Consequently, the frequency and AOA of the SUT are mapped to the time interval and normalized amplitude of the output electrical pulses, respectively. Results show that the system can achieve the frequency measurement of multiple RF signals in the range of 5–15 GHz and AOA measurement in the range of −70° to 70°, with measurement errors of ±5 MHz and ±2°, respectively. Furthermore, the frequency measurement range can be flexibly adjusted by tuning the pump optical driving signals. Full article
(This article belongs to the Special Issue Optical Measurement Systems, 2nd Edition)
Show Figures

Figure 1

13 pages, 4092 KB  
Article
Validation of 4TP Impedance Bridge Developed at GUM
by Marian Kampik, Krzysztof Musioł, Adam Ziółek, Jolanta Jursza and Maciej Koszarny
Energies 2025, 18(21), 5690; https://doi.org/10.3390/en18215690 - 29 Oct 2025
Viewed by 273
Abstract
Impedance methods are gaining importance each year and have recently become an essential tool for diagnosing batteries, capacitors, and fuel cells. In this article we present the results of validating the digital impedance bridge developed by the National Metrology Institute (GUM) in Warsaw, [...] Read more.
Impedance methods are gaining importance each year and have recently become an essential tool for diagnosing batteries, capacitors, and fuel cells. In this article we present the results of validating the digital impedance bridge developed by the National Metrology Institute (GUM) in Warsaw, Poland. The comparison involved new impedance standards recently developed by GUM and the Silesian University of Technology (SUT), as well as standards developed by the Swiss National Metrology Institute (METAS). The comparison of the standard resistors and capacitors demonstrated agreement between the measurement results obtained with the Polish and Swiss sampling bridges, with a deviation of 5 µΩ/Ω in the frequency range from 500 Hz to 5 kHz. Full article
Show Figures

Figure 1

23 pages, 17007 KB  
Article
Demonstrating a Scenario-Based Safety Assurance Framework in Practice
by Martin Skoglund, Anders Thorsén, Ramana Reddy Avula, Karl Lundgren and Fredrik Warg
Vehicles 2025, 7(4), 124; https://doi.org/10.3390/vehicles7040124 - 29 Oct 2025
Viewed by 771
Abstract
Automated driving systems (ADSs) have the potential to make mobility services both safer and more accessible. The New Assessment/Test Method (NATM) from the UNECE establishes a multi-pillar framework for ADS safety assessment, centred on comprehensive scenario-based testing of the operational design domain (ODD). [...] Read more.
Automated driving systems (ADSs) have the potential to make mobility services both safer and more accessible. The New Assessment/Test Method (NATM) from the UNECE establishes a multi-pillar framework for ADS safety assessment, centred on comprehensive scenario-based testing of the operational design domain (ODD). While NATM sets out the vision, it leaves unresolved how such assessments can be scaled and applied in practice. The SUNRISE safety assurance framework (SAF) addresses this challenge by offering a concrete and scalable pathway for operationalising NATM principles. The core contribution of this paper is the successful execution of the SAF process. Rather than validating the performance of a specific automated driving function, the work demonstrates how the SAF can be applied end-to-end: starting from external requirements for the system under test (SUT), through scenario generation based on ODD, dynamic driving task (DDT), and test objectives to the allocation of scenarios across heterogeneous test environments and the consolidation of outcomes into a structured safety argument. The approach is exemplified through the use case of automated truck docking in confined logistics environments. Simulation (CARLA), a scaled model truck, and a full-size truck are employed not to validate the ADS function itself, but to show that the SAF enables consistent, traceable, and defensible execution of NATM-aligned safety assessment. This walk-through highlights the scalability, practicality, and applicability of the SAF to real-world ADS features. Full article
Show Figures

Figure 1

21 pages, 2741 KB  
Article
Molecular Mechanism of Action of HOCl from Neutral-pH Electrolysed Oxidising Water Against Candida albicans
by Chitra S. Krishnan, Trudy J. Milne, Geoffrey R. Tompkins, Richard D. Cannon and Erwin Lamping
J. Fungi 2025, 11(11), 761; https://doi.org/10.3390/jof11110761 - 23 Oct 2025
Viewed by 889
Abstract
Chemical disinfection of removable acrylic dental prostheses minimizes the risk of denture stomatitis caused by the opportunistic fungal pathogen Candida albicans. We previously reported that neutral-pH electrolysed oxidising water (EOW), a hypochlorous acid (HOCl)-based biocide, is effective at inhibiting C. albicans biofilm [...] Read more.
Chemical disinfection of removable acrylic dental prostheses minimizes the risk of denture stomatitis caused by the opportunistic fungal pathogen Candida albicans. We previously reported that neutral-pH electrolysed oxidising water (EOW), a hypochlorous acid (HOCl)-based biocide, is effective at inhibiting C. albicans biofilm formation on denture resins. Knowledge about the mechanism of action of EOW on C. albicans is lacking. This study investigated the molecular mechanism of action of neutral-pH EOW against C. albicans cells that were incubated with sub-inhibitory concentrations of EOW-HOCl (treatment with 0.125× MIC90 EOW-HOCl (15 µM; T0.125) or treatment with 0.5× MIC90 EOW-HOCl (59 µM; T0.5)). RNA-sequencing (RNA-seq) was used to identify differentially expressed genes (DEGs) which were validated by qRT-PCR. Ninety-five DEGs were identified between the treated and untreated cells after a 60 min exposure. A moderate sub-inhibitory EOW-HOCl concentration (T0.125) caused significant upregulation (log2 fold change > +2) of genes responsive to oxidative stress (EBP1, GAP6, PRN1, HSP21), weak organic acid stress (PRN1), and heat-shock (HSP21). A higher sub-inhibitory concentration (T0.5) caused a significant downregulation of most DEGs (notably, −1.9 to −3 log2 fold reduction in SUT1, HNM3, STP4 expression), cessation of growth, and an upregulation of genes involved in ammonia transport, carbohydrate metabolism, and the unfolded protein and apoptotic response pathways (ATO2, IRE1). Our findings reveal HSP21 and PRN1 to be possible key players in protecting C. albicans cells against HOCl, a natural biocide of the innate immune system. Full article
(This article belongs to the Section Fungal Pathogenesis and Disease Control)
Show Figures

Figure 1

17 pages, 2562 KB  
Article
StSUT2 Regulates Cell Wall Architecture and Biotic Stress Responses in Potatoes (Solanum tuberosum)
by Huiling Gong, Hongmei Li, Chenxia Wang, Qian Kui, Leonce Dusengemungu, Xia Cai and Zaiping Feng
Plants 2025, 14(18), 2941; https://doi.org/10.3390/plants14182941 - 22 Sep 2025
Viewed by 659
Abstract
Plant sucrose transporters (SUTs) are essential membrane proteins that mediate sucrose phloem loading in source tissues and unloading in sink tissues. In addition to their role in carbohydrate partitioning, SUTs have been implicated in plant responses to both biotic and abiotic stresses. Our [...] Read more.
Plant sucrose transporters (SUTs) are essential membrane proteins that mediate sucrose phloem loading in source tissues and unloading in sink tissues. In addition to their role in carbohydrate partitioning, SUTs have been implicated in plant responses to both biotic and abiotic stresses. Our previous research demonstrated that silencing StSUT2 in potatoes (Solanum tuberosum) affects plant growth, flowering time, and tuber yield, with transcriptomic analysis suggesting its involvement in cell wall metabolic pathways. In this study, we further investigated the effects of StSUT2 inhibition on the cell wall structure and biotic stress response of potatoes. Transmission electron microscopy revealed that the tuber cell wall thickness of the StSUT2 RNA interference (RNAi) line RNAi-2 was reduced by 7.8%, and the intercellular space was increased by 214% compared with the wild-type plants. Biochemical analyses showed that StSUT2 silencing significantly decreased cellulose, hemicellulose, and lignin contents in both the leaves and tubers, e.g., tuber cellulose reduced by up to 20.1%, while pectin levels remained unaffected, with distinct effects on source leaves and sink tubers’ organs. Additionally, activities of cellulase, xyloglucan glycosyltransferase/hydrolase XTH, and polygalacturonase were elevated in RNAi lines, e.g., leaf cellulase increased by 43.3%, whereas the pectinase activity was unchanged. Pathogen inoculation assays demonstrated that StSUT2 RNAi lines were more susceptible to Ralstonia solanacearum bacterial wilt and Fusarium sulphureum dry rot, showing larger leaf lesions, wider tuber necrotic plaques, and severe seedling wilting. These findings demonstrate that silencing StSUT2 regulates the cell wall structure, composition, and the activity of cell wall-degrading enzymes, thereby reducing the plant’s resistance to fungal and bacterial pathogens. Full article
Show Figures

Figure 1

13 pages, 1659 KB  
Article
An Improved Sampling-Based Impedance Bridge
by Marian Kampik, Krzysztof Musioł, Ryszard Rybski, Janusz Kaczmarek, Mirosław Kozioł, Jerzy Augustyn, Adam Ziółek, Jolanta Jursza and Maciej Koszarny
Energies 2025, 18(17), 4733; https://doi.org/10.3390/en18174733 - 5 Sep 2025
Cited by 1 | Viewed by 939
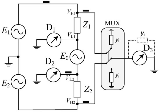
Abstract
This paper describes an improved version of a sampling-based bridge designed for impedance calibration. Based on the original concept of the new multiplexer, which constitutes a key element of the improved impedance bridge, we propose a new procedure for determining the complex voltage [...] Read more.
This paper describes an improved version of a sampling-based bridge designed for impedance calibration. Based on the original concept of the new multiplexer, which constitutes a key element of the improved impedance bridge, we propose a new procedure for determining the complex voltage ratio using both successive and simultaneous sampling. The procedure significantly improves the accuracy of impedance comparisons by eliminating digitizer gain errors and reducing errors caused by instabilities in the excitation voltages supplied by the precision sources driving the bridge arms. An implementation of the new procedure, employing an innovative cross-multiplexer together with modified software, is presented. We also provide an analysis of selected error sources, including the effects of digitizer nonlinearity, which is crucial when applying the modified method for determining the impedance ratio. Finally, validation results are presented, demonstrating the performance and accuracy of the SUT sampling-based bridge in comparison with another validated bridge used at the Italian National Metrology Institute (INRIM) in Turin. Full article
Show Figures

Figure 1

15 pages, 7173 KB  
Article
Sucrose Transporter 2 Knockout Increases Sugar Content in Tomato Fruits
by Pingfei Ge, Ying Wang, Yuyang Cao, Fangman Li, Xingyu Zhang, Haobo Xu, Yang Yang, Ziyuan Wang, Junshen Lin, Pengyu Zhu and Yuyang Zhang
Horticulturae 2025, 11(8), 956; https://doi.org/10.3390/horticulturae11080956 - 13 Aug 2025
Cited by 1 | Viewed by 1316
Abstract
Sugar content is pivotal in determining the flavor quality of tomato, and numerous genes related to tomato fruit quality have been identified. The distribution of sugar sources in plants primarily relies on the functionality of sugar transporters. Despite this, the specific role of [...] Read more.
Sugar content is pivotal in determining the flavor quality of tomato, and numerous genes related to tomato fruit quality have been identified. The distribution of sugar sources in plants primarily relies on the functionality of sugar transporters. Despite this, the specific role of SUT2, a sucrose transporter family member, in sugar accumulation within tomato fruits is still unclear. This study demonstrates that SUT2 is localized to the plasma membrane and possesses the function of transporting sucrose from the extracellular side to the intracellular side of the plasma membrane. Its expression level progressively decreases during fruit development. SUT2 knockout resulted in a significant increase in sugar content in tomato fruits. Further investigation revealed that the elevated sugar levels in knockout lines were accompanied by alterations in the expression of the sugar accumulation related genes STP1 and CDPK26/27. These findings provide new insights into the biological role of SUT2 in regulating sugar content in tomato fruits, improve our understanding of sugar accumulation mechanisms in tomato fruits, and offer valuable perspectives for quality improvement in tomato. Full article
(This article belongs to the Special Issue Breeding by Design: Advances in Vegetables)
Show Figures

Figure 1

17 pages, 6351 KB  
Article
Vision-Ray-Calibration-Based Monocular Deflectometry by Poses Estimation from Reflections
by Cheng Liu, Jianhua Liu, Yanming Xing, Xiaohui Ao, Wang Zhang and Chunguang Yang
Sensors 2025, 25(15), 4778; https://doi.org/10.3390/s25154778 - 3 Aug 2025
Viewed by 572
Abstract
A monocular deflectometric system comprises a camera and a screen that collaboratively facilitate the reconstruction of a specular surface under test (SUT). This paper presents a methodology for solving the slope distribution of the SUT utilizing pose estimation derived from reflections, based on [...] Read more.
A monocular deflectometric system comprises a camera and a screen that collaboratively facilitate the reconstruction of a specular surface under test (SUT). This paper presents a methodology for solving the slope distribution of the SUT utilizing pose estimation derived from reflections, based on vision ray calibration (VRC). Initially recorded by the camera, an assisted flat mirror in different postures reflects the patterns displayed by a screen maintained in a constant posture. The system undergoes a calibration based on the VRC to ascertain the vision ray distribution of the camera and the spatial relationship between the camera and the screen. Subsequently, the camera records the reflected patterns by the SUT, which remains in a constant posture while the screen is adjusted to multiple postures. Utilizing the VRC, the vision ray distribution among several postures of the screen and the SUT is calibrated. Following this, an iterative integrated calibration is performed, employing the calibration results from the preceding separate calibrations as initial parameters. The integrated calibration amalgamates the cost functions from the separate calibrations with the intersection of lines in Plücker space. Ultimately, the results from the integrated calibration yield the slope distribution of the SUT, enabling an integral reconstruction. In both the numeric simulations and actual measurements, the integrated calibration significantly enhances the accuracy of the reconstructions when compared to the reconstructions with the separate calibrations. Full article
(This article belongs to the Section Optical Sensors)
Show Figures

Figure 1

15 pages, 5202 KB  
Article
Power-Independent Microwave Photonic Instantaneous Frequency Measurement System
by Ruiqiong Wang and Yongjun Li
Sensors 2025, 25(14), 4382; https://doi.org/10.3390/s25144382 - 13 Jul 2025
Viewed by 798
Abstract
The ability to perform instantaneous frequency measurement (IFM) of unknown microwave signals holds significant importance across various application domains. This paper presents a power-independent microwave photonic IFM system. The proposed system implements frequency measurement through the construction of an amplitude comparison function (ACF) [...] Read more.
The ability to perform instantaneous frequency measurement (IFM) of unknown microwave signals holds significant importance across various application domains. This paper presents a power-independent microwave photonic IFM system. The proposed system implements frequency measurement through the construction of an amplitude comparison function (ACF) curve, achieved by introducing a frequency-dependent time delay via an optical tunable delay line (OTDL) for the signal under test (SUT). System simulation demonstrates the measurement capability across a wide bandwidth of 0.1–40 GHz with high precision, exhibiting frequency errors ranging from −0.03 to 0.04 GHz. The scheme also maintains consistent performance under varying input power levels. Key implementation aspects, including single-sideband modulation selection and system extension methods, are analyzed in detail to optimize measurement accuracy. Notably, the proposed architecture features a simple and compact design with excellent integration potential. These characteristics, combined with its wide operational bandwidth and high measurement precision, make this approach particularly suitable for demanding applications in electronic reconnaissance and communication. Full article
(This article belongs to the Special Issue Advanced Microwave Sensors and Their Applications in Measurement)
Show Figures

Figure 1

24 pages, 1893 KB  
Article
Scoring and Ranking Methods for Evaluating the Techno-Economic Competitiveness of Hydrogen Production Technologies
by Yehia F. Khalil
Sustainability 2025, 17(13), 5770; https://doi.org/10.3390/su17135770 - 23 Jun 2025
Cited by 1 | Viewed by 1896
Abstract
This research evaluates four hydrogen (H2) production technologies via water electrolysis (WE): alkaline water electrolysis (AWE), proton exchange membrane electrolysis (PEME), anion exchange membrane electrolysis (AEME), and solid oxide electrolysis (SOE). Two scoring and ranking methods, the MACBETH method and the [...] Read more.
This research evaluates four hydrogen (H2) production technologies via water electrolysis (WE): alkaline water electrolysis (AWE), proton exchange membrane electrolysis (PEME), anion exchange membrane electrolysis (AEME), and solid oxide electrolysis (SOE). Two scoring and ranking methods, the MACBETH method and the Pugh decision matrix, are utilized for this evaluation. The scoring process employs nine decision criteria: capital expenditure (CAPEX), operating expenditure (OPEX), operating efficiency (SOE), startup time (SuT), environmental impact (EI), technology readiness level (TRL), maintenance requirements (MRs), supply chain challenges (SCCs), and levelized cost of H2 (LCOH). The MACBETH method involves pairwise technology comparisons for each decision criterion using seven qualitative judgment categories, which are converted into quantitative scores via M-MACBETH software (Version 3.2.0). The Pugh decision matrix benchmarks WE technologies using a baseline technology—SMR with CCS—and a three-point scoring scale (0 for the baseline, +1 for better, −1 for worse). Results from both methods indicate AWE as the leading H2 production technology, which is followed by AEME, PEME, and SOE. AWE excels due to its lowest CAPEX and OPEX, highest TRL, and optimal operational efficiency (at ≈7 bars of pressure), which minimizes LCOH. AEME demonstrates balanced performance across the criteria. While PEME shows advantages in some areas, it requires improvements in others. SOE has the most areas needing enhancement. These insights can direct future R&D efforts toward the most promising H2 production technologies to achieve the net-zero goal. Full article
(This article belongs to the Special Issue Transitioning to Sustainable Energy: Opportunities and Challenges)
Show Figures

Figure 1

22 pages, 4788 KB  
Article
Genome-Wide Identification, Plasma Membrane Localization, and Functional Validation of the SUT Gene Family in Yam (Dioscorea cayennensis subsp. rotundata)
by Na Li, Yanfang Zhang, Xiuwen Huo, Linan Xing, Mingran Ge and Ningning Suo
Int. J. Mol. Sci. 2025, 26(12), 5756; https://doi.org/10.3390/ijms26125756 - 16 Jun 2025
Viewed by 819
Abstract
Yam (Dioscorea cayennensis subsp. rotundata,hereafter referred to as Dioscorea rotundata) is a staple tropical tuber crop with notable nutritional and economic value. Its development and yield depend on efficient sucrose allocation from source tissues. Sucrose transporters (SUTs), a conserved family [...] Read more.
Yam (Dioscorea cayennensis subsp. rotundata,hereafter referred to as Dioscorea rotundata) is a staple tropical tuber crop with notable nutritional and economic value. Its development and yield depend on efficient sucrose allocation from source tissues. Sucrose transporters (SUTs), a conserved family of membrane proteins, mediate sucrose loading, translocation, and unloading. Although well-studied in model plants and cereals, SUTs in yam remain largely uncharacterized. This study aims to identify and characterize the SUT gene family in yam and explore their roles in sucrose transport and tuber development. We conducted a genome-wide analysis of yam SUT genes, including gene structure, subcellular localization, and phylogeny. Molecular docking was used to predict sucrose-binding residues, and qRT-PCR assessed gene expression across tissues and tuber developmental stages. Eight SUT genes were identified and classified based on sequence similarity and domain structure. Docking analysis revealed key residues involved in sucrose binding and possible conformational shifts influencing transport. Expression profiling showed that most SUT genes, especially in the tuber apex, were progressively upregulated during development, suggesting roles in sucrose unloading and cell expansion. Additionally, functional validation of DrSUT1 in Arabidopsis thaliana confirmed its involvement in sucrose transport, supporting its role in yam sucrose partitioning. Yam SUT genes, especially those highly expressed in sink tissues, are involved in sucrose partitioning and tuber development. These findings provide structural and functional insights into SUT-mediated sugar transport and lay a foundation for improving sucrose utilization and yield in yam and other tuber crops. Full article
(This article belongs to the Section Molecular Plant Sciences)
Show Figures

Figure 1

19 pages, 1067 KB  
Article
The Impact of Sustainable Tourism of Forest Ecosystems on the Satisfaction of Tourists and Residents—An Example of a Protected Area, Vojvodina Province (Northern Serbia)
by Lazar Vukadinović, Igor Trišić, Vladica Ristić, Adina Nicoleta Candrea, Snežana Štetić and Manuela Apetrei
Forests 2025, 16(6), 909; https://doi.org/10.3390/f16060909 - 28 May 2025
Viewed by 1557
Abstract
The importance of forest ecosystems in tourism and recreation to sustainable tourism (SUT) in protected areas (PARs) has been the subject of research in numerous studies. People are increasingly turning to nature and its values. To prevent impacts on forest ecosystems, protected area [...] Read more.
The importance of forest ecosystems in tourism and recreation to sustainable tourism (SUT) in protected areas (PARs) has been the subject of research in numerous studies. People are increasingly turning to nature and its values. To prevent impacts on forest ecosystems, protected area managers plan for SUT and recreation use. The SUT in the PARs is based on four main pillars of sustainability: ecological, economic, sociocultural, and institutional dimensions. In this study, the authors examined the significance of social and ecological elements in the evolution of sustainable tourism for residents and visitors of the Karadjordjevo Special Nature Reserve (Karadjordjevo), where the primary resource is the forest ecosystem. The aim of this research was to examine the state and prospects for the development of sustainable tourism in the nature reserve by observing the dimensions of sustainability. In addition, the aim was to determine whether sustainable tourism affects the satisfaction of residents and visitors of this nature reserve. The research employs a quantitative methodology and applies the Prism of Sustainability model, continuing the authors’ previous research of nature-based tourism on the Balkan Peninsula. Based on the analysis of 1240 replies, it may be inferred that the four facets of sustainability significantly influence the state of tourism and that SUT greatly affects respondents’ sentiments. The new insights from this research indicate that the respondents recognized the importance of sustainable tourism, although not all significant destination factors exist that can impact the protection of nature on the one hand and the development of tourism with no adverse environmental consequences on the other. The research results are important for the various SUT plans and documents related to the management of destinations with forest ecosystems. Full article
(This article belongs to the Special Issue The Sustainable Use of Forests in Tourism and Recreation)
Show Figures

Figure 1

18 pages, 3121 KB  
Article
Regulatory Effects of Source–Sink Manipulations on Photosynthesis in Wheat with Different Source–Sink Relationships
by Siqi Zhang, Huimin Chai, Jiawei Sun, Yafang Zhang, Yanhua Lu, Dong Jiang, Tingbo Dai and Zhongwei Tian
Plants 2025, 14(10), 1456; https://doi.org/10.3390/plants14101456 - 13 May 2025
Cited by 2 | Viewed by 1391
Abstract
Understanding the contributions of source–sink relationships to photosynthesis will help achieve high wheat grain yields. A single-factor field experiment was conducted to quantify the regulatory effects of different sink–source ratios on wheat photosynthetic characteristics, including two wheat cultivars with different source–sink relationships as [...] Read more.
Understanding the contributions of source–sink relationships to photosynthesis will help achieve high wheat grain yields. A single-factor field experiment was conducted to quantify the regulatory effects of different sink–source ratios on wheat photosynthetic characteristics, including two wheat cultivars with different source–sink relationships as materials for detailed source–sink manipulations through flag leaf removal (LR) and removal of spikelets on one side of each spike (SR). Compared with a control (CK), LR increased the sink–source ratio (23.84%) and significantly reduced the yield (16.17%), 1000-kernel weight (11.73%), and kernels per spike (7.33%). LR increased the leaves’ net photosynthetic rate (Pn) (4.27–15.82%), the electron transfer rate (3.97–14.93%), and the Rubisco activity (2.16–12.25%) in the short term, and LR increased sucrose synthesis-related enzyme activities (3.96–19.95%) and gene expressions (SPS1, SUS1, CIN1, and SUT1). Compared with CK, SR reduced the sink–source ratio (44.12%) and significantly increased the 1000-kernel weight (10.02%) but reduced the yield (43.93%) and kernels per spike (49.31%). SR reduced the leaves’ Pn (8.54–21.41%), the electron transfer rate (3.51–16.71%), and the Rubisco activity (5.96–21.51%), and the photosynthetic process was limited. SR decreased sucrose synthesis-related enzyme activities (5.12–29.09%) and gene expressions (SPS1, SUS1, CIN1, and SUT1). Therefore, a higher sink–source ratio is an important indicator of high photosynthetic efficiency, which can be used as a screening and judgment index in variety selection and cultivation regulation. Full article
(This article belongs to the Section Crop Physiology and Crop Production)
Show Figures

Figure 1

22 pages, 20084 KB  
Article
A Comparative Analysis of In Situ Testing Methods for Clay Strength Evaluation Using the Coupled Eulerian–Lagrangian Method
by Hebo Wang, Yifa Wang, Biao Li, Wengang Qi and Ning Wang
J. Mar. Sci. Eng. 2025, 13(5), 935; https://doi.org/10.3390/jmse13050935 - 9 May 2025
Cited by 1 | Viewed by 1129
Abstract
The progression of marine resource exploration into deepwater and ultra-deepwater regions has intensified the requirement for precise quantification of the undrained shear strength of clay. Although diverse in situ testing methodologies—including the vane shear test (VST), cone penetration test (CPT), T-bar penetration test [...] Read more.
The progression of marine resource exploration into deepwater and ultra-deepwater regions has intensified the requirement for precise quantification of the undrained shear strength of clay. Although diverse in situ testing methodologies—including the vane shear test (VST), cone penetration test (CPT), T-bar penetration test (TPT), and ball penetration test (BPT)—are widely utilized for the assessment of clay strength, systematic discrepancies and correlations between their derived measurements remain inadequately resolved. The aim of this work is to provide a systematic comparison of strength interpretations across different in situ testing methods, with emphasis on identifying method-specific biases under varying soil behaviors. To achieve this, a unified numerical simulation framework was developed to simulate these four prevalent testing techniques, employing large-deformation finite element analysis via the Coupled Eulerian–Lagrangian (CEL) approach. The model integrates critical constitutive behaviors of marine clays, specifically strain softening and strain rate dependency, to replicate in situ shear strength evolution. Rigorous sensitivity analyses confirm the model’s robustness. The results indicate that, when the stain rate and softening effects are neglected, the resistance factors from the CPT and VST remain largely insensitive to shear strength variations. However, T-bar and ball penetrometers tend to underestimate strength by up to 15% in high-strength soils due to the incomplete development of a full-flow failure mechanism. As a result, their application in high-strength soils is not recommended. With both the strain rate and softening effects considered, the interpreted strength value Sut from the CPT increases by 13.5% compared to cases excluding these effects, while other methods exhibit marginal decreases of 4–5%. The isolated analysis of strain softening reveals that, under identical softening parameters, the CPT demonstrates the least sensitivity to strain softening among the four methods examined, with the factor reduction ratio Ns/N0 ranging from 0.76 to 1.00, while the other three methods range from 0.65 to 0.88. The results indicate that the CPT is well suited for strength testing in soils exhibiting pronounced softening behavior, as it reduces the influence of strain softening on the measured results. These findings provide critical insights into method-specific biases in undrained shear strength assessments, supporting a more reliable interpretation of in situ test data for deepwater geotechnical applications. Full article
(This article belongs to the Special Issue Wave–Structure–Seabed Interaction)
Show Figures

Figure 1

25 pages, 4905 KB  
Article
Reliability Assessment via Combining Data from Similar Systems
by Jianping Hao and Mochao Pei
Stats 2025, 8(2), 35; https://doi.org/10.3390/stats8020035 - 8 May 2025
Viewed by 882
Abstract
In operational testing contexts, testers face dual challenges of constrained timeframes and limited resources, both of which impede the generation of reliability test data. To address this issue, integrating data from similar systems with test data can effectively expand data sources. This study [...] Read more.
In operational testing contexts, testers face dual challenges of constrained timeframes and limited resources, both of which impede the generation of reliability test data. To address this issue, integrating data from similar systems with test data can effectively expand data sources. This study proposes a systematic approach wherein the mission of the system under test (SUT) is decomposed to identify candidate subsystems for data combination. A phylogenetic tree representation is constructed for subsystem analysis and subsequently mapped to a mixed-integer programming (MIP) model, enabling efficient computation of similarity factors. A reliability assessment model that combines data from similar subsystems is established. The similarity factor is regarded as a covariate, and the regression relationship between it and the subsystem failure-time distribution is established. The joint posterior distribution of regression coefficients is derived using Bayesian theory, which are then sampled via the No-U-Turn Sampler (NUTS) algorithm to obtain reliability estimates. Numerical case studies demonstrate that the proposed method outperforms existing approaches, yielding more robust similarity factors and higher accuracy in reliability assessments. Full article
Show Figures

Figure 1

Back to TopTop