Validation of 4TP Impedance Bridge Developed at GUM
Abstract
1. Introduction
- (1)
- (2)
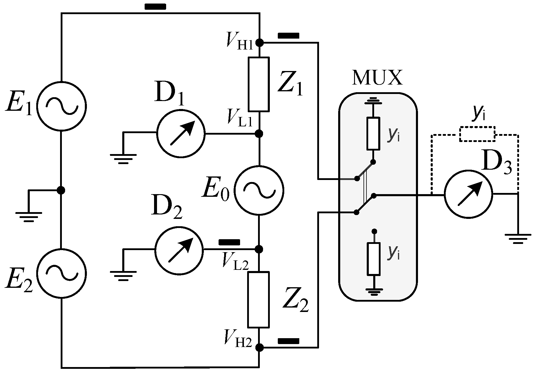
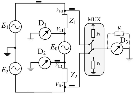
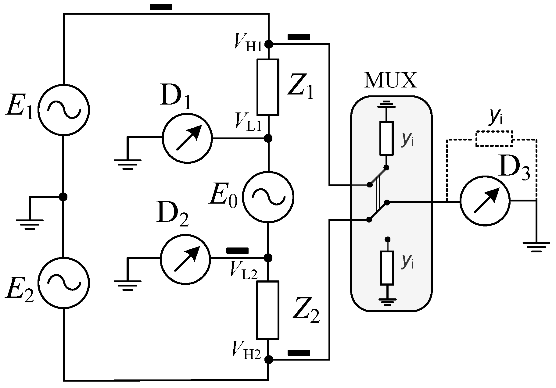
2. The 4TP Bridge
3. The 4TP Impedance Standards
4. Validation of the Bridge
4.1. Methods
- Calibration of the METAS Haddad 1 kΩ No. 1202 by comparing it with the reference Haddad 1 kΩ No. 1201 at frequencies of 500 Hz, 1000 Hz, 1233 Hz, 1592 Hz, 2 kHz, 3 kHz, 4 kHz, and 5 kHz.
- Calibration of three SUT Vishay HZ-foil resistors (100 Ω, 1 kΩ, 10 kΩ) by comparing them with the reference METAS “R” box at frequencies of 500 Hz, 1000 Hz, 1233 Hz, 1592 Hz, 2 kHz, 3 kHz, 4 kHz, and 5 kHz.
- Calibration of four GUM standard capacitors (1 nF, 10 nF, 100 nF, and 1 µF from KC0G-1XF L-52-2/21) by comparing them with the reference METAS “R” box at frequencies of 1000 Hz, 1233 Hz, and 1592 Hz.
4.2. Results
4.3. Uncertainty Budget
- 1 & 2. Reference resistor
- A set of reference resistors with values from 10 Ω to 100 kΩ is typically used for the calibration of inductance and capacitance standards. Vishay HZ-foil resistors (see Figure 3) referred at METAS to the QHR shown in Figure 3 have been applied. The uncertainty of the determination of the value for 1 kΩ resistor used as reference for 100 mH is estimated at 1.5 × 10−6. The uncertainty of the time constant is 5 ns.
- 3. Measuring frequency
- The signal source is synchronized with the PXI system equipped with timing and synchronization module PXI-6653. An extremely stable and accurate Oven Controlled Crystal Oscillator (OCXO) replaces the native 10 MHz oscillator on the PXI backplane. The relative accuracy of the signal frequency has been measured to be better than 1.2 μHz/Hz.
- 4 & 5. Measured voltage ratio
- Voltage ratio is measured by the digitizer AI0 of PXI-4461 switched between VH1 and VH2 ports. The ratio of coefficients of the Discretre Fourier Transform (DFT) gives the magnitude and the phase of the ratio of the fundamental components of VH1 and VH2. In order to evaluate the type-A uncertainty of the voltage ratio, the measurement sequence (balancing and measuring the voltages) is always repeated 10 times. Uncertainty components u(a) and u(b) are always determined separately for each comparison and displayed in the program window. The convergence threshold is always declared by the user before starting the measurement to be well below the expected measurement uncertainty. Furthermore, repeating the measurement 10 times removes the influence of this threshold, as the unbalance voltage vector moves in the complex plane. Therefore, the threshold was assessed to be negligible small compared to others uncertainty components.
- 6. Digitizer nonlinearity
- Nonlinearity of PXI digitizers used to measure voltage ratio is analyzed in Section 4.1. of [38]. According to the results obtained for digitizer AI0 at 1 kHz and 2.5 V, the nonlinearity error does not exceed 2 × 10−6.
5. Conclusions
Author Contributions
Funding
Data Availability Statement
Acknowledgments
Conflicts of Interest
Abbreviations
| GUM | Central Office of Measures, Warsaw, Poland |
| SUT | Silesian University of Technology, Gliwice, Poland |
| METAS | Federal Institute of Metrology, Bern, Switzerland |
| PTB | Physikalisch-Technische Bundesanstalt, Brunswick, Germany |
| NMI | National Metrology Institute |
| CMC | Calibration and Measurement Capability |
| 4TP | Four-terminal pair, type of terminals |
| MUSA | Coaxial connectors for audio and metrology applications |
| QHR | Quantum Hall Resistor |
| PXI | PCI Extensions for Instrumentation |
| NI | National Instruments, manufacturer of automated equipment, Austin, USA |
References
- Barsoukov, E.; Macdonald, J.R. Impedance Spectroscopy: Theory, Experiment, and Applications; Wiley: Hoboken, NJ, USA, 2018. [Google Scholar]
- Kanoun, O. (Ed.) Impedance Spectroscopy/Advanced Applications: Battery Research, Bioimpedance, System Design; Springer: Berlin/Heidelberg, Germany, 2021. [Google Scholar]
- Moškon, J.; Žuntar, J.; Talian, S.D.; Dominko, R.; Gaberšček, M. A Powerful Transmission Line Model for Analysis of Impedance of Insertion Battery Cells: A Case Study on the NMC-Li System. J. Electrochem. Soc. 2020, 167, 140539. [Google Scholar] [CrossRef]
- Mašlán, S.; He, H.; Bergsten, T.; Seitz, S.; Heins, T.P. Interlaboratory comparison of battery impedance analyzers calibration. Measurement 2023, 218, 113176. [Google Scholar] [CrossRef]
- Meddings, N.; Heinrich, M.; Overney, F.; Lee, J.S.; Ruiz, V.; Napolitano, E.; Seitz, S.; Hinds, G.; Raccichini, R.; Gaberšček, M.; et al. Application of electrochemical impedance spectroscopy to commercial Li-ion cells: A review. J. Power Sources 2020, 480, 228742. [Google Scholar] [CrossRef]
- Xiao, Y.; Huang, X.; Meng, J.; Zhang, Y.; Knap, V.; Stroe, D.-I. Electrochemical Impedance Spectroscopy-Based Characterization and Modeling of Lithium-Ion Batteries Based on Frequency Selection. Batteries 2025, 11, 11. [Google Scholar] [CrossRef]
- Ortolano, M.; Marzano, M.; Overney, F.; Eichenberger, A.L.; Kucera, J.; D’Elia, V. An International Trilateral Comparison Among the Newest Generations of Digital and Josephson Impedance Bridges. IEEE Trans. Instrum. Meas. 2025, 74, 1501009. [Google Scholar] [CrossRef]
- Pimsut, Y.; Bauer, S.; Karus, M.; Behr, R.; Kruskopf, M.; Kieler, O.; Palafox, L. Development and implementation of an automated four terminal-pair Josephson impedance bridge. Metrologia 2024, 61, 025007. [Google Scholar] [CrossRef]
- Bauer, S.; Behr, R.; Hagen, T.; Kieler, O.; Lee, J.; Palafox, L.; Schurr, J. A novel two-terminal-pair pulse-driven Josephson impedance bridge linking a 10 nF capacitance standard to the quantized Hall resistance. Metrologia 2017, 54, 152–160. [Google Scholar] [CrossRef]
- Overney, F.; Flowers-Jacobs, N.E.; Jeanneret, B.; Rufenacht, A.; Fox, A.E.; Underwood, J.M.; Koffman, A.D.; Benz, S.P. Josephson-based full digital bridge for high-accuracy impedance comparison. Metrologia 2016, 53, 1045–1053. [Google Scholar] [CrossRef]
- Bauer, S.; Behr, R.; Elmquist, R.E.; Götz, M.; Herick, J.; Kieler, O.; Kruskop, M.; Lee, J.; Palafox, L.; Pimsut, Y. A Four-terminal-pair Josephson impedance bridge combined with a graphene-quantized Hall resistance. Meas. Sci. Technol. 2021, 32, 065007. [Google Scholar] [CrossRef]
- Mašláň, S.; Šíra, M.; Skalická, T.; Bergsten, T. Four-Terminal Pair Digital Sampling Impedance Bridge up to 1MHz. IEEE Trans. Instrum. Meas. 2019, 68, 1860–1869. [Google Scholar] [CrossRef]
- Overney, F.; Jeanneret, B. Impedance bridges: From Wheatstone to Josephson. Metrologia 2018, 55, 119–134. [Google Scholar] [CrossRef]
- Ortolano, M.; Palafox, L.; Kučera, J.; Callegaro, L.; D’Elia, V.; Marzano, M.; Overney, F.; Gülmez, G. An international comparison of phase angle standards between the novel impedance bridges of CMI, INRIM and METAS. Metrologia 2018, 55, 499–512. [Google Scholar] [CrossRef]
- Overney, F.; Jeanneret, B. RLC Bridge Based on an Automated Synchronous Sampling System. IEEE Trans. Instrum. Meas. 2011, 60, 2393–2398. [Google Scholar] [CrossRef]
- Kim, D.B.; Shin, S.S.; Kim, W.-S.; Kucera, J. A Digital Bridge Evaluation up to 100 kHz for Precision Impedance Measurements. IEEE Trans. Instrum. Meas. 2023, 72, 1004805. [Google Scholar] [CrossRef]
- Kim, D.B.; Kim, W.-S. Performance Study of a Digital Impedance Bridge on the basis of Capacitance Measurements in Audio Frequency. In Proceedings of the 2020 Conference on Precision Electromagnetic Measurements (CPEM), Denver, CO, USA, 24–28 August 2020; pp. 1–2. [Google Scholar]
- Awan, S.; Kibble, B.; Schurr, J. Coaxial Electrical Circuits for Interference-Free Measurements (Electrical Measurement); IET: Edison, NJ, USA, 2010. [Google Scholar]
- Callegaro, L. Electrical Impedance: Principles, Measurement and Applications, 1st ed.; CRC Press: Boca Raton, FL, USA, 2012. [Google Scholar]
- Kibble, B.P. Four terminal-pair to anything else! In Proceedings of the IEE Colloquium Interconnections from DC Microwaves (Ref. No. 1999/019), London, UK, 18 February 1999; pp. 6/1–6/6. [Google Scholar]
- Kampik, M. High Performance Digitally Synthesized Source for Very Low-Frequency AC Voltage Calibrator. In Proceedings of the IEEE Instrumentation & Measurement Technology Conference IMTC, Warsaw, Poland, 1–3 May 2007; pp. 1–6. [Google Scholar]
- Lee, J.; Schurr, J.; Nissila, J.; Palafox, L.; Behr, R.; Kibble, B.P. Programmable Josephson Arrays for Impedance Measurements. IEEE Trans. Instrum. Meas. 2011, 60, 2596–2601. [Google Scholar] [CrossRef]
- Musioł, K.; Kampik, M.; Ziółek, A.; Jursza, J. Experiences with a new sampling-based four-terminal-pair digital impedance bridge. Measurement 2022, 205, 112159. [Google Scholar] [CrossRef]
- Ortolano, M.; Marzano, M.; D’Elia, V.; Tran, N.T.M.; Rybski, R.; Kaczmarek, J.; Kozioł, M.K.; Christensen, A.E.; Callegaro, L.; Kučera, J.; et al. A Comprehensive Analysis of Error Sources in Electronic Fully Digital Impedance Bridges. IEEE Trans. Instrum. Meas. 2021, 70, 1500914. [Google Scholar] [CrossRef]
- Kozioł, M.; Kaczmarek, J.; Rybski, R. Characterization of PXI-based generators for impedance measurement setups. IEEE Trans. Instrum. Meas. 2019, 68, 1806–1813. [Google Scholar]
- Overney, F.; Rufenacht, A.; Braun, J.; Jeanneret, B.; Wright, P.S. Characterization of Metrological Grade Analog-to-Digital Converters Using a Programmable Josephson Voltage Standard. IEEE Trans. Instrum. Meas. 2011, 60, 2172–2177. [Google Scholar] [CrossRef]
- Kučera, J.; Kováč, J.; Palafox, L.; Behr, R.; Vojáčková, L. Characterization of a precision modular sinewave generator. Meas. Sci. Technol. 2020, 31, 064002. [Google Scholar] [CrossRef]
- Rybski, R.; Kaczmarek, J.; Kozioł, M. A High-Resolution PXI Digitizer for a Low-Value-Resistor Calibration System. IEEE Trans. Instrum. Meas. 2013, 62, 1783–1788. [Google Scholar] [CrossRef]
- SIB 53 AIM QuTE Final Publishable JRP Report. Automated Impedance Metrology Extending the Quantum Toolbox for Electricity. Euramet, June 2017. Available online: https://www.euramet.org/research-innovation/search-research-projects/details/project/automated-impedance-metrology-extending-the-quantum-toolbox-for-electricity (accessed on 1 June 2023).
- Kampik, M.; Musioł, K. Investigations of the high-performance source of digitally synthesized sinusoidal voltage for primary impedance metrology. Measurement 2021, 168, 108308. [Google Scholar] [CrossRef]
- Palafox, L.; Raso, F.; Kučera, J.; Overney, F.; Callegaro, L.; Gournay, P.; Ziółek, A.; Nissilä, J. AIM QuTE: Automated Impedance Metrology extending the Quantum Toolbox for Electricity. In Proceedings of the 16th International Congress of Metrology, Paris, France, 7−10 October 2013. [Google Scholar]
- 17RPT04 VersICaL Final Publishable JRP Report. A Versatile Electrical Impedance Calibration Laboratory Based on Digital Impedance Bridges. Euramet, 2020. Available online: https://www.euramet.org/research-innovation/search-research-projects/details/project/a-versatile-electrical-impedance-calibration-laboratory-based-on-digital-impedance-bridges (accessed on 1 June 2023).
- Dierikx, E.; Melcher, J.; Callegaro, L. Final report on the supplementary comparison EURAMET.EMS26: Inductance measurements of 100 mH at 1 kHz (EURAMET project 816). Metrologia 2012, 49, 01002. [Google Scholar] [CrossRef]
- Callegaro, L.; D’Elia, V.; Bohacek, J. Four-Terminal-Pair Inductance Comparison Between INRIM and CTU. IEEE Trans. Instrum. Meas. 2009, 58, 87–93. [Google Scholar] [CrossRef]
- Musioł, K.; Koszarny, M.; Kampik, M.; Kubiczek, K.; Ziółek, A.; Jursza, J. A new impedance metrology infrastructure at GUM. In Proceedings of the 25th IMEKO TC-4 Symposium, Brescia, Italy, 12–14 September 2022. [Google Scholar]
- Musioł, K.; Kampik, M. Metrological triangles in impedance comparisons. Measurement 2019, 148, 106908. [Google Scholar] [CrossRef]
- Musioł, K.; Kampik, M.; Koszarny, M. A new sampling based four-terminal-pair digital impedance bridge. Meas. Sens. 2021, 18, 100307. [Google Scholar] [CrossRef]
- Kampik, M.; Musioł, K.; Rybski, R.; Kaczmarek, J.; Kozioł, M.; Augustyn, J.; Ziółek, A.; Jursza, J.; Koszarny, M. An Improved Sampling-Based Impedance Bridge. Energies 2025, 18, 4733. [Google Scholar] [CrossRef]













| Date | Frequency, Hz | ZC/ZR | |||
|---|---|---|---|---|---|
| Magnitude |Γ| | u(|Γ|), mΩ/Ω | Phase Φ, rad | u(Φ), μrad | ||
| 24 March 25 | 1000 | 1.59160779 | 0.43 | −1.57077006 | 0.86 |
| 26 March 25 | 1000 | 1.59160734 | 0.34 | −1.57077120 | 0.41 |
| 28 March 25 | 1000 | 1.59160793 | 0.49 | −1.57077122 | 0.80 |
| 24 March 25 | 1592 | 0.99975822 | 0.31 | −1.57075875 | 0.54 |
| 26 March 25 | 1592 | 0.99975887 | 0.62 | −1.57075906 | 0.39 |
| 28 March 25 | 1592 | 0.99975831 | 0.37 | −1.57075788 | 0.40 |
| # | Component | Type | Distribution | Formula | Value at 1 kHz |
|---|---|---|---|---|---|
| 1 | Reference resistor | B | Rectangular | 1.5 | |
| 2 | Reference time constant | B | Rectangular | 1.8 | |
| 3 | Frequency | B | Rectangular | 1.2 | |
| 4 | Value “a” | A | Normal | 0.2 | |
| 5 | Value “b” | A | Normal | 4.7 | |
| 6 | Digitizer nonlinearity | B | Rectangular | * | 2.0 |
Disclaimer/Publisher’s Note: The statements, opinions and data contained in all publications are solely those of the individual author(s) and contributor(s) and not of MDPI and/or the editor(s). MDPI and/or the editor(s) disclaim responsibility for any injury to people or property resulting from any ideas, methods, instructions or products referred to in the content. |
© 2025 by the authors. Licensee MDPI, Basel, Switzerland. This article is an open access article distributed under the terms and conditions of the Creative Commons Attribution (CC BY) license (https://creativecommons.org/licenses/by/4.0/).
Share and Cite
Kampik, M.; Musioł, K.; Ziółek, A.; Jursza, J.; Koszarny, M. Validation of 4TP Impedance Bridge Developed at GUM. Energies 2025, 18, 5690. https://doi.org/10.3390/en18215690
Kampik M, Musioł K, Ziółek A, Jursza J, Koszarny M. Validation of 4TP Impedance Bridge Developed at GUM. Energies. 2025; 18(21):5690. https://doi.org/10.3390/en18215690
Chicago/Turabian StyleKampik, Marian, Krzysztof Musioł, Adam Ziółek, Jolanta Jursza, and Maciej Koszarny. 2025. "Validation of 4TP Impedance Bridge Developed at GUM" Energies 18, no. 21: 5690. https://doi.org/10.3390/en18215690
APA StyleKampik, M., Musioł, K., Ziółek, A., Jursza, J., & Koszarny, M. (2025). Validation of 4TP Impedance Bridge Developed at GUM. Energies, 18(21), 5690. https://doi.org/10.3390/en18215690

