Sign in to use this feature.

Years

Between: -

Subjects

remove_circle_outline
remove_circle_outline
remove_circle_outline
remove_circle_outline
remove_circle_outline

Journals

Article Types

Countries / Regions

Search Results (10)

Search Parameters:
Keywords = LT spice

Order results
Result details
Results per page
Select all
Export citation of selected articles as:
16 pages, 4790 KB  
Article
Deterministic and Stochastic Analysis of Fractional-Order Legendre Filter with Uncertain Parameters
by Mohammed A. Hassan, Andrew Amgad and Osama H. Galal
Fractal Fract. 2024, 8(11), 645; https://doi.org/10.3390/fractalfract8110645 - 31 Oct 2024
Cited by 2 | Viewed by 986
Abstract
Fractional order filters are increasingly used due to their flexibility and continuous stepped stopband attenuation rate. The current work presents a deterministic design plan for an optimal fractional-order Legendre low-pass filter along with a stochastic investigation of its parametric uncertainty. First, the filter’s [...] Read more.
Fractional order filters are increasingly used due to their flexibility and continuous stepped stopband attenuation rate. The current work presents a deterministic design plan for an optimal fractional-order Legendre low-pass filter along with a stochastic investigation of its parametric uncertainty. First, the filter’s order was determined using the provided parameters, then the flower pollination algorithm was used to tune the transfer function parameters. This method uses the phase delay and magnitude response functions to quantify the desired output. Circuit diagrams, LT spice simulations, and a case study were used to validate the method. In addition, the effects of various components on stability and the performance metrics were further examined. Next, each of the described fractional system parameters (R1, R2, the ratio R4R3, Cα, and Cβ) was modeled as an uncertain term in a distinct cases, referred to as Cases I–V, respectively, and their combined effect was investigated as Case VI. These uncertain parameters were implemented using both random variables and stochastic processes. The system response was assessed using the Monte Carlo simulation method, and the mean, standard deviation, probability density function, and lower and upper bounds were plotted. Additionally, the key statistics of the cutoff frequency were tabulated in all cases. Many findings are addressed by the provided system solutions; briefly, the results revealed that the impact of uncertainty cases on system response, in descending order, was Case VI, Case III, Case V, Case II, Case I, and Case IV. Furthermore, the system demonstrated instability in Cases III and VI, which drew the designers’ attention to these two cases. Full article
(This article belongs to the Section Engineering)
Show Figures

Figure 1

15 pages, 737 KB  
Article
RF Energy Harvesting
by Jakub Szut, Paweł Piątek and Mariusz Pauluk
Energies 2024, 17(5), 1204; https://doi.org/10.3390/en17051204 - 3 Mar 2024
Cited by 8 | Viewed by 4762
Abstract
This article presents research on the usefulness of three different electric circuit simulation environments for exploring energy harvesting from electromagnetic waves using energy harvesters. The software that is compared includes KiCad EDA, LT Spice and MATLAB Simscape Electrical.Too prepare a common background for [...] Read more.
This article presents research on the usefulness of three different electric circuit simulation environments for exploring energy harvesting from electromagnetic waves using energy harvesters. The software that is compared includes KiCad EDA, LT Spice and MATLAB Simscape Electrical.Too prepare a common background for the results comparison, crucial equations that combine RF transmission with energy are presented. Commercially available harvesters are also presented. An overview of the state-of-the-art research on this topic is summarised. In order to verify software using conditions that are similar to real ones, the power available at the 868 MHZ ISM band, which is close to the LTE bands used for telecommunications, is calculated. The results obtained using different software are close to being identical for all tested simulation environments. Full article
(This article belongs to the Special Issue Integration of Distributed Energy Resources (DERs))
Show Figures

Figure 1

18 pages, 8795 KB  
Article
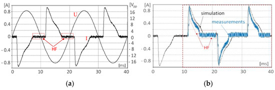
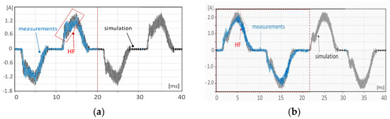
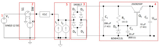
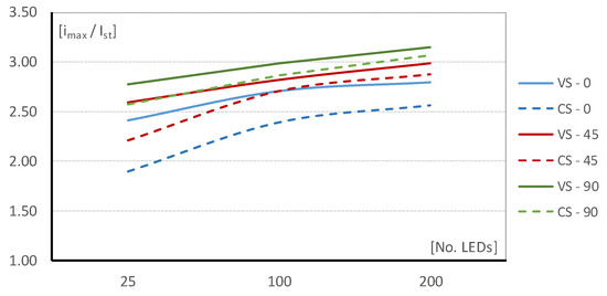
Modeling of Inrush Current Surges—LED Strip Drivers Case Study
by Dariusz Smugala and Michal Bonk
Energies 2023, 16(3), 1473; https://doi.org/10.3390/en16031473 - 2 Feb 2023
Cited by 3 | Viewed by 2811
Abstract
This paper is an investigation into the high inrush current effect that emerges during the energizing of drivers of different circuit types loaded by light-emitting-diode (LED) strips. Two different driver circuit types were analyzed—a voltage stabilization (VS) circuit utilizing a Zener diode, and [...] Read more.
This paper is an investigation into the high inrush current effect that emerges during the energizing of drivers of different circuit types loaded by light-emitting-diode (LED) strips. Two different driver circuit types were analyzed—a voltage stabilization (VS) circuit utilizing a Zener diode, and a current stabilization (CS) circuit type in the form of an integrated circuit (IC). Inrush current waveforms were calculated for drivers loaded by various numbers of LEDs. In the frame of the study, analysis executed for drivers energized by diverse input voltage RMS values at different switching-on phases was performed. The analysis is comprised of experimental verification of LT SPICE simulation results of current waveforms and calculations of current peak values appearing while switching on the supply voltage. The developed models for simulation needs were elaborated concerning precise reflection of the real current and voltage waveforms obtained during oscilloscopic registration of the switching-on process. The assumed simulation model parameters were mainly attuned in view of steady-state current simulations, and the implemented method of high-frequency (HF) transient modeling allowed for precise current waveform reflection. Finally, the utilization effectiveness of the proposed simple inrush current limiting circuit was estimated. Full article
(This article belongs to the Section F: Electrical Engineering)
Show Figures

Figure 1

26 pages, 10284 KB  
Article
Design of an Integrated, Six-Phase, Interleaved, Synchronous DC/DC Boost Converter on a Fuel-Cell-Powered Sport Catamaran
by Michael Rimondi, Riccardo Mandrioli, Vincenzo Cirimele, Lohith Kumar Pittala, Mattia Ricco and Gabriele Grandi
Designs 2022, 6(6), 113; https://doi.org/10.3390/designs6060113 - 14 Nov 2022
Cited by 8 | Viewed by 4175
Abstract
This paper describes the preliminary analysis, design and implementation phases of a DC/DC boost converter dedicated to the Futura catamaran propulsion chain developed by the UniBoAT team at the University of Bologna. The main goal of the project was the reduction of the [...] Read more.
This paper describes the preliminary analysis, design and implementation phases of a DC/DC boost converter dedicated to the Futura catamaran propulsion chain developed by the UniBoAT team at the University of Bologna. The main goal of the project was the reduction of the converter’s weight by eliminating the use of heat sinks and by reducing the component size, especially inductors and capacitors. The obtained converter is directly integrated into the structure containing the fuel-cell stack. The realized converter was based on an interleaved architecture with six phases controlled through the average current mode control. The design was validated through simulations carried out using the LT-Spice software, whereas experimental validations were performed by means of both bench tests and on-field tests. Detailed thermal and efficiency analyses were provided with the bench tests under the two synchronous and non-synchronous operating modes and with the adoption of the phase-shedding technique. Prototype implementation and performance in real operating conditions are discussed in relation to on-field tests. The designed converter can be used in other applications requiring a voltage-controlled boost converter. Full article
(This article belongs to the Topic Advanced Electrical Machines and Drives Technologies)
Show Figures

Figure 1

22 pages, 3163 KB  
Article
Evaluation of Thoracic Equivalent Multiport Circuits Using an Electrical Impedance Tomography Hardware Simulation Interface
by Christos Dimas, Vassilis Alimisis, Ioannis Georgakopoulos, Nikolaos Voudoukis, Nikolaos Uzunoglu and Paul P. Sotiriadis
Technologies 2021, 9(3), 58; https://doi.org/10.3390/technologies9030058 - 9 Aug 2021
Cited by 4 | Viewed by 4377
Abstract
Electrical impedance tomography is a low-cost, safe, and high temporal resolution medical imaging modality which finds extensive application in real-time thoracic impedance imaging. Thoracic impedance changes can reveal important information about the physiological condition of patients’ lungs. In this way, electrical impedance tomography [...] Read more.
Electrical impedance tomography is a low-cost, safe, and high temporal resolution medical imaging modality which finds extensive application in real-time thoracic impedance imaging. Thoracic impedance changes can reveal important information about the physiological condition of patients’ lungs. In this way, electrical impedance tomography can be a valuable tool for monitoring patients. However, this technique is very sensitive to measurement noise or possible minor signal errors, coming from either the hardware, the electrodes, or even particular biological signals. Thus, the design of a good performance electrical impedance tomography hardware setup which properly interacts with the tissue examined is both an essential and a challenging concept. In this paper, we adopt an extensive simulation approach, which combines the system’s analogue and digital hardware, along with equivalent circuits of 3D finite element models that represent thoracic cavities. Each thoracic finite element model is created in MATLAB based on existing CT images, while the tissues’ conductivity and permittivity values for a selected frequency are acquired from a database using Python. The model is transferred to a multiport RLC network, embedded in the system’s hardware which is simulated at LT SPICE. The voltage output data are transferred to MATLAB where the electrical impedance tomography signal sampling and digital processing is also simulated. Finally, image reconstructions are performed in MATLAB, using the EIDORS library tool and considering the signal noise levels and different electrode and signal sampling configurations (ADC bits, sampling frequency, number of taps). Full article
Show Figures

Figure 1

19 pages, 8920 KB  
Article
An RF Approach to Modelling Gallium Nitride Power Devices Using Parasitic Extraction
by Nikita Hari, Sridhar Ramasamy, Mominul Ahsan, Julfikar Haider and Eduardo M. G. Rodrigues
Electronics 2020, 9(12), 2007; https://doi.org/10.3390/electronics9122007 - 26 Nov 2020
Cited by 6 | Viewed by 4101
Abstract
This paper begins with a comprehensive review into the existing GaN device models. Secondly, it identifies the need for a more accurate GaN switching model. A simple practical process based on radio frequency techniques using Vector Network Analyser is introduced in this paper [...] Read more.
This paper begins with a comprehensive review into the existing GaN device models. Secondly, it identifies the need for a more accurate GaN switching model. A simple practical process based on radio frequency techniques using Vector Network Analyser is introduced in this paper as an original contribution. It was applied to extract the impedances of the GaN device to develop an efficient behavioural model. The switching behaviour of the model was validated using both simulation and real time double pulse test experiments at 500 V, 15 A conditions. The proposed model is much easier for power designers to handle, without the need for knowledge about the physics or geometry of the device. The proposed model for Transphorm GaN HEMT was found to be 95.2% more accurate when compared to the existing LT-Spice manufacturer model. This work additionally highlights the need to adopt established RF techniques into power electronics to reduce the learning curve while dealing with these novel high-speed switching devices. Full article
(This article belongs to the Special Issue Industrial Applications of Power Electronics II)
Show Figures

Figure 1

25 pages, 12870 KB  
Article
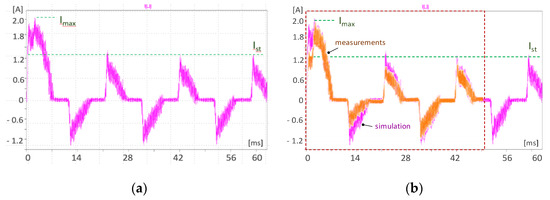
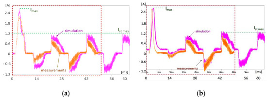
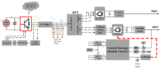
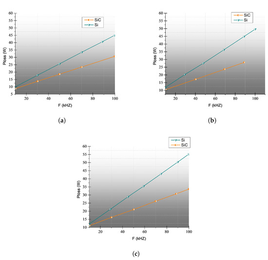
Disturbance Rejection and Control Design of MVDC Converter with Evaluation of Power Loss and Efficiency Comparison of SiC and Si Based Power Devices
by Faisal Mehmood Shah, Sarmad Maqsood, Robertas Damaševičius and Tomas Blažauskas
Electronics 2020, 9(11), 1878; https://doi.org/10.3390/electronics9111878 - 8 Nov 2020
Cited by 6 | Viewed by 3218
Abstract
With direct current (DC) power generation from renewable sources, as well as the current relocation of loads from alternating current (AC) to DC, medium-voltage DC (MVDC) should fill gaps in the areas of distribution and transmission, thereby improving energy efficiency. The MVDC system [...] Read more.
With direct current (DC) power generation from renewable sources, as well as the current relocation of loads from alternating current (AC) to DC, medium-voltage DC (MVDC) should fill gaps in the areas of distribution and transmission, thereby improving energy efficiency. The MVDC system is a platform that interconnects electric power generation renewables (solar, wind) with loads such as data centers, industrial facilities and electric vehicle (EV) charging stations (also using MVDC technology). DC–DC power converters are part of the rising technology for interconnecting future DC grids, providing good controllability, reliability and bi-directional power flow. The contribution of this work is a novel and efficient multi-port DC–DC converter topology having interconnections between two converters, three-level neutral point clamping (NPC) on the high-voltage (HV) side and two converters on the low-voltage (LV) side, providing two nominal low voltages of 400 V (constant) and 500 V (variable), respectively. The design of this new and effective control strategy on the LV side has taken into condition load disturbances, fluctuations and voltage dips. A double-closed-loop control topology is suggested, where an outside voltage control loop (in which the capacitance energies are analyzed as variable, and the inside current loop is decoupled without the precise value of boost inductance) is used. The simulation results show the effectiveness of the proposed control system. In the second part of this study, wide-bandgap SiC and Si devices are compared by using comprehensive mathematical modeling and LT-spice software. Improving power loss efficiency and overall cost comparisons are also discussed. Full article
(This article belongs to the Section Power Electronics)
Show Figures

Figure 1

16 pages, 6541 KB  
Article
Autonomous Energy Harvester Based on Textile-Based Enzymatic Biofuel Cell for On-Demand Usage
by Seonho Seok, Cong Wang, Elie Lefeuvre and Jungyul Park
Sensors 2020, 20(17), 5009; https://doi.org/10.3390/s20175009 - 3 Sep 2020
Cited by 8 | Viewed by 4029
Abstract
This paper presents an autonomous energy harvester based on a textile-based enzymatic biofuel cell, enabling an efficient power management and on-demand usage. The proposed biofuel cell works by an enzymatic reaction with glucose in sweat absorbed by the specially designed textile for sustainable [...] Read more.
This paper presents an autonomous energy harvester based on a textile-based enzymatic biofuel cell, enabling an efficient power management and on-demand usage. The proposed biofuel cell works by an enzymatic reaction with glucose in sweat absorbed by the specially designed textile for sustainable and efficient energy harvesting. The output power of the textile-based biofuel cell has been optimized by changing electrode size and stacking electrodes and corresponding fluidic channels suitable for following power management circuit. The output power level of single electrode is estimated less than 0.5 μW and thus a two-staged power management circuit using intermediate supercapacitor has been presented. As a solution to produce a higher power level, multiple stacks of biofuel cell electrodes have been proposed and thus the textile-based biofuel cell employing serially connected 5 stacks produces a maximal power of 13 μW with an output voltage of 0.88 V when load resistance is 40 kΩ. A buck-boost converter employing a crystal oscillator directly triggered by DC output voltage of the biofuel cell makes it possible to obtain output voltage of the DC–DC converter is 6.75 V. The efficiency of the DC–DC converter is estimated as approximately 50% when the output power of the biofuel cell is tens microwatts. In addition, LT-spice modeling and simulation has been presented to estimate power consumption of each element of the proposed DC–DC converter circuit and the predicted output voltage has good agreement with measurement result. Full article
(This article belongs to the Section Biosensors)
Show Figures

Figure 1

18 pages, 1605 KB  
Article
A Parametric EIT System Spice Simulation with Phantom Equivalent Circuits
by Christos Dimas, Nikolaos Uzunoglu and Paul Peter Sotiriadis
Technologies 2020, 8(1), 13; https://doi.org/10.3390/technologies8010013 - 1 Feb 2020
Cited by 15 | Viewed by 7740
Abstract
In this paper a number of LT Spice simulations have been carried out on an Electrical Impedance Tomography (EIT) system, which includes the whole analog and digital circuitry as well as the subject to be examined (phantom model). The aim of this study [...] Read more.
In this paper a number of LT Spice simulations have been carried out on an Electrical Impedance Tomography (EIT) system, which includes the whole analog and digital circuitry as well as the subject to be examined (phantom model). The aim of this study is to show how the analog and digital parts, the electrodes and the subject’s physical properties may impact the measurements and the quality of the reconstructed image. This could provide a useful tool for designing an EIT system. Special attention has been given to the current source’s output impedance and swing, to the noise produced by the circuits and to the Analog to Digital Converters (ADCs) resolution and sampling rate. Furthermore, some 3D phantom subjects have been modeled and simulated as equivalent circuits, merged with the EIT simulated hardware, in order to observe how changes on their properties interact with the whole circuitry and affect the final result. Observations show that mirrored current sources with z o u t > 350 k Ω and sufficiently high ADC acquisition sampling rate ( f s a m p l e 16 f i n ) can result to accurate impedance measurements and therefore quality image reconstruction within a frequency span of at least 10 to 100 kHz. Moreover, possible hardware failures (electrode disconnections and imbalanced contact impedances) can be detected with a simple examination of the first extracted image and measurement set, so that by direct modification of the reconstruction process, a corrected result can be obtained. Full article
(This article belongs to the Special Issue MOCAST 2019: Modern Circuits and Systems Technologies on Electronics)
Show Figures

Figure 1

19 pages, 6140 KB  
Article
A Performance of the Soft-Charging Operation in Series of Step-Up Power Switched-Capacitor Converters
by Ayoob Alateeq, Yasser Almalaq and Mohammad Matin
J. Low Power Electron. Appl. 2018, 8(1), 8; https://doi.org/10.3390/jlpea8010008 - 12 Mar 2018
Cited by 6 | Viewed by 9002 | Correction
Abstract
Due to their high power density and appropriateness for small circuits integration, switched-capacitor (SC) converters have gotten more interests. Applying the soft-charging technique effectively eliminates the current transient that results in a higher power density and a higher fundamental efficiency. Achieving the complete [...] Read more.
Due to their high power density and appropriateness for small circuits integration, switched-capacitor (SC) converters have gotten more interests. Applying the soft-charging technique effectively eliminates the current transient that results in a higher power density and a higher fundamental efficiency. Achieving the complete soft-charging operation is impossible by using the conventional control diagram for any SC converter topology. In this paper, we proposed a split-phase control to achieve the complete soft-charging operation in a power switched-capacitor (PSC) converter. The proposed control diagram was designed for a 1-to-4 PSC converter (two-level of the PSC converter). The implemented split-phase diagram successfully controls eight switches to exhibit eight modes of operation. In addition to the current transient elimination, the complete soft-charging allows us to reduce capacitor sizes. However, reducing capacitor size negatively increases the output voltage ripple; hence, an output LC filter is needed. The complete soft-charging achievement accomplishes a 96% efficiency due to the lower output impedance and the dead time switching. LT-Spice software has been used to verify the proposed control and the results were compared with hard-charging and incomplete soft-charging operations. Full article
Show Figures

Figure 1

Back to TopTop