Disturbance Rejection and Control Design of MVDC Converter with Evaluation of Power Loss and Efficiency Comparison of SiC and Si Based Power Devices
Abstract
1. Introduction
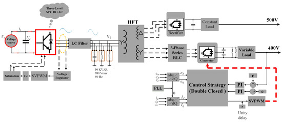
2. System Modeling and Control of DC–DC Three-Level MVDC Converter
3. Mathematical Model on the LV Side
3.1. LV Side Control Design and Mathematical Model
3.2. Design of Inner Current Loop
3.3. Design Outer Voltage Loop
4. Simulation Results
5. DC–DC Converter Comparison Analysis
5.1. Devices Comparison and Analysis
5.2. Converter Performance at Variable Switching Frequencies
5.3. Simulation and Analysis
6. Cost Comparison
7. Conclusions
Author Contributions
Funding
Conflicts of Interest
Appendix A
References
- Mesas, J.J.; Monjo, L.; Sainz, L.; Pedra, J. Study of MVDC system benchmark networks. In Proceedings of the International Symposium on Smart Electric Distribution Systems and Technologies (EDST), Vienna, Austria, 8–11 September 2015. [Google Scholar]
- Liu, C.; Kong, D.; Zhang, Z.; Pei, Z.; Kennel, R. Single-Stage Control System of I-MMC-Based Island MVDC Link Receiver with Multiple Modulation Freedoms. IEEE Access 2020, 8, 10088–10097. [Google Scholar] [CrossRef]
- Stieneker, M.; Doncker, R.W.D. Medium-voltage DC distribution grids in urban areas. In Proceedings of the IEEE 7th International Symposium on Power Electronics for Distributed Generation Systems (PEDG), Vancouver, BC, Canada, 27–30 June 2016. [Google Scholar]
- Lee, Y.; Vakil, G.; Watson, A.J.; Wheeler, P.W. An analytical modeling and estimating losses of power semiconductors in a three-phase dual active bridge converter for MVDC grids. In Proceedings of the IEEE Power and Energy Conference at Illinois (PECI), Vancouver, BC, Canada, 27–30 June 2017. [Google Scholar]
- Chen, Y.; Li, Z.; Zhao, S.; Wei, X.; Kang, Y. Design and Implementation of a Modular Multilevel Converter with Hierarchical Redundancy Ability for Electric Ship MVDC System. IEEE J. Emerg. Sel. Top. Power Electron. 2017, 5, 189–202. [Google Scholar] [CrossRef]
- Ayodelea, E.; Misrab, S.; Damasevicius, R.; Maskeliunas, R. Hybrid microgrid for microfinance institutions in rural areas—A field demonstration in West Africa. Sustain. Energy Technol. Assessments 2019, 35, 89–97. [Google Scholar] [CrossRef]
- Jain, V.; Chaudhary, G.; Taplamacioglu, M.C.; Agarwal, M.S. Advances in Data Sciences, Security and Applications. In Proceedings of ICDSSA 2019; Springer: Berlin/Heidelberg, Germany, 2019. [Google Scholar]
- Ogunleye, O.; Alabi, A.; Misra, S.; Adewumi, A.; Ahuja, R.; Damasevicius, R. Comparative Study of the Electrical Energy Consumption and Cost for a Residential Building on Fully AC Loads Vis-a-Vis One on Fully DC Loads. In Lecture Notes in Electrical Engineering; Springer: Singapore, 2019; pp. 395–405. [Google Scholar]
- Ma, J.; Geng, G.; Jiang, Q. Two-Time-Scale Coordinated Energy Management for Medium-Voltage DC Systems. IEEE Trans. Power Syst. 2016, 31, 3971–3983. [Google Scholar] [CrossRef]
- Aboushady, A.A.; Ahmed, K.H.; Finney, S.J.; Williams, B.W. Lyapunov-based high-performance controller for modular resonant DC/DC converters for medium-voltage DC grids. IET Power Electron. 2017, 10, 2055–2064. [Google Scholar] [CrossRef]
- Yu, J.; Smith, K.; Urizarbarrena, M.; MacLeod, N.; Bryans, R.; Moon, A. Initial designs for the ANGLE DC project; converting existing AC cable and overhead line into DC operation. In Proceedings of the 13th IET International Conference on AC and DC Power Transmission (ACDC 2017), Manchester, UK, 14–16 February 2017. [Google Scholar]
- Cardenas, R.B.; Isobe, T.; Molinas, M. Comparative study of semiconductor devices based on a meta-parameterised approach: SiC MOSFET vs Si IGBT technologies. In Proceedings of the IEEE 8th International Power Electronics and Motion Control Conference (IPEMC-ECCE Asia), Hefei, China, 22–26 May 2016. [Google Scholar]
- Anthon, A.; Zhang, Z.; Andersen, M.A.E.; Holmes, D.G.; McGrath, B.; Teixeira, C.A. Comparative Evaluation of the Loss and Thermal Performance of Advanced Three-Level Inverter Topologies. IEEE Trans. Ind. Appl. 2017, 53, 1381–1389. [Google Scholar] [CrossRef]
- Shah, F.M.; Maqsood, S.; Shah, Z.M.; Muhammad, F.; Kim, S. Multilevel LVDC Distribution System with Voltage Unbalancing and Disturbance Rejection Control Topology. IEEE Access 2020, 8, 133787–133801. [Google Scholar] [CrossRef]
- Slawinski, M.; Heer, D.; Villbusch, T.; Buschkuehle, M. System study of SiC MOSFET and Si IGBT power module performance using a bidirectional buck-boost converter as evaluation platform. In Proceedings of the 18th European Conference on Power Electronics and Applications (EPE’16 ECCE Europe), Karlsruhe, Germany, 5–9 September 2016. [Google Scholar]
- Shah, F.M.; Xiao, H.M.; Li, R.; Awais, M.; Zhou, G.; Bitew, G.T. Comparative performance evaluation of temperature dependent characteristics and power converter using GaN, SiC and Si power devices. In Proceedings of the IEEE 12th International Conference on Compatibility, Power Electronics and Power Engineering (CPE-POWERENG 2018), Doha, Qatar, 10–12 April 2018; pp. 1–7. [Google Scholar]
- Shah, F.M.; Minxiao, H.; Muhammad, T.; Xxie, W.; Awais, M. Three-Phase AC-DC Voltage Disturbance Rejection Control Strategy by Using Inverter Decoupling Topology. In Proceedings of the International Conference on Power Generation Systems and Renewable Energy Technologies (PGSRET), Islamabad, Pakistan, 10–12 September 2018; pp. 1–5. [Google Scholar]
- Kiani, S.H.; Altaf, A.; Abdullah, M.; Muhammad, F.; Shoaib, N.; Anjum, M.R.; Damaševičius, R.; Blažauskas, T. Eight Element Side Edged Framed MIMO Antenna Array for Future 5G Smart Phones. Micromachines 2020, 11, 956. [Google Scholar] [CrossRef]
- He, J.; Katebi, R.; Weise, N. A Current-Dependent Switching Strategy for Si/SiC Hybrid Switch-Based Power Converters. IEEE Trans. Ind. Electron. 2017, 64, 8344–8352. [Google Scholar] [CrossRef]
- Liu, D.; Deng, F.; Chen, Z. Five-Level Active-Neutral-Point-Clamped DC/DC Converter for Medium-Voltage DC Grids. IEEE Trans. Power Electron. 2017, 32, 3402–3412. [Google Scholar] [CrossRef]
- Wang, X.; Tang, G.; He, Z.; Wei, X.; Pang, H.; Xiao, X. Modeling and control of an isolated module multilevel DC/DC converter for DC grid. CSEE J. Power Energy Syst. 2017, 3, 150–159. [Google Scholar] [CrossRef]
- Xie, R.; Li, H. Fault Performance Comparison Study of a Dual Active Bridge (DAB) Converter and an Isolated Modular Multilevel DC/DC (iM2DC) Converter for Power Conversion Module Application in a Breaker-Less Shipboard MVDC System. IEEE Trans. Ind. Appl. 2018, 54, 5444–5455. [Google Scholar] [CrossRef]
- Harrye, Y.A.; Aboushady, A.A.; Ahmed, K.H. Power sharing controller for modular dual active bridge DC/DC converter in medium voltage DC applications. In Proceedings of the IEEE 6th International Conference on Renewable Energy Research and Applications (ICRERA), San Diego, CA, USA, 5–8 November 2017. [Google Scholar]
- Jovcic, D.; Zhang, H. Dual Channel Control with DC Fault Ride Through for MMC-Based, Isolated DC/DC Converter. IEEE Trans. Power Deliv. 2017, 32, 1574–1582. [Google Scholar] [CrossRef]
- Farhadi, M.; Abapour, M.; Sabahi, M. Failure analysis and reliability evaluation of modulation techniques for neutral point clamped inverters-A usage model approach. Eng. Fail. Anal. 2017, 71, 90–104. [Google Scholar] [CrossRef]
- Han, Q.; Li, B.; Li, Z.; Ke, Q. Research of grid-connected photovoltaic inverter grid-connected system based on dual closed-loop of grid voltage vector orientation. In Proceedings of the Chinese Automation Congress (CAC), Jinan, China, 20–22 October 2017. [Google Scholar]
- Chen, Y.; Zhao, S.; Li, Z.; Wei, X.; Kang, Y. Modeling and Control of the Isolated DC-DC Modular Multilevel Converter for Electric Ship Medium Voltage Direct Current Power System. IEEE J. Emerg. Sel. Top. Power Electron. 2017, 5, 124–139. [Google Scholar] [CrossRef]
- Jafarishiadeh, S.; Farasat, M.; Sadigh, A.K. Medium-voltage DC grid connection using modular multilevel converter. In Proceedings of the IEEE Energy Conversion Congress and Exposition (ECCE), Cincinnati, OH, USA, 1–5 October 2017. [Google Scholar]
- Lu, S.; Lin, W.; Yao, W.; Wen, J. Control of two LCC-HVDC interconnected through DC-DC autotransformer. In Proceedings of the 12th IET International Conference on AC and DC Power Transmission (ACDC 2016), Beijing, China, 28–29 May 2016. [Google Scholar]
- Mendez, A.H.; Flores, J.L.; Ramirez, H.S.; Castellanos, J.F.G.; Aguilar, G.M. A Backstepping Approach to Decentralized Active Disturbance Rejection Control of Interacting Boost Converters. IEEE Trans. Ind. Appl. 2017, 53, 4063–4072. [Google Scholar] [CrossRef]
- Cui, S.; Soltau, N.; Doncker, R.W.D. A High Step-Up Ratio Soft-Switching DC-DC Converter for Interconnection of MVDC and HVDC Grids. IEEE Trans. Power Electron. 2018, 33, 2986–3001. [Google Scholar] [CrossRef]
- Cui, S.; Hu, J.; Doncker, R.D. Fault-Tolerant Operation of a TLC-MMC Hybrid DC-DC Converter for Interconnection of MVDC and HVdc Grids. IEEE Trans. Power Electron. 2020, 35, 83–93. [Google Scholar] [CrossRef]
- Du, S.; Wu, B.; Zargari, N.R. A Transformerless High-Voltage DC-DC Converter for DC Grid Interconnection. IEEE Trans. Power Deliv. 2018, 53, 282–290. [Google Scholar] [CrossRef]
- Ruiz, A.S.; Valera, J.J.; Legarra, I.; Torre, I.; Telleria, S.; Atutxa, I. Modelling of MVDC Multidrive Systems for Power Quality Analysis. IEEE Trans. Ind. Electron. 2020. [Google Scholar]
- Rocha, E.M.; Barra, W.; Lucas, K.E.; Medeiros, R.L.P.; Vaca-Benavides, D.A. Design and Experimental Assessment of a Robust Voltage Control for DC-DC Converters Considering Components Parametric Uncertainties. IEEE Access 2020, 8, 109217–109231. [Google Scholar] [CrossRef]
- Wang, Y.; Li, Q.; Li, B.; Wei, T.; Zhu, Z.; Li, W.; Wen, W.; Wang, C. A Practical DC Fault Ride-Through Method for MMC based MVDC Distribution Systems. IEEE Trans. Power Deliv. 2020. [Google Scholar] [CrossRef]
- Hunter, L.; Booth, C.D.; Alvarez, A.E.; Dysko, A.; Finney, S.; Ferre, A.J. A new fast-acting backup protection strategy for embedded MVDC links in future distribution networks. IEEE Trans. Power Deliv. 2020. [Google Scholar] [CrossRef]
- Zhu, R.; Liang, T.; Dinavahi, V.; Liang, G. Wideband Modeling of Power SiC mosfet Module and Conducted EMI Prediction of MVDC Railway Electrification System. IEEE Trans. Electromagn. Compat. 2020. [Google Scholar] [CrossRef]
- Xu, J.; Gu, L.; Ye, Z.; Kargarrazi, S.; Rivas-Davila, J.M. Cascode GaN/SiC: A Wide-Bandgap Heterogenous Power Device for High-Frequency Applications. IEEE Trans. Power Electron. 2020, 35, 6340–6349. [Google Scholar] [CrossRef]
- Geng, Z.; Han, M. Fault Localization Strategy for Modular Multilevel Converters in Rectifier Mode under Submodule Switch Open-Circuit Failure. IEEE Trans. Circuits Syst. II Express Briefs 2020. [Google Scholar] [CrossRef]
- Neubert, M.; Gorodnichev, A.; Gottschlich, J.; Doncker, R.W.D. Performance analysis of a triple-active bridge converter for interconnection of future dc-grids. In Proceedings of the IEEE Energy Conversion Congress and Exposition (ECCE), Milwaukee, MI, USA, 18–22 September 2016. [Google Scholar]
- Barros, J.; Saiz, P.; de Apraiz, M.; Leturiondo, L.A.; Diego, R.I.; Gutierrez, J.J. Limitations in the use of the IEC standard method for detection and analysis of rapid voltage changes in power system networks. In Proceedings of the 17th International Conference on Harmonics and Quality of Power (ICHQP), Belo Horizonte, Brazil, 16–19 October 2016. [Google Scholar]
- Gu, Y.; Yu, H.; Yu, J.; Shan, B. Sliding-mode and PCH control of three phase PWM rectifier. In Proceedings of the 27th Chinese Control and Decision Conference (2015 CCDC), Qingdao, China, 23–25 May 2015. [Google Scholar]
- Blasko, V.; Kaura, V. A new mathematical model and control of a three-phase AC-DC voltage source converter. IEEE Trans. Power Electron. 1997, 12, 116–123. [Google Scholar] [CrossRef]
- Collins, C.T.; Green, T.C. Comparative Analysis of an MV Neutral Point Clamped AC-CHB Converter with DC Fault Ride-Through Capability. IEEE Trans. Ind. Electron. 2020, 67, 2834–2843. [Google Scholar] [CrossRef]

























| Specifications | Values |
|---|---|
| Power Electronic Devices | IGBT/Diode |
| Port 1 nominal Input voltage | 20 kV |
| Port 2 nominal output voltage | 500 V |
| Maximum Power | 15 kW |
| Port 3 nominal output voltage | 400 V |
| Maximum Power | 15 kW |
| Switching frequency | 20 kHz |
| Converter frequency | 50 kHz |
| Sampling Frequency of the controller | 20 kHz |
| Maximum Voltage Deviation | ±10% |
| Filter capacitance (C) | 30 F |
| Filter Inductance (L) | 0.8 mH |
| Light-load | 0.15 |
| Light-load | 0.004 |
| Light-load | 0.06 |
| Light-load | 0.002 |
| Heavy-load | 0.8 |
| Heavy-load | 0.016 |
| Heavy-load | 0.2 |
| Heavy-load | 0.006 |
| , on LV side | 4000 F × 2 |
| , on HV side | 13 × F × 2 |
| Modulation Index | 0.8 |
| Load Resistance | 100 |
| Device Parameters | SiC MOSFET | Si IGBT |
|---|---|---|
| Part number | C2M0080120D | NGTB20N120LWG |
| Manufacturer | Cree | On semi |
| Maximum rating | 1200 V, 31.6 A | 1200 V, 20 A |
| Maximum junction temperature | 150 | 150 |
| Thermal resistance | 0.60 | 0.65 |
| Voltage fall time | 2.35 × | 1.2 × |
| Voltage rise time | 3.5 × | 4.0 × |
| Drain current | 36 A | 20 A |
| Properties | Si | 4H-SiC |
|---|---|---|
| Band gap [eV] | 1.12 | 3.26 |
| Breakdown electric field [MV·] | 0.2 | 2.5 |
| Intrinsic carrier concentration | 1.5 × | 8.2 × |
| Holes mobility [··] | 420 | 115 |
| Saturation velocity [] | 1 × | 2 × |
| Thermal conductivity [W·K ] | 1.5 | 4.9 |
| Specifications | Values |
|---|---|
| Low side voltage (V) | 400 V |
| Power rating P (kW) | 15 |
| Switching frequency f (kHz) | 20 |
| Choke inductance (mH) | 2 |
| Junction temperature Tj (C) | 135 |
| Equivalent series resistance for capacitor (m) | 4.5 |
| Series resistance for inductor () | 0.02 |
| Load resistance () | 100 |
| Si IGBT | SiC MOSFET | |
|---|---|---|
| Full Load | ||
| Conduction Loss () | 186.32 | 113.05 |
| Switching Loss () | 214.5 | 33.17 |
| Inductor + Capacitor Loss () | 31.175 | 30.78 |
| Total Loss () | 432 | 117 |
| Converter Efficiency (%) | 97.12 | 98.82 |
| 75% Load | ||
| Conduction Loss () | 178.08 | 92.825 |
| Switching Loss () | 220.8 | 33.325 |
| Inductor + Capacitor Loss () | 19.625 | 17.85 |
| Total Loss () | 418 | 141 |
| Converter Efficiency (%) | 97.21 | 99.06 |
| SiC MOSFET C2M0080120D | Si IGBT NGTB20N120LWG | |
|---|---|---|
| Semiconductors | £ 436.00 | £ 212.00 |
| Heat sink | £ 223.11 | £ 459.48 |
| Drivers | £ 3640 | £ 353.89 |
Publisher’s Note: MDPI stays neutral with regard to jurisdictional claims in published maps and institutional affiliations. |
© 2020 by the authors. Licensee MDPI, Basel, Switzerland. This article is an open access article distributed under the terms and conditions of the Creative Commons Attribution (CC BY) license (http://creativecommons.org/licenses/by/4.0/).
Share and Cite
Shah, F.M.; Maqsood, S.; Damaševičius, R.; Blažauskas, T. Disturbance Rejection and Control Design of MVDC Converter with Evaluation of Power Loss and Efficiency Comparison of SiC and Si Based Power Devices. Electronics 2020, 9, 1878. https://doi.org/10.3390/electronics9111878
Shah FM, Maqsood S, Damaševičius R, Blažauskas T. Disturbance Rejection and Control Design of MVDC Converter with Evaluation of Power Loss and Efficiency Comparison of SiC and Si Based Power Devices. Electronics. 2020; 9(11):1878. https://doi.org/10.3390/electronics9111878
Chicago/Turabian StyleShah, Faisal Mehmood, Sarmad Maqsood, Robertas Damaševičius, and Tomas Blažauskas. 2020. "Disturbance Rejection and Control Design of MVDC Converter with Evaluation of Power Loss and Efficiency Comparison of SiC and Si Based Power Devices" Electronics 9, no. 11: 1878. https://doi.org/10.3390/electronics9111878
APA StyleShah, F. M., Maqsood, S., Damaševičius, R., & Blažauskas, T. (2020). Disturbance Rejection and Control Design of MVDC Converter with Evaluation of Power Loss and Efficiency Comparison of SiC and Si Based Power Devices. Electronics, 9(11), 1878. https://doi.org/10.3390/electronics9111878

