Sign in to use this feature.

Years

Between: -

Subjects

remove_circle_outline
remove_circle_outline
remove_circle_outline
remove_circle_outline
remove_circle_outline
remove_circle_outline
remove_circle_outline
remove_circle_outline
remove_circle_outline

Journals

remove_circle_outline
remove_circle_outline
remove_circle_outline
remove_circle_outline
remove_circle_outline
remove_circle_outline

Article Types

Countries / Regions

remove_circle_outline
remove_circle_outline
remove_circle_outline
remove_circle_outline

Search Results (247)

Search Parameters:
Keywords = Fick’s law

Order results
Result details
Results per page
Select all
Export citation of selected articles as:
17 pages, 3399 KB  
Article
A STEM-Based Methodology for Designing and Validating a Cannabinoid Extraction Device: Integrating Drying Kinetics and Quality Function Deployment
by Alfredo Márquez-Herrera, Juan Reséndiz-Muñoz, José Luis Fernández-Muñoz, Mirella Saldaña-Almazán, Blas Cruz-Lagunas, Tania de Jesús Adame-Zambrano, Valentín Álvarez-Hilario, Jorge Estrada-Martínez, María Teresa Zagaceta-Álvarez and Miguel Angel Gruintal-Santos
AgriEngineering 2026, 8(1), 39; https://doi.org/10.3390/agriengineering8010039 - 22 Jan 2026
Viewed by 13
Abstract
Projects integrating Science, Technology, Engineering, and Mathematics (STEM) are essential to interdisciplinary research. This study presents a STEM (Science, Technology, Engineering, and Mathematics) methodology with the primary objective of designing, constructing, and validating a functional cannabinoid extraction device. To inform the device’s drying [...] Read more.
Projects integrating Science, Technology, Engineering, and Mathematics (STEM) are essential to interdisciplinary research. This study presents a STEM (Science, Technology, Engineering, and Mathematics) methodology with the primary objective of designing, constructing, and validating a functional cannabinoid extraction device. To inform the device’s drying parameters, the dehydration kinetics of female hemp buds or flowering buds (FHB) were first analyzed using infrared drying at 100 °C for different durations. The plants were cultivated and harvested in accordance with good agricultural practices using Dinamed CBD Autoflowering seeds. The FHB were harvested and prepared by manually separating them from the stems and leaves. Six 5 g samples were prepared, each with a slab geometry of varying surface area and thickness. Two of these samples were ground: one into a fine powder and the other into a coarse powder. Mathematical fits were obtained for each resulting curve using either an exponential decay model or the logarithmic equation yt=Aekt+y0 calculate the equilibrium moisture (mE). The Moisture Rate (MR) was calculated, and by modelling with the logarithmic equation, the constant k and the effective diffusivity (Deff) were determined with the analytical solution of Fick’s second law. The Deff values (ranging from 10−7 to 10−5) were higher than previously reported. The coarsely ground powder sample yielded the highest k and Deff values and was selected for oil extraction. The device was then designed using Quality Function Deployment (QFD), specifically the House of Quality (HoQ) matrix, to systematically translate user requirements into technical specifications. A 200 g sample of coarsely ground, dehydrated FHB was prepared for ethanol extraction. Chemical results obtained by Liquid Chromatography coupled with Photodiode Array Detection (LC-PDA) revealed the presence of THC, CBN, CBC, and CBG. The extraction device design was validated using previous results showing the presence of CBD and CBDA. The constructed device successfully extracted cannabinoids, including Δ9-THC, CBG, CBC, and CBN, from coarsely ground FHB, validating the integrated STEM approach. This work demonstrates a practical framework for developing accessible agro-technical devices through interdisciplinary collaboration. Full article
(This article belongs to the Section Agricultural Mechanization and Machinery)
Show Figures

Figure 1

29 pages, 5114 KB  
Article
Model Simulations and Experimental Study of Acetic Acid Adsorption on Ice Surfaces with Coupled Ice-Bulk Diffusion at Temperatures Around 200 K
by Atanas Terziyski, Peter Behr, Nikolay Kochev, Peer Scheiff and Reinhard Zellner
Physchem 2026, 6(1), 3; https://doi.org/10.3390/physchem6010003 - 9 Jan 2026
Viewed by 184
Abstract
A kinetic and thermodynamic multi-phase model has been developed to describe the adsorption of gases on ice surfaces and their subsequent diffusional loss into the bulk ice phase. This model comprises a gas phase, a solid surface, a sub-surface layer, and the ice [...] Read more.
A kinetic and thermodynamic multi-phase model has been developed to describe the adsorption of gases on ice surfaces and their subsequent diffusional loss into the bulk ice phase. This model comprises a gas phase, a solid surface, a sub-surface layer, and the ice bulk. The processes represented include gas adsorption on the surface, solvation into the sub-surface layer, and diffusion in the ice bulk. It is assumed that the gases dissolve according to Henry’s law, while the surface concentration follows the Langmuir adsorption equilibrium. The flux of molecules from the sub-surface layer into the ice bulk is treated according to Fick’s second law. Kinetic and thermodynamic quantities as applicable to the uptake of small carbonyl compounds on ice surfaces at temperatures around 200 K have been used to perform model calculations and corresponding sensitivity tests. The primary application in this study is acetic acid. The model simulations are applied by fitting the experimental data obtained from coated-wall flow-systems (CWFT) measurements, with the best curve-fit solutions providing reliable estimations of kinetic parameters. Over the temperature range from 190 to 220 K, the estimated desorption coefficient, kdes, varies from 0.02 to 1.35 s−1, while adsorption rate coefficient, kads, ranges from 3.92 and 4.17 × 10−13 cm3 s−1, and the estimated diffusion coefficient, D, changes by more than two orders of magnitude, increasing from 0.03 to 13.0 × 10−8 cm2 s−1. Sensitivity analyses confirm that this parameter estimation approach is robust and consistent with underlying physicochemical processes. It is shown that for shorter exposure times the loss of molecules from the gas phase is caused exclusively by adsorption onto the surface and solvation into the sub-surface layer. Diffusional loss into the bulk, on the other hand, is only important at longer exposure times. The model is a useful tool for elucidating surface and bulk process kinetic parameters, such as adsorption and desorption rate constants, solution and segregation rates, and diffusion coefficients, as well as the estimation of thermodynamic quantities, such as Langmuir and Henry constants and the ice film thickness. Full article
(This article belongs to the Section Kinetics and Thermodynamics)
Show Figures

Figure 1

24 pages, 2187 KB  
Article
Modeling of the Chemical Re-Alkalization of Concrete by Application of Alkaline Mortars
by Clarissa Glawe, Rebecca Achenbach and Michael Raupach
Materials 2026, 19(2), 278; https://doi.org/10.3390/ma19020278 - 9 Jan 2026
Viewed by 216
Abstract
Since the number of existing steel-reinforced concrete buildings affected by carbonation-induced corrosion is steadily increasing, there is a high demand for durable repair methods. Chemical re-alkalization (CRA) represents one such approach, relying on the transport of alkaline pore solution from a repair mortar [...] Read more.
Since the number of existing steel-reinforced concrete buildings affected by carbonation-induced corrosion is steadily increasing, there is a high demand for durable repair methods. Chemical re-alkalization (CRA) represents one such approach, relying on the transport of alkaline pore solution from a repair mortar into carbonated concrete. With the introduction of clinker-reduced binder systems such as hybrid alkali-activated binders (HAABs), their suitability for CRA and governing material parameters require further clarification. In this study, material-related chemical and structural influences on CRA were investigated using an adapted form of Fick’s second law of diffusion, incorporating a time-dependent attenuation factor, β(t). The CRA progression was evaluated over 28 days, distinguishing between an initial suction phase and a subsequent diffusion phase. The results show that a high initial alkalinity of the mortar pore solution (pH > 14) significantly enhances re-alkalization during the suction phase, reflected by suction factors a > 1. In contrast, progression during the diffusion phase is primarily governed by the potassium concentration gradient at the mortar–concrete interface, while structural parameters such as capillary porosity show no systematic correlation with the deceleration factor b (−0.46 ≤ b ≤ −0.26). The findings indicate that, within the investigated range, mortar pore solution chemistry has a stronger influence on CRA than structural properties, providing guidance for the targeted design of alkaline repair mortars. Full article
(This article belongs to the Section Construction and Building Materials)
Show Figures

Figure 1

18 pages, 4539 KB  
Article
A Combined FEM-CFD Method for Investigating Transport Properties of Compressed Porous Electrodes in PEMFC: A Microstructure Perspective
by Zhuo Zhang, Ruiyuan Zhang, Xiuli Zhang, Zhiyi Tang, Zixing Wang, Yang Wang, Yanjun Dai, Li Chen and Wenquan Tao
Energies 2026, 19(1), 99; https://doi.org/10.3390/en19010099 - 24 Dec 2025
Viewed by 232
Abstract
Hydrogen energy is vital for a clean, low-carbon society, and proton exchange membrane fuel cells (PEMFCs) represent a core technology for the conversion of hydrogen chemical energy into electrical energy. When PEMFC single cells are stacked under assembly force for high power output, [...] Read more.
Hydrogen energy is vital for a clean, low-carbon society, and proton exchange membrane fuel cells (PEMFCs) represent a core technology for the conversion of hydrogen chemical energy into electrical energy. When PEMFC single cells are stacked under assembly force for high power output, their porous electrodes (gas diffusion layers, GDLs; catalyst layers, CLs) undergo compressive deformation, altering internal transport processes and affecting cell performance. However, existing microscale studies on PEMFC porous electrodes insufficiently consider compression (especially in CLs) and have limitations in obtaining compressed microstructures. This study proposes a combined framework from a microstructure perspective. It integrates the finite element method (FEM) with computational fluid dynamics (CFD). It reconstructs microstructures of GDL, CL, and GDL-bipolar plate (BP) interface. FEM simulates elastic compressive deformation, and CFD calculates transport properties (solid zone: heat/charge conduction via Laplace equation; fluid zone: gas diffusion/liquid permeation via Fick’s/Darcy’s law). Validation shows simulated stress–strain curves and transport coefficients match experimental data. Under 2.5 MPa, GDL’s gas diffusivity drops 16.5%, permeability 58.8%, while conductivity rises 2.9-fold; CL compaction increases gas resistance but facilitates electron/proton conduction. This framework effectively investigates compression-induced transport property changes in PEMFC porous electrodes. Full article
Show Figures

Figure 1

10 pages, 778 KB  
Article
Modeling Carbonation Depth in Hardened Alkali-Activated Slag Under Accelerated Curing: A Multi-Physics Finite Element Approach
by Lei Zhang, Kai Wang, Yang Liu, Xiaoxiong Zha and Yu Lei
Buildings 2026, 16(1), 8; https://doi.org/10.3390/buildings16010008 - 19 Dec 2025
Viewed by 276
Abstract
This study develops a numerical model based on a multi-physics coupled finite element method to predict the carbonation depth of hardened alkali-activated slag under accelerated carbonation curing conditions. Drawing on existing literature data, the chemical composition and porosity of alkali-activated slag at different [...] Read more.
This study develops a numerical model based on a multi-physics coupled finite element method to predict the carbonation depth of hardened alkali-activated slag under accelerated carbonation curing conditions. Drawing on existing literature data, the chemical composition and porosity of alkali-activated slag at different ages were determined under non-carbonation conditions, supported by thermodynamic and kinetic analyses of alkali activation reactions. A differential equation governing CO2 diffusion—incorporating diffusion rate, diffusion coefficient, carbonation reaction rate, and related parameters—was established using Fick’s second law. The influence of humidity and carbonation degree on the reaction rate was quantified, and a correlation between carbonation degree and porosity was derived through thermodynamic analysis. These equations were solved numerically in a two-dimensional domain to predict carbonation depth over time. The results demonstrate that the proposed model, using only raw material composition and curing conditions, achieves reasonable accuracy in predicting carbonation depth. Full article
Show Figures

Figure 1

30 pages, 13137 KB  
Article
Effect of Ni Addition on the Solidification of Liquid Al and Solid Cu Diffusion Couples
by Vigneshwar Hari, Stuart D. McDonald, Xin Fu Tan and Kazuhiro Nogita
Materials 2025, 18(24), 5689; https://doi.org/10.3390/ma18245689 - 18 Dec 2025
Viewed by 382
Abstract
Al-Ni alloys have a unique set of properties including high conductivity, high fluidity, good thermal stability, and reasonable strength. These properties are also needed for effective braze fillers, a novel application for Al-Ni alloys. A Cu substrate was reacted with pure liquid Al, [...] Read more.
Al-Ni alloys have a unique set of properties including high conductivity, high fluidity, good thermal stability, and reasonable strength. These properties are also needed for effective braze fillers, a novel application for Al-Ni alloys. A Cu substrate was reacted with pure liquid Al, and the resulting microstructure upon solidification was observed and analysed using scanning electron microscopy (SEM) and energy dispersive X-ray spectroscopy (EDS). This diffusion couple was compared with the diffusion couple between liquid eutectic Al-3at.%Ni and a Cu substrate. Several phases unique to the solidified liquid in the Al-Ni/Cu diffusion couple were observed, such as Al7Cu4Ni (τ), Al3(Cu, Ni)2, and Al3Ni. These microstructures were compared with a mathematical model based on Fick’s second law, as well as calculation of phase diagram (CALPHAD) modelling. The approximate calculated concentration profile of Cu in the liquid phase was validated against the microstructural observations and proved effective to explain the observed microstructural features. Liquid Al-3at.%Ni was found to limit the growth of the brittle Al2Cu (θ) phase during solidification by limiting Cu solubility in the liquid phase, which would be beneficial for use in dissimilar joints between Al and Cu. Full article
(This article belongs to the Section Metals and Alloys)
Show Figures

Graphical abstract

14 pages, 1858 KB  
Article
A Simple Approach to Characterize Sorption and Release Kinetics in Polymeric Materials with Planar, Cylindrical or Spherical Geometries
by Sara Exojo-Trujillo, Laura Higueras-Contreras, Carol López-de-Dicastillo, Pilar Hernández-Muñoz and Rafael Gavara
Polymers 2025, 17(24), 3298; https://doi.org/10.3390/polym17243298 - 12 Dec 2025
Viewed by 442
Abstract
This study presents a theoretical framework for modeling sorption and release kinetics of substances in polymeric materials with planar, cylindrical, and spherical geometries. Fick’s second law was expressed in dimensionless variables and solved numerically using a finite-difference approach to generate universal profiles for [...] Read more.
This study presents a theoretical framework for modeling sorption and release kinetics of substances in polymeric materials with planar, cylindrical, and spherical geometries. Fick’s second law was expressed in dimensionless variables and solved numerically using a finite-difference approach to generate universal profiles for mass transfer. These profiles were fitted with double-exponential equations, yielding explicit expressions that allow for straightforward estimation of diffusion coefficients from experimental data. The method was validated using literature data for films, fibers, and microspheres, showing excellent agreement with reported values. Unlike classical analytical solutions, which are limited to planar systems under ideal conditions, the proposed approach is applicable to diverse geometries commonly employed in packaging, biomedical devices, controlled-release formulations, and environmental technologies. Full article
(This article belongs to the Section Polymer Physics and Theory)
Show Figures

Graphical abstract

16 pages, 847 KB  
Article
Dynamic Vapor Sorption (DVS) Analysis of the Thermo-Hygroscopic Behavior of Arthrospira platensis Under Varying Environmental Conditions
by Thouraya Ghnimi, Lamine Hassini and Mohamed Bagane
Thermo 2025, 5(4), 56; https://doi.org/10.3390/thermo5040056 - 2 Dec 2025
Viewed by 384
Abstract
This paper presents a new study and analysis of the thermo-hygroscopic behavior of Arthrospira platensis using dynamic vapor sorption (DVS) system. Thermo-hygroscopic characterization is essential for optimizing the drying process and enhancing storage conditions. Therefore, the objective of this work was to investigate [...] Read more.
This paper presents a new study and analysis of the thermo-hygroscopic behavior of Arthrospira platensis using dynamic vapor sorption (DVS) system. Thermo-hygroscopic characterization is essential for optimizing the drying process and enhancing storage conditions. Therefore, the objective of this work was to investigate the thermo-hygroscopic properties of Arthrospira (Spirulina) platensis using a dynamic vapor sorption (DVS) system. This thermo-hygroscopic analysis focused on three fundamental parameters, namely: the desorption isotherms, the net isosteric heat of water desorption, and the moisture diffusivity. Desorption isotherms were measured at five different temperatures (25 °C, 40 °C, 50 °C, 60 °C and 80 °C) over a relative humidity range of 10–80%. The desorption isotherm data were fitted to five semi-empirical models: GAB, Oswin, Smith, Henderson, and Peleg. The results indicated that the GAB model provided the best fit for the experimental data. The net isosteric heat of desorption was determined using the Clausius–Clapeyron relation. It decreased from 21.3 to 4.29 KJ/mol as the equilibrium moisture content increased from 0.02 to 0.1 Kg/Kg (dry basis). Additionally, the moisture diffusivity of Arthrospira platensis was estimated based on Fick’s second law of diffusion and the desorption kinetics obtained from the DVS equipment. This parameter varied between 1.04 10−8 m2/s and 1.46 10−7 m2/s for average moisture contents ranging from 0.003 Kg/Kg to 0.191 Kg/Kg (dry basis). Furthermore, the activation energy for desorption was estimated to be approximately 33.7 KJ/mol. Full article
Show Figures

Figure 1

10 pages, 2455 KB  
Case Report
Successful Weaning from VA ECMO in a Patient with a Post-Myocardial Infarction Ventricular Septal Defect and a Left Ventricle Apical Aneurysm: A Case Report
by Veronica Gagliardi, Laura Tini, Silvia Carbognin, Stefano Angiolini and Giuseppe Gagliardi
Healthcare 2025, 13(23), 3006; https://doi.org/10.3390/healthcare13233006 - 21 Nov 2025
Viewed by 497
Abstract
Introduction: Although the incidence of mechanical complications of myocardial infarction is decreasing, the associated mortality rate remains high. Such complications require an early diagnosis and multidisciplinary management. In most cases, surgery is the only definitive treatment, despite it being associated with high peri-operative [...] Read more.
Introduction: Although the incidence of mechanical complications of myocardial infarction is decreasing, the associated mortality rate remains high. Such complications require an early diagnosis and multidisciplinary management. In most cases, surgery is the only definitive treatment, despite it being associated with high peri-operative mortality and morbidity. An intra-aortic balloon pump (IABP) or Extracorporeal Membrane Oxygenation (ECMO) may also be required for unstable patients. After the employment of mechanical assistance, ultrasound and chemical parameters are associated with successful weaning, indicating adequate cardiac function, perfusion, and oxygen delivery. Case presentation: The aim of this case report is to describe the weaning from the extracorporeal support in a case of post-myocardial-infarction ventricular septal defect (VSD) and Left ventricle (LV) apical aneurysm. The patient underwent surgery for VSD closure and aneurysm exclusion. After the emergency surgery, the patient developed a severe post-cardiotomy cardiogenic shock, which required veno-arterial femoral–femoral extracorporeal membrane oxygenation (VA-ff-ECMO), IABP, and maximal pharmacologic support. During the ICU stay, we weaned the patient from the ECMO support based on transesophageal echocardiography (TEE) imaging and pulmonary artery catheter (PAC) monitoring and quantified the shunt fraction. On the fifth post-operative day, we started the weaning trial. Hemodynamic and ultrasound monitoring showed an adequate cardiac function, and the shunt fraction calculated with both the ultrasound parameters and Fick’s law was acceptable. We removed the ECMO the day after, and the weaning was successful. Discussion: Data deriving from the Swan–Ganz catheter has been found to be important in guiding the process of weaning a patient from extracorporeal support. Nevertheless, the TEE played a pivotal role in the decision-making process and in clinical management. We reduced the ECMO blood flow following a real-time echocardiographic cardiac function assessment. Conclusions: Following the fundamental guides for both PAC monitoring and TEE imaging, we successfully removed the extracorporeal support, with a positive outcome. Full article
(This article belongs to the Section Clinical Care)
Show Figures

Figure 1

28 pages, 8943 KB  
Article
Quantification of Gas Exsolution Dynamics for Solvent-Heavy Oil Systems Under Reservoir Conditions
by Xiaomeng Dong, Daoyong Yang and Zulong Zhao
Energies 2025, 18(23), 6080; https://doi.org/10.3390/en18236080 - 21 Nov 2025
Viewed by 456
Abstract
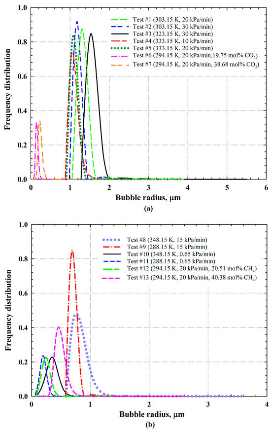
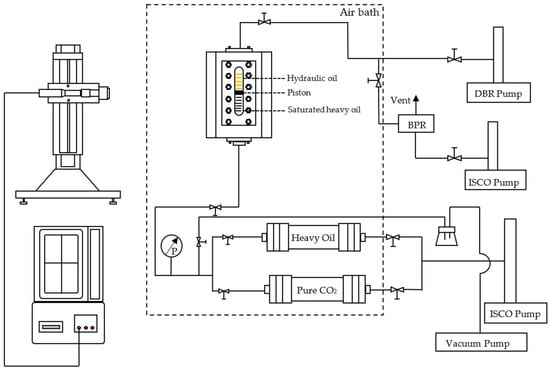
Experimental and theoretical techniques have been developed to quantify foamy oil behaviour of solvent-heavy oil systems at bubble level during a gas exsolution process. During constant composition expansion (CCE) tests, we artificially induced foamy oil dynamics for solvent-heavy oil systems by gradually reducing [...] Read more.
Experimental and theoretical techniques have been developed to quantify foamy oil behaviour of solvent-heavy oil systems at bubble level during a gas exsolution process. During constant composition expansion (CCE) tests, we artificially induced foamy oil dynamics for solvent-heavy oil systems by gradually reducing pressure and recorded the changed pressures and volumes in an isolated PVT setup at a given temperature. By discretizing gas bubbles on the basis of the classical nucleation theory, we theoretically integrated the population balance equation (PBE), Fick’s law, and the Peng–Robinson equation of state (PR EOS) to reproduce the experimental measurements. Pseudo-bubblepoint pressure for a given solvent-heavy oil system can be increased with either a lower pressure depletion rate or a higher temperature, during which gas bubble growth is facilitated with a reduction in viscosity and/or an increase in solvent concentration, but gas bubble nucleation and mitigation is hindered with an increase in solvent concentration. Compared to CO2, CH4 is found to yield stronger and more stable foamy oil, indicating that foamy oil is more stable with a larger amount of dispersed gas bubbles at lower temperatures. Using the PR EOS together with the modified alpha functions at Tr = 0.7 and Tr = 0.6, the absolute average relative deviation (AARD) is reduced from 4.58% to 2.24% with respect to the predicted pseudo-bubblepoint pressures. Full article
Show Figures

Figure 1

24 pages, 8707 KB  
Article
Multiphysical Coupling Analysis of Sealing Performance of Underground Lined Caverns for Hydrogen Storage
by Shaodong Cui, Yin Li, Junwu Zou and Yun Chen
Processes 2025, 13(11), 3716; https://doi.org/10.3390/pr13113716 - 18 Nov 2025
Viewed by 498
Abstract
The accurate analysis of the sealing performance of underground lined cavern hydrogen storage is critical for enhancing the stability and economic viability of storage facilities. This study conducts an innovative investigation into hydrogen leakage behavior by developing a multiphysical coupled model for a [...] Read more.
The accurate analysis of the sealing performance of underground lined cavern hydrogen storage is critical for enhancing the stability and economic viability of storage facilities. This study conducts an innovative investigation into hydrogen leakage behavior by developing a multiphysical coupled model for a composite system of support structures and surrounding rock in the operation process. By integrating Fick’s first law with the steady-state gas permeation equation, the gas leakage rates of stainless steel and polymer sealing layers are quantified, respectively. The Arrhenius equation is employed to characterize the effects of temperature on hydrogen permeability and the evolution of gas permeability. Thermalmechanical coupled effects across different materials within the storage system are further considered to accurately capture the hydrogen leakage process. The reliability of the established model is validated against analytical solutions and operational data from a real underground compressed air storage facility. The applicability of four materials—stainless steel, epoxy resin (EP), ethylene–vinyl alcohol copolymer (EVOH), and polyimide (PI)—as sealing layers in underground hydrogen storage caverns is evaluated, and the influences of four operational parameters (initial temperature, initial pressure, hydrogen injection temperature, and injection–production rate) on sealing layer performance are also systematically investigated. The results indicate that all four materials satisfy the required sealing performance standards, with stainless steel and EP demonstrating superior sealing performance. The initial temperature of the storage and the injection temperature of hydrogen significantly affect the circumferential stress in the sealing layer—a 10 K increase in initial temperature leads to an 11% rise in circumferential stress, while a 10 K increase in injection temperature results in a 10% increase. In addition, the initial storage pressure and the hydrogen injection rate exhibit a considerable influence on airtightness—a 1 MPa increase in initial pressure raises the leakage rate by 11%, and a 20 kg/s increase in injection rate leads to a 12% increase in leakage. This study provides a theoretical foundation for sealing material selection and parameter optimization in practical engineering applications of underground lined caverns for hydrogen storage. Full article
(This article belongs to the Topic Green Mining, 3rd Edition)
Show Figures

Figure 1

25 pages, 3301 KB  
Article
The Application of an Optimised Proportional–Integral–Derivative–Acceleration Controller to an Islanded Microgrid Scenario with Multiple Non-Conventional Power Resources
by Prasun Sanki, Sindhura Gupta, Srinivasa Rao Gampa, Amarendra Alluri, Mahesh Babu Basam and Debapriya Das
Inventions 2025, 10(6), 99; https://doi.org/10.3390/inventions10060099 - 3 Nov 2025
Viewed by 662
Abstract
Presently, numerous non-conventional power resources have been applied in power system networks. However, these resources are very effective in islanded microgrid (IMG) scenarios for addressing numerous operational challenges. Additionally, it is observed that the power output of most of these resources is environment-dependent [...] Read more.
Presently, numerous non-conventional power resources have been applied in power system networks. However, these resources are very effective in islanded microgrid (IMG) scenarios for addressing numerous operational challenges. Additionally, it is observed that the power output of most of these resources is environment-dependent and intermittent in nature. This intermittency causes a power imbalance between the overall generated power and the load demand, which results in an undesired frequency oscillation. In order to address this unwanted frequency fluctuation, this research work proposes power–frequency synchronisation considering an islanded microgrid scenario under numerous non-conventional power resources. The major contribution of this work includes implementing a suitable and optimised control scheme that effectively controls diverse power system disturbances and various uncertainties. A Fick’s law optimisation-based proportional–integral–derivative–acceleration controller (PIDA) is implemented under this proposed power scenario. Additionally, an extensive performance assessment is conducted considering different simulation test cases in order to verify the performance of the proposed control topology. Further, the effectiveness of the suggested power network is tested on a 33-bus radial distribution network. Finally, simulation results are shown to show the effectiveness of the proposed control scheme for the efficient operation of the microgrid in achieving the desired performance under the diverse operating conditions. Full article
(This article belongs to the Special Issue Recent Advances and Challenges in Emerging Power Systems: 2nd Edition)
Show Figures

Figure 1

21 pages, 16661 KB  
Article
Effect of the Crosslinker Introduction Stage on the Structure and Properties of Xanthan Gum–Acrylamide Graft Copolymer
by Anton K. Smirnov, Diana F. Pelipenko, Sergei L. Shmakov, Andrey M. Zakharevich and Anna B. Shipovskaya
Polymers 2025, 17(21), 2841; https://doi.org/10.3390/polym17212841 - 24 Oct 2025
Viewed by 561
Abstract
Graft copolymers of polysaccharides with side chains of carbon-chain monomers have significant potential for a variety of practical applications. In this work, the effect of the N,N-methylenebisacrylamide (MBA) introduction stage and acrylamide concentration in microwave-assisted radical copolymerization with [...] Read more.
Graft copolymers of polysaccharides with side chains of carbon-chain monomers have significant potential for a variety of practical applications. In this work, the effect of the N,N-methylenebisacrylamide (MBA) introduction stage and acrylamide concentration in microwave-assisted radical copolymerization with xanthan gum on the structure and sorption properties of the cross-linked graft copolymer was studied. It has been found that the spatial network density and average molecular weight of interstitial fragments can be controlled by varying these factors. Moderate crystallinity (<50%) and a highly developed surface of our synthesized samples were revealed using XRD and SEM. The graft copolymer exhibits the Schroeder effect; its liquid water sorption obeys Fick’s law and increases with MBA introduction at later stages and with increasing grafting degree, reaching 17.2 g/g. Studying the methylene blue sorption kinetics using pseudo-first/pseudo-second order models, a combined model and an average pseudo-order model have shown that the lower the monomer concentration in the reaction mixture and the earlier (from the onset of the reaction) the cross-linking agent is introduced, the higher the equilibrium sorption. The observed “equilibrium degree of sorption on xanthan gum vs. pseudo-order” relationship, which passes through a minimum, is explained by chemisorption and the sorbate consumption effect. An assumption is made about the prospects of using our synthesized copolymers for designing selective sorbents and ion-exchange membranes. Full article
(This article belongs to the Section Polymer Chemistry)
Show Figures

Figure 1

19 pages, 3708 KB  
Article
A Modified Fick’s First Law Incorporating a Flux Correction Factor for Nutrient Diffusion in Intertidal Sediments
by Moussa Siddo Abdoulkader and Katsuaki Komai
Water 2025, 17(20), 2958; https://doi.org/10.3390/w17202958 - 14 Oct 2025
Viewed by 1084
Abstract
This study examined the diffusion of nutrients (NH4+, NO3, and PO43−) in the pore water of intertidal sediments in Lake Komuke (located in the northeastern part of Hokkaido on the coast of Okhotsk Sea) [...] Read more.
This study examined the diffusion of nutrients (NH4+, NO3, and PO43−) in the pore water of intertidal sediments in Lake Komuke (located in the northeastern part of Hokkaido on the coast of Okhotsk Sea) across nine stations, at 0 cm to 40 cm depths, from 19 May to 23 August 2015. A comparison was made between the traditional version of Fick’s first law and a modified version to understand nutrient diffusion in the intertidal flat. The novelty of this study lies in establishing a flux correction factor as a function of the activity coefficient in intertidal sediments. The outcomes of the standard and modified versions of Fick’s law exhibited observable physical differences between stations for all nutrients. However, the statistical analysis demonstrated significant differences only for NO3 and PO43− at stations D, E, and F, suggesting that there is no statistically meaningful difference in NH4+ flux. A statistical comparison of 27 pairs of fluxes obtained by the classical and modified versions of Fick’s first law indicated that 88.9% of the differences were not statistically significant between the two methods, and 11.1% were statistically significant. This shows the consistency of the modified method, firstly in reproducing the classical version of Fick’s law, and secondly in improving upon it, in a porous medium. These findings indicate that the modified version of Fick’s first law is an accurate methodology for evaluating nutrient diffusion dynamics in intertidal environments, and is potentially applicable to coastal salt marshes, with practical implications for environmental management and conservation efforts. Full article
(This article belongs to the Section Oceans and Coastal Zones)
Show Figures

Graphical abstract

13 pages, 773 KB  
Article
Convective Drying of Pirul (Schinus molle) Leaves: Kinetic Modeling of Water Vapor and Bioactive Compound Retention
by José Arturo Olguín-Rojas, Ariana Martinez-Candelario, Irving David Pérez-Landa, Paulina Aguirre-Lara, Maria Mariana González-Urrutia and Manuel González-Pérez
Processes 2025, 13(10), 3259; https://doi.org/10.3390/pr13103259 - 13 Oct 2025
Viewed by 621
Abstract
Schinus molle L. is a tree commonly found in agricultural fields, deserts, and semi-arid areas of central Mexico. Its distinctive aroma makes it a source of essential oil, extracted mainly from the bark and fruits. The leaves contain phenolic compounds, and their extracts [...] Read more.
Schinus molle L. is a tree commonly found in agricultural fields, deserts, and semi-arid areas of central Mexico. Its distinctive aroma makes it a source of essential oil, extracted mainly from the bark and fruits. The leaves contain phenolic compounds, and their extracts have demonstrated antimicrobial activity. Obtaining these extracts requires a prior drying process. This study aimed to evaluate the effect of convective drying on phenolic compounds in pirul leaves and determine the thermodynamic properties of the process, including the effective diffusivity of water vapor (D) and activation energy (Ea). Drying kinetics were conducted at different air-drying temperatures (30, 40, and 50 °C) at a constant rate of 1 ms−1, and the results were fitted to the second Fick’s law and semi-empirical models. After drying, a decrease in total flavonoid content was observed as the drying temperature increased, with losses of 37%, 49%, and 62% at 30, 40, and 50 °C, respectively. The final values ranged from 37.96 to 21.02 mg QE/100 g of dry leaf. The D varied between 1.32 × 10−12 and 6.71 × 10−12 m2 s−1, with an Ea of 66.06 kJ mol−1. The fitting criteria (R2, RMSE, AIC/BIC) indicated that the Logarithmic model best described the kinetics at 30–40 °C, while Page was adequate at 50 °C. These findings suggest an inverse relationship between drying temperature and flavonoid content, while higher temperatures accelerate water vapor diffusivity, reducing the processing time, as observed in plant matrices. Full article
(This article belongs to the Special Issue Pharmaceutical Potential and Application Research of Natural Products)
Show Figures

Graphical abstract

Back to TopTop