Sign in to use this feature.

Years

Between: -

Article Types

Countries / Regions

remove_circle_outline
remove_circle_outline
remove_circle_outline
remove_circle_outline
remove_circle_outline
remove_circle_outline

Search Results (3,152)

Search Parameters:
Journal = WEVJ

Order results
Result details
Results per page
Select all
Export citation of selected articles as:
18 pages, 3188 KB  
Article
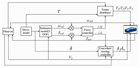
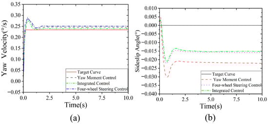
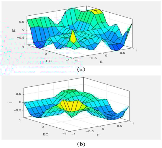
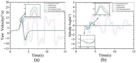
Research on Multi-Actuator Stable Control of Distributed Drive Electric Vehicles
by Peng Zou, Bo Huang, Shen Xu, Fei Liu and Qiang Shu
World Electr. Veh. J. 2026, 17(1), 45; https://doi.org/10.3390/wevj17010045 - 15 Jan 2026
Abstract
In this paper, a hierarchical adaptive control strategy is proposed to enhance the handling stability of distributed drive electric vehicles. In this strategy, the upper-level fuzzy controller calculates the additional yaw moment and rear wheel angle by utilizing the error between the actual [...] Read more.
In this paper, a hierarchical adaptive control strategy is proposed to enhance the handling stability of distributed drive electric vehicles. In this strategy, the upper-level fuzzy controller calculates the additional yaw moment and rear wheel angle by utilizing the error between the actual and the target yaw velocity, as well as the error between the actual and the target sideslip angle. The quadratic programming algorithm is adopted to achieve the optimal torque distribution scheme through the lower-level controller, and the electronic stability control system (ESC) is utilized to generate the braking force required for each wheel. The four-wheel steering controller optimizes the rear wheel angle by using proportional feedforward combined with fuzzy feedback or Akerman steering based on the steering wheel angle and vehicle speed, through actuators such as active front-wheel steering (AFS) and active rear-wheel steering (ARS), which generate the steering angle of each wheel. This approach is validated through simulations under serpentine and double-lane-change conditions. Compared to uncontrolled and single-control strategies, the actuators are decoupled, the actual sideslip angle and yaw velocity of the vehicle can effectively track the target value, the actual response is highly consistent with the expected response, the goodness of fit exceeds 90%, peak-to-peak deviation with a small tracking error. Full article
(This article belongs to the Section Propulsion Systems and Components)
Show Figures

Figure 1

22 pages, 6111 KB  
Article
Adaptive Fuzzy-Based Smooth Transition Strategy for Speed Regulation Zones in IPMSM
by Xinyi Yu, Wanlu Zhu and Pengfei Zhi
World Electr. Veh. J. 2026, 17(1), 44; https://doi.org/10.3390/wevj17010044 - 14 Jan 2026
Viewed by 23
Abstract
In response to the “carbon peak and carbon neutrality” strategy, industrial energy conservation has become increasingly important. Interior Permanent Magnet Synchronous Motors (IPMSMs) exhibit significant potential for efficient flux-weakening control due to their asymmetric rotor reluctance. However, conventional control strategies often cause instability [...] Read more.
In response to the “carbon peak and carbon neutrality” strategy, industrial energy conservation has become increasingly important. Interior Permanent Magnet Synchronous Motors (IPMSMs) exhibit significant potential for efficient flux-weakening control due to their asymmetric rotor reluctance. However, conventional control strategies often cause instability during transitions across speed zones. This paper proposes a novel adaptive fuzzy-based smooth transition strategy to address this issue. First, a composite control framework integrating Maximum Torque per Ampere (MTPA) and leading-angle control is established to enhance flux-weakening capability. Then, within this framework, adaptive fuzzy controllers are designed for different weakening zones, incorporating a Lyapunov-based parameter adaptation mechanism for real-time compensation. Simulation results demonstrate that the proposed strategy achieves smooth switching across the entire speed range of IPMSMs. Quantitatively, it reduces speed overshoot by 5–15%, suppresses torque ripple by over 10%, and virtually eliminates switching current pikes compared to conventional methods, thereby significantly improving system dynamic performance and operational reliability. Full article
(This article belongs to the Section Propulsion Systems and Components)
Show Figures

Figure 1

15 pages, 4731 KB  
Article
AI-Assisted Multi-Physics Evaluation of Mission Profile-Based Traction Inverter Design for Sustainability
by Chi Zhang and Riccardo Negri
World Electr. Veh. J. 2026, 17(1), 43; https://doi.org/10.3390/wevj17010043 - 14 Jan 2026
Viewed by 34
Abstract
As the global transition toward carbon neutrality accelerates, the sustainability of power electronics has received growing attention from both academia and industry. Nevertheless, standardized methodologies for evaluating the sustainability of power electronic systems—particularly traction inverters—remain limited, largely due to the absence of comprehensive [...] Read more.
As the global transition toward carbon neutrality accelerates, the sustainability of power electronics has received growing attention from both academia and industry. Nevertheless, standardized methodologies for evaluating the sustainability of power electronic systems—particularly traction inverters—remain limited, largely due to the absence of comprehensive databases and unified assessment frameworks. Leveraging industrial extensive design experience, this paper presents an enhanced methodology for sustainability evaluation of traction inverters. The proposed framework combines advanced component-level modelling with multi-physics-based analysis to more accurately quantify the environmental impacts associated with different power semiconductor technologies. A Random Forest (RF)-based algorithm is employed for junction temperature (TJ) estimation, offering reliable thermal data crucial for sustainability assessment. Experimental validation on a prototype automotive inverter confirms the accuracy and robustness of the RF-based TJ estimation approach, ensuring realistic thermal–environmental coupling within the evaluation workflow. From a thermal perspective, the sizing of power electronics key components (PEKCs) is performed with high precision, enabling a more accurate estimation of power electronics-related material (PERM) usage. Combined with a preliminary CO2-equivalent (CO2e) emissions database, this allows sustainability assessment to be integrated directly into the design stage of the traction inverter. The effectiveness of the proposed approach is demonstrated through a comparative evaluation of three representative inverter topologies. Full article
Show Figures

Figure 1

13 pages, 2745 KB  
Article
A Data-Driven Framework for Electric Vehicle Charging Infrastructure Planning: Demand Estimation, Economic Feasibility, and Spatial Equity
by Mahmoud Shaat, Farhad Oroumchian, Zina Abohaia and May El Barachi
World Electr. Veh. J. 2026, 17(1), 42; https://doi.org/10.3390/wevj17010042 - 14 Jan 2026
Viewed by 58
Abstract
The accelerating global transition to electric mobility demands data-driven infrastructure planning that balances technical, economic, and spatial considerations. This study develops a scenario-based demand and economic modeling framework to estimate electric vehicle (EV) charging infrastructure needs across Abu Dhabi’s urban and rural regions [...] Read more.
The accelerating global transition to electric mobility demands data-driven infrastructure planning that balances technical, economic, and spatial considerations. This study develops a scenario-based demand and economic modeling framework to estimate electric vehicle (EV) charging infrastructure needs across Abu Dhabi’s urban and rural regions through 2050. Two adoption pathways, Progressive and Thriving, were constructed to capture contrasting policy and technological trajectories consistent with the UAE’s Net Zero 2050 targets. The model integrates regional travel behavior, energy consumption (0.23–0.26 kWh/km), and differentiated charging patterns to project EV penetration, charging demand, and economic feasibility. Results indicate that EV stocks may reach 750,000 (Progressive) and 1.1 million (Thriving) by 2050. The Thriving scenario, while demanding greater capital investment (≈108 million AED), yields higher utilization, improved spatial equity (Gini = 0.27), and stronger long-term returns compared to the Progressive case. Only 17.6% of communities currently meet infrastructure readiness thresholds, emphasizing the need for coordinated grid expansion and equitable deployment strategies. Findings provide a quantitative basis for balancing economic efficiency, spatial equity, and policy ambition in the design of sustainable EV charging networks for emerging low-carbon cities. Full article
(This article belongs to the Section Charging Infrastructure and Grid Integration)
Show Figures

Graphical abstract

18 pages, 15384 KB  
Article
Electric Vehicle Route Optimization: An End-to-End Learning Approach with Multi-Objective Planning
by Rodrigo Gutiérrez-Moreno, Ángel Llamazares, Pedro Revenga, Manuel Ocaña and Miguel Antunes-García
World Electr. Veh. J. 2026, 17(1), 41; https://doi.org/10.3390/wevj17010041 - 13 Jan 2026
Viewed by 54
Abstract
Traditional routing algorithms optimizing for distance or travel time are inadequate for electric vehicles (EVs), which require energy-aware planning considering battery constraints and charging infrastructure. This work presents an energy-optimal routing system for EVs that integrates personalized consumption modeling with real-time environmental data. [...] Read more.
Traditional routing algorithms optimizing for distance or travel time are inadequate for electric vehicles (EVs), which require energy-aware planning considering battery constraints and charging infrastructure. This work presents an energy-optimal routing system for EVs that integrates personalized consumption modeling with real-time environmental data. The system employs a Long Short-Term Memory (LSTM) neural network to predict State-of-Charge (SoC) consumption from real-world driving data, learning directly from spatiotemporal features including velocity, temperature, road inclination, and traveled distance. Unlike physics-based models requiring difficult-to-obtain parameters, this approach captures nonlinear dependencies and temporal patterns in energy consumption. The routing framework integrates static map data, dynamic traffic conditions, weather information, and charging station locations into a weighted graph representation. Edge costs reflect predicted SoC drops, while node penalties account for traffic congestion and charging opportunities. An enhanced A* algorithm finds optimal routes minimizing energy consumption. Experimental validation on a Nissan Leaf shows that the proposed end-to-end SoC estimator significantly outperforms traditional approaches. The model achieves an RMSE of 36.83 and an R2 of 0.9374, corresponding to a 59.91% reduction in error compared to physics-based formulas. Real-world testing on various routes further confirms its accuracy, with a Mean Absolute Error in the total route SoC estimation of 2%, improving upon the 3.5% observed for commercial solutions. Full article
(This article belongs to the Section Propulsion Systems and Components)
Show Figures

Figure 1

19 pages, 2439 KB  
Review
Electromobility and Distribution System Operators: Overview of International Experiences and How to Address the Remaining Challenges
by Ilaria Losa, Nuno de Sousa e Silva, Nikos Hatziargyriou and Petr Musilek
World Electr. Veh. J. 2026, 17(1), 40; https://doi.org/10.3390/wevj17010040 - 13 Jan 2026
Viewed by 74
Abstract
The electrification of transport is rapidly reshaping power distribution networks, introducing new technical, regulatory, and operational challenges for Distribution System Operators (DSOs). This article presents an international review of electromobility integration strategies, analyzing experiences from Europe, Canada, Australia, and Greece. It examines how [...] Read more.
The electrification of transport is rapidly reshaping power distribution networks, introducing new technical, regulatory, and operational challenges for Distribution System Operators (DSOs). This article presents an international review of electromobility integration strategies, analyzing experiences from Europe, Canada, Australia, and Greece. It examines how DSOs address grid impacts through smart charging, vehicle-to-grid (V2G) services, and demand flexibility mechanisms, alongside evolving regulatory and market frameworks. European initiatives—such as Germany’s Energiewende and the UK’s Demand Flexibility Service—demonstrate how coordinated planning and interoperability standards can transform electric vehicles (EVs) into valuable distributed energy resources. Case studies from Canada and Greece highlight region-specific challenges, such as limited access in remote communities or island grid constraints, while Australia’s high PV penetration offers unique opportunities for PV–EV synergies. The findings emphasize that DSOs must evolve into active system operators supported by digitalization, flexible market design, and user engagement. The study concludes by outlining implementation barriers, policy implications, and a roadmap for DSOs. Full article
Show Figures

Figure 1

24 pages, 6868 KB  
Article
Study on Multi-Parameter Collaborative Optimization of Motor-Pump Stator Slotting for Cogging Torque and Noise Suppression Mechanism
by Geqiang Li, Xiaojie Guo, Xiaowen Yu, Min Zhao and Shuai Wang
World Electr. Veh. J. 2026, 17(1), 39; https://doi.org/10.3390/wevj17010039 - 13 Jan 2026
Viewed by 49
Abstract
As a highly integrated and compact power unit, the motor-pump finds critical applications in emerging electric vehicle (EV) domains such as electro-hydraulic braking and steering systems, where its vibration and noise performance directly impacts cabin comfort. A key factor limiting its NVH (Noise, [...] Read more.
As a highly integrated and compact power unit, the motor-pump finds critical applications in emerging electric vehicle (EV) domains such as electro-hydraulic braking and steering systems, where its vibration and noise performance directly impacts cabin comfort. A key factor limiting its NVH (Noise, Vibration, and Harshness) performance is the electromagnetic vibration and noise induced by the cogging torque of the built-in brushless DC motor (BLDCM). Traditional suppression methods that rely on stator auxiliary slots exhibit certain limitations. To address this issue, this paper proposes a collaborative optimization method integrating multi-parameter scanning and response surface methodology (RSM) for the design of auxiliary slots on the motor-pump’s stator teeth. The approach begins with a multi-parameter scanning phase to identify a promising region for global optimization. Subsequently, an accurate RSM-based prediction model is established to enable refined parameter tuning. Results demonstrate that the optimized stator structure achieves a 91.2% reduction in cogging torque amplitude for the motor-pump. Furthermore, this structure effectively suppresses radial electromagnetic force, leading to a 5.1% decrease in the overall sound pressure level. This work provides a valuable theoretical foundation and a systematic design methodology for cogging torque mitigation and low-noise design in motor-pumps. Full article
(This article belongs to the Section Propulsion Systems and Components)
Show Figures

Figure 1

20 pages, 3674 KB  
Article
Excitation Pulse Influence on the Accuracy and Robustness of Equivalent Circuit Model Parameter Identification for Li-Ion Batteries
by Dmitrii K. Grebtsov, Alexey Alekseevich Druzhinin and Artem V. Sergeev
World Electr. Veh. J. 2026, 17(1), 38; https://doi.org/10.3390/wevj17010038 - 13 Jan 2026
Viewed by 148
Abstract
An equivalent circuit model (ECM) is a highly practical tool for simulating Li-ion battery behavior. There are many relevant studies which compare different ECM variants or suggest algorithms to extract model parameters from the experimental data. However, little attention has been given to [...] Read more.
An equivalent circuit model (ECM) is a highly practical tool for simulating Li-ion battery behavior. There are many relevant studies which compare different ECM variants or suggest algorithms to extract model parameters from the experimental data. However, little attention has been given to the battery tests used for identification of the ECM parameters. Therefore, here the influence of experimental test pulse characteristics on the parameterized ECM accuracy was systematically studied. The test pulse duration was varied in a wide range from 9 s to about 2.5 min. The portion of the relaxation phase data used by the parameter optimization algorithm was also varied in an even wider range. Total 168 ECM parameter sets were obtained. Each parameter set was validated using nine diverse current profiles representing different battery operation conditions, including one based on Urban Dynamometer Driving Schedule (UDDS). The validation results prove that the impact of the test pulse choice on the parameterized ECM accuracy is great to the point that it can overshadow the use of a higher-order Thevenin model. By choosing the optimal parameter set, the simulated voltage root mean square error (RMSE) was reduced to as low as 3.0 mV and 1.2 mV for first- and second-order ECM, respectively, while the second-order model based on arbitrary chosen test pulse on average yields RMSE value above 5 mV. Full article
(This article belongs to the Section Storage Systems)
Show Figures

Figure 1

28 pages, 8930 KB  
Article
Data-Driven AI Modeling of Renewable Energy-Based Smart EV Charging Stations Using Historical Weather and Load Data
by Hamza Bin Sajjad, Farhan Hameed Malik, Muhammad Irfan Abid, Muhammad Omer Khan, Zunaib Maqsood Haider and Muhammad Junaid Arshad
World Electr. Veh. J. 2026, 17(1), 37; https://doi.org/10.3390/wevj17010037 - 13 Jan 2026
Viewed by 175
Abstract
The trend of the world to electric mobility and the inclusion of renewable energy requires complex control and predictive models of Smart Electric Vehicle Charging Stations (SEVCSs). The paper describes an experimental artificial intelligence (AI) model that can be used to optimize EV [...] Read more.
The trend of the world to electric mobility and the inclusion of renewable energy requires complex control and predictive models of Smart Electric Vehicle Charging Stations (SEVCSs). The paper describes an experimental artificial intelligence (AI) model that can be used to optimize EV charging in New York City based on ten years of historical load and weather information. Nonlinear environmental relationships with urban energy demand and the use of Neural Fitting and Regression Learner models in MATLAB were used to explore the nonlinear relationships between the environment and energy demand. The quality of the input data was maintained with a lot of preprocessing, such as outlier removal, smoothing, and time alignment. The performance measurements showed that there was a Mean Absolute Percentage Error (MAPE) of 4.9, and a coefficient of determination (R2) of 0.93, meaning that there was a high level of concordance between the predicted and measured load profiles. Such findings indicate that AI-based models can be used to replicate load dynamics during renewable energy variability. The research combines the findings of long-term and multi-source data with the short-term forecasting to address the research gaps of past studies that were limited to a few small datasets or single-variable-based time series, which will provide a replicable base to develop energy-efficient and intelligent EV charging networks in line with future grid decarbonization goals. The proposed neural network had an R2 = 0.93 and RMSE = 36.4 MW. The Neural Fitting model led to less RMSE than linear regression and lower MAPE than the persistence method by a factor of about 15 and 22 percent, respectively. Full article
Show Figures

Figure 1

15 pages, 5904 KB  
Article
Crack Propagation of Ground Insulation in Electric Vehicle Drive Motor End-Winding Based on Electromechanical Coupling Phase Field Model
by Xueqing Mei, Zhaosheng Li, Huawei Wu, Xiaobo Wu and Delong Zhang
World Electr. Veh. J. 2026, 17(1), 36; https://doi.org/10.3390/wevj17010036 - 12 Jan 2026
Viewed by 152
Abstract
Grounding insulation is a key component of electric vehicle drive motors, and cracks may appear during the manufacturing process and assembly. In this paper, the novel method of coupling phase field, mechanic field and electric field is proposed to investigate the coupled propagation [...] Read more.
Grounding insulation is a key component of electric vehicle drive motors, and cracks may appear during the manufacturing process and assembly. In this paper, the novel method of coupling phase field, mechanic field and electric field is proposed to investigate the coupled propagation characteristics of electromechanical damage in stator end-wingding insulation. The crack propagation model is derived by using the phase field method, where the maximum historical variable is introduced to ensure the forward propagation of the crack damage in insulation. According to the crack evolution states, the electric potential distributions in the insulation domain are determined and the electrical damage variable is defined to quantitatively describe the dynamical evolution mechanism of electric damage with the variation in mechanical damage. The results in this research will contribute to understanding the electrical performance degradation and electromechanical failure of the end-winding insulation in electric vehicle drive motors, which also provides the basis for the mechanism of insulation damage, insulation fault diagnosis and residual life prediction of electrical machines. Full article
(This article belongs to the Section Power Electronics Components)
Show Figures

Figure 1

36 pages, 3742 KB  
Review
Design Optimization of EV Drive Systems: Building the Next Generation of Automatic AI Platforms
by Haotian Jiang, Yitong Wang, Gang Lei, Xiaodong Sun and Jianguo Zhu
World Electr. Veh. J. 2026, 17(1), 35; https://doi.org/10.3390/wevj17010035 - 12 Jan 2026
Viewed by 129
Abstract
This paper reviews recent developments in the design optimization of electrical drive systems for electric vehicles (EVs) and proposes a pathway to develop next-generation AI design platforms that integrate system-level optimization methods and digital twins. First, a comprehensive review is presented to five [...] Read more.
This paper reviews recent developments in the design optimization of electrical drive systems for electric vehicles (EVs) and proposes a pathway to develop next-generation AI design platforms that integrate system-level optimization methods and digital twins. First, a comprehensive review is presented to five design optimization models for EV motors, including multiphysics, multiobjective, multimode, robust, and topology optimization, as well as six efficient optimization strategies, such as multilevel optimization and AI-based approaches. Several recommendations on the practical application of these optimization strategies are also presented. Second, representative optimization methods for power converters and control systems of EV drives are summarized. Third, application-oriented and robust system-level design optimization strategies for EV drive systems are discussed. Finally, two proposals are presented and discussed for the design of next-generation EV drive systems and their integration with battery management systems. They are AI-powered automatic design optimization platforms that integrate large language models and a digital-twin-assisted system-level optimization framework. Two case studies on in-wheel motors and drive systems are also included to demonstrate the performance and effectiveness of various optimization methods. Full article
Show Figures

Figure 1

22 pages, 1118 KB  
Article
Who Benefits from the EV Transition? Electric Vehicle Adoption and Progress Toward the SDGs Across Income Groups
by Timothy Yaw Acheampong and Gábor László Tóth
World Electr. Veh. J. 2026, 17(1), 34; https://doi.org/10.3390/wevj17010034 - 10 Jan 2026
Viewed by 179
Abstract
Electric vehicles (EVs) are widely promoted as a key strategy for reducing carbon dioxide (CO2) emissions and advancing sustainable development. However, the real-world benefits of EV adoption may vary across countries with different income levels and energy systems. This study investigates [...] Read more.
Electric vehicles (EVs) are widely promoted as a key strategy for reducing carbon dioxide (CO2) emissions and advancing sustainable development. However, the real-world benefits of EV adoption may vary across countries with different income levels and energy systems. This study investigates the relationship between EV adoption and CO2 emissions per capita, as well as overall sustainable development performance (SDG Index), across 50 countries from 2010 to 2023. Using panel quantile regression, we find that EV adoption is significantly associated with reduced CO2 emissions particularly in the high-emitting countries in high-income countries (interaction coefficient at the 90th quantile = −0.24, p < 0.05) but positively associated with emissions in lower- and middle-income countries at lower quantiles of the emissions distribution. Similarly, while EV adoption correlates positively with the SDG Index in high-income countries, it shows negative effects at the median and several quantiles. These findings challenge the “zero-emission” assumption and demonstrate that the climate and development benefits of EV diffusion are context-dependent and unevenly distributed, highlighting the need for policies that link electrification to renewable energy deployment, infrastructure development, and equitable access. Full article
(This article belongs to the Section Marketing, Promotion and Socio Economics)
Show Figures

Figure 1

19 pages, 2856 KB  
Article
Applying Dual Deep Deterministic Policy Gradient Algorithm for Autonomous Vehicle Decision-Making in IPG-Carmaker Simulator
by Ali Rizehvandi, Shahram Azadi and Arno Eichberger
World Electr. Veh. J. 2026, 17(1), 33; https://doi.org/10.3390/wevj17010033 - 9 Jan 2026
Viewed by 155
Abstract
Automated driving technologies have the capability to significantly increase road safety by decreasing accidents and increasing travel efficiency. This research presents a decision-making strategy for automated vehicles that models both lane changing and double lane changing maneuvers and is supported by a Deep [...] Read more.
Automated driving technologies have the capability to significantly increase road safety by decreasing accidents and increasing travel efficiency. This research presents a decision-making strategy for automated vehicles that models both lane changing and double lane changing maneuvers and is supported by a Deep Reinforcement Learning (DRL) algorithm. To capture realistic driving challenges, a highway driving scenario was designed using the professional multi-body simulation tool IPG Carmaker software, version 11 with realistic weather simulations to include aspects of rainy weather by incorporating vehicles with explicitly reduced tire–road friction while the ego vehicle is attempting to safely and perform efficient maneuvers in highway and merged merges. The hierarchical control system both creates an operational structure for planning and decision-making processes in highway maneuvers and articulates between higher-level driving decisions and lower-level autonomous motion control processes. As a result, a Duel Deep Deterministic Policy Gradient (Duel-DDPG) agent was created as the DRL approach to achieving decision-making in adverse driving conditions, which was built in MATLAB version 2021, designed, and tested. The study thoroughly explains both the Duel-DDPG and standard Deep Deterministic Policy Gradient (DDPG) algorithms, and we provide a direct performance comparative analysis. The discussion continues with simulation experiments of traffic complexity with uncertainty relating to weather conditions, which demonstrate the effectiveness of the Duel-DDPG algorithm. Full article
(This article belongs to the Section Automated and Connected Vehicles)
Show Figures

Figure 1

18 pages, 447 KB  
Article
Comparing Tort Liability Frameworks in Autonomous Vehicle Accident Governance
by Bo Long, Ziyu Zhao and Qianyi Cai
World Electr. Veh. J. 2026, 17(1), 32; https://doi.org/10.3390/wevj17010032 - 7 Jan 2026
Viewed by 333
Abstract
With the rapid development of artificial-intelligence technologies in the field of automated driving, many jurisdictions have successively adopted legislation and policy guidance to regulate the safe use of such technologies and to promote their orderly development. This article takes as its objects of [...] Read more.
With the rapid development of artificial-intelligence technologies in the field of automated driving, many jurisdictions have successively adopted legislation and policy guidance to regulate the safe use of such technologies and to promote their orderly development. This article takes as its objects of study a set of jurisdictions that are particularly representative in terms of legislation and practice across different legal systems. The study finds that liability regimes for traffic accidents involving automated driving fall mainly into four types: the driver liability regime, the system liability regime, the manufacturer or operator liability regime, and the composite liability regime. In application, each of these regimes reveals different types of institutional dilemmas, including blurred boundaries of liability, underdeveloped mechanisms for evidence production and fact-finding, imbalanced allocation of liability, and fragmentation of the rules governing liability determination. In response to these dilemmas, this article proposes corresponding optimisation pathways, including clarifying the boundaries of driver liability and improving supplementary liability mechanisms; specifying in greater detail the obligations of system providers and strengthening data-related fact-finding rules; developing a reasonable allocation of liability between manufacturers and operators together with supporting insurance arrangements; and enhancing institutional coordination under the composite liability regime. These optimisation pathways not only provide institutional reference for jurisdictions seeking to maintain risk controllability while fostering innovation amid rapid technological evolution, but also lay the groundwork for the systematic improvement of future governance of automated driving. Full article
(This article belongs to the Section Marketing, Promotion and Socio Economics)
Show Figures

Figure 1

16 pages, 1970 KB  
Article
LSON-IP: Lightweight Sparse Occupancy Network for Instance Perception
by Xinwang Zheng, Yuhang Cai, Lu Yang, Chengyu Lu and Guangsong Yang
World Electr. Veh. J. 2026, 17(1), 31; https://doi.org/10.3390/wevj17010031 - 7 Jan 2026
Viewed by 142
Abstract
The high computational demand of dense voxel representations severely limits current vision-centric 3D semantic occupancy prediction methods, despite their capacity for granular scene understanding. This challenge is particularly acute in safety-critical applications like autonomous driving, where accurately perceiving dynamic instances often takes precedence [...] Read more.
The high computational demand of dense voxel representations severely limits current vision-centric 3D semantic occupancy prediction methods, despite their capacity for granular scene understanding. This challenge is particularly acute in safety-critical applications like autonomous driving, where accurately perceiving dynamic instances often takes precedence over capturing the static background. This paper challenges the paradigm of dense prediction for such instance-focused tasks. We introduce the LSON-IP, a framework that strategically avoids the computational expense of dense 3D grids. LSON-IP operates on a sparse set of 3D instance queries, which are initialized directly from multi-view 2D images. These queries are then refined by our novel Sparse Instance Aggregator (SIA), an attention-based module. The SIA incorporates rich multi-view features while simultaneously modeling inter-query relationships to construct coherent object representations. Furthermore, to obviate the need for costly 3D annotations, we pioneer a Differentiable Sparse Rendering (DSR) technique. DSR innovatively defines a continuous field from the sparse voxel output, establishing a differentiable bridge between our sparse 3D representation and 2D supervision signals through volume rendering. Extensive experiments on major autonomous driving benchmarks, including SemanticKITTI and nuScenes, validate our approach. LSON-IP achieves strong performance on key dynamic instance categories and competitive overall semantic completion, all while reducing computational overhead by over 60% compared to dense baselines. Our work thus paves the way for efficient, high-fidelity instance-aware 3D perception. Full article
Show Figures

Figure 1

Back to TopTop