Sign in to use this feature.

Years

Between: -

Article Types

Countries / Regions

remove_circle_outline
remove_circle_outline

Search Results (83)

Search Parameters:
Journal = Technologies
Section = Environmental Technology

Order results
Result details
Results per page
Select all
Export citation of selected articles as:
30 pages, 3496 KB  
Article
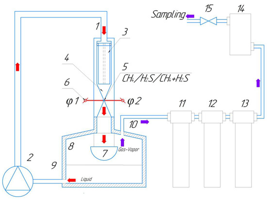
Hybrid Cavitation-Jet and Arc Discharge Technology for Processing Associated Petroleum Gas
by Galymzhan Mamytbekov, Igor Danko, Amangeldy Bekbayev, Vassiliy Titkov and Yernat Nurtazin
Technologies 2026, 14(3), 174; https://doi.org/10.3390/technologies14030174 - 12 Mar 2026
Viewed by 107
Abstract
This study investigates the feasibility of treating acidic gases produced in oilfields using a novel method that combines cavitation-jet reactor (CJR) technology with electric arc discharge (EAD). The integration of these two approaches enhances the ionization process by converting neutral gas molecules into [...] Read more.
This study investigates the feasibility of treating acidic gases produced in oilfields using a novel method that combines cavitation-jet reactor (CJR) technology with electric arc discharge (EAD). The integration of these two approaches enhances the ionization process by converting neutral gas molecules into chemically reactive ion-radical and radical fragments. These highly reactive species eventually recombine, creating new chemical compounds and simpler molecules from incoming acid gas and water vapor. Theoretical validation and experimental demonstration have revealed possible mechanisms and pathways of low-temperature plasma-chemical processes resulting from the synergistic effects of cavitating-jet flow and arc discharge on the molecular degradation of neutral gaseous molecules, such as hydrogen sulfide and carbon dioxide in water vapor, which lead to the generation of new compounds. Research indicates that the most effective method for processing associated petroleum gas (APG) involves minimizing the sequential nature of chemical reactions in low-temperature non-equilibrium plasma environments, thus eliminating the need for costly and complex catalysts. Additionally, studies have shown that the cavitation-jet flow of a gas–vapor–liquid mixture, when combined with an electric arc discharge in the truncated region of the low-temperature plasma of CJR, results in the synthesis of hydrogen, two forms of S8 (S8I and S8II), crystalline carbon, and its organic derivatives containing oxygen and nitrogen, specifically methanol, ethanol, acetone, and acetonitrile. The data obtained suggest that the generation of low-temperature plasma in the cavitation-jet chamber, induced by an electric discharge, is essential for the production of reaction products, such as hydrogen, sulfur, and oxygen- and nitrogen-containing derivatives of organic carbon, when water vapor and acid gas molecules traverse the reactor. Full article
(This article belongs to the Section Environmental Technology)
Show Figures

Figure 1

19 pages, 1003 KB  
Article
Ex Situ Sediment Remediation Using the Electrokinetic (EK) Two-Anode Technique (TAT) Supported by Mathematical Modeling
by Nataša Duduković, Dejan Krčmar, Dragana Tomašević Pilipović, Nataša Slijepčević, Dragana Žmukić, Đurđa Kerkez and Anita Leovac Maćerak
Technologies 2026, 14(2), 86; https://doi.org/10.3390/technologies14020086 - 1 Feb 2026
Viewed by 252
Abstract
Heavy metals are non-biodegradable environmental pollutants, and if present in sludge/sediment in elevated concentrations, they can cause serious problems. In this paper, the possibility of applying two-anode electrokinetic treatment was investigated for the ex situ remediation of copper (Cu) and nickel (Ni)-contaminated sediments. [...] Read more.
Heavy metals are non-biodegradable environmental pollutants, and if present in sludge/sediment in elevated concentrations, they can cause serious problems. In this paper, the possibility of applying two-anode electrokinetic treatment was investigated for the ex situ remediation of copper (Cu) and nickel (Ni)-contaminated sediments. The influence of the following parameters on the treatment efficiency was investigated: applied electric field, physicochemical changes in the system, and the characteristics of the pollution (concentration and forms of metal occurrence). Additionally, based on the results of the sequential extraction procedure, a risk assessment of sediment before and after treatment was performed. Also, we developed a mathematical model that allows us to define the time required to reduce nickel and copper to non-hazardous levels from contaminated sediment via electrokinetic treatment. The results obtained indicate that changes in the pseudo-total content and changes in Cu and Ni availability along the electrokinetic cell are consistent with the physicochemical changes in the sediment. The amount of applied electric field does not notably affect the treatment efficiency in most cases. Based on the results, the majority of samples of treated sediment can be dislocated without special protection measures. The most acceptable treatment for ex situ remediation is the one with solar panels, as it is considered economically and environmentally most appropriate. For this treatment, according to risk assessment code, the risk was found to be low (Cu) to moderately low (Ni). Since more than 50% of Cu and Ni content is related to the organic and residual fraction, and based on the physicochemical conditions and high percentage of clay, we can assume that there are no environmental hazards. This work serves as a starting point for the developed mathematical model that has proven to be very promising for prediction of the time necessary for sediment metal remediation. Full article
(This article belongs to the Section Environmental Technology)
Show Figures

Figure 1

26 pages, 4938 KB  
Article
A Fuzzy-Driven Synthesis: MiFREN-Optimized Magnetic Biochar Nanocomposite from Agricultural Waste for Sustainable Arsenic Water Remediation
by Sasirot Khamkure, Chidentree Treesatayapun, Victoria Bustos-Terrones, Lourdes Díaz Jiménez, Daniella-Esperanza Pacheco-Catalán, Audberto Reyes-Rosas, Prócoro Gamero-Melo, Alejandro Zermeño-González, Nakorn Tippayawong and Patiroop Pholchan
Technologies 2026, 14(1), 43; https://doi.org/10.3390/technologies14010043 - 7 Jan 2026
Viewed by 506
Abstract
Arsenic contamination demands innovative, sustainable remediation. This study presents a fuzzy approach for synthesizing a magnetic biochar nanocomposite from pecan shell agricultural waste for efficient arsenic removal. Using a Multi-Input Fuzzy Rules Emulated Network (MiFREN), a systematic investigation of the synthesis process revealed [...] Read more.
Arsenic contamination demands innovative, sustainable remediation. This study presents a fuzzy approach for synthesizing a magnetic biochar nanocomposite from pecan shell agricultural waste for efficient arsenic removal. Using a Multi-Input Fuzzy Rules Emulated Network (MiFREN), a systematic investigation of the synthesis process revealed that precursor type (biochar), Fe:precursor ratio (1:1), and iron salt type were the most significant parameters governing material crystallinity and adsorption performance, while particle size and N2 atmosphere had a minimal effect. The MiFREN-identified optimal material, the magnetic biochar composite (FS7), achieved > 90% arsenic removal, outperforming the least efficient sample by 50.61%. Kinetic analysis confirmed chemisorption on a heterogeneous surface (qe = 12.74 mg/g). Regeneration studies using 0.1 M NaOH demonstrated high stability, with FS7 retaining > 70% removal capacity over six cycles. Desorption occurs via ion exchange and electrostatic repulsion, with post-use analysis confirming structural integrity and resistance to oxidation. Application to real groundwater from the La Laguna region proved highly effective; FS7 maintained selectivity despite competing ions like Na+, Cl,  and SO42. By integrating AI-driven optimization with reusability and real contaminated water, this research establishes a scalable framework for transforming agricultural waste into a high-performance adsorbent, supporting global Clean Water and Sanitation goals. Full article
(This article belongs to the Special Issue Sustainable Water and Environmental Technologies of Global Relevance)
Show Figures

Figure 1

38 pages, 18012 KB  
Article
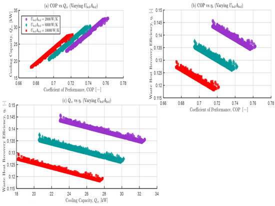
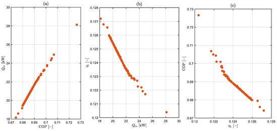
Regression-Assisted Ant Lion Optimisation of a Low-Grade-Heat Adsorption Chiller: A Decision-Support Technology for Sustainable Cooling
by Patricia Kwakye-Boateng, Lagouge Tartibu and Jen Tien-Chien
Technologies 2026, 14(1), 37; https://doi.org/10.3390/technologies14010037 - 5 Jan 2026
Viewed by 311
Abstract
Growing cooling demand and environmental concerns motivate research into alternative technologies capable of converting low-grade heat into useful cooling. This study proposes a regression-assisted multi-objective optimisation framework using the Ant Lion Optimiser and its multi-objective variant to jointly maximise the coefficient of performance [...] Read more.
Growing cooling demand and environmental concerns motivate research into alternative technologies capable of converting low-grade heat into useful cooling. This study proposes a regression-assisted multi-objective optimisation framework using the Ant Lion Optimiser and its multi-objective variant to jointly maximise the coefficient of performance (COP), cooling capacity (Qcc) and waste-heat recovery efficiency (ηe). Pareto-optimal solutions exhibit a one-dimensional ridge in which ηe declines, and COP and Qcc increase simultaneously. Within the explored bounds, non-dominated ranges span COP = 0.674–0.716, Qcc= 18.3–27.5 kW and ηe= 0.118–0.127, with a practical compromise near COP ≈ 0.695, Qcc ≈ 24 kW and ηe  0.122–0.123. Compared to the typical reported COP band for single-stage silica-gel/water ADCs, the practical compromise solution (COP ≈ 0.695) offers a conservative COP improvement of approximately 16% when benchmarked against COP = 0.6, while the compromise Qcc (Qcc ≈ 24 kW) represents a conservative increase of approximately 20% relative to the upper product-class reference (20 kW). A one-at-a-time sensitivity analysis with re-optimisation identifies the hot- and chilled-water inlet temperatures and exchanger conductance as the dominant decision variables and maps diminishing-return regions. This framework can effectively utilise low-grade heat in future low-carbon buildings and processes, supporting the configuration of ADC systems. Full article
(This article belongs to the Section Environmental Technology)
Show Figures

Figure 1

19 pages, 2619 KB  
Article
Big Geodata Technology: Carbon Supply–Demand Balance Analysis of Ecological Service Systems
by Wei-Ling Hsu, Ziwei Luo, Zhiyong Ouyang, Zuorong Dong and Hsin-Lung Liu
Technologies 2026, 14(1), 18; https://doi.org/10.3390/technologies14010018 - 25 Dec 2025
Viewed by 950
Abstract
Amid intensifying global climate change and accelerating urbanization, maintaining a balance between carbon emission reduction has become essential for achieving sustainable development. This research investigates the spatiotemporal evolution and driving mechanisms of carbon sequestration services in the ecological development zone of northern Guangdong, [...] Read more.
Amid intensifying global climate change and accelerating urbanization, maintaining a balance between carbon emission reduction has become essential for achieving sustainable development. This research investigates the spatiotemporal evolution and driving mechanisms of carbon sequestration services in the ecological development zone of northern Guangdong, China. By integrating Big Geodata technology with the InVEST model, the study quantitatively evaluates both the supply and demand dimensions of carbon sequestration services using land-use, nighttime light, and socioeconomic data. Carbon storage capacities were estimated for different land-use types (including cropland, forest, grassland, water body, built-up land, and undeveloped land), while carbon emissions were spatially distributed based on nighttime light intensity, providing a holistic perspective on the regional carbon budget. The findings indicate significant spatial heterogeneity: the western region exhibits an average carbon sequestration capacity approximately 20% higher than the eastern region, due to extensive forest and grassland coverage, whereas urban areas exhibit higher carbon demand coupled with insufficient supply. Through an analysis of land-use transfer matrices and contribution assessment, land-use transformations, particularly the conversion of ecological land to urban built-up areas, were quantitatively identified as the primary factor disrupting the regional carbon balance. This study proposes actionable territorial spatial planning strategies, such as prioritizing ecological conservation in high-carbon-supply areas and promoting low-carbon urban renewal in high-demand zones, directly derived from the spatial mismatch patterns revealed by the InVEST model outputs. These insights contribute significantly to regional sustainable development practices and global climate governance. Full article
(This article belongs to the Section Environmental Technology)
Show Figures

Figure 1

44 pages, 5202 KB  
Review
Impact of Dust Deposition on Photovoltaic Systems and Mitigation Strategies
by Mohammad Reza Maghami
Technologies 2026, 14(1), 15; https://doi.org/10.3390/technologies14010015 - 24 Dec 2025
Cited by 3 | Viewed by 1350
Abstract
Dust accumulation on photovoltaic (PV) modules is a major factor contributing to reduced power output, lower efficiency, and accelerated material degradation, particularly in arid and industrialized regions. This study presents a comprehensive review and analysis of the influence of dust deposition on PV [...] Read more.
Dust accumulation on photovoltaic (PV) modules is a major factor contributing to reduced power output, lower efficiency, and accelerated material degradation, particularly in arid and industrialized regions. This study presents a comprehensive review and analysis of the influence of dust deposition on PV performance, covering its optical, thermal, and electrical impacts. Findings from global literature indicate that dust-induced efficiency losses typically range from 10% to 70%, depending on particle characteristics, environmental conditions, and surface orientation. Experimental and modeled I–V and P–V characteristics further reveal significant declines in current and power output as soiling levels increase. Through an extensive literature assessment, this paper identifies Machine Learning (ML)-based approaches as emerging and highly effective techniques for dust detection and mitigation. Recent studies demonstrate the integration of image processing, drone-assisted monitoring, and convolutional neural networks (CNNs) to enable automated, real-time soiling assessment. These intelligent methods outperform conventional manual and time-based cleaning strategies in accuracy, scalability, and cost efficiency. By synthesizing current research trends, this review highlights the growing role of ML and data-driven technologies in enhancing PV system reliability, informing predictive maintenance, and supporting sustainable solar energy generation. Full article
(This article belongs to the Special Issue Solar Thermal Power Generation Technology)
Show Figures

Figure 1

27 pages, 8296 KB  
Article
Vision-Based Autonomous Underwater Cleaning System Using Multi-Scale A* Path Planning
by Erkang Chen, Zhiqi Lin, Jiancheng Chen, Zhiwei Shen, Peng Chen and Xiaofeng Fu
Technologies 2026, 14(1), 7; https://doi.org/10.3390/technologies14010007 - 21 Dec 2025
Viewed by 460
Abstract
Autonomous underwater cleaning in water pools requires reliable perception, efficient coverage path planning, and robust control. However, existing autonomous underwater vehicle (AUV) cleaning systems often suffer from fragmented software frameworks that limit end-to-end performance. To address these challenges, this paper proposes an integrated [...] Read more.
Autonomous underwater cleaning in water pools requires reliable perception, efficient coverage path planning, and robust control. However, existing autonomous underwater vehicle (AUV) cleaning systems often suffer from fragmented software frameworks that limit end-to-end performance. To address these challenges, this paper proposes an integrated vision-based autonomous underwater cleaning system that combines global-camera AprilTag localization, YOLOv8-based dirt detection, and a multi-scale A* coverage path planning algorithm. The perception and planning modules run on a host computer system, while a NanoPi-based controller executes motion commands through a lightweight JSON-RPC protocol over Ethernet. This architecture ensures real-time coordination between visual sensing, planning, and hierarchical control. Experiments conducted in a simulated pool environment demonstrate that the proposed system achieves accurate localization, efficient planning, and reliable cleaning without blind spots. The results highlight the effectiveness of integrating vision, multi-scale planning, and lightweight embedded control for autonomous underwater cleaning tasks. Full article
Show Figures

Figure 1

19 pages, 3720 KB  
Article
From RGB to Synthetic NIR: Image-to-Image Translation for Pineapple Crop Monitoring Using Pix2PixHD
by Darío Doria Usta, Ricardo Hundelshaussen, Carlos Martínez López, Delio Salgado Chamorro, César López Martínez, João Felipe Coimbra Leite Costa and Marcel Arcari Bassani
Technologies 2025, 13(12), 569; https://doi.org/10.3390/technologies13120569 - 5 Dec 2025
Viewed by 723
Abstract
Near-infrared (NIR) imaging plays a crucial role in precision agriculture; however, the high cost of multispectral sensors limits its widespread adoption. In this study, we generate synthetic NIR images (2592 × 1944 pixels) of pineapple crops from standard RGB drone imagery using the [...] Read more.
Near-infrared (NIR) imaging plays a crucial role in precision agriculture; however, the high cost of multispectral sensors limits its widespread adoption. In this study, we generate synthetic NIR images (2592 × 1944 pixels) of pineapple crops from standard RGB drone imagery using the Pix2PixHD framework. The model was trained for 580 epochs, saving the first model after epoch 1 and then every 10 epochs thereafter. While models trained beyond epoch 460 achieved marginally higher metrics, they introduced visible artifacts. Model 410 was identified as the most effective, offering consistent quantitative performance while producing artifact-free results. Evaluation of Model 410 across 229 test images showed a mean SSIM of 0.6873, PSNR of 29.92, RMSE of 8.146, and PCC of 0.6565, indicating moderate to high structural similarity and reliable spectral accuracy of the synthetic NIR data. The proposed approach demonstrates that reliable NIR information can be obtained without expensive multispectral equipment, reducing costs and enhancing accessibility for farmers. By enabling advanced tasks such as vegetation segmentation and crop health monitoring, this work highlights the potential of deep learning–based image translation to support sustainable and data-driven agricultural practices. Future directions include extending the method to other crops, environmental conditions and real-time drone monitoring. Full article
(This article belongs to the Special Issue AI-Driven Optimization in Robotics and Precision Agriculture)
Show Figures

Figure 1

12 pages, 688 KB  
Article
XRD Characterization of Activated Carbons Synthesized from Tyre Pyrolysis Char via KOH Activation
by Nusrat H. Zerin, Mohammad G. Rasul, Md I. Jahirul, A. S. M. Sayem, Zakaria Quadir and Rezwanul Haque
Technologies 2025, 13(12), 565; https://doi.org/10.3390/technologies13120565 - 3 Dec 2025
Cited by 3 | Viewed by 1493
Abstract
The structural modification of tyre-derived activated carbon (TDAC) after chemical activation is not sufficiently recognised yet, especially regarding its crystallinity and porosity. This study examined the development of the crystal structure of TDAC by X-ray diffraction (XRD) analysis, concentrating on critical parameters like [...] Read more.
The structural modification of tyre-derived activated carbon (TDAC) after chemical activation is not sufficiently recognised yet, especially regarding its crystallinity and porosity. This study examined the development of the crystal structure of TDAC by X-ray diffraction (XRD) analysis, concentrating on critical parameters like interplanar distance (d(002)), crystallite size (Lc), and crystalline percentage. Mixed tyres were pyrolysed at 550 °C to produce char and then chemically activated with KOH at different ratios and temperatures, thereafter undergoing structural characterisation. The results indicate that TDAC is mostly non-graphitizing, maintaining a disordered turbostratic structure even after activation. The widening of the (002) XRD peak and the lack of distinct (hkl) diffraction peaks validate its amorphous characteristics. Higher activation levels lead to an expanded surface area with decreasing crystallite size, signifying a shift towards higher disorder. This research examined the relationship among activation factors, porosity, and structural alterations, emphasising the compromise between crystallinity and surface area. Full article
(This article belongs to the Section Environmental Technology)
Show Figures

Figure 1

36 pages, 1335 KB  
Article
Analysis of Concentrated Solar Power Potential in the Photovoltaic Competitive Landscape
by Mladen Bošnjaković
Technologies 2025, 13(12), 554; https://doi.org/10.3390/technologies13120554 - 27 Nov 2025
Viewed by 2459
Abstract
Concentrated Solar Power (CSP) technology offers significant potential for stable and dispatchable renewable electricity generation through integration with thermal energy storage. However, adoption remains limited due to high capital costs, technical complexity, and market competition from photovoltaic (PV) systems. This review systematically synthesises [...] Read more.
Concentrated Solar Power (CSP) technology offers significant potential for stable and dispatchable renewable electricity generation through integration with thermal energy storage. However, adoption remains limited due to high capital costs, technical complexity, and market competition from photovoltaic (PV) systems. This review systematically synthesises recent literature on CSP and applies a hybrid SWOT–Analytic Hierarchy Process (AHP) methodology to quantitatively evaluate key internal and external factors influencing CSP deployment. The analysis identifies major strengths such as high-capacity factors and grid stability enabled by thermal storage, as well as weaknesses including high initial investment and site requirements. Opportunities stem from technological innovation, supportive policy frameworks, and potential for local job creation, while threats include rapid cost reductions in PV systems, water scarcity, and market and regulatory uncertainties. The integrated SWOT–AHP approach provides a robust decision-making framework and strategic insights for stakeholders seeking to promote CSP technology in diverse market contexts. The findings underscore the importance of tailored policy support and targeted investment to overcome barriers and realise CSP’s full potential within the renewable energy landscape. Full article
(This article belongs to the Special Issue Solar Thermal Power Generation Technology)
Show Figures

Figure 1

12 pages, 1736 KB  
Communication
Valorization of Steelmaking Slag for Circular Economy Applications: Adsorptive Removal and Recovery of Ni(II) and Cu(II) from Aqueous Systems
by Bruno Kostura, Vlastimil Matějka, Michal Ritz, Tomáš Sabovčík and Jozef Vlček
Technologies 2025, 13(12), 552; https://doi.org/10.3390/technologies13120552 - 27 Nov 2025
Viewed by 420
Abstract
The transition toward a circular economy requires innovative strategies for valorizing industrial by-products. This study investigates the potential of steelmaking furnace slag (SFS) as a low-cost adsorbent for the removal and recovery of nickel and copper ions from aqueous systems. The slag was [...] Read more.
The transition toward a circular economy requires innovative strategies for valorizing industrial by-products. This study investigates the potential of steelmaking furnace slag (SFS) as a low-cost adsorbent for the removal and recovery of nickel and copper ions from aqueous systems. The slag was characterized using XRF, XRD, SEM, FTIR, and thermal analyses, confirming the presence of reactive phases such as lime, periclase, and calcium silicates. Batch adsorption experiments revealed high sorption capacities (up to 147 mg·g−1) and were best described by the Langmuir isotherm and pseudo-second-order kinetic model, indicating chemisorption as the rate-limiting step. FTIR and SEM analyses demonstrated the formation of nickel and copper hydroxide/oxide phases, confirming surface precipitation mechanisms. Subsequent thermal treatment produced NiO- and CuO-enriched oxide systems with photocatalytic and antibacterial potential, while hydrometallurgical recovery using ammonia solutions achieved desorption efficiencies of 90–97%. The results highlight the dual role of SFS as an efficient sorbent for wastewater pre-treatment and as a secondary source of valuable metals, contributing to sustainable materials management and circular economy goals. Full article
(This article belongs to the Section Environmental Technology)
Show Figures

Figure 1

45 pages, 2852 KB  
Review
The Role of Carbon Capture, Utilization, and Storage (CCUS) Technologies and Artificial Intelligence (AI) in Achieving Net-Zero Carbon Footprint: Advances, Implementation Challenges, and Future Perspectives
by Ife Fortunate Elegbeleye, Olusegun Aanuoluwapo Oguntona and Femi Abiodun Elegbeleye
Technologies 2025, 13(11), 509; https://doi.org/10.3390/technologies13110509 - 8 Nov 2025
Viewed by 2554
Abstract
Carbon dioxide (CO2), the primary anthropogenic greenhouse gas, drives significant and potentially irreversible impacts on ecosystems, biodiversity, and human health. Achieving the Paris Agreement target of limiting global warming to well below 2 °C, ideally 1.5 °C, requires rapid and substantial [...] Read more.
Carbon dioxide (CO2), the primary anthropogenic greenhouse gas, drives significant and potentially irreversible impacts on ecosystems, biodiversity, and human health. Achieving the Paris Agreement target of limiting global warming to well below 2 °C, ideally 1.5 °C, requires rapid and substantial global emission reductions. While recent decades have seen advances in clean energy technologies, carbon capture, utilization, and storage (CCUS) remain essential for deep decarbonization. Despite proven technical readiness, large-scale carbon capture and storage (CCS) deployment has lagged initial targets. This review evaluates CCS technologies and their contributions to net-zero objectives, with emphasis on sector-specific applications. We found that, in the iron and steel industry, post-combustion CCS and oxy-combustion demonstrate potential to achieve the highest CO2 capture efficiencies, whereas cement decarbonization is best supported by oxy-fuel combustion, calcium looping, and emerging direct capture methods. For petrochemical and refining operations, oxy-combustion, post-combustion, and chemical looping offer effective process integration and energy efficiency gains. Direct air capture (DAC) stands out for its siting flexibility, low land-use conflict, and ability to remove atmospheric CO2, but it’s hindered by high costs (~$100–1000/t CO2). Conversely, post-combustion capture is more cost-effective (~$47–76/t CO2) and compatible with existing infrastructure. CCUS could deliver ~8% of required emission reductions for net-zero by 2050, equivalent to ~6 Gt CO2 annually. Scaling deployment will require overcoming challenges through material innovations aided by artificial intelligence (AI) and machine learning, improving capture efficiency, integrating CCS with renewable hybrid systems, and establishing strong, coordinated policy frameworks. Full article
(This article belongs to the Section Environmental Technology)
Show Figures

Figure 1

27 pages, 3513 KB  
Article
Hybrid VAR–XGBoost Modeling for Data-Driven Forecasting of Electricity Tariffs in Energy Systems Under Macroeconomic Uncertainty
by Sebastian López-Estrada, Orlando Joaqui-Barandica and Oscar Walduin Orozco-Cerón
Technologies 2025, 13(11), 495; https://doi.org/10.3390/technologies13110495 - 30 Oct 2025
Viewed by 1607
Abstract
Electricity tariffs in emerging economies are often influenced by macroeconomic volatility and regulatory design, affecting both affordability and system stability. Understanding these interactions is crucial for anticipating price fluctuations and ensuring sustainable energy policy. This paper examines the influence of macroeconomic conditions on [...] Read more.
Electricity tariffs in emerging economies are often influenced by macroeconomic volatility and regulatory design, affecting both affordability and system stability. Understanding these interactions is crucial for anticipating price fluctuations and ensuring sustainable energy policy. This paper examines the influence of macroeconomic conditions on electricity tariff dynamics in Colombia by integrating econometric and machine learning approaches. Using monthly data from 2009 to 2024 and a set of 153 macroeconomic indicators condensed via principal component analysis (PCA), we assess the predictive performance of vector autoregressive (VAR), SARIMAX, and XGBoost models, as well as a hybrid VAR–XGBoost specification. Impulse-response analysis reveals that tariff components exhibit limited sensitivity to macroeconomic shocks, underscoring the buffering role of regulation and sector-specific drivers. However, forecasting exercises demonstrate that accuracy is highly component-specific: SARIMAX performs best for transmission and restrictions, and VAR dominates for distribution and losses, while the hybrid model outperforms for generation and commercialization. These findings highlight that although macroeconomic pass-through into tariffs is weak, hybrid approaches that combine structural econometric dynamics with nonlinear learning can deliver tangible forecasting gains. The study contributes to the literature on electricity pricing in emerging economies and offers practical insights for regulators and policymakers concerned with tariff predictability and energy affordability. Full article
(This article belongs to the Section Environmental Technology)
Show Figures

Figure 1

27 pages, 1586 KB  
Review
A Review on Risk-Averse Bidding Strategies for Virtual Power Plants with Uncertainties: Resources, Technologies, and Future Pathways
by Dongliang Xiao
Technologies 2025, 13(11), 488; https://doi.org/10.3390/technologies13110488 - 28 Oct 2025
Cited by 5 | Viewed by 2091
Abstract
The global energy transition, characterized by the proliferation of intermittent renewables and the evolution of electricity markets, has positioned virtual power plants (VPPs) as crucial aggregators of distributed energy resources. However, their participation in competitive markets is fraught with multifaceted uncertainties stemming from [...] Read more.
The global energy transition, characterized by the proliferation of intermittent renewables and the evolution of electricity markets, has positioned virtual power plants (VPPs) as crucial aggregators of distributed energy resources. However, their participation in competitive markets is fraught with multifaceted uncertainties stemming from price volatility, renewable generation intermittency, and unpredictable prosumer behavior, which necessitate sophisticated, risk-averse bidding strategies to ensure financial viability. This review provides a comprehensive analysis of the state-of-the-art in risk-averse bidding for VPPs. It first establishes a resource-centric taxonomy, categorizing VPPs into four primary archetypes: DER-driven, demand response-oriented, electric vehicle-integrated, and multi-energy systems. The paper then delivers a comparative assessment of different optimization techniques—from stochastic programming with conditional value-at-risk and robust optimization to emerging paradigms such as distributionally robust optimization, game theory, and artificial intelligence. It critically evaluates their application contexts and effectiveness in mitigating specific risks across diverse market types. Finally, the review synthesizes these insights to identify persistent challenges—including computational bottlenecks, data privacy, and a lack of standardization—and outlines a forward-looking research agenda. This agenda emphasizes the development of hybrid AI–physical models, interoperability standards, multi-domain risk modeling, and collaborative VPP ecosystems to advance the field towards a resilient and decarbonized energy future. Full article
(This article belongs to the Section Environmental Technology)
Show Figures

Figure 1

18 pages, 2916 KB  
Article
A Study of Performance and Emission Characteristics of Diesel-Palm Oil Mill Effluent Gas on Dual-Fuel Diesel Engines Based on Energy Ratio
by Yanuandri Putrasari, Hafiziani Eka Putri, Achmad Praptijanto, Arifin Nur, Mulia Pratama, Ahmad Dimyani, Suherman, Bambang Wahono, Muhammad Khristamto Aditya Wardana, Ocktaeck Lim, Manida Tongroon and Sakda Thongchai
Technologies 2025, 13(10), 475; https://doi.org/10.3390/technologies13100475 - 20 Oct 2025
Viewed by 813
Abstract
Biogas from palm oil mill effluent (POME) is a promising fuel that has many advantages as an alternative fuel. The methane content in biogas derived from POME is up to 75% and can be used as an alternative fuel in an internal combustion [...] Read more.
Biogas from palm oil mill effluent (POME) is a promising fuel that has many advantages as an alternative fuel. The methane content in biogas derived from POME is up to 75% and can be used as an alternative fuel in an internal combustion engine. One of the technologies for utilizing biogas in compression ignition engines is the Diesel Dual-Fuel (DDF) technique due to the different characteristics of fuel and the impact on the environment due to significantly reducing emissions. This study aims to find the effect of biogas POME composition and energy ratio on the DDF engine’s performance and emissions. The simulations using AVL BOOST software were confirmed by experimental engine parameters. The modeling was conducted on the biogas energy ratio (20%, 40%, 60%, and 75% POME) and biogas POME composition (55% and 75% methane). The results showed that the fuel consumption of diesel fuel was reduced by up to 69%, and NOx and soot emissions were reduced by up to 92% and 80%, respectively, with dual-fuel mode operation. Meanwhile, the value of brake mean effective pressure (BMEP) and efficiency was reduced by up to 18%, volumetric efficiency decreased by up to 4%, the increase in brake specific energy consumption (BSEC) was up to 23%, and brake specific fuel consumption (BSFC) was up to 155%. The optimum of the engine’s performance and emission was 40% biogas ratio with 75% methane content. Full article
(This article belongs to the Section Environmental Technology)
Show Figures

Figure 1

Back to TopTop