energies-logo

Journal Browser

Journal Browser

Power Quality Monitoring with Energy Saving Goals

A special issue of Energies (ISSN 1996-1073). This special issue belongs to the section "F1: Electrical Power System".

Deadline for manuscript submissions: closed (25 March 2026) | Viewed by 7636

Special Issue Editors


E-Mail Website
Guest Editor
Faculty of Electrical Engineering, Silesian University of Technology, 44-100 Gliwice, Poland
Interests: power quality; electrical engineering; modeling and simulation
Special Issues, Collections and Topics in MDPI journals

E-Mail Website
Guest Editor
Faculty of Electrical Engineering, Silesian University of Technology, 44-100 Gliwice, Poland
Interests: electrical engineering; signal processing; stochastic systems; applications of artificial intelligence; power quality
Special Issues, Collections and Topics in MDPI journals

Special Issue Information

Dear Colleagues,

The energy transition that we are currently witnessing and the constant increase in demand for electricity mean that issues related to power quality are becoming ever-more critical. Power quality is described as a set of parameters describing the properties of a process of supplying energy to the user under normal operating conditions, determining the continuity of the power supply and characterising the supply voltage. However, the power quality is also related to the receivers’ parameters, such as the harmonic content in currents or absorbed reactive power. These parameters significantly affect voltage degradation and are essential due to losses in energy transmission. Monitoring power quality factors and appropriate decision-making processes or devices can, therefore, impact energy savings by reducing losses. In addition, monitoring quality parameters in the electrical grid can prevent costly failures or predict the production downtime. The measurement results of the analysed grid provide a base for power grid optimization processes involving solutions (e.g., active power filters, UPFCs, compensators) that improve the power quality and reduce losses.

In summary, this Special Issue will collect articles and review papers related to the monitoring and measurement of power quality parameters to save energy. Since monitoring alone does not give any results without further actions, it is also necessary to consider technical solutions, i.e., devices and processes that use the obtained measurements and generate direct or indirect energy savings.

Dr. Dawid Buła
Dr. Dariusz Grabowski
Guest Editors

Manuscript Submission Information

Manuscripts should be submitted online at www.mdpi.com by registering and logging in to this website. Once you are registered, click here to go to the submission form. Manuscripts can be submitted until the deadline. All submissions that pass pre-check are peer-reviewed. Accepted papers will be published continuously in the journal (as soon as accepted) and will be listed together on the special issue website. Research articles, review articles as well as short communications are invited. For planned papers, a title and short abstract (about 250 words) can be sent to the Editorial Office for assessment.

Submitted manuscripts should not have been published previously, nor be under consideration for publication elsewhere (except conference proceedings papers). All manuscripts are thoroughly refereed through a single-blind peer-review process. A guide for authors and other relevant information for submission of manuscripts is available on the Instructions for Authors page. Energies is an international peer-reviewed open access semimonthly journal published by MDPI.

Please visit the Instructions for Authors page before submitting a manuscript. The Article Processing Charge (APC) for publication in this open access journal is 2600 CHF (Swiss Francs). Submitted papers should be well formatted and use good English. Authors may use MDPI's English editing service prior to publication or during author revisions.

Keywords

  • power quality (PQ)
  • PQ monitoring
  • PQ measurements
  • energy saving
  • power filters
  • PQ improvement
  • reactive power
  • power losses
  • voltage and current distortion

Benefits of Publishing in a Special Issue

  • Ease of navigation: Grouping papers by topic helps scholars navigate broad scope journals more efficiently.
  • Greater discoverability: Special Issues support the reach and impact of scientific research. Articles in Special Issues are more discoverable and cited more frequently.
  • Expansion of research network: Special Issues facilitate connections among authors, fostering scientific collaborations.
  • External promotion: Articles in Special Issues are often promoted through the journal's social media, increasing their visibility.
  • Reprint: MDPI Books provides the opportunity to republish successful Special Issues in book format, both online and in print.

Further information on MDPI's Special Issue policies can be found here.

Related Special Issue

Published Papers (5 papers)

Order results
Result details
Select all
Export citation of selected articles as:

Research

17 pages, 5277 KB  
Article
Experimental Investigation of a Scalable Dimensionless Model of an AC Circuit with a Nonlinear Rectifier Load
by Paweł Strząbała, Mirosław Wciślik and Dawid Buła
Energies 2025, 18(24), 6539; https://doi.org/10.3390/en18246539 - 13 Dec 2025
Cited by 1 | Viewed by 541
Abstract
This paper develops a compact and scalable mathematical model of an AC circuit with an uncontrolled diode bridge rectifier, formulated using dimensionless variables. The model captures the joint influence of supply inductance, resistance, and load parameters on current waveform distortion, harmonic content, and [...] Read more.
This paper develops a compact and scalable mathematical model of an AC circuit with an uncontrolled diode bridge rectifier, formulated using dimensionless variables. The model captures the joint influence of supply inductance, resistance, and load parameters on current waveform distortion, harmonic content, and reactive power exchange, which are often simplified or addressed separately in existing studies. Experimental validation confirms the applicability of the model over a wide range of operating conditions and grid strengths. The results provide quantitative characteristics that support the interpretation of power quality measurements and the assessment of how nonlinear loads interact with non-stiff supply sources. The proposed formulation offers an efficient analytical tool for harmonic analysis in distribution networks, particularly where a balance between modelling accuracy and computational effort is required. Full article
(This article belongs to the Special Issue Power Quality Monitoring with Energy Saving Goals)
Show Figures

Figure 1

25 pages, 5222 KB  
Article
Measurement-Based Analysis of Static Var Compensator Effects in Industrial Rolling Mill Grids
by Petru Ivascanu, Manuela Panoiu and Caius Panoiu
Energies 2025, 18(23), 6123; https://doi.org/10.3390/en18236123 - 22 Nov 2025
Viewed by 705
Abstract
Power quality is a continuous concern in industry, especially in steel mills operating with nonlinear, fluctuating, and unbalanced loads. This paper investigates the influence of a Static Var Compensator (SVC) on power quality parameters in a hot metallurgical rolling mill. The study includes [...] Read more.
Power quality is a continuous concern in industry, especially in steel mills operating with nonlinear, fluctuating, and unbalanced loads. This paper investigates the influence of a Static Var Compensator (SVC) on power quality parameters in a hot metallurgical rolling mill. The study includes experimental measurements performed under real operating conditions, both with and without reactive power compensation. The measurements included voltage and current waveforms, active and reactive power, total harmonic distortion (THD), and the power factor, recorded both with and without a Static Var Compensator (SVC) in operation. The results show that in the presence of an SVC, voltage stability was improved and reactive power flow was reduced, although the current harmonic distortion remained above the recommended limits (ATHD > 40%). Despite these limitations, the voltage THD (VTHD) remained within acceptable ranges, as the upstream network maintained voltage levels despite the harmonic injection. The results obtained emphasize the effectiveness of SVCs in reducing reactive power while highlighting the need for complementary strategies to mitigate harmonics due to the presence of converters. These conclusions are particularly relevant for industrial installations that want to improve power quality and energy efficiency through specific compensation technologies. Full article
(This article belongs to the Special Issue Power Quality Monitoring with Energy Saving Goals)
Show Figures

Figure 1

17 pages, 1378 KB  
Article
Prototype Instrumentation for the Spatial and Temporal Characterisation of Voltage Supply Based on Two-Dimensional Higher-Order Statistics
by Juan-José González-de-la-Rosa, Olivia Florencias-Oliveros, José-María Sierra-Fernández, Manuel-Jesús Espinosa-Gavira, Agustín Agüera-Pérez, José-Carlos Palomares-Salas, Victor Pallarés-López, Rafael-Jesús Real-Calvo and Isabel Santiago-Chiquero
Energies 2025, 18(1), 175; https://doi.org/10.3390/en18010175 - 3 Jan 2025
Viewed by 1223
Abstract
This paper presents a proof-of-concept of a versatile Power Quality (PQ) analyser for tracking the voltage supply in industrial and residential sectors. It implements 2D Higher-Order Statistics (HOS) to assess voltage quality, based more on the sinusoidal waveform than on power fluctuations. Beyond [...] Read more.
This paper presents a proof-of-concept of a versatile Power Quality (PQ) analyser for tracking the voltage supply in industrial and residential sectors. It implements 2D Higher-Order Statistics (HOS) to assess voltage quality, based more on the sinusoidal waveform than on power fluctuations. Beyond the second-order parameters and permissible deviations regulated by the norm, EN 50160, the two-dimensional traces and probability density functions, along with a previously studied differential index, manage to identify different states of the electrical grid. Waveforms were measured in the wall plugs of a public building. In regard to analysing reliability and voltage waveform, the results corroborate that incorporating skewness and kurtosis indicators improves the characterisation, as well as extracting the customers’ supply behaviour under normal and anomalous operations. The instrument showed good behaviour in site characterisation, and the implemented method was considered as a probabilistic approach for the risk assessment of an installation. The prototype was tested in the facilities of a public building of the university, being able to detect deviations in 10 s traces of 3.9% in variance and 0.6% in kurtosis. Full article
(This article belongs to the Special Issue Power Quality Monitoring with Energy Saving Goals)
Show Figures

Figure 1

25 pages, 18194 KB  
Article
Superposition of Voltage Disturbances Generated by Direct Current Traction
by Zbigniew Olczykowski
Energies 2024, 17(23), 6007; https://doi.org/10.3390/en17236007 - 28 Nov 2024
Cited by 1 | Viewed by 1200
Abstract
Electric traction vehicles require a power supply with appropriate voltage parameters. In Poland, a direct voltage power supply system has been adopted. This requires the use of traction substations with the conversion of alternating voltage to direct voltage, which generates a number of [...] Read more.
Electric traction vehicles require a power supply with appropriate voltage parameters. In Poland, a direct voltage power supply system has been adopted. This requires the use of traction substations with the conversion of alternating voltage to direct voltage, which generates a number of disturbances related to the quality of electric power. Dynamic changes in the substation load resulting from the movement of traction vehicles are another cause of voltage changes. The article presents an analysis of measurement results carried out simultaneously in systems powering various traction substations and non-traction demand lines. Due to the fact that non-traction demand lines supply both recipients related to the movement of traction vehicles (including railway stations) and other industrial and municipal recipients, the quality of energy is therefore very important. Full article
(This article belongs to the Special Issue Power Quality Monitoring with Energy Saving Goals)
Show Figures

Figure 1

17 pages, 3746 KB  
Article
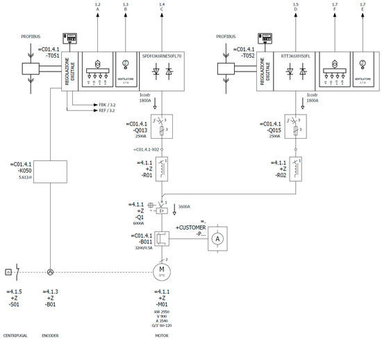
Advanced Static Var Generator in the Reactive Power Automatic Compensation System of an Underground Mine with a Thyristor Hoisting Machine
by Marian Hyla and Andrzej Latko
Energies 2024, 17(15), 3628; https://doi.org/10.3390/en17153628 - 24 Jul 2024
Cited by 6 | Viewed by 2646
Abstract
In industrial plants with dynamically varying load profiles, the problem of increased charges for over-contracted reactive power consumption is very common. To eliminate these charges, reactive power compensation systems are used. This article presents a case study of an automatic reactive power compensation [...] Read more.
In industrial plants with dynamically varying load profiles, the problem of increased charges for over-contracted reactive power consumption is very common. To eliminate these charges, reactive power compensation systems are used. This article presents a case study of an automatic reactive power compensation system in an underground mine where a thyristor hoisting machine is used. To reduce the higher current harmonics of the hoisting machine and compensate for the reactive power of the PCC (Point of Common Coupling), the main reactive power automatic compensation system and an ASVG (Advanced Static Var Generator) with a nonstandard control loop were used. The article considers aspects of the operation of the ASVG, locally with the hoisting machine, and also as a master-controlled device that is part of the reactive power automatic compensation system. This part of the article is based on measurements taken in a mine. The reactive power automatic compensation system considered in this article has been successfully implemented, improving PQ (Power Quality) and eliminating additional overcompensation charges. Full article
(This article belongs to the Special Issue Power Quality Monitoring with Energy Saving Goals)
Show Figures

Figure 1

Back to TopTop