Abstract
People dissipate energy constantly, from their heartbeat to their footsteps. However, scientists are developing a technique for capturing power from human beings and converting it electricity that can power electronic medical devices or other devices that need low voltage. Energy harvesting and bioelectronics researchers are currently exploring this form of energy recycling. Mechanical, chemical, and thermal energy are the three primary forms of energy in the human body. This paper focuses on thermal energy sources only, showing that the energy harvested from a person’s head can be used to power a headlamp. A total of seven thermoelectric generators (TEGs) were used, each comprising thirty-five thermocouples. An output voltage of 1.5 volts was obtained from the TEG systems. In addition, an electrical circuit was designed to convert the obtained TEG voltage into another voltage suitable for the headlamp model.
1. Introduction
Throughout human history, energy has been the cornerstone of civilization. Energy demand is increasing at the same time as existing energy resources are depleting, which makes the world’s energy problem a serious one. As a result of the excessive use of fossil fuels, environmental pollution is also increasing. In order futurize our energy sector, it is imperative that we develop sustainable and eco-friendly sources of energy.
Human society’s development has been greatly facilitated by the invention and detection of novel energy sources. In recent years, scientists have been working on utilizing clean and sustainable energies such as wind power [1,2]. Over the past few years, solar energy has also gained a lot of traction [3,4,5]. Besides renewable energy sources, human body energy has lately proven to be a latent source of clean energy for the future [6,7,8]. In addition, many studies have worked to connect renewable energy with thermoelectric generators (TEGs) [9,10]. Our bodies naturally convert energy after consuming food, which is absorbed into the body. Keeping a stable body temperature requires a great amount of thermal energy each day. Heat exchange between our bodies and the ambient air dissipates most of our thermal energy, while the rest is dissipated by breathing or sweating. Chemical energy flows through the body when food is digested and absorbed into the bloodstream. It is important to note that mechanical energy flow occurs when we lift our limbs, take steps, raise our arms, and tap and knock other objects. During breathing, heartbeats, and even contractions and relaxations of blood vessels, energy is consumed and released. The transmission of mechanical energy is mainly based on muscle contractions and relaxations in equivalent parts of the human body. To evaluate their potential as personal energy sources, scientists have hypothetically projected the different power energy flows through transmission [11]. However, the human body must collect and convert less energy than it consumes in order to avoid potential negative effects on the body.
An energy conversion circuit based on the difference between ambient temperature and human heat is presented in the current research in order to identify energy levels suitable for electrical applications, which are represented by a headlamp, for which a TEG model was created for harvesting energy from the body. The present work is separated into five sections as follows. After the introduction section in the first part of the study (I), thermoelectric generators (TEGs) and their structure, design equations, and characteristic curves are presented in the section (II). The step-up circuit presented by boost converter is given in section (III). Section (IV) is divided into two parts. In one of them, TEG modelling is carried out by ANSS SIMULINK; in the second, MATLAB Simulink is used as a boost converter. The results are explained and discussed at the end of same section. Finally, section (V) presents the overall study conclusions.
2. Energy Efficiency and Applied Thermodynamics
Thermal power can be converted immediately into electricity using TEGs, which are based on the thermoelectric effect [12]. In this paper, the thermoelectric generator effect is referred to as the Seebeck effect. Carriers diffuse from the warm to the cold end, causing the Seebeck effect. A metal conductor and a semiconductor can both yield the Seebeck effect; however, the Seebeck effect is abundantly smaller in metals than in semiconductors due to the fact that the carrier concentration and Fermi level of metals is temperature-insensitive [13]. TEGs generate direct current power by connecting groups of semiconductor thermocouples in parallel or in series. There are two types of semiconductors in each thermocouple, as shown in Figure 1: n-type semiconductors and p-type semiconductors [14]. Both of them are related to the heat source at the junction end, and by using wires, the non-joint ends are linked to the heat sink. A p-type semiconductor accumulates positive charges at its cold end due to temperature variance between its warm and cold ends, whereas negative charges accumulate at the cold part of the n-type semiconductor, resulting in a potential difference between them [15].
Figure 1.
Principle of thermoelectric power generation.
The properties of the TEG used in this paper are resistivity, thermal conductivity, and a Seebeck coefficient (which is given for p-type components) of 8.8·10−6 [Ω. m], 1.55 [W m−1 K−1], and 0.0002 [V K−1], respectively. For the n-type, these are 1·10−5 [Ω. m], 1.605 [W m−1 K−1], and −0.0002 [V K−1]. Moreover, the thermal conductivity and resistivity of the solder layers are 390 [W m−1 K−1] and 1.68·10−8 [Ω. m], respectively.
The harmonization of the heat transfer equation with the density continuity equation, which governs the behavior of TEG materials, is given in the following equation [16,17]:
where is the density [kg m−3], and c is the capacity [J kg−1 K−1].
The Joule energy Q’ is given by
where J is the electric current flux [A m−2], and E is the field of electricity [V m−1].
However, the heat flux can be expressed as follows:
where the Peltier coefficient (P′) is given as
where S is a Seebeck coefficient [V K−1], and T represents the temperature in Kelvin.
Moreover, the electric current flux is given as
where is the electrical conductivity [S m], and V represents an electrical scalar potential [V].
As illustrated in Figure 2, the geometric measurements of the TEG parts used in the current work have been explained. There are 7 TEG systems used in this work, with each system having 35 TEG couples connected serially. It was assumed that TEG would function in steady-state mode with human temperature as a heat source and ambient temperature as a cooling source.
Figure 2.
The current work’s thermoelectric generator system design.
3. Step-Up Converter
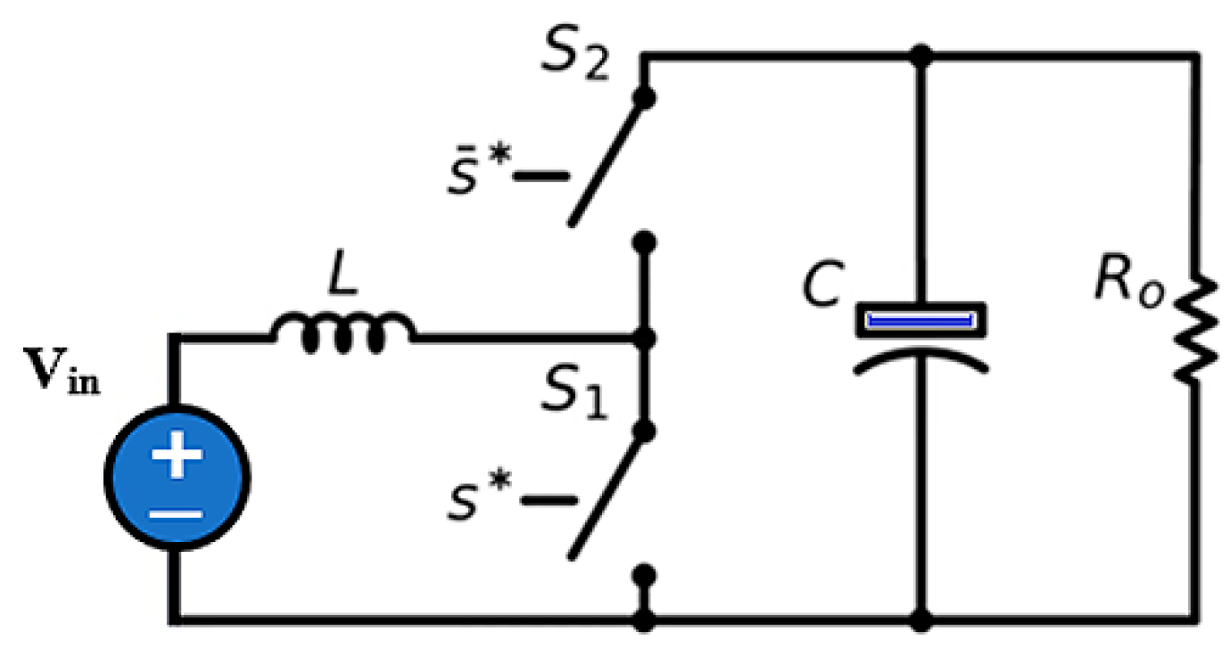
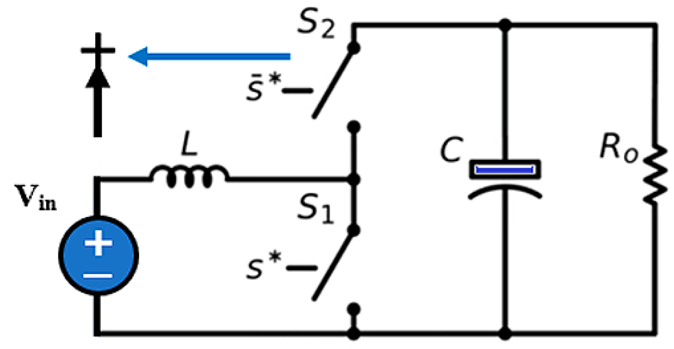
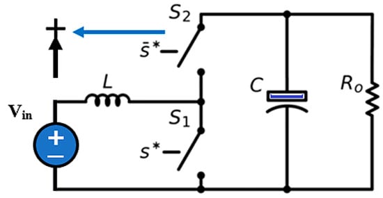
An essential structure in power electronics is the boost or step-up converter. This prominent switch design converter elevates a DC input voltage Vin to a DC output voltage Vo, which is consistently higher than the initial input. S1 and S2 function as complementary switches, each responsible for connecting the inductor to either 0 volts (S1 closed, S2 open) or linking to the output capacitor (S1 open, S2 closed) in an alternating manner, as illustrated in Figure 3. These actions prompt the creation of a triangular current flow through the inductor, which, upon integration by the output capacitor, yields the output power Vo with minimal fluctuations on the load.
Figure 3.
Boost converter.
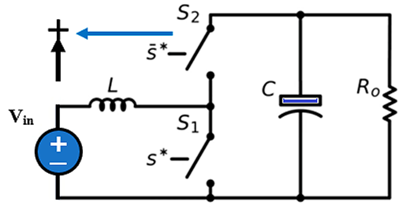
The upper switch of the asynchronous boost converter is executed by a diode that will turn on automatically when the lesser switch (a controlled switch such as a MOSFET or IGBT) is off, as shown in Figure 4.
Figure 4.
Asynchronous boost converter.
As a rule, asynchronous boost converters are created to operate in continuous conduction mode, which means a range of operations are selected so that the conductor current always remains positive (IL > 0), ensuring forward basing of the diode. As a result, the equations describing the converter’s behavior will change if this condition is not met. This switch topology has two different states when operating in continuous mode, as shown in Figure 5. The waveform depicting the converter operation is shown in Figure 6.
Figure 5.
Control signal.
Figure 6.
Boost converter waveforms.
The following equations describe the operating of the aforementioned asynchronous boost converter [18,19].
The periodic time (T = Ton + Toff) in seconds is given by
where is a switching frequency in kHz, and Ton and Toff are the on time and off time, respectively.
The duty cycle D is given by
Consequently, the step-up converter, input, and output voltages can be written as follows [20,21]:
The input and output ripple of the continuous conduction mode for the asynchronous step-up converter is given in Equations (9) and (10), respectively.
4. Results and Discussion
The energy that is harvested from the TEG is used to supply the headlamp. The process of transferring this harvesting energy from the thermoelectric generator to the head torch is carried out by connecting one of the elements of the conversion circuit (i.e., the boost converter) to match the required specifications of the headlight, which represents the external load in this case, as shown in Figure 7.
Figure 7.
Overall system diagram.
The results of this work are separated into two parts; the first displays the results of the TEG simulations, while the second discusses the electrical results.
4.1. TEG System
Figure 8, shows the temperature distribution of 3D TEGs, with the hot side representing human body temperature (37.8 °C) and the cold side representing ambient temperature.
Figure 8.
Temperature distribution of seven thermoelectric generator systems.
Figure 9 illustrates the three-dimensional voltage distribution of the TEG system, where one section has been enlarged to provide a better visual of the voltage distribution.
Figure 9.
The voltage distribution in the TEG system.
4.2. Electrical Results
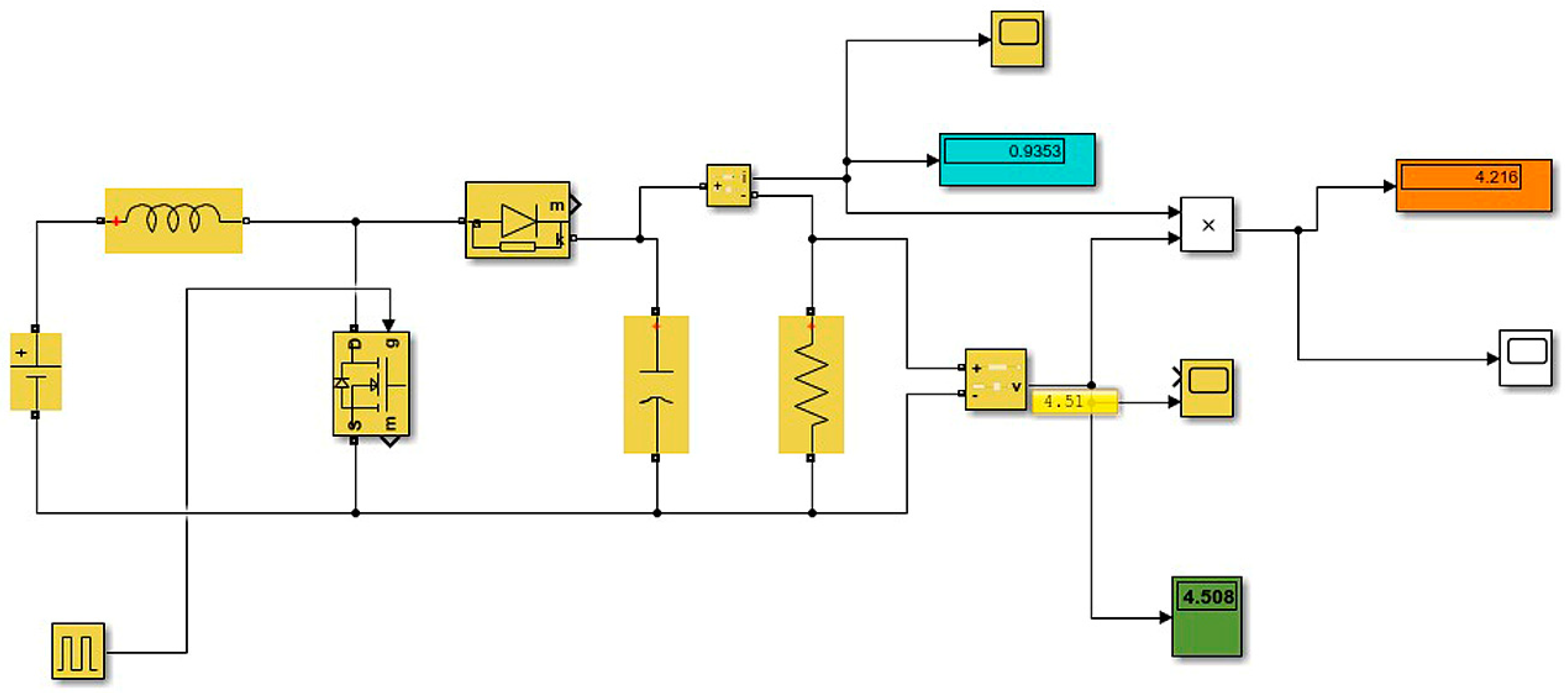
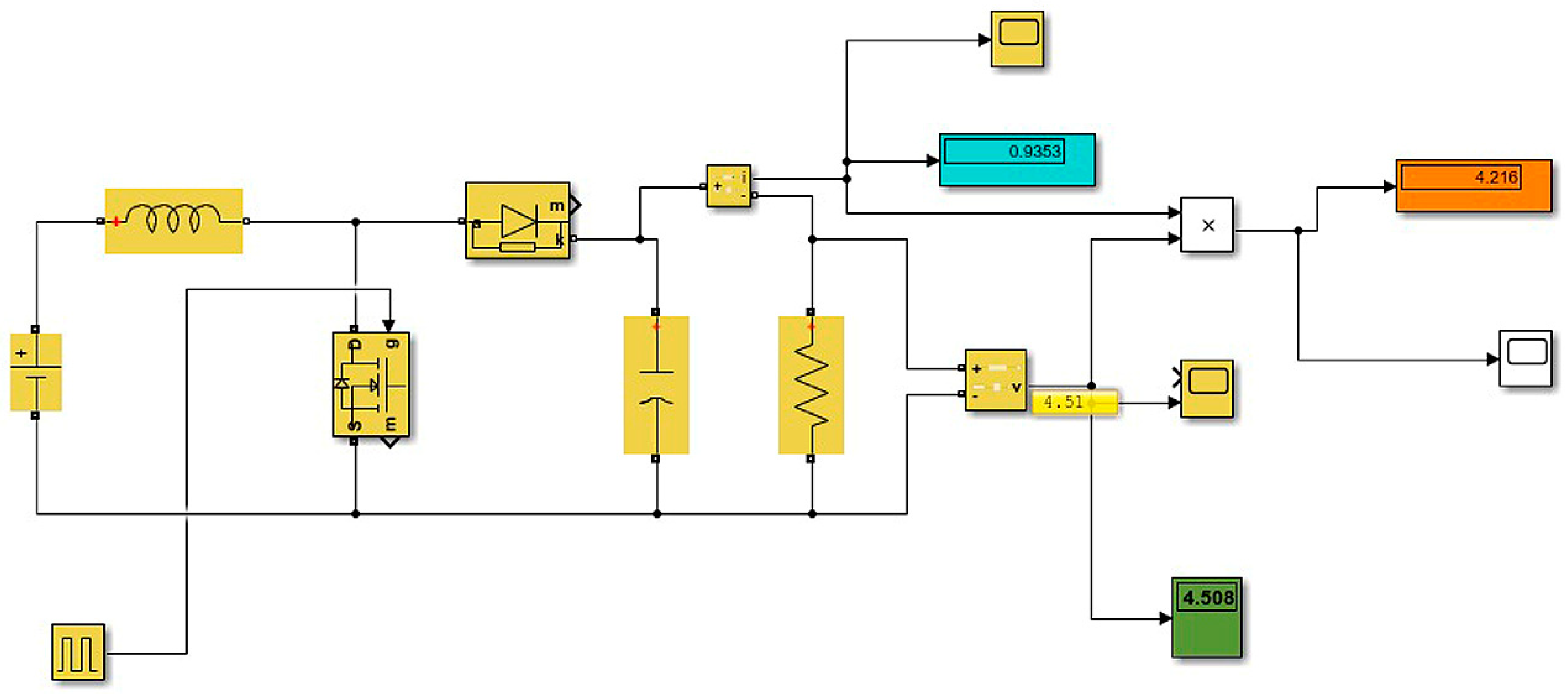
The electrical circuit comprises a 4.5 V, 4.2 W headlight as an external load, a 0.66 duty cycle, and a 25 kHz set-up converter circuit energized with a 1.5 DC input voltage. It was simulated by MATLAB Simulink, as shown in Figure 10.
Figure 10.
MATLAB Simulink of the step-up converter.
Figure 11 illustrates the DC output voltage of the converter. It demonstrates the process of raising the input voltage of 1.5 V to the desired 4.5 V according to (8), using the simulation circuit in the step-up converter. Figure 12 illustrates the 1 Ampere waveform, whereas Figure 13 displays the electrical power waveform, aligning with the operational needs of the external load imposed by the head torch. The findings indicate a strong correlation between the current operational values and the intended values of the headlight circuit.
Figure 11.
Output voltage waveform of the step-up circuit.
Figure 12.
Output current waveform boost convertor.
Figure 13.
Output power waveform of the step-up circuit.
5. Conclusions
The present paper has presented a method of combining a thermoelectric and electric system with two simulation programs, ANSYS and MATLAB Simulink, to harvest energy based on the difference in temperature between the human body and the ambient air to energize a head torch, as an example of an electrical application. The simulation results for the TEG and step-up converter circuit are satisfactory and match customer requirements, with a ripple of 2% in the output voltage.
Author Contributions
Conceptualization, E.J.M.; methodology, A.J.M.; software, E.J.M., and A.J.M.; validation, E.J.M., and A.J.M.; formal analysis, E.J.M.; investigation, A.J.M.; resources, E.J.M.; data curation, A.J.M.; writing—original draft preparation, E.J.M.; writing—review and editing, A.J.M.; visualization, E.J.M.; supervision, A.J.M. All authors have read and agreed to the published version of the manuscript.
Funding
This research received no external funding.
Institutional Review Board Statement
Not applicable.
Informed Consent Statement
Informed consent was obtained from all subjects involved in the study.
Data Availability Statement
Data underlying the results presented in this paper are not publicly available at this time but may be obtained from the authors upon reasonable request.
Conflicts of Interest
The authors declare no conflicts of interest.
References
- Al-Hussieni, A.J.M. A prognosis of wind energy potential as a power generation source in Basra city, Iraq state. Eur. Sci. J. 2014, 10, 163–176. [Google Scholar]
- Ghenai, C.; Salameh, T.; Janajreh, I. Modeling and Simulation of Shrouded Horizontal Axis Wind Turbine Using RANS Method. Jordan J. Mech. Ind. Eng. 2017, 11, 235–243. [Google Scholar]
- Majeed, A.J. Empirical Models for Correlation of Clearness Index with Cloud Index at Rutba, Iraq State. Int. J. Eng. Res. Appl. 2013, 3, 1189–1192. [Google Scholar]
- Majeed, A.J.; Mohammed, G.J.; Abdulrazaq, D.A. Sustainable Energy for Water Desalination System Relative to Basra Climate. Jordan J. Mech. Ind. Eng. 2015, 9, 129–137. [Google Scholar]
- Majeed, A.J.; Najim, D.S.E.; Hammadi, D.S.H. Simulation solar electrical generation power plant by using parabolic trough in Basra city. Al-Qadisiya J. Eng. Sci. 2014, 7, 1–11. [Google Scholar]
- Majeed, E.J.; Majeed, A.J. Harvesting Human Being Energy to Charge Smartphone. Jordan J. Mech. Ind. Eng. 2022, 16, 439–448. [Google Scholar]
- Proto, A.; Penhaker, M.; Conforto, S.; Schmid, M. Nanogenerators for Human Body Energy Harvesting. Trends Biotechnol. 2017, 35, 610–624. [Google Scholar] [CrossRef] [PubMed]
- Hannan, M.A.; Mutashar, S.; Samad, S.A.; Hussain, A. Energy harvesting for the implantable biomedical devices: Issues and challenges. BioMed Eng. OnLine 2014, 13, 79. [Google Scholar] [CrossRef] [PubMed]
- Bjørk, R.; Nielsen, K.K. The performance of a combined solar photovoltaic (PV) and thermoelectric generator (TEG) system. Sol. Energy 2015, 120, 187–194. [Google Scholar] [CrossRef]
- Koutroulis, E.; Kalaitzakis, K.; Voulgaris, N.C. Development of a microcontroller-based, photovoltaic maximum power point tracking control system. IEEE Trans. Power Electron. 2001, 16, 46–54. [Google Scholar] [CrossRef]
- Rebel, G.; Estevez, F.; Gloesekoetter, P.; Castillo-Secilla, J.M. Energy Harvesting on Human Bodies, Smart Health. Lect. Notes Comput. Sci. 2015, 8700, 129–159. [Google Scholar] [CrossRef]
- Zhang, Q.H.; Huang, X.Y.; Bai, S.Q.; Shi, X.; Uher, C.; Chen, L.D. Thermoelectric Devices for Power Generation: Recent Progress and Future Challenges. Adv. Eng. Mater. 2016, 18, 194–213. [Google Scholar] [CrossRef]
- Zoui, M.A.; Bentouba, S.; Stocholm, J.G.; Bourouis, M. A Review on Thermoelectric Generators: Progress and Applications. Energies 2020, 13, 3606. [Google Scholar] [CrossRef]
- Zou, Y.; Bo, L.; Li, Z. Recent progress in human body energy harvesting for smart bioelectronic system. Fundam. Res. 2021, 1, 364–382. [Google Scholar] [CrossRef]
- Li, D.; Gong, Y.; Chen, Y.; Lin, J.; Khan, Q.; Zhang, Y.; Li, Y.; Zhang, H. Recent Progress of Two-Dimensional Thermoelectric Materials. Nano-Micro Lett. 2020, 12, 36. [Google Scholar] [CrossRef] [PubMed]
- Shittu, S.; Li, G.; Zhao, X.; Ma, X. Thermoelectric Generator Performance Enhancement by the Application of Pulsed Heat Power. In Proceeding of the 6th International Conference on Fluid Flow, Heat and Mass Transfer, Ottawa, ON, Canada, 18–19 June 2019. [Google Scholar] [CrossRef]
- Chen, L.; Lee, J. Effect of pulsed heat power on the thermal and electrical performances of a thermoelectric generator. Appl. Energy 2015, 150, 138–149. [Google Scholar] [CrossRef]
- Elaf, J.M.; Ramzy, S.; Ali, R.; Thejel, H. Novel synthesis methodology for controlling zero-current zero-voltge transition DC/DC boost converter. Basrah J. Eng. Sci. 2006, 6, 11–26. [Google Scholar]
- Mohan, N.; Undeland, T.M.; Robbins, W.P. Power Electronics: Converters, Applications, and Design, 3rd ed.; John Wiley & Sons: Hoboken, NJ, USA, 2003. [Google Scholar]
- Pradhan, A.; Panda, B. A Simplified Design and Modeling of Boost Converter for Photovoltaic System. Int. J. Electr. Comput. Eng. 2018, 8, 141. [Google Scholar] [CrossRef]
- Raj, A.; Praveen, R.P. Highly efficient DC-DC boost converter implemented with improved MPPT algorithm for utility level photovoltaic applications. Ain Shams Eng. J. 2022, 13, 101617. [Google Scholar] [CrossRef]
Disclaimer/Publisher’s Note: The statements, opinions and data contained in all publications are solely those of the individual author(s) and contributor(s) and not of MDPI and/or the editor(s). MDPI and/or the editor(s) disclaim responsibility for any injury to people or property resulting from any ideas, methods, instructions or products referred to in the content. |
© 2024 by the authors. Licensee MDPI, Basel, Switzerland. This article is an open access article distributed under the terms and conditions of the Creative Commons Attribution (CC BY) license (https://creativecommons.org/licenses/by/4.0/).












