A Linear Matrix Inequality Approach to Optimal Voltage Control of a Three-Phase UPS Inverter under Unbalanced Loads †
Abstract
:1. Introduction
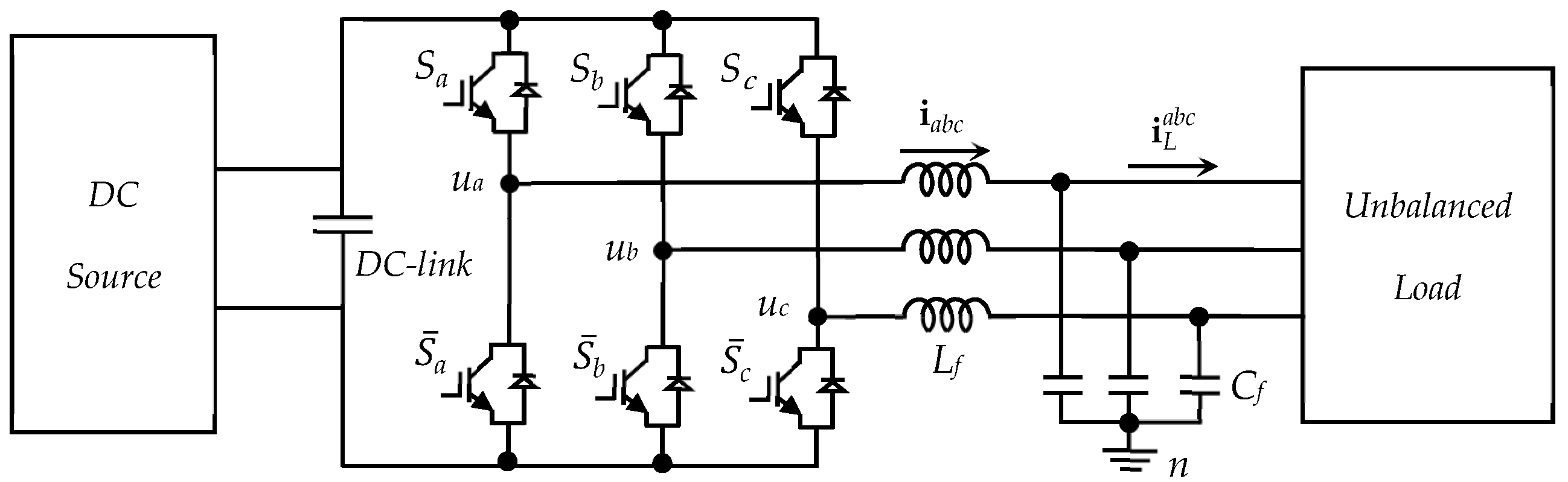
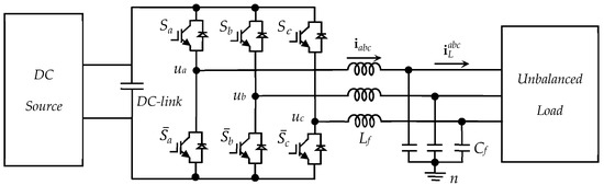
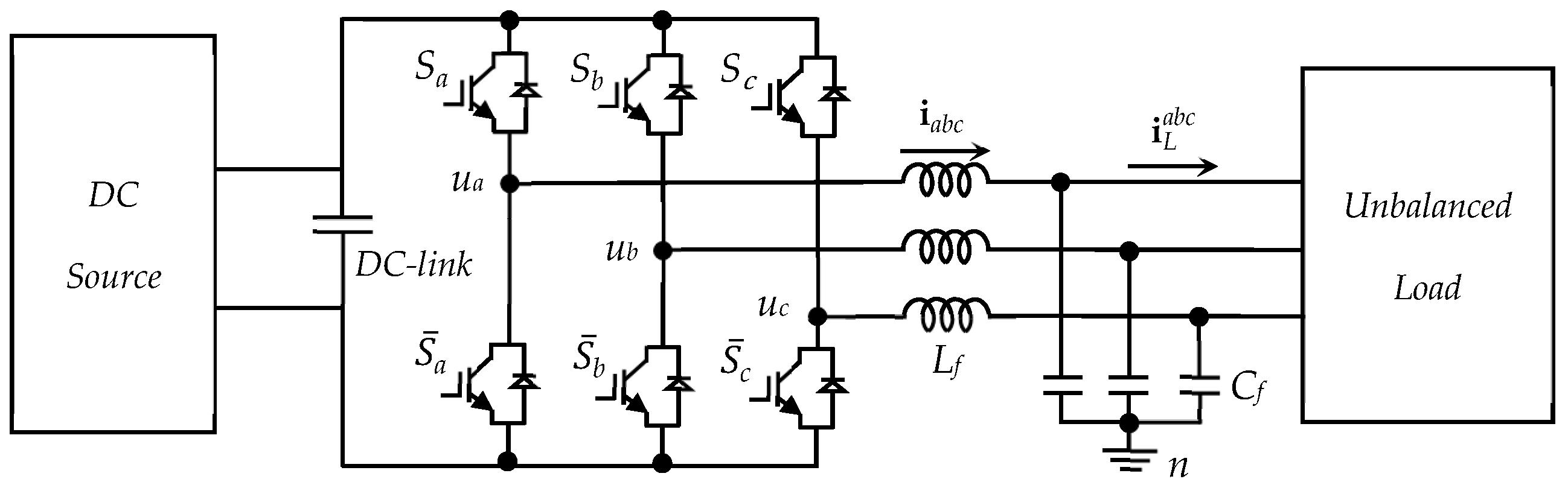
2. Inverter Modeling under Unbalanced Loads
3. Proposed Control and Optimal Gain
4. Simulation and Experimental Results
5. Conclusions
Author Contributions
Funding
Institutional Review Board Statement
Informed Consent Statement
Data Availability Statement
Conflicts of Interest
References
- Wu, T.-F.; Huang, Y.-H.; Temir, S.; Chan, C.-C. 3Φ4W Hybrid Frequency Parallel Uninterruptable Power Supply for Reducing Voltage Distortion and Improving Dynamic Response. IEEE J. Emerg. Sel. Top. Power Electron. 2022, 10, 906–918. [Google Scholar] [CrossRef]
- Seyedalipour, S.S.; Shahparasti, M.; Hajizadeh, A.; Savaghebi, M. Model-based Control of Four-leg Inverter for UPS Applications Considering the Effect of Neutral Line Inductor. IET Power Electron. 2021, 14, 1468–1479. [Google Scholar] [CrossRef]
- Pichan, M.; Rastegar, H. Sliding-Mode Control of Four-Leg Inverter With Fixed Switching Frequency for Uninterruptible Power Supply Applications. IEEE Trans. Ind. Electron. 2017, 64, 6805–6814. [Google Scholar] [CrossRef]
- Danayiyen, Y.; Altaş, İ.H.; Lee, Y.I. Robust Discrete Time Disturbance Observer with Finite Control Set Model Predictive Control in UPS System. IFAC-Pap. 2019, 52, 51–56. [Google Scholar] [CrossRef]
- Oliveira, T.; Caseiro, L.; Mendes, A.; Cruz, S.; Perdigão, M. Model Predictive Control for Paralleled Uninterruptible Power Supplies with an Additional Inverter Leg for Load-Side Neutral Connection. Energies 2021, 14, 2270. [Google Scholar] [CrossRef]
- Bayhan, S.; Seyedalipour, S.S.; Komurcugil, H.; Abu-Rub, H. Lyapunov Energy Function Based Control Method for Three-Phase UPS Inverters With Output Voltage Feedback Loops. IEEE Access 2019, 7, 113699–113711. [Google Scholar] [CrossRef]
- Choeung, C.; Tang, H.; Soth, P.; Keo, S.; Leang, P.; Cheng, H.; Srang, S.; Huy, V. Linear Matrix Inequality-Based Optimal State Feedback Control of a Three-Phase L-Filtered Grid-Connected Inverter. In Proceedings of the 2023 Third International Symposium on Instrumentation, Control, Artificial Intelligence, and Robotics (ICA-SYMP), Bangkok, Thailand, 18 January 2023; pp. 135–139. [Google Scholar]
- Fortescue, C.L. Method of Symmetrical Co-Ordinates Applied to the Solution of Polyphase Networks. Trans. Am. Inst. Electr. Eng. 1918, XXXVII, 1027–1140. [Google Scholar] [CrossRef]
- Lyon, W.V. Applications of the Method of Symmetrical Components; McGraw-Hill Book Company, Incorporated: Columbus, OH, USA, 1937. [Google Scholar]
- Iravani, M.R.; Karimi-Ghartemani, M. Online Estimation of Steady State and Instantaneous Symmetrical Components. IEEE Proc.-Gener. Transm. Distrib. 2003, 150, 616–622. [Google Scholar] [CrossRef]
- Teodorescu, R.; Liserre, M.; Rodríguez, P. Grid Converters for Photovoltaic and Wind Power Systems; Wiley: Piscataway, NJ, USA; Chichester, UK; Hoboken, NJ, USA, 2011; ISBN 978-0-470-05751-3. [Google Scholar]
- Choeung, C.; Kry, M.L.; Lee, Y.I. Robust Tracking Control of a Three-Phase Charger under Unbalanced Grid Conditions. Energies 2018, 11, 3389. [Google Scholar] [CrossRef]
- Tang, H.; In, S.; Soth, P.; Soeng, S.; Cheng, H.; Huy, V.; Srang, S.; Choeung, C. Design of a Robust Control for a Single-Phase AC-DC Converter Using LMI Technique. In Proceedings of the 2023 International Electrical Engineering Congress (iEECON), Krabi, Thailand, 8 March 2023; pp. 1–5. [Google Scholar]
- Huy, V.; Tang, H.; Soth, P.; Yay, S.; Sovan, K.; Choeung, C. Three-Phase Inverter Using Robust Tracking Control Based Interpolation. In Proceedings of the 2023 Third International Symposium on Instrumentation, Control, Artificial Intelligence, and Robotics (ICA-SYMP), Bangkok, Thailand, 18 January 2023; pp. 91–95. [Google Scholar]
- Mirhosseini, M.; Pou, J.; Karanayil, B.; Agelidis, V.G. Positive- and Negative-Sequence Control of Grid-Connected Photovoltaic Systems under Unbalanced Voltage Conditions. In Proceedings of the 2013 Australasian Universities Power Engineering Conference (AUPEC), Hobart, Australia, 29 September–3 October 2013; pp. 1–6. [Google Scholar]
- Lim, J.S.; Park, C.; Han, J.; Lee, Y.I. Robust Tracking Control of a Three-Phase DC–AC Inverter for UPS Applications. IEEE Trans. Ind. Electron. 2014, 61, 4142–4151. [Google Scholar] [CrossRef]
- Soth, P.; Tang, H.; So, B.; San, S.; Cheng, H.; Choeung, C.; Srang, S.; Or, C. Robust Dual-Current Control of a Three-Phase Grid-Tied Inverter under Unbalanced Grid Voltage Using LMI Approach. In Proceedings of the 2023 International Electrical Engineering Congress (iEECON), Krabi, Thailand, 8 March 2023; pp. 6–11. [Google Scholar]
- Choeung, C.; Tang, H.; Soth, P.; Huy, V.; Srang, S. LMI-Based Robust Voltage Regulation of a Single-Phase Inverter with LC-Filtered Output. In Computational Intelligence Methods for Green Technology and Sustainable Development; Huang, Y.-P., Wang, W.-J., Quoc, H.A., Le, H.-G., Quach, H.-N., Eds.; Lecture Notes in Networks and Systems; Springer International Publishing: Cham, Switzerland, 2023; Volume 567, pp. 314–324. ISBN 978-3-031-19693-5. [Google Scholar]
- Lai, N.-B.; Kim, K.-H. Robust Control Scheme for Three-Phase Grid-Connected Inverters With LCL-Filter Under Unbalanced and Distorted Grid Conditions. IEEE Trans. Energy Convers. 2018, 33, 506–515. [Google Scholar] [CrossRef]
- Lim, J.S.; Lee, Y.I. Design of a Robust Controller for Three-Phase UPS Systems Using LMI Approach. In Proceedings of the International Symposium on Power Electronics Power Electronics, Electrical Drives, Automation and Motion, Sorrento, Italy, 22–24 June 2012; pp. 654–657. [Google Scholar]
- Choeung, C.; Kry, M.L.; Lee, Y.-I. Robust Tracking Control of a Three-Phase Bidirectional Charger for Electric Vehicle. J. Adv. Transp. 2022, 2022, 1–12. [Google Scholar] [CrossRef]







| Parameters | Symbols | Values |
|---|---|---|
| Filter Capacitance | Cf | 50 µF |
| Filter Inductance | Lf | 5.2 mH |
| Sampling Time | ts | 0.1 ms |
| Load Resistance | Rl | 50 Ω, 500 Ω, 1000 Ω |
| Output Voltage Reference | Vref | 156 Vmax |
| DC-Link Voltage | Vdc | 350 V |
Disclaimer/Publisher’s Note: The statements, opinions and data contained in all publications are solely those of the individual author(s) and contributor(s) and not of MDPI and/or the editor(s). MDPI and/or the editor(s) disclaim responsibility for any injury to people or property resulting from any ideas, methods, instructions or products referred to in the content. |
© 2023 by the authors. Licensee MDPI, Basel, Switzerland. This article is an open access article distributed under the terms and conditions of the Creative Commons Attribution (CC BY) license (https://creativecommons.org/licenses/by/4.0/).
Share and Cite
Choeung, C.; Soth, P.; Tang, H.; Ean, S.; Srang, S. A Linear Matrix Inequality Approach to Optimal Voltage Control of a Three-Phase UPS Inverter under Unbalanced Loads. Eng. Proc. 2023, 56, 87. https://doi.org/10.3390/ASEC2023-15365
Choeung C, Soth P, Tang H, Ean S, Srang S. A Linear Matrix Inequality Approach to Optimal Voltage Control of a Three-Phase UPS Inverter under Unbalanced Loads. Engineering Proceedings. 2023; 56(1):87. https://doi.org/10.3390/ASEC2023-15365
Chicago/Turabian StyleChoeung, Chivon, Panha Soth, Heng Tang, Sreyleak Ean, and Sarot Srang. 2023. "A Linear Matrix Inequality Approach to Optimal Voltage Control of a Three-Phase UPS Inverter under Unbalanced Loads" Engineering Proceedings 56, no. 1: 87. https://doi.org/10.3390/ASEC2023-15365
APA StyleChoeung, C., Soth, P., Tang, H., Ean, S., & Srang, S. (2023). A Linear Matrix Inequality Approach to Optimal Voltage Control of a Three-Phase UPS Inverter under Unbalanced Loads. Engineering Proceedings, 56(1), 87. https://doi.org/10.3390/ASEC2023-15365

