Analysis and Simulation of Loading Impact Damping Characteristics for Two-Stage Pressure Hydro-Pneumatic Suspension of a Mining Dump Truck †
Abstract
:1. Introduction
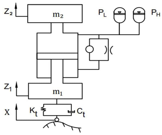
2. Development and Analysis of the Mathematical Model of Hydro-Pneumatic Suspension
3. Hydro-Pneumatic Suspension Modeling and Simulation Using AMESim
3.1. Simulation Analysis and Experimental Comparison
3.2. Characteristic Analysis
3.2.1. Pressure Characteristic Analysis
3.2.2. Dynamic Deflection Characteristics Analysis
3.2.3. Acceleration Analysis
4. Conclusions
Author Contributions
Funding
Institutional Review Board Statement
Informed Consent Statement
Data Availability Statement
Conflicts of Interest
References
- Liu, H.B. Performance Parameters Effect Analysis of Interconnected Hydro-pneumatic Suspension Based on AMESim. Mach. Tool Hydraul. 2017, 45, 130–136. [Google Scholar]
- Liu, J.Q.; Wang, Y.C.; Wang, C.Z. Study on Stiffness Characteristics of Interconnected Hydro-pneumatic Suspension System with Inclined Suspension Cylinders. Mach. Tool Hydraul. 2019, 47, 59–63. [Google Scholar]
- Suo, X.F.; Jiao, S.J.; Wang, G.F. Experimental Study on Vibration and Impact Characteristics of Hydro-pneumatic Suspension of a Mine Dump Truck. Noise Vib. Control 2020, 40, 173–176+240. [Google Scholar]
- Ma, L.Z. Research on Ride Comfort of Multi-Axle Emergency Rescue Vehicle. Yan Shan Univ. 2021, 27, 13–27. [Google Scholar]
- Sun, C.B.; Ma, D.W.; Zhu, Z.L. Vibration performance of interconnected hydro-pneumatic suspension based on the damping assembly at different positions. J. Mach. Des. 2015, 32, 34–40. [Google Scholar]
- Sun, Y.B. Research on Characteristics of Hybrid-interconnected Hydro-pneumatic Suspension and Analysis of Ride Comfort. Dalian Univ. Technol. 2016, 57, 32–39. [Google Scholar]
- Tian, W.P.; Yang, Y.K.; Wang, W. The Influence of the Interconnection Forms of Hydro-pneumatic Suspension on Vehicle Stability. Automot. Eng. 2017, 39, 1362–1367+1389. [Google Scholar]
- Wang, S.; Fang, Q.; Zhang, L.J. Research on the Influence of Electric Hydraulic Damper on the Ride Comfort of Tracked Vehicle. Veh. Power Technol. 2021, 3, 21–27. [Google Scholar]
- Wei, Z.L.; Xiu, X.; Zhuang, X.Y. Design of Hydro Pneumatic Spring Balanced Suspension System for Heavy Trailer. Intern. Combust. Engine Parts 2021, 20, 1–2. [Google Scholar]
- You, Z.; He, R.; Liu, W.G. Performance Analysis of Hydro-Pneumatic Suspension of Truck Based on Stiffness and Damping Characteristics. Mach. Des. Manuf. 2022, 373, 223–227. [Google Scholar]
- Zhang, L.; Liu, Q.S.; Wang, Z.P. Electro-hydraulic Brake Control for Improved Ride Comfort in Four-wheel-independently-actuated Electric Vehicles. J. Mech. Eng. 2020, 56, 125–134. [Google Scholar]








| Name of Parameter | Parameter Values |
|---|---|
| Dynamic deflection characterization/mm | 500 |
| Cylinder bore/mm | 220 |
| Piston rod outer diameter/mm | 180 |
| Low-pressure accumulator initial pressure/MPa | 1 |
| Low-pressure accumulator initial volume/L | 3.4 |
| High-pressure accumulator initial pressure/MPa | 4 |
| High-pressure accumulator initial volume/L | 4.264 |
| Damping hole diameter/mm | 15 |
| Check valve diameter/mm | 15 |
| Tire rigidity/N/m | 6 × 106 |
| Tire dampening/m·s−1 | 20,000 |
| Suspension quality/kg | 3000 |
| Non-suspended mass/kg | 3050 |
| Gas variability index | 1.4 |
| Damping bore flow index | 0.62 |
| One-way valve flow coefficient | 0.61 |
Publisher’s Note: MDPI stays neutral with regard to jurisdictional claims in published maps and institutional affiliations. |
© 2022 by the authors. Licensee MDPI, Basel, Switzerland. This article is an open access article distributed under the terms and conditions of the Creative Commons Attribution (CC BY) license (https://creativecommons.org/licenses/by/4.0/).
Share and Cite
Wang, G.; Zhang, Y.; Suo, X.; Liu, X. Analysis and Simulation of Loading Impact Damping Characteristics for Two-Stage Pressure Hydro-Pneumatic Suspension of a Mining Dump Truck. Eng. Proc. 2022, 24, 2. https://doi.org/10.3390/IECMA2022-12904
Wang G, Zhang Y, Suo X, Liu X. Analysis and Simulation of Loading Impact Damping Characteristics for Two-Stage Pressure Hydro-Pneumatic Suspension of a Mining Dump Truck. Engineering Proceedings. 2022; 24(1):2. https://doi.org/10.3390/IECMA2022-12904
Chicago/Turabian StyleWang, Gangfeng, Yunxi Zhang, Xuefeng Suo, and Xiang Liu. 2022. "Analysis and Simulation of Loading Impact Damping Characteristics for Two-Stage Pressure Hydro-Pneumatic Suspension of a Mining Dump Truck" Engineering Proceedings 24, no. 1: 2. https://doi.org/10.3390/IECMA2022-12904
APA StyleWang, G., Zhang, Y., Suo, X., & Liu, X. (2022). Analysis and Simulation of Loading Impact Damping Characteristics for Two-Stage Pressure Hydro-Pneumatic Suspension of a Mining Dump Truck. Engineering Proceedings, 24(1), 2. https://doi.org/10.3390/IECMA2022-12904

