Abstract
The radial magnetic bearing system is an open-loop, unstable, strong nonlinear system with a high rotor speed, predisposition to jitter, and poor interference immunity. The system is subjected to the main interference generated by gravity, and rotor imbalance and sensor runout seriously affect the system’s rotor position control performance. A plug-in repetitive control method based on equivalent-input-disturbance (EID) is presented to address the issue of decreased control accuracy of the magnetic bearing system caused by disturbances from gravity, rotor imbalance, and sensor runout. First, a linearized model of the magnetic bearing rotor containing parameter fluctuations due to the eddy current effect and temperature rise effect is established, and a plug-in repetitive controller (PRC) is designed to enhance the rejection effect of periodic disturbances. Next, an EID system is introduced, and a Luenberger observer is used to estimate the state variables and disturbances of the system. The estimates of the EID are then used for feedforward compensation to address the issue of large overshoot in the system. Finally, simulations are conducted for comparison with the PID control method and PRC control method. The plug-in repetitive controller method assessed in this paper improves control performance by an average of 87.9% and 57.7% and reduces the amount of over-shooting by an average of 66.5% under various classes of disturbances, which proves the efficiency of the control method combining a plug-in repetitive controller with the EID theory.
1. Introduction
Magnetic bearings are now widely used in high-speed motors and other fields due to their advantages of being contactless, high-speed, and controllable [1,2]. With the development of industrial technology, there are high requirements for rotor position control accuracy in magnetic bearings. However, disturbances such as DC, same-frequency, and harmonic-frequency current noise generated by gravity, rotor imbalance, and sensor runout seriously affect the control accuracy of the rotor position in magnetic bearings [3].
With the development of control technology, many advanced control methods have been used in the magnetic bearing system to improve the control performance of the rotor, such as fuzzy control [4], sliding mode control [5], and model predictive control [6]. Reference [7] used the moth-flame optimization (MFO) algorithm to optimize the parameters of the fuzzy-PID controller in a magnetic bearing control system. Reference [8] designed a five-degree-of-freedom controller for a magnetic bearing system based on the sliding mode control theory. Reference [9] presented an application of a model predictive control (MPC) based on a linear parameter-varying (LPV) model. The above methods improved the control accuracy of the rotor position of the system. However, they did not consider the influence of various disturbances that affect the system in real time, thus lacking engineering practicability.
Scholars have proposed many methods to address the problem of poor control accuracy of magnetic bearing rotors caused by actual disturbances, such as repetitive control [10], the LMS algorithm [11], and notch filtering [12]. Reference [13] proposed a harmonic vibration force rejection method based on frequency domain-adaptive LMS to improve the anti-disturbance performance of a magnetic rotor dynamics model with mass imbalance and sensor runout. Reference [14] connected multiple phase-shift notch filters in parallel after assigning different phase-shift angles to each of them and achieved effective rejection of the same-frequency and high-frequency noises of the full-speed system caused by rotor unbalance and sensor runout. Reference [15] proposed a composite control method combining a notch filter and a repetitive controller to accurately reject the harmonic forces in a magnetic bearing system. Reference [16] combined a finite impulse response filter with fractional-order repetitive control to improve the system’s control accuracy. Reference [17] proposed a composite control method by combining an outer loop controller and an inner loop repetitive disturbance observer to enhance the system’s robustness. Reference [18] designed a neuro fuzzy sliding mode controller to improve system immunity performance. Reference [19] combined an active disturbance rejection controller (ADRC) with a robust controller and introduced a state observer to reduce the H∞ robust controller’s order. This achieved a fast response speed and strong anti-disturbance capability.
However, there are limitations to the existing methods: The LMS algorithm has a slow transient response (e.g., [13]). The design of a notch filter is complex and requires a large amount of computation (e.g., [14,15]). The repetitive controller is sensitive to linear disturbances and has a control delay (e.g., [16,17]). Compared with disturbance observer-based methods and the ADRC method (e.g., [19]), an equivalent-input-disturbance [20,21,22] (EID) method is simple in parameter design, robust, and does not depend on the system’s model. Reference [23] introduced EID for the first time in magnetic bearings and combined it with MPC, which has a suppressive effect on several types of disturbances but ignores the effect of eddy currents. Moreover, the real-time optimization of MPC is computationally burdensome. In order to expand the interference suppression range and improve control performance, this paper presents a control method that combines a plug-in repetitive controller with the EID theory. Firstly, a system model is established and a plug-in repetitive controller is designed to reject periodic disturbances. Secondly, an EID system is designed to estimate the system state variables and disturbances by using a Luenberger observer. The estimates of the equivalent-input-disturbances are compensated in a feedforward manner, which solves the problem of large overshoot of the system and further enhances the system’s robustness.
2. Design of Composite Control Method
2.1. Mathematical Model
A magnetic bearing system contains two radial magnetic bearings and one axial magnetic bearing, with four radial degrees of freedom and two axial degrees of freedom. Since both the axial and radial magnetic bearings use differential control, this paper takes one degree of freedom in the radial magnetic bearing as an example (as shown in Figure 1) for control system design. When the rotor is disturbed and then shifts downward by x, to make the rotor re-positioned at the equilibrium position x0, firstly, the displacement sensor detects the rotor position voltage signal Ux, and then the controller obtains the control voltage u according to the difference between the desired voltage Ur and the voltage signal Ux based on the control algorithm. Finally, the power amplifier generates the stator currents of the upper and lower magnetic pole, which are the sum of I0 + Iy and the difference in I0 − Iy of the bias current and the control current, to change the electromagnetic forces F1 and F2 of the upper and lower magnetic poles. As a result, the rotor is re-suspended at the equilibrium position.
Figure 1.
Radial magnetic bearing control system structure.
By neglecting the coupling effects between different degrees of freedom, the force equation of the rotor is derived based on electromagnetic force theory as follows:
where is the air gap permeability; S is the magnetic pole area; N is the number of coil turns on the magnetic pole.
When the magnetic bearing works, the rotor moves in a very small range near the equilibrium position. So, it is linearized at the static operating point and can establish a linearized mathematical model:
where x is the rotor offset displacement; i is the control current; is the current stiffness factor; is the negative displacement stiffness factor.
The displacement sensor gain is large and can be described by a proportional link [19]. Considering that the eddy current effect and temperature rise effect induced by high-speed rotor operation will change the values of the negative displacement stiffness factor kx and the current stiffness factor ki, when the system external disturbance is f, the state space equations of the magnetic bearing system are established as
where m is the rotor mass; ka is the power amplifier; km is the displacement sensor gain; and represent the parameter fluctuations of the negative displacement stiffness factor and the current stiffness factor caused by the eddy current effect and temperature rise effect.
2.2. Design of Repetitive Controller
The core principle of the repetitive controller is internal mode, which can generate infinite gain at harmonic frequencies to track the disturbance signal and then eliminate periodic disturbances [24]. However, the commonly used ideal repetitive controller has disadvantages of delay control and insufficient rejection of linear disturbances. In order to ensure the robustness of the system, we designed a plug-in repetitive controller (PRC) (as shown in Figure 2), where Q is the gain of the delay link, which is generally taken to be a constant of slightly less than 1, e−sT is the delay link, T is the time for the rotor to rotate one revolution, K(s) is the compensator, and CPID(s) is a PID controller.
Figure 2.
Plug-in repetition controller structure.
The plug-in repetitive controller (Figure 2) transfer function is expressed as follows:
At the same frequency () caused by rotor imbalance and at the harmonic frequencies caused by sensor runout (mainly the first, third, and fifth harmonics, ), the plug-in repetitive controller gain is infinite:
Therefore, the plug-in repetitive controller can strongly reject the disturbance caused by rotor unbalance and sensor runout. At the same time, the plug-in repetitive controller contains a PID control structure which is beneficial to the system for handling fast dynamic response and linear disturbances. Compared with the ideal controller, the plug-in repetitive controller functions in a timely manner, has good anti-disturbance performance for linear and nonlinear disturbances, and has better control performance for the rotor position of the system.
2.3. Design of EID System
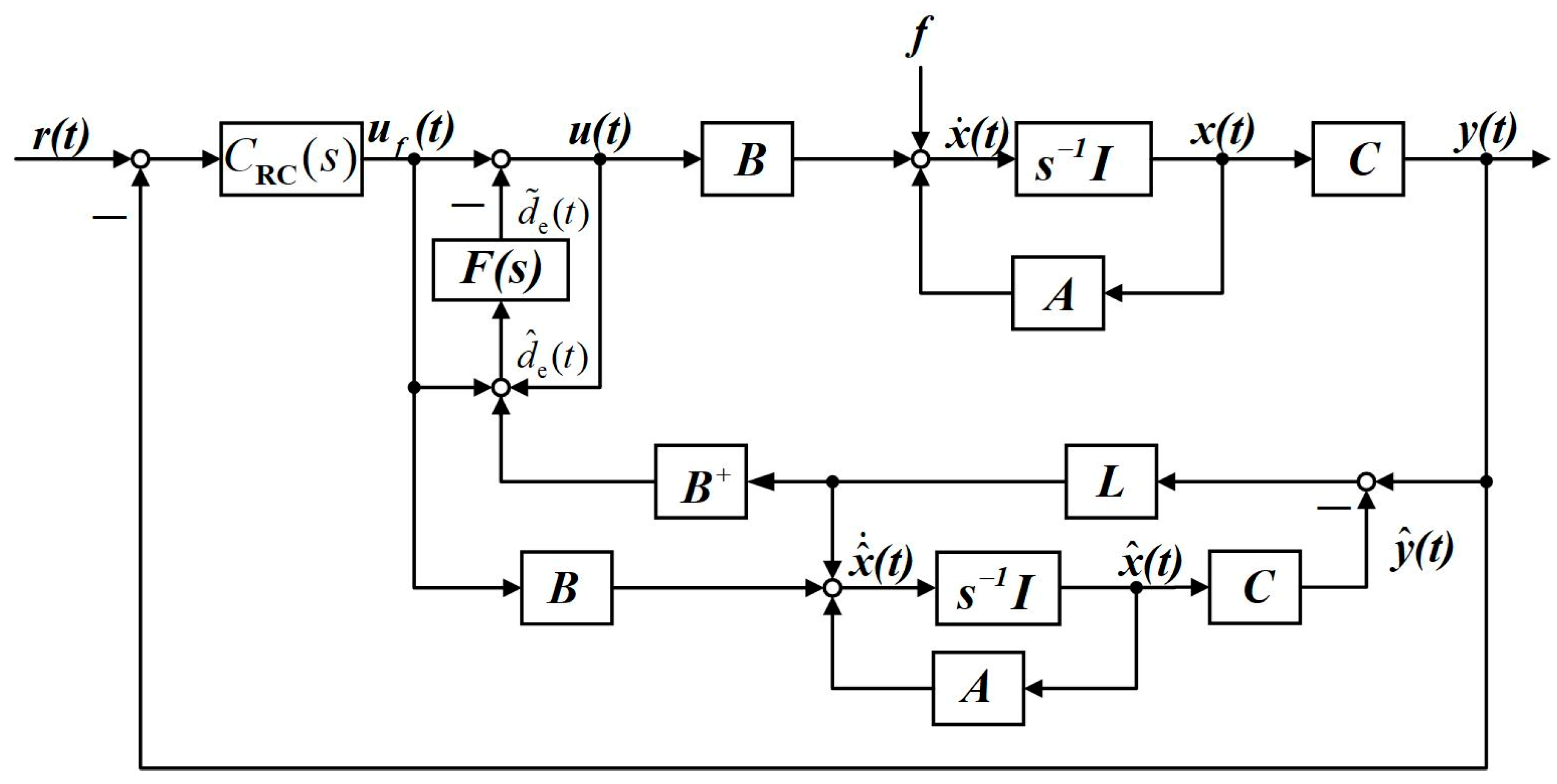
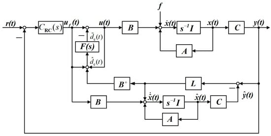
The plug-in repetitive controller shows good rejection of both periodic and non-periodic disturbances, but it suffers from large overshooting. This paper designs an EID system to solve this problem and further enhance the system’s robustness. The structure of the plug-in repetitive control system of a magnetic bearing based on EID is shown in Figure 3. In the figure, CRC(s) is the plug-in repetitive controller; F(s) is a filter.
Figure 3.
Structure of magnetic bearing plug-in repetitive control system based on EID.
It can be seen from Figure 3 that the control law is as follows:
According to EID [25], there is an equivalent-input-disturbance de(t) of total disturbances at the control input of the magnetic bearing system (3), and thus, the system (3) equals the following:
where , , .
A Luenberger full-dimensional state observer is used to estimate the state of the system:
where L is the Luenberger observer gain.
Let the observer error be as follows:
We assume that there exists a control input that enables Equation (10) to hold:
Let the EID estimate be as follows:
According to Equations (7), (9)–(11), we derive an ideal observer as follows:
Combining the ideal observer (12) with the real employed Luenberger full-dimensional state observer (8) yields the EID :
where .
To reject the interference of high-frequency noise in the output y(t), a low-pass filter is introduced, and the EID estimate is filtered by the low-pass filter to obtain the filtered EID value in Equation (6):
where and are the Laplace transforms of and , respectively.
Since the first-order filter has the advantages of good immunity performance and easy parameter design in the EID system [26], this paper adopts the first-order filter to reject the high-frequency noise in the system. The first-order filter state space equation is as follows:
To ensure the stability of the system, the following should be satisfied:
where is the cutoff corner frequency of the filter; is the highest corner frequency of the selected disturbance estimate.
The magnetic bearing system transfer function is introduced from (3) as follows:
For the PRC closed-loop system without the introduction of the EID method, the input disturbance error sensitivity function is as follows:
For the system designed in this paper, the input disturbance error sensitivity function is as follows:
According to Equations (18) and (19), the change function of the system input disturbance rejection performance after the EID method is obtained as follows:
According to Equation (20), it can be seen that, compared to the PRC system, the EID method improves the system’s disturbance rejection performance when , and at the same time, the smaller is, the more obvious the improvement effect. When , the EID method deteriorates the system’s disturbance rejection performance. Therefore, when the filter F(s) has the amplitude characteristics described in Equation (16) and the cutoff corner frequency of the filter is five times , the system has satisfactory disturbance rejection performance [26].
The parameters of the Luenberger observer are designed to satisfy the following stability conditions in order to ensure the continuous stability of the system:
The system state space dual equation is as follows:
Let us consider the state feedback parameterized by a scalar :
Since both systems and are minimum phase systems, the value of L can be found based on the complete regulation method, which is satisfied as follows:
From Equation (24), when is sufficiently large, there is a very small value of for any . For a certain F(s), L satisfies the stability condition equation in (21) and can be introduced according to the complete adjustment method.
2.4. System Stability Analysis
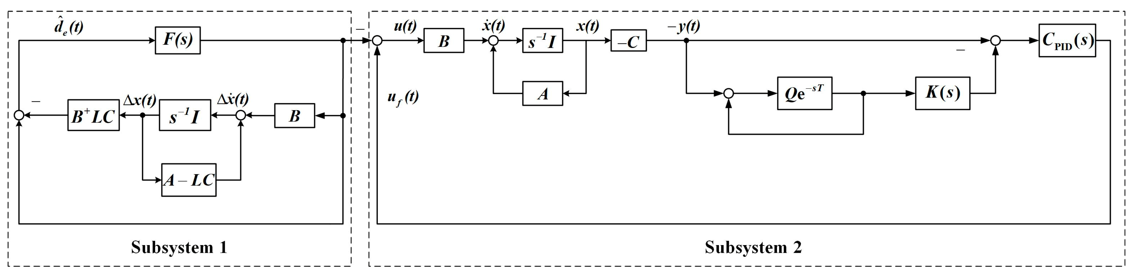
The external signals do not affect the stability of the linear system, and after setting the external inputs r(t) and f to 0, the system shown in Figure 3 undergoes a structural equivalence transformation to the equivalent system structure shown in Figure 4: the total system consisting of subsystem 1 containing the state observer and the EID estimator, and subsystem 2 containing the plug-in repetitive controller in series.
Figure 4.
Structure of Maglev bearing system after equivalent transformation.
The system in (7) is transformed as follows:
Combining (6) and (8) with (9) yields the following:
According to (6) and (13), we have the following:
The transfer function from to is obtained by (26) and (27):
The open-loop transfer function of subsystem 1 is as follows:
The open-loop transfer function of subsystem 2 is as follows:
From the subsystem 1 open-loop transfer function H1(s) and the subsystem 2 open-loop transfer function H2(s), it can be seen that the observer parameter exists only in subsystem 1, and the repetitive controller parameter exists only in subsystem 2. Therefore, there is no information loop between subsystems 1 and 2, and the system satisfies the principle of separation design [26]. Therefore, the stability of the whole system is equivalent to the simultaneous stability of the two subsystems.
According to the small gain theorem, to make subsystem 1 stable, stability condition 1 and stability condition 2 must be satisfied as follows:
- (1)
- G(s) and F(s) are stable.
- (2)
- .
Stability analyses are performed for subsystem 2 containing the PRC:
For a linear time-invariant system with a single time delay, the characteristic equation is as follows:
For time delay systems, the reconstructed spectrum is characterized as follows:
According to the Nyquist criterion for time delay systems, when the polynomial M(s) has no zeros in the right-half plane, the following is satisfied:
The closed-loop time delay system is stable for all delays T ≥ 5/|amax|, where amax is the real part of the rightmost zero of M(s) closest to the imaginary axis.
From Equation (4), the reconstructed spectrum of subsystem 2 is characterized as follows:
Since the Nyquist curve is the frequency characteristic curve of the mode value and amplitude angle, the Nyquist curve is used in this paper to determine whether the condition of Equation (34) is valid. Nyquist plots shown in Figure 5 are plotted for the reconstructed spectrum. When the repetitive control gain Q ranges from 0.97 to 0.99, the curves all lie within the unit circle, meaning that subsystem 2 is stable.
Figure 5.
Nyquist plots.
Figure 5.
Nyquist plots.

Combining the above analyses, based on the small gain theorem and the reconstructed spectrum method, to make subsystem 2 stable, stability condition 3, stability condition 4, and stability condition 5 must be satisfied as follows:
- (3)
- The P(s) and CPID(s) transfer functions have no zero poles to cancel.
- (4)
- is stable.
- (5)
- .
In summary, the magnetic bearing system is stable when the parameters simultaneously satisfy stability conditions (1–5).
3. Numerical Simulations
The model and control method of this paper are simulated by using the MATLAB/SIMULINK R2024a platform. In the simulation, linear disturbances are used to simulate gravity disturbances, periodic disturbances are used to simulate rotor unbalance and sensor runout, and parameter disturbances are used to simulate the negative displacement stiffness factor kx and the current stiffness factor ki caused by the eddy current effect and temperature rise effect.
These disturbances and their composite forms are introduced into the system, and comparative simulations are carried out with the designed method, a PID controller, and the plug-in repetitive control method.
The parameters of the magnetic bearing system are as follows: rotor mass m = 2.349 kg, displacement stiffness coefficient kx = 74,430 N/m, and current stiffness coefficient ki = 25.97 N/A. The simulation parameters are as follows: power amplifier gain kc = 0.22 A/V, transducer gain coefficient ks = 20,000 V/m, delay link gain Q = 0.97, proportional gain kP = 7.6, integral gain kI = 900, differential gain kD = 0.02, and compensator K(s) = 0.03 s + 1/0.15 s + 10.
In order to facilitate the multi-dimensional analysis, three performance indicators, namely, the integral indicator of absolute error (IAE), the integral indicator of time-weighted absolute error (ITAE), and the integral indicator of time-weighted error squared (ITSE), are selected to evaluate control performance. Among them, the IAE index responds to the overall error of the system; the ITAE index responds to the convergence speed and steady-state regulation ability of the system; and the ITSE index responds to the transient response ability of the system, which is more sensitive to the degree of overshooting.
where yr is the desired displacement of the system and y is the actual displacement of the system.
Adding linear disturbances, the rotor position changes as shown in Figure 6. Compared with the other two control methods, the designed method in this paper greatly reduces the amount of overshooting and improves the stability of the system.
Figure 6.
Rotor position after adding linear disturbances.
Adding the periodic disturbance, the rotor position changes as shown in Figure 7. The PID controller has low steady-state accuracy and a large error. The plug-in repetitive controller has significantly improved the ability to reject periodic disturbances but still has a large overshoot. The designed method in this paper provides effective rejection of periodic disturbances, improves the steady-state control accuracy, and reduces the overshoot.
Figure 7.
Rotor position after adding periodic disturbances.
Adding compound disturbances (linear and periodic disturbances) with the parameter disturbances introduced at t = 0.1 s, the rotor position changes as shown in Figure 8. The designed method has a good rejection effect on periodic and non-periodic disturbances, and the steady-state control accuracy is much larger than that of the PID and plug-in repetitive controllers.
Figure 8.
Rotor position after adding compound disturbances.
When adding linear disturbances, periodic disturbances, and composite disturbances, the estimated value of EID and the actual disturbances are shown in Figure 9, Figure 10 and Figure 11. From these figures, it can be seen that the EID system well estimates the linear disturbances and exhibits good estimate performance for the periodic disturbances in the system.
Figure 9.
Equivalent-input-disturbance estimate plot after adding linear disturbances.
Figure 10.
Equivalent-input-disturbance estimate plot after adding periodic disturbances.
Figure 11.
Equivalent-input-disturbance estimate plot after adding compound disturbances.
As evidenced by the comparative analysis in Table 1, the proposed method exhibits significant advantages over both PID and PRC controllers across all disturbance scenarios when using IAE, ITAE, and ITSE as control performance metrics: Under linear disturbances, it achieves a 74.6% reduction in the degree of overshooting while improving these indices by average margins of 80% and 91.4% against PID and PRC, respectively. During periodic disturbances, overshooting declines by 47%, with IAE/ITAE/ITSE enhancements reaching 92.2% and 41.1%. Under compound disturbances, 77.8% suppression of overshooting is attained alongside 91.5% and 40.7% optimization in these performance metrics.
Table 1.
Performance comparison of different control methods.
According to the results, it can be seen that the method in this paper combines the high-precision tracking characteristics of repetitive control for periodic disturbances and the robustness of the EID system with strong steady-state regulation capability and transient response capability, which effectively improves the control accuracy of the rotor position and enhances the immunity of the magnetic bearing system to disturbances.
4. Discussion
This study proposes a plug-in repetitive controller with the EID theory that achieves simultaneous suppression of multiple disturbances in single-degree-of-freedom magnetic bearing control. Unlike prior approaches in references [4,5,6,7,8,9,10,11,12,13,14,15,16,17,18,19], which fail to account for the parameter fluctuations induced by eddy current effects and temperature rise during actual bearing operation, we incorporated these fluctuations into the plant’s mathematical model. The EID observer dynamically compensates for such variations, significantly enhancing system robustness and addressing practical applicability limitations in existing methods.
In terms of interference suppression scope, this study breaks through the limitations of traditional methods. References [13,14,15,16] focus on harmonic vibration suppression (e.g., cochannel/multiple-frequency disturbances caused by rotor imbalance and sensor beating), but do not cover the constant-disturbance problems, such as gravity. References [18,19] do not explicitly deal with rotor imbalance and sensor runout, although they improve the robustness of the system. In this study, gravity, rotor imbalance, and sensor runout are uniformly modeled as equivalent-input-disturbances by the EID theory, which achieves the joint suppression of multiple types of disturbances. This unified treatment avoids the drawbacks of traditional schemes that require customized controllers for specific disturbances, giving the method in this paper a greater scope of engineering applications.
This study significantly reduces design complexity compared to conventional approaches. While the multi-notch filter method in [14] suffers from high computational load and the parallel notch-repetitive control configuration in [15] risks phase conflicts, our solution features a streamlined architecture with plug-and-play repetitive control implementation and an easily configurable EID system that maintains robust disturbance rejection performance while substantially lowering computational demands, thereby enhancing practical deployment feasibility.
This study validates the proposed method on a radial single-degree-of-freedom model, with demonstrable scalability to multi-degree-of-freedom (MDOF) systems for three key reasons: Firstly, while the primary challenge in MDOF extension lies in coupling effects—particularly between radial x/y axes and gyroscopic effects inducing synchronous speed and super-synchronous vibrations—the plug-in repetitive controller’s infinite gain at these disturbance frequencies inherently suppresses such couplings. Secondly, the EID system dynamically counteracts coupling influences through real-time state estimation and feedforward compensation. Thirdly, upon decoupling treatment, MDOF systems reduce to second-order models analogous to the single-DOF case, enabling direct decentralized control application of our methodology.
However, the method in this paper still has limitations: firstly, the current results are completely based on numerical simulation, and there is a lack of physical experiments on the magnetic bearing platform; secondly, the single-degree-of-freedom design may be ineffective for the control of cross-degree-of-freedom disturbances. Based on the above limitations, future research should be directed along the following three routes: firstly, building a five-degree-of-freedom magnetic bearing experimental platform to verify the experimental effect of this paper; secondly, enhancing the decoupling method, which is suitable for addressing the coupling effect of multiple degrees of freedom in magnetic levitation bearings; and lastly, designing the automatic parameter-seeking algorithm, which will further simplify the difficulty in designing the method proposed in this paper.
5. Conclusions
Aiming to address the problem of the degradation of magnetic bearing control performance due to the interference generated by gravity, rotor imbalance, and sensor runout, a plug-in repetitive control method for magnetic bearings based on EID is proposed to improve the control accuracy of the rotor. The following conclusions are drawn through simulation comparisons:
- (1)
- The design method in this paper combines the good rejection performance of the repetitive control method, the fast response characteristics of the PID control method, and the disturbance rejection characteristics of the EID system; it effectively rejects the disturbances caused by gravity, rotor imbalance, and sensor runout and improves the robustness and anti-disturbance capability of the system.
- (2)
- Compared with the PID control method and the PRC control method, the design method in this paper improves the control performance by an average of 87.9% and 57.7%, reduces the degree of overshooting by an average of 66.5%, and has smoother operation under various classes of disturbances.
Author Contributions
G.H.: investigation, overall methodology design, writing—original draft, writing—reviewing and editing; B.L.: investigation, overall methodology design, writing—original draft, writing—reviewing and editing; S.Y.: investigation, overall methodology design, designed and performed the experiments; X.S.: designed and performed the experiments. All authors have read and agreed to the published version of the manuscript.
Funding
This work was supported by the National Natural Science Foundation of China (62173137) and the Natural Science Foundation of Hunan Province (2023JJ30214).
Institutional Review Board Statement
Not applicable.
Informed Consent Statement
Not applicable.
Data Availability Statement
The original contributions presented in this study are included in the article; further inquiries can be directed to the corresponding author.
Conflicts of Interest
The authors declare no conflicts of interest.
References
- Gong, L.; Luo, W.; Li, Y.; Chen, J.; Hua, Z. Rotor Unbalanced Vibration Control of Active Magnetic Bearing High-Speed Motor via Adaptive Fuzzy Controller Based on Switching Notch Filter. Appl. Sci. 2025, 15, 3681. [Google Scholar] [CrossRef]
- Gong, L.; He, P.; Wang, Y.; Dang, Z.; Zhu, C. Vibration Control of Full Rotational Speed Range for Magnetically Levitated High-Speed Motors Based on Linear Quadratic Regulator. J. Vib. Eng. Technol. 2025, 13, 97. [Google Scholar] [CrossRef]
- Li, J.; Liu, G.; Cui, P.; Zheng, S.; Chen, X.; Chen, Q. An improved resonant controller for AMB-rotor system subject to displacement harmonic disturbance. IEEE Trans. Power Electron. 2021, 37, 5235–5244. [Google Scholar] [CrossRef]
- Xu, Y.; Wang, X.; Liu, M.; Li, N.; Yu, T. Fuzzy variable gain robust control of active magnetic bearings rigid rotor system. IET Electr. Power Appl. 2024, 18, 90–106. [Google Scholar] [CrossRef]
- Al-Khazraji, H.; Naji, R.M.; Khashan, M.K. Optimization of sliding mode and back-stepping controllers for AMB systems using gorilla troops algorithm. J. Eur. Des Systèmes Autom. 2024, 57, 417. [Google Scholar] [CrossRef]
- Peng, T.; Peng, H.; Li, R. Deep learning based model predictive controller on a magnetic levitation ball system. ISA Trans. 2024, 149, 348–364. [Google Scholar] [CrossRef]
- Dhyani, A.; Panda, M.K.; Jha, B. Moth-flame optimization-based fuzzy-PID controller for optimal control of active magnetic bearing system. Iran. J. Sci. Technol. Trans. Electr. Eng. 2018, 42, 451–463. [Google Scholar] [CrossRef]
- Tang, J.; Zhang, M.; Cui, X.; Sun, J.; Zhou, X. Neural network sliding model control of radial translation for magnetically suspended rotor (MSR) in control moment gyro. Actuators 2023, 12, 217. [Google Scholar] [CrossRef]
- Morsi, A.; Abbas, H.S.; Ahmed, S.M.; Mohamed, A.M. Model predictive control based on linear parameter-varying models of active magnetic bearing systems. IEEE Access 2021, 9, 23633–23647. [Google Scholar] [CrossRef]
- Li, A.J.; Zhou, B.M.; Jiang, C.D.; Liu, D.Z.; Wang, E.H. Frequency-doubling displacement disturbance suppression of active magnetic bearing based on repetitive control. In Proceedings of the 2024 IEEE 10th International Power Electronics and Motion Control Conference (IPEMC2024-ECCE Asia), Chengdu, China, 17–20 May 2024; IEEE: Piscataway, NJ, USA, 2024; pp. 707–711. [Google Scholar]
- Wu, H.; Yang, T.; Xiao, W.; Wang, X.; Wang, W. Online active vibration control for the magnetic suspension rotor using least mean square and polynomial fitting. Nonlinear Dyn. 2024, 112, 7029–7041. [Google Scholar] [CrossRef]
- Li, B. Unbalanced vibration control of active magnetic bearing using an active disturbance rejection notch decoupling technique. J. Vib. Control 2024, 30, 1103–1116. [Google Scholar] [CrossRef]
- Cui, P.; Liu, Z.; Xu, H.; Zheng, S.; Han, B.; Zhang, D. Harmonic vibration force suppression of magnetically suspended rotor with frequency-domain adaptive LMS. IEEE Sens. J. 2019, 20, 1166–1175. [Google Scholar] [CrossRef]
- Peng, C.; He, J.; Deng, Z.; Liu, Q. Parallel mode notch filters for vibration control of magnetically suspended flywheel in the full speed range. IET Electr. Power Appl. 2020, 14, 1672–1678. [Google Scholar] [CrossRef]
- Xu, X.; Chen, S.; Liu, J. Elimination of harmonic force and torque in active magnetic bearing systems with repetitive control and notch filters. Sensors 2017, 17, 763. [Google Scholar] [CrossRef]
- Cui, P.; Wang, Q.; Li, S.; Gao, Q. Combined FIR and fractional-order repetitive control for harmonic current suppression of magnetically suspended rotor system. IEEE Trans. Ind. Electron. 2017, 64, 4828–4835. [Google Scholar] [CrossRef]
- Noshadi, A.; Zolfagharian, A. Unbalance and harmonic disturbance attenuation of a flexible shaft with active magnetic bearings. Mech. Syst. Signal Process. 2019, 129, 614–628. [Google Scholar] [CrossRef]
- Asres, H.F.; Kassie, A.T. Design of neuro fuzzy sliding mode controller for active magnetic bearing control system. IEEE Access 2023, 11, 103189–103200. [Google Scholar] [CrossRef]
- Xu, Y.; Wang, X.; Liu, M.; Li, N.; Yu, T. Adaptive robust control of active magnetic bearings rigid rotor systems. J. Power Electron. 2023, 23, 1004–1015. [Google Scholar] [CrossRef]
- Gao, F.; Wu, M.; She, J.; Cao, W. Disturbance rejection in nonlinear systems based on equivalent-input-disturbance approach. Appl. Math. Comput. 2016, 282, 244–253. [Google Scholar] [CrossRef]
- Mei, Q.; She, J.; Wang, F.; Nakanishi, Y.; Hashimoto, H.; Chugo, D. Disturbance Rejection and Control System Design Using {1}-Inverse-Based Equivalent-Input-Disturbance Approach. IEEE Trans. Ind. Electron. 2022, 70, 1666–1675. [Google Scholar] [CrossRef]
- Yin, X.; Shi, Y.; She, J.; Wang, H. Equivalent input disturbance-based control: Analysis, development, and applications. IEEE Trans. Cybern. 2023, 54, 2654–2667. [Google Scholar] [CrossRef] [PubMed]
- Wang, J.; Chen, L.; Xu, Q. Disturbance estimation-based robust model predictive position tracking control for magnetic levitation system. IEEE/Asme Trans. Mechatron. 2021, 27, 81–92. [Google Scholar] [CrossRef]
- Li, J.; Liu, G.; Cui, P.; Zheng, S.; Chen, X. 3/2-order dual-mode fractional repetitive control for harmonic vibration suppression in magnetically suspended rotor. IEEE Sens. J. 2020, 20, 14713–14721. [Google Scholar] [CrossRef]
- Du, Y.; Cao, W.; She, J.; Wu, M.; Fang, M.; Kawata, S. Disturbance rejection and control system design using improved equivalent input disturbance approach. IEEE Trans. Ind. Electron. 2019, 67, 3013–3023. [Google Scholar] [CrossRef]
- She, J.-H.; Fang, M.; Ohyama, Y.; Hashimoto, H.; Wu, M. Improving disturbance-rejection performance based on an equivalent-input-disturbance approach. IEEE Trans. Ind. Electron. 2008, 55, 380–389. [Google Scholar] [CrossRef]
Disclaimer/Publisher’s Note: The statements, opinions and data contained in all publications are solely those of the individual author(s) and contributor(s) and not of MDPI and/or the editor(s). MDPI and/or the editor(s) disclaim responsibility for any injury to people or property resulting from any ideas, methods, instructions or products referred to in the content. |
© 2025 by the authors. Licensee MDPI, Basel, Switzerland. This article is an open access article distributed under the terms and conditions of the Creative Commons Attribution (CC BY) license (https://creativecommons.org/licenses/by/4.0/).









