Ultrasound-Enhanced Hot Air Drying of Germinated Highland Barley Seeds: Drying Characteristics, Microstructure, and Bioactive Profile
Abstract
1. Introduction
2. Materials and Methods
2.1. Materials
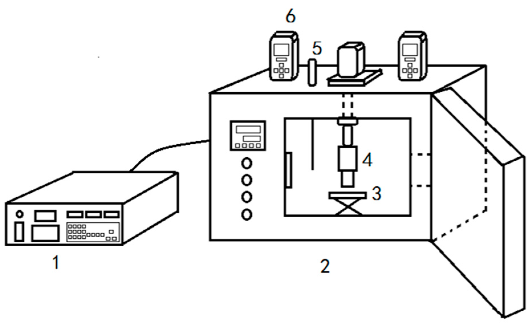
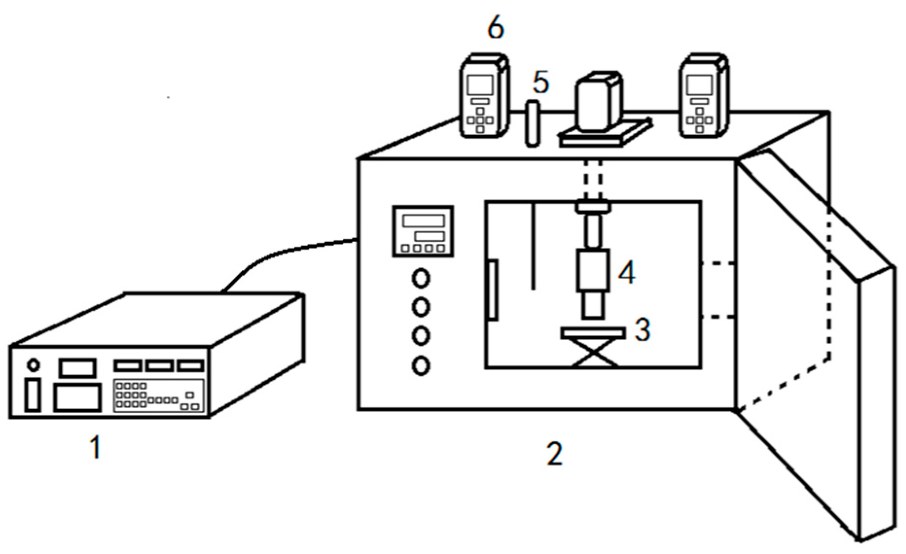
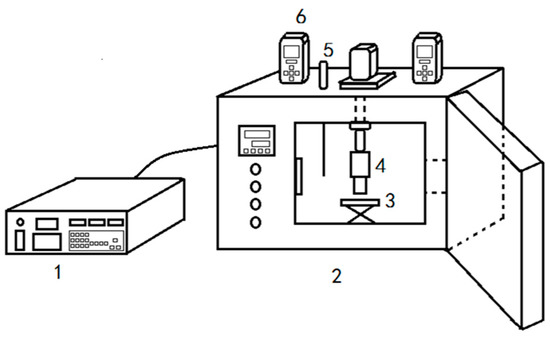
2.2. Drying Experiments
2.3. Shrinkage Pattern During Drying
2.4. Determination of Color Properties
2.5. Scanning Electron Microscopy (SEM)
2.6. Rehydration
2.7. Chemical Analysis
2.7.1. Determination of Organic Selenium Content
2.7.2. Extraction of Free and Bound Phenolic Compounds
2.7.3. Determination of Total Phenolic Content
2.7.4. Determination of Phenolic Acids by High Performance Liquid Chromatography (HPLC)
2.8. Statistical Analysis
3. Results and Discussion
3.1. Drying Kinetics
3.1.1. Drying Kinetic Curves
3.1.2. Drying Rate Curves
3.2. Shrinkage
3.3. Color Properties
3.4. Scanning Electron Microscopy (SEM)
3.5. Rehydration
3.6. Effects of Different Drying Methods on the Contents of Organic Selenium in GHB
3.7. Effects of Different Drying Methods on the Contents of Free, Bound, and Total Phenolic in GHB
3.8. Effects of Different Drying Methods on the Contents of Free and Bound Phenolic Acids in GHB
4. Conclusions
Author Contributions
Funding
Conflicts of Interest
References
- Cheng, D.; Zhang, X.; Meng, M.; Han, L.; Li, C.; Hou, L.; Qi, W.; Wang, C. Inhibitory effect on HT-29 colon cancer cells of a water-soluble polysaccharide obtained from highland barley. Int. J. Biol. Macromol. 2016, 92, 88–95. [Google Scholar] [CrossRef] [PubMed]
- Liu, Z.; Yao, Z.; YU, C.; Zhong, Z. Assessing crop water demand and deficit for the growth of spring highland barley in Tibet, China. J. Integr. Agric. 2013, 12, 541–551. [Google Scholar] [CrossRef]
- Liu, K.; Zhang, B.; Chen, L.; Li, X.; Zheng, B. Hierarchical structure and physicochemical properties of highland barley starch following heat moisture treatment. Food Chem. 2019, 271, 102–108. [Google Scholar] [CrossRef] [PubMed]
- Lin, S.; Guo, H.; Gong, J.D.B.; Lu, M.; Lu, M.; Wang, L.; Zhang, Q.; Qin, W.; Wu, D. Phenolic profiles, β-glucan contents, and antioxidant capacities of colored Qingke (Tibetan hulless barley) cultivars. J. Cereal Sci. 2018, 81, 69–75. [Google Scholar] [CrossRef]
- Zhu, Y.; Li, T.; Fu, X.; Abbasi, A.M.; Zheng, B.; Liu, R.H. Phenolics content, antioxidant and antiproliferative activities of dehulled highland barley (Hordeum vulgare L.). J. Funct. Foods 2015, 19, 439–450. [Google Scholar] [CrossRef]
- Zhou, F.; Yang, W.; Wang, M.; Miao, Y.; Cui, Z.; Li, Z.; Liang, D. Effects of selenium application on Se content and speciation in Lentinula edodes. Food Chem. 2018, 265, 182–188. [Google Scholar] [CrossRef] [PubMed]
- Liu, K.; Zhao, Y.; Chen, F.; Fang, Y. Purification and identification of Se-containing antioxidative peptides from enzymatic hydrolysates of Se-enriched brown rice protein. Food Chem. 2015, 187, 424–430. [Google Scholar] [CrossRef]
- Chen, Z.; Wang, P.; Weng, Y.; Ma, Y.; Gu, Z.; Yang, R. Comparison of phenolic profiles, antioxidant capacity and relevant enzyme activity of different Chinese wheat varieties during germination. Food Biosci. 2017, 20, 159–167. [Google Scholar] [CrossRef]
- Lazo-Vélez, M.A.; Guardado-Félix, D.; Aviles-González, J.; Romo-López, I.; Serna-Saldívar, S.O. Effect of germination with sodium selenite on the isoflavones and cellular antioxidant activity of soybean (Glycine max). LWT Food Sci. Technol. 2018, 93, 64–70. [Google Scholar] [CrossRef]
- Lazo-Vélez, M.A.; Avilés-González, J.; Serna-Saldivar, S.O.; Temblador-Pérez, M.C. Optimization of wheat sprouting for production of selenium enriched kernels using response surface methodology and desirability function. LWT Food Sci. Technol. 2016, 65, 1080–1086. [Google Scholar] [CrossRef]
- Tao, Y.; Zhang, J.; Jiang, S.; Xu, Y.; Show, P.-L.; Han, Y.; Ye, X.; Ye, M. Contacting ultrasound enhanced hot-air convective drying of garlic slices: Mass transfer modeling and quality evaluation. J. Food Eng. 2018, 235, 79–88. [Google Scholar] [CrossRef]
- Tao, Y.; Han, M.; Gao, X.; Han, Y.; Show, P.-L.; Liu, C.; Ye, X.; Xie, G. Applications of water blanching, surface contacting ultrasound-assisted air drying, and their combination for dehydration of white cabbage: Drying mechanism, bioactive profile, color and rehydration property. Ultrason. Sonochem. 2019, 53, 192–201. [Google Scholar] [CrossRef] [PubMed]
- Puig, A.; Perez-Munuera, I.; Carcel, J.A.; Hernando, I.; Garcia-Perezb, J.V. Moisture loss kinetics and microstructural changes in eggplant (Solanum melongena L.) during conventional and ultrasonically assisted convective drying. Food Bioprod. Process. 2012, 90, 624–632. [Google Scholar] [CrossRef]
- Gamboa-Santos, J.; Montilla, A.; Cárcel, J.A.; Villamiel, M.; Garcia-Perez, J.V. Air-borne ultrasound application in the convective drying of strawberry. J. Food Eng. 2014, 128, 132–139. [Google Scholar] [CrossRef]
- Ozuna, C.; Gómez Álvarez-Arenas, T.; Riera, E.; Cárcel, J.A.; Garcia-Perez, J.V. Influence of material structure on air-borne ultrasonic application in drying. Ultrason. Sonochem. 2014, 21, 1235–1243. [Google Scholar] [CrossRef] [PubMed]
- Cruz, L.; Clemente, G.; Mulet, A.; Ahmad-Qasem, M.H.; Barrajón-Catalán, E.; García-Pérez, J.V. Air-borne ultrasonic application in the drying of grape skin: Kinetic and quality considerations. J. Food Eng. 2016, 168, 251–258. [Google Scholar] [CrossRef]
- Rawson, A.; Tiwari, B.K.; Tuohy, M.G.; O’Donnell, C.P.; Brunton, N. Effect of ultrasound and blanching pretreatments on polyacetylene and carotenoid content of hot air and freeze dried carrot discs. Ultrason. Sonochem. 2011, 18, 1172–1179. [Google Scholar] [CrossRef]
- Chungcharoen, T.; Prachayawarakorn, S.; Tungtrakul, P.; Soponronnarita, S. Effects of germination time and drying temperature on drying characteristics and quality of germinated paddy. Food Bioprod. Process. 2015, 94, 707–716. [Google Scholar] [CrossRef]
- Castro, G.A.; Fiorentini, E.F.; Wuilloud, R.G. Ionic liquid-assisted separation and determination of selenium species in food and beverage samples by liquid chromatography coupled to hydride generation atomic fluorescence spectrometry. J. Chromatogr. A 2017, 1491, 117–125. [Google Scholar] [CrossRef]
- Wang, L.; Chen, J.; Xie, H.; Ju, X.; Liu, R.H. Phytochemical profiles and antioxidant activity of adlay varieties. J. Agric. Food Chem. 2013, 61, 5103–5113. [Google Scholar] [CrossRef]
- Tao, Y.; Wang, P.; Wang, Y.; Kadam, S.U.; Han, Y.; Wang, J.; Zhou, J. Power ultrasound as a pretreatment to convective drying of mulberry (Morus alba L.) leaves: Impact on drying kinetics and selected quality properties. Ultrason. Sonochem. 2016, 31, 310–318. [Google Scholar] [CrossRef]
- Ren, F.; Perussello, C.A.; Zhang, Z.; Kerry, J.P.; Tiwaria, B.K. Impact of ultrasound and blanching on functional properties of hot-air dried and freeze dried onions. LWT Food Sci. Technol. 2018, 87, 102–111. [Google Scholar] [CrossRef]
- Do Nascimento, E.M.G.C.; Mulet, A.; Ascheri, J.L.R.; De Carvalho, C.W.P.; Carcel, J.A. Effects of high-intensity ultrasound on drying kinetics and antioxidant properties of passion fruit peel. J. Food Eng. 2016, 170, 108–118. [Google Scholar] [CrossRef]
- Santacatalina, J.V.; Rodríguez, O.; Simal, S.; Cárcel, J.A.; Mulet, A.; García-Pérez, J.V. Ultrasonically enhanced low-temperature drying of apple: Influence on drying kinetics and antioxidant potential. J. Food Eng. 2014, 138, 35–44. [Google Scholar] [CrossRef]
- Lekcharoenkul, P.; Tanongkankit, Y.; Chiewchan, N.; Devahastin, S. Enhancement of sulforaphane content in cabbage outer leaves using hybrid drying technique and stepwise change of drying temperature. J. Food Eng. 2014, 122, 56–61. [Google Scholar] [CrossRef]
- Zou, K.; Teng, J.; Huang, L.; Dai, X.; Wei, B. Effect of osmotic pretreatment on quality of mango chips by explosion puffing drying. LWT Food Sci. Technol. 2013, 51, 253–259. [Google Scholar] [CrossRef]
- Tao, Y.; Sun, D.-W.; Górecki, A.; Blaszczak, W.; Lamparski, G.; Amarowicz, R.; Fornal, J.; Jeliński, T. Effects of high hydrostatic pressure processing on the physicochemical and sensorial properties of a red wine. Innov. Food Sci. Emerg. Technol. 2012, 16, 409–416. [Google Scholar] [CrossRef]
- Szadzin´ska, J.; Łechtan´ska, J.; Kowalski, S.J.; Stasiak, M. The effect of high power airborne ultrasound and microwaves on convective drying effectiveness and quality of green pepper. Ultrason. Sonochem. 2017, 34, 531–539. [Google Scholar] [CrossRef]
- Multari, S.; Marsol-Vall, A.; Keskitalo, M.; Yang, B.; Suomela, J.-P. Effects of different drying temperatures on the content of phenolic compounds and carotenoids in quinoa seeds (Chenopodium quinoa) from Finland. J. Food Compos. Anal. 2018, 72, 75–82. [Google Scholar] [CrossRef]
- Zhao, D.; Wei, J.; Hao, J.; Han, X.; Ding, S.; Yang, L.; Zhang, Z. Effect of sodium carbonate solution pretreatment on drying kinetics, antioxidant capacity changes, and final quality of wolfberry (Lycium barbarum) during drying. LWT Food Sci. Technol. 2019, 99, 254–261. [Google Scholar] [CrossRef]
- Rahman, N.F.A.; Shamsudin, R.; Ismail, A.; Shah, N.N.A.K.; Varithd, J. Effects of drying methods on total phenolic contents and antioxidant capacity of the pomelo (Citrus grandis (L.) Osbeck) peels. Innov. Food Sci. Emerg. Technol. 2018, 50, 217–225. [Google Scholar] [CrossRef]
- Rodríguez, Ó.; Santacatalina, J.V.; Simal, S.; Garcia-Perez, J.V.; Femenia, A.; Rosselló, C. Influence of power ultrasound application on drying kinetics of apple and its antioxidant and microstructural properties. J. Food Eng. 2014, 129, 21–29. [Google Scholar]








| Treatment | L* | a* | b* | △E |
|---|---|---|---|---|
| Fresh | 86.75 ± 0.29a | 2.36 ± 0.02e | 9.89 ± 0.04f | |
| 55–0 | 61.65 ± 0.41d | 8.08 ± 0.03c | 21.68 ± 0.13d | 28.31 |
| 55–125.1 | 64.22 ± 0.58b | 7.44 ± 0.12d | 20.52 ± 0.24e | 25.42 |
| 55–180.2 | 63.31 ± 0.08c | 7.97 ± 0.09c | 21.96 ± 0.15d | 26.95 |
| 70–0 | 59.74 ± 0.48e | 9.05 ± 0.11a | 23.45 ± 0.27a | 30.95 |
| 70–125.1 | 63.26 ± 0.22c | 8.55 ± 0.05b | 23.09 ± 0.18b | 27.64 |
| 70–180.2 | 62.13 ± 0.59d | 8.42± 0.16b | 22.44 ± 0.10c | 28.29 |
| Free Phenolic Acids Contents (mg/100g DW) | Protocatechuic Acid | Chlorogenic Acid | Phloretin | Catechin | Ferulic Acid |
|---|---|---|---|---|---|
| Fresh | 13.80 ± 0.92 a | 4.55 ± 0.10 a | 1.27 ± 0.02 a | 2.28 ± 0.08 a | 1.21 ± 0.03 bc |
| 55–0 | 11.80 ± 0.18 cd | 4.35 ± 0.02 b | 1.28 ± 0.03 a | 1.77 ± 0.18 b | 1.25 ± 0.02 ab |
| 55–125.1 | 12.55 ± 0.45 bc | 4.40 ± 0.01 b | 1.30 ± 0.03 a | 2.17 ± 0.33 ab | 1.28 ± 0.01 a |
| 55–180.2 | 10.77 ± 1.51 d | nd | 1.18 ± 0.04 b | 2.06 ± 0.14 ab | 1.22 ± 0.04 bc |
| 70–0 | 14.04 ± 0.33 a | nd | nd | 2.47 ± 0.00 a | 1.19 ± 0.02 c |
| 70–125.1 | 13.58 ± 0.38 ab | nd | nd | 2.21 ± 0.08 ab | 1.19 ± 0.04 c |
| 70–180.2 | 9.44 ± 0.23 e | nd | nd | 2.43 ± 0.56 a | 1.19 ± 0.04 c |
| Bound Phenolic Acids Contents (mg/100g DW) | Ferulic Acid | Catechin | P-coumaric Acid | Quercetin | Cinnamic Acid | Phloretin | Caffeic Acid |
|---|---|---|---|---|---|---|---|
| Fresh | 57.05 ± 1.89 a | 2.31 ± 0.48 c | 2.20 ± 0.33 a | 7.23 ± 0.93 a | 1.64 ± 0.86 a | 6.08 ± 3.31 a | 3.35 ± 0.04 a |
| 55–0 | 51.46 ± 0.39 bc | 2.55 ± 0.31 c | 1.94 ± 0.50 a | 6.69 ± 0.35 a | 1.70 ± 0.78 a | 10.99 ± 1.53 a | 2.68 ± 0.23 ab |
| 55–125.1 | 52.98 ± 0.62 b | 4.55 ± 0.21 b | 1.99 ± 0.62 a | 6.99 ± 0.68 a | 1.38 ± 0.05 a | 8.40 ± 3.94 a | 2.32 ± 0.55 b |
| 55–180.2 | 50.38 ± 0.56 cd | 5.42 ± 0.63 a | 2.02 ± 0.31 a | 6.73 ± 0.24 a | 1.17 ± 0.37 a | 11.19 ± 0.56 a | 2.76 ± 0.86 ab |
| 70–0 | 49.71 ± 0.73 cd | 2.40 ± 0.02 c | 1.93 ± 0.16 a | 6.20 ± 0.18 a | 1.35 ± 0.22 a | 8.80 ± 0.43 a | 2.18 ± 0.28 b |
| 70–125.1 | 49.21 ± 0.89 d | 2.30 ± 0.02 c | 1.65 ± 0.34 a | 6.21 ± 0.86 a | 1.21 ± 0.31 a | 8.36 ± 3.84 a | 2.01 ± 0.01 b |
| 70–180.2 | 2.65±1.95 e | nd | 0.07 ± 0.05 b | nd | nd | nd | 0.79 ± 0.11 c |
© 2019 by the authors. Licensee MDPI, Basel, Switzerland. This article is an open access article distributed under the terms and conditions of the Creative Commons Attribution (CC BY) license (http://creativecommons.org/licenses/by/4.0/).
Share and Cite
Song, Y.; Tao, Y.; Zhu, X.; Han, Y.; Show, P.L.; Song, C.; Zaid, H.F.M. Ultrasound-Enhanced Hot Air Drying of Germinated Highland Barley Seeds: Drying Characteristics, Microstructure, and Bioactive Profile. AgriEngineering 2019, 1, 496-510. https://doi.org/10.3390/agriengineering1040036
Song Y, Tao Y, Zhu X, Han Y, Show PL, Song C, Zaid HFM. Ultrasound-Enhanced Hot Air Drying of Germinated Highland Barley Seeds: Drying Characteristics, Microstructure, and Bioactive Profile. AgriEngineering. 2019; 1(4):496-510. https://doi.org/10.3390/agriengineering1040036
Chicago/Turabian StyleSong, Yan, Yang Tao, Xiaoyu Zhu, Yongbin Han, Pau Loke Show, Changnain Song, and Hayyiratul Fatimah Mohd Zaid. 2019. "Ultrasound-Enhanced Hot Air Drying of Germinated Highland Barley Seeds: Drying Characteristics, Microstructure, and Bioactive Profile" AgriEngineering 1, no. 4: 496-510. https://doi.org/10.3390/agriengineering1040036
APA StyleSong, Y., Tao, Y., Zhu, X., Han, Y., Show, P. L., Song, C., & Zaid, H. F. M. (2019). Ultrasound-Enhanced Hot Air Drying of Germinated Highland Barley Seeds: Drying Characteristics, Microstructure, and Bioactive Profile. AgriEngineering, 1(4), 496-510. https://doi.org/10.3390/agriengineering1040036
