Control Technology of Master-Master Working Mode for Advanced Aircraft Dual-Redundancy Electro-Hydrostatic Flight Control Actuation System
Abstract
1. Introduction
2. Multi-Domain Coupling Modeling of EHA System
2.1. Composition of EHA System
2.2. Model of PMSM
2.3. Model of Hydraulic Pump (Taking Fixed-Displacement Piston Pump as an Example)
2.4. Model of Actuator Cylinder (Hydraulic Cylinder)
2.5. System Coupling Relationships
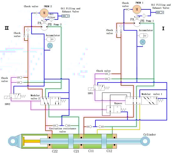
3. Engineering Design Architecture of Dual-Redundancy EHA System
3.1. Architecture of EHA
3.2. Architecture of Actuator Electronics Controller
4. Control Algorithm Design
4.1. Current Loop Vector Control and DQ-Axis Decoupling Technology
4.1.1. Vector Control and Coordinate Transformation
4.1.2. DQ-Axis Voltage Equation and Decoupling Control
4.1.3. Current Loop Control Law Design
4.1.4. High-Speed Flux-Weakening Control Strategy
4.2. Adaptive Sliding Mode Control for Speed Loop
4.2.1. Basic Theory of Sliding Mode Control
4.2.2. Design of Adaptive Sliding Mode Controller
4.2.3. Implementation of Adaptive Mechanism
4.2.4. Chattering Suppression and Stability Analysis
4.3. Improved Active Disturbance Rejection Control for Position Loop
4.3.1. Tracking Differentiator (TD): Command Smoothing and Differential Extraction
4.3.2. Extended State Observer (ESO): Real-Time Estimation of Total Disturbance
4.3.3. Nonlinear State Error Feedback (NLSEF): Fast Error Convergence
4.4. Cooperative Control Strategy for Master-Master Working Mode
4.4.1. Dual-Channel Motor Position Synchronization Control
4.4.2. Dynamic Load Balancing Control
5. Experimental Verification and Engineering Analysis
5.1. Construction of Full Physical Experimental Platform
5.2. Verification of Control Algorithms
5.2.1. Test Setup
5.2.2. Control Effects
5.2.3. Result Analysis
6. Conclusions
Author Contributions
Funding
Data Availability Statement
Conflicts of Interest
References
- Ke, Y.; Li, Y.; Cao, Y.; Zhang, X. Research on model-based safety analysis of flight control system. Syst. Eng. Electron. 2021, 43, 3259–3265. [Google Scholar]
- Xing, X.; Luo, Y.; Han, B.; Qin, L.; Xiao, B. Hybrid Data-Driven and Multisequence Feature Fusion Fault Diagnosis Method for Electro-Hydrostatic Actuators of Transport Airplane. IEEE Trans. Ind. Informat. 2025, 21, 3306–3315. [Google Scholar] [CrossRef]
- Bae, J. A Review of Electric Actuation and Flight Control System for More/All Electric Aircraft. In Proceedings of the 24th International Conference on Electrical Machines and Systems (ICEMS), Gyeongju, Republic of Korea, 31 October–3 November 2021; pp. 1943–1947. [Google Scholar]
- Robbins, D.; Bobalik, J.; Stena, D.; Plag, K.; Rail, K.; Wal, K. F-35 Subsystems Design, Development, and Verification. In Proceedings of the Aviation Technology, Integration, and Operations Conference, Atlanta, GA, USA, 25–29 June 2018; pp. 365–398. [Google Scholar]
- Wiegand, C. F-35 Air Vehicle Technology Overview. In Proceedings of the Aviation Technology, Integration, and Operations Conference, Atlanta, GA, USA, 25–29 June 2018; pp. 1–28. [Google Scholar]
- Guan, L.; Lian, W. Review on Electro-Hydrostatic Actuation Technology of Aircraft Flight Control Actuation System. Meas. Control Technol. 2022, 41, 1–11. [Google Scholar]
- Tai, M.; Yu, H.; Zhao, Z.; Liu, Z.; Zhu, Y. Research on Control of Double-pump Electro-Hydrostatic Actuator (EHA). Aircr. Des. 2023, 43, 31–35. [Google Scholar]
- Yang, X.; Wang, X.; Wang, S.; Puig, V. Switching-based adaptive fault-tolerant control for uncertain nonlinear systems against actuator and sensor faults. J. Franklin Inst. 2023, 360, 11462–11488. [Google Scholar] [CrossRef]
- Dills, P.; Dawson-Elli, A.; Gruben, K.; Adamczyk, P.; Zinn, M. An Investigation of a Balanced Hybrid Active-Passive Actuator for Physical Human-Robot Interaction. IEEE Robot. Autom. Lett. 2021, 6, 5849–5856. [Google Scholar] [CrossRef]
- Fu, J.; Maré, J.C.; Fu, Y. Modelling and simulation of flight control electromechanical actuators with special focus on model architecting, multidisciplinary effects and power flows. Chin. J. Aeronaut. 2017, 30, 47–65. [Google Scholar] [CrossRef]
- Huang, L.; Yu, T.; Jiao, Z.; Li, Y. Research on Power Matching and Energy Optimal Control of Active Load-Sensitive Electro-Hydrostatic Actuator. IEEE Access 2021, 9, 51121–51133. [Google Scholar] [CrossRef]
- Ahn, K.; Nam, D.; Jin, M. Adaptive Backstepping Control of an Electrohydraulic Actuator. IEEE/ASME Trans. Mechatron. 2014, 19, 987–995. [Google Scholar] [CrossRef]
- Bai, L.; Cui, N.; He, M.; Zhang, Y. Research on Electro-hydrostatic Actuator(EHA) Load Matching Method. Hydraul. Pneum. Seals 2022, 4, 59–65. [Google Scholar]
- Qiu, Y.; Li, Y.; Liu, Y.; Wang, Z.; Liu, K. Observer-based robust optimal control for helicopter with uncertainties and disturbances. Asian J. Control 2023, 25, 3920–3932. [Google Scholar] [CrossRef]
- Sui, H.; Liu, W.; Zhou, H. Design of servo control system based on fuzzy adaptive PI. J. Hebei Acad. Sci. 2024, 41, 49–54. [Google Scholar]
- Lin, Y.; Shi, Y.; Burton, R. Modeling and Robust Discrete-Time Sliding-Mode Control Design for a Fluid Power Electrohydraulic Actuator (EHA) System. IEEE/ASME Trans. Mechatron. 2013, 18, 110. [Google Scholar] [CrossRef]
- Ali, S.; Christen, A.; Begg, S.; Langlois, N. Continuous–Discrete Time-Observer Design for State and Disturbance Estimation of Electro-Hydraulic Actuator Systems. IEEE Trans. Ind. Electron. 2016, 63, 4314–4324. [Google Scholar] [CrossRef]
- Li, Z.; Zhang, Q.; An, J.; Liu, H.; Sun, H. Cross-coupling control method of the two-axis linear motor based on second-order terminal sliding mode. J. Mech. Sci. Technol. 2022, 7, 1485–1495. [Google Scholar] [CrossRef]
- Fan, D.; Liu, H.; Su, Y. Integral robust collaborative control of hydraulic servo system based on cross-coupling. IEEE Trans. Ind. Electron. 2025, 53, 81–87. [Google Scholar]
- Yao, J.; Cao, X.; Zhang, Y.; Li, Y. Cross-coupled fuzzy PID control combined with full decoupling compensation method for double cylinder servo control system. J. Mech. Sci. Technol. 2018, 32, 2261–2271. [Google Scholar] [CrossRef]
- Qi, H.; Teng, Y. Force equalization control for dual-redundancy electrol-hydrostatic actuator. J. Beijing Univ. Aeronaut. Astronaut. 2017, 43, 270–276. [Google Scholar]
- Zhou, F.; Liu, H.; Zhang, P.; Ouyang, X.; Xu, L.; Ge, Y.; Yao, Y.; Yang, H. High-Precision Control Solution for Asymmetrical Electro-Hydrostatic Actuators Based on the Three-Port Pump and Disturbance Observers. IEEE/ASME Trans. Mechatron. 2023, 28, 396–406. [Google Scholar] [CrossRef]
- Hong, H.; Gao, B.; Li, J. Sliding Mode-PID Control for Aircraft Electro-Hydrostatic Actuator. Civ. Aircr. Des. Res. 2023, 131, 42–46. [Google Scholar]
- Krishnan, R. Permanent Magnet Synchronous and Brushless DC Motor Drives; CRC Press: Boca Raton, FL, USA, 2010; pp. 182–279. [Google Scholar]
- Khalil, H. Nonlinear Systems, 3rd ed.; Pearson Education: London, UK, 2017; pp. 552–575. [Google Scholar]
- Han, J. Auto-disturbances-rejection controller and it’s applications. Control Decis. 1998, 13, 19–23. [Google Scholar]
- Han, J. From PID to Active Disturbance Rejection Control. IEEE Trans. Ind. Electron. 2009, 56, 900–906. [Google Scholar] [CrossRef]











| Rule Number | Condition (IF) | Conclusion (THEN) |
|---|---|---|
| 1 | is NB and is NB | is NB and is NB |
| 25 | is ZO and is ZO | is ZO and is ZO |
| 49 | is PB and is PB | is PB and is PB |
| Disturbance | Freq. Range | Factor | Observation Accuracy Req. | |
|---|---|---|---|---|
| 0–100 Hz | ≤0.05 mm | 0.75 | Observation error <0.01 mm | |
| 10–200 Hz | ≤0.5 mm/s | 0.5 | Observation error <0.05 mm/s | |
| 100–500 Hz | ≤500 N | 0.25 | Estimation error <5% |
| Category | Performance | Value |
|---|---|---|
| Motor | Rated voltage | 27 0V |
| Rated power | 8.0 kW | |
| Pole pairs | 3 | |
| Moment of inertia | ||
| Phase resistance | ||
| Hydraulic system | Pump displacement | 1.2 mL/r |
| Actuator cylinder diameter | 60 mm | |
| Number of plungers | ||
| Plunger diameter | ||
| Rated stroke | ||
| Rated pressure | 28MPa | |
| Computing resources | Control task partitioning | Dual-core processor: Core 0 runs real-time control algorithms (current loop, 10 kHz; speed loop, 2 kHz; position loop, 1 kHz); Core 1 executes built-in self-monitoring and redundancy management |
| Drive power rating | Rating | 270 V/100 A |
| Cross-transmission capability | Maximum | 40 Mbps |
| Load simulation | Equipment | Hydraulic brake (0–60 kN) |
| Measuring equipment | Devices | Grating ruler (accuracy, 0.01 mm), dynamic signal analyzer (30 Hz) |
| Control Scheme | Control Error | Resp. Time | Load Accuracy | Current |
|---|---|---|---|---|
| Basic EHA (PI) | ||||
| M/S mode (ASMC/ADRC) | ||||
| M/M mode (ASMC/ADRC) | >97% |
Disclaimer/Publisher’s Note: The statements, opinions and data contained in all publications are solely those of the individual author(s) and contributor(s) and not of MDPI and/or the editor(s). MDPI and/or the editor(s) disclaim responsibility for any injury to people or property resulting from any ideas, methods, instructions or products referred to in the content. |
© 2025 by the authors. Published by MDPI on behalf of the International Institute of Knowledge Innovation and Invention. Licensee MDPI, Basel, Switzerland. This article is an open access article distributed under the terms and conditions of the Creative Commons Attribution (CC BY) license (https://creativecommons.org/licenses/by/4.0/).
Share and Cite
Bao, X.; Li, Y.; Wang, Z.; Wang, R. Control Technology of Master-Master Working Mode for Advanced Aircraft Dual-Redundancy Electro-Hydrostatic Flight Control Actuation System. Appl. Syst. Innov. 2025, 8, 178. https://doi.org/10.3390/asi8060178
Bao X, Li Y, Wang Z, Wang R. Control Technology of Master-Master Working Mode for Advanced Aircraft Dual-Redundancy Electro-Hydrostatic Flight Control Actuation System. Applied System Innovation. 2025; 8(6):178. https://doi.org/10.3390/asi8060178
Chicago/Turabian StyleBao, Xin, Yan Li, Zhong Wang, and Rui Wang. 2025. "Control Technology of Master-Master Working Mode for Advanced Aircraft Dual-Redundancy Electro-Hydrostatic Flight Control Actuation System" Applied System Innovation 8, no. 6: 178. https://doi.org/10.3390/asi8060178
APA StyleBao, X., Li, Y., Wang, Z., & Wang, R. (2025). Control Technology of Master-Master Working Mode for Advanced Aircraft Dual-Redundancy Electro-Hydrostatic Flight Control Actuation System. Applied System Innovation, 8(6), 178. https://doi.org/10.3390/asi8060178
