Research on the Endurance Optimisation of Multirotor UAVs for High-Altitude Environments
Abstract
1. Introduction
2. The Optimal Proportion of Battery Quality
2.1. The Actuator Disk Model for Power Consumption of a Propeller
2.2. Battery Quality and Hover Time Analysis
3. Modelling of a Multirotor UAV Power System
3.1. Propeller Modelling
3.2. Motor Modelling
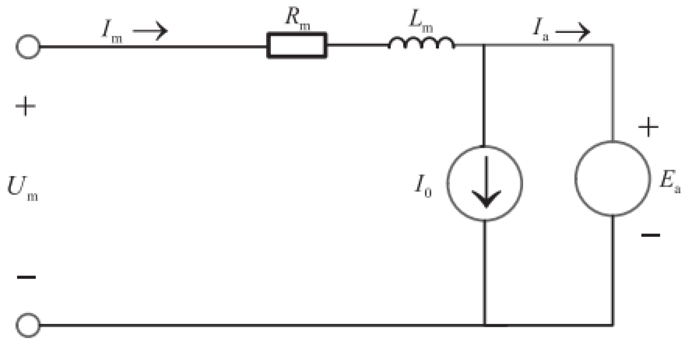
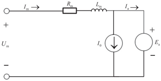
3.3. Electric Modulation Modelling
3.4. Battery Modelling
4. Expected Endurance
4.1. Endurance Time
4.2. Experimental Verification
5. The Idea of Optimisation and the Conducted Analysis
5.1. Optimisation of Ideas and Analysis
5.2. Experimental Validation and Analysis
6. Conclusions
Author Contributions
Funding
Data Availability Statement
Conflicts of Interest
References
- Luo, C.; Yu, L.; Ren, P. A Vision-Aided Approach to Perching a Bioinspired Unmanned Aerial Vehicle. IEEE Trans. Ind. Electron. 2018, 65, 3976–3984. [Google Scholar] [CrossRef]
- Fu, Q.; Quan, Q.; Cai, K.-Y. Robust Pose Estimation for Multirotor UAVs Using Off-Board Monocular Vision. IEEE Trans. Ind. Electron. 2017, 64, 7942–7951. [Google Scholar] [CrossRef]
- Quan, Q. Introduction to Multicopter Design and Control; Springer: Singapore, 2017. [Google Scholar]
- Lawrence, D.; Mohseni, K. Efficiency analysis for long duration electric MAVs. In Proceedings of the Infotech@Aerosp, Arlington, VA, USA, 26–29 September 2005. [Google Scholar]
- Achtelik, M.; Doth, K.-M.; Gurdan, D.; Stumpf, J. Design of a multi rotor MAV with regard to efficiency, dynamics and redundancy. In Proceedings of the AIAA Guidance, Navigation, and Control Conference, Minneapolis, MN, USA, 13–16 August 2012. [Google Scholar]
- Allaka, G.; Anasuya, B.; Yamini, C.; Vaidehi, N.; Ramana, Y.V. Modelling and analysis of multicopter frame and propeller. Int. J. Res. Eng. Technol. 2013, 2, 481–483. [Google Scholar]
- Gamble, D.; Arena, A. Automated dynamic propeller testing at low Reynolds numbers. In Proceedings of the 48th AIAA Aerospace Sciences Meeting Including the New Horizons Forum and Aerospace Exposition, Orlando, FL, USA, 4–7 January 2010. [Google Scholar]
- Kwon, H.-I.; Yi, S.; Choi, S. Design of efficient propellers using variable-fidelity aerodynamic analysis and multilevel optimization. J. Propuls. Power 2015, 31, 1057–1072. [Google Scholar] [CrossRef]
- Ampatis, C.; Papadopoulos, E. Parametric design and optimization of multi-rotor aerial vehicles. In Applications of Mathematics and Informatics in Science and Engineering; Springer: New York, NY, USA, 2014; pp. 1–25. [Google Scholar]
- Moffitt, B.A.; Bradley, T.; Parekh, D.; Mavris, D. Validation of vortex propeller theory for UAV design with uncertainty analysis. In Proceedings of the 46th AIAA Aerospace Sciences Meeting and Exhibit, Reno, NV, USA, 7–10 January 2008. Art. no. 2008-406. [Google Scholar]
- Merchant, M.P.; Miller, L.S. Propeller performance measurement for low Reynolds number UAV applications. In Proceedings of the 44th AIAA Aerospace Sciences Meeting and Exhibit, Reno, NV, USA, 9–12 January 2006. Art. no. 1127:2006. [Google Scholar]
- Torenbeek, E.; Wittenberg, H. Flight Physics: Essentials of Aeronautical Disciplines and Technology, with Historical Notes; Springer: Dordrecht, The Netherlands, 2009. [Google Scholar]
- Liu, P.-Q. Air Propeller Theory and Its Application; Beihang Univ. Press: Beijing, China, 2006. (In Chinese) [Google Scholar]
- Jun, C.; Yang, S.-X.; Li, M. Modeling and experimental analysis of UAV electric propulsion system. J. Aerosp. Power 2009, 24, 1339–1344. (In Chinese) [Google Scholar]
- Lundström, D.; Amadori, K.; Krus, P. Automation of design and prototyping of micro aerial vehicle. In Proceedings of the 47th AIAA aerospace sciences meeting including the new horizons forum and aerospace exposition, Orlando, FL, USA, 5–8 January 2009. [Google Scholar] [CrossRef]
- Lindahl, P.; Moog, E.; Shaw, S.R. Simulation, design, and validation of an UAVSOFC propulsion system. IEEE Trans. Aerosp. Electron. Syst. 2012, 48, 2582–2593. [Google Scholar] [CrossRef]
- Yao, J.; Jiao, Z.; Ma, D.; Yan, L. High-accuracy tracking control of hydraulic rotary actuators with modeling uncertainties. IEEE/ASME Trans. Mechatron. 2014, 19, 633–641. [Google Scholar] [CrossRef]
- Magnussen, Ø.; Ottestad, M.; Hovland, G. Multicopter design optimization and validation. Model. Identif. Control 2015, 36, 67–79. [Google Scholar] [CrossRef]
- Magnussen, Ø.; Hovland, G.; Ottestad, M. Multicopter UAV design optimization. In Proceedings of the 2014 IEEE/ASME 10th International Conference on Mechatronic and Embedded Systems and Applications (MESA), Senigallia, Italy, 10–12 September 2014; pp. 1–6. [Google Scholar]
- Lundstr, D.; Amadori, K.; Krus, P. Automation of design and prototyping of micro aerial vehicle. In Proceedings of the Automation of Design and Prototyping of Micro Aerial Vehicle, Orlando, FL, USA, 5–8 January 2009. Art. no.2009–629. [Google Scholar]
- Dai, X.; Quan, Q.; Ren, J.; Cai, K.-Y. Efficiency Optimization and Component Selection for Propulsion Systems of Electric Multicopters. IEEE Trans. Ind. Electron. 2019, 66, 7800–7809. [Google Scholar] [CrossRef]
- Jain, K.P.; Tang, J.; Sreenath, K.; Mueller, M.W. Staging energy sources to extend flight time of a multirotor UAV. In Proceedings of the 2020 IEEE/RSJ International Conference on Intelligent Robots and Systems (IROS), Las Vegas, NV, USA, 25–29 October 2020. [Google Scholar]
- Deters, R. Performance and Slipstream Characteristics of Small-Scale Propellers at Low Reynolds Numbers. Ph.D. Dissertation, Aerospace Engineering in the Graduate College, University of Illinois at Urbana-Champaign, Champaign, IL, USA, 2014. [Google Scholar]
- Dai, X.; Quan, Q.; Ren, J.; Cai, K.-Y. An Analytical Design-Optimization Method for Electric Propulsion Systems of Multicopter UAVs with Desired Hovering Endurance. IEEE/ASME Trans. Mechatron. 2019, 24, 228–239. [Google Scholar] [CrossRef]
- Shi, D.; Dai, X.; Zhang, X.; Quan, Q. A Practical Performance Evaluation Method for Electric Multicopters. IEEE/ASME Trans. Mechatron. 2017, 22, 1337–1348. [Google Scholar] [CrossRef]









| Symbol | Description | Value | |
|---|---|---|---|
| Motor | Nominal no-load motor constant (r/min/V) | 100 | |
| Rated operating voltage of the motor (V) | 48 | ||
| The maximum current that the motor can withstand (A) | 29.3 | ||
| Motor-nominal no-load voltage (V) | 18 | ||
| Nominal no-load current of the motor (A) | 0.7 | ||
| Nominal internal resistance on the motor parameter table (Ω) | 0.17 | ||
| Motor quality (kg) | 0.238 | ||
| Propeller | Propeller diameter (in) | 28 | |
| Propeller geometric pitch (in) | 9.2 | ||
| Number of blades | 2 | ||
| The propeller quality (kg) | 0.09 | ||
| Downwash correction factor | 0.85 | ||
| Aspect ratio | 6.6594 | ||
| Correction coefficient of the blade airfoil area | 0.75 | ||
| Compensation factor | 0.55 | ||
| Slope of lift curve | 6.11 | ||
| Zero-lift angle (rad) | 0 | ||
| Oswald factor | 0.83 | ||
| Zero-lift drag coefficient | 0.015 | ||
| Electric modulation | Maximum motor current (A) | 120 | |
| ESC input voltage (V) | 48 | ||
| The quality of electric adjustment (kg) | 0.109 | ||
| Battery | Battery voltage (V) | 48 | |
| Battery capacity (mAh) | 50,000 | ||
| Battery quality (kg) | 10 | ||
| Maximum discharge rate (C) | 10 |
| Symbol | Description | Value | |
|---|---|---|---|
| Motor | Nominal no-load motor constant (r/min/V) | 100 | |
| Rated operating voltage of the motor (V) | 48 | ||
| The maximum current that the motor can withstand (A) | 60 | ||
| Motor-nominal no-load voltage (V) | 10 | ||
| Nominal no-load current of the motor (A) | 1.6 | ||
| Nominal internal resistance on the motor parameter table (Ω) | 0.051 | ||
| Motor quality (kg) | 0.649 | ||
| Propeller | Propeller diameter (in) | 30.4 | |
| Propeller geometric pitch (in) | 10.9 | ||
| Number of blades | 2 | ||
| The propeller quality (kg) | 0.184 | ||
| Downwash correction factor | 0.85 | ||
| Aspect ratio | 5.5882 | ||
| Correction coefficient of the blade airfoil area | 0.75 | ||
| Compensation factor | 0.55 | ||
| Slope of lift curve | 6.11 | ||
| Zero-lift angle (rad) | 0 | ||
| Oswald factor | 0.83 | ||
| Zero-lift drag coefficient | 0.015 | ||
| Electric modulation | Maximum motor current (A) | 120 | |
| ESC input voltage (V) | 48 | ||
| The quality of electric adjustment (kg) | 0.109 | ||
| Battery | Battery voltage (V) | 48 | |
| Battery capacity (mAh) | 22,000 | ||
| Battery quality (kg) | 9.2 | ||
| Maximum discharge rate (C) | 25 |
Disclaimer/Publisher’s Note: The statements, opinions and data contained in all publications are solely those of the individual author(s) and contributor(s) and not of MDPI and/or the editor(s). MDPI and/or the editor(s) disclaim responsibility for any injury to people or property resulting from any ideas, methods, instructions or products referred to in the content. |
© 2023 by the authors. Licensee MDPI, Basel, Switzerland. This article is an open access article distributed under the terms and conditions of the Creative Commons Attribution (CC BY) license (https://creativecommons.org/licenses/by/4.0/).
Share and Cite
Qin, T.; Zhang, G.; Yang, L.; He, Y. Research on the Endurance Optimisation of Multirotor UAVs for High-Altitude Environments. Drones 2023, 7, 469. https://doi.org/10.3390/drones7070469
Qin T, Zhang G, Yang L, He Y. Research on the Endurance Optimisation of Multirotor UAVs for High-Altitude Environments. Drones. 2023; 7(7):469. https://doi.org/10.3390/drones7070469
Chicago/Turabian StyleQin, Tianyi, Guangyu Zhang, Liying Yang, and Yuqing He. 2023. "Research on the Endurance Optimisation of Multirotor UAVs for High-Altitude Environments" Drones 7, no. 7: 469. https://doi.org/10.3390/drones7070469
APA StyleQin, T., Zhang, G., Yang, L., & He, Y. (2023). Research on the Endurance Optimisation of Multirotor UAVs for High-Altitude Environments. Drones, 7(7), 469. https://doi.org/10.3390/drones7070469

