You are currently viewing a new version of our website. To view the old version click .
Designs
  • Article
  • Open Access

9 January 2025

Experimental Analysis and Modeling of an Impact Response Along Sets of Steel Sheets Joined with Rivets

,
,
and
Ingeniería en Aeronáutica, Universidad Politécnica Metropolitana de Hidalgo, Boulevard Acceso a Tolcayuca 1009, Ex Hacienda San Javier, Tolcayuca C.P. 43860, Hidalgo, Mexico
*
Author to whom correspondence should be addressed.
This article belongs to the Topic Advances in Non-Destructive Testing Methods, 2nd Edition

Abstract

This paper is focused on understanding how a wave was transmitted along arrays joined with rivets. The arrays were made of steel plates, and each section was joined to the other with five rivets. A total of three arrays were studied, which were compounded by one, two and three steel plates. To determine the wave transmission, a laser, a lens and a camera were set up in the experiment to calculate the in-plane motion both while the structure was still and during the indirect collisions. Results were studied by means of the general theory of elasticity coupled with spectral analysis from a general mathematical model; the latter fitted all the responses with a mean of 98% accuracy.

1. Introduction

This section is divided into five parts, starting with non-destructive testings (NDTs), as our research deals with a different type of NDT; followed by interferometry, which is the most used optical system for measurements; the recent developments of digital image correlation, which is the technique used in this research; some reports on wave transmission; and finally, recent developments on rivets.

1.1. Applications of Non-Destructive Testings (NDTs) Among Industries

Non-destructive testings (NDTs) are widely used in different industries, such as the implementation of the double pass retroreflection for corrosion detection in aircraft structures. One group of researchers developed their tests by using a scanning system and a spatial resolution for images of 640 × 480 pixels; after adding a solvent to the specimens, gray-scale images were acquired. To achieve their results, the authors assumed a degree of corrosion on the surface establishing a percentage of the thickness of the sheet, which demonstrates that this technique is cable of detecting hidden corrosion [1].
NDTs have been also tested to evaluate the integrity of critical aerospace composites. Tests such as ultrasound, acoustic emission, eddy currents, infrared thermography, laser shearography, and X-ray radiography were compared between them. The comparison revealed that ultrasound is an effective tool for detecting porosity, acoustic is a superior technique for finding cracks in the matrix, eddy currents are most often used to identify impact damage, infrared is effective for observing microcracks in the matrix, shearography is most effective when used for imaging disbonds, and X-ray can be combined with computerized thermography and laminography [2].
In addition, NDTs were used to test aerospace composites; in this research, the authors declared a sum of tests for each procedure time during the fabrication of face sheet consolidation, the bonds and the core inclusions; the composites should be inspected with visual, tap, ultrasound, X-ray, thermography and shearography tests [3].
Following aerospace application, NDTs were used to determine the behavior of carbon fiber composites; some of the tests were ultrasound, thermography, vibration and shearography. Ultrasound and radiography were found to be the most successful methods for the evaluation of composite materials; additionally hologropahy is a non-conventional inspection method that demonstrated great potential in revealing delaminations in composites [4].
NDTs were applied for the inspection of aircraft; in this article, the authors stated that signal processing for determining phase characteristics in the time domain was developed to obtain information parameters and signal characteristics for the industry. To achieve this, the research focused on the application of signal processing to eddy currents and ultrasonic testing for thickness measurement and pulse acoustic inspection [5].
A review about NDTs discussed different methodologies, such as visual, magnetic particles, dye penetration, ultrasonic, radiographic, acoustic and Eddy current testing. Here, the authors outline the limitations and capabilities as well as a description of each test. Furthermore, they present some of the applications and challenges, concluding that the tests are simple, but a single technique is not enough for total satisfaction. However, coupling two or more ensures the effectiveness of the measurement [6].
NDTs are also present in the automotive industry for oil sump inspection: in particular, visual, dye penetration, ultrasound and X-ray tests were used. The discrepancies in the oil sump detected by these tests were 7.9%, 1.9%, 21.9% and 45.1%, respectively. The results revealed that visual inspection was the technique that contributed the most to the detection of nonconformities, while X-ray was the best technique to observe them [7].
Finally, an unusual technique was established: the use of high-frequency (Terahertz) as a measurement system for different applications such as the detection of weapons, substances, and explosives for thickness and current measurements. Terahertz technology proved to be useful for measuring thickness in aeronautical and automotive industries [8].

1.2. Interferometry as a Non-Destructive Testing Technique

Optical techniques are also applied as non-destructive methods; this group of researchers used the sampling Moiré method to measure deformation, particularly to monitor structural health and elucidate material damage mechanisms. They focused on two of the application examples: the measurement of dynamic deflection for large-scale concrete bridges and the measurement of residual thermal strain for small-scale flip packages [9].
An experimental set-up was reported that determined displacements through interferometry, in which a reference signal was obtained by fixing the still position, and Fourier transform and its inverse were performed. These allowed the system to recover the time-varying offset in each modulation period [10].
The ultrasonic technique was used along with optical interferometry to determine diameter and depth measurements. The experiment verified the measurements obtained by ultrasonic methods; measurements were performed ten times with each technique to quantify the error. These techniques ensured the use of materials in a variety of applications [11].
Interferometry has also been used to analyze and identify structural health in buildings, demonstrating that it can monitor systems for environmental effects on the spatial distribution of wave velocities using operational modal analysis and ambient noise deconvolution interferometry [12].
Interferometry has also been applied for 3D modeling by scanning 2D surfaces, it was assessed with rigorous simulation, and the results were compared between experimental and simulation, reproducing the image formation [13].
Following the application of interferometry, an experimental set-up of self-mixing was created; here, authors declared the use of a convolutional neural network to reconstruct the displacement of a target by training it with periodic displacements [14].
In addition, an interferometry function was established using the multiple aperture technique, based on the spectral diversity method, which consists of splitting the azymuth synthetic aperture signal spectrum into separate subbands to estimate the surface displacement [15].
Finally, structural health was also assessed using differential synthetic aperture radar interferometry. This technique allowed the authors to identify possible critical situations for buildings; also, the active deformation process and related damages were studied [16].

1.3. Digital Image Correlation in Different Applications

Digital image correlation (DIC) is considered an optical technique, as it is based on comparing images acquired with a digital camera. One of their approaches was to characterize a fracture process in which wood composites were subjected to loading, and the results showed that experimental displacement measurements from DIC were as accurate as the numerical simulation [17]. A typical application of DIC is displacement measurement; the authors declared the acquisition of full-field time history of vibrating components [18].
The authors developed an accurate methodology to measure external systems in structural parts of aircraft: the experimental set-up obtained satellite information in real time, and in addition, a camera acquired it and displayed it as an image. They stated that the accuracy of the system has a relative error of less than 1% [19]. DIC has also been used to measure complex deformations in aircraft; the methodology is based on detecting movement, vibration, warping and the distortion of aircraft wheels [20].
Following aircraft application, the authors developed DIC measurements for the deformation of rotor blades under load and their vibration due to aeroelastic phenomena. By setting up a high-speed camera, the authors were able to measure frequency vibrations up to 1 kHz with an exposure time below 210 ns [21].
Another study using DIC in the structural field attempted to measure the mechanical properties of concrete; this was accomplished by coupling fiber optical strain on bars plus DIC measurements on concrete surfaces. After testing the concrete samples, the optical fibers demonstrated that the polyimide-coated one adequately captured high strain gradients; furthermore, the authors presented a procedure to quantify DIC uncertainty in large-scale structural tests [22].
Finally, a review was presented talking about the importance of DIC in large-scale tests; the authors’ objective was to study the recent advances of the technique and its application to composite structures. One of the most used is in the wind energy and aerospace sector, measuring strains under static loading and modal analysis during dynamic structural tests [23].

1.4. Wave Propagation

On the other hand, there are studies focused on understanding the propagation of waves. An example is the development of neural networks based on physics: this methodology has been applied to solve direct and inverse problems in science and engineering [24].
Research was developed on the importance of studying the propagation of waves in porous media, since it is the main cause of the anelasticity of waves. To solve this, the authors worked on a theory for saturated fluids containing inclusions at multiple scales [25].
Another application was presented by coupling experimental and modeling approaches to monitor the structural health using guided wave propagation; the result of this methodology was the understanding of the structural integrity of primary and secondary structures as well as the detection of damage and alterations due to environmental and operational conditions [26].
In addition, the analysis of wave propagation in composites was developed; the authors studied the size-dependent behavior of a spinning composite reinforced with graphene nanoplatelets in which the small-scale effect was analyzed using strain gradient theory. One of the results was established by increasing the radius; the phase velocity values were presented at the lowest values of the wave number [27].
Following with wave propagation in composites, the authors stated the use of a size-dependent laminated composite nanostructure together with a piezoelectric actuator to understand the importance of the angle ply on phase velocity changes in the composite when increasing the wave number [28].

1.5. The Use of Riveting Joints

Rivets are very important as structural joints; for the inspection of riveted joints, a non-destructive test was used, in which damage around the surface, subsurface and corrosion were simulated with eddy current excitation [29].
Another study presented the effects of the riveting process on the residual and clamping stress, in which variables such as riveting force, sheet thickness, sheet and rivet material, rivet hole and diameter tolerances were taken into account. The authors evidenced that the crack initiation depends on the residual hoop compression stress zone [30].
An investigation was carried out on the influences of cutting positions on the measurement accuracy of riveted joints, in which the authors developed evaluation and correction methods to estimate and compare the interlocking error caused by these cuts [31].
Additionally, the authors explored the advantages and disadvantages of riveting, comparing procedural quality measures such as the failure mode, joint strength, fatigue lifetime, corrosion strength, and vibration, among others. During this comparison, they demonstrated that numerical equation models focus on the interactions at the rivet–material level and can more quickly build a prediction model [32].
A study was carried out on the fatigue behavior of rivets, in which the authors evidenced that the stress concentration in riveted lap joints of various diameter and rivet pitches was optimized; this was evaluated by adjusting the rivets to the stress distribution analysis under tensile loads and modeling a theoretical model with finite element [33].
Another study presented the effects of ultrasonic vibration on the riveting process, in which the authors declared that this experimental technique can reduce the forming force, decrease the friction in the metal-forming process, and serve to improve the quality of the workpiece surface. Thus, application to the riveting process showed that the technique reduced the riveting force and decreased friction; as a consequence, the flow of the rivet material improved [34].
An optical technique was used for the inspection of rivets: the experimental technique, multi-intensity high dynamic range fringe projection profilometry, was evaluated for 2D and 3D data acquisition, in which it was demonstrated that a riveted metal workpiece was detected with high precision [35].
Finally, the aim of the present article is to characterize the impact reaction on metallic sheets joined by rivets in three different configurations and to understand how the wave travels along them by means of digital image correlation. The experimental results were evaluated analytically and following a numerical procedure, in which it was demonstrated that both curves achieved more than 95% and in some results, and the approach reached 99% of accuracy according to the registered movement.

2. Materials and Methods

The experimental set-up was built combining a sum of three elements: beginning with a metallic box (B), with dimensions of 40 × 40 × 40 cm, it was made with galvanized steel sheet caliber 12 (3.4 mm thickness) [36,37]. This box was filled with G 0/3 sand, with a density between 1.5 and 1.55 kg/m3 [36,37], approximately at 90% of its capacity. Finally, the steel arrays were joined with rivets. Each section was assembled with five rivets using the following equation:
N R = 51.71 L T S
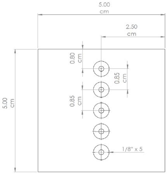
where 51.71 is a tensile resistance constant (in daN/mm2), and L , T and S are the sheet metal length, the plate thickness (both in millimeters), and the flattening resistance (in daN), respectively [38]. Setting the parameters on the equation, a value of 5.73 was obtained as the number of rivets ( N R ) ; however, it was important to take into account two mechanical design parameters: there must be a space of 2.5 times the d i a m e t e r between the borders of the sheet and the distance between each rivet taken from its center must be 2.65 times the d i a m e t e r as a minimum. The rivets used had 3.175 mm of diameter; as a consecuence, five rivets were joining each sheet, as shown in Figure 1.
Figure 1. Mechanical design of riveting the sheet metal.
Figure 2 depicts the experimental way in which the correlation technique was performed: a laser (L), a lens (l) and a camera (C) were used: the laser was a diode-pumped solid state with 220 mW power [39], a converging lens with f = 7 cm and the camera sensor of the iPhone 13 pro [40] were set to capture the specular reflection of the laser on a screen (S).
Figure 2. Experimental set-up (a); laser and lens (b).
The experimental methodology consisted of giving soft impacts assessed with a hammer with 0.575 kg of mass; each hit was exactly at the midpoint of the transversal face of the box, and all impacts were carried out in the longitudinal direction with an initial angle of 30° according to the transversal face plane [36,37]. The impacts were propagated along the box (Figure 3A), sand and the sets of steel sheets arrays, following the next order: a set of three impacts were measured after the rivets and another set of three collisions before them (Figure 3B). This procedure was repeated for two and three splices joined by rivets.
Figure 3. Impact action (A) and optical measurement (B): before (a) and after (b) the rivets.

2.1. Wave Propagation Modeling

The theoretical modeling of the wave propagation part of the equation of motion is shown below [41]:
F x = ρ A 2 u t 2 + η A u t q
where A ρ is the mass density per unit length, η is the damping per unit volume, and q is the externally applied axial force per unit length. But in the particular case of uniform properties and no damping, all dependent variables have an equation of the following form:
C 0 2 2 u x 2 2 u t 2 = 0
In this case, the waves are governed by the simple wave equation, and the D’Alembert is the general solution. However, it is needed to study its spectral representation, making the assumption that modulus and area will not vary; hence, the Fourier coefficients can be obtained from the following:
E A d 2 u ^ d x 2 + ( ω 2 ρ A i ω η A ) u ^ = 0
in which its general solution can be in the form of
u ^ ( x ) = A ^ e i k 1 x + B ^ e + i k 1 x
with k 1 as
k 1 = ω 2 ρ A i ω η A E A
This solution can be used for the statement of a bar subjected to a force P [41]
E A d u ^ n d x = P ^ n
Thus, it is possible to establish the transfer function G v ( x , ω ) for the velocity as
G ^ v ( x , ω ) = ω ( ω 2 ρ A i ω η A ) E A e i k 1 x

2.2. Laser Metrology and Image Processing

A solid-state laser as a source to measure was used. The laser properties that serve to fulfill the measurements are the Gaussian distribution and that it is monochromatic; when such a source of light is reflected form a rough surface, the optical wave resulting at any moderate distance consists of many coherent components [42]. These physical phenomena can be studied through the probability density function of intensity P ( I ) :
P ( I ) = 1 4 π σ 2 e x p I 2 σ 2
where σ is the average intensity I of the speckles in the field. The speckles have a very large number of random variables; thus, the central limit theorem is followed, as real and imaginary parts of the field are asymptotically Gaussian [42].
The image-processing procedure consists of recording the specklegram in slow motion (240 fps) by means of the sensor incorporated to (C), which is followed by obtaining each frame helped by a free software: free video-to-jpg converter (version 5.2.3.112). Then, a code was written in Octave® v. 9.3; it loads each image and correlates them in the Fourier domain iteratively [36,37]. Finally, the displacement field is calculated using the following equation:
D f = R e ( C c ) ( s 1 s 2 ) 2 M
where C c is the mathematical correlation and the denominator, formed by the standards deviation and the image size, s and M respectively, which helped to normalize the result. To obtain the displacement field, an iteration by code was completed, in which the distance between each peak amplitude intensity was plotted as a scalar value measured in millimeters according to [36,37]. Once this result was obtained, a low-pass filter was performed to observe the main impact and to delete the high frequencies [43]; the impact was approached by means of damped and harmonic oscillations as well as a numerical solution taken from rod propagation theory. It obtained more than 95% accuracy with the analytical fitting model, and in some cases, using the rod theory, it reached more than 99% accuracy.

3. Results

This category is subdivided into three items: first, the analysis of a single lamina coupled with rivets, measuring before and after the structural joints, which was followed by two and three laminae, respectively. In each experimental set-up, results were obtained evaluating the in-plane displacement between joints.

3.1. One Sheet Analysis: Before and After the Riveted Section

Figure 4 showed the behavior of six impacts; each graph plots the experimental displacement obtained by digital image correlation (black), the analytical approximation (red) following [43] and the rod theory model (blue) by solving Equation (8). In Table 1, the damped waveform of the analytical and modeled results measured before the structural joints is displayed.
Figure 4. One sheet array graphs: (ac) analysis before the rivets; (df) solution after the rivets.
Table 1. Analytical and modeling solutions for one steel sheet; measurement before the rivets.
In Table 1, it can be seen that the analytical and modeled solutions are similar. Both have a damped behaviour, and it is evident that the frequencies have higher values in the modeled solution. This suggests that the collision came with an amount of energy which was dissipated by the box and sand; then, when propagated to the lamina, a reduction was sensed in each case. The mean accuracy for the analytical approximation was 96.3%; however, modeling followed by the rod propagation theory gave 98.1%.
Table 2 expresses the solutions for the measurements taken after the joints. These are congruent with Table 1, as the modeled response had higher values of frequency again. However, in this case, the rod propagation theory reached 99.9% accuracy; it is appreciated that its amplitude has a lower value than the analytical solution.
Table 2. Analytical and modeling solutions for one steel sheet; measurement after the rivets.

3.2. Two Riveted Sections Analysis

A total of six graphs are depicted in Figure 5. The first three correspond to the measurements after a set of five rivets, and the other three were obtained next to the second set of joints. The analytical and modeled solutions are shown in Table 3.
Figure 5. Two sheets array graphs: (ac) analysis after the first section of four rivets; (df) solution after the second section.
Table 3. Analytical and modeling solutions measured after the first section of five rivets.
Table 3 exposed again a damped oscillation; in this set, the analytical approximation reached a maximum of 98.5%, but rod theory obtained a greater accuracy again of more than 99%. It can be observed that the behavior is congruent with Table 1 and Table 2, and the frequency is greater, demonstrating that the physical phenomena was reproduced for a set of two laminae. Additionally, Table 4 shows the results for the measurements after the second set of rivets; in this case, the analytical approximation has a mean accuracy of 96.7% and rod theory reached 99.8%. It is important to declare that the oscillatory movement was reproduced again and the amplitude increased in the modeled section.
Table 4. Analytical and modeling solutions measured after the second section of rivets.

3.3. Three Riveted Sections Analysis

Finally, nine plots are shown in Figure 6. They are collocated in the following order: after the first set of five rivets; next to the other set and at the end of the lamina. The modeling and analytical solutions are presented in Table 5.
Figure 6. Three sheets array graphs: (ac) analysis after the first section of four rivets; (df) solution after the second section; (gi) solution of the third one.
Table 5. Analytical and modeling solutions for three sheets; measurement after the first section of five rivets.
It can be appreciated that Table 5 shows similar results to Table 4. In this set, the analytical approximation decreased to 95% compared with results obtained with one and two riveted sections; however, the accuracy obtained using the rod theory remained greater than 98%. The damped oscillation is consistent, while the amplitude and frequency are greater in the modeled equation, evidencing the repetition of the phenomena in a set of three laminae. Table 6 shows the numerical results for the measurements obtained after the second section of rivets; again the oscillation is congruent with the other results, analytical approximation reached a maximum accuracy of 97%, and the rod theory obtained a maximum of 98.4%.
Table 6. Analytical and modeling solutions for three sheets; measurement after the second section of rivets.
Finally, Table 7 shows how the wave behaved in the third lamina; it is seen that the oscillation behavior continued, for the last case, the analytical approximation reached a mean accuracy of 96% while the rod theory 98.5%. It can be appreciated that the amplitude decreased from Table 5, Table 6 and Table 7. It seems that part of the wave was stopped by the structural joints; however, the waveform remained.
Table 7. Analytical and modeling solutions while studying the impact transmission after the third one.

4. Discussion

The authors declared in [43] that the pendular motion generated sometimes a harmonic reaction, and some others generated a damped reaction. The structural rigidity given by the screws may provoke those changes, making the incoming wave travel in a different waveform.
In this article, the results evidenced that a physical phenomena was reproduced; all the solutions were damped, and the incoming wave (modeled) had greater values of frequency compared with the analytical ones. Along the three sets of sheets joined with rivets, the rod theory demonstrated a better approximation, reaching a maximum of 99.9% accuracy. Consequently, the results evidenced that the methodology shown in [43] agreed with the approximation obtained using the rod theory.

5. Conclusions

This article demonstrated that the laser system methodology can sense the behavior of an indirect impact with a maximum accuracy of 99.9%; this result was reached by means of the rod propagation theory.
Also, the results evidenced that a physical phenomena was reproduced; the wave motion always was damped, and the frequency values were greater in the modeled solution compared with the analytical ones. It is assumed that this behavior could be attributed to an energy absorption due to the sand; however, the waveform remains.
Wave transmission sensing might be used in seismic, civil, mechanic and aeronautic engineering, to mention some of the options. Also, the present system is a cheap solution, as it only requires a laser source and a camera.

Author Contributions

V.M.-C. helped with coding the formulation of the wave propagation according to James Doyle. A.R.-T. supervised the methodology of joining the sheets with rivets as well as the experiment execution. F.d.J.T.-P. conducted the experiment and obtained all the results. A.S.-H. supervised the research, revised the results and wrote the article. All authors have read and agreed to the published version of the manuscript.

Funding

This research received no external funding.

Institutional Review Board Statement

Not applicable.

Data Availability Statement

All data are available in the article.

Acknowledgments

Felipe de Jesús Tapia-Pérez thanks CONAHCYT, as they gave him a grant to study his Master’s degree. The authors thank the Universidad Politécnica Metropolitana de Hidalgo for all the administrative support. Also, special thanks to Antonio Pérez Jiménez for all the English advice.

Conflicts of Interest

The authors declare no conflicts of interest.

References

  1. Katunin, A.; Lis, K.; Joszko, K.; Żak, P.; Dragan, K. Quantification of hidden corrosion in aircraft structures using enhanced D-Sight NDT technique. Measurement 2023, 216, 112977. [Google Scholar] [CrossRef]
  2. Towsyfyan, H.; Biguri, A.; Boardman, R.; Blumensath, T. Successes and challenges in non-destructive testing of aircraft composite structures. Chin. J. Aeronaut. 2020, 33, 771–791. [Google Scholar] [CrossRef]
  3. Bossi, R.H.; Georgeson, G.E. Nondestructive testing of aerospace composites. In Woodhead Publishing Series in Composites Science and Engineering, Polymer Composites in the Aerospace Industry, 2nd ed.; Irving, P., Soutis, C., Eds.; Woodhead Publishing: Sawston, UK, 2020; pp. 461–489. ISBN 9780081026793. [Google Scholar]
  4. Gholizadeh, S. Impact behaviours and Non-Destructive Testing (NDT) methods in Carbon Fiber Composites in Aerospace Industry: A Review. Authorea 2022. [Google Scholar] [CrossRef]
  5. Iuliia, L. Advanced Signal Processing Methods for Inspection of Aircraft Structural Materials. Trans. Aerosp. Res. 2020, 2020, 27–35. [Google Scholar] [CrossRef]
  6. Mridul, G.; Khan, M.A.; Butola, R.; Singari, R.M. Advances in applications of Non-Destructive Testing (NDT): A review. Adv. Mater. Process. Technol. 2021, 8, 1–22. [Google Scholar] [CrossRef]
  7. Pacana, A.; Czerwińska, K.; Dwornicka, R. Analysis of quality control efficiency in the automotive industry. Transp. Res. Procedia 2021, 55, 691–698. [Google Scholar] [CrossRef]
  8. Nüßler, D.; Jonuscheit, J. Terahertz based non-destructive testing (NDT): Making the invisible visible. tm-Tech. Mess. 2021, 88, 199–210. [Google Scholar] [CrossRef]
  9. Wang, Q.; Ri, S. Sampling Moiré method for full-field deformation measurement: A brief review. Theor. Appl. Mech. Lett. 2022, 12, 100327. [Google Scholar] [CrossRef]
  10. Wang, H.; Ruan, Y.; Yu, Y.; Guo, Q.; Xi, J.; Tong, J. A New Algorithm for Displacement Measurement Using Self-Mixing Interferometry With Modulated Injection Current. IEEE Access 2020, 8, 123253–123261. [Google Scholar] [CrossRef]
  11. Barakat, M.A.Y.; Abdelwahab, M.; Abdallah, A.W. Evaluation of new designed reference blocks for calibration and NDT by optical and ultrasonic techniques. Metrol. Meas. Syst. 2022, 29, 719–736. [Google Scholar] [CrossRef]
  12. García-Macías, E.; Ubertini, F. Automated operational modal analysis and ambient noise deconvolution interferometry for the full structural identification of historic towers: A case study of the Sciri Tower in Perugia, Italy. Eng. Struct. 2020, 215, 110615. [Google Scholar] [CrossRef]
  13. Pahl, T.; Hagemeier, S.; Künne, M.; Yang, D.; Lehmann, P. 3D modeling of coherence scanning interferometry on 2D surfaces using FEM. Opt. Express 2020, 28, 39807–39826. [Google Scholar] [CrossRef] [PubMed]
  14. Barland, S.; Gustave, F. Convolutional neural network for self-mixing interferometric displacement sensing. Opt. Express 2021, 29, 11433–11444. [Google Scholar] [CrossRef] [PubMed]
  15. Pietro, M.; Serio, C.; Masiello, G.; Pepe, A. The Multiple Aperture SAR Interferometry (MAI) Technique for the Detection of Large Ground Displacement Dynamics: An Overview. Remote Sens. 2020, 12, 1189. [Google Scholar] [CrossRef]
  16. Di Carlo, F.; Miano, A.; Giannetti, I.; Mele, A.; Bonano, M.; Lanari, R.; Prota, A.M.A. On the integration of multi-temporal synthetic aperture radar interferometry products and historical surveys data for buildings structural monitoring. J. Civ. Struct. Health Monit. 2021, 11, 1429–1447. [Google Scholar] [CrossRef]
  17. Ostapska, K.; Malo, K.A. Calibration of a combined XFEM and mode I cohesive zone model based on DIC measurements of cracks in structural scale wood composites. Compos. Sci. Technol. 2021, 201, 108503. [Google Scholar] [CrossRef]
  18. Bhowmick, S.; Nagarajaiah, S.; Lai, Z. Measurement of full-field displacement time history of a vibrating continuous edge from video. Mech. Syst. Signal Process. 2020, 144, 106847. [Google Scholar] [CrossRef]
  19. Cai, Y.; Liu, Y.; Yang, C.; Zhu, K.; Liu, W.; Huang, J.; Zheng, P.; Zhang, K. External Measurement System for Aircraft Structural Parts Based on Digital Image Correlation in Signal-limited Spaces. J. Phys. Conf. Ser. 2023, 2468, 012121. [Google Scholar] [CrossRef]
  20. Shi, X.; Guo, X.; Suo, T.; Yuan, Y.; He, H.; Ren, Z. A novel subset assignment and matching method for DIC measurement of complex deformation in aircraft braking process. Chin. J. Aeronaut. 2024, 37, 373–387. [Google Scholar] [CrossRef]
  21. Goessling, J.; Seume, J.R. High-speed Digital Image Correlation (DIC) for measuring deformation and vibration of fast rotating fan blades. J. Phys. Conf. Ser. 2023, 2526, 012075. [Google Scholar] [CrossRef]
  22. Mata-Falcón, J.; Haefliger, S.; Lee, M.; Galkovski, T.; Gehri, N. Combined application of distributed fibre optical and digital image correlation measurements to structural concrete experiments. Eng. Struct. 2020, 225, 111309. [Google Scholar] [CrossRef]
  23. Janeliukstis, R.; Chen, X. Review of digital image correlation application to large-scale composite structure testing. Compos. Struct. 2021, 271, 114143. [Google Scholar] [CrossRef]
  24. Majid, R.-B.; Huber, C.; Shukla, K.; Karniadakis, G.E. Physics-informed Neural Networks (PINNs) for Wave Propagation and Full Waveform Inversions. ESS Open Arch. 2021, 127, e2021JB023120. [Google Scholar] [CrossRef]
  25. Abbas, R.M.; Jorshari, T.D.; Lü, C.; Ansari, R.; Kouzani, A.Z.; Amabili, M. A review of size-dependent continuum mechanics models for micro- and nano-structures. Thin-Walled Struct. 2021, 170, 108562. [Google Scholar] [CrossRef]
  26. De Luca, A.; Perfetto, D.; Polverino, A.; Aversano, A.; Caputo, F. Finite Element Modeling Approaches, Experimentally Assessed, for the Simulation of Guided Wave Propagation in Composites. Sustainability 2022, 14, 6924. [Google Scholar] [CrossRef]
  27. Ebrahimi, F.; Mohammadi, K.; Barouti, M.M.; Habibi, M. Wave propagation analysis of a spinning porous graphene nanoplatelet-reinforced nanoshell. Waves Random Complex Media 2019, 31, 1655–1681. [Google Scholar] [CrossRef]
  28. Habibi, M.; Mohammadi, A.; Safarpour, H.; Shavalipour, A.; Ghadiri, M. Wave propagation analysis of the laminated cylindrical nanoshell coupled with a piezoelectric actuator. Mech. Based Des. Struct. Mach. 2021, 49, 640–658. [Google Scholar] [CrossRef]
  29. Janovec, M.; Bugaj, M.; Smetana, M. Eddy Current Array Inspection of Riveted Joints. Transp. Res. Procedia 2019, 43, 48–56. [Google Scholar] [CrossRef]
  30. Korbel, A. Effect of aircraft rivet installation process and production variables on residual stress, clamping force and fatigue behaviour of thin sheet riveted lap joints. Thin-Walled Struct. 2022, 181, 110041. [Google Scholar] [CrossRef]
  31. Liu, Y.; Han, L.; Zhao, H.; Liu, X. Evaluation and correction of cutting position’s effects on quality indicator measurement of self-piercing riveted joint. Mater. Design 2021, 202, 109583. [Google Scholar] [CrossRef]
  32. Kim, K.-Y.; Sim, J.; Jannat, N.-E.; Ahmed, F.; Ameri, S. Challenges in riveting quality prediction: A literature survey. Procedia Manuf. 2019, 38, 1143–1150. [Google Scholar] [CrossRef]
  33. Liu, J.; Zhao, A.; Ke, Z.; Zhu, Z.; Bi, Y. Influence of Rivet Diameter and Pitch on the Fatigue Performance of Riveted Lap Joints Based on Stress Distribution Analysis. Materials 2020, 13, 3625. [Google Scholar] [CrossRef]
  34. Xie, Z.; Chen, F.; He, W. The effects of ultrasonic vibration on riveting quality. Sci. Rep. 2022, 12, 12948. [Google Scholar] [CrossRef] [PubMed]
  35. Wang, Y.; Zhao, H.; Li, X.; Jiang, H. High-Accuracy 3-D Sensor for Rivet Inspection Using Fringe Projection Profilometry with Texture Constraint. Sensors 2020, 20, 7270. [Google Scholar] [CrossRef] [PubMed] [PubMed Central]
  36. Saldaña-Heredia, A.; Martínez-Calzada, V.; Márquez-Aguilar, P.A.; Hernández-Cruz, D. Optical Characterization of a Pendular Impact. Front. Phys. 2020, 8, 329. [Google Scholar] [CrossRef]
  37. Saldaña-Heredia, A.; Martínez-Calzada, V.; Villar-Ramírez, V.U.D.; Rodríguez-Torres, A. Optical measurement of an impact reaction in a modeled wing. Front. Phys. 2022, 10, 770536. [Google Scholar] [CrossRef]
  38. Khurmi, R.S.; Gupta, J.K. A Textbook of Machine Design; Eurasia Publishing House Pvt. Ltd.: Ram Nagar, India, 2005. [Google Scholar]
  39. Laserglow Technologies. LCS-0532 Low-Cost DPSS Laser System Laserglow Part Number: C53200XSX, Laser Product Datasheet Generated on (2015); Laserglow Technologies: North York, ON, Canada, 2015. [Google Scholar]
  40. iPhone 13 Pro Data Sheet. Available online: https://support.apple.com/en-us/111871 (accessed on 3 October 2024).
  41. Doyle, J.F. Wave Propagation in Structures: Spectral Analysis Using Fast Discrete Fourier Transforms, 2nd ed.; Mechanical Engineering Series; Springer: Berlin/Heidelberg, Germany; New York, NY, USA, 1997. [Google Scholar]
  42. Dainty, J.C. Laser Speckle and Related Phenomena; Springer: Berlin/Heidelberg, Germany; New York, NY, USA, 1975. [Google Scholar]
  43. Martínez-Calzada, V.; Tapia-Pérez, F.d.J.; Rodríguez-Torres, A.; Saldaña-Heredia, A. Optical Analysis of the Impact Transmission in Steel Sheet Arrays with Bolted-Type Joints. Appl. Sci. 2023, 13, 9275. [Google Scholar] [CrossRef]
Disclaimer/Publisher’s Note: The statements, opinions and data contained in all publications are solely those of the individual author(s) and contributor(s) and not of MDPI and/or the editor(s). MDPI and/or the editor(s) disclaim responsibility for any injury to people or property resulting from any ideas, methods, instructions or products referred to in the content.

Article Metrics

Citations

Article Access Statistics

Multiple requests from the same IP address are counted as one view.