Effect of Internal AC Heating on the Temperature Homogeneity of Different Size Battery Cells
Abstract
:1. Introduction
2. Review of Current Work
2.1. Temperature Homogenity
2.2. Effect on Degradation
2.3. Heating Circuits
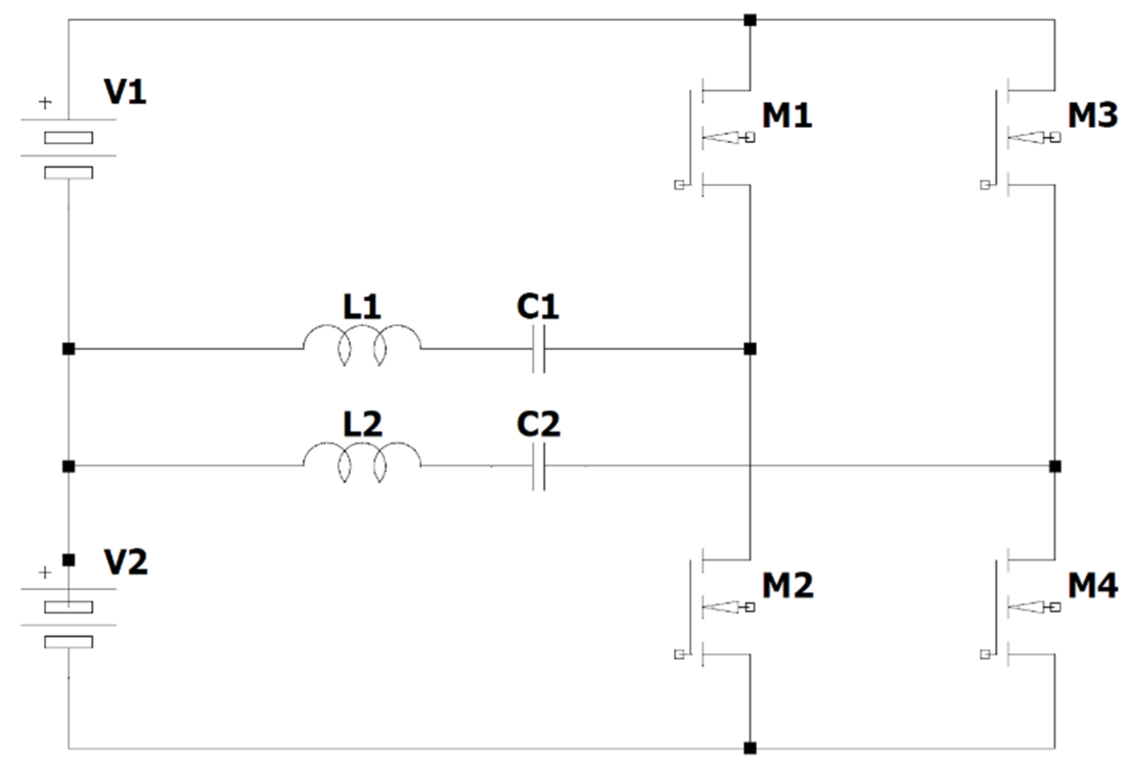
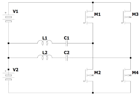
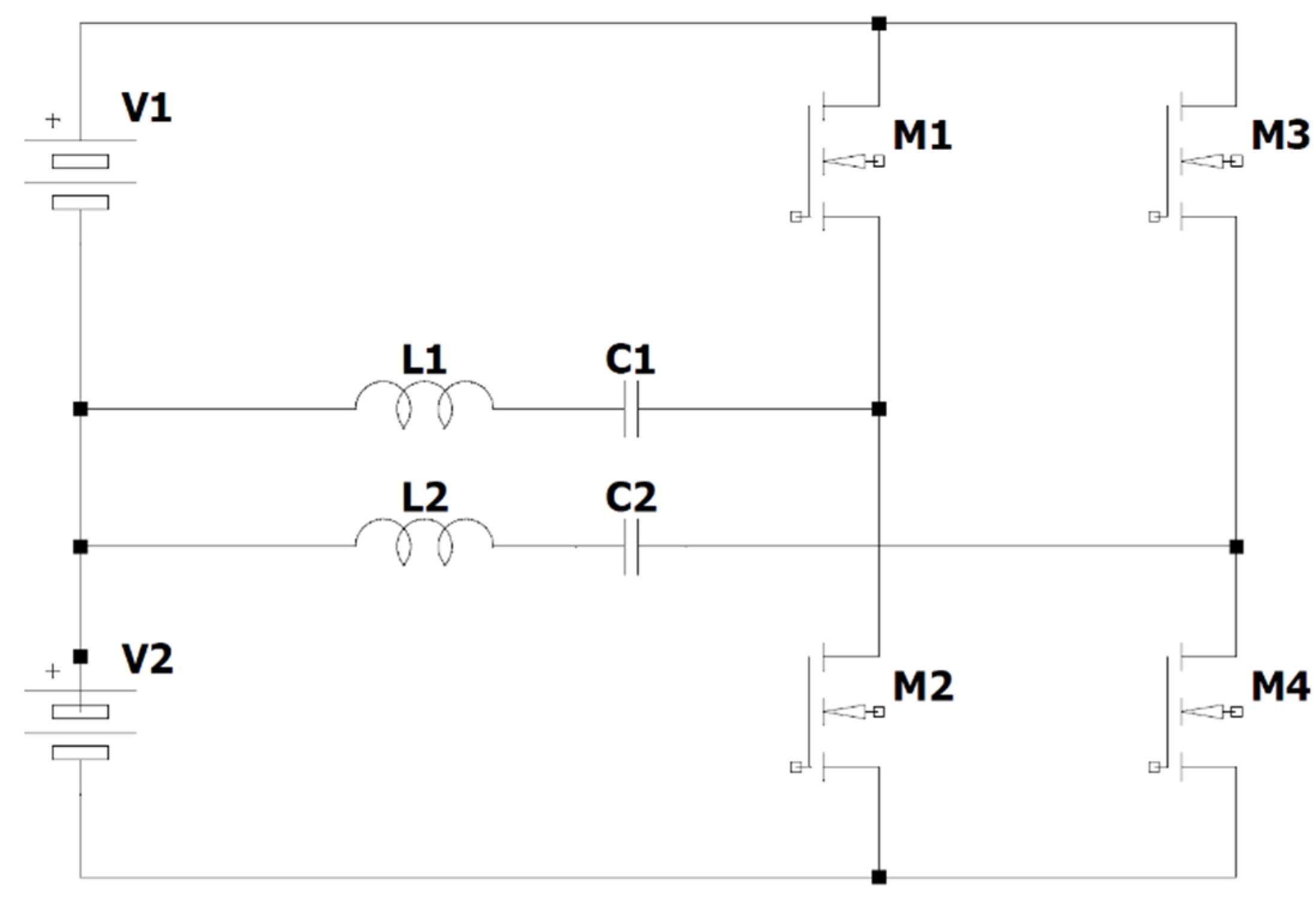
3. Experimental Setup
4. Results
4.1. Effect of Cell Size on Heating Efficacy and Homogeneity
4.2. Cell Surface Temperature Profiles
5. Discussion
5.1. Effect of Cell Size on Heating Efficacy
5.2. Effect of Cell Type on Temperature Homogeinty
6. Conclusions
Author Contributions
Funding
Institutional Review Board Statement
Informed Consent Statement
Data Availability Statement
Acknowledgments
Conflicts of Interest
References
- Armand, M.; Tarascon, J.M. Building Better Batteries. Nature 2008, 451, 652–657. [Google Scholar] [CrossRef]
- Zhang, S.S.; Xu, K.; Jow, T.R. The low temperature performance of Li-ion batteries. J. Power Sources 2003, 115, 137–140. [Google Scholar] [CrossRef]
- Babbitt, C.W. Sustainability perspectives on lithium-ion batteries. Clean Technol. Environ. Policy 2020, 22, 1213–1214. [Google Scholar] [CrossRef]
- Mancini, L.; Eslava, N.A.; Traverso, M.; Mathieux, F. Assessing impacts of responsible sourcing initiatives for cobalt: Insights from a case study. Resour. Policy 2021, 71, 102015. [Google Scholar] [CrossRef]
- Kwik-Fit. Available online: https://www.kwik-fit.com/press/pandemic-has-caused-almost-14-million-uk-drivers-to-change-their-car-buying-plans (accessed on 10 November 2021).
- Ji, Y.; Wang, C.Y. Heating strategies for Li-ion batteries operated from subzero temperatures. Electrochim. Acta 2013, 107, 664–674. [Google Scholar] [CrossRef]
- Hu, X.; Zheng, Y.; Howey, D.A.; Perez, H.; Foley, A.; Pecht, M. Battery warm-up methodologies at subzero temperatures for automotive applications: Recent advances and perspectives. Prog. Energy Combust. Sci. 2020, 77, 1000806. [Google Scholar] [CrossRef]
- Peng, X.; Chen, S.; Garg, A.; Bao, N.; Panda, B. A review of the estimation and heating methods for lithium-ion batteries pack at the cold environment. Energy Sci. Eng. 2019, 7, 645–662. [Google Scholar]
- Ruan, H.; Jiang, J.; Sun, B.; Su, X.; He, X.; Zhao, K. An optimal internal-heating strategy for lithium-ion batteries at low temperature considering both heating time and lifetime reduction. Appl. Energy 2019, 256, 113797. [Google Scholar]
- Mohan, S.; Siegel, J.B.; Stefanopoulou, A.G.; Vasudevan, R. An Energy-Optimal Warm-Up Strategy for Li-Ion Batteries and Its Approximations. IEEE Trans. Control. Sys. Tech. 2019, 27, 1165–1180. [Google Scholar] [CrossRef]
- Ruan, H.; Jiang, J.; Sun, B.; Zhang, W.; Gao, W.; Wang, L.Y.; Ma, Z. A rapid low-temperature internal heating strategy with optimal frequency based on constant polarization voltage for lithium-ion batteries. Appl. Energy 2016, 177, 771–782. [Google Scholar] [CrossRef] [Green Version]
- Zhu, J.; Sun, Z.; Wei, X.; Dai, H.; Gu, W. Experimental investigations of an AC pulse heating method for vehicular high power lithium-ion batteries at subzero temperatures. J. Power Sources 2017, 367, 145–157. [Google Scholar] [CrossRef]
- Rizk, R.; Louahlia, H.; Gualous, H.; Schaetzel, P.; Alcicek, G. Experimental analysis on Li-ion battery local heat distribution. J. Therm. Anal. Calorim. 2019, 138, 1557–1571. [Google Scholar] [CrossRef]
- Jiang, J.; Ruan, H.; Sun, B.; Wang, L.; Gao, W.; Zhang, W. A low-temperature internal heating strategy without lifetime reduction for large-size automotive lithium-ion battery pack. Appl. Energy 2018, 230, 257–266. [Google Scholar] [CrossRef]
- Ge, H.; Huang, J.; Zhang, J.; Li, Z. Temperature-Adaptive Alternating Current Preheating of Lithium-Ion Batteries with Lithium Deposition Prevention. J. Electrochem. Soc. 2015, 163, A290–A299. [Google Scholar] [CrossRef]
- Uddin, K.; Moore, A.D.; Barai, A.; Marco, J. The effects of high frequency current ripple on electric vehicle battery performance. Appl. Energy 2016, 178, 142–154. [Google Scholar] [CrossRef] [Green Version]
- Shang, Y.; Liu, K.; Cui, N.; Zhang, Q.; Zhang, C. A Sine-Wave Heating Circuit for Automotive Battery Self-Heating at Subzero Temperatures. IEEE Trans. Inustr. Inform. 2020, 16, 3355–3365. [Google Scholar] [CrossRef]
- Shang, Y.; Liu, K.; Cui, N.; Wang, N.; Li, K.; Zhang, C. A Compact Resonant Switched-Capacitor Heater for Lithium-Ion Battery Self-Heating at Low Temperatures. IEEE Trans. Power Electron. 2020, 35, 7134–7144. [Google Scholar] [CrossRef]
- Venkateshan, S.P. Introduction to the Study of Heat Transfer. In Heat Transfer, 3rd ed.; Springer: Cham, Switzerland, 2021; p. 14. [Google Scholar]
- Samba, A.; Omar, N.; Gualous, H.; Capron, O.; Van den Bossche, P.; Van Mierlo, J. Impact of Tab Location on Large Format Lithium-Ion Pouch Cell Based on Fully Coupled Tree-Dimensional Electrochemical-Thermal Modeling. Electrochim. Acta 2014, 147, 319–329. [Google Scholar] [CrossRef]
- Drake, S.J.; Wetz, D.A.; Ostanek, J.K.; Miller, S.P.; Heinzel, J.M.; Jain, A. Measurement of anisotropic thermophysical properties of cylindrical Li-ion cells. J. Power Sources 2014, 252, 298–304. [Google Scholar] [CrossRef]








| Cell | Capacity (mAh) | Chemistry | Dimensions (mm) | 
|---|---|---|---|
| Molicel INR-18650-P26A | 2600 | NMC | Cylindrical: Ø18 × 65 | 
| Molicel INR-21700-P42A | 4200 | NMC | Cylindrical: Ø21 × 70 | 
| DTP Pouch Cell 2000 mAh | 2000 | LCO | 5 × 47 × 62.5 | 
| DTP Pouch Cell 1000 mAh | 1000 | LCO | 5 × 34 × 44 | 
| DTP Pouch Cell 110 mAh | 110 | LCO | 3.5 × 14 × 21 | 
| Cell | Capacity (mAh) | Surface Area: Volume (mm−1) | Impedance @300 Hz (Ω) | Heat Generation: Surface Area (W/mm2) | 
|---|---|---|---|---|
| Molicel INR-18650-P26A | 2600 | 0.253 | 0.199 | 1286 | 
| Molicel INR-21700-P42A | 4200 | 0.219 | 0.088 | 1169 | 
| DTP Pouch Cell 2000 mAh | 2000 | 0.475 | 0.126 | 289 | 
| DTP Pouch Cell 1000 mAh | 1000 | 0.504 | 0.169 | 179 | 
| DTP Pouch Cell 110 mAh | 110 | 0.810 | 0.309 | 18 | 
| Cell | Temperature over Ambient (°C) | Joule Heating (W) | Surface Area (mm2) | (W/m2K) | 
|---|---|---|---|---|
| Pouch, 2000 mAh | 13.62 | 2.016 | 6970 | 21.2 | 
| Pouch, 1000 mAh | 6.68 | 0.676 | 3772 | 26.8 | 
| Pouch, 110 mAh | 0.84 | 0.015 | 833 | 21.5 | 
| Publisher’s Note: MDPI stays neutral with regard to jurisdictional claims in published maps and institutional affiliations. | 
© 2022 by the authors. Licensee MDPI, Basel, Switzerland. This article is an open access article distributed under the terms and conditions of the Creative Commons Attribution (CC BY) license (https://creativecommons.org/licenses/by/4.0/).
Share and Cite
Richards, H.; Vagg, C. Effect of Internal AC Heating on the Temperature Homogeneity of Different Size Battery Cells. Batteries 2022, 8, 17. https://doi.org/10.3390/batteries8020017
Richards H, Vagg C. Effect of Internal AC Heating on the Temperature Homogeneity of Different Size Battery Cells. Batteries. 2022; 8(2):17. https://doi.org/10.3390/batteries8020017
Chicago/Turabian StyleRichards, Howard, and Christopher Vagg. 2022. "Effect of Internal AC Heating on the Temperature Homogeneity of Different Size Battery Cells" Batteries 8, no. 2: 17. https://doi.org/10.3390/batteries8020017
APA StyleRichards, H., & Vagg, C. (2022). Effect of Internal AC Heating on the Temperature Homogeneity of Different Size Battery Cells. Batteries, 8(2), 17. https://doi.org/10.3390/batteries8020017
 
         
                                                

 
       