Abstract
The increasing number of electric vehicles (EVs) on the roads has led to a rise in the number of batteries reaching the end of their first life. Such batteries, however, still have a capacity of 75–80% remaining, creating an opportunity for a second life in less power-intensive applications. Utilising these second-life batteries (SLBs) requires specific preparation, including grading the batteries based on their State of Health (SoH); repackaging, considering the end-use requirements; and the development of an accurate battery-management system (BMS) based on validated theoretical models. In this paper, we conduct a technical review of mathematical modelling and experimental analyses of SLBs to address existing challenges in BMS development. Our review reveals that most of the recent research focuses on environmental and economic aspects rather than technical challenges. The review suggests the use of equivalent-circuit models with 2RCs and 3RCs, which exhibit good accuracy for estimating the performance of lithium-ion batteries during their second life. Furthermore, electrochemical impedance spectroscopy (EIS) tests provide valuable information about the SLBs’ degradation history and conditions. For addressing calendar-ageing mechanisms, electrochemical models are suggested over empirical models due to their effectiveness and efficiency. Additionally, generating cycle-ageing test profiles based on real application scenarios using synthetic load data is recommended for reliable predictions. Artificial intelligence algorithms show promise in predicting SLB cycle-ageing fading parameters, offering significant time-saving benefits for lab testing. Our study emphasises the importance of focusing on technical challenges to facilitate the effective utilisation of SLBs in stationary applications, such as building energy-storage systems and EV charging stations.
1. Introduction
Lithium-ion batteries are one of the most promising technologies utilised in energy-storage systems. They are manufactured in different capacities and chemistries to satisfy the needs of various stationary and dynamic applications [1,2]. The increase in the number of lithium-ion batteries, due to the considerable uptake of EVs, has raised concerns over their end-of-life treatments, which range from recycling to reusing and repurposing strategies [3,4,5].
Recycling lithium-ion batteries remains challenging due to the variability in materials that comprise its components, with each requiring specific recycling processes [6,7]. The economic viability of recycling techniques and processes is also still being improved with government initiatives and dedicated specialised resource allocations [8]. Huge up-scaled infrastructure with significant investment is required in various geographical locations for recycling the batteries at their end of life [9]. Manufacturers in Europe are becoming responsible for collecting and processing the batteries after they reach their end of life [7,10] resulting in a potential increase in the cost of electric vehicles in the future [11,12]. An increase in the number of EVs on the roads leads to a significant increment of the demand for the lithium and other rare materials used in manufacturing batteries, resulting in an increase in the battery-pack cost [13]. Since the battery-pack cost accounts for approximately 40% of the total cost of an EV, the total price of the EVs will rise in the future [13]. On the other hand, the infrastructure for the recycling process of the batteries should be expanded by the manufacturers to compensate for the mismatch between the recycling capacity and the increasing capacity of the retired batteries from EVs, which also results in an increase in the EVs’ cost [13].
Batteries from EVs are considered to be at their end of life when they reach 75–80% of their nominal capacities [14]. Prolonging the batteries’ service life, given the significant environmental impacts associated with their production, is crucial both in terms of resource efficiency and meeting global net-zero targets [15,16,17]. Second-life batteries are being used in various applications, such as in the building of energy-storage systems [18,19], EV charging stations [16,20,21], and micro-grid-scale energy systems [22,23,24].
In order to use second-life batteries in different applications, the second-life modules need to be disassembled from the vehicle, tested and graded for their SoH, and assembled again in a new pack specifically designed for the new application [25]. Based on the results of the study performed by Casals et al. [26,27], employment of second-life batteries in building applications (integrated with solar systems) results in greater profit than from first-life batteries among all potential applications for the technology. They also compared the application of first- and second-life batteries in buildings in another study, as shown in Figure 1 [28], and demonstrated that both scenarios are almost the same in terms of energy performance and environmental impact. However, second-life batteries achieved lower values in the studied environmental indicators, except for the abiotic depletion potential, human toxicity cancer and non-cancer effect, and freshwater ecotoxicity [29].
Figure 1.
The employment of first- and second-life batteries in building applications studied by Cusenza et al. [28]. (a) Whole life cycle of the battery considering the second-life usage and (b) life cycle of the battery without considering the second-life usage.
The market demand for second-life batteries is heavily affected by their financial benefit over brand-new batteries. Various studies demonstrated that the SLBs’ degradation is one of the main factors affecting their overall cost [26,30,31]. Employment of second-life batteries in buildings equipped with renewable energy systems has been demonstrated to result in a lower initial investment and also life-cycle emissions [32,33]. There, however, exist several challenges to their full adoption. Mathews et al. [34] highlight that there is still a lack of comprehensive technical assessment in the literature on second-life batteries that is negatively affecting their commercialisation potential.
Bishnu Sanghai et al. [35] believes that governments should push the market through new policies for launching a new market for second-life batteries. They also point out that liability concerns envisaged for the SLBs, such as the lack of performance data from the first life of the lithium-ion batteries and the economic uncertainties in upfront costs, are some of the important challenges with this technology, all of which can be addressed by the legislation of new policies. Existing performance standards for the certification process are also lacking, which are required by the insurance industry to provide the guarantee for these kinds of batteries to be sold on the market and installed in stationary energy-storage systems. It is also mentioned by Li et al. [36] that there is still no global and regional policy for developing the SLB market. For instance, the trigger for developing the SLB market in Ontario, Canada, would be a reduction in the installation and maintenance costs associated with SLBs; this can be achieved by the legislation of new policies by the government, which would also lead to a decrease in the risk of blackouts. SLBs from different EVs might have a different initial capacity or state of health (SOH), which is known as cell-to-cell variation [37]. There is no standard for regrouping and reassembling such batteries for secondary usage at the moment. The “SAE Standards for Battery secondary use J2997” published by SAE International is being updated; however, there is no update yet available on their website [38]. Drafts named IEC 63330 [39] and IEC 63338 [39] are being prepared by the IEC committee on the “requirements for reuse of secondary batteries” and “the reuse of secondary lithium and nickel metal-hydride cells and batteries after extraction from the application they were first placed on the market with”, respectively. IEC 63330 focuses on safety evaluations of the EV retired batteries for second-life applications, and IEC 63338 introduces a guide on the safe and environment-oriented reuse of these batteries for different purposes. In the meantime, the UL1974 standards [39] (Standard for Evaluation for Repurposing Batteries) is being used in the US for certifying second-life batteries [39].
As can be seen in Figure 2, the number of scientific articles published on various subjects related to SLBs have seen a significant increase in the last decade. The economic analysis of second-life batteries forms the majority of the studies. In most of the studies with a modelling focus, a simple second-life battery model is adopted to assess the economic benefits of an installation with limited consideration of the technical aspects. The literature also indicates that there are few studies performed on the experimental analysis of second-life batteries, supporting the need to develop advanced mathematical models.
Figure 2.
Number of publications related to second-life batteries in various subjects from 2012 to 2022 [40].
Automotive manufacturers and battery manufacturers are expected to be responsible for reusing or recycling the batteries at their end of life [41,42]. By increasing the number of EVs and, consequently, incrementing the number of retired batteries, there is incentive for manufacturers to create a second revenue stream from the batteries before recycling them [43]. Multiple barriers to upscaling the use of SLBs, however, exist in the market.
One of the main barriers in repurposing retired lithium-ion batteries is the lack of battery-management systems specifically designed for SLB packs. The majority of the existing BMSs on the market are designed for first-life batteries. Adopting such BMSs with second-life batteries, which have different degradation behaviour and characteristics compared with first-life batteries, can cause potential safety issues (thermal runaways) in addition to missing significant performance-optimisation opportunities. There are some companies working on developing BMSs for second-life batteries [44,45]; however, the provided BMSs have not yet satisfied insurance-company requirements for providing insurance for SLB packs being used in different applications, such as building energy-storage systems. Developing a BMS specifically for SLB applications requires the development of a mathematical model of the proposed SLBs and their characterisation using experimental tests.
This paper reviews the recent studies on the experimental analysis and the developed mathematical models for SLBs followed by an overview of the testing protocols needed for the characterisation and validation of the SLBs. These are introduced for cylindrical and prismatic cells. The results of this study provide a roadmap for developing robust mathematical models supporting the design of SLB-focused BMSs.
2. Battery Chemistry
The chemistry of lithium-ion batteries is defined based on their cathode material [46]. There are a large number of batteries with different chemistries available on the market and installed in various electric vehicles. However, due to the restrictions of time for performing experiments in the battery-testing lab, tests may be conducted on a limited number of samples. Accordingly, a study was performed to assess the number of licensed ultra-low-emission vehicles (ULEVs) on the road (Table 1) [47]. The UK government has published statistical data from monitoring the number of ULEVs on the roads in the UK. This data have been downloaded and used to define the most common battery chemistry used in ULEVs in the UK.
Table 1.
The number of licensed ULEVs in the UK until 2021-Q2 [47].
Based on the results presented in Table 1, the aggregated number of vehicles with an NMC lithium-ion battery is significantly higher than the ones with an LFP battery in the UK. Their total capacity is also higher, as can be seen in Figure 3a,b. In addition, the industrial projects being carried out in Europe that are related to second-life batteries are listed and shown in Table 2. In most of the projects, the prismatic lithium-ion NMC second-life batteries are used. The majority of the SLBs are used for grid stabilization and peak shaving in the performed projects within Europe.

Figure 3.
The (a) total number and (b) capacity of the licensed ULEVs in UK with various chemistries.
Table 2.
The performed industrial projects related to second-life batteries in Europe [48].
3. Mathematical Modelling
Mathematical models of lithium-ion batteries are utilised to estimate multiple parameters, including the battery voltage, state of charge, state of health, and temperature at various levels (cell, module, and pack) [49,50,51]. In theory, it would be ideal to develop, characterise, and validate the battery models at the cell level. Testing SLBs at the module level neglects the cell-to-cell variations inside the module. This has been the basis of many research publications [52,53], which could lead to inaccuracies in performance optimisations. However, as second-life batteries are already being sold at the module level on the market [54], disassembling the battery modules to access the cells is not rational and would impose additional costs to the repurposing process.
3.1. Modelling Techniques
Various methodologies are used in the literature for the mathematical modelling of the batteries on different scales (cell, module, and pack). Physics-based models have been demonstrated to require long computational processing times, hence making such models undesirable, especially in relation to BMS programming [55]. However, simplified P2D models are used often because of their quick computational processing time [56]. Adopting reduced-order models, such as equivalent-circuit models (ECMs), are suggested as being more desirable [57]. In addition, in most of the studies related to modelling the second-life batteries, ECMs are chosen as the methodology for the modelling process. Therefore, various types of equivalent-circuit models (ECMs) as well as a simplified P2D model are explored and reviewed in this study.
3.1.1. Simplified P2D Model
The pseudo-two-dimensional (P2D) model uses partial differential equations to obtain the physico-chemical parameters of the lithium-ion battery during operation [58]. Using this method to model the retired batteries allows the determination of micro-health parameters, offering a multi-dimensional categorisation foundation for these batteries that is used for a detailed state-of-health estimation [37,58]. The computational complexity of the P2D model is reduced by using a single-particle model, which converts it into a simplified P2D model [58]. A schematic diagram of this model is shown in Figure 4. As shown in this figure, the cell is separated into three zones: the negative electrode, the positive electrode, and the separator [59]. In P2D models, there are five partial differential equations used to reflect the electrochemical processes within the cell [59].
Figure 4.
Schematic diagram of the P2D model [58].
3.1.2. Equivalent-Circuit Model
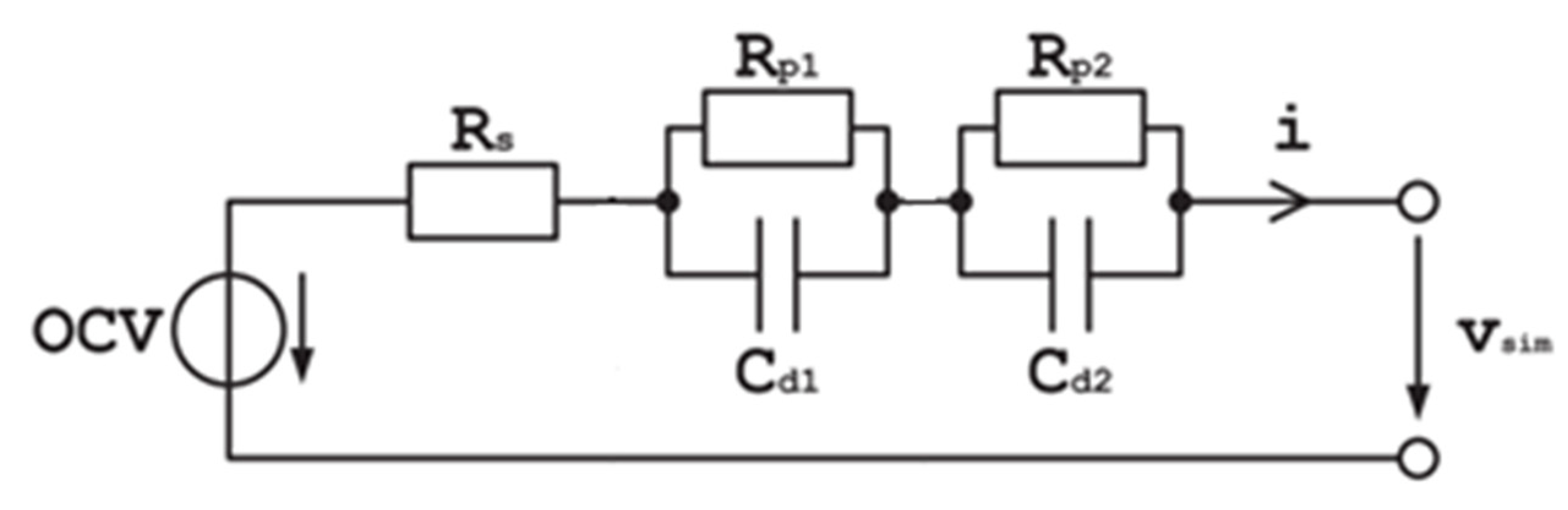
Equivalent-circuit models (ECMs) have been commonly used in most of the recent studies, in which the mathematical model of the second-life batteries is presented. For example, a second-order ECM model was used by Hart et al. [60], enabling them to consider transient voltage (1RC) and long-term transient effects (e.g., relaxation effects) (2RC) in their proposed model [61], which is shown in Figure 5. In that study, the resistance and capacitance parameters were also obtained using electrochemical-impedance spectroscopy (EIS) tests on the battery cells.
Figure 5.
The second-order ECM used by Hart et al. [60].
As shown in Figure 5, in the second-order ECM, the OCV, which represents the battery SOC, can be ideally approximated by a voltage source. Rs accounts for the cell’s ohmic resistance. The transient behaviour of the battery is described by the first parallel RC branch (Rp1 and Cd1) and the second RC branch (Rp2 and Cd2). The calculation for the terminal voltage (Vsim) follows the equations below [50]:
where , , , and represent the cell current, the nth polarization capacitance, the nth polarization resistance, and the nth time constant, respectively [50].
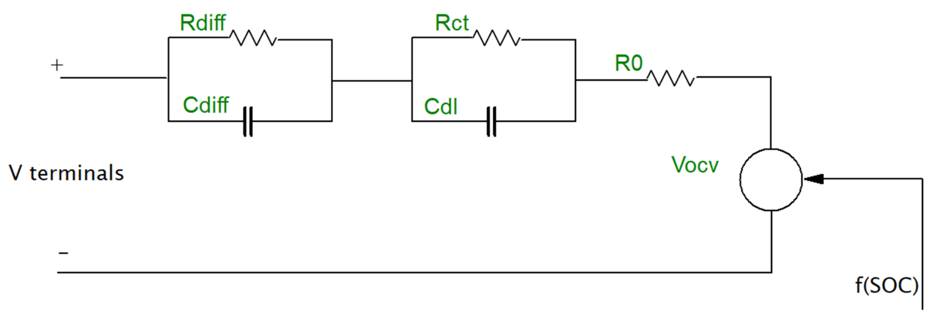
An increment in RCs in the ECM results in higher accuracy while also increasing the simulation time [62]. A first-order ECM is used by many other researchers due to its simple mathematical structure and fast simulation time while providing acceptable accuracy (approximately lower than 2% error) [52,62,63,64]. In a first-order ECM, the battery model diagram includes a resistance (R0) connected in series to a resistance–capacitance network, as shown in Figure 6 [63]. In this figure, the R0, RCT, and CDL represent the battery-cell ohmic resistance, charge-transfer resistance, and double-layer capacitance, respectively. A first-order ECM was also employed by Abdel-Monem et al. [62] to model two second-life batteries with different geometries. They reported the maximum error of the first-order ECM (also named as the Thevenin model or 1RC-ECM) as 1.5% and demonstrated that their model provides accurate dynamic behaviour estimation for second-life batteries used in a stationary energy-storage application.
Figure 6.
1RC-ECM used by Uddin et al. [63].
In another study published by Locorotondo et al. [65], the electrical Randles-circuit model, which is a type of ECM, was employed for the modelling of second-life batteries. As demonstrated in Figure 7, this model consists of resistance and constant-phase elements (CPEs) and different RCs. The employment of CPEs leads to better matching of EIS data and the fitted parameters. Moreover, the CPE acts as a capacitor, and it contains two parameters: capacitance and the depression factor. CPEs are conventionally employed in ECM methodologies when the Nyquist diagrams coming from the EIS consist of semi-elliptical arcs. Furthermore, the fitting error has been minimised using the Levenberg–Marquardt algorithm (LMA) during the fitting procedure. More information about the employment of EIS analysis for the modelling of second-life batteries can be found in [66].
Figure 7.
The ECM-type electrical Randles-circuit model used by Locorotondo et al. [65].
3.1.3. SoX Estimation Algorithms
One of the main features of a BMS is estimating the state of charge (SoC), health, and temperature of the batteries [67]. Such battery parameters can be accurately estimated by integrating different mathematical algorithms with characterised equivalent-circuit models. These algorithms will modify the operational parameters of the batteries in steady-state conditions according to the charge, temperature, and degradation state of the modules [68,69,70]. The main parameters that will be affected by the degradation of the batteries are the battery charge capacity, terminal resistance, and open-circuit voltage [71].
For estimating the cell temperature, Uddin et al. [63] integrated a bulk-thermal model with 1RC-ECM as presented below:
where , , , and are the cell mass, cell heat capacity, convective heat transfer coefficient from the cell to the environment, cell surface area, and ambient temperature, respectively.
Others have coupled the extended Kalman filter (EKF) with the ECM model for the prediction of the battery-cell SoC [64]. Tong et al. [64] compared the full-scale EKF and worst-difference EKF, which are commonly employed for SoC estimation of the second-life battery cells. The 1RC-ECM was integrated with the two EKF models to assess the accuracy of SoC estimation by these methodologies, which demonstrated that the EKF model is capable of estimating the SoC of the second-life battery cell with an error of below 4%.
To incorporate the ageing effects into the models developed for second-life batteries, Assunção et al. [53] coupled a degradation model with a second-order ECM. In their work, the battery packs were used in a PV-integrated energy system and discrete-calculus methods were employed for solving the equations. Degradation models need to be employed in such cases to reflect cycle- and calendar-ageing impacts, which require matrix estimations and continuous calculus methodologies. Therefore, a degradation model developed by Xu [72] was coupled to a second-order ECM for a more accurate estimation of the ageing parameters. Furthermore, an ECM with four resistance–capacitance pairs was employed by Casals et al. [73] for modelling the battery energy-storage system (Figure 8). They also presented some empirical-based equations to reflect the cyclic-ageing and calendar-ageing effects in the model (the algorithm used is shown in Figure 9).
Figure 8.
The ECM-4RC used by Casals et al. [73].
Figure 9.
The methodology used by Casals et al. [73] for considering ageing effects in the developed ECM.
The SoH analysis and diagnosis of the battery cells can be categorised into two groups; destructive and non-destructive tests for the determination of battery SoH and degradation analysis [74]. In destructive tests, the battery cell is analysed in terms of the active material and electrolyte degradation [74]. However, this is a very expensive and time-consuming methodology for SoH determination [74]. The most common non-destructive methods for the health assessment of lithium-ion batteries include electrochemical impedance spectroscopy (EIS), X-ray computed tomography (XCT), and ultrasonic testing (UT), which provide accurate estimations of the simultaneous SOC, SOH, and temperature parameters [75]. As an alternative efficient method for SoH estimation of the batteries and determination of the chemical and physical health of the cells, the electrochemical-impedance spectroscopy (EIS) method is recommended by most of the recent research [74,76,77,78]. In this method, the perturbing signal is injected by supplier into the battery cell, and the current and response voltage of the cell is sampled for calculating the impedance [78]. Locorotondo et al. [65] conducted a study on the degradation parametrisation and analysis of second-life batteries using the EIS method at the cell level. In their experiments, five batteries with various SoH values (between 100% and 50%) were chosen and tested using the EIS method. Based on their findings, two parameters obtained by the EIS analysis can be used for the SoH estimation and degradation analysis of second-life batteries; charge transfer and solid-electrolyte interphase (SEI) layer resistances [65]. SEI layer growth was reported as one of the major causes of capacity degradation in battery cells [74], which is mainly related to calendar ageing and high levels of SoCs and temperature [79]. The charge-transfer resistance parameter accounts for the charge-transfer resistance between electrodes affected by the Butler–Volmer kinetics of the reaction [65]. In addition, for considering calendar-ageing impacts in the experimental tests, it is recommended by Redondo-Iglesias et al. [79] that the battery cell should not be tested using fast-charging profiles.
Shabir et al. [76] have worked on upgrading the EIS method to simplify the computational algorithms and decrease the processing time for battery testing. EIS is suggested in that paper to be a promising and verified method to determine ageing effects in the batteries. It has also been demonstrated that the EIS analysis and methodology can be used as an alternative SoH prediction method for ECMs in modelling matters as it provides information about the health of different components used inside the cell.
Parameters such as temperature, initial cell charge, and time-dependent variables substantially influence the outcomes of EIS analysis. As a result, it is imperative to establish the intended application of the battery system prior to conducting tests in accordance with the conditions of the envisioned application. This approach ensures optimal accuracy in the modelling procedure and an SoH estimation that is relevant to the given application.
Zhang et al. [80] compared different conventional methods for estimating the SoH of a second-life battery. The comparison was performed between incremental capacity analysis (ICA), electrochemical-impedance spectroscopy (EIS), charge-discharge curve, and average Frechet distance (AFD) methods for a 15P4S module. Based on the results provided in their work, the highest SoH estimation accuracy among the mentioned methods belongs to the AFD methodology. Jiang et al. [81] performed a comparison between the regression models for of the estimating the SoH of retired LFP battery cells. The retired battery cells were aged using six demanding profiles. The destructive SoH evaluation method was employed to evaluate the loss of the lithium inventory and the loss of active material on the negative electrode parameters. The maximum error of the regression models used for the prediction of SoH was found to be up to 3%.
The SoH of second-life battery cells can also be predicted using machine-learning methods, as recommended by Bhatt et al. [82]. In that study, the charging and discharging curves and the first-life and second-life degradation experimental data of the battery cells were used to train three machine-learning models: MLP (multi-layer prediction), LSTM (long short-term memory network) and CNN (convolutional neural network). Various cases with and without K-fold cross-validation were employed to train the models. The minimum error was achieved in the K-fold cross-validation-trained models. In addition, the maximum accuracy in predicting the SoH was obtained in the LSTM model trained using the battery discharging profile. Another comparison among the non-destructive methods for the SoH estimation of lithium battery cells was performed by Sarmah et al. [77]. They extensively reviewed the literature and compared the accuracy of the most common SoH estimation methods. Based on the results of their review, the average SoH prediction error for the EIS method is below 2.1%, with the lowest error belonging to neural network models (Table 3). The aforementioned methodologies are effective for state-of-health predictions at the cell level; however, as second-life batteries are being used at the pack level, the total state of health of the module or pack should be estimated while considering cell-to-cell and module-to-module imbalances [83,84], the methodology of which has not been considered yet in the literature for second-life battery packs.
Table 3.
The SoH prediction methods’ error comparison (cell level) conducted by Sarmah et al. [77].
The retired battery modules of RENAULT KANGOO were studied by Quinard et al. [85], who pointed out that the second life of the battery begins when its capacity drops by 20% compared with its initial capacity or when a 200% impedance increase is achieved. The SoH, defined by capacity and impedance, is expressed as:
The study focuses on a fast offline SoH estimation method based on experimental data. For gathering the experimental data, the module voltage was analysed by applying CC-CV charges. The non-linear regression was employed for curve fitting the experimental capacity data using the equation provided below:
where B is the battery’s kinetic parameter during a constant voltage charge. It is reported that the abovementioned methodology provides acceptable accuracy for SoH estimation in first-life cells when the capacity fading is between 4% and 30%. However, the results of the Quinard [85] study showed that the accuracy of this methodology for SoH prediction in second-life cells is about 49%. The study demonstrated that the incremental capacity analysis (ICA) SoH estimating method indicates acceptable SoH predictions at low C-rates. Their assessment of the partial coulometric counter method for SoH prediction also concluded that it can be counted as one of the efficient offline SoH estimation methodologies, with an accuracy of more than 70%, and the tests are not time consuming. The comparison results of their work are presented in Table 4.
Table 4.
Comparison of the SoH methodologies [85].
The SoH estimation of Nissan Leaf second-life batteries using the ICA methodology was also evaluated using experimental data by Braco et al. [86]. The required data for the ICA was gained from CC charge experimental data with sampling at 1 s intervals. To define the noise and IC relation, the charges were divided into 200 equal time sections. The IC parameter was calculated using the equation below:
For removing the noise, a 12-point moving-average filter was used, which is claimed to be the best solution for providing the highest accuracy. MATLAB was used to identify the peaks and valleys in the filtered IC data. The influence of three parameters on the ICA of second-life batteries was considered: temperature, current, and degradation. The results show that the error of this SoH estimation technique is below 1.5% when the temperature and current are kept below 45 °C and C/2, respectively. Furthermore, employment of ICA provides useful information about the unknown degradation history of the second-life cells.
The ICA and infrared (IR) methodologies were used by Attidekou et al. [87] to determine the real end-of-life of second-life Nissan Leaf batteries. During the degradation process, the battery capacity, internal resistance, and temperature was logged every 50 cycles using RTP tests and a thermal camera mounted inside the thermal chamber. To effectively utilise the ICA method for high C-rates, it is necessary to employ filtering techniques to obtain accurate and satisfactory shapes of the ICA peaks and valleys. Therefore, the Savitsky–Golay filtering methodology was used by [87] to analyse the ICA results for high C-rates. Furthermore, their study included the depiction of battery surface-temperature variations over time as one of the indicators of ageing. The outcomes of their research have substantiated the ability of the SoH estimation methods to deliver highly accurate predictions for a battery’s next 100 cycles of life.
Pastor-Fernandez et al. [88] compared the accuracy of the EIS and incremental-capacity–differential-voltage methods used for SoH prediction in the management of battery storage systems. The same experimental data was used in both models to evaluate their performance and accuracy. Both techniques were shown to be suitable for SoH prediction in BMSs, and the accuracy of both models was higher than 95%.
Drawing from the findings of recent research, it is advised that the assessment of SoH of retired cells commence by conducting an EIS analysis on aged lithium-ion cells. This analysis should involve a comparison of output parameters with those obtained from the EIS analysis of new cells, thereby enabling an evaluation of the initial health of the cells. Moreover, it is imperative to establish the demand profile linked to the application of the storage system as a preliminary step. Subsequently, battery-ageing tests should be undertaken in accordance with the conditions inherent to that specific demand profile.
According to the information gathered from previous research, the electrochemical-impedance spectroscopy (EIS) method can offer dependable insights into the chemical and physical state of retired cells. This reveals the effects of both calendar and cycling ageing on the cells during their initial usage. Subsequently, ageing tests on the cells should be conducted using an EIS testing module, with the aim of ageing the cell to either 60% or 40% of its original capacity. Data should be recorded throughout this ageing process.
Following this step, an EIS model should be constructed to analyse the collected data and assess the degradation of the cells. This model will then be employed to estimate the SoH. To gauge the accuracy of the EIS method, its results can be compared to those obtained from the extended Kalman filter method (a model-based approach). This comparison serves to evaluate the EKF method’s accuracy and assess any discrepancies in the model’s outcomes.
The extended Kalman filter can also be integrated with the ECM, which is used to simulate the behaviour of the battery pack. This integration aids in estimating the SoH at both the individual cell and pack levels. While it is possible to directly couple the EIS model with the ECM model for SoH estimation, integrating the EKF with the ECM model is a simpler approach that results in a more robust model for the battery pack compared with integrated EIS-ECM models. A summary of different SoH estimation methods is shown in Figure 10.
Figure 10.
The SoH estimation methods [89].
Table 5 summarises the studies performed on the topic of second-life battery modelling. The ECM is a prevalent choice, with different orders and adaptations, demonstrating its versatility in capturing battery behaviour. In most cases, the ECM model is validated using hybrid pulse-power characterization (HPPC) and EIS data collected in the lab.
Table 5.
The summary table for second-life battery modelling methodologies.
The introduction of machine-learning techniques (multilayer perceptron (MLP), long short-term memory (LSTM), and convolutional neural network (CNN) [82]) indicates a shift towards data-driven modelling approaches in recent years. However, the robustness of such methodologies has only been assessed using LFP lithium-ion batteries, leaving a gap in the literature in assessing the accuracy of SoH methodologies in batteries with different chemistries. Battery chemistry and geometry play a crucial role in influencing the choice of methodology, as each chemistry and cell geometry has its unique characteristics.
Moreover, it can be also inferred from Table 5 that both cell-level and pack-level modelling are being explored, reflecting the significance of understanding battery performance at various scales. Most of the models, however, are developed and validated using cell data, where cell-to-cell and module-to-module variations in the second-life battery pack, including various SoH values, are neglected in most studies.
Additionally, a trade-off between simulation time and accuracy or a multi-optimisation procedure is required for defining the number of RCs in ECMs. Also, the integration of various thermal models with ECMs for predicting the heat dissipation of the second-life battery has not been studied in recent studies, which significantly affects the cooling-system sizing, leading to dramatic impacts on economic parameters of the energy-storage systems [90,91].
4. Experimental Analysis Methodologies
To properly understand and confirm the accuracy of the commonly used ECMs in mathematically describing second-life batteries, it is important to conduct experimental tests. These tests fall into different main categories based on their specific aims: rapid capacity, characterisation, and degradation tests.
To rapidly test the battery capacity and measure the highest and lowest voltages of retired batteries, various tools such as the Deutronic DBL1200HV-60 diagnostic and conditioning system workshop tool (Deutronic Electronic Technology Co., Ltd., Shenzhen, China) are available on the market [54]. While these tools offer a rapid overview of the battery status, they do not reveal the true electrochemical state of the battery or estimate its remaining useful life [92].
4.1. Testing Scale
Batteries that have been taken out of electric vehicles (EVs) and are no longer in use are accessible on the market either as individual modules or larger packs. Given that assembling these retired battery cells into packs can be expensive, battery-powered stationary applications have been constructed using retired modules/packs. To illustrate this, Table 6 showcases the specific second-life battery modules/packs that are currently available for purchase in the UK market.
Table 6.
The second-life battery module/packs available in the UK market [54].
When conducting experimental tests on second-life batteries at both the module and pack levels, the maximum voltage and nominal C-rates of these batteries hold significant importance [36,93,94]. These factors are crucial in ensuring that the battery pack’s voltage aligns well with other components within the intended system. Consequently, selecting the appropriate second-life module with the specific voltage and C-rate becomes pivotal, and this is driven by the technical specifications of the electrical network and the required capacity. The battery parameters for the models listed in Table 4 are visualised in Figure 11 [54]. Notably, a substantial difference between the battery-pack voltage and the consumer voltage can result in considerable energy losses via inverters and converters.
Figure 11.
The maximum current at 1C and voltages of the second-life modules presented in Table 4.
The maximum voltage of the second-life modules also affects the testing-protocol development in the laboratory. Some battery-cycler devices have poor accuracy when the voltage is below a specified range Hence, it is important to verify the voltage range of the testing equipment before acquiring second-life battery modules. Neglecting this step could lead to unnecessarily obtaining new modules solely to raise the total voltage to align with the testing equipment’s voltage criteria.
4.2. Characterisation Tests
HPPC tests have been performed to characterise the equivalent-circuit battery model for second-life batteries [95]. HPPC current pulses are applied to the second-life battery to obtain its voltage response in various SoCs in the laboratory [96]. After developing the ECM of the proposed SLB, HPPC pulses are applied to the theoretical model as the input current, and the voltage response is compared to the experimental values obtained in the laboratory [97,98]. Following that, optimum values of the ECM parameters in various SOCs are identified using fitting algorithms such as the Levenberg–Marquardt [99,100], trust-region reflective [101,102], and genetic [103,104] algorithms to minimise the error between the voltage response obtained by the model and the experiments. The overall process of the ECM characterisation is presented in Figure 12.
Figure 12.
Characterisation of the ECM using HPPC experimental data.
The current pulses utilized during HPPC tests may vary based on the intended application of the second-life battery. Consequently, it is necessary to characterise the ECM of the second-life battery according to these variations. In the study performed by Hart et al. [60], the HPPC tests were carried out along with EIS on a prismatic 70 Ah automotive Calb LiFePO4 cell to characterise the ECM, as demonstrated in Figure 13. The current pulse employed in the HPPC tests is illustrated in Figure 14. These tests were conducted at environmental temperatures of 10 °C and 30 °C. The characterisation of the ECM was undertaken to evaluate the performance of second-life battery packs for microgrid application. Notably, this study focused on characterising the second-life battery at the cell level.
Figure 13.
The ECM model parameters used by Hart et al. [60], the values of which were obtained from experimental degradation analyses.
Figure 14.
The HPPC test current pulses used by Hart et al. [60] for characterising the SLB cell.
In another work, Muhammad et al. [105] applied HPPC current pulses to Nissan Leaf battery cells that had been disassembled from different modules with varying SoHs. The HPPC current pulses and the voltage response of the cells are shown in Figure 15a and Figure 15b, respectively. Figure 15 demonstrates that the voltage responses are not the same for cells with different SoHs. In similar research carried out by Abdel Monem et al. [62] and Muhammad et al. [106], different current profiles were applied to the second-life battery at the cell level for the purpose of characterisation. These alternative current profiles are depicted in Figure 16 and Figure 17. The majority of the studies concerning the characterisation of second-life batteries through HPPC testing have been conducted at the cell level. However, it is important to note that a significant portion of SLBs sourced from EVs are available on the market as modules or packs. Disassembling these modules and packs can be expensive and impractical. As a result, there is a notable gap in the existing literature regarding the characterisation of SLBs at the module and pack levels, which needs further exploration.
Figure 15.
The HPPC test (a) current pulses used by Muhammad et al. [105] and (b) voltage responses of the SLB cells.
Figure 16.
The HPPC test current pulses applied to the SLB cell by Abdel Monem et al. [62].
Figure 17.
The HPPC test current pulses used by Muhammad et al. [106].
4.3. Degradation Tests
Degradation tests are performed to obtain the impact of degradation on the operating parameters of second-life batteries. The degradation can be categorised into two mechanisms for second-life batteries: cycle ageing and calendar ageing. In this section, the experimental methodologies discussed in the literature for the calendar ageing of second-life batteries are presented.
4.3.1. Calendar-Ageing Tests
For calendar-ageing tests, the SLB cell/module/pack is placed in a thermal chamber with a constant environmental temperature for a period of time [107]. Calendar ageing is an important parameter for SLBs as they might be stored for a long time before they are in use again [107,108]. Swierczynski et al. [109] studied the calendar ageing of second-life batteries under different conditions. LFP batteries were chosen due to their slow calendar-ageing mechanism, making them a perfect candidate for second-life application, and were aged using an accelerated calendar-ageing profile representative of four calendar years. The batteries were stored at a high temperature and SoC for an accelerated calendar-ageing test [109]. The results of their work also showed that LFP batteries are a suitable candidate for use in residential and UPS applications due to their slow capacity degradation during calendar ageing.
Uddin et al. [63] have stored the battery cells with different SoCs in a thermal chamber for 550 days and degraded them at various environmental temperatures—10 °C, 25 °C and 45 °C—in order to study the impacts of calendar ageing on battery ageing parameters.
The process of calendar ageing in second-life batteries demands a substantial amount of time dedicated to testing within a laboratory setting, as Timmermans et al. [110] have pointed out. To address this, they applied Arrhenius and Tafel electrochemical equations [110] to forecast the lifetime of the second-life batteries as influenced by parameters related to calendar ageing. The outcomes of their predictions are depicted in Figure 18.
Figure 18.
The lifetime prediction for SLBs using electrochemical equations [110].
Braco et al. [111] developed empirical-based equations for predicting how the SLBs’ resistance increment and capacity fade are affected by calendar ageing. In their work, the SLB cells were stored at different temperatures and SoCs, and the results were used to validate equations for predicting the SLB lifetime. The calendar-ageing tests were conducted over 750 days [111].
4.3.2. Cycle-Ageing Tests
During cycle-ageing tests, SLBs undergo charging and discharging using current profiles that mimic various applications. In most available studies, researchers employ accelerated ageing profiles to simulate the cycle degradation of SLBs. This approach reduces the testing duration in the laboratory. However, as also noted by Neubauer et al. [112], using standard accelerated current profiles for cycle degradation tests does not present a realistic scenario. In practice, these batteries experience degradation due to a range of random current profiles during their primary usage, significantly influencing their performance in the second-life cycle.
Swierczynski et al. [113] employed cycle-ageing current profiles derived from the loads experienced by batteries within a photovoltaic (PV) power plant. In their work, 150 20Ah NMC cells were degraded to their second life using real EV profiles. They also considered different environmental temperatures during the cycle-ageing tests and concluded that the environmental temperature has a significant impact on the battery ageing trend. In their study, the accelerated ageing profile was generated by scaling the ageing time down from two years to one month due to the time restrictions of the project.
Uddin et al. [63] conducted cycle ageing on second-life batteries by discharging the cells at rates of 0.4C, 0.8C, and 1.2C. These were carried out at depths of discharge (DoDs) of 30% as well as 80%. In addition, the battery cells’ capacity fade and increase in internal resistance were measured while they were discharged with a 1C current and pulsed current was applied at different SoCs, respectively. The results of their cycle-ageing tests indicated that the environment temperature considerably affected both parameters.
In the study performed by Martinez et al. [107], first-life batteries were degraded to second-life levels in the laboratory (with WLTC loads). Fresh cells were degraded using a WLTP standard driving-cycle profile. Cells with varying SoHs were categorised into two homogenous and heterogeneous modules in a series configuration and tested by applying the power-smoothing current profile of a real renewable application. The environmental temperature of 35 °C was chosen to accelerate the ageing tests in the thermal chambers. The battery-cell capacity fade and internal resistance increase were measured on a monthly basis during the ageing tests. The results of their work show that the ageing profile during the first life of the battery cells affects their second-life cycle ageing behaviour dramatically.
Vaidya et al. [114] degraded a plug-in hybrid electric vehicle (PHEV) battery pack to its second life using Federal Urban Driving Schedule (FUDS) load profiles. The powertrain of the proposed vehicle was modelled and simulated using the FUDS to obtain the voltage and current applied to the battery pack during its first life. Then, a protocol was designed to cycle-age the lithium-ion battery cells in the laboratory, considering the FUDS loads to degrade the battery cells to the beginning of their second life (Figure 19). After cycling the battery cells to their second life, the C/5-rate charging and discharging load was applied to the batteries for degradation analysis during their second-life application.
Figure 19.
The battery-cell degradation test protocol designed by Vaidya et al. [114].
Braco et al. [115] tested 10 fresh Nissan Leaf battery modules and 32 s-life Nissan Leaf battery modules experimentally. The tests were performed considering three temperatures in the thermal chambers—5 °C, 25 °C, and 45 °C—and three discharge rates: 0.5 C, 1 C, and 1.5 C. The results of their work show that the impact of the discharge current on the second-life battery capacity is more significant at lower temperature than at higher temperatures.
In another similar work performed by Braco et al. [116], six second-life battery modules were chosen randomly from a second-life pack with unknown degradation history. Accelerated cycling profile and RTP tests were applied to the cells every 25 cycles (see Figure 19) at 25 °C. Charging and discharging were executed under CC-CV and CC conditions, respectively. Their research employed two criteria to halt the experiments: capacity fade of over 6% during 100 consecutive cycles and capacity dropping below 30% (Figure 20). The outcomes revealed that the ageing threshold of Nissan Leaf second-life batteries with varying SoH levels fell between SoH values of 60% and 70%. Before reaching this threshold, the cells underwent 2033 equivalent full cycles. However, considering the accelerated ageing profile in the study, it can be inferred that the actual lifespan of Nissan Leaf second-life batteries surpasses 2033 full equivalent cycles.
Figure 20.
The accelerated cycling profile and RTP tests used by Braco et al. [116].
Jiang et al. [81] utilised three distinct load profiles, accompanied by CC-CV charging and discharging cycles, for the analysis of degradation in second-life LFP battery cells with a nominal capacity of 60 Ah. As illustrated in Figure 21, the battery cells underwent charging and discharging at rates of 2 C, 1.5 C, and 0.5 C for load profiles a, b, and c, respectively. An additional difference between loads a and b was their resting time. Due to load c having the lowest maximum current, this resulted in it having a broader SoC range, reflecting the battery’s peak-shaving application. Furthermore, capacity-fade measurements were taken at intervals of 2400 cycles, 600 cycles, and 60 cycles. The current applied to each cell per cycle was 6 Ah, 21.46 Ah, and 134.4 Ah for load profiles a, b, and c, respectively.
Figure 21.
Three load profiles (a–c) used by Jiang et al. [81] for degradation analysis of the battery cells.
Table 7 underscores the multidimensional nature of the research concerning experimental techniques utilised for the characterisation and degradation of second-life batteries.
Table 7.
The summary table for second-life battery experimental analysis methodologies. * is check mark.
The table illustrates that most studies involve testing at the cell level, with some extending their investigations to module and pack levels. The battery packs usually consist of a large number of modules and, in most cases, they have different SoHs for second-life packs. This suggests that a comprehensive approach to understanding battery behaviour across different hierarchical scales of the SLBs is a major gap in the literature.
Moreover, there are limited studies assessing the accuracy of the SoH techniques for second-life batteries, which is a critical parameter for economic calculations and battery-management systems. Furthermore, in most studies, the degradation analyses of second-life batteries are performed while considering only a single environmental temperature, neglecting the impact of temperature on the ageing of second-life batteries. Temperature and current variations are both only examined together in HPPC or RTP tests for battery characterisation, and they are not studied in degradation analyses due to time restrictions. In none of the reviewed studies were degradation analyses performed considering both different currents (c-rates) and temperatures; the analyses were only performed considering one of the abovementioned operating parameters. Therefore, the developed mathematical model is only valid for the assigned relevant temperature or c-rate, resulting in reduced flexibility of the developed model. The table also highlights that assessing battery performance under realistic usage scenarios could be further expanded. The inclusion of real profile testing and realistic operational conditions make the results and conclusions more relevant for practical battery usage.
5. Battery-Management Strategies
In the previous sections, the methodologies used for development of the battery model with the ECM approach and the characterisation and validation routes were discussed. The developed characterised ECM will be used and programmed into a microcontroller board as a battery-management system to restrict the battery operating parameters to address safety concerns and enhance the second-life batteries’ life span [118]. The block diagram in Figure 22 demonstrates the route for designing and testing a BMS for second-life batteries from cell-level testing to pack-level testing.
Figure 22.
The second-life battery BMS design and testing-route flowchart.
The battery-management system is the central controller of the second-life battery packs installed in the stationary energy-storage system [119]. In each battery module, there some sensors installed to measure the cells’ temperature and voltage and to estimate the current applied under various operating conditions [120]. The battery-management system will use the measured sensor data from each module to estimate the state of charge and state of health of the battery cells, modules, and packs during operation using characterized ECM and SOH estimation algorithms that are programmed into the microcontroller board (Figure 23) [120].
Figure 23.
Data communication between the BMS, actuators, and sensors inside the SLB pack [120].
The state-of-health estimation algorithm accuracy of the second-life battery packs plays a key role as it enables the BMS to calculate the probability of reaching the thermal runaway point in each battery module inside the pack [121]. The BMS also uses the SOH data to balance the state of health in the battery pack at the module and pack level [119,121]. Since the modules installed in the second-life battery pack may come from different EV battery packs, there might be inhomogeneities in terms of the module’s total voltage and capacity in the second-life battery pack. The BMS can balance the SOH using the actuators already existing in the EV’s modules for SOC balancing [118].
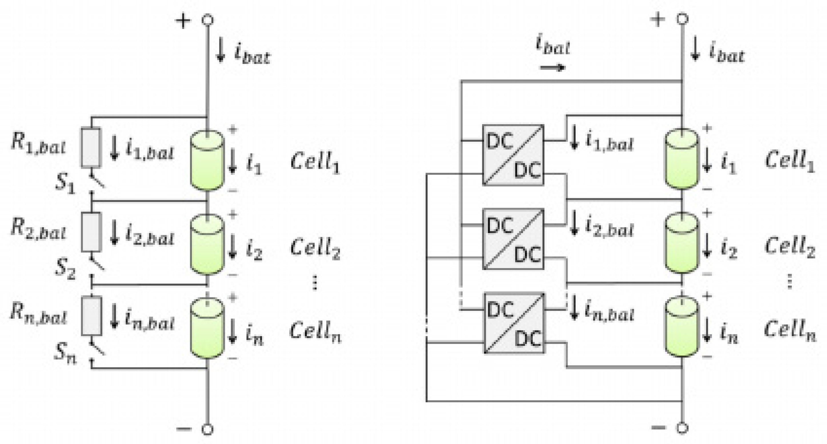
There are two general methods for SOC balancing in the battery packs: passive and active balancing (Figure 24) [122]. In passive balancing, a resistance is installed in parallel with each cell in the module. The ohmic resistance of that is chosen based on the initial terminal resistance of each battery cell. In active balancing, a controlled swich or various types of DC-to-DC converters are used for cell-to-cell and module-to-module balancing of the battery cells/modules in a pack [123]. The active balancing-system actuators are directly controlled by the BMS. The main advantage of using such a balancing system is that the control strategy would be adaptable in various operating conditions, and it can be modified and changed by the BMS [124]. Companies such as Brill Power (based in Oxford, UK) [125] and Connected Energy [126] have developed such BMSs with an active balancing system for SOC and SOH simultaneously for large second-life battery packs.
Figure 24.
The passive (left) and active (right) balancing systems in the second-life battery packs [119].
There are some SLBs available on the market such as the BMW i3 SLB modules, which are equipped with a passive balancing circuit board for cell-to-cell balancing inside the module [127]. Therefore, the BMS designed for managing such batteries should be programmed to only perform the SOH balancing at the pack level (module-to-module level) (Figure 25). However, for other modules like the Jaguar I-Pace, which does not come with a balancing circuit attached to the module, the active balancing circuit can be designed for these SLB modules [128].
Figure 25.
The cell balancing board attached to the BMW i3 SLB modules.
5.1. Passive Balancing Systems
Typically, a passive balancing system refers to a dissipative charge-equalisation system, which connects a shunt resistor in parallel with each individual cell in a series-connection battery module to self-adjust each cell’s voltage by bypassing the current for all cells [129]. Every cell in a battery module might be different, primarily in terms of its manufacturing charge storage volume and internal resistance, along with its temperature variances across the battery module, which differs with the ageing behaviour of each cell [130]. Consequently, the number of charging or discharging cycles of some cells will be much greater than for others, especially after serving a long life in the battery module [131]. This heterogeneousness contributes less interference in a parallel-connection battery module, where cells tend to be self-balancing to obtain the same voltage value among all the cells. Although cells in a parallel-connection module will be self-balanced, the related protected circuit board still needs to prevent deep discharging and overheating. This is because cells will continuously be charged at a higher internal resistance, leading to the dissipation of heat as the current passes through this resistance. During this process, the battery module can generate significant heat, potentially leading to a fire that will not cease until the cells are completely drained. Therefore, the entire battery module should at least have a protection circuit board [132].
Although the passive balancing system may not be essential when modules are connected in parallel, in the series-connected cells/modules, the available total energy capacity is limited by its weakest cell. Charging or discharging at maximum current should be capped when the weakest cell is fully charged or discharged [133]. Otherwise, the heterogeneousness among the cells will trend towards overcharging or deep discharging, ultimately reducing the cells’ lifespan. As shown in Figure 26, assuming that the maximum energy capacity of cells B1, B2, and B3 is 3750 mAh, 3330 mAh, and 3000 mAh, respectively, after a period of continuously charging in a series-connected circuit, all the cells reach the same capacity of 3000 mAh. At this point, cell B3 is fully charged, while B2 and B3 are at 90% and 80% capacity, respectively. Continued charging beyond this point will cause the weakest cell, B3, to be overcharged. After a long period, this eventually causes capacity loss, premature cell degradation, and then failure of the entire battery module. Similarly, the discharging process follows the same principle. This demonstrates how the weakest cell limits the overall energy capacity of series-connected battery modules [133]. Consequently, a balancing system is critical for a series-connected battery module, which significantly improves the battery module’s overall performance.
Figure 26.
The weakest cell limits the overall energy capacity of a series-connection battery module.
The conventional passive balancing system uses the simplest and most cost-effective way to equalize the charging rate through each cell. For instance, Figure 27 shows a passive balancing system that includes shunt resistors R1, R2, and Rn, which are connected in parallel with their associated cells B1, B2, and Bn, respectively. The voltage balance can be achieved among cells by bypassing the current [134]. A microcontroller (BMS) monitors the voltage of each cell and compares it with a predefined threshold. This comparison is made to control the associated switch to perform the balancing. As shown in Figure 27, charging will be stopped when cell B1 reaches the predefined threshold. Then switch S1 is turned on, allowing the discharging current of cell B1 to flow through R1. Charging will resume once B1’s voltage falls to the minimum limit. However, this approach, which measures the voltage on each cell, has its limitations, and it cannot guarantee that the cell reaches 100% energy capacity upon full charge, as the measured voltage is influenced by both the internal resistance and the energy capacity [135,136].
Figure 27.
Passive balancing strategy through voltage measurement.
To address the issue of the cell not achieving 100% energy capacity upon reaching full charge, a new method is proposed to identify the end-of-charge status through current detection, in which a microcontroller (BMS) compares the full quantity of charge, (that each cell needs to be in a full-charge state with the current quantity of charge), with (that each cell has been charged) to define which represents the difference between and :
If equals 0, the cell reaches a threshold point. Then it obtains a full-charge state when the microcontroller (BMS) detects this threshold. This approach effectively avoids the shortcomings of poor balancing effects arising from voltage measurement, thereby ensuring an optimal passive balancing performance [136]. Another passive balancing system is also demonstrated in Figure 28. As shown in this figure, a switched-shunt resistor is proposed to prevent the battery cell from undergoing light overcharging. The MOSFETs Q1 and Q2 operate sequentially in the cut-off region when cell B1 reaches a full charge. Thus, cell B1 can be discharged through R1, R2, and R3, which prevents B1 from overcharging. The two MOSFETs, Q1 and Q2, can rapidly respond to the voltage increase in cell B1, allowing for direct control over the MOSFET. This straightforward control mechanism effectively prevents light overcharging. The switched-shunt resistor has been widely used in lithium-ion-battery applications [137]. The passive balancing system is relatively simple and low cost, but it will generate heat when current flows through the resistance.
Figure 28.
A switched-shunt-resistance circuit diagram.
5.2. Active Balancing Systems
The active balancing systems can be categorized into cell-to-cell, cell-to-pack and pack-to-cell topologies as mentioned by Di Rienzo et al. [119]. For active cell-to-cell balancing, the flyback, switched-capacitor, and buck-boost converters are mostly used to manage the energy at the cell level. Among the abovementioned converters, switched-capacitor and buck-boost converters have the lowest cost and the simplest circuits [119]. Although Di Rienzo et al. [119] has introduced the most-used active cell balancing circuit architectures for second-life batteries, it is not economical to reuse the lithium-ion batteries at the cell level; also, most of the second-life modules available on the market are equipped with cell-level balancing circuits (for state-of-charge balancing at the cell level). Accordingly, his recommended balancing-circuit architectures have been modified and reproduced for the module-to-module concept, being presented for the first time in this paper, as shown in Figure 29. The adjacent module-to-module balancing system is presented in Figure 29a for N-series-connected second-life modules. As mentioned earlier, the DC-to-DC converter shown in this balancing system can be a flyback, buck-boost, or switched-capacitor convertor. Figure 29b,c indicate the topologies for direct module-to-module balancing systems. In this method, the energy is moved directly from one module to another. The efficiency of the introduced balancing systems is as yet unknown at the module level, which represents a huge gap in the literature.

Figure 29.
Block diagram of the suggested topologies for an active balancing system at the module level for second-life batteries. (a) Adjacent module-to-module, (b) direct parallel module-to-module, and (c) direct-series module-to-module balancing topologies.
6. Future Trends and Emerging Technologies
At the moment, since EVs with an NMC battery chemistry are abundant in Europe, most of the second-life projects are performed using NMC batteries. However, further economic and technical assessments and research are needed for batteries with other chemistries.
For mathematical modelling of the second-life batteries, most of the studies in the literature have used ECMs with 2RC and 3RC for predicting the battery parameters; however, there is a huge gap in the literature in assessing the use of other simplified reduced-order physical-based models such as P2D for second-life batteries. For online state-of-health assessments of second-life batteries, there is a lack of studies on the use of AI techniques for robust and quick state-of-health estimation. In addition, although non-destructive methods, such as the ultrasonic technique, have been found to be efficient in SOC, SOH, and temperature estimation in first-life batteries, their performance has not been evaluated yet for second-life batteries.
Ageing predictions and management of second-life batteries are two of the main challenges envisaged with the development of this technology for the market, which is directly related to safety concerns about these batteries, as discussed by Li et al. [36]. Accordingly, more efficient SOX balancing strategies and management systems need to be designed for second-life batteries individually in the future [36]. At the moment, most of the applications of these batteries are concentrated at the small scale, such as in building applications or small-scale distributed energy-generation systems. However, it is expected that by increasing the number of these batteries in the near future, these applications will expand to the large scale, like in renewable energy plants [36]. On the other hand, by adding broader applications for second-life batteries, a decrease in the price of these batteries can also be expected in the future, which would make these batteries more desirable than the first-life ones economically [1].
There is also a lack of standardization in the use of second-life batteries [1]. These batteries are being used in different sizes, states of health, and chemistries for various purposes even when there is no justification and rules for using these [1].
In order to achieve better health management of second-life batteries, the first-life ageing trend of these batteries should be tracked [138]. To address this issue, an innovative cloud-connected battery-management system has been suggested by Baumann et al. [121,138]. The historical tracked data of the first life of the batteries can be used to help achieve better and more accurate prediction of its second-life ageing behaviour [138].
7. Reusing and Recycling of SLBs
The recycling process of lithium-ion batteries is considered the greenest technology in this aspect due to the existence of lower toxic metals [7]. There is a significant mismatch between the number of the retired batteries in the future and the capacity of the recycling facilities available in various countries [7]. The total profit estimate from recycling NMC lithium-ion batteries is $7000/ton of wasted battery, assuming a 90% efficiency in the recovery process [7].
The other challenge is the lack of existence of recycling facilities in the Western countries that have the largest market for EVs [7]. This leads to significant increases in the recycling process costs since the batteries have to be transferred to Eastern Asian countries after their end of life. There are some legislations applied by the European Parliament that oblige the battery manufacturers to design and manufacture their batteries based on certain standards, which makes the recycling process easier and less costly [7].
On the other hand, prolonging the service life of lithium-ion batteries through their second-life applications provides two major benefits: reducing the initial battery cost and providing positive impacts on the development of the electrification infrastructure [36]. Six different second-life battery application scenarios have been also assessed by Li et al. [36] in terms of ageing, sizing, balancing BMS, and thermal management-system impacts. Among all the applications, the impact of the balancing BMS was found to be at lowest for light industrial and residential applications [36].
8. Conclusions
This study comprises a comprehensive review of mathematical modelling and experimental assessments concerning second-life batteries retired from EVs. The presence of a well-established theoretical mathematical model for such batteries, substantiated and defined through practical tests, holds crucial importance for the advancement of tailored battery-management systems (BMS). The creation of a specialised BMS tailored to second-life batteries stands as a potential solution to overcome challenges associated with employing these batteries in stationary applications. The main conclusions drawn from this review are as follows:
- -
- Equivalent-circuit models employing 2RCs and 3RCs have gained significant traction among researchers due to their notable accuracy in estimating the behaviour of lithium-ion batteries during their second life.
- -
- Given the lack of knowledge about the degradation history of second-life batteries sourced from different EVs, EIS tests serve as valuable tools. These tests offer insights into the condition of the SEI and diffusion layers within the batteries.
- -
- Calendar-ageing mechanisms are of considerable importance for SLBs due to the potential extended storage periods prior to their second life or their use in applications such as backup systems, where they might remain unloaded for extended durations.
- -
- Electrochemical models hold an advantage over empirical models in predicting calendar ageing, as they avoid the lengthy laboratory testing that empirical models typically demand.
- -
- While accelerated ageing profiles are convenient for time efficiency in cycle-ageing tests of SLBs, they often lack reliability and are not representative of real-world applications.
- -
- Designing cycle-ageing test profiles based on the intended application of the SLB, using synthetic load data relevant to that application, ensures more accurate and meaningful testing.
- -
- Artificial intelligence algorithms demonstrate reliability in predicting the fading parameters associated with SLBs’ cycle ageing. Implementing these algorithms offers substantial time savings in comparison with traditional laboratory testing.
- -
- Although characterisation and degradation tests are typically conducted at the cell level for SLBs in the existing literature, the practical scenario involves these SLBs being available on the market as modules and packs. The challenge arises from disassembling these larger units being cost-prohibitive and time-consuming. This presents a significant gap in both experimental testing and theoretical modelling at the module and pack levels within the existing literature.
Conclusions of this nature not only contribute to advancements in comprehending the behaviour of second-life batteries but also offer valuable guidance for the development of efficient battery-management systems and strategies. By addressing the challenges posed by unknown degradation histories, diverse applications, and complex ageing mechanisms, such findings pave the way for more reliable and sustainable integration of second-life batteries into various practical applications. Such studies yield profound implications for optimising battery performance in real-world contexts, effectively bridging the gap between scientific comprehension and practical implementation.
Author Contributions
Investigation, Writing-review & editing, F.S., S.R., D.M., P.H., M.B. and L.Y.; Data curation, Formal analysis, Methodology, Visualization, Writing-original draft, F.S.; Conceptualization, F.S. and S.R.; Funding Acquisition, Resources, S.R.; Supervision, S.R., M.B., D.M. and P.H. All authors have read and agreed to the published version of the manuscript.
Funding
This research received no external funding.
Data Availability Statement
Not applicable.
Conflicts of Interest
The authors declare no conflict of interest.
Nomenclature
| HPPC | Hybrid pulse-power characterization |
| SOC | State of charge |
| SoH | State of health |
| CNN | Convolutional neural network |
| MLP | Multilayer perceptron |
| LSTM | Long short-term memory |
| IC | Incremental capacity |
| DoD | Depth of discharge |
| EV | Electric vehicle |
| ECM | Equivalent-circuit model |
| EKF | Extended Kalman filter |
| RC | Resistance–capacitance |
| PV | Photovoltaic |
| EOL | End of life |
References
- Shahjalal, M.; Roy, P.K.; Shams, T.; Fly, A.; Chowdhury, J.I.; Ahmed, M.R.; Liu, K. A review on second-life of Li-ion batteries: Prospects, challenges, and issues. Energy 2022, 241, 122881. [Google Scholar] [CrossRef]
- Huang, Z.; Deng, Z.; Zhong, Y.; Xu, M.; Li, S.; Liu, X.; Zhou, Y.; Huang, K.; Shen, Y.; Huang, Y. Progress and challenges of prelithiation technology for lithium-ion battery. Carbon Energy 2022, 4, 1107–1132. [Google Scholar] [CrossRef]
- Jiang, S.; Hua, H.; Zhang, L.; Liu, X.; Wu, H.; Yuan, Z. Environmental impacts of hydrometallurgical recycling and reusing for manufacturing of lithium-ion traction batteries in China. Sci. Total Environ. 2022, 811, 152224. [Google Scholar] [CrossRef]
- Du, K.; Ang, E.H.; Wu, X.; Liu, Y. Progresses in sustainable recycling technology of spent lithium-ion batteries. Energy Environ. Mater. 2022, 5, 1012–1036. [Google Scholar] [CrossRef]
- Yang, J.L.; Zhao, X.X.; Ma, M.Y.; Liu, Y.; Zhang, J.P.; Wu, X.L. Progress and prospect on the recycling of spent lithium-ion batteries: Ending is beginning. Carbon Neutraliz. 2022, 1, 247–266. [Google Scholar] [CrossRef]
- BU-705a: Battery Recycling as a Business. Available online: https://batteryuniversity.com/learn/article/battery_recycling_as_a_business (accessed on 21 December 2023).
- Zhao, Y.; Pohl, O.; Bhatt, A.I.; Collis, G.E.; Mahon, P.J.; Rüther, T.; Hollenkamp, A.F. A review on battery market trends, second-life reuse, and recycling. Sustain. Chem. 2021, 2, 167–205. [Google Scholar] [CrossRef]
- dos Santos, M.; Garde, I.A.A.; Ronchini, C.M.B.; Cardozo Filho, L.; de Souza, G.B.M.; Abbade, M.L.F.; Regone, N.N.; Jegatheesan, V.J.; de Oliveira, J.A. A technology for recycling lithium-ion batteries promoting the circular economy: The RecycLib. Resour. Conserv. Recycl. 2021, 175, 105863. [Google Scholar] [CrossRef]
- Harper, G.; Sommerville, R.; Kendrick, E.; Driscoll, L.; Slater, P.; Stolkin, R.; Walton, A.; Christensen, P.; Heidrich, O.; Lambert, S. Recycling lithium-ion batteries from electric vehicles. Nature 2019, 575, 75–86. [Google Scholar] [CrossRef]
- Zhang, W.; Xu, C.; He, W.; Li, G.; Huang, J. A review on management of spent lithium ion batteries and strategy for resource recycling of all components from them. Waste Manag. Res. 2018, 36, 99–112. [Google Scholar] [CrossRef] [PubMed]
- Beaudet, A.; Larouche, F.; Amouzegar, K.; Bouchard, P.; Zaghib, K. Key challenges and opportunities for recycling electric vehicle battery materials. Sustainability 2020, 12, 5837. [Google Scholar] [CrossRef]
- Kotak, Y.; Marchante Fernández, C.; Canals Casals, L.; Kotak, B.S.; Koch, D.; Geisbauer, C.; Trilla, L.; Gómez-Núñez, A.; Schweiger, H.-G. End of electric vehicle batteries: Reuse vs. recycle. Energies 2021, 14, 2217. [Google Scholar] [CrossRef]
- Drabik, E.; Rizos, V. Prospects for Electric Vehicle Batteries in a Circular Economy. 2018, Volume 20. Available online: https://www.ceps.eu/ceps-news/ (accessed on 21 December 2023).
- Braco, E.; San Martin, I.; Berrueta, A.; Sanchis, P.; Ursua, A. Experimental Assessment of First-and Second-Life Electric Vehicle Batteries: Performance, Capacity Dispersion and Aging. IEEE Trans. Ind. Appl. 2021, 57, 4107–4117. [Google Scholar] [CrossRef]
- Terkes, M.; Demirci, A.; Gokalp, E. An evaluation of optimal sized second-life electric vehicle batteries improving technical, economic, and environmental effects of hybrid power systems. Energy Convers. Manag. 2023, 291, 117272. [Google Scholar] [CrossRef]
- Bartolucci, L.; Cordiner, S.; Mulone, V.; Santarelli, M.; Ortenzi, F.; Pasquali, M. PV assisted electric vehicle charging station considering the integration of stationary first-or second-life battery storage. J. Clean. Prod. 2023, 383, 135426. [Google Scholar] [CrossRef]
- Illa Font, C.H.; Siqueira, H.V.; Machado Neto, J.E.; Santos, J.L.F.d.; Stevan, S.L., Jr.; Converti, A.; Corrêa, F.C. Second Life of Lithium-Ion Batteries of Electric Vehicles: A Short Review and Perspectives. Energies 2023, 16, 953. [Google Scholar] [CrossRef]
- Tang, H.; Wang, S. Life-cycle economic analysis of thermal energy storage, new and second-life batteries in buildings for providing multiple flexibility services in electricity markets. Energy 2023, 264, 126270. [Google Scholar] [CrossRef]
- Zhang, Y.; Wei, D.; Luo, F.; Deng, Y.; Qiu, J.; Dong, Z.Y. Two-Stage Capacity Determination Framework for Residential Second-Life BESSs Considering Cloud Energy Storage Service. IEEE Syst. J. 2023, 17, 4737–4747. [Google Scholar] [CrossRef]
- Wangsupphaphol, A.; Chaitusaney, S.; Salem, M. A Techno-Economic Assessment of a Second-Life Battery and Photovoltaics Hybrid Power Source for Sustainable Electric Vehicle Home Charging. Sustainability 2023, 15, 5866. [Google Scholar] [CrossRef]
- Salek, F.; Morrey, D.; Henshall, P.; Resalati, S. Techno-Economic Assessment of Utilising Second-Life Batteries in Electric Vehicle Charging Stations; Report No.: 0148-7191; SAE Technical Paper; SAE: Warrendale, PA, USA, 2023. [Google Scholar]
- Nováková, K.; Pražanová, A.; Stroe, D.-I.; Knap, V. Second-Life of Lithium-Ion Batteries from Electric Vehicles: Concept, Aging, Testing, and Applications. Energies 2023, 16, 2345. [Google Scholar] [CrossRef]
- Masaud, T.M.; El-Saadany, E. Optimal Battery Planning for Microgrid Applications Considering Battery Swapping and Evolution of the SOH During Lifecycle Aging. IEEE Syst. J. 2023, 17, 4725–4736. [Google Scholar] [CrossRef]
- Moy, K.; Onori, S. Synthetic Grid Storage Duty Cycles for Second-Life Lithium-Ion Battery Experiments; Report No.: 0148-7191; SAE Technical Paper; SAE: Warrendale, PA, USA, 2023. [Google Scholar]
- Rallo, H.; Benveniste, G.; Gestoso, I.; Amante, B. Economic analysis of the disassembling activities to the reuse of electric vehicles Li-ion batteries. Resour. Conserv. Recycl. 2020, 159, 104785. [Google Scholar] [CrossRef]
- Casals, L.C.; Barbero, M.; Corchero, C. Reused second life batteries for aggregated demand response services. J. Clean. Prod. 2019, 212, 99–108. [Google Scholar] [CrossRef]
- Casals, L.C.; García, B.A.; Aguesse, F.; Iturrondobeitia, A. Second life of electric vehicle batteries: Relation between materials degradation and environmental impact. Int. J. Life Cycle Assess. 2017, 22, 82–93. [Google Scholar] [CrossRef]
- Cusenza, M.A.; Guarino, F.; Longo, S.; Mistretta, M.; Cellura, M. Reuse of electric vehicle batteries in buildings: An integrated load match analysis and life cycle assessment approach. Energy Build. 2019, 186, 339–354. [Google Scholar] [CrossRef]
- Cusenza, M.A.; Guarino, F.; Longo, S.; Ferraro, M.; Cellura, M. Energy and environmental benefits of circular economy strategies: The case study of reusing used batteries from electric vehicles. J. Energy Storage 2019, 25, 100845. [Google Scholar] [CrossRef]
- Haram, M.H.S.M.; Lee, J.W.; Ramasamy, G.; Ngu, E.E.; Thiagarajah, S.P.; Lee, Y.H. Feasibility of utilising second life EV batteries: Applications, lifespan, economics, environmental impact, assessment, and challenges. Alex. Eng. J. 2021, 60, 4517–4536. [Google Scholar] [CrossRef]
- Steckel, T.; Kendall, A.; Ambrose, H. Applying levelized cost of storage methodology to utility-scale second-life lithium-ion battery energy storage systems. Appl. Energy 2021, 300, 117309. [Google Scholar] [CrossRef]
- Sun, B.; Su, X.; Wang, D.; Zhang, L.; Liu, Y.; Yang, Y.; Liang, H.; Gong, M.; Zhang, W.; Jiang, J. Economic analysis of lithium-ion batteries recycled from electric vehicles for secondary use in power load peak shaving in China. J. Clean. Prod. 2020, 276, 123327. [Google Scholar] [CrossRef]
- Kamath, D.; Shukla, S.; Arsenault, R.; Kim, H.C.; Anctil, A. Evaluating the cost and carbon footprint of second-life electric vehicle batteries in residential and utility-level applications. Waste Manag. 2020, 113, 497–507. [Google Scholar] [CrossRef] [PubMed]
- Mathews, I.; Xu, B.; He, W.; Barreto, V.; Buonassisi, T.; Peters, I.M. Technoeconomic model of second-life batteries for utility-scale solar considering calendar and cycle aging. Appl. Energy 2020, 269, 115127. [Google Scholar] [CrossRef]
- Sanghai, B.; Sharma, D.; Baidya, K.; Raja, M. Refurbished and Repower: Second Life of Batteries from Electric Vehicles for Stationary Application; Report No.: 0148-7191; SAE Technical Paper; SAE: Warrendale, PA, USA, 2019. [Google Scholar]
- Li, J.; He, S.; Yang, Q.; Wei, Z.; Li, Y.; He, H. A Comprehensive Review of Second Life Batteries Towards Sustainable Mechanisms: Potential, Challenges, and Future Prospects. IEEE Trans. Transp. Electrif. 2022, 9, 4824–4845. [Google Scholar] [CrossRef]
- Gu, X.; Bai, H.; Cui, X.; Zhu, J.; Zhuang, W.; Li, Z.; Hu, X.; Song, Z. Challenges and opportunities for second-life batteries: Key technologies and economy. Renew. Sustain. Energy Rev. 2024, 192, 114191. [Google Scholar] [CrossRef]
- J2997; Standards for Battery Secondary Use. SAE: Warrendale, PA, USA, 2012. Available online: https://www.sae.org/standards/content/j2997/ (accessed on 21 December 2023).
- Office for Product Safety & Standards. A Study on the Safety of Second-Life Batteries in Battery Energy Storage Systems-Final Report; Office for Product Safety & Standards: London, UK, 2023. [Google Scholar]
- Available online: https://clarivate.com/webofsciencegroup/solutions/web-of-science/ (accessed on 21 December 2023).
- Schulz-Mönninghoff, M.; Neidhardt, M.; Niero, M. What is the contribution of different business processes to material circularity at company-level? A case study for electric vehicle batteries. J. Clean. Prod. 2023, 382, 135232. [Google Scholar] [CrossRef]
- Qi, L.; Wang, Y.; Kong, L.; Yi, M.; Song, J.; Hao, D.; Zhou, X.; Zhang, Z.; Yan, J. Manufacturing processes and recycling technology of automotive lithium-ion battery: A review. J. Energy Storage 2023, 67, 107533. [Google Scholar] [CrossRef]
- Júnior, C.A.R.; Sanseverino, E.R.; Gallo, P.; Koch, D.; Kotak, Y.; Schweiger, H.-G.; Zanin, H. Towards a business model for second-life batteries–barriers, opportunities, uncertainties, and technologies. J. Energy Chem. 2023, 78, 507–525. [Google Scholar] [CrossRef]
- Battery Energy Storage—Energy Management Software. Available online: https://connected-energy.co.uk/battery-energy-storage/energy-management-software/ (accessed on 21 December 2023).
- Battery Management+. Available online: https://brillpower.com/technology/brillcore/ (accessed on 21 December 2023).
- Lu, Y.; Zhang, Q.; Li, F.; Chen, J. Emerging Lithiated Organic Cathode Materials for Lithium-Ion Full Batteries. Angew. Chem. 2023, 135, e202216047. [Google Scholar] [CrossRef]
- GOV.UK. Vehicles Statistics. Available online: https://www.gov.uk/government/collections/vehicles-statistics (accessed on 21 December 2023).
- Renewables, V. 2nd Life Battery Storage Projects in Europe. Available online: https://www.vde.com/resource/blob/2212740/23eabc6fc64bb8bae16a13e6c19e847f/emilas-2nd-life-project-data.pdf (accessed on 21 December 2023).
- Schmitt, J.; Horstkötter, I.; Bäker, B. Electrical lithium-ion battery models based on recurrent neural networks: A holistic approach. J. Energy Storage 2023, 58, 106461. [Google Scholar] [CrossRef]
- Karimi, D.; Behi, H.; Van Mierlo, J.; Berecibar, M. Equivalent Circuit Model for High-Power Lithium-Ion Batteries under High Current Rates, Wide Temperature Range, and Various State of Charges. Batteries 2023, 9, 101. [Google Scholar] [CrossRef]
- Qi, C.; Wang, S.; Cao, W.; Xie, Y.; Lei, M. On-Line Multi-Time Scale Adaptive Parameter Identification Based on Improved Lithium-Ion Batteries Hysteresis Characteristic-Electrical Equivalent Circuit Modeling. J. Electrochem. Soc. 2023, 170, 040532. [Google Scholar] [CrossRef]
- Tong, S.J.; Same, A.; Kootstra, M.A.; Park, J.W. Off-grid photovoltaic vehicle charge using second life lithium batteries: An experimental and numerical investigation. Appl. Energy 2013, 104, 740–750. [Google Scholar] [CrossRef]
- Assunção, A.; Moura, P.S.; de Almeida, A.T. Technical and economic assessment of the secondary use of repurposed electric vehicle batteries in the residential sector to support solar energy. Appl. Energy 2016, 181, 120–131. [Google Scholar] [CrossRef]
- Second Life EV Energy Storage: Second Life EV Batteries Ltd. 2023. Available online: https://www.secondlife-evbatteries.com/ (accessed on 21 December 2023).
- Aruna, P.; Vasan Prabhu, V.; Krishna Kumar, V. Investigation on Physics-Based Models of Lithium Ion Batteries in Electric Vehicle Applications: A Review. In Recent Advances in Power Electronics and Drives: Select Proceedings of EPREC 2022; Springer: Singapore, 2023; pp. 33–46. [Google Scholar]
- Müller, D.; Dufaux, T.; Birke, K.P. Model-based investigation of porosity profiles in graphite anodes regarding sudden-death and second-life of lithium ion cells. Batteries 2019, 5, 49. [Google Scholar] [CrossRef]
- Tu, H.; Moura, S.; Wang, Y.; Fang, H. Integrating physics-based modeling with machine learning for lithium-ion batteries. Appl. Energy 2023, 329, 120289. [Google Scholar] [CrossRef]
- Xu, J.; Sun, C.; Ni, Y.; Lyu, C.; Wu, C.; Zhang, H.; Yang, Q.; Feng, F. Fast Identification of Micro-Health Parameters for Retired Batteries Based on a Simplified P2D Model by Using Padé Approximation. Batteries 2023, 9, 64. [Google Scholar] [CrossRef]
- Li, R.; Hassan, A.; Gupte, N.; Su, W.; Zhou, X. Degradation Prediction and Cost Optimization of Second-Life Battery Used for Energy Arbitrage and Peak-Shaving in an Electric Grid. Energies 2023, 16, 6200. [Google Scholar] [CrossRef]
- Hart, P., Kollmeyer, P., Juang, L., Lasseter, R., Jahns, T., Eds.; Modeling of second-life batteries for use in a CERTS microgrid. In Proceedings of the 2014 Power and Energy Conference at Illinois (PECI), Champaign, IL, USA, 28 February–1 March 2014; pp. 1–8. [Google Scholar]
- Dvorak, D.; Bäuml, T.; Holzinger, A.; Popp, H. A comprehensive algorithm for estimating lithium-ion battery parameters from measurements. IEEE Trans. Sustain. Energy 2017, 9, 771–779. [Google Scholar] [CrossRef]
- Abdel-Monem, M.; Hegazy, O.; Omar, N.; Trad, K.; Van den Bossche, P.; Van Mierlo, J. (Eds.) Lithium-ion batteries: Comprehensive technical analysis of second-life batteries for smart grid applications. In Proceedings of the 2017 19th European Conference on Power Electronics and Applications (EPE’17 ECCE Europe), Warsaw, Poland, 11–14 September 2017. [Google Scholar]
- Uddin, K.; Gough, R.; Radcliffe, J.; Marco, J.; Jennings, P. Techno-economic analysis of the viability of residential photovoltaic systems using lithium-ion batteries for energy storage in the United Kingdom. Appl. Energy 2017, 206, 12–21. [Google Scholar] [CrossRef]
- Tong, S.; Fung, T.; Klein, M.P.; Weisbach, D.A.; Park, J.W. Demonstration of reusing electric vehicle battery for solar energy storage and demand side management. J. Energy Storage 2017, 11, 200–210. [Google Scholar] [CrossRef]
- Locorotondo, E.; Cultrera, V.; Pugi, L.; Berzi, L.; Pasquali, M.; Andrenacci, N.; Lutzemberger, G.; Pierini, M. (Eds.) Impedance spectroscopy characterization of lithium batteries with different ages in second life application. In Proceedings of the 2020 IEEE International Conference on Environment and Electrical Engineering and 2020 IEEE Industrial and Commercial Power Systems Europe (EEEIC/I&CPS Europe), Madrid, Spain, 9–12 June 2020. [Google Scholar]
- Choi, W.; Shin, H.-C.; Kim, J.M.; Choi, J.-Y.; Yoon, W.-S. Modeling and applications of electrochemical impedance spectroscopy (EIS) for lithium-ion batteries. J. Electrochem. Sci. Technol. 2020, 11, 1–13. [Google Scholar] [CrossRef]
- Lipu, M.H.; Ansari, S.; Miah, M.S.; Meraj, S.T.; Hasan, K.; Shihavuddin, A.; Hannan, M.; Muttaqi, K.M.; Hussain, A. Deep learning enabled state of charge, state of health and remaining useful life estimation for smart battery management system: Methods, implementations, issues and prospects. J. Energy Storage 2022, 55, 105752. [Google Scholar] [CrossRef]
- Ren, P.; Wang, S.; Chen, X.; Huang, J.; He, M. Fusion estimation strategy based on dual adaptive Kalman filtering algorithm for the state of charge and state of health of hybrid electric vehicle Li-ion batteries. Int. J. Energy Res. 2022, 46, 7374–7388. [Google Scholar] [CrossRef]
- Chen, Z.; Zhang, S.; Shi, N.; Li, F.; Wang, Y.; Cui, J. Online state-of-health estimation of lithium-ion battery based on relevance vector machine with dynamic integration. Appl. Soft Comput. 2022, 129, 109615. [Google Scholar] [CrossRef]
- Amir, S.; Gulzar, M.; Tarar, M.O.; Naqvi, I.H.; Zaffar, N.A.; Pecht, M.G. Dynamic equivalent circuit model to estimate state-of-health of lithium-ion batteries. IEEE Access 2022, 10, 18279–18288. [Google Scholar] [CrossRef]
- Kaize, A.M.; Salek, F.; Azizi, A.; Collier, G.; Resalati, S. Applied Mechatronics: A Case Study on Mathematical Modelling and Experimental Analysis of the Second Life Batteries. In Control Engineering in Mechatronics; Springer: Singapore, 2023; pp. 123–139. [Google Scholar]
- Xu, B. Degradation-Limiting Optimization of Battery Energy Storage Systems Operation. Master’s Thesis, ETH Zurich, Zürich, Switzerland, 2013. [Google Scholar]
- Canals Casals, L.; Amante García, B. Second-life batteries on a gas turbine power plant to provide area regulation services. Batteries 2017, 3, 10. [Google Scholar] [CrossRef]
- Guha, A.; Patra, A. State of health estimation of lithium-ion batteries using capacity fade and internal resistance growth models. IEEE Trans. Transp. Electrif. 2017, 4, 135–146. [Google Scholar] [CrossRef]
- Chacón, X.C.A.; Laureti, S.; Ricci, M.; Cappuccino, G. A Review of Non-Destructive Techniques for Lithium-Ion Battery Performance Analysis. World Electr. Veh. J. 2023, 14, 305. [Google Scholar] [CrossRef]
- Shabbir, H.; Dunford, W.; Shoa, T. (Eds.) State of health estimation of Li-ion batteries using Electrochemical Impedance Spectroscopy. In Proceedings of the 2017 IEEE Transportation Electrification Conference and Expo (ITEC), Chicago, IL, USA, 22–24 June 2017; pp. 108–112. [Google Scholar]
- Sarmah, S.B.; Kalita, P.; Garg, A.; Niu, X.-D.; Zhang, X.-W.; Peng, X.; Bhattacharjee, D. A review of state of health estimation of energy storage systems: Challenges and possible solutions for futuristic applications of li-ion battery packs in electric vehicles. J. Electrochem. Energy Convers. Storage 2019, 16, 040801. [Google Scholar] [CrossRef]
- Wang, X.; Wei, X.; Dai, H. Estimation of state of health of lithium-ion batteries based on charge transfer resistance considering different temperature and state of charge. J. Energy Storage 2019, 21, 618–631. [Google Scholar] [CrossRef]
- Redondo-Iglesias, E.; Venet, P.; Pelissier, S. Calendar and cycling ageing combination of batteries in electric vehicles. Microelectron. Reliab. 2018, 88, 1212–1215. [Google Scholar] [CrossRef]
- Zhang, Q.; Li, X.; Du, Z.; Liao, Q. Aging performance characterization and state-of-health assessment of retired lithium-ion battery modules. J. Energy Storage 2021, 40, 102743. [Google Scholar] [CrossRef]
- Jiang, Y.; Jiang, J.; Zhang, C.; Zhang, W.; Gao, Y.; Li, N. State of health estimation of second-life LiFePO4 batteries for energy storage applications. J. Clean. Prod. 2018, 205, 754–762. [Google Scholar] [CrossRef]
- Bhatt, A.; Ongsakul, W.; Madhu, N.; Singh, J.G. Machine learning-based approach for useful capacity prediction of second-life batteries employing appropriate input selection. Int. J. Energy Res. 2021, 45, 21023–21049. [Google Scholar] [CrossRef]
- Naguib, M.; Kollmeyer, P.; Emadi, A. Lithium-ion battery pack robust state of charge estimation, cell inconsistency, and balancing. IEEE Access 2021, 9, 50570–50582. [Google Scholar] [CrossRef]
- Jiang, B.; Dai, H.; Wei, X. A cell-to-pack state estimation extension method based on a multilayer difference model for series-connected battery packs. IEEE Trans. Transp. Electrif. 2021, 8, 2037–2049. [Google Scholar] [CrossRef]
- Quinard, H.; Redondo-Iglesias, E.; Pelissier, S.; Venet, P. Fast electrical characterizations of high-energy second life lithium-ion batteries for embedded and stationary applications. Batteries 2019, 5, 33. [Google Scholar] [CrossRef]
- Braco, E.; San Martin, I.; Ursúa, A.; Sanchis, P. (Eds.) Incremental capacity analysis of lithium-ion second-life batteries from electric vehicles under cycling ageing. In Proceedings of the 2021 IEEE International Conference on Environment and Electrical Engineering and 2021 IEEE Industrial and Commercial Power Systems Europe (EEEIC/I&CPS Europe), Bari, Italy, 7–10 September 2021. [Google Scholar]
- Attidekou, P.S.; Milojevic, Z.; Muhammad, M.; Ahmeid, M.; Lambert, S.; Das, P.K. Methodologies for Large-Size Pouch Lithium-Ion Batteries End-of-Life Gateway Detection in the Second-Life Application. J. Electrochem. Soc. 2020, 167, 160534. [Google Scholar] [CrossRef]
- Pastor-Fernández, C.; Uddin, K.; Chouchelamane, G.H.; Widanage, W.D.; Marco, J. A comparison between electrochemical impedance spectroscopy and incremental capacity-differential voltage as Li-ion diagnostic techniques to identify and quantify the effects of degradation modes within battery management systems. J. Power Sources 2017, 360, 301–318. [Google Scholar] [CrossRef]
- Noura, N.; Boulon, L.; Jemeï, S. A review of battery state of health estimation methods: Hybrid electric vehicle challenges. World Electr. Veh. J. 2020, 11, 66. [Google Scholar] [CrossRef]
- Chen, F.; Huang, R.; Wang, C.; Yu, X.; Liu, H.; Wu, Q.; Qian, K.; Bhagat, R. Air and PCM cooling for battery thermal management considering battery cycle life. Appl. Therm. Eng. 2020, 173, 115154. [Google Scholar] [CrossRef]
- Liu, J.; Fan, Y.; Xie, Q. Feasibility study of a novel oil-immersed battery cooling system: Experiments and theoretical analysis. Appl. Therm. Eng. 2022, 208, 118251. [Google Scholar] [CrossRef]
- Drallmeier, J.A.; Wong, C.; Solbrig, C.E.; Siegel, J.B.; Stefanopoulou, A.G. A Fast Diagnostic to Inform Screening of Discarded or Retired Batteries. arXiv 2022, arXiv:2203.12376. [Google Scholar]
- Elis, S. Second Life Applications for Degraded EV Batteries: Evaluating Benefits Basedon Remaining Useful Life and Battery Configurations. [Dissertation]. 2023. Available online: https://urn.kb.se/resolve?urn=urn:nbn:se:liu:diva-196013 (accessed on 21 December 2023).
- Hu, X.; Deng, X.; Wang, F.; Deng, Z.; Lin, X.; Teodorescu, R.; Pecht, M.G. A review of second-life lithium-ion batteries for stationary energy storage applications. Proc. IEEE 2022, 110, 735–753. [Google Scholar] [CrossRef]
- Najeeb, M.; Schwalbe, U. (Eds.) Development of a Test Method to Evaluate Lithium-Ion Batteries for Second Life in Renewable Energy Applications. In Proceedings of the International Renewable Energy Storage Conference 2021 (IRES 2021), Online, 16–18 March 2021; pp. 167–178. [Google Scholar]
- Lai, X.; Deng, C.; Tang, X.; Gao, F.; Han, X.; Zheng, Y. Soft clustering of retired lithium-ion batteries for the secondary utilization using Gaussian mixture model based on electrochemical impedance spectroscopy. J. Clean. Prod. 2022, 339, 130786. [Google Scholar] [CrossRef]
- Lyu, Z.; Zhang, Y.; Wang, G.; Gao, R. A semiparametric clustering method for the screening of retired Li-ion batteries from electric vehicles. J. Energy Storage 2023, 63, 107030. [Google Scholar] [CrossRef]
- Tran, M.; Messo, T.; Luhtala, R.; Sihvo, J.; Roinila, T. (Eds.) Used Lithium-Ion Batteries in Second-Life Applications: Feasibility Study. In Proceedings of the 2022 IEEE Energy Conversion Congress and Exposition (ECCE), Detroit, MI, USA, 9–13 October 2022; pp. 1–5. [Google Scholar]
- Huang, X.; Gao, R.; Zhang, L.; Lv, X.; Shu, S.; Tang, X.; Wang, Z.; Zheng, J. SOC Estimation Based on Combination of Electrochemical and External Characteristics for Hybrid Lithium-Ion Capacitors. Batteries 2023, 9, 163. [Google Scholar] [CrossRef]
- Sun, J.; Kainz, J. Optimization of hybrid pulse power characterization profile for equivalent circuit model parameter identification of Li-ion battery based on Taguchi method. J. Energy Storage 2023, 70, 108034. [Google Scholar] [CrossRef]
- Liu, M.; Zhou, X.; Yang, L.; Ju, X. A novel Kalman-filter-based battery internal temperature estimation method based on an enhanced electro-thermal coupling model. J. Energy Storage 2023, 71, 108241. [Google Scholar] [CrossRef]
- Alsharif, K.I.; Pesch, A.H.; Borra, V.; Li, F.X.; Cortes, P.; Macdonald, E.; Choo, K. A Coupled Thermo-Mechanical Dynamic Characterization of Cylindrical Batteries. IEEE Access 2022, 10, 51708–51722. [Google Scholar] [CrossRef]
- Chen, Y.; Bahitbek, A.; Song, Q.; Peng, H. (Eds.) The Scheme for SOC Estimation of Lithium-ion Batteries based on EQ-OCV-Ah-EKF. J. Phys. Conf. Ser. 2023, 2456, 012033. [Google Scholar] [CrossRef]
- Huang, Y.; Li, Y.; Jiang, L.; Qiao, X.; Cao, Y.; Yu, J. (Eds.) Research on Fitting Strategy in HPPC Test for Li-ion battery. In Proceedings of the 2019 IEEE Sustainable Power and Energy Conference (iSPEC), Beijing, China, 21–23 November 2019; pp. 1776–1780. [Google Scholar]
- Muhammad, M.; Ahmeid, M.; Attidekou, P.; Milojevic, Z.; Lambert, S.; Das, P. (Eds.) Assessment of spent EV batteries for second-life application. In Proceedings of the 2019 IEEE 4th International Future Energy Electronics Conference (IFEEC), Singapore, 25–28 November 2019. [Google Scholar]
- Muhammad, M.; Attidekou, P.; Ahmeid, M.; Milojevic, Z.; Lambert, S. (Eds.) Sorting of spent electric vehicle batteries for second life application. In Proceedings of the 2019 IEEE 7th International Conference on Smart Energy Grid Engineering (SEGE), Oshawa, ON, Canada, 12–14 August 2019; pp. 325–329. [Google Scholar]
- Martinez-Laserna, E.; Sarasketa-Zabala, E.; Sarria, I.V.; Stroe, D.-I.; Swierczynski, M.; Warnecke, A.; Timmermans, J.-M.; Goutam, S.; Omar, N.; Rodriguez, P. Technical viability of battery second life: A study from the ageing perspective. IEEE Trans. Ind. Appl. 2018, 54, 2703–2713. [Google Scholar] [CrossRef]
- Seger, P.V.; Thivel, P.-X.; Riu, D. A second life Li-ion battery ageing model with uncertainties: From cell to pack analysis. J. Power Sources 2022, 541, 231663. [Google Scholar] [CrossRef]
- Swierczynski, M.; Stroe, D.-I. (Eds.) Calendar ageing of LiFePO 4/C batteries in the second life applications. In Proceedings of the 2017 19th European Conference on Power Electronics and Applications (EPE’17 ECCE Europe), Warsaw, Poland, 11–14 September 2017. [Google Scholar]
- Timmermans, J.-M.; Nikolian, A.; De Hoog, J.; Gopalakrishnan, R.; Goutam, S.; Omar, N.; Coosemans, T.; Van Mierlo, J.; Warnecke, A.; Sauer, D.U. (Eds.) Batteries 2020—Lithium-ion battery first and second life ageing, validated battery models, lifetime modelling and ageing assessment of thermal parameters. In Proceedings of the 2016 18th European Conference on Power Electronics and Applications (EPE’16 ECCE Europe), Karlsruhe, Germany, 5–9 September 2016. [Google Scholar]
- Braco, E.; San Martín, I.; Sanchis, P.; Ursúa, A. (Eds.) Analysis and modelling of calendar ageing in second-life lithium-ion batteries from electric vehicles. In Proceedings of the 2022 IEEE International Conference on Environment and Electrical Engineering and 2022 IEEE Industrial and Commercial Power Systems Europe (EEEIC/I&CPS Europe), Prague, Czech Republic, 28 June–1 July 2022. [Google Scholar]
- Neubauer, J.S.; Wood, E.; Pesaran, A. A second life for electric vehicle batteries: Answering questions on battery degradation and value. SAE Int. J. Mater. Manuf. 2015, 8, 544–553. [Google Scholar] [CrossRef]
- Swierczynski, M.; Stroe, D.I.; Laserna, E.M.; Sarasketa-Zabala, E.; Timmermans, J.M.; Goutam, S.; Teodorescu, R. The Second life ageing of the NMC/C electric vehicle retired Li-ion batteries in the stationary applications. ECS Trans. 2016, 74, 55. [Google Scholar] [CrossRef]
- Vaidya, R.; Selvan, V.; Badami, P.; Knoop, K.; Kannan, A.M. Plug-in hybrid vehicle and second-life applications of lithium-ion batteries at elevated temperature. Batter. Supercaps 2018, 1, 75–82. [Google Scholar] [CrossRef]
- Braco, E.; San Martín, I.; Sanchis, P.; Ursúa, A. (Eds.) Characterization and capacity dispersion of lithium-ion second-life batteries from electric vehicles. In Proceedings of the 2019 IEEE International Conference on Environment and Electrical Engineering and 2019 IEEE Industrial and Commercial Power Systems Europe (EEEIC/I&CPS Europe), Genova, Italy, 11–14 June 2019. [Google Scholar]
- Braco, E.; San Martín, I.; Berrueta, A.; Sanchis, P.; Ursúa, A. Experimental assessment of cycling ageing of lithium-ion second-life batteries from electric vehicles. J. Energy Storage 2020, 32, 101695. [Google Scholar] [CrossRef]
- Salinas, F.; Krueger, L.; Neupert, S.; Kowal, J. A second life for li-ion cells rescued from notebook batteries. J. Energy Storage 2019, 24, 100747. [Google Scholar] [CrossRef]
- Farmann, A.; Sauer, D.U. Comparative study of reduced order equivalent circuit models for on-board state-of-available-power prediction of lithium-ion batteries in electric vehicles. Appl. Energy 2018, 225, 1102–1122. [Google Scholar] [CrossRef]
- Di Rienzo, R.; Nicodemo, N.; Verani, A.; Baronti, F.; Roncella, R.; Saletti, R. A novel methodology to study and compare active energy-balance architectures with dynamic equalization for second-life battery applications. J. Energy Storage 2023, 73, 108772. [Google Scholar] [CrossRef]
- Castillo-Martínez, D.H.; Rodríguez-Rodríguez, A.J.; Soto, A.; Berrueta, A.; Vargas-Requena, D.T.; Matias, I.R.; Sanchis, P.; Ursúa, A.; Rodríguez-Rodríguez, W.E. Design and on-field validation of an embedded system for monitoring second-life electric vehicle lithium-ion batteries. Sensors 2022, 22, 6376. [Google Scholar] [CrossRef]
- Baumann, M.; Rohr, S.; Lienkamp, M. (Eds.) Cloud-connected battery management for decision making on second-life of electric vehicle batteries. In Proceedings of the 2018 Thirteenth International Conference on Ecological Vehicles and Renewable Energies (EVER), Monte Carlo, Monaco, 10–12 April 2018; pp. 1–6. [Google Scholar]
- Mubenga, N.S.; Salami, B.; Stuart, T. Bilevel vs. passive equalizers for second life EV batteries. Electricity 2021, 2, 63–76. [Google Scholar] [CrossRef]
- Khalid, A.; Stevenson, A.; Sarwat, A.I. Performance analysis of commercial passive balancing battery management system operation using a hardware-in-the-loop testbed. Energies 2021, 14, 8037. [Google Scholar] [CrossRef]
- Ziegler, A.; Oeser, D.; Hein, T.; Ackva, A. (Eds.) Development and application of an active balancing system for lithium-ion cells. In Proceedings of the 2019 IEEE Vehicle Power and Propulsion Conference (VPPC), Hanoi, Vietnam, 14–17 October 2019; pp. 1–6. [Google Scholar]
- BrillCore. Available online: https://brillpower.com/ (accessed on 21 December 2023).
- Control Software. Available online: https://connected-energy.co.uk (accessed on 21 December 2023).
- Linse, C.; Kuhn, R. Design of high-voltage battery packs for electric vehicles. In Advances in Battery Technologies for Electric Vehicles; Elsevier: Amsterdam, The Netherlands, 2015; pp. 245–263. [Google Scholar]
- Fuchss, S.; Michaelides, A.; Stocks, O.; Devenport, R. The propulsion system of the new jaguar I-pace. MTZ Worldw. 2019, 80, 18–25. [Google Scholar] [CrossRef]
- Wei, L.; Jie, L.; Wenji, S.; Ziping, F. (Eds.) Study on passive balancing characteristics of serially connected lithium-ion battery string. In Proceedings of the 2017 13th IEEE International Conference on Electronic Measurement & Instruments (ICEMI), Yangzhou, China, 20–22 October 2017; pp. 489–495. [Google Scholar]
- Hemavathi, S. Overview of cell balancing methods for Li-ion battery technology. Energy Storage 2021, 3, e203. [Google Scholar]
- Miao, Y.; Zhang, W.; Liu, W.; Kang, D.; Wang, S.; Chen, Z.; Liu, J.; Chen, B.; Zhu, L. (Eds.) Research progress of energy equalization topology of power lithium battery pack. In Proceedings of the E3S Web of Conferences, Yichang, China, 10–12 March 2023; p. 02015. [Google Scholar]
- Xu, B.; Lee, J.; Kwon, D.; Kong, L.; Pecht, M. Mitigation strategies for Li-ion battery thermal runaway: A review. Renew. Sustain. Energy Rev. 2021, 150, 111437. [Google Scholar] [CrossRef]
- Einhorn, M.; Roessler, W.; Fleig, J. Improved performance of serially connected Li-ion batteries with active cell balancing in electric vehicles. IEEE Trans. Veh. Technol. 2011, 60, 2448–2457. [Google Scholar] [CrossRef]
- Carter, J.; Fan, Z.; Cao, J. Cell equalisation circuits: A review. J. Power Sources 2020, 448, 227489. [Google Scholar] [CrossRef]
- Ibraheem, R.; Strange, C.; Dos Reis, G. Capacity and Internal Resistance of lithium-ion batteries: Full degradation curve prediction from Voltage response at constant Current at discharge. J. Power Sources 2023, 556, 232477. [Google Scholar] [CrossRef]
- Wen, S. Cell balancing buys extra run time and battery life. Analog Appl. J. 2009, 1. Available online: https://www.ti.com/lit/an/slyt319/slyt319.pdf#page=14 (accessed on 15 January 2024).
- Vitols, K. Efficiency of LiFePO4 battery and charger with passive balancing. In Proceedings of the 2015 IEEE 3rd Workshop on Advances in Information, Electronic and Electrical Engineering (AIEEE), Riga, Latvia, 13–14 November 2015; pp. 1–4. [Google Scholar]
- Iqbal, H.; Sarwar, S.; Kirli, D.; Shek, J.K.; Kiprakis, A.E. A survey of second-life batteries based on techno-economic perspective and applications-based analysis. Carbon Neutrality 2023, 2, 8. [Google Scholar] [CrossRef]
Disclaimer/Publisher’s Note: The statements, opinions and data contained in all publications are solely those of the individual author(s) and contributor(s) and not of MDPI and/or the editor(s). MDPI and/or the editor(s) disclaim responsibility for any injury to people or property resulting from any ideas, methods, instructions or products referred to in the content. |
© 2024 by the authors. Licensee MDPI, Basel, Switzerland. This article is an open access article distributed under the terms and conditions of the Creative Commons Attribution (CC BY) license (https://creativecommons.org/licenses/by/4.0/).






























