Abstract
A centralized bioenergy unit was simulated, focusing on optimizing the manure transport chain, installing a centralized biogas plant, operation costs of the process, biogas upgrading, organic fertilizer production, and economic analyses. Comarca Lagunera from northeast Mexico was chosen as a study zone due to the existing number of dairy farms and livestock population (64,000 cattle heads). Two scenarios were analyzed: The first centralized scenario consisted of selecting one unique location for the anaerobic digesters for the 16 farms; the second decentralized scenario consisted of distributing the anaerobic digesters in three locations. Optimal locations were determined using mathematical modeling. The bioenergy unit was designed to process 1600 t/day of dairy manure. Results indicated that biomethane production was a more profitable option than generating electricity with non-purified methane. The amount of biomethane production was 58,756 m3/day. Economic analysis for centralized bioenergy unit scenario showed a net production cost of USD $0.80 per kg of biomethane with a profit margin of 14.4% within 10.7 years. The decentralized bioenergy unit scenario showed a net production cost of USD $0.80 per kg of biomethane with a profit of 12.9% within 11.4 years. This study demonstrated the techno-economical and environmental feasibility for centralized and decentralized bioenergy units.
1. Introduction
Mexico is a country with particular concern about greenhouse gas emissions (GHG) and energy generation. According to the National Inventory of Greenhouse Gas Emissions (INERE), the total GHG emissions in 2015 were estimated at 748 million tons of carbon dioxide equivalent (CO2 eq.) units, in which energy production and agriculture accounted for 67.3% (503,817.6 Gg) and 12.3% (92,184.4 Gg), respectively [1]. This highlights the need to deploy strategies to reduce GHG emissions from both energy and agriculture sector. Anaerobic digestion is considered one of the most bioenergy-efficient technologies for reducing GHG emissions [2]. Under this context, biogas production from agricultural wastes such as animal manure offers a sustainable means to generate renewable energy and achieve GHG mitigation from the agriculture sector.
Furthermore, Mexico has implemented several reforms in its laws to promote renewable energies, such as the law on the use of renewable energy and the financing of energy transition (LAERFTE). The objective of these laws is that the electricity sector by 2024 must limit its energy production from fossil fuels to a maximum of 65% and the remaining 35% of electricity generation to be from renewable energy sources. As a consequence, the use of biogas has been promoted by Mexican institutions such as the Ministry of Agriculture, Livestock, Rural Development, Fisheries, and Food (SAGARPA) through funding programs such as the Shared Risk Trust (FIRCO), offering several financial tools to support biogas-based projects aimed to the agriculture sector. Previous studies reported the potential of bioenergy production from cow manure in Mexico (410 GW/year) and Comarca Lagunera (21 GW/year), with a potential reduction in GHG emissions to the tune of 21 Gg per year in CO2 equivalent [3]. According to the International Energy Agency data, the bioenergy potential from cow manure would increment 250% from the actual bioenergy production from biogas [4]; however, bioenergy’s poor deployment related to biogas plant design and operation undermines biogas energy establishment. Currently, renewable energy plays a relatively minor role in the Mexican energy grid, despite recent advances and the recently installed renewable energy capacity. Most of the renewable electricity produced in Mexico is generated by the Federal Electricity Commission (CFE), a state-owned electric supplier, mainly through hydroelectric power, followed by geothermal and wind energy [5]. In order to exploit the full potential of renewable energies, a well-suited framework is necessary to attract investment and a legal setting to consider social, environmental, and economic aspects [6]. Moreover, to harvest this energy, it is necessary to install bioenergy plants based on biogas, which in the Mexican context are not cost-effective without subsidies [7]. In addition, even successful biogas plants in Europe face significant drawbacks to break even due to the critical size requirement and the need to minimize operational cost [8]. Techno-economic analysis assisted by software is a standard tool used to examine the profitability under different scenarios and the performance of the proposed process [9]. The suggested bioenergy unit is analyzed in terms of the energy generated, economic values of bio-products, and reduction in greenhouse gas emissions. This study endeavors to use simulation software and field measurements to design a cost-effective centralized bioenergy biogas-based unit in a specific area of the region, known as Comarca Lagunera in Mexico.
2. Materials and Methods
2.1. Study Area
The selected area of study is near to the town La Popular, at Comarca Lagunera, northeast of Mexico, which consists of a 50 square km cluster of livestock producers with an approximate density of 1272 head cows per square km at 25°41′14.83″ N and 103°27′58.04″ W. This cluster of livestock producers have in total approximately 64,000 cattle heads divided between 16 livestock producers. This work will analyze different hypothetical scenarios to assess its bioenergy potential and GHG emissions.
2.2. Inventory Data
The data were gathered directly from producers at the designed study area and was used to build an inventory using the IPCC Inventory Software to calculate the emission profile of each scenario tested. Additionally, each dairy farm location was determined using Google Earth map online tool to calculate transport distances of the manure production farms to the biogas unit (https://www.google.com/maps, accessed on 6 June 2021).
2.3. Optimal Location of Bioenergy Unit Components
In order to assess the optimal location of the plant components, two scenarios were compared. In both scenarios were including transportation costs from the dairy farms to biodigesters clusters. Scenario 1 consisted of 16 cattle farms and one single cluster of biodigesters, and Scenario 2 consisted of three sets of biodigesters distributed in the study area. The locations of the biodigester assemblies were optimized using an integer nonlinear programming model in the commercial software General Algebraic Modeling System (GAMS), using CPLEX as a solver [10]. The linear programming objective was set to minimize the total transportation cost by minimizing the supply chain distance, which is one of the factors to reduce the total operational costs. The locations and coordinates of the livestock producers were determined using the Google Earth tool. Those coordinates were used to build a model using GAMs Software to find the optimal number and locations of the biodigesters using a function to minimize transport cost as follows:
Transport costs consist of:
- Weight transportation cost per unit of distance (USD)
- Distance from the producer-to-nearest-biodigester (km)
Subject to:
- Manure production per unit of time (ton)
- Biodigesters capacity (m3)
Index/sets:
- i = producers
- j = biodigesters
Parameters:
- ai = manure production at dairy farms i (kg)
- bj = biodigesters capacity j (m3)
- dij = distance between plant I and market (km)
- f = freight cost (ton*unit of distance) (USD)
- c = transport cost from producers i to biodigesters j (USD)
- n = number of plants open
Decision Variables
- Xij = amount of manure to ship from dairy farm i to biodigesters j (ton)
Constrains
- Xij ≥ 0
- ∑j = N
Variables
- X = positive variable
- c = positive variable
- Y = binary
Equations
- Production at dairy farms i: ∑j Xij ≥ ai
- Biodigesters Capacity j: ∑i Xij ≥ bj
- Transport Cost: c: f dij
- ∑i ∑j cij X ij + ∑ ifc Yi
Objective function to minimize
- ∑i ∑j cij X ij
2.4. Methane Emissions from Enteric Fermentation
The enteric fermentation methane emission factor was obtained from the revised IPCC guidelines and the equation given below for Tier 1 [11] was employed for the emissions calculation.
where, emissions are methane emission from Enteric Fermentation, Gg CH4 yr_1; EF(T) is emission factor for the defined livestock population kg CH4 head_1 yr_1; N(T) is the number of head of livestock species/category T in the province; and T is the species/category of livestock.
2.5. Methane Emissions and Bioenergy Potential from Animal Manure in Each Dairy Farm
Methane emissions from manure were calculated using the equation previously mentioned [12]. CH4 emission factor for manure management equation [11] was considered to estimate the bioenergy potential produced from animal manure by anaerobic digestion; also, the conversion of volatile solids (VS) to methane and the methane content in the biogas were contemplated. The amounts of VS generated by animal category were obtained from the IPCC guidelines [11]. The conversion of VS to methane was 60% for dairy manure and a methane content of 60% was considered in this study for the estimations. The electricity potential of the biogas generated was also calculated and the conversion efficiency of 25% for small generators was used in this study [3].
Equation 10.23. CH4 Emission Factor from Manure Management. Where EF(T) is annual CH4 emission factor for livestock category T, kg CH4 animal−1 yr−1; VS(T) is daily volatile solid excreted for livestock category T, kg dry matter animal−1 day−1; 365 is the basis for calculating annual VS production, days yr−1; Bo(T) is maximum methane producing capacity for manure produced by livestock category T, m3 CH4 Kg−1 of VS excreted; 0.67 is the conversion factor of m3 CH4 to kilograms CH4; MCF(S,k) is the fraction of livestock category T’S manure handled using manure management system S in climate region k, dimensionless.
2.6. Bioenergy Units Simulation
The bioenergy unit process was modeled using SuperPro v.8.5. The price of biodigesters was calculated using the data provided by [7]. Other data required for the economic analysis of the bioenergy unit were gathered from local suppliers and complemented with SuperPro database prices.
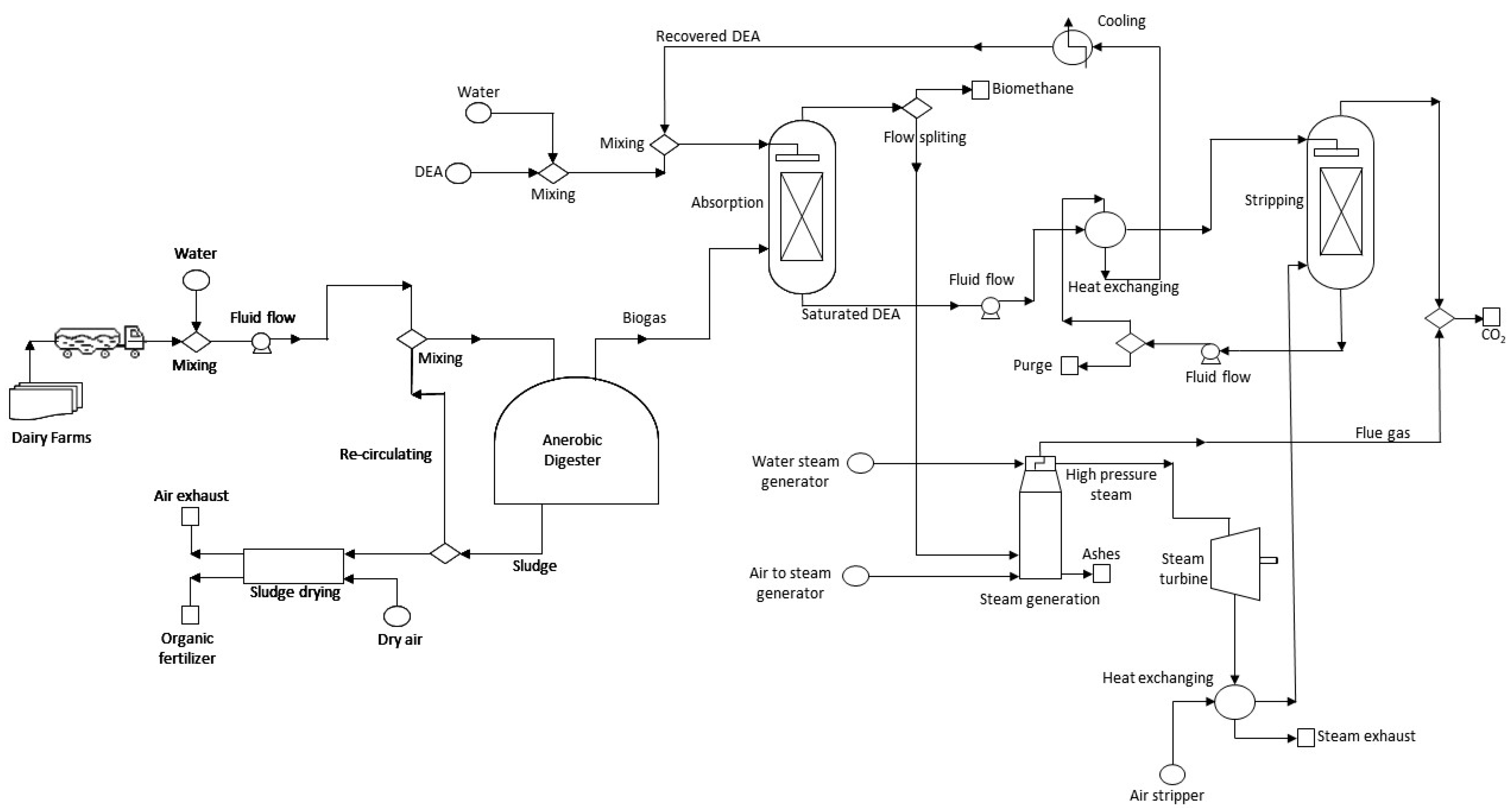
The plant was designed considering the assumptions shown in Table 1. The number of unit operations simulated was minimized to reduce the complexity and capital cost of the plant. As a result, only four major unit processes are required: transport, anaerobic digester, biogas upgrading process, and power generation. The transport section consisted of the transport by land of cattle manure from the dairy farms to the digesters and the arrangement of water pipes intended to collect the manure and mix it in the correct ratio before it is pumped into the digesters. The anaerobic digester is where the waste is biologically degraded to produce methane. The biogas upgrading unit is where the biogas is purified and transformed into biomethane. Finally, the power generation unit consists of a steam generator and a steam turbine. In addition, the operating conditions were determined based upon the decision of which operating conditions suited best with the costs, location, and product yield.
Table 1.
Assumptions for building scenarios.
Biogas production was calculated considering a methane yield of 180–200 m3 per kg of VS [12]. Additionally, cattle manure was considered to have a 20% VS content [13]. Finally, a VS conversion rate of 60% for HRT of 30 days from field measurements was considered. The biodigesters’ energy consumption (for heating and stirring) was estimated using SuperPro Designer (SuperPro v9.5) and was subtracted from the power generation and heat recovering processes. In the same manner, the heat needed to meet the requirements of the biogas upgrading unit was recovered from the steam generation process using heat exchangers.
The biogas bioenergy unit was designed to include the generation of two different marketable products apart from bioenergy, such as renewable biomethane and dried digestate. Both processes were simulated in SuperPro software, considering energy, matter balance, as well as operational cost.
Digestate is a fully fermented nutrient-rich material that can be utilized as organic fertilizer; however, the digestate would need further processing to meet the local regulations as organic fertilizer. In this study, the formulation cost of the digestate as organic fertilizer was not taken into account for modeling as it varies according to the state/country legislations. In addition, the dewatering process of the digestate is costly due to the heat needed [14]. The heat required to dry the digestate can be provided by recovering waste heat from the power-generation process [15]. The biogas upgrading unit using an amine scrubber comprises the following elements: an absorber column, a heat exchanger, a stripper, a condenser, and a re-boiler. The role of the re-boiler is to heat the incoming amine liquid solvent and vaporize the CO2 to obtain a lean stream of solvent. The operational parameters of the biogas upgrading process are listed in Table 2.
Table 2.
Operating parameters of biogas upgrading process Modified from [16].
3. Results and Discussion
3.1. Methane Emissions from Dairy Farms
One of the most critical impacts of livestock activities that has gained significant relevance in the last decade is climate change, whose primary indicator is greenhouse gas (GHG) emissions, which for Mexico in 2010 were estimated at 748 Gg of equivalent units of carbon dioxide. In the present study, total GHG emissions from the study area were calculated in 163.72 CO2 eq., including manure management and enteric fermentation. This total emission value was used as a baseline to calculate GHG emission reduction in the bioenergy unit scenarios. Both scenarios showed a significant reduction in GHG emissions compared base scenario due to anaerobic digestion as a waste management system. The GHG reduction for the Centralized scenario was calculated in 3.55 Gg of CO2 eq. On the other hand, the GHG reduction in the decentralized scenario was calculated in 3.6 Gg of CO2 eq. Although both scenarios are designed to process the same amount of cattle manure, the difference in GHG can be explained due to the influence of the transport chain as the decentralized scenarios are intended to reduce the distance from the cattle manure feedstock to the digesters and, consequently, affect both transport cost and transport emissions [17]. Emissions from each dairy farm are presented in Table 3. Similarly, other authors approximate GHG emissions savings by comparing CO2 eq. from enteric fermentation and manure management to the amount of CO2 eq. that could theoretically be cut from methane recovery in anaerobic digestion [18].
Table 3.
Inventory of methane emissions from each livestock producer.
Thus, the implementation of bio-energy units as waste management systems at the rural level could effectively reduce negative environmental impacts from livestock producers related to GHG emissions into the atmosphere, as well as the accumulation of micro and macronutrients in the soil and in surface water bodies that can lead to eutrophication of surrounding ecosystems.
3.2. Cost Analysis of Manure Transport
The current specific problem is determining the optimal number and locations of main bio-energy components (biodigesters clusters) by minimizing the investment and operational cost. Geographical coordinates of the optimized locations are shown in Table 4. Additionally, the current locations of livestock producers are presented in Table 5. The transport costs for cattle manure were calculated for all plant sizes. Then, optimal allocations for biodigesters were determined using linear programing modeling in GAMs by minimizing the total distance traveled. Individual distances between each dairy farm and biodigester location are shown in Table 6. The transport cost for both sets of scenarios was calculated using transport energy intensity for loading trucks of 10 tons at 0.5 MJ/t/km. In addition, the diesel energy content of 39 MJ/L and a price per liter of USD $0.92, equivalent to the average price of commercial diesel fuel in La Laguna from May to June 2021, were also used. As a result, centralized scenarios showed a transport cost of USD $464,000, equivalent to 7.49% of the annual operational cost. On the other hand, transport cost for the decentralized scenario was calculated at USD $352,000, equivalent to 6.19% of the annual operational cost. In contrast, transport costs can take between 15–20% of annual operating costs in bioethanol refineries [19]. This difference is mainly because, unlike bioethanol feedstocks, cattle manure does not have a derived cost apart from transport [20].
Table 4.
Optimal geographical locations for centralized and decentralized biodigesters units and livestock producers.
Table 5.
Geographical locations of the livestock producers, cattle heads, and manure production.
Table 6.
Manure transport distance from each livestock producer to each bioenergy unit.
3.3. Bioenergy Unit Process Analysis
Both scenarios are designed to handle up to 1600 tons of fresh manure per day, with a hydraulic retention time of 30 days. The total volume capacity for the centralized scenario is 1,440,000 m3 and the decentralized scenario 1,470,000 m3. A factor of USD $65.00 for each cubic meter was used to calculate the capital cost of each scenario [21]. The decentralized scenario capital cost for the digester was calculated in alignment with the technology available in the country [7]. It was established that each scenario could produce up to 14,240,000 kg/year of methane, equivalent to 339 kWh/day of dairy power. The anaerobic digestion process resulted in the most expensive process, accounting for up to 52% and 61% of the total capital cost for the centralized and decentralized scenarios. Other authors report a similar capital cost distribution of 66% attributed to refinery and production cost, 15% to biomass procurement cost, 14% to biomass transportation cost, and 5% to fuel transportation [20].
A block flow diagram of the process is presented in Figure 1 for the centralized bioenergy unit, which gives an overview of the process. All process steps were run continuously. Auxiliary capital investments, buildings, and yard improvements are included in the calculation of economic performance. The capital investment cost for the centralized scenario was calculated in USD $387,335,000, a net present value of $33,496,000, an internal rate of return of 8.8%, and a payback period of 12.7 years. The capital investment cost for the decentralized scenario was calculated at USD $411,382,000 with a net present value of USD $45,436,000, an internal rate of return of 8.67%, and a payback period of 13.4 years. Similar results were obtained by Mel et al. [22], who reported a rate of return of investment at 12%, which gives a payback period of 8.2 years [22]; however, other authors report more strict parameters of 19.3% of internal rate of return and five years of payback period [14]. Finally, the economic analysis of the production process shows a net production cost of $0.7994 and USD $0.8021 per kg of biomethane.
Figure 1.
Design of centralized bioenergy unit.
3.4. Biogas Upgrading Process
Biogas upgraded to biomethane can provide a renewable gaseous transport fuel and is one of the proposed solutions in meeting the renewable energy supply in transport; however, biogas upgrading is an energy-intensive process that requires waste heat recovery from power generation to be economically achievable. This study simulates the biogas upgrading process with a net cost of USD $0.14 per m3. In contrast, other studies report a slightly smaller net production cost of $0.12 USD per m3 [16]. This difference is mainly due to equipment costs [22]. Finally, the amine scrubber system was designed to operate a methane content of ≥90%, CO2 of ≤5%, N2 of ≤5%, and H2S limit of ≤0.01 ppm [23]. It is noteworthy that biogas upgrading by amine scrubber is considered a method with a high methane loss of about 1–2% CH4 [24,25].
3.5. Power Generation
The power generation for both scenarios was calculated using SuperPro designer software and included the energy balance of the whole process. Power generation calculation was performed considering a conversion factor of 1 GWh to 3.6 × 1011 and an energy density of 20 MJ m3 per biogas cubic meter with 55% methane content (IPCC Software). An efficiency factor of 25–40% was used to determine the amount of electricity generated in the power generation process, resulting in a power generation equivalent to 1.51 kWh of electricity when converted at 25% efficiency. In comparison, a cubic meter of biogas with 70% methane content converted at 40% efficiency produces 2.81 kWh of electricity.
Both simulated scenarios show a potential to produce up to 339 kW/h of net power after subtracting the energy needed to run the whole process. The calculations were carried out with the prefixed settings of the SuperPro energy generation tool, using methane as fuel. Co-generation performance was calculated up to 2008 Mj/h of heat recovered from exhaust gases. Previous studies report an emission factor of 31.1 kg of methane per cow a year. In contrast, this specific studio shows a methane yield of 14.6 kg of methane per cow per year [11]. This difference is mainly due to the different VS conversion rates used in the IPCC methodology, as they stated a conversion rate of ≥80%, while in this study, a 60% was used based on field measurements taken from operational biodigesters in the study area. Finally, the energy produced in the CHP unit could cover entirely or at least partially the energy requirements of the farm itself or generate income by selling the energy produced through the power grid [26]. Additionally, due to the digestate use, the cycle can be continued, potentially reducing the consumption of inorganic fertilizers, minimizing soil and water contamination, eutrophication, and GHG emissions [27]. Although digestate needs to be formulated before applying as organic fertilizer, several reports indicate that digestate can be employed directly to the soil as a crop fertilizer or soil improver [28,29,30]; however, due to the low dry matter and high volume, digestate is often separated into liquid and solid fractions to reduce costs related to storage and transport [30]. Furthermore, different methods have been applied before field application, such as liquid separation, drying, dilution, filtration, etc. [29]. In this study, drying treatment was chosen to formulate solid digestate. Nevertheless, further analyses need to be performed to formulate it as an organic fertilizer to comply with local regulations.
3.6. Economical Performance of Bioenergy Unit
According to the different scenarios evaluated, it was found that the production of value-added products, in this case, biomethane, showed in both cases the highest net present value (NPV); however, value-added products also show a higher total capital investment cost than the energy-based scenarios. A summary of the different economic indicators is presented in Table 7.
Table 7.
Economic analyses of the bioenergy unit scenarios.
Both scenarios achieved economic feasibility in relation to the payback period, which is lesser than the estimated lifespan of the bioenergy unit; however, net present value (NPV) and internal rate of return (IRR) values demonstrated that the value-added products scenario showed the most prominent economic performance than energy-based scenarios. Similar results were presented earlier [13], where an IRR of 19.3% is reported, a higher value than our study. NPV results showed that the investment could be recovered within the lifespan of the bioenergy unit, which indicated the economic viability of the scenario. We also observed that bioenergy-based scenarios showed a significantly lower TCI than value-added scenarios. Consequently, energy-based scenarios are shown to be more attractive to minor investors despite the lower NPV and IRR.
3.7. Sensitive Analysis Results
Overall operating costs span over a long period, and it is necessary to consider their sensitivity to the different costs and parameters used in the analysis. In this case, the current legal frame allows two different schemes of electricity selling: a flat tariff that averages the selling price for a specific region and an intelligent selling, which allows the selling of power at price peaks according to the demand at a specific place. The National Center of Energy Control in Mexico allows recording the electricity selling price at every even hour, where the average selling price during May–June 2021 was $87.75 for the flat tariff and $122.00 during the 4 hours’ daily peak; therefore, the average flat and average peak selling price was considered a baseline for the sensitivity analysis. Results of the sensitivity analysis are shown in Figure 2 and Figure 3 in terms of simple payback period and net present value (NPV).
Figure 2.
Simple payback period under assumptions of the intelligent and flat energy selling price.
Figure 3.
Sensitivity analysis of net present value under smart and flat energy selling price assumption.
Figure 2 shows that the case of a flat simple payback period has minor sensitivity to variations in electricity selling price, although those values cannot be considered desirables due to the relatively long payback period. On the other hand, smart selling scenarios showed a linear effect on a simple payback period as the electricity selling price increased and the simple payback period decreased. A linear response between a simple payback period and an increment in values in selling prices of the final product was also reported in previous studies [6,28]. Similarly, NPV also showed a linear response to increments in the electricity selling price for both sets of scenarios; however, when it comes to a decrease in electricity selling price, both scenarios showed a negative response. A single decrease of 5% in electricity selling price turned unprofitable both flat tariff scenarios as they fall in a negative value. In the smart selling price, both scenarios were still profitable at a 5% decrease in electricity selling price despite having a 40% and 44% loss in NPV for centralized and decentralized scenarios. Finally, a 10% decrease in electricity selling price turned unprofitable in all scenarios tested.
4. Conclusions
Biogas energy solutions are often characterized for having several possible applications and uses. Economically, the most easily identifiable contributions from biogas energy are energy production and avoided energy input and cost derived from waste treatment; however, our research suggests that biogas-based energy units’ most interesting contribution is the potential for value-added products and GHG emission reduction. In biorefinery settings, new processes and products are constantly being evaluated for increased production opportunity and profitability. Furthermore, economic and environmental approaches are consistently major drivers that encourage the development of renewable energy projects. Finally, the modeling through software shows that the area of Comarca Lagunera has a high techno-economic potential for the implementation of a bioenergy system; however, technical improvements such as heat recovery from different streams were necessary to reduce the energy requirements and reach economic viability in the whole process.
Furthermore, the proposed bioenergy units showed a positive impact in reducing GHG emissions derived from waste management. Additionally, the application of the circular economy concept to biogas production opens the possibility of exploiting waste to create extra income and an opportunity to cut the current expenses involved with farming and its waste management. Finally, based on the results of this work, it is demonstrated the economic viability of anaerobic digestion systems to mitigate GHG emissions from intensive livestock production despite the low prices of fossil fuels and electricity in the study area.
Author Contributions
Conceptualization, N.B.; methodology, J.A.S.-G., I.O.H.-D.L.; software, A.R.-M. and J.A.S.-G.; validation, I.O.H.-D.L. and N.B.; formal analysis, N.B., A.R.-M., and G.A.R.-S.; investigation, J.A.S.-G.; resources, N.B.; data curation, J.A.S.-G., I.O.H.-D.L., and B.J.-L.; writing—original draft preparation, J.A.S.-G., writing—review, and editing, N.B. and I.O.H.-D.L.; supervision, N.B. and A.R.-M.; project administration, N.B. and I.O.H.-D.L.; funding acquisition, N.B. All authors have read and agreed to the published version of the manuscript.
Funding
This research received no external funding.
Acknowledgments
J.A.S.-G. thanks the Mexican National Council of Science and Technology (CONACyT) for awarding a scholarship to complete his master’s program in Biochemical Engineering (PNPC No. 002439).
Conflicts of Interest
The authors declare no conflict of interest.
References
- Scarpelli, T.R.; Jacob, D.J.; Villasana, C.A.O.; Hernández, I.F.R.; Moreno, P.R.C.; Alfaro, E.A.C.; García, M.Á.G.; Zavala-Araiza, D. A gridded inventory of anthropogenic methane emissions from Mexico based on Mexico’s national inventory of greenhouse gases and compounds. Environ. Res. Lett. 2020, 15, 105015. [Google Scholar] [CrossRef]
- Hamawand, I. Anaerobic digestion process and bio-energy in meat industry: A review and a potential. Renew. Sustain. Energy Rev. 2015, 44, 37–51. [Google Scholar] [CrossRef]
- Hernandez-De Lira, I.O.; Huber, D.H.; Espinosa-Solares, T.; Balagurusamy, N. Methane emission and bioenergy potential from livestock manures in Mexico. J. Renew. Sustain. Energy 2015, 7, 53117. [Google Scholar] [CrossRef]
- International Energy Agency. The outlook for biogas and biomethane to 2040. IEA Rep. 2020, 1, 1–93. [Google Scholar]
- Rennkamp, B.; Haunss, S.; Wongsa, K.; Ortega, A.; Casamadrid, E. Competing coalitions: The politics of renewable energy and fossil fuels in Mexico, South Africa and Thailand. Energy Res. Soc. Sci. 2017, 34, 214–223. [Google Scholar] [CrossRef]
- Giwa, A.; Adeyemi, I.; Dindi, A.; García-Bañoz Lopez, C.; Lopresto, C.G.; Curcio, S.; Chakraborty, S. Techno-economic assessment of the sustainability of an integrated biorefinery from microalgae and Jatropha: A review and case study. Renew. Sustain. Energy Rev. 2018, 88, 239–257. [Google Scholar] [CrossRef]
- Gutierrez, E.C.; Xia, A.; Murphy, J.D. Can slurry biogas systems be cost effective without subsidy in Mexico? Renew. Energy 2016, 95, 22–30. [Google Scholar] [CrossRef]
- Walla, C.; Schneeberger, W. The optimal size for biogas plants. Biomass Bioenergy 2008, 32, 551–557. [Google Scholar] [CrossRef]
- Teghammar, A.; Forgács, G.; Horváth, I.S.; Taherzadeh, M. Techno-economic study of NMMO pretreatment and biogas production from forest residues. Appl. Energy 2014, 116, 125–133. [Google Scholar] [CrossRef] [Green Version]
- Shu, K.; Schneider, U.A.; Scheffran, J. Optimizing the bioenergy industry infrastructure: Transportation networks and bioenergy plant locations. Appl. Energy 2017, 192, 247–261. [Google Scholar] [CrossRef]
- IPCC. IPCC Guidelines for National Greenhouse Gas Inventories, Agriculture, Forestry and Other Land Use. In IPCC Guidelines for National Greenhouse Gas Inventories; Eggleston, H.S., Buendia, L., Miwa, K., Ngara, T., Tanabe, K., Eds.; IPCC: Hayama, Japan, 2006; Volume 4, pp. 1–89. [Google Scholar]
- Bayr, S.; Rintala, J. Thermophilic anaerobic digestion of pulp and paper mill primary sludge and co-digestion of primary and secondary sludge. Water Res. 2012, 46, 4713–4720. [Google Scholar] [CrossRef]
- Smith, P.; Bustamante, M.; Ahammad, H.; Clark, H.; Dong, H.; Elsiddig, E.A.; Haberl, H.; Harper, R.; House, J.; Jafari, M.; et al. Agriculture, Forestry and Other Land Use (AFOLU). In Climate Change 2014: Mitigation of Climate Change; Contribution of Working Group III to the Fifth Assessment Report of the Intergovernmental Panel on Climate Change; Edenhofer, O., Pichs-Madruga, R., Sokona, Y., Farahani, E., Kadner, S., Seyboth, K., Adler, A., Baum, I., Brunner, S., Eickemeier, P., et al., Eds.; Cambridge University Press: Cambridge, UK; New York, NY, USA, 2014; Volume 1, pp. 1–212. [Google Scholar]
- Patinvoh, R.J.; Osadolor, O.A.; Horváth, I.S.; Taherzadeh, M. Cost effective dry anaerobic digestion in textile bioreactors: Experimental and economic evaluation. Bioresour. Technol. 2017, 245, 549–559. [Google Scholar] [CrossRef] [PubMed]
- Budzianowski, W.M.; Budzianowska, D.A. Economic analysis of biomethane and bioelectricity generation from biogas using different support schemes and plant configurations. Energy 2015, 88, 658–666. [Google Scholar] [CrossRef]
- Vo, T.T.; Wall, D.M.; Ring, D.; Rajendran, K.; Murphy, J.D. Techno-economic analysis of biogas upgrading via amine scrubber, carbon capture and ex-situ methanation. Appl. Energy 2018, 212, 1191–1202. [Google Scholar] [CrossRef]
- Bacenetti, J.; Negri, M.; Fiala, M.; González-García, S. Anaerobic digestion of different feedstocks: Impact on energetic and environmental balances of biogas process. Sci. Total Environ. 2013, 463, 541–551. [Google Scholar] [CrossRef] [PubMed]
- Lauer, M.; Hansen, J.; Lamers, P.; Thrän, D. Making money from waste: The economic viability of producing biogas and biomethane in the Idaho dairy industry. Appl. Energy 2018, 222, 621–636. [Google Scholar] [CrossRef]
- Huang, Y.; Chen, C.-W.; Fan, Y. Multistage optimization of the supply chains of biofuels. Transp. Res. Part E Logist. Transp. Rev. 2010, 46, 820–830. [Google Scholar] [CrossRef]
- Chen, C.-W.; Fan, Y. Bioethanol supply chain system planning under supply and demand uncertainties. Transp. Res. Part E Logist. Transp. Rev. 2012, 48, 150–164. [Google Scholar] [CrossRef]
- International Renewable Energy Agency. Renewable Energy Technologies: Cost Analysis Series, 1st ed.; IRENA: Abu Dhabi, United Arab Emirates, 2012; pp. 1–64. [Google Scholar]
- Mel, M.; Yong, A.S.H.; Ihsan, S.I.; Setyobudi, R.H. Simulation study for economic analysis of biogas production from agricultural biomass. Energy Procedia 2015, 65, 204–214. [Google Scholar] [CrossRef] [Green Version]
- Gawel, R.A. Design simulations for a biogas purification process using aqueous amine solutions. Chem. Pap. 2012, 66, 1010–1018. [Google Scholar] [CrossRef]
- Surendra, K.C.; Takara, D.; Hashimoto, A.G.; Khanal, S.K. Biogas as a sustainable energy source for developing countries: Opportunities and challenges. Renew. Sustain. Energy Rev. 2014, 31, 846–859. [Google Scholar] [CrossRef]
- Reinelt, T.; Delre, A.; Westerkamp, T.; Holmgren, M.A.; Liebetrau, J.; Scheutz, C. Comparative use of different emission measurement approaches to determine methane emissions from a biogas plant. Waste Manag. 2017, 68, 173–185. [Google Scholar] [CrossRef] [Green Version]
- Blades, L.; Morgan, K.; Douglas, R.; Glover, S.; De Rosa, M.; Cromie, T.; Smyth, B. Circular biogas-based economy in a rural agricultural setting. Energy Procedia 2017, 123, 89–96. [Google Scholar] [CrossRef] [Green Version]
- Tampio, E.; Lehtonen, E.; Kinnunen, V.; Mönkäre, T.; Ervasti, S.; Kettunen, R.; Rintala, J. A demand-based nutrient utilization approach to urban biogas plant investment based on regional crop fertilization. J. Clean. Prod. 2017, 164, 19–29. [Google Scholar] [CrossRef]
- Logan, M.; Visvanathan, C. Management strategies for anaerobic digestate of organic fraction of municipal solid waste: Current status and future prospects. Waste Manag. Res. 2019, 37, 27–39. [Google Scholar] [CrossRef] [Green Version]
- Möller, K.; Müller, T. Effects of anaerobic digestion on digestate nutrient availability and crop growth: A review. Eng. Life Sci. 2012, 12, 242–257. [Google Scholar] [CrossRef]
- Törnwall, E.; Pettersson, H.; Thorin, E.; Schwede, S. Post-treatment of biogas digestate—An evaluation of ammonium recovery, energy use and sanitation. Energy Procedia 2017, 142, 957–963. [Google Scholar] [CrossRef]
Publisher’s Note: MDPI stays neutral with regard to jurisdictional claims in published maps and institutional affiliations. |
© 2021 by the authors. Licensee MDPI, Basel, Switzerland. This article is an open access article distributed under the terms and conditions of the Creative Commons Attribution (CC BY) license (https://creativecommons.org/licenses/by/4.0/).


