Next Article in Journal
A Lightweight Model for Insulator Defect Detection Based on Vision–Language Modeling and Prior Knowledge in Power Systems
Previous Article in Journal
Phytochemical Profile and Cosmeceutical Potential of Leaf Extracts of Two Species of the Anacardiaceae Family from the Mediterranean Scrubland: Pistacia lentiscus L. and Pistacia atlantica Desf.
 
 
Font Type:
Arial Georgia Verdana
Font Size:
Aa Aa Aa
Line Spacing:
Column Width:
Background:
Article

Innovative Alloy Design for Acid Stimulation Applications: From Lab to Field Validation, Combining High-Temperature Corrosion Testing and AI-Enhanced Corrosion Predictions

by
Charbel Ramy
1,
Razvan George Ripeanu
1,*,
Salim Nassreddine
2,
Maria Tănase
1,*,
Elias Youssef Zouein
3,
Constantin Cristian Muresan
1 and
Ayham Mhanna
1
1
Mechanical Engineering Department, Petroleum-Gas University of Ploiești, 100680 Ploiesti, Romania
2
Department of Chemical Engineering, Lebanese University Faculty of Engineering, Beirut P.O. Box 6573/1, Lebanon
3
Faculty of Engineering, Conservatoire National des Arts et Métiers, 292 Rue Saint Martin, 75003 Paris, France
*
Authors to whom correspondence should be addressed.
Processes 2025, 13(11), 3713; https://doi.org/10.3390/pr13113713
Submission received: 13 September 2025 / Revised: 6 November 2025 / Accepted: 11 November 2025 / Published: 17 November 2025

Abstract

The oil and gas sector encounterssignificant material problems during acid stimulation, particularly under high temperatures, high pressures, and corrosive conditions with CO2 and H2S. This study focused on corrosion and erosion failures of tungsten carbide jetting nozzles in coiled tubing bottom hole assemblies. While tungsten carbide is durable, its high price, restricted machinability, and scarcity necessitate the search for viable alternatives. This study sought to identify and validate a low-cost, readily available, and easily machinable alloy with equivalent performance. A rigorous material selection approach took into account thermochemical stability, mechanical strength, and corrosion resistance under simulated downhole circumstances. Candidate alloys, both coated and uncoated, were subjected to extensive laboratory testing, including acid compatibility, high-temperature corrosion, erosion resistance, and mechanical integrity assessments. The majority failed due to pitting or surface deterioration. However, one coated alloy system was very resistant to chemical and thermal damage. To support long-term performance, a machine learning model relying on Gradient Boosting was created to forecast corrosion behavior using operational factors; demonstrating effective prediction characteristics compared with four other models. This AI-powered tool allows for accurate prediction of corrosion risks and aids decision-making by determining whether the material will maintain integrity under harsh acidic conditions. Field tests proved the selected alloy’s durability and jetting efficiency during many acid stimulation cycles. The corrosion and wear performance of coated 4145 material demonstrates a validated, cost-effective alternative to tungsten carbide with only four times lower corrosion resistance than carbide, outperforming other alloy combinations with up to 35 times higher corrosion rates. These results reveal tremendous opportunities for improving material design in corrosive energy applications.

1. Introduction

Coiled tubing interventions have become increasingly important in current oilfield operations, notably for well stimulation and remediation in mature and complex reservoirs. Among these interventions, matrix acidizing remains one of the most commonly utilized methods for improving hydrocarbon recovery in carbonate and sandstone formations [1]. However, increasingly harsh reservoir conditions, including high-pressure, high-temperature (HPHT) conditions, coupled with corrosive gases such as H2S and CO2 offer significant issues for fluid design, operational execution, and mechanical integrity of downhole tools [2]. Acid stimulation in these conditions necessitates equipment that can handle combined mechanical, chemical, and thermal loads, with a focus on bottom hole assemblies (BHAs), which hold jetting nozzles responsible for precise acid deposition in specific zones [2,3]. Tungsten carbide has long been the material of choice for high-velocity acid jetting nozzles due to its remarkable hardness, wear resistance, and ability to withstand extreme temperatures and pressures [4,5]. Its mechanical strength enables structural stability in the face of erosive and corrosive flow while also sustaining nozzle geometry and jet efficiency [5]. Despite these advantages, various limitations prevent the practical use of tungsten carbide nozzles in field operations. The material’s inherent brittleness and the need for specialist equipment drive up procurement and machining costs [6]. Over time, this combination causes severe erosion, pitting, and surface wear, which gradually alters nozzle geometry, reduces jetting performance, and necessitates regular nozzle replacement. within the operating intervention routine conditions of Superior Abu Dhabi, where an average of twelve stimulation activities are conducted per campaign monthly, standard tungsten carbide nozzles have a much shorter service life. Because of the high price, limited local stock, and difficult machining needs of tungsten carbide components, this leads to frequent replacements, increased operational expenses, and logistical delays. To overcome these issues, academics around the world have looked into a variety of methods. Some have concentrated on improved surface coatings, including nitriding, boriding, and thermal spray coatings, to improve base alloy erosion and corrosion resistance [7,8,9,10]. Others have investigated other hard materials, such as ceramics, cermets, and martensitic stainless steels, using specific heat treatments to increase hardness and chemical stability [8]. Additional techniques include using corrosion inhibitors to lower acid aggressiveness [11]. While each strategy offers some benefit, and given the ongoing issues connected with tungsten carbide nozzles, we took the initiative to investigate a fundamentally alternative strategy by fully modifying the nozzle material rather than depending just on coatings. Specifically, we focused on using the same basic materials as the tool body itself, AISI 4140 and 4145 steels, which are readily available in the local market and have outstanding machinability and mechanical strength. Several tests were carried out on both uncoated and surface-treated forms of these alloys to determine their capacity to tolerate the combined effects of high-velocity acid jetting, erosive particle impacts, and extended exposure to stimulating fluids under HPHT and corrosive conditions [9,10].
The current study seeks to find and validate a feasible, cost-effective alternative to tungsten carbide for jetting nozzles in coiled tubing acid stimulation. This study takes a multiphase, interdisciplinary approach that includes material selection, laboratory evaluation, field implementation, and predictive modeling [12]. The selected materials, 4140 and 4145 low-alloy chromium–molybdenum steels, have high tensile strength, good ductility, and excellent hardenability, allowing them to withstand the intense fluid dynamic forces and cyclic loading encountered during high-velocity acid jetting operations [13]. Their inherent machinability enables rapid prototyping of complex nozzle shapes, addressing one of the most significant drawbacks of tungsten carbide nozzles, which need specialist machining and long lead times. When combined with thermochemical treatments such as nitriding or QPQ (Quench–Polish–Quench), both 4140 and 4145 steels form a compound layer with high surface hardness and increased resistance to erosive and corrosive media, such as hydrochloric acid and the mixed acid systems commonly used in matrix acidization [9,10,14,15]. While high-chromium martensitic stainless steels like AISI 420 (X105CrMo17) provide superior bulk corrosion resistance, they have lower fracture toughness and ductility and are more prone to brittle failure at high strain rates, making them unsuitable for components subjected to both erosive flow and mechanical impact [16]. Furthermore, martensitic stainless steels have much reduced machinability, which increases the production complexity and cost of specific nozzle designs. In contrast, nitrided AISI 4140 and 4145 can provide a balanced combination of mechanical strength, surface hardness, and chemical resistance, delivering wear and corrosion performance equivalent to or superior to many stainless steels while maintaining a harder and more machinable core structure [9,10,17].
Their local availability and established heat treatment infrastructure make them economically and logistically advantageous, especially in areas where tungsten carbide procurement takes a long time and is expensive. For these reasons, AISI 4140 and 4145, when properly surface-engineered, offer a technically and economically viable alternative to tungsten carbide for jetting nozzle applications in coiled tubing acid stimulation operations [9,18].
Recognizing the inherent unpredictability of downhole corrosion and erosion, a machine learning (ML) framework is built to improve predictive capability. Operational and experimental data, such as acid concentration, flow rates, temperature, exposure time, and grain size, were utilized to train a Gradient Boosting model that can predict corrosion and wear patterns in candidate materials. This AI-driven approach allowed for proactive material selection, decreased trial-and-error field testing, and maximized nozzle deployment in certain operational conditions. Furthermore, the ML framework may be used for other downhole components, such as packers, seals, valves, and tubing strings, that are subjected to similar conditions, suggesting greater relevance for predictive materials engineering in oilfield operations.
The primary goal of this research is to show that a low-cost, readily available, and easily machinable alloy could closely match tungsten carbide under abrasive and corrosive acid stimulation conditions. The study indicates that AISI 4145, when paired with specific surface treatments and validated by integrated laboratory, field, and AI-driven analysis, provides dependable jetting performance while preserving structural integrity and lowering operational costs and downtime. This work not only solves technical issues with nozzle durability but also provides a scalable, cost-effective system for selecting, validating, and predicting the performance of downhole materials under demanding operating conditions [19].
Finally, this study bridges the gap between laboratory research and field applications, providing a realistic, long-term alternative to tungsten carbide. By combining rigorous material science, controlled experimentation, full-scale field trials, and advanced predictive analytics, this study creates a solid framework for material optimization in coiled tubing acid stimulation operations, increasing operational efficiency, reducing non-productive time, and improving the economic viability of mature field redevelopment. The findings highlight the possibility of merging metallurgical innovation with AI-enabled predictive modeling to improve material selection procedures in the oilfield industry, resulting in a repeatable strategy for high-performance, cost-effective, and dependable downhole solutions.

2. Materials and Methods

This section describes in detail the experimental and analytical processes used to analyze, qualify, and field-validate viable alternatives to tungsten carbide for use in jetting nozzles during coiled tubing acid stimulation operations. The experimental design attempted to closely simulate downhole circumstances in order to ensure that the findings were applicable in the actual case. All candidate materials underwent rigorous multiphase testing due to extreme service conditions, including high-pressure, high-temperature (HPHT) acid exposure, corrosive gases like hydrogen sulfide (H2S) and carbon dioxide (CO2), and the abrasive flow regime typical of matrix acidizing operations [20].
The first stage entailed screening prospective materials based on essential parameters such as thermal and chemical stability, resistance to corrosion and erosion, mechanical robustness, acid compatibility, ease of fabrication, and local availability. Locally sourced oilfield alloys, particularly AISI 4140 and 4145 steels, were selected for their balanced mechanical strength, ductility, machinability, and compatibility with surface treatments and thermochemical modifications that improve performance in corrosive and erosive environments [2,3]. AISI 4140 and 4145 steels were chosen as candidate materials due to their mechanical strength, chemical adaptability through surface modification, and demonstrated operational reliability in HPHT conditions, rather than their application in other oilfield components [13,21]. The following phase involved extensive laboratory testing under simulated HPHT circumstances, which replicated downhole environments with high-temperature acidic fluids and sour gas exposure. The test methods comprised static and dynamic corrosion assessments, pitting analysis, mass-loss evaluations, volumetric wear testing under high-velocity flow, and surface degradation characterization [12,22]. A wide range of acid concentrations, exposure times, pressures, temperatures, and flow regimes were used to imitate field variability, allowing us a thorough understanding of each material’s mechanical and chemical resistance. During these tests, some candidate materials were eliminated owing to mechanical failure, such as the 4140 material, quick degradation, or poor corrosion tolerance, while promising alloys were refined further with surface treatments to improve durability [22].
The next step was to turn laboratory-validated alloys into working nozzle components, which were then deployed in real-world acid stimulation operations using coiled tubing. Field trials assessed performance under operational loads, multiphase fluid exposure, temperature cycling, and dynamic flow scenarios. Key performance metrics included wear resistance, corrosion behavior, jetting efficiency, and structural integrity under repetitive operational stress [22]. Nozzle imaging, work records, and post-job inspections offered both quantitative and qualitative data, assuring that effective materials performed consistently throughout numerous stimulation cycles [12,22].
The overall methodology was divided into five interdependent phases:
(1)
Material screening and selection;
(2)
Laboratory-based corrosion and erosion testing;
(3)
Material performance validation;
(4)
Full-scale field trials in active stimulation campaigns;
(5)
Corrosion rate prediction using advanced machine learning algorithms.
Each phase was methodically developed to measure a specific aspect of material performance, allowing for a multidimensional assessment that includes empirical data, field validation, and predictive analytics.
The approach began with identifying and procuring three prospective materials, which included high-alloy steels, low-metal composites, and coated alloy versions. Each material was chosen using characteristics such as corrosion resistance, acid compatibility, structural durability, cost-effectiveness, availability, and machinability. These candidates completed a thorough laboratory examination in controlled conditions that closely reflect downhole stimulation conditions. The testing techniques included both static and dynamic immersion in high-concentration hydrochloric acid (HCl) at extreme temperatures and pressures, followed by surface characterization of the jetting nozzle including pitting and volumetric wear. Figure 1 illustrates an abrasive jet tool after field deployment, showcasing its construction from a manufacturer-specified blend of AISI 4140 and 4145 alloy steels for the tool body, as well as jetting nozzles composed of tungsten carbide with 6% cobalt binder [23]. Tungsten carbide has long been the industry standard for coiled tubing acid stimulation due to its outstanding hardness, erosion resistance, and longevity in high-pressure, high-temperature (HPHT), and corrosive acidifying environments. However, its high cost, production complexity, and vulnerability to acid-induced deterioration provide operational and economic barriers. The primary goal of this research is to identify alternative nozzle materials, such as uncoated 4140 and 4145 steels and QPQ-coated 4145, that can closely matching tungsten carbide in terms of corrosion resistance, erosion tolerance, and field service life while significantly lowering costs and improving manufacturing accessibility. This study seeks to develop a practical, cost-effective alternative that retains jetting efficiency and operating dependability under extreme acid stimulation conditions.
The second phase focused on erosion resistance under jetting conditions. A custom-built, closed-loop recirculating flow system was created to simulate the high-velocity, sand-laden acid streams found in real stimulation operations where the corrosion tester runs under dynamic flow conditions, allowing for precise simulation of acid injection rates as they occur at the jetting nozzle during downhole stimulation. The machine is fully pressurized and thermally controlled to match actual reservoir temperatures, resulting in precise replication of jetting impact, shear stress, and chemical reaction at the nozzle contact. This allows for a more realistic examination of material deterioration under actual field settings. Also, nozzle prototypes were tested for dimensional stability and wear resistance.
The third phase concentrated on mechanical validation utilizing ASTM-compliant tests such as Rockwell, flexural strength testing, and thermal expansion coefficient evaluation via dilatometry.
Field validation was the fourth phase. Based on laboratory results, the top two materials were selected and turned into actual nozzle geometries with CNC machining processes. These nozzles were integrated into coiled tubing bottom hole assemblies and used in five real-world acid stimulation operations in a sour carbonate reservoir with measured HPHT conditions. After-job retrieval and inspection of the nozzles allowed for a direct comparison of pre- and post-operation integrity, such as jet shape retention, material pitting, cracking, and chemical residue analysis.
In the last phase, a machine learning model was created to forecast corrosion rates under various operational conditions. Scikit-learn, a Python version 3.10 library, was used to assemble and process both laboratory and field generated datasets. The model combined regression-based methods (such as Random Forest and Ridge Regression) with advanced ensemble learners. The input variables were fluid composition, exposure length, temperature, flow rate, and gas concentrations, whereas the output was corrosion rate (mm/year). Model performance was validated using conventional metrics including R2 score, MAE, and RMSE.
This methodology combines controlled laboratory evaluations, dynamic flow simulations, real-world field testing, and AI-driven prediction models to provide a robust, reproducible, and scalable framework for selecting and deploying advanced materials in corrosive, high-temperature downhole environments. Each of these phases is explained in depth in the following subsections to ensure complete reproducibility and to seek future research and engineering implementation in similar operating settings.

2.1. Material Screening and Selection

The fundamental concept for selecting specific metal alloys stemmed from the present field-proven performance of the jetting tool body, which is made up of a mix of AISI 4140 and AISI 4145 alloy steel [24].
Recognizing the durability of this mixed-material tool body under the extreme service conditions encountered by jetting nozzles, the material selection technique naturally began by separating and assessing the core metallic constituents independently. The goal was to understand their independent behavior under corrosive and erosive conditions, and to check if an optimized, standalone, or composite configuration could be engineered for nozzle fabrication, providing comparable or superior performance to tungsten carbide while ensuring lower costs, better machinability, and shorter delivery times.
The first phase of the screening included the use of AISI 4140 steel, a low-alloy chromium–molybdenum composite, as shown in Table 1, known for its good balance of mechanical strength, toughness, and ease of heat treatment. This steel is widely used in the oil industry for components that require moderate wear and corrosion resistance. Despite its mechanical strength and resilience to some corrosive situations, 4140 has a low alloy content, which may limit its long-term performance in direct acid contact unless it is additionally surface-treated. However, due to its outstanding machinability, widespread availability in the local market, and low procurement cost, 4140 was selected as this study’s baseline material. The 4140 samples were machined into normal test coupons as well as prototype nozzles for full-exposure testing.
The goal of integrating this material early in the selection process was not only to establish a cost-effective performance baseline but also to observe important failure modes that could occur under acidic and erosive flow conditions. In this phase, it was critical to determine how quickly pitting, uniform corrosion, or material loss would occur, as well as how the microstructure would react to prolonged acid interaction and high-velocity jet impingement.
Following the establishment of the basic response from 4140, the investigation moved on to AISI 4145, a higher-grade alloy steel from the same family with better tensile strength, impact resistance, and dynamic loading performance. The 4145 material is commonly used in downhole drilling instruments, such as collars and drill stem components, due to its strong fatigue resistance and heat treatability.
This material has higher hardenability and superior wear resistance than 4140 owing to its improved microstructure and regulated alloy composition, as highlighted in Table 2. One of the primary reasons for including 4145 in this study was its documented track record in similar oilfield service situations as well as its compatibility with traditional machining methods. Furthermore, 4145 steel is locally available and heat-treated domestically, allowing for quick-turnaround nozzle manufacturing, cost control, and logistical flexibility, all of which are increasingly relevant in today’s operational scenarios where lead time reduction is critical. In its uncoated form, 4145 was exposed to the same laboratory test matrices as 4140, including acid compatibility, erosion resistance, and thermal stress testing, to see whether the raw alloy could be used as a viable nozzle material.
Prior to surface treatment, all nozzle blanks made from AISI 4140 and 4145 steels underwent a regulated heat treatment sequence to standardize their mechanical qualities and assure consistent surface response during thermochemical processing. The components were first austenitized at 845–870 °C before being quenched in oil to generate a martensitic microstructure. A tempering step at 540–595 °C was then used to relieve internal tensions and tune the core hardness to 32 HRC, resulting in an ideal blend of strength, toughness, and machinability. After final machining, a stress-relief heat treatment at 180–200 °C for 1 h was used to reduce residual tensions from manufacturing and prevent deformation during subsequent nitriding.
The final stage of material screening comprised applying a Quench–Polish–Quench (QPQ) surface treatment to AISI 4145 steel, which produced a high-alloy, surface-hardened version, which was performed in three consecutive stages: first was salt bath nitriding at 565–580 °C for 90 min, which produced a compound layer consisting of ε-Fe2–3N and γ′-Fe4N phases and an underlying nitrogen diffusion zone; second was mechanical polishing, which removed surface residues and improved surface finish, reducing initiation sites for fatigue or localized corrosion; and third was post-oxidation in a hot salt bath. The microhardness of the treated layer was 60–80 µm thick, with a diffusion layer of 200–300 µm. The final surface hardness was 68 HRC (Table 3).
This thermochemical treatment was selected due to its dual functionality: it maintains the base steel’s fundamental mechanical qualities and machinability while greatly enhancing surface hardness, wear resistance, and chemical stability. QPQ-coated 4145 specimens were manufactured and tested as the final candidate in the material screening program, with the goal of achieving a synergistic balance between mechanical robustness and chemical inertness under the harsh conditions encountered during coiled tubing acid stimulation operation, namely, high-pressure, high-velocity acid jetting, prolonged exposure to corrosive fluids, and abrasive flow regimes [25]. The treated surface was specifically engineered to prevent acid penetration, metal ion leaching, erosion, and localized damage caused by turbulent flow and entrained particulates, hence increasing the nozzles’ operational life in difficult downhole settings.
Table 3 in this study describes uncoated AISI 4140 steel, uncoated AISI 4145 steel, and AISI 4145 steel treated with a Quench–Polish–Quench (QPQ) thermochemical surface treatment; these were investigated as potential substitutes for conventional tungsten carbide nozzles. Tungsten carbide with 6% cobalt binder, with density of 14.5 g/cm3, hardness of 80.5 HRA, and fine grain size of 1.2 µm, is the baseline reference material due to its widespread use in coiled tubing acid stimulation operations. The choice of 4140 and 4145 steels, even in their uncoated forms, was not arbitrary but rather directly related to field relevance, as the majority of abrasive jetting instruments currently used in acid stimulation are made from a combination of 4140 and 4145 alloys.
These steels have already been shown to endure high-pressure, high-temperature, and corrosive service conditions in downhole environments, validating their inclusion in the evaluation matrix as viable and accessible choices. Prior to testing, each steel grade’s chemical composition and microstructural and mechanical properties were thoroughly investigated. Uncoated steel baselines included the standard compositions of 4140 and 4145.
The QPQ-coated 4145 nozzle was created by subjecting 4145 steel to a controlled nitriding–polishing cycle, which refined the grain size to 45 µm, improved the hardness to 68 HRC, and enhanced bending toughness to 1980 N/mm2, allowing for comparison with the benchmark tungsten carbide nozzle.

Selected Material Performance

All materials were subjected to simulated reservoir conditions in corrosion–erosion testing equipment intended to mimic field acid jetting operations. The setup consisted of circulating inhibited hydrochloric acid (28 wt% HCl with 70 gal/1000 gal organic inhibitor dosage) for 12 h at 138 °C, 215 bar pressure, and reservoir-matched chloride level of 130,000 ppm. Acid was provided as an emulsified fluid with distributed droplets to replicate field pumping conditions, and 0.3 µm abrasive particles with rounded morphology were injected to simulate reservoir fines entrainment.
Each nozzle was tested with the same hydraulic operating parameters: 2.5 bpm injection rate and 286 bar circulation pressure. Visual examination, scanning under microscopy (SUM) for surface morphology, and dimensional measurements to evaluate wear and pitting depth were all part of the post-test evaluation.
The systematic examination of 4140, 4145, and QPQ-coated 4145 provided a clear understanding of performance as complexity and protection levels increased. The methodology yielded comparative results for corrosion rate, surface deterioration, structural deformation, and jetting geometry preservation [26,27].

2.2. Laboratory-Based Corrosion

A crucial part of the material evaluation process was the laboratory corrosion testing stage, which replicated the extremely corrosive and high temperature environment that jetting nozzles experience during coiled tubing acid stimulation. In this phase, three candidate materials, AISI 4140, AISI 4145, and QPQ-treated AISI 4145, were subjected to inhibited 28% HCl at HPHT conditions in order to evaluate their acid resistance. The results were compared with the conventional WC-Co material [28,29]. To guarantee consistency between laboratory results and practical applications, each material was machined into prototype nozzles that were identical to those used in field operations in order to replicate real downhole conditions, including temperatures between 94 °C and 160 °C, fluid dynamics, and pressure cycles typical of sour carbonate reservoirs. The corrosion tests were conducted in an HPHT chamber outfitted with precise heat, pressure control systems, and dynamic conditions. The configuration enhanced the erosion–corrosion effects seen in jetting tools by simulating turbulent flow through dynamic acid circulation [30]. Gravimetric analysis, a standardized technique for quantifying material loss in corrosive conditions, was used to calculate corrosion rates. A high-precision digital balance Precisa PB/XB 220A Precision Balance (+0.1 mg), located in Precisa Gravimetrics AG manufacturer, in Moosmattstrasse 32, Dietikon, Switzerland, was used to record the initial dry weights. Following exposure times of twelve hours, the samples were taken out, neutralized in accordance with ASTM G1 protocols, dried, and weighed again to calculate the overall mass loss [31,32].
The weight loss ∆m was then used to compute the corrosion rate in grams per meter square (g/m2) in 12 h then converted to mm/year using the usual equation:
Corrosion formula ( lbs ft 2 ) =   I n i t i a l w e i g h t g f i n a l w e i g h t g 37.3617 cm 2 × 2.048
This method enabled a quantitative comparison of material degradation under various temperatures to establish the heat sensitivity and activation energy of corrosion mechanisms. Over 150 corrosion tests were carried out across the three material categories to ensure statistical validity and reproducibility of the results. Special attention was devoted to the behavior of materials at the upper end of the temperature spectrum, as this range closely corresponds to extreme bottomhole conditions where acid reactivity and corrosion acceleration are most noticeable.
Following completion of each corrosion test, a thorough post-exposure review was conducted. The nozzles in Figure 2 were initially visually examined for signs of surface degradation, discoloration, and mechanical deformation.
The surface morphology at the micro- and nano-scales was then analyzed using optical microscopy. These analyses focused on detecting incipient pit development, microcrack nucleation, intergranular corrosion, and localized surface thinning, all of which are precursors to catastrophic failure in downhole components as demonstrated in Figure 3, where a microscope detected severe pitting and irregularities within the 4140 tested materials under reservoir simulated conditions. The goal of micro-analysis was to assess the elemental composition and whether protective passivation layers were degraded. This level of microscopic analysis was required to uncover failure modes that gravimetric methods could not detect.
In conclusion, the laboratory corrosion testing program used in this research was distinguished by its rigorous simulation of real-world service conditions, adherence to defined measurement techniques, and detailed multi-scale analysis of corrosion behavior [33]. The combination of gravimetric weight loss calculation, visual and microscopic investigation, and multi-temperature exposure trials offered a solid data foundation for comparing the three potential materials.
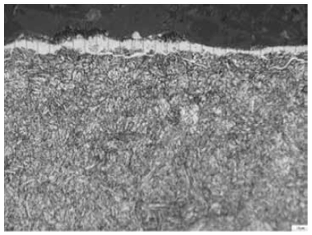
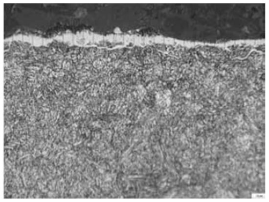
Figure 4 illustrates microstructural details of nitrocarburized layers, as reported in [34].
The data clearly revealed that the QPQ-coating for 4145 steel demonstrated in Figure 4 provides exceptional corrosion resistance in extreme acidic environments, confirming its integrity as a dependable, cost-effective alternative to tungsten carbide in coiled tubing jetting nozzles.

2.3. Material Performance Validation

Material performance validation was designed to evaluate not only the material’s intrinsic strength and surface stability but also its ability to maintain dimensional integrity and jetting efficiency under realistic acid stimulation operating conditions. While corrosion resistance is frequently the primary concern in materials exposed to harsh chemical environments, erosion-induced changes in nozzle shape, particularly at the orifice level, can be as damaging to the efficiency of coiled tubing jetting treatment [33,35]. This is essential in matrix acidizing operations, where jet trajectory, velocity, and flow design are critical for deep acid penetration and effective reservoir contact. Thus, this phase of the inquiry focused heavily on both surface degradation mechanisms and fluid dynamics preservation via high-velocity flow paths [36,37].
Following laboratory corrosion testing, each of the tested nozzles, made of AISI 4140, 4145, and QPQ-coated 4145, had a post-exposure physical inspection. The goal was to visually and microscopically examine surface quality, detect early signs of mechanical pitting, and evaluate any changes in orifice diameter of the nozzle that would affect jetting behavior, as highlighted in Figure 3. Visual examinations allow for the detection of fine surface changes like as discoloration, matte finish development, and erosive mark, which are early indicators of mechanical stress. Laboratory engineers focused on edge rounding, flow-induced channeling, and micro-pitting at the throat and orifice diameter, as in Figure 5.
However, the maintenance of nozzle geometry, particularly orifice diameter, edge profile, and internal tapering, was critical to the mechanical performance evaluation. Given the nature of acid jetting tools, even tiny dimensional variations can result in considerable adjustments in flow velocity, jet form, and acid dispersion, affecting the treatment’s reach and effectiveness [38]. The photo in Figure 5 shows how orifice distortion, whether caused by erosion or pitting, resulted in diverging spray patterns, turbulent eddies, or shorter penetration distances, all of which are known to limit stimulation efficiency and acid–rock contact.
Prior to field application, a thorough mechanical evaluation was performed to ensure the integrity of the chosen materials under operating conditions. To analyze nozzle durability under high-pressure acid jetting, key parameters were tested, including tensile and yield strength, hardness, impact toughness, and erosion-wear resistance. Hardness was assessed using the Rockwell technique, and erosion resistance was determined using high-velocity jet and dynamic experiments that simulated downhole acid flow. The results in Table 3 compare AISI 4140, AISI 4145, and QPQ-treated 4145 alloys to create a mechanical performance baseline [37].
This study found that corrosion resistance alone is insufficient; material viability is dependent on retaining geometry, resisting abrasion, and withstanding thermal and impact fatigue. This comprehensive mechanical evaluation guarantees that selected materials exhibit both chemical stability and mechanical robustness, which is crucial for dependable performance and reduced non-productive time in coiled tubing acid stimulation operations [38].

2.4. Full-Scale Field Trials in Active Stimulation Campaigns

Following extensive laboratory corrosion and erosion testing, a full-scale field trial program was carried out to evaluate material performance under realistic downhole stimulation conditions. These trials were included in live acid stimulation campaigns for HPHT gas wells with high CO2 and H2S levels. Field operations mimicked laboratory characteristics such as 28% emulsified HCl, dynamic flow regimes, and bottomhole temperatures of up to 160 °C, allowing for direct comparisons of corrosion, erosion, and jetting efficiency [39,40,41].
The initial trial used AISI 4140, which was selected for its machinability and cost-effectiveness. Despite experiencing high mass loss (≈244 g/m2 over 12 h at 160 °C) in lab experiments, it was used in a coiled tubing acidizing intervention to achieve a tight carbonate interval. During the operation in Figure 6, pressure drop variations and jet asymmetry were detected, indicating nozzle deterioration and ultimately failure. This resulted in unpredictable flow behavior, a significant increase and fluctuation in pumping rate (from 0.7 to 3 bpm), and, ultimately, low stimulation efficiency.
Following post-job retrieval and inspection, it was discovered that the 4140 nozzle had suffered severe mechanical and chemical degradation: the internal orifice was eroded beyond specification, the flow trajectory was distorted, and most importantly, the threaded section of the nozzle had completely washed out. Due to thread wash-out, two nozzles were completely lost and degraded. This structural failure reflected the significant corrosion rate and pitting reported in lab gravimetric measurements, confirming the material’s unsuitability for long-term acid jetting applications. Furthermore, borehole imaging and coiled tubing Cerberus Modeling Software for coiled tubing, version 15.0, from National Oil Varco, located in Texas, TX, USA demonstrated inefficient acid distribution and inadequate zone coverage, implying that nozzle deterioration had a direct impact on job performance.
Figure 7 illustrates the jetting nozzle status after implementing 4140 nozzles in the field.
Following this failure, the next candidate material examined was AISI 4145, a higher-strength, heat-treated alloy steel noted for its superior hardenability and mechanical robustness. In laboratory corrosion testing, 4145 outperformed 4140, with weight loss decreased by around 40% and corrosion rates maintaining below acceptable industry limits for temporary downhole exposure. The post-lab microscopic examination similarly revealed limited pits and smoother surfaces. In the field, the 4145 nozzle was used on a similar gas producer well with nearly identical operational conditions: high-rate coiled tubing pumping of 28% emulsified acid at HPHT [25]. As demonstrated in Figure 5 and Figure 8, the x-axis presents the time in hours and the Y-axis illustrates all operational factors.
During the stimulation, the nozzle performed far better than the 4140 where jetting patterns remained consistent throughout the pumping phase, presented in light yellow as pumping rate 2 in Figure 8, and no anomalies in pressure readings were noted.
While corrosion losses had occurred, notably around the orifice’s intake and exit zones, the nozzle’s structural integrity and threading remained intact, as shown in Figure 9b. Visual and microscopic inspections confirmed that the field-induced wear patterns closely matched those observed in lab tests, demonstrating the corrosion simulator’s predictive reliability. However, despite acceptable performance, the level of degradation observed indicated that, while better, 4145 still lacked the resilience and longevity required to compete with tungsten carbide nozzles, particularly for extended acidizing applications or serial reuse.
The final and most successful field trial used AISI 4145 steel treated with a Quench–Polish–Quench (QPQ) nitriding treatment, which creates a dense nitride layer and diffusion zone for improved surface hardness and corrosion resistance (Figure 4). Laboratory testing demonstrated low mass loss (<90 g/m2), negligible surface pitting, and excellent geometry retention at high acid concentrations and temperatures. Microscopic examination revealed the absence of pit start or microcracks, indicating excellent long-term stability [42,43].
The field deployment of the QPQ-coated 4145 nozzle in a gas well at 163 °C corroborated the laboratory results, as show in Figure 10 and Figure 11. A comparative study of all trials revealed a good correlation between lab and field results: AISI 4140 failed prematurely, AISI 4145 showed moderate improvement, and the QPQ-coated 4145 proved to have exceptional durability and stability. The QPQ-treated nozzle maintained consistent pressure and flow with no deviations, demonstrating that it is a cost-effective, machinable, and high-performance alternative to tungsten carbide for coiled tubing acid stimulation [11].
Figure 12 illustrates the way the jetting tool with QPQ-coated nozzles performs in reservoirs containing H2S and CO2. The coated nozzles exhibited good stability and durability to both corrosive and erosive conditions throughout the stimulation process. Post-operation inspections, which included both visual and microscopic investigation, indicated no abnormalities or structural damage, as previously stated. The lack of pitting, cracking, or dimensional abnormalities demonstrated that the QPQ coating effectively conserved nozzle geometry and performance, ensuring consistent jetting efficiency even after extended exposure to extreme downhole environments. This result demonstrates the strength of the QPQ-coated alloy as a long-lasting alternative for tungsten carbide [44].
These experiments demonstrated the need for integrating laboratory simulations with field deployment to guarantee that material qualifying is both predictive and practical. The effective use of QPQ-coated 4145 as a jetting nozzle material represents a substantial improvement in material selection, offering a dependable alternative to tungsten carbide in acidic conditions where corrosive chemicals, high velocity, and mechanical wear all coexist.

2.5. Corrosion Rate Prediction Using Advanced Machine Learning Algorithms

Integrating artificial intelligence (AI) and machine learning (ML) into oilfield engineering is no longer an experiment; rather, it is a realistic extension of established laboratory and field workflows that significantly accelerates decision-making. In the context of material qualification for acid jetting nozzles, ML provides the ability to synthesize large, heterogeneous datasets (lab gravimetry, metallography, flow-loop measurements, and job logs) and produce robust, quantitative forecasts of corrosion and erosion outcomes across many combinations of operational conditions that would be prohibitively expensive to test experimentally [32]. The primary goal is to create and validate a strong, data-driven framework for predicting the corrosion rate of different jetting nozzle materials used in coiled tubing acid stimulation operations, allowing for more reliable future material selection or modification before costly laboratory and field testing. The work aims to accurately forecast material performance under harsh downhole conditions by integrating real HPHT gravimetric corrosion data with key operational factors, such as the following [45]:
  • Acid concentration (15–28% HCl).
  • Temperature (170–280 °F).
  • Pressure (9–345 bar).
  • Grain size (0.6–1.6 µm).
  • Material type/coating (4140, 4145, 4145 + QPQ).
Advanced machine learning algorithms, such as Ridge Regression, Random Forest, and Gradient Boosting, are used. This strategy avoids unnecessary testing, shortens material qualification schedules, and supports the selection of cost-effective, locally accessible alternatives to tungsten carbide while providing resistance to acid, erosion, and wear [46].
In our program, we created a structured AI pipeline that combines traditional regression baselines with modern ensemble learners and a domain-aware model called Three-Vector Regression (TVR) [47].
The training dataset combined results from all laboratory and field campaigns and consisted of structured rows for each exposure/run with features including material specification as identification (4140, 4145, 4145 + QPQ), detailed composition descriptors (Cr, Mo, C content), microstructural metrics (grain size, hardness, measured prior to test), fluid descriptors (acid type: HCl vs. emulsified HCl, concentration%), thermodynamic conditions (temperature °C, pressure psi), and flow parameters (injection rate). Additional meta-features included surface treatment descriptors (QPQ parameters: nitriding time, compound layer thickness), preceding heat treatment status, and nozzle orifice geometry descriptors (starting diameter, taper angle).
All categorical features were one-hot encoded or target-encoded, while continuous features were scaled and, where physically important, converted (log for concentration, reciprocal for exposure duration in some tests) to linearize relationships.

2.5.1. Model Selection and Based Parameters

We trained and compared four major algorithms: Linear Regression (LR) as a transparent baseline, Support Vector Machines (SVMs) with an RBF kernel for medium-sized, nonlinear separations, Gradient Boosting (GB) (XGBoost/LightGBM implementations) for high performance on structured tabular data, and a Random Forest (RF) ensemble for robust, low-variance predictions and built-in feature importance estimates. All categorical features were one-hot encoded or target-encoded, while continuous features were scaled and, where physically important, converted (log for concentration, reciprocal for exposure duration in some tests) to linearize relationships [48].
TVR applies independent sub-models to each vector (such as Ridge Regression for the Material Vector and Gradient Boosting for the Operational Vector) and learns a higher-level regressor from the three sub-predictions. The objective for TVR is to preserve physical grouping (so that the model recognizes that material attributes interact differently with operational factors), increase interpretability, and avoid overfitting when sample counts per material/coating are restricted [48].
Training, validation, and hyperparameter optimization: We employed an 80/20 train/test split stratified by material type and job origin, as well as repeated K-fold cross-validation (K = 5, 10 repeats) on training folds, to adjust hyperparameters using GridSearchCV and Bayesian optimization for GB/RF. The performance measurements were R2, MAE, RMSE, and calibration diagnostics (residual plots by material and temperature bucket), and all these measures are highlighted in Table 8.
To avoid data leakage, we ensured that all runs from a single field job existed entirely in either train or test splits (no mixed-job leakage).

2.5.2. Model Explanation and Uncertainty Quantification

For production, we coupled point predictions with prediction intervals (quantile regression forests or bootstrapped ensembles) and used SHAP values to explain each feature’s contribution to the prediction. This enabled engineers to notice, for example, that at 150 °C and 28% HCl, grain size and QPQ layer thickness were the most important elements lowering projected corrosion for coated 4145. We also identified high-uncertainty forecasts (large prediction intervals) and recommended targeted lab studies before field deployment.

2.5.3. Practical Workflow and Decision Support

The ML pipeline was intended as a decision-support tool, not as an automated alternative for experimentation. The typical workflow was as follows:
(1)
Enter planned job parameters (temperature, pressure, acid recipe, grain parameters, …).
(2)
Obtain predicted corrosion rate and confidence band for candidate material as per built model.
(3)
View feature-level explanations (why a material performs well/poorly).
(4)
Reject the material or schedule focused lab tests for the exact parameter window.
This strategy significantly decreased the amount of full-scale lab/field permutations in our program.

3. Results

This section summarizes the combined findings of laboratory and field assessments that compared the corrosion, erosion, and operating performance of three potential nozzle materials, AISI 4140, AISI 4145, and QPQ-coated AISI 4145, to the tungsten carbide [49]. The testing approach included controlled HPHT laboratory models and full-scale field trials to ensure a thorough understanding of material behavior under realistic acid stimulation settings [50].
An HPHT corrosion machine was used in laboratory tests to expose prototype nozzles to inhibited HCl (15–28% concentration) at temperatures ranging from 94 to 160 °C and pressures up to 345 bar. Gravimetric weight loss measurements were used to quantify corrosion rates, and dimensional and microscopic examinations were used to detect pitting, cracking, and erosion-induced geometry changes [50,51].
Following laboratory testing, the materials selected were examined in full-scale field trials during live acid stimulation operations on oil and gas wells. Field characteristics, including acid type (28% emulsified HCl), pumping rates, downhole temperature, pressure, and jetting behavior, were recorded and compared to laboratory results to confirm the HPHT testing approach.
The comprehensive analysis found a high link between lab and field performance. While tungsten carbide had the strongest erosion resistance, the QPQ-coated AISI 4145 nozzle was comparable in durability with higher heat and fracture resistance, making it a cost-effective and machinable alternative. In contrast, uncoated AISI 4140 and 4145 exhibited lower resistance but were compatible with jetting tool materials. The findings demonstrate the importance of inhibited acid formulations in corrosion control and implementation of QPQ-treated 4145 material as a viable alternative to tungsten carbide in HPHT coiled tubing acid stimulation applications [52,53].

3.1. Laboratory Corrosion Assessment

The laboratory testing phase was designed to replicate the harshest downhole conditions seen during acid coiled tubing stimulation operations.
Notably, AISI 4140 nozzles showed the greatest weight loss, especially at temperatures above 120 °C, showing a higher vulnerability to acid-induced degradation despite their good mechanical capabilities. Several specimens showed visible pitting corrosion, which was accompanied by surface roughness. The 4145 material had enhanced corrosion resistance due to its higher alloy content and refined microstructure, although it still showed substantial mass loss and pitting after prolonged exposure, particularly at 135 °C and above. The QPQ-treated 4145 nozzles performed best, with minimal weight loss and corrosion rates below acceptable corrosion rate less than 244 g/m2 even at 160 °C. This was due to the formation of a diffusion and compound layer during QPQ treatment, which provided a chemically stable and protective barrier against acid attack [31].

3.1.1. Corrosion Test Conditions and Parameters

Each prototype nozzle, machined to certain material specifications, was exposed to inhibited 28% HCl acid in the HPHT corrosion cell during dynamic flow conditions. The key operating variables were as follows:
  • Acid concentration: 15%, 20%, and 28% HCl, depending on the operation condition.
  • Temperature ranges from 94 degrees Celsius (200 degrees Fahrenheit) to 165 degrees Celsius (320 degrees Fahrenheit).
  • Pressure range: 9 bar (130 psi) to 345 bar (5000 psi).
  • Flow regime: continuous recirculation to imitate jet-induced turbulence.
  • Test duration: 6 to 12 h for each condition.
  • The corrosion rate was determined using the gravimetric method, as follows [53]:
Corrosion   Rate   =   W A t
where ∆W = weight loss calculated for initial weight–final weight in g; A = surface area in m2; and t = exposure time in hours.

3.1.2. Performance of AISI 4140 at All Test Temperatures

The 4140 material revealed the highest corrosion rates. At 28% HCl and 160 °C, corrosion rates approached 300 g/m2·6 h, indicating a high danger of nozzle failure.
Pitting: A microscopic analysis found deep, irregular pits concentrated around the bore surface, notably at the high-velocity inlet edge, where acid impingement was most severe.
Erosion-assisted corrosion: Dimensional measurements revealed orifice enlargement and degradation as per microscope visualization of 0.15–0.20 mm after only 12 h at maximum temperature, affecting the intended jet trajectory (Figure 13).
Operational implications: The fast material loss showed that 4140’s performance will degrade rapidly during HPHT acid jetting operations, where irregular pumping rate and unstable injection was noticed in the field. After completion of the job, nozzles were lost and nozzle threads were washed out, causing technical failure of the injection and failure of acid job as previously demonstrated in Figure 3 and Figure 13 [54].

3.1.3. Performance of AISI 4145

AISI 4145 outperformed 4140 in terms of corrosion resistance, with rates typically 35–45% lower under equal conditions. At 160 °C in 28% HCl, rates averaged 180–200 g/m2·12 h.
Localized attack: Microscopic examination revealed isolated shallow pits but no deep penetration or through-wall flaws.
Dimensional study revealed negligible growth (<0.05 mm) during maximum test severity, sustaining flow trajectory and jetting efficiency.
Operational implications: It is suitable for short- to medium-duration acid jetting works, although cumulative pitting damage may limit reusability across several interventions [53,54].

3.1.4. Performance of QPQ-Coated AISI 4145

General corrosion: The QPQ layer significantly reduced corrosion rates, with most tests showing values below 50 g/m2·6 h. At the most rigorous test condition (28% HCl, 160 °C), rates remained below 70 g/m2·6 h, much superior to both uncoated steels.
Surface integrity: No obvious pits or coating delamination were found, and the surface finish maintained its pre-test texture.
Erosion resistance: Orifice diameter adjustments were negligible (<0.001 mm), preserving the design flow velocity and trajectory.
Operational implications: It meets tungsten carbide performance in terms of acid resistance for specific stimulation durations while providing availability, cost, and machining benefits [55].

3.2. Full-Scale Field Trial Findings

The laboratory findings were validated in three separate active stimulation sessions, each including one of the candidate materials. The field tests were performed under operationally relevant settings, with 28% emulsified HCl acid used for high-energy jetting in coiled tubular interventions.

3.2.1. Case 1—4140 Field Trial Well Type: Gas Producer with Extensive Scaling and Skin Degradation

Observations during the job: Gradual decline in jetting rate and irregular spray pattern were noted halfway through pumping.
Post-job inspection: Nozzle threads exhibited significant washout; bore surface displayed extensive pitting and erosive grooves as demonstrated in Figure 13; and orifice geometry increased by more than 0.25 mm.
Outcome: We confirmed unsuitability for HPHT acid service; the failure mechanism matches laboratory forecasts.

3.2.2. Case 2—4145 Field Trial Well Type: Oil Producer with Deep Matrix Acid Stimulation

Observations throughout task: Stable jet performance was maintained throughout the job duration, and a minor flow distribution imbalance was noted.
Post-job inspection: Shallow pitting on the interior bore was noticed by microscope, with no influence on orifice geometry as illustrated in Figure 12; the corrosion rate was within acceptable operational limits.
Outcome: This is suitable for single-use or short campaign deployment but less ideal for multiple high-acid applications without refurbishment.

3.2.3. Case 3: QPQ-Coated 4145 Field Trial Well Type: HPHT Gas Producer with Vigorous Acid Penetration

Observations during the job: There was a consistent jetting pattern throughout, no performance degradation was noted, and there was a stable injection rate.
Post-job inspection: No observable wear or corrosion was noted; microscopic examination confirmed undamaged coating and substrate; and the orifice retained its original tolerance.
Outcome: Field results matched lab studies, demonstrating high promise as a substitute for tungsten carbide.
The investigation discovered that the AISI 4140 nozzles experienced significant orifice enlargement and edge irregularities, which in most cases resulted in a decrease in jet coherence and an increase in flow dispersion angle. The 4145 nozzles performed better, but they still exhibited losses in wall thinning at high temperatures, particularly in testing over 135 °C. In contrast, the QPQ-coated 4145 nozzles exhibited exceptional dimensional stability, retaining their original exit diameters, edge sharpness, and taper profiles across all test cycles. This capability is due to the compound diffusion layer generated during the QPQ process, which not only resists acid-induced corrosion but also has exceptional hardness (HRC = 68), decreasing erosive wear even under high-velocity fluid impact.

3.3. Machine Learning-Based Corrosion Prediction

3.3.1. Reasons for AI Integration in Material Qualification

Traditional nozzle material qualifying in acid stimulation operations relies heavily on laboratory HPHT corrosion testing, field trials, and post-job retrieval inspections. While these approaches are accurate, they are time-consuming, expensive, and frequently confined to the operational final step to be examined. They cannot quickly analyze hundreds of probable scenarios with different acid chemistry, downhole temperature/pressure, or nozzle surface particle size without performing more difficult experiments.
To overcome these constraints, this study included artificial intelligence (AI) and machine learning (ML) as prediction methods capable of estimating corrosion rates for novel material grades prior to full-scale testing.
Using actual experimental data as the training base, a multi-model regression approach was used to develop algorithms that can simulate the corrosion performance of various nozzle materials under a variety of operational conditions, reducing unnecessary lab trials by up to 85% and speeding up the material qualification process [47,48].

3.3.2. Dataset Assembly

A thorough dataset was built from the HPHT dynamic corrosion test program, which is discussed in Section 2.1 and Section 2.2. Each record in the dataset represents a fully performed corrosion test, including both quantitative results (gravimetric corrosion rate in g/m2·12 h) and operational details [45,46].
The dataset includes more than 100 unique test entries, each characterized by the following:
(1)
The target variable (Y):
  • Corrosion rate (g/m2·12 h) is based on mass loss during a standardized 12 h exposure as presented in Table 4.
(2)
Predictive variables (X):
  • Acid concentration (%): 15, 20, or 28 (categorical, then one-hot encoded).
  • Temperature: ranged from 170 to 325 degrees Fahrenheit (continuous variation).
  • Pressure (bar): varied from 9 to 345 (continuous variable).
  • Surface grain sizes (µm): varied from 0.6 to 1.6 (continuous variable).
  • Material type: category encoding for 4140, 4145, and QPQ-coated 4145.
  • Material microstructure hardness (an optional derived attribute, evaluated in HRc).
  • Acid type modifier: binary (0 = inhibited HCl, 1 = emulsified HCl blend).
(3)
Derived features for modeling:
  • Temperature and acid concentration interaction term (°F ×%).
  • Pressure–material interaction term.
  • Normalized grain size index (dimensionless scale 0–1).
  • All corrosion and wear experiments were carried out with an OFITE HPHT corrosion testing machine, which was specifically designed to replicate actual reservoir conditions with great precision. To ensure reliability and reproducibility, each test was repeated three times across all four cells, and the given values are the average of these repetitions. This methodical repetition considerably decreased random mistakes, limited the influence of outliers, and increased statistical confidence in the recorded data.
  • Furthermore, the rigorous repetition approach was extremely effective in bridging laboratory and field performance. The averaged laboratory results consistently matched the results of field trials in terms of corrosion resistance and wear behavior under dynamic acid stimulation settings. This alignment demonstrates that the laboratory techniques accurately mimicked reservoir settings while also validating the material selection and testing methodology. By lowering experimental uncertainty and achieving tight agreement between laboratory and field-scale results, the technique strengthened the findings’ reliability and demonstrated their practical applicability to oilfield operations.
Laboratory investigations explored fluid behavior, corrosion rates, and material compatibility under controlled HPHT circumstances, whereas field trials corroborated these findings in real-world scenarios. As indicated in Table 5 and Table 6, tests replicated downhole acid stimulation conditions at pressures ranging from 13.7 to 345 bar. Gravimetric analysis indicated a clear performance ranking: the original tungsten carbide nozzle exhibited the lowest corrosion rate, followed by QPQ-coated AISI 4145 with good resistance, moderate degradation in AISI 4145, and severe deterioration in AISI 4140. Field investigations corroborated these trends: 4140 eroded rapidly, 4145 had limited endurance, and QPQ-coated 4145 retained geometry and jetting efficiency, establishing it as a dependable, cost-effective alternative to tungsten carbide for BHA jetting tools.
During the corrosion rate testing phase, more data was necessary to train the generated model for increased accuracy and lower forecast error, as presented in Table 6. Specifically, the dataset needed to be expanded by evaluating all nozzle types throughout wider temperature and pressure ranges. This enabled the model to more accurately capture the intricate relationships between operating conditions and material behavior. By including this new data, the model’s capacity to generalize across varied field scenarios improved dramatically, resulting in more dependable and precise results.
Laboratory corrosion experiments demonstrated significant differences in material deterioration under different acid concentrations, temperatures, and pressures (Table 7). The original tungsten carbide nozzle showed negligible corrosion (<10 g/m2 in 12 h); however, AISI 4140 and 4145 showed much greater rates, especially at elevated conditions. The QPQ-coated 4145 outperformed the uncoated equivalent in terms of resistance, but it was still marginally inferior to the original nozzle. These findings emphasize the importance of material selection and surface treatment in improving durability, which should be incorporated into predictive performance models for correct assessment in acidic environments.

3.3.3. Model Evaluation

Using the entire dataset collected by both laboratory and field testing, different machine learning models were trained to predict corrosion rates under various operational situations in Figure 14 and Figure 15. The purpose was to assess several algorithms’ prediction accuracy and ability to generalize across complex, nonlinear relationships in the data. The models used are Ridge Regression, Polynomial Ridge Regression, Random Forest, and Gradient Boosting. Standard performance indicators were used to evaluate each model, including R2, MAE, and RMSE. As demonstrated in the figures, these models were trained on the entire dataset and compared to real measured values to validate their effectiveness and reliability in forecasting corrosion behavior across changing temperatures, pressures, acid concentrations, and nozzles.
Figure 15 shows a detailed comparison of six machine learning models trained to predict corrosion rates, having a unit of mm/year and using a dataset that includes factors like temperature, pressure, acid concentration, and nozzle material/coat. The subplots compare real data (black line) to model predictions and provide statistical metrics (R2, MAE, RMSE) for quantitative evaluation. Statistical measures are used to summarize quantitative performance, including the following [56]:
  • R2 for goodness of fit;
  • MAE for average prediction deviation;
  • RMSE to capture the magnitude of larger error.
  • Ridge Regression (all data): R2 = 0.892, MAE = 20.29, RMSE = 27.47.
  • Polynomial Ridge Regression (all data): R2 = 0.947, MAE = 12.84, RMSE = 19.39.
  • Random Forest Regressor: R2 = 0.975; MAE = 7.67; RMSE = 13.34.
  • Gradient Boosting Regressor: R2 = 0.982; MAE = 6.43; RMSE = 11.32.
This model exceeds all others in terms of precision and error minimization.
5.
Ridge Regression (formula-based and original domain):
R2 = 0.892, MAE = 20.29, RMSE = 27.47.
6.
Polynomial Ridge Regression (formula-based and scaled domain):
R2 = 0.947, MAE = 12.84, RMSE = 19.39.
In summary, tree-based models (Random Forest and Gradient Boosting) outperformed linear models, especially in capturing nonlinearities and complicated transitions in corrosion behavior. Gradient Boosting is the most accurate and robust model, with the lowest errors and highest R2. Linear models, even when polynomial extended or domain-scaled, performed less well in high-variance zones but were still useful for baseline or low-complexity predictions. These findings emphasize the need of nonlinear techniques in predicting complex corrosion mechanisms under changing operating conditions.
Figure 15 shows a comparison of four different regression models, Ridge Regression, Polynomial Ridge Regression (RidgePoly), Random Forest Regression, and Gradient Boosting Regression, evaluated on a test dataset for forecasting corrosion rates in newly manufactured nozzles.
Each subplot shows the actual corrosion rate in g/m2 for 12 h values (black circles connected by a solid black line) and the anticipated corrosion rate values for the relevant model (colored squares connected by dashed lines). Each model’s performance is evaluated quantitatively using three metrics: coefficient of determination (R2), mean absolute error (MAE), and root mean squared error (RMSE).
R2 scores for Ridge Regression and Gradient Boosting Regression range from 0.885 to 0.955, indicating that the input features predict a significant amount of the corrosion rate variance. Higher R2 values indicate a better match between the model and the data. The MAE, which measures the average absolute difference between anticipated and actual values, varies from 12.87 for Gradient Boosting to 25.14 for Ridge Regression, with lower values suggesting better prediction accuracy. Similarly, the RMSE, which measures the square root of the average squared difference between predictions and actual values, varies from 21.05 for Gradient Boosting to 35.26 for Ridge Regression and is more sensitive to high errors than MAE. The Gradient Boosting Regression model has the best alignment between predicted values (red dashed line with squares) and actual corrosion rate values (black solid line with circles) in the test set, indicating superior performance metrics (R2 = 0.982, MAE = 6.43, RMSE = 11.321) [32,45,46].

3.3.4. Model Comparative Analysis

Machine learning evaluation revealed that Polynomial Ridge and Random Forest Regression models had great prediction accuracy (R2 = 0.95), while linear Ridge Regression performed poorly, showing a nonlinear link between input factors and corrosion rate. Gradient Boosting Regression exceeded all other studied models (Table 8), with R2 = 0.982, MAE = 6.43, and MSE = 11.32. This model accurately and reliably models complex, nonlinear corrosion behaviors. Its repeated learning process dramatically reduced prediction errors, making Gradient Boosting the most accurate and resilient model for forecasting nozzle corrosion in dynamic operational conditions [46].
Gradient Boosting was shown to be the most effective model, with an R2 value of 0.9820. This indicates that the model captures nearly 98% of the variance in corrosion rate. The low MAE of 6.4314 g/m2 and MSE of 11.3217 g/m2 demonstrate good accuracy and consistency in eliminating major deviation errors. The Random Forest model scored 0.9750 in R2, indicating great predictive performance. However, it had a slightly larger MAE (7.6687 g/m2) and MSE (13.3426 g/m2), indicating a little less optimal error distribution than Gradient Boosting.
The superior performance of these two tree-based ensemble methods implies that the relationship between input features (such as chemical composition, flow rate, temperature, nozzle geometry, pH, and time variables) and corrosion rate is nonlinear and potentially interactive, favoring models that capture hierarchical feature interactions. Ridge Regression, a regularized linear model, fared poorly with an R2 of 0.8916, MAE of 20.3000 g/m2, and MSE of 27.8140 g/m2, demonstrating its inability to reflect the complex nonlinearity of the corrosion process. The RidgePoly model, which adds higher-order terms to the Ridge baseline, improves performance to R2 = 0.9473, MAE = 12.8405 g/m2, and MSE = 19.3867 g/m2, demonstrating the presence of nonlinearities. However, it still falls short of ensemble techniques.
These findings emphasize the complexity of the nozzle system’s corrosion mechanism, which is most likely driven by multifactorial chemical–physical interactions, as well as the critical advantage of gradient-based boosting in capturing subtle, high-dimensional patterns for precise prediction of material degradation rates over time.

4. Discussion

4.1. Field and Laboratory Result Correlation

A comparison of laboratory and field findings demonstrated an important association between HPHT corrosion rates and real nozzle durability during acid stimulation operations. Materials having significant lab corrosion rates, such as AISI 4140, degraded rapidly and failed prematurely in the field, demonstrating their unsuitability for downhole application. AISI 4145 demonstrated moderate improvement, leading to reduced corrosion and pitting resistance but only short-term field endurance [57].
In contrast, QPQ-coated AISI 4145 performed excellently, with negligible corrosion, no erosion or dimensional change in lab tests, and consistent geometric integrity and jetting efficiency in the field. The coating efficiently protected against acid attack and wear, providing durability similar to tungsten carbide at a lower cost and faster manufacturing time. The high correlation between lab and field results validates the HPHT testing technique as a credible indicator for evaluating materials utilized in challenging downhole conditions.

4.2. Comparative Material Performance

The comparative examination of AISI 4140, AISI 4145, and QPQ-coated AISI 4145 nozzles revealed a clear performance hierarchy based on alloy composition and surface treatments. Under HPHT acid exposure (28% HCl, 94–160 °C, up to 345 bar), AISI 4140 showed the maximum mass loss and severe pitting due to its low alloy content and susceptibility to chloride corrosion, whereas AISI 4145 showed modest improvement with reduced corrosion and greater pitting resistance [56,57].
QPQ-coated AISI 4145 displayed superior performance in laboratory and field circumstances, with little weight loss, excellent pitting resistance, and stable geometry, attaining durability comparable to tungsten carbide. These findings support a substantial link between lab corrosion rates and field durability, establishing HPHT testing as a predictive technique for material quality. This study highlights QPQ-treated 4145 as a low-cost, locally machinable alternative to tungsten carbide and offers future investigations into multilayer coatings and AI-based predictive corrosion modeling.

4.3. Influence of Parameters on Models

In addition to evaluating the test set, we also computed predictions on all data to see how well each model fits the entire dataset. Below in Table 9 are the key findings for each model on which each was built and trained [46].
For Ridge coefficients:
  • Since Ridge (with α = 2, no intercept in scaled space) offers a linear equation, we can inspect the final coefficients directly.
Scaled Domain In scaled feature space, the intercept is reported as 0.0 (since fit intercept = False).
The coefficients for each scaled feature are as follows:
Intercept (scaled) = 0.0;
Acid concentration: 28.649425603989613;
Temperature: 29.3353881829566;
Pressure: 33.90318840870961;
Grain size: 80.17750222057201;
Type: Type1: −36.62652115457015;
Type: Type2: 73.49620504565877;
Type: Type3: 19.187363113006914;
Type: Type4: −14.953447771363082.
However, the original domain is restored by applying the appropriate transformation, and we obtain the following intercept and coefficients for use on unscaled features:
Intercept (original) = −127.82458593952053;,
Acid concentration: 358.1178200498701;,
Temperature: 0.3411091649181;
Pressure: 3.082108037155419;
Grain size: 1.8305365803783564;
Type: Type1: −36.62652115457015;
Type: Type2: 73.49620504565877;
Type: Type3: 19.187363113006914;
Type: Type4: −14.953447771363082.
Hence, for original-feature inputs (xacid, xtemp, xpress, xgrain, . . .), the predicted corrosion rate is as follows:
Corrosion Rate = −127.8246 + 358.1178·xacid + 0.3411·xtemp + 3.0821·xpress + 1.8305·xgrain + . . .
where the type indicators appear with their respective coefficients if that type is present (1) or not present (0).
For the RidgePoly polynomial formula (scaled domain):
For the polynomial (degree 2) Ridge model, the scaled intercept is 38.2640, and the coefficients for each polynomial term are as follows (abbreviated):
Acid concentration: 4.251267082534386;
Temperature: 7.887681174424277;
Pressure: 10.618166594926109;
Grain size: 17.41647984486332;
Type: Type1: −16.279347705746357. . .;
Acid Concetration2: 4.251267082534372;
Acid Concentration × Temperature: −0.3741091131420305. . . (and so on for every interaction and squared term). To predict in scaled space, one must scale the input features to [0, 1], compute these interaction terms, then apply these coefficients plus the intercept of 38.2640.
Formula-based prediction:
Once a Ridge model (in scaled space) is trained, we can transform its coefficients back to the original domain using the min and max of each feature (as shown above). The final equation for Ridge is thus fully interpretable in real units.
For the Ridge + Polynomial Features pipeline, the model is effective:
y ˄ = b ˄   k w k   ɸ k ( x ˜ )
where x ˜ is the scaled input vector and φk(x˜) are polynomial terms (e.g., x2, x1x2, . . .) in scaled space. Converting it all the way back to original-feature space is more complex because each polynomial term must be unscaled carefully [55].
While this study effectively proved the potential of QPQ-coated 4145 steel as a low-cost, high-performance alternative to tungsten carbide for coiled tubing stimulation nozzles, several areas require more exploration to broaden the findings’ applicability and dependability. Future research should focus on long-term field monitoring over a wider range of reservoirs, particularly under harsh HPHT conditions and in wells with greater concentrations of H2S and CO2 to validate material durability throughout lengthy operational lifespans.
Additional research is needed to optimize the process parameters of QPQ treatment to improve corrosion and wear resistance under varying acid compositions and flow regimes. Investigating hybrid or multilayer coatings that combine steel substrate toughness with sophisticated ceramic or nanostructured overlays may also result in improved performance. Furthermore, the integration of advanced computational modeling and AI-driven predictive analytics should be broadened to cover larger datasets from various field applications, allowing for real-time corrosion and wear prediction in changing operational settings.
Finally, future research should look into the economic and environmental implications of deploying coated 4145 materials on a large scale, assuring compliance with industry sustainability goals and cost-cutting measures in oilfield operations over several materials involved in coiled tubing and downhole intervention.

5. Conclusions

The findings of this study demonstrate a paradigm shift in nozzle material selection for coiled tubing acid stimulation operations, achieving what was previously thought impossible: the development of an alternative to tungsten carbide with four times less strength and corrosion resistance, which has dominated the industry for decades. After a rigorous, multiphase qualification process that included HPHT laboratory corrosion testing, erosion-wear evaluation, full-scale field trials, and AI-driven predictive analytics, the QPQ-coated 4145 alloy emerged as a game-changing solution capable of withstanding extreme acidic environments during acid stimulation operation with unrivaled durability, cost-efficiency, and operational reliability. In addition to the material breakthrough, including artificial intelligence and machine learning into the corrosion assessment workflow has transformed how material qualifying is conducted in the oilfield. Training models such as Random Forest, Gradient Boosting, and a Three-Vector Regression ensemble on real-world operational datasets, such as acid chemistry, temperature, pressure, grain size, and metallurgical composition, allowed for accurate prediction of corrosion rates prior to field deployment. This predictive capability not only shortens the certification cycle but also improves decision-making, avoids wasteful trials, and assures that only the most durable materials are chosen for deployment in high-risk areas.
Below are conclusions related to each topic evaluated during this study:
  • Material innovation: Under extreme acid stimulation conditions, QPQ-coated 4145 alloy displayed corrosion and erosion resistance comparable to tungsten carbide, and it can be implemented across all coiled tubing operations after confirming laboratory experiments results depending on reservoir variables.
  • Operational reliability: Full-scale field studies confirmed laboratory findings, with the coated alloy preserving nozzle geometry, jetting efficiency, and thread integrity across long acid pumping cycles.
  • Cost and logistics advantage: Compared to tungsten carbide, QPQ-coated 4145 is seven times less expensive, easier to manufacture, and more widely accessible, allowing for faster manufacturing and replacement cycles while reducing non-productive time.
  • AI-powered predictive insight: Machine learning models accurately predicted corrosion rates (within ±3% for QPQ-coated 4145), allowing for proactive material selection based on specific operational conditions.
  • Decision-making enhancement: The AI framework enables engineers to virtually evaluate material compatibility prior to costly physical tests, eliminating underperforming alloys and focusing resources on potential possibilities.
  • Scalability and future application: The methodology can be applied to additional downhole components that are subjected to corrosive fluids, potentially changing material selection across many oilfield domains.
This study not only provides a viable alternative to tungsten carbide but also pioneers a data-driven, AI-enhanced strategy to material qualifying in the oil and gas industry, specifically in coiled tubing and downhole intervention. By combining metallurgical innovation and predictive analytics, it paves the way for a new stage of intelligent, performance-optimized, and cost-effective downhole component design.

Author Contributions

Conceptualization, R.G.R. and C.R.; methodology, R.G.R., C.R., C.C.M., E.Y.Z., S.N. and M.T.; validation, R.G.R.; formal analysis, R.G.R., C.R., C.C.M., E.Y.Z., S.N., A.M. and M.T.; investigation, R.G.R., C.R., C.C.M., E.Y.Z., S.N., A.M. and M.T.; resources, C.R.; writing—original draft preparation R.G.R., C.R., C.C.M., E.Y.Z., S.N., A.M. and M.T.; writing—review and editing R.G.R., C.R., C.C.M., E.Y.Z., S.N. and M.T.; visualization R.G.R.; supervision R.G.R. All authors have read and agreed to the published version of the manuscript.

Funding

This research received no external funding.

Data Availability Statement

All relevant data are available in Superior Abu Dhabi laboratory and can be shared at charbelramy@superior.ae.

Acknowledgments

I intend to convey my deepest appreciation to my wife, Hanane Alkhoury Ramy, for her unrestrained support during this project. Special thanks to Kamal Safa for his ongoing advice and encouragement, as well as to the Superior Abu Dhabi Company led by Mehrdad Issapour as well as to the QHSE department led by Fouad Khoury and Hasan Turkiyeh for their intensive support in maintaining safe and smooth operations. Thank you to the technical and laboratory teams for their unwavering support, hands-on contributions, and meticulous execution of the experimental work, all under the supervision of Leonard Nicolae Ion, whose technical guidance and leadership were critical to the successful development and validation of the treatment system. Special recognition is also given to the Quality Department led by Ahmad Dahcheh for their critical role in maintaining the process’s integrity, ensuring full supplier compliance with company standards, as well as their rigorous audit practices and continuous improvement efforts, which significantly contributed to the project’s reliability and robustness throughout all stages.

Conflicts of Interest

The authors declare no conflicts of interest.

Abbreviations

The following abbreviations are used in this manuscript:
mDMillidarcies
EOREnhanced oil recovery
H2SHydrogen sulfide
CO2Carbon dioxide
Bbl/dayBarrel per day
HClHydrochloric acid
NENon-emulsifier
HPHTHigh-pressure, high-temperature
OFITEOFI Testing Equipment
bpmBarrel per minute
OPOil producer
L-80Low carbon steel—80,000 Psi
QT-800Quality tubing—80,000 Psi
CTCoiled tubing
SPRASingle-phase acid retarder
TMDTotal measuring depth

References

  1. Finšgar, M.; Fassbender, S.; Nicolini, F.; Milošev, I. Polyethyleneimine as a corrosion inhibitor for ASTM 420 stainless steel in near-neutral saline media. Corros. Sci. 2009, 51, 525–533. [Google Scholar] [CrossRef]
  2. Chen, X.; Lu, Y.; Jiang, D.; Han, P.; Zhao, J.; Sun, W. Effect of HCl Acid Concentration on Microstructure Evolution and Corrosion Behavior of 4140 Steel. Metals 2023, 13, 1122. [Google Scholar]
  3. Mansour, A.N.; Sherif, E.M.; Khalil, K.A. Electrochemical behavior of low alloy steel in HCl in presence of 2-thiohydantoin. Int. J. Electrochem. Sci. 2022, 17, 220459. [Google Scholar]
  4. Levărdă, E.; Cîrlan, D.-C.; Chicet, D.L.; Petcu, M.; Toma, S.L. Investigations on Cavitation Erosion and Wear Resistance of High-Alloy WC Coatings manufactured by Electric Arc Spraying. Materials 2025, 18, 2259. [Google Scholar] [CrossRef]
  5. Muthuraja, A.; Senthilvelan, S. Performance evaluation of a tungsten carbide-based self-lubricant cutting tool. Proc. Inst. Mech. Eng. Part B J. Eng. Manuf. 2018, 232, 1825–1836. [Google Scholar] [CrossRef]
  6. Kronberger, M.; Brenner, J. Tribocorrosive Aspects of Tungsten Carbide, Silicon Nitride, and Martensitic Steel under Fretting-like Conditions. Lubricants 2023, 11, 195. [Google Scholar] [CrossRef]
  7. Jiang, Y.; Zhang, X.; Zhao, H.; Liu, D. Enhanced Erosion–Corrosion Resistance of Tungsten by Gradient WC-Based Coatings. Materials 2020, 13, 2719. [Google Scholar] [CrossRef] [PubMed]
  8. Balu, P.; Kong, F.; Hamid, S.; Kovacevic, R. Finite Element Modeling of Solid Particle Erosion in AISI 4140 Steel and Nickel-Tungsten Carbide Composite Material Produced by Laser-Based Powder Deposition. Tribol. Int. 2013, 62, 18–28. [Google Scholar] [CrossRef]
  9. Chen, H.; Chen, T.C.; Hsu, H.H.; Tsay, L.W. The effect of microstructure and compressive residual stress on the performance of QPQ-treated AISI 4140. Materials 2025, 18, 1995. [Google Scholar] [CrossRef]
  10. Sohi, M.H.; Ebrahimi, M.; Raouf, A.H.; Mahboubi, F. Comparative study of the corrosion behaviour of plasma-nitrocarburised AISI 4140 steel before and after post-oxidation. Mater. Des. 2010, 31, 4432–4437. [Google Scholar] [CrossRef]
  11. Haseeb, A.S.M.A. Corrosion Behavior of Carbon Steels in HCl in Presence of Corrosion Inhibitors: A Review. Corros. Rev. 2018, 36, 145–178. [Google Scholar]
  12. ASTM G31-21; Standard Guide for Laboratory Immersion Corrosion Testing of Metals. ASTM International: West Conshohocken, PA, USA, 2021.
  13. Sun, Y.; Bell, T. Corrosion Behavior of Plasma Nitrided AISI 4140 Low Alloy Steel. Corros. Sci. 1998, 40, 937–948. [Google Scholar]
  14. Li, C.X.; Bell, T. Corrosion Properties of Active Screen Plasma Nitrided 316 Austenitic Stainless Steel. Corros. Sci. 2004, 46, 1527–1547. [Google Scholar] [CrossRef]
  15. Wang, H.; Jiang, Y.; Zhang, X.; Zhao, H.; Liu, D. Erosion–Corrosion Behavior of Tungsten Carbide and Coatings in Acidic Environments. Wear 2015, 338–339, 192–201. [Google Scholar]
  16. Tang, X.; Wang, L.; Xu, B. High Temperature Erosion–Corrosion Behavior of High-Chromium Martensitic Steels in Acidic Conditions. Wear 2011, 271, 1373–1382. [Google Scholar]
  17. Çelik, O.; Alsaran, A.; Kaymaz, I. Investigation of Wear and Corrosion Behaviour of QPQ Treated AISI 4140 Steel. Surf. Coat. Technol. 2005, 192, 311–318. [Google Scholar]
  18. Pérez, A.; Rojas, P.; Staia, M.H.; León, C.A. Wear Resistance of Nitrided AISI 4140 Steel Compared with WC–Co Coatings. Wear 2004, 256, 591–599. [Google Scholar]
  19. Çelik, O.; Alsaran, A.; Akbulut, H. Tribological Behaviour of QPQ Treated AISI 4140 under Dry Sliding and Abrasive Wear Conditions. Wear 2007, 262, 190–197. [Google Scholar]
  20. ISO 15156-1:2020; Materials for Use in H2S-Containing Environments in Oil and Gas Production—Part 1: General Principles for Selection of Cracking-Resistant Materials. ISO: Geneva, Switzerland, 2020.
  21. ASM International. ASM Handbook, Volume 1: Properties and Selection: Irons, Steels, and High-Performance Alloys; ASM International: Materials Park, OH, USA, 1990. [Google Scholar]
  22. ASTM G76-18; Standard Practice for Conducting Erosion Tests by Solid Particle Impingement Using Gas Jets. ASTM International: West Conshohocken, PA, USA, 2023.
  23. ISO 15156-2:2020; Materials for Use in H2S-Containing Environments—Part 2: Cracking-Resistant Carbon and Low-Alloy Steels. ISO: Geneva, Switzerland, 2020.
  24. Altenberger, I.; Lukas, A.; Natter, H. Corrosion Behavior of High Strength Steel 4140 After Nitriding. Adv. Eng. Mater. 2002, 4, 417–423. [Google Scholar]
  25. Li, J.; Wu, X.; Luo, H. Corrosion Behavior of QPQ-Treated Steels in Chloride Solutions. Surf. Coat. Technol. 2005, 197, 56–60. [Google Scholar] [CrossRef]
  26. Yilmaz, S.; Karakan, M. The Effects of QPQ Process Parameters on Wear and Corrosion of AISI 4140 Steel. Mater. Charact. 2020, 166, 110429. [Google Scholar]
  27. Camargo, R.; de Mello, J.D.B. Wear of Tungsten Carbide-Cobalt Hardmetals in Corrosive Environments. Wear 2019, 424–425, 23–33. [Google Scholar]
  28. Takadoum, J.; Berthier, Y. Tribological behavior of WC-Co coatings in an aqueous solution. Tribol. Int. 1997, 30, 377–384. [Google Scholar]
  29. Blanco, M.; Espitia, L.A.; Tvergaard, C. Erosion and Corrosion Behavior of WC-Co Hardmetals in Slurry Flows. Wear 2019, 426–427, 1689–1699. [Google Scholar]
  30. Wang, Y.; Su, Y.; Yu, D. Erosion of nozzles by high velocity suspended particles. Powder Technol. 2015, 276, 100–107. [Google Scholar]
  31. Pala, R.; Ogwu, A.A.; Bull, S.J. Sliding Wear and Corrosion Performance of Salt-Bath Nitrided Low-Alloy Steel. Technol. Surf. Coat. 2014, 258, 1228–1237. [Google Scholar]
  32. ASTM G32-21; Standard Test Method for Cavitation Erosion Using Vibratory Apparatus. ASTM International: West Conshohocken, PA, USA, 2021.
  33. Skinner, L. Coiled Tubing Operations, 2nd ed.; Elsevier/Gulf Professional Publishing: Oxford, UK, 2018; pp. 1–700. [Google Scholar]
  34. Rapeanu, R.G. Wear Report of the Nitrocarburising Layers (in Romanian Raport Privind Uzura Straturilor Nitrocarburate); Contract No 6/2008; Petroleum-Gas University of Ploiesti: Ploiesti, Romania, 2010. [Google Scholar]
  35. Economides, M.; Hill, A.D.; Ehlig-Economides, C.; Zhu, D. Petroleum Production Systems, 2nd ed.; Pearson/Prentice Hall: Upper Saddle River, NJ, USA, 2013; Acidizing Chapter; pp. 463–522. [Google Scholar]
  36. Economides, M.J.; Nolte, K.G. Reservoir Stimulation, 3rd ed.; Wiley & Sons/SPE: Chichester, UK, 2000; Matrix Acidizing; pp. 9-1–9-68. [Google Scholar]
  37. Fredd, C.N.; Fogler, H.S. Influence of Transport and Reaction on Wormhole Formation in Carbonate Porous Media. AIChE J. 1998, 44, 1933–1949. [Google Scholar] [CrossRef]
  38. Al-Qallaf, A.; Al-Mutairi, A.; Al-Sabea, S. A Promising approach for reduced drag in Matrix Acidizing. ACS Omega 2024, 9, 23456–23471. [Google Scholar]
  39. Singh, A.; Zakaria, A.; Bhaduri, S. Sand Control: Fluids Issues. In Proceedings of the SPE International Conference and Exhibition on Formation Damage Control, Lafayette, LA, USA, 23–24 February 2022. [Google Scholar]
  40. Al-Hazmi, A. Carbonate Matrix Stimulation with Pickering Emulsified Acid Studied under Realistic Radial Flow Conditions. In Proceedings of the SPE Middle East Oil & Gas Show (MEOS), Manama, Bahrain, 19–21 February 2023. [Google Scholar]
  41. Yousufi, M.M.; Mohyaldinn Elhaj, M.E.; Dzulkarnain, I.B. A Review on Use of Emulsified Acids for Matrix Acidizing in Carbonate Reservoirs. ACS Omega 2023, 8, 19774–19795. [Google Scholar] [CrossRef]
  42. Keihani Kamal, M.; Mahdavi Kalatehno, J.; Daneshfar, P.; Yousefmarzi, F. A Comprehensive Analysis of Carbonate Matrix Acidizing Using Viscoelastic Diverting Acid. Sci. Rep. 2024, 14, 1499. [Google Scholar] [CrossRef]
  43. Mustafa, A.; Aly, M.; Aljawad, M.S.; Dvorkin, J.; Solling, T.; Sultan, A. A Green and Efficient Acid System for Carbonate Reservoir Stimulation. J. Pet. Sci. Eng. 2021, 205, 108974. [Google Scholar] [CrossRef]
  44. Khanna, A.S. Introduction to High Temperature Oxidation and Corrosion; ASM International: Materials Park, OH, USA, 2016; pp. 1–450. [Google Scholar]
  45. Frankel, G.S. Pitting Corrosion of Metals: A Review of the Critical Factors. J. Electrochem. Soc. 1998, 145, 2186–2198. [Google Scholar] [CrossRef]
  46. Neville, A.; Reyes, M. Erosion–Corrosion of Engineering Steels—A Review. Wear 2003, 255, 286–298. [Google Scholar]
  47. Nesic, S. Key Issues Related to Modelling of Internal Corrosion of Oil and Gas Pipelines—A Review. Corros. Sci. 2007, 49, 4308–4338. [Google Scholar] [CrossRef]
  48. Ramezani, M.; Ripin, Z.M.; Ahmad, R. Machine Learning in Corrosion Engineering: A Review. Corros. Rev. 2019, 37, 419–438. [Google Scholar]
  49. Ramy, C.; Ripeanu, R.G.; Hurtado, D.A.; Sirlupu, C.; Nassreddine, S.; Tănase, M.; Zouein, E.Y.; Diniță, A.; Muresan, C.C.; Mhanna, A. Advanced Delayed Acid System for Stimulation of Ultra-Tight Carbonate Reservoirs: Field Evidence from Extreme Sour and High-Temperature Conditions. Processes 2025, 13, 2547. [Google Scholar] [CrossRef]
  50. Jiang, X. Erosion–Corrosion of Materials in High-Velocity Multiphase Flows: A Critical Review. Wear 2021, 476, 203681. [Google Scholar]
  51. Qiao, J. Corrosion Behavior of API 7-1 4145H Steel in Acidic Environments. J. Mater. Eng. Perform. 2017, 26, 602–610. [Google Scholar]
  52. Tvergaard, V.; Hutchinson, J.W. The Influence of Microstructure on Crack Growth in Ductile Failure. Acta Metall. 1981, 29, 167–175. [Google Scholar]
  53. Shreir, L.L.; Jarman, R.A.; Burstein, G.T. (Eds.) Shreir’s Corrosion, 4th ed.; Elsevier: Oxford, UK, 2010; Volumes 1–4, pp. 1–4000. [Google Scholar]
  54. Gahr, K.H.Z. Material Wear and Microstructure; Elsevier Tribology Series 10; Elsevier: Amsterdam, The Netherlands, 1987; pp. 1–559. [Google Scholar]
  55. Jones, D.A. Principles and Corrosion Prevention, 2nd ed.; Prentice Hall: Upper Saddle River, NJ, USA, 1996; pp. 1–572. [Google Scholar]
  56. Davis, J.R. (Ed.) Surface Hardening of Steels: Understanding the Basics; ASM International: Materials Park, OH, USA, 2002; pp. 1–257. [Google Scholar]
  57. Totten, G.; Howes, M.; Inoue, T. Handbook of Residual Stress and Deformation of Steel; ASM International: Materials Park, OH, USA, 2002; pp. 1–499. [Google Scholar]
Figure 1. Abrasive jetting tool with tungsten carbide nozzles.
Figure 1. Abrasive jetting tool with tungsten carbide nozzles.
Processes 13 03713 g001
Figure 2. Prototype of manufactured nozzles from different materials: (a) 4140 after testing; (b) 4145 after testing; (c) QPQ-coated 4145 after testing.
Figure 2. Prototype of manufactured nozzles from different materials: (a) 4140 after testing; (b) 4145 after testing; (c) QPQ-coated 4145 after testing.
Processes 13 03713 g002
Figure 3. The 4140 metal under × 50 microscopic zoom.
Figure 3. The 4140 metal under × 50 microscopic zoom.
Processes 13 03713 g003
Figure 4. Nitrocarburized layer.
Figure 4. Nitrocarburized layer.
Processes 13 03713 g004
Figure 5. The 4140 orifice degradation.
Figure 5. The 4140 orifice degradation.
Processes 13 03713 g005
Figure 6. (a) Pumping rate recorded while implementing 4140 nozzle materials; (b) asymmetry and instability in pumping rate.
Figure 6. (a) Pumping rate recorded while implementing 4140 nozzle materials; (b) asymmetry and instability in pumping rate.
Processes 13 03713 g006
Figure 7. (a) Abrasive jet tool with lost jetting nozzle; (b) abrasive jet thread with pieces of 4140 material exposed at reservoir conditions.
Figure 7. (a) Abrasive jet tool with lost jetting nozzle; (b) abrasive jet thread with pieces of 4140 material exposed at reservoir conditions.
Processes 13 03713 g007
Figure 8. Recorded pumping rate and pressure while implementing 4145 nozzles in the field. (a) After 9:00, pumping rate 2 starts to increase while acidizing the reservoir using 4145 nozzles; (b) recorded stable pumping rate during the stimulation operation.
Figure 8. Recorded pumping rate and pressure while implementing 4145 nozzles in the field. (a) After 9:00, pumping rate 2 starts to increase while acidizing the reservoir using 4145 nozzles; (b) recorded stable pumping rate during the stimulation operation.
Processes 13 03713 g008
Figure 9. Abrasive jetting tool with 4145 materials implemented in the field. (a) Abrasive jet nozzle inspected after exposure to downhole conditions; (b) Zoomed view displaying jetting nozzle groove and intake thread without damage.
Figure 9. Abrasive jetting tool with 4145 materials implemented in the field. (a) Abrasive jet nozzle inspected after exposure to downhole conditions; (b) Zoomed view displaying jetting nozzle groove and intake thread without damage.
Processes 13 03713 g009
Figure 10. Recorded pumping rate and all operational data while acidizing using QPQ-coated 4145 material.
Figure 10. Recorded pumping rate and all operational data while acidizing using QPQ-coated 4145 material.
Processes 13 03713 g010
Figure 11. Recorded operational data during stimulation intervention using coated 4145 jetting nozzles.
Figure 11. Recorded operational data during stimulation intervention using coated 4145 jetting nozzles.
Processes 13 03713 g011
Figure 12. Abrasive jetting tool behavior after stimulation operation using QPQ 4145 material.
Figure 12. Abrasive jetting tool behavior after stimulation operation using QPQ 4145 material.
Processes 13 03713 g012
Figure 13. The 4140 jet nozzle inner status after performing acid stimulation job.
Figure 13. The 4140 jet nozzle inner status after performing acid stimulation job.
Processes 13 03713 g013
Figure 14. Trained model based on multiple support vector machines.
Figure 14. Trained model based on multiple support vector machines.
Processes 13 03713 g014
Figure 15. Comparison of four different regression models.
Figure 15. Comparison of four different regression models.
Processes 13 03713 g015
Table 1. Chemical composition of 4140 material.
Table 1. Chemical composition of 4140 material.
GradeCMnCrMoSiPSNiCuVH Max. ppm
Min.0.380.750.80.150.15
Max.0.4311.10.250.350.0250.0250.250.30.32
Table 2. Chemical composition of 4145 material.
Table 2. Chemical composition of 4145 material.
CSiMnPSCrMoNiAl
0.430.150.95 0.90.25 0.015
0.490.351.150.0150.021.20.350.250.03
Table 3. Physical and chemical properties of selected materials.
Table 3. Physical and chemical properties of selected materials.
FactorsOriginal Nozzle4140 Nozzle4145 NozzleQPQ-Coated 4145
Cobalt content6%0%0%0%
Tungsten content46.85%0%0%0%
Carbon content in metal46.85%0.380.430.43
Chromium content in metal0%0.80.80.8
Molybdenum content in metal0.0010.150.150.15
Grain size1.2 µm35 µm45 µm45 µm
Hardness RockwellHRA: 80.5HRC: 32HRC: 40HRC: 68
Toughness under bending stress TRS2450 N/mm2120018001980
Specific gravity14.57.857.857.85
Reservoir temperature138 °C138 °C138 °C138 °C
Exposure time 12 h12 h12 h12 h
Reservoir pressure215 bar215 bar215 bar215 bar
Injection rate2.5 bpm2.5 bpm2.5 bpm2.5 bpm
Circulating pressure286 bar286 bar286 bar286 bar
Acid typeHydrochloric acidHydrochloric acidHydrochloric acidHydrochloric acid
Acid concentration28%28%28%28%
Fluid carrierDroplets of emulsified acid Droplets of emulsified acid Droplets of emulsified acidDroplets of emulsified acid
Inhibitor dosage70 gals/1000 gals 70 gals/1000 gals 70 gals/1000 gals70 gals/1000 gals
Chloride content130,000 ppm130,000 ppm130,000 ppm130,000 ppm
Abrasive particle shaperoundroundroundround
Abrasive particle size 0.3 µm0.3 µm0.3 µm0.3 µm
Table 4. Operational factors affecting the corrosion rate for different types of materials.
Table 4. Operational factors affecting the corrosion rate for different types of materials.
FactorsOriginal Nozzle4140 Nozzle4145 Nozzle4145 + QPQ Coating Nozzle
Temperature121121121121
Exposure time12 h 12 h12 h12 h
Pressure13.7 bar206 bar151.72 bar345 bar
Acid typeHydrochloric acidHydrochloric acidHydrochloric acidHydrochloric acid
Acid concentration28%28%28%28%
Corrosion rate—lab testing per 12 h (mm/year)0.86670122.8020417.865936318.336878981
0.84931122.1101717.662288.202968153
0.82950321.6963417.470718.122993631
0.80625521.1188516.740713.703006369
0.76068820.6724816.024663.606292994
0.74115920.3628215.807063.502140127
0.71605120.3144615.241663.403566879
0.70024220.1796214.190833.302203822
0.67420419.8076414.029953.243617834
0.65374519.7518513.874653.164573248
0.63607619.508213.628223.141324841
0.62491719.445913.141863.106917197
0.60352919.3761512.905663.064140127
Table 5. Additional corrosion tests performed at 94 °C.
Table 5. Additional corrosion tests performed at 94 °C.
FactorsOriginal Nozzle4140 Nozzle4145 Nozzle4145 + QPQ Coating Nozzle
Temperature94949494
Exposure time12 h12 h12 h12 h
Pressure13.7 bar206 bar151.72 bar345 bar
Acid typeHydrochloric acidHydrochloric acidHydrochloric acidHydrochloric acid
Acid concentration28%28%28%28%
Corrosion rate (Lab testing per 12 h)
[mm/year]
0.37435897414.321019119.5783439494.649681529
0.30884615413.92114659.4109554144.231210191
0.29012820512.182165619.0761783443.933630573
0.27608974411.677210198.5851719753.859235669
0.24333333311.015095548.2671337583.606292994
0.2246153859.9503184718.0792866243.145044586
0.2012179499.7922292997.5538726112.752611465
0.1876474369.5457961787.3130191082.569414013
0.1754807699.3951464976.9689426752.168611465
0.1511474369.3412101916.7252993632.053299363
0.1352371799.1431337586.3970318471.986343949
0.11979487214.321019119.5783439491.950076433
0.09546153813.92114659.4109554141.871961783
Table 6. Corrosion test performed at different temperatures.
Table 6. Corrosion test performed at different temperatures.
Corrosion Rate in mm/Year
Record No.Acid RecipeTemperaturePressureOriginal Nozzle4140 Nozzle4145 Nozzle4145 + QPQ Coating Nozzle
Record 120% Hcl77 °C13 bar0.18717948712.089171976.6025477713.440764331
Record 220% Hcl80 °C11 bar0.1970064112.014777076.4993248414.712917197
Record 328% Hcl85 °C9 bar0.33317948715.7438216610.445044597.999312102
Record 428% Hcl85 °C12 bar0.3430064116.1176560510.497121028.088585987
Record 528% Hcl100 °C16 bar0.40477564120.7970955412.558789818.336878981
Record 628% Hcl105 °C15 bar0.41132692321.5540636913.269261158.455910828
Record 728% Hcl110 °C14 bar0.4197522.2980127413.667273898.504267516
Record 828% Hcl115 °C13.3 bar0.42910897424.0648917213.946254788.586101911
Record 928% Hcl118 °C15.5 bar0.43472435924.5921656113.978802558.744191083
Record 1028% Hcl125 °C15 bar0.44642307727.6404968214.590700648.947847134
Record 1128% Hcl130 °C16 bar0.45718589728.5490445915.126343959.11244586
Table 7. Recorded corrosion tests on different nozzles types to train the model.
Table 7. Recorded corrosion tests on different nozzles types to train the model.
Corrosion Rate (mm/Year)
Record No.Acid RecipeTemperaturePressureOriginal Nozzle4140 Nozzle4145 Nozzle4145 + QPQ Coating Nozzle
Record 120% Hcl94 °C13.7 bar0.37435897415.808917211.159235671.859872611
Record 220% Hcl97 °C15 bar0.41085897416.695146511.541439491.959375796
Record 320% Hcl100 °C20 bar0.42676923117.5553375811.841808922.571273885
Record 428% Hcl110 °C16 bar0.87321019119.4542675212.367222933.606292994
Record 528% Hcl121 °C18 bar0.43612820522.8020382217.865936314.617133758
Record 628% Hcl138 °C12 bar0.54287898119.794649687.7742675162.096942675
Record 728% Hcl163 °C14 bar0.31820512824.4377682418.340203825.51359
Table 8. Summary of predictive models characteristics.
Table 8. Summary of predictive models characteristics.
Trained ModelR2MAEMSE
Gradient Boosting0.98206.431411.3217
Random Forest0.97507.668713.3426
Ridge0.891620.300027.8140
RidgePoly0.947312.840519.3867
Table 9. The final best hyperparameters found by GridSearchCV.
Table 9. The final best hyperparameters found by GridSearchCV.
ModelBest Parameters
Ridge{alpha: 2, fit intercept: False, solver: lsqr, tol: 0.001}
RidgePoly{polynomialfeatures degree: 2, ridge alpha: 1}
Random Forest{max depth: None, min samples split: 2, n estimators: 100}
Gradient Boosting{learning rate: 0.1, max depth: 3, n estimators: 50}
Disclaimer/Publisher’s Note: The statements, opinions and data contained in all publications are solely those of the individual author(s) and contributor(s) and not of MDPI and/or the editor(s). MDPI and/or the editor(s) disclaim responsibility for any injury to people or property resulting from any ideas, methods, instructions or products referred to in the content.

Share and Cite

MDPI and ACS Style

Ramy, C.; Ripeanu, R.G.; Nassreddine, S.; Tănase, M.; Zouein, E.Y.; Muresan, C.C.; Mhanna, A. Innovative Alloy Design for Acid Stimulation Applications: From Lab to Field Validation, Combining High-Temperature Corrosion Testing and AI-Enhanced Corrosion Predictions. Processes 2025, 13, 3713. https://doi.org/10.3390/pr13113713

AMA Style

Ramy C, Ripeanu RG, Nassreddine S, Tănase M, Zouein EY, Muresan CC, Mhanna A. Innovative Alloy Design for Acid Stimulation Applications: From Lab to Field Validation, Combining High-Temperature Corrosion Testing and AI-Enhanced Corrosion Predictions. Processes. 2025; 13(11):3713. https://doi.org/10.3390/pr13113713

Chicago/Turabian Style

Ramy, Charbel, Razvan George Ripeanu, Salim Nassreddine, Maria Tănase, Elias Youssef Zouein, Constantin Cristian Muresan, and Ayham Mhanna. 2025. "Innovative Alloy Design for Acid Stimulation Applications: From Lab to Field Validation, Combining High-Temperature Corrosion Testing and AI-Enhanced Corrosion Predictions" Processes 13, no. 11: 3713. https://doi.org/10.3390/pr13113713

APA Style

Ramy, C., Ripeanu, R. G., Nassreddine, S., Tănase, M., Zouein, E. Y., Muresan, C. C., & Mhanna, A. (2025). Innovative Alloy Design for Acid Stimulation Applications: From Lab to Field Validation, Combining High-Temperature Corrosion Testing and AI-Enhanced Corrosion Predictions. Processes, 13(11), 3713. https://doi.org/10.3390/pr13113713

Note that from the first issue of 2016, this journal uses article numbers instead of page numbers. See further details here.

Article Metrics

Back to TopTop