Automatic Control System for Maize Threshing Concave Clearance Based on Entrainment Loss Monitoring
Abstract
1. Introduction
2. Materials and Methods
2.1. Electric Control Adjustment Device for Threshing Clearance
2.2. Threshing Clearance Control System Architecture
2.3. Real-Time Entrainment Loss Monitoring and Result Calibration
2.3.1. Loss Monitoring Sensor Installation Position
2.3.2. Simulation of Entrainment Loss Monitoring Process
- (1)
- Simulation Model Establishment and Parameter Settings
- (2)
- Calibration of Entrainment Loss Monitoring RatioThe DEM simulation results of the proposed maize threshing device under maximum feed rate and 28 mm threshing clearance conditions are shown in Figure 5. In the simulation diagram, the different colored particles represent different organs of the maize plant: yellow represents maize kernels, green represents short stalks, red represents long stalks, cyan represents light contaminants, magenta represents maize cobs, and light green represents maize leaves.
- ①
- At t = 0.6 s, the mixture is mainly concentrated in the front-middle part of the threshing device. Some mixture components, such as short stalks and light residue, have already moved to the device outlet, while most kernels and some short stalks and light residue pass through the threshing concave sieve and fall.
- ②
- At t = 1.8 s, the mixture fills the entire threshing device. A small portion of kernels and most short stalks, long stalks, and light residue are discharged from the device outlet. Most kernels and some short stalks and light residue pass through the threshing concave sieve and fall. Some kernels impacting the entrainment loss monitoring sensor constitute the monitored loss, while kernels discharged through the device outlet cannot be monitored.
- ③
- At t = 4.8 s, the degree of mixture filling, discharge rate, and sieve passage show little difference compared to t = 1.8 s, indicating that mixture movement has reached a relatively stable state during t = 1.8 s to t = 4.8 s. Therefore, this time period is selected as the optimal phase for analyzing the monitoring ratio data of the entrainment loss sensor.
2.4. Automatic Threshing Clearance Control System
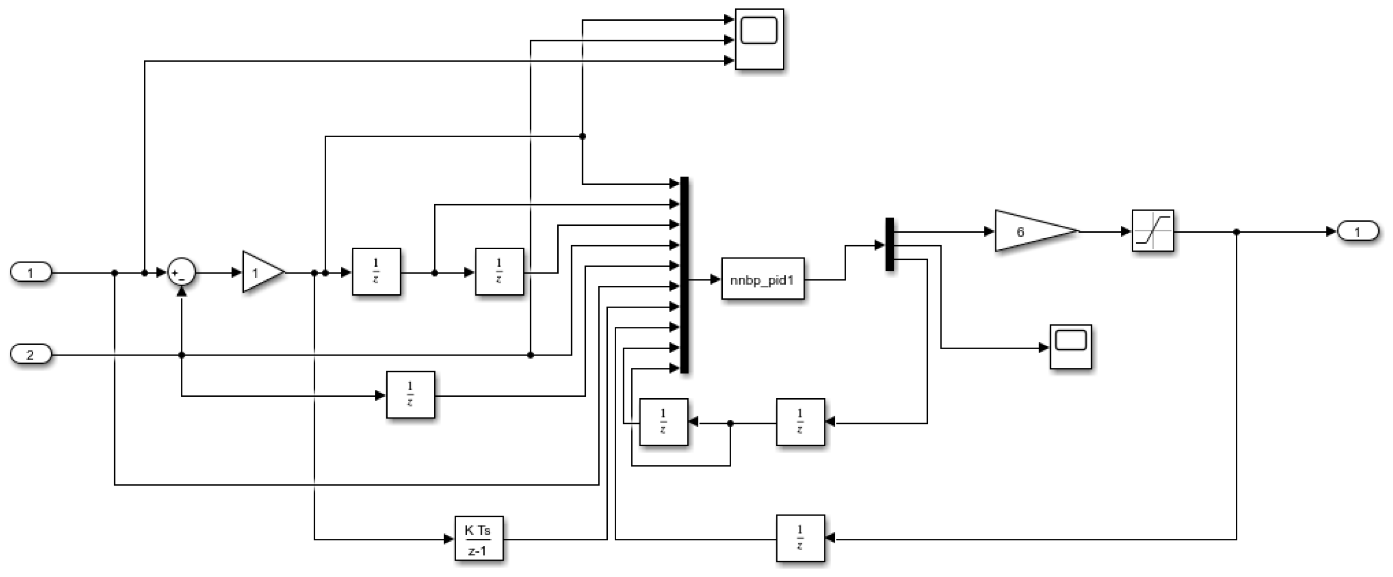
2.4.1. Fuzzy Neural Network PID-Based Threshing Clearance Control System
2.4.2. Simulation Analysis of Threshing Gap Control System
3. Results and Analysis
3.1. Field Trial Design
3.2. Impact of Different Operating Speeds on Entrainment Loss Control Performance
3.3. Comparison of Threshing Performance Before and After the Control System Is Activated
4. Conclusions
- (1)
- A threshing gap adjustable concave sieve structure based on a crank-rocker mechanism was designed, and a mathematical model was established for the relationship between the threshing gap adjustment range and motor rotation angle. The adjustment range for the threshing gap was 15–47 mm, and the motor rotation angle was 0–48°. A carryover loss monitoring sensor based on piezoelectric ceramic-sensitive components was used, with signal processing calibration determining that a band-pass filter frequency of 14–20 kHz can accurately identify maize kernels. An EDEM discrete element simulation model was established for maize ears and the mixture of extruded material, with simulation results identifying the optimal installation position for the loss sensor as the left rear of the concave sieve, with the minimum distance from the centerline of the sensitive plate to the threshing concave sieve being 58 mm and the installation angle of the sensor relative to the horizontal plane being 65°.
- (2)
- A maize threshing gap control method based on a fuzzy neural network PID control algorithm was proposed. Through Simulink simulation optimization, it was verified that this controller has superior performance with a fast response time. The designed maize threshing separation adjustment device was integrated with the carryover loss monitoring system on the harvester. Based on field harvesting tests at low, medium, and high speeds, combined with the set ideal carryover loss range, it was determined that the control device does not need to be activated at low speeds while activating the control system at medium speeds keeps the carryover loss within the set range, and at high speeds, the threshing gap should be set to the maximum adjustment plan. Finally, a comparison test of threshing performance before and after the control system was activated during medium-speed harvesting operations was designed, showing that the carryover loss rate was reduced by 43.75% after activating the control system, verifying the effectiveness of the control system and significantly reducing maize harvesting threshing losses. Future work will focus on real-time monitoring values for carryover and cleaning loss rates, impurity rates, and breakage rates, coordinating the control of threshing gap, sieve opening, fan speed, and other working parameters to comprehensively improve the threshing and cleaning performance of the harvester.
Author Contributions
Funding
Data Availability Statement
Conflicts of Interest
References
- National Bureau of Statistics of China. China Statistical Yearbook; China Statistics Press: Beijing, China, 2023. Available online: https://www.stats.gov.cn/sj/zxfb/202312/t20231211_1945417.html (accessed on 2 December 2024).
- Fan, C.; Zhang, D.; Yang, L.; Cui, T.; He, X.; Dong, J.; Zhao, H. Power consumption and performance of a maize thresher with automatic gap control based on feed rate monitoring. Biosyst. Eng. 2022, 216, 147–164. [Google Scholar] [CrossRef]
- Cui, T.; Fan, C.L.; Zhang, D.X.; Yang, L.; LI, Y.B.; Zhao, H.H. Research progress of maize mechanized harvesting technology. Trans. Chin. Soc. Agric. Mach. 2019, 50, 1–13. [Google Scholar] [CrossRef]
- Wang, K.R.; Li, S.K. Research progress on maize mechanical grain harvesting crushing rate. Chin. Agric. Sci. 2017, 50, 2018–2026. [Google Scholar] [CrossRef]
- Li, W.; Hu, B.; Yan, Z.; Liu, S.; Shi, P.; Zhu, Y.; Li, H. The socio-ecological implications of shifting patterns of cropland use in northeast China. J. Clean. Prod. 2024, 443, 141050. [Google Scholar] [CrossRef]
- Li, X.P.; Zhang, W.T.; Xu, S.D.; Du, Z.; Ma, Y.D.; Ma, F.L.; Liu, J. Low-damage maize threshing technology and maize thresh-ingdevices: A review of recent developments. Agriculture 2023, 13, 1006. [Google Scholar] [CrossRef]
- Su, Y.; Xu, Y.; Cui, T.; Gao, X.J.; Xia, G.Y.; Li, Y.B.; Qiao, M.N.; Fan, H.F. A combined experimental and DEM approach to optimize the centrifugal maize breakage tester. Powder Technol. 2022, 397, 117008. [Google Scholar] [CrossRef]
- Geng, A.J.; Yang, J.N.; Zhang, Z.L.; Zhang, J.; Li, R.Z. Discuss about the current situation and future of maize harvest machinery about domestic and abroad. J. Agric. Mech. Res. 2016, 38, 251–257. [Google Scholar]
- Chen, M.; Jin, C.; Ni, Y.; Yang, T.; Zhang, G. Online field performance evaluation system of a grain combine harvester. Comput. Electron. Agric. 2022, 198, 107047. [Google Scholar] [CrossRef]
- Li, X.; Du, Y.; Yao, L.; Wu, J.; Liu, L. Design and experiment of a broken maize kernel detection device based on the yolov4-tiny algorithm. Agriculture 2021, 11, 1238. [Google Scholar] [CrossRef]
- Srison, W.; Chuan-Udom, S.; Saengprachatanarug, K. Design factors affecting losses and power consumption of an axial flow maize shelling unit. Songklanakarin J. Sci. Technol. 2016, 38, 591–598. [Google Scholar] [CrossRef]
- Guan, Z.; Li, H.; Chen, X.; Mu, S.; Jiang, T.; Zhang, M.; Wu, C. Development of impurity-detection system for tracked rice combine harvester based on DEM and mask R-CNN. Sensors 2022, 22, 9550. [Google Scholar] [CrossRef] [PubMed]
- Mahirah, J.; Kazuya, Y.; Munenori, M.; Naoshi, K.; Yuichi, O.; Tetsuhito, S.; Harshana, H.; Usman, A. Monitoring harvested paddy during combine harvesting using a machine vision-Double lighting system. Eng. Agric. Environ. Food 2017, 10, 140–149. [Google Scholar] [CrossRef]
- Ferraretto, L.; Shaver, R.; Luck, B. Silage review: Recent advances and future technologies for whole-plant and fractionated maize silage harvesting. J. Dairy Sci. 2018, 101, 3937–3951. [Google Scholar] [CrossRef] [PubMed]
- Saeng-ong, P.; Chuan-Udom, S.; Saengprachatanarak, K. Effects of guide vane inclination in axial shelling unit on maize shelling performance. Kasetsart J. 2015, 49, 761–771. [Google Scholar]
- Zhu, X.L.; Chi, R.J.; Du, Y.F.; Deng, X.J.; Zhang, Z.; Dong, N.X. Design and experiment of intelligent control system for low loss threshing of high moisture content maize. Trans. Chin. Soc. Agric. Mach. 2021, 52, 9–18. [Google Scholar]
- Geng, D.; Wang, Q.; Li, H.; He, Q.; Yue, D.; Ma, J.; Wang, Y.; Xu, H. Online detection technology for broken maize kernels based on deep learning. Trans. Chin. Soc. Agric. Eng. 2023, 39, 270–278. [Google Scholar] [CrossRef]
- Fan, C.; Zhang, D.; Yang, L.; Cui, T.; He, X.; Qiao, M.; Sun, J.; Dong, J. A multi-parameter control method for maize threshing based on machine learning algorithm optimisation. Biosyst. Eng. 2023, 236, 212–223. [Google Scholar] [CrossRef]
- Yu, Y.; Fu, H.; Yu, J. DEM-based simulation of the maize threshing process. Adv. Powder Technol. 2015, 26, 1400–1409. [Google Scholar] [CrossRef]
- Yang, L.; Zhang, X.L.; Yaoming, L.; Liya, L.; Maolin, S. Modeling and control methods of a multi-parameter system for threshing and cleaning in grain combine harvesters. Comput. Electron. Agric. 2024, 225, 109251. [Google Scholar] [CrossRef]
- Li, Y.; Xu, L.; Zhou, Y.; Li, B.; Liang, Z.; Li, Y. Effects of throughput and operating parameters on cleaning performance in air-and-screen cleaning unit: A computational and experimental study. Comput. Electron. Agric. 2018, 152, 141–148. [Google Scholar] [CrossRef]
- Li, Y.; Xu, L.; Lv, L.; Shi, Y.; Yu, X. Study on modeling method of a multi-parameter control system for threshing and cleaning devices in the grain combine harvester. Agriculture 2022, 12, 1483. [Google Scholar] [CrossRef]
- Omid, M.; Lashgari, M.; Mobli, H.; Alimardani, R.; Mohtasebi, S.; Hesamifard, R. Design of fuzzy logic control system incorporating human expert knowledge for combine harvester. Expert Syst. Appl. 2010, 37, 7080–7085. [Google Scholar] [CrossRef]
- Ning, X.; Chen, J.; Li, Y.; Wang, K.; Wang, Y.; Wang, X. Kinetic model of combine harvester threshing system and simulation and experiment of speed control. Trans. Chin. Soc. Agric. Eng. 2015, 31, 25–34. [Google Scholar]
- Zhang, Y. Mechanisms and Control Strategies Research on Threshing and Separating Quality of Combine Harvester. Doctoral Dissertation, China Agricultural University, Beijing, China, 2019. [Google Scholar]
- Lian, Y. Study on Adaptive Control System of Operating Parameters for Threshing Device of Rice Wheat Combine Harvester. Master’s Thesis, Jiangsu University, Zhenjiang, China, 2020. [Google Scholar]
- Zhu, X.; Chi, R.; Du, Y.; Ban, C.; Ma, Y.; Huang, X. Design of Hardware in loop simulation platform for intelligent control system of maize kernel harvester. Trans. Chin. Soc. Agric. Mach. 2022, 53, 114–122. [Google Scholar]
- Jigang, H.; Jie, W.; Hui, F. An anti-windup self-tuning fuzzy PID controller for speed control of brushless DC motor. Autom. Časopis Autom. Mjer. Elektron. Računarstvo I Komun. 2017, 58, 321–335. [Google Scholar] [CrossRef]
- Lin, F.J.; Wai, R.J.; Lee, C.C. Fuzzy neural network position controller for ultrasonic motor drive using push–pull DC–DC converter. IEE Proc.-Control Theory Appl. 1999, 146, 99–107. [Google Scholar] [CrossRef]
- Wang, Y. Research on Water Injection Flow Control Strategy Based on Fuzzy Neural Network PID. Master’s Thesis, Harbin University of Science and Technology, Harbin, China, 2020. [Google Scholar]
- Fan, C. Research on Intelligent Optimization PID Controller Based on Fuzzy Neural Network. Master’s Thesis, Beijing University of Chemical Technology, Beijing, China, 2009. [Google Scholar]
- Lachuga, Y.F.; Bur’yanov, A.I.; Pakhomov, V.I.; Chervyakov, I.V. Adaptation of threshing devices to physical and mechanical characteristics of harvested crops. Russ. Agric. Sci. 2020, 46, 198–201. [Google Scholar] [CrossRef]
- Bakharev, D.; Pastukhov, A.; Volvak, S.; Kovalev, S. Study of seed maize threshing process. Eng. Rural Dev. 2020, 19, 1036–1041. [Google Scholar]










| Parameters | Maize Kernels | Short Stalks | Maize Cobs | Maize Leaves | Light Residue |
|---|---|---|---|---|---|
| Length × Width × Thicness/mm | 9.1 × 6.2 × 2.5 | 63.2 × 3.7 × 3.7 | 40.1 × 21.7 × 15.9 | 83.0 × 26.2 × 1.0 | 10.9 × 1.5 × 0.8 |
| Density/kg·m−3 | 1180 | 112 | 421 | 88 | 75 |
| Poisson’s Ratio | 0.4 | 0.4 | 0.5 | 0.4 | 0.4 |
| Shear Modulus/Pa | 9.8 × 107 | 7.5 × 106 | 4.7 × 106 | 1.8 × 106 | 2.0 × 106 |
| Threshing Clearance Range/mm | Maize Entrainment Loss Monitoring Ratio/% |
|---|---|
| [14, 21) | 10.8 |
| [21, 28] | 11.5 |
| (28, 36] | 12.3 |
| Quantization Level | e Change Range | ec Change Range |
|---|---|---|
| −3 | <−14 | <−10 |
| −2 | −14~−11 | −10~−7 |
| −1 | −11~−7 | −7~−4 |
| 0 | −7~7 | −4~4 |
| 1 | 7~17 | 4~10 |
| 2 | 17~28 | 10~15 |
| 3 | >28 | >20 |
| Parameter | Value |
|---|---|
| Maize variety | 958 |
| Yield per mu (kg) | 863.55 |
| Plant height (cm) | 232.73 |
| Ear height (cm) | 118.31 |
| 1000-g weight (g) | 355.22 |
| Plant spacing (mm) | 250.56 |
| Moisture content (%) | 22.67 |
| Main stem diameter (mm) | 31.72 |
| Testing Number | Entrainment Loss Rate (%) | Cleaning Loss Rate (%) | Impurity Rate (%) | Breakage Rate (%) |
|---|---|---|---|---|
| Group 1 | 1.28 | 2.47 | 0.59 | 2.51 |
| Group 2 | 0.72 | 1.66 | 0.62 | 2.45 |
| Performance change rate | 43.75 | 32.79 | 5.08 | 2.39 |
Disclaimer/Publisher’s Note: The statements, opinions and data contained in all publications are solely those of the individual author(s) and contributor(s) and not of MDPI and/or the editor(s). MDPI and/or the editor(s) disclaim responsibility for any injury to people or property resulting from any ideas, methods, instructions or products referred to in the content. |
© 2024 by the authors. Licensee MDPI, Basel, Switzerland. This article is an open access article distributed under the terms and conditions of the Creative Commons Attribution (CC BY) license (https://creativecommons.org/licenses/by/4.0/).
Share and Cite
Yu, Y.; Cheng, Y.; Fan, C.; Chen, L.; Wu, Q.; Qiao, M.; Zhou, X. Automatic Control System for Maize Threshing Concave Clearance Based on Entrainment Loss Monitoring. Processes 2025, 13, 58. https://doi.org/10.3390/pr13010058
Yu Y, Cheng Y, Fan C, Chen L, Wu Q, Qiao M, Zhou X. Automatic Control System for Maize Threshing Concave Clearance Based on Entrainment Loss Monitoring. Processes. 2025; 13(1):58. https://doi.org/10.3390/pr13010058
Chicago/Turabian StyleYu, Yang, Yi Cheng, Chenlong Fan, Liyuan Chen, Qinhao Wu, Mengmeng Qiao, and Xin Zhou. 2025. "Automatic Control System for Maize Threshing Concave Clearance Based on Entrainment Loss Monitoring" Processes 13, no. 1: 58. https://doi.org/10.3390/pr13010058
APA StyleYu, Y., Cheng, Y., Fan, C., Chen, L., Wu, Q., Qiao, M., & Zhou, X. (2025). Automatic Control System for Maize Threshing Concave Clearance Based on Entrainment Loss Monitoring. Processes, 13(1), 58. https://doi.org/10.3390/pr13010058

