Next Article in Journal
Sustainable Napier Grass (Pennisetum purpureum) Biochar for the Sorptive Removal of Acid Orange 7 (AO7) from Water
Previous Article in Journal
Study on the Evolution of Physicochemical Properties of Carbon Black at Different Regeneration Stages of Diesel Particulate Filters Regenerated by Non-Thermal Plasma
 
 
Font Type:
Arial Georgia Verdana
Font Size:
Aa Aa Aa
Line Spacing:
Column Width:
Background:
Article

Electrochemical Polishing Method for Titanium Alloys with a Microgroove Structure

by
Xu Wang
1,2,*,
Yekun Wang
1,2,
Xuanda Shao
1,2,
Kaiyao Zhou
1,2,
Qianfa Deng
1,2,
Zewei Yuan
1,2 and
Binghai Lyu
1,2
1
College of Mechanical Engineering, Zhejiang University of Technology, Hangzhou 310023, China
2
Key Laboratory of Special Purpose Equipment and Advanced Processing Technology, Ministry of Education and Zhejiang Province, Zhejiang University of Technology, Hangzhou 310014, China
*
Author to whom correspondence should be addressed.
Processes 2024, 12(6), 1114; https://doi.org/10.3390/pr12061114
Submission received: 5 May 2024 / Revised: 21 May 2024 / Accepted: 27 May 2024 / Published: 28 May 2024
(This article belongs to the Section Particle Processes)

Abstract

TI–6AL–4V alloys are widely used in various fields owing to their excellent corrosion resistance, high-temperature resistance, and low-temperature toughness. Herein, a microgroove fixture was used to simulate the microgrooves in a titanium alloy with different aspect ratios to study the influence of the electrolyte flow rate on the polishing effect. The optimization of the electrochemical polishing parameters was conducted using experiments and simulations. The effects of process parameters, such as the concentration of sodium chloride (NaCl) and zinc chloride (ZnCl2), polishing time, and processing voltage, on the quality of the post-polished surface were studied. Experiments were conducted on microgrooves with different aspect ratios under the optimized polishing process parameters. Changes in the surface elements of the microgrooves after polishing were detected. The experimental results indicated that the optimal electrochemical polishing solution flow rate, NaCl concentration, ZnCl2 concentration, polishing time, and processing voltage were 0.2 m/s, 4.0 wt.%, 0.4 wt.%, 8 min, and 90 V, respectively. After 8 min of electrochemical polishing, a TiO2 passivation film was formed on the surface of the microgroove. The surface roughness of the notch and bottom of the microgroove decreased from 250 nm to below 40 nm, with a minimum of 24.5 nm.

1. Introduction

The TI–6Al–4V titanium alloy belongs to the α+β alloy family, and is widely used in aerospace, modern military, and civil industries owing to its excellent mechanical properties and high-temperature corrosion resistance [1]. With the development of science and technology, special-shaped concave micro-surface parts such as grooves, cavities, and semi-closed structures are increasingly being used in the industry. These parts have complex shapes and high surface quality [2,3]. An increase in the finesse and complexity of the fine structure of titanium alloy workpieces aggravates difficulties with processing [4,5,6]. At present, the precision forming of complex surfaces mainly involves precision turning, multi-axis CNC milling, additive manufacturing, injection molding, and other methods. The final surface quality of the workpiece primarily depends on the ultra-precision grinding and polishing technology employed. In traditional precision grinding and polishing processes, machining tools directly contact the surface of the workpiece. The inaccessibility of machining tools to surfaces with complex microstructures often makes it difficult to satisfy the demand for the high-quality surface treatment of microstructures [7]. At the same time, the traditional abrasive flow polishing technology has a limited polishing effect on such semi-enclosed microgroove structural parts. After polishing, the removal amount of the notch and the bottom of the groove are quite different, which is prone to uneven removal. In contrast, electrochemical polishing, a noncontact surface treatment method, does not involve the use of a mechanical force [8]. In the polishing process, it is not affected by the surface morphology of the parts, which can reduce the occurrence of such phenomena [9,10,11,12]. After adding the flow field to traditional electrochemical polishing, the precipitation rate of metal ions increases during the polishing process. The electrochemical reaction at the bottom of the groove is more thorough, and the polishing effect is further improved. Therefore, the problem of a large difference in the surface quality of the groove bottom after polishing is solved.
In electrochemical polishing, factors such as the slurry concentration and electrochemical working parameters significantly affect the final surface quality of the workpiece. Several researchers have studied the influence of various factors on electrochemical polishing. Zhang et al. [13] studied the effect of different additives (such as saturated EDTA, NaI, NaBr, and Na2S2O8) on the electrochemical polishing of titanium alloys in a NaCl solution. Their results showed that when using 10% NaCl + 4% Na2S2O8 + saturated EDTA as the electrolyte at a current density of 50 A/cm2, the processing effect could be improved. Wei Ying et al. [14] combined mechanical polishing with electrochemical polishing and removed the surface oxide layer by mechanical grinding and the generated viscous layer during electrochemical polishing, thereby achieving considerable control over the thickness of the TiCl4 viscous layer and obtaining a higher surface quality; however, there was no discernible improvement in the polishing efficiency. Fan et al. [15] utilized a 5% perchloric acid–ethanol solution to electropolish the TI–6Al–4V titanium alloy, measured the corresponding electropolishing characteristic curve, and obtained the best electrochemical polishing conditions. Wang et al. [16] compared the electrolytes NaOH, NaNO3, and H3PO4, obtaining the best process parameters for SiC electrochemical polishing via orthogonal experiments.
The NaCl + ZnCl2 solution is a weakly acidic electrolyte commonly used in the electrochemical polishing of easily oxidized metal materials. The NaCl electrolyte has excellent electrical conductivity, and the ZnCl2 additive can significantly increase the solubility of the TiCl4 viscous layer produced during electrochemical polishing in solution, thereby improving the polishing effect. Chen et al. [17] studied the effect of a complexing agent on the chemical–mechanical polishing of stainless steel and confirmed the importance of additives in chemical–mechanical polishing. Pang [18] used a composite electrolyte of NaCl and saturated EDTA–2Na to perform the pulse-power electrolytic machining of titanium alloy cascades. Yu et al. [19] investigated the processing of microstructures on TI–6Al–4V alloy plates. Sun et al. [20] used orthogonal experiments to determine the influence of the electrochemical polishing process parameters, such as the processing frequency, processing gap, and duty cycle, on the polishing effect.
Existing studies on the mechanism of electrochemical polishing have widely adopted the mucosal and passivation film theories, and some studies have applied them together. According to Faraday’s first law, the dissolution of metallic materials is proportional to the anode current. This theory is also applicable to electrochemical polishing. Jacquet [21] first put forth the theory of mucous membranes, after which some researchers studying the mucous membrane theory also proposed that the addition of an adhesive to the electrolyte can improve the surface quality [22].
Currently, electrochemical polishing is rarely used in the surface treatment of TI–6Al–4V alloys with fine structures. Since electrochemical polishing is highly sensitive to the surface structure of a polished workpiece, only the materials near the entrance of the hole or notch can be removed while processing long internal structures or groove workpieces, such as pipelines and special-shaped holes [23,24]. In this study, the existing electrochemical polishing process was improved, process parameters were optimized, and high-quality electrochemical polishing of TI–6Al–4V alloy-shaped workpieces with different aspect ratios was realized and confirmed by analysis of the polarization curves of a microgroove TI–6Al–4V alloy in different electrolytes.
In this study, a NaCl + ZnCl2 electrolyte was used for the electrochemical polishing of a TI–6Al–4V titanium alloy. The effects of process parameters such as the flow rate of the electrolyte, concentrations of NaCl and ZnCl2, polishing time, and anode current on the polishing performance were systematically studied by comparing the surface morphology and roughness before and after polishing. Simultaneously, an energy-dispersive spectroscopy (EDS) analysis was performed on the surface of the workpiece after electrochemical polishing to explore the changes in the surface elements. This study includes an in-depth analysis of the material corrosion and removal behaviors during electrochemical polishing. The research results can provide theoretical guidance for the efficient and low-damage treatment of titanium alloy materials.

2. Basic Principles and Simulation of Electrochemical Polishing

2.1. Simulation Modeling and Analysis

2.1.1. Simulation Conditions

The electrochemical polishing simulation model, shown in Figure 1, was established using COMSOL 6.2 to understand the changes caused by electrochemical polishing to the surface of the microgroove titanium alloy. The influence of the processing voltage on the polishing process was also qualitatively analyzed. The aspect ratio of the microgrooves in the simulation was set to 1:1 to simplify the analysis model. The simulation grid division is shown in Figure 2.
According to the receptor theory, the dissolution reaction on the electrode surface is:
T i T i 4 + + 4 e ,
T i T i 2 + + 2 e ,
T i 4 + + 4 H 2 O T i ( O H ) 4 + 4 H + ,
The rate of the reaction is limited by the diffusion of the water molecules of the receptor material onto the electrode surface. Substituting this into the Butler–Volmer formula for the electrochemical reaction, the concentration-dependent formula can be obtained as
i = i 0 c H 2 O c i n t e α a F η R T c T i c r e f e α c F η R T ,
In the formula, i0 is the exchange current density, cint is the initial concentration of water molecules, cref is the reference concentration of titanium ions, α is the transfer coefficient, η is the electrode overpotential (the difference between the anode electrode potential and the equilibrium potential), and F is the Faraday constant. The equilibrium potential of the reaction was set to 0 to simplify the calculations.
The diffusion of each substance in solution can be calculated using Fick’s second law:
C t = D 2 c x 2 + 2 c y 2 ,
where D is the diffusion coefficient of the substance in the solution. Since the geometry and current distribution change during electrolysis, a moving boundary is required to model the consumption of the cathode material. The simplified model for the material loss calculation is based on the assumption that the rate of loss is proportional to the normal current density on the electrode surface. The velocity U perpendicular to the grid of the electrode surface becomes
U = K J n ,
where K denotes the proportional coefficient and Jn denotes the normal current density. The parameters used in the electrochemical simulations are listed in Table 1.

2.1.2. Analysis of Simulation Results

The removal amount of the bottom surface of the TI–6Al–4V alloy microgroove with a depth-width ratio of 1:1 at different processing voltages changes with time, as shown in Figure 3, where the abscissa represents the spatial position of the bottom of the microgroove and the ordinate represents the depth change. Therefore, the changes in the curve reflect the approximate consistency in the surface depth of the microgroove bottom after polishing. When the voltage increases gradually, the removal amount at the bottom of the microgroove increases.
The initial depth was 1000 μm. The maximum removal depths at the bottom of the microgroove after polishing for 600 s were 991.5 μm at 30 V, 986.2 μm at 50 V, and 981.4 μm at 70 V. When the voltage was increased to 90 V, the removal depth was 976.9 μm. The removal amount at 90 V increased by 63.2% compared with that at 30 V. Simultaneously, as the processing voltage increased gradually, the bottom of the microgroove became flatter, and when the voltage was 90 V, the depth consistency of the bottom of the microgroove was significantly better than that at a low voltage. When the voltage was in the lower range (30–50 V), there was a significant depth difference at the bottom of the microgroove after polishing for 600 s, which affected the surface consistency. The depth consistency of the bottom of the microgroove significantly improved after electrochemical polishing for 600 s at voltages above 70 V, indicating that 70–90 V is a more suitable range of the processing voltage.
The simulation model was changed to a single-sided groove for the analysis of the reaction rates at different positions on the groove. Figure 4 shows the distributions of the electric field and current density of the electrolyte after processing for 600 s at 90 V. It was observed that the electric field and current density distributions of the bottom and side walls of the single-sided groove were consistent. Combined with the theory of electrochemical polishing, it can be inferred that the reaction rates were the same at the bottom and side walls of the groove during polishing.
In the simulation, the processing voltage is mainly analyzed to guide the subsequent single-factor experiment on voltage. The simulation results show that the surface quality after polishing increases with the increase in the processing voltage. When the processing voltage reaches 90 V, the material removal amount at the bottom of the microgroove after polishing is the largest, and the surface is the smoothest. At the same time, the rationality of the microgroove structure is also analyzed. The simulation results show that the electric field and current density distribution in the microgroove and the unilateral groove have the same law. It shows that the electrochemical reactions that occur in the polishing process are the same, so the feasibility of the microgroove structure in this paper is proved.

3. Experimental Methodology

3.1. Construction of the Experimental Platform

A custom-built electrochemical polishing device was used in the experiment. The device had a power supply system, a temperature control system, and a machined workpiece. A DC-regulated power supply (QJ12003E; Wenzhou Chuanggao Electronic Instrument Co., Ltd., Wenzhou, China) was used. The experimental setup is illustrated in Figure 5.
The microgroove must be cut to observe the morphology of its inner surface, and after the experiment, the polished surface is damaged during cutting. Simultaneously, microgroove workpieces with different aspect ratios that meet the experimental requirements need to be customized; the operation is complex, and the cost is extremely high. To meet the experimental requirements, the microgrooves and single-sided grooves were pre-experimented under the conditions of a NaCl concentration of 4.0 wt.%, ZnCl2 concentration of 0.4 wt.%, polishing time of 8 min, and processing voltage of 90 V, and the experimental results are shown in Figure 6. It can be seen that the actual polishing effect of the single-side groove is basically the same as that of the microgroove, and the polishing effect of the groove sidewall has the same law as the bottom of the groove.
Combined with the above simulation results, a 10 × 10 × 1 mm TI–6Al–4V alloy sheet was selected as the experimental material, and a microgroove fixture was designed. The TI–6Al–4V alloy was installed in a microgroove fixture to form the structure shown in Figure 7. The fixture was made of highly stable polytetrafluoroethylene, and a clamping force was provided by bolts, ensuring the stability of the workpiece in the microgroove.
The polishing surface in the groove was limited by a silicone pad, which simulated the actual processing environment of the microgroove during electrochemical polishing and allowed the precise control of different depths and widths. A stainless-steel pad and platinum wire were placed under the titanium alloy sheet, and the circuit cycle was realized by penetrating the bottom micropores and connecting them to the external circuit. The cathode was composed of 306 stainless steel. Before the experiment, the titanium alloy sheets were polished using # 400–1200 sandpaper. The surface morphologies of the samples after the pretreatment are shown in Figure 8. Before electrochemical polishing, the ground samples were ultrasonically cleaned in acetone (analytical purity, Hangzhou Shuangmu Chemical Reagent Co., Ltd., Hangzhou, China), absolute ethanol, and deionized water for 15 min. After drying, the samples were placed in acid pickles (HNO3 and HF mixture) for 1.5 min. The composition of the acid pickles is listed in Table 2. Finally, the workpiece was rinsed with deionized water and dried for later use.
The samples used in this paper are all titanium alloys after pretreatment, and the surface roughness is 300 nm. It ensures the unity of the samples in the experiment and avoids the experimental error caused by the inconsistent initial conditions before the experiment.

3.2. Selection of Electrochemical Polishing Solution

The selection of the electrochemical polishing solution is directly related to the quality of polishing. Therefore, it is necessary to study the corrosion current density (Icorr) and corrosion potential (Ecorr) using in situ dynamic potential polarization experiments on different components of the electrochemical polishing solution before the experiment and select the optimal electrochemical polishing solution according to the experimental results. The treated titanium alloy sheets were placed in 4.0 wt.% NaCl solution, 4.0 wt.% NaNO3 solution, 4.0 wt.% NaCl + 0.2 wt.% ZnCl2 solution, perchloric acid-glacial acetic acid solution with a volume ratio of 1:18, and perchloric acid–methanol–ethylene glycol solution with a volume ratio of 8:75:7 for polarization curve tests. The scanning speed was 5 mV/s. The cathode was a platinum electrode, the anode was a TI–6Al–4V alloy, and the reference electrode was a silver chloride electrode. The experimental results are shown in Figure 9.
The corrosion potential of the titanium alloy in the 4.0 wt.% NaCl + 0.2 wt.% ZnCl2 solution is the lowest, followed by that in the 4.0 wt.% NaCl solution, while the corrosion potential in the perchloric acid-glacial acetic acid solution with a 1:18 volume ratio is higher. The corrosion potential can be used to characterize the corrosion thermodynamics of a material. The lower the corrosion potential, the more negative it tends to be, indicating that the greater the corrosion trend, the more prone the material is to corrosion [25,26]. In other words, the passivation film in the TI–6Al–4V alloy is more likely to break down in the NaCl + ZnCl2 solution.
Simultaneously, dynamic potential polarization experiments of different components of the electrochemical polishing solutions were conducted to study the corrosion current density (Icorr) and corrosion potential (Ecorr) in different solutions. Figure 10 shows that the corrosion potential of the TI–6AL–4V alloy in the 4.0 wt.% NaCl + 0.2 wt.% ZnCl2 solution is the lowest, while the corrosion potential in the two acidic electrolytes is relatively high.
After the completion of the above experiments, the titanium alloy was placed in the aforementioned five electrochemical polishing fluids for preliminary experiments. The experimental results are shown in Figure 11. Electrochemical polishing in the NANO3 solution inflicted significant surface defects on the workpiece, and the surface quality was the poorest. After polishing in the NaCl + ZnCl2 solution, the scratches on the surface of the workpiece disappeared, and the surface quality was relatively high.
After a comprehensive consideration of various factors, the NaCl + ZnCl2 solution was found to be more suitable for this experiment than the other four electrochemical polishing solutions. A biotechnology-grade NaCl-C2H6O2-ZnCl2 solution (NaCl: biotechnology-grade, Shanghai McLin Biochemical Technology Co., Shanghai, Ltd., China; C2H6O2: AR, Zhejiang Tengyu New Material Technology Co., Ltd., Zhejiang, China; ZnCl2: analytical purity, Shanghai McLin Biochemical Technology Co., Ltd., Shanghai, China) was chosen as the final electrochemical polishing solution.
In the selected electrochemical polishing solution, the chemical reaction between the material elements and the polishing solution is:
Ti Ti 4 + + 4 e ,
Ti 4 + + 4 Cl TiCl 4 ,
TiCl 4 + 2 H 2 O TiO 2 + 4 H + + 4 Cl ,
TiCl 4 + 2 HO ( CH 2 ) 2 OH Ti [ O ( C H 2 ) 2 O ] 2 + 4 H + + 4 Cl ,
Ti [ O ( C H 2 ) 2 O ] 2 + 2 H 2 O Ti O 2 + 2 HO ( C H 2 ) 2 A B ,

3.3. Detection Method

The surface roughness and three-dimensional morphology of the treated samples were measured using a white-light interferometer (Super View W1, Chotest, Shenzhen, China). Three points at the bottom of the simulated groove polishing area were selected for each measurement, as shown in Figure 12, and the scanning range was 30 μm. After obtaining the measurement results, the average value of the final roughness was considered. The surface morphology and elemental composition within the detection range were characterized using scanning electron microscopy (SEM; #IGMA, Zeiss, Oberkochen, Germany) and EDS; Bruker Nano XFlash Detector 5010, Bruker, Mannheim, Germany).

4. Results and Discussion

4.1. Effect of Electrolyte Flow Rate on Surface Quality

In electrochemical polishing, the redox reaction on the anode surface causes metal ions to aggregate on the anode surface. If the electrolyte is in a static or slow-flow state, the metal ions precipitated on the anode surface will continue to aggregate, hindering electrochemical polishing. Few researchers have considered the specific influence of the electrolyte flow rate on the polishing effect in traditional electrochemical polishing. Therefore, it is necessary to study the electrolyte flow rate during electrochemical polishing to determine its value.
In the experiment, the microgroove fixture was fixed in the electrolyte 5 cm from the central axis, and a thermostatic magnetic stirrer-driven magnetic rotor maintained the electrolyte in a flowing state. As shown in Figure 13, the electrolyte flow rate was adjusted by varying the rotation speed (n) to control the linear velocity (v) of the electrolyte on the surface of the polished workpiece. The linear velocity conversion equation is
v = r · ω ,
ω = 2 π · n 60 ,
where v is the linear velocity of the electrolyte, r is the distance between the workpiece and the central axis, ω is the angular velocity, and n is the rotation speed.
Under this condition, the experiment was carried out by calculating the flow rates at 0 m/s, 0.1 m/s, 0.15 m/s, 0.2 m/s, and 0.25 m/s, respectively. The experimental conditions are listed in Table 3. The initial surface roughness of the polished workpiece was 300 nm.
Figure 14 and Figure 15 show the effect of different electrolyte flow rates on the surface roughness and morphology of the TI–6Al–4V alloy. The surface roughness of the workpiece first decreased and then increased as the flow rate of the electrolyte increased. The workpiece polishing effect was optimal when the electrolyte flow rate was 0.2 m/s.
The specific reasons behind the trend exhibited by the electrolyte flow rate can be attributed to the following two aspects: with an increase in the flow rate of the electrolyte, the electrode surface could remove the reaction products more quickly, thereby enhancing contact between the surface of the workpiece and the electrochemical polishing solution, and improving the electrochemical polishing effect; however, an excessive flow rate of the electrolyte could lead to a change in the current density, causing the surface of the workpiece to localize excessive or uneven polishing. Overall, a suitable flow rate can render the current distribution in the polishing solution more uniform and enhance the effect of polishing on the workpiece.
The conventional polishing method does not consider the influence of slurry flow rate. The optimal electrolyte flow rate is set in the improved polishing method. The comparison with conventional polishing methods is shown in Figure 15a,d. The flow rate of the slurry in Figure 15a is 0, which is equivalent to the traditional electrochemical polishing without the flow of the slurry. The surface roughness after polishing is 103.7 nm. Under the same electric field parameters, the polishing effect at a flow rate of 0.2 m/s is shown in Figure 15d. The surface roughness after polishing is 18.6 nm. The roughness after the improved polishing is only 17.93% of that before the improvement, and the surface quality is greatly improved.

4.2. Effect of NaCl Concentration on Surface Quality

The NaCl electrolyte plays a vital role in the electrochemical polishing base fluid used in this study. Five different NaCl concentrations were used according to the solubility of NaCl in ethylene glycol [27]. The specific experimental conditions are shown in Table 4. Figure 16 shows the surface roughnesses of the workpiece obtained for the various NaCl concentrations.
The surface roughness of the polished workpiece first decreased and then increased with an increase in the NaCl concentration. The surface roughness was the lowest at 27.8 nm when the NaCl concentration was 4.0 wt.%. From the SEM and white-light interferometer measurements shown in Figure 17, for low NaCl concentrations, corrosion pits appear on the surface of the workpiece after polishing. The surface corrosion pits disappear when the NaCl concentration reaches 4.0 wt.%, and the surface becomes smooth after polishing. However, a further increase in the NaCl concentration to 5.0 wt.% deteriorates the surface morphology. Therefore, the optimal NaCl concentration was 4.0 wt.%.
This is because when the NaCl concentration is too low, the electrochemical polishing solution contains fewer Cl ions, which leads to a decrease in the conductivity of the electrochemical polishing solution, and a consequent deterioration in the effect of electrochemical polishing. However, when the concentration of NaCl is too high, the electrochemical polishing solution causes a stronger corrosion effect, which damages the microstructure of the alloy, ultimately making electrochemical polishing difficult, which is not conducive to obtaining a high-quality surface.

4.3. Effect of ZnCl2 Concentration on Surface Quality

As an additive, ZnCl2 effectively increased the solubility of the TiCl4 viscous layer in the solution, thereby improving the effect of polishing. The single-factor experimental conditions are shown in Table 5, and Figure 18 shows the surface roughness at various ZnCl2 concentrations.
The surface roughness was the lowest when the concentration of ZnCl2 was 0.4 wt.%. The surface roughness of the workpiece increased as the ZnCl2 concentration increased. At the same time, from the surface topography of the polished workpiece shown in Figure 19, the number of corrosion pits on the polished surface is the least when the concentration of ZnCl2 is 0.4 wt.%, and the surface is smoother than that of the other groups. The polished surface exhibited corrosion pits with an increase in the ZnCl2 concentration, which indicated overpolishing.
The polarization curves were acquired at different ZnCl2 solution concentrations, and the experimental results are shown in Figure 20. The corrosion potential of the titanium alloy in the 4.0 wt.% NaCl + 0.4 wt.% ZnCl2 solution was the lowest. The passivation film generated during polishing was more likely to be broken down to achieve a better polishing effect.
A low concentration of ZnCl2 had a catalytic effect on the electrochemical polishing process. As the concentration of ZnCl2 increased, the catalytic effect increased gradually. The yellow TiCl4 viscous layer dissolved more quickly in the electrochemical polishing solution with the addition of ZnCl2, which also improved the polishing quality. However, with a further increase in the ZnCl2 concentration, the conductivity of the electrochemical polishing solution became excessively high, which made the current excessively concentrated during the polishing process, thereby reducing the polishing effect. Based on the experimental results, the optimal concentration of ZnCl2 was 0.4 wt.%.

4.4. Effect of Polishing Time on Surface Quality

The polishing time has a significant effect on the surface treatment of the TI–6Al–4V alloy. Therefore, a reasonable selection of the polishing time is the key to obtaining a high-quality surface. A single-factor experiment was conducted (the experimental conditions are shown in Table 6), and the experimental results are shown in Figure 21.
The surface roughness of the workpiece was the lowest when the polishing time was 8 min. Figure 22 shows the microstructure of the workpiece surface after polishing for different times. The surface pits of the polished workpiece are reduced significantly when the polishing time is increased from 6 min to 8 min. The surface of the workpiece begins to exhibit corrosion pits when the polishing time is extended to 10 min, and with the extension of the polishing time, the corrosion effect is increasingly intensive.
According to the mucosal theory and passivation film theory of electrochemical polishing, the dissolution rate of the micro-protrusions at the surface of a workpiece during electrochemical polishing is higher than that at the depression, thus achieving the leveling effect. When the polishing time was too short, the micro-protrusions on the surface of the workpiece could not completely dissolve, resulting in a poor polishing effect. At the optimal polishing time, the surface of the workpiece was relatively flat, and the surface structure was balanced. When the polishing time was extended, the polished surface continued to dissolve. However, the dissolution was uncontrollable. Some surface defects such as corrosion pits or black spots appeared, which affected the consistency of the workpiece surface quality after polishing, resulting in poor surface quality. Therefore, the optimal polishing time was determined to be 8 min.

4.5. Effect of Machining Voltage on Surface Quality

Only when the voltage increases to a certain value can the flow of ions be generated between the anode and cathode to achieve a polishing effect. Choosing the appropriate voltage improves the polishing efficiency and ensures ideal surface quality. Therefore, this paper sets up a single-factor experiment (the conditions are shown in Table 7). The experimental results are shown in Figure 23.
The surface roughness of the titanium alloy decreased with a continuous increase in the processing voltage, attaining its lowest value at a voltage of 90 V. From the microscopic morphological changes shown in Figure 24, after polishing at a processing voltage of 30 V, the original defects on the polished surface still exist, indicating the absence of electrochemical polishing. The surface quality gradually improved after polishing with an increase in the processing voltage. The surface protrusions disappeared, and the microscopic morphology was relatively smooth when the processing voltage was 90 V. Therefore, the optimal processing voltage was 90 V.
The voltage between the anode and the cathode was low when the processing voltage was 30 V, resulting in a weak metal dissolution reaction on the anode surface. Therefore, the chemical reaction in the electrochemical polishing solution could not be fully carried out, and the surface defects remained after polishing. The anode attained an active state when the processing voltage increased gradually, enhancing the precipitation rate of metal ions on the surface and improving the polishing effect.
In summary, the polishing effect was the best when the NaCl concentration was 4.0 wt.%, ZnCl2 concentration was 0.4 wt.%, polishing time was 8 min, and processing voltage was 90 V.

4.6. Polishing Effect of Microgrooves with Different Aspect Ratios under the Best Polishing Conditions

After determining the optimal process parameters in electrochemical polishing, electrochemical polishing experiments were carried out to study the surface quality after polishing under microgrooves with different aspect ratios. The experimental conditions are listed in Table 8. The initial average roughness of the microgrooves after the surface pretreatment was approximately 300 nm. The experimental results are presented in Figure 25 and Figure 26.
After polishing under the optimal process parameters, the surface quality of the microgrooves with different aspect ratios improved, and the surface roughness decreased from an initial average of 300 nm to below 40 nm, with a minimum of 24.5 nm. The roughnesses of the microgrooves with depth-to-width ratios of 4:1 and 5:1 were slightly higher than those of the previous three groups, which may be due to the limited processing area, presence of less electrolyte on the processing surface, and insufficient electrochemical reaction.
The surface of the workpiece before and after polishing was analyzed using the EDS profile. Figure 27 shows the elemental composition of the microgroove surface of the TI–6Al–4V alloy before and after polishing. Since the TI–6Al–4V alloy was mainly composed of titanium, aluminum, carbon, and other elements, the oxygen content on the initial surface was very low; therefore, it could not be detected in EDS before polishing. After 8 min of electrochemical polishing, oxygen was detected on the surfaces of the TI–6Al–4V microgrooves. Oxygen was also found in the surface scan results (Figure 28), indicating the formation of oxides on the surface of the TI–6Al–4V microgrooves during electrochemical polishing.
The surface morphology and roughness of the bottom of the groove before and after polishing were analyzed using an ultra-depth-of-field microscope and a white-light interferometer. The test results are shown in Figure 29. With an increase in the aspect ratio, the difference in the roughness of the groove bottom increased from 2 to ~5 nm, which did not exceed 15% of the groove bottom. A comparison of the microscopic morphology shows an improved quality of the surface compared to the groove bottom. There are two main reasons for this: first, the replenishment rate of the electrochemical polishing fluid is higher at the groove mouth than at the bottom of the groove during polishing, and the electrochemical reaction is more thorough; second, with an increase in depth, the space at the bottom of the groove is narrower, and the diffusion rate of metal ions is lower than that at the groove. However, regardless of the groove or bottom of the groove, after 8 min of electrochemical polishing, the scratches and other defects on the surface disappeared, the surface leveled, and a good polishing effect was obtained.
A precision balance was used to repeatedly measure the mass difference before and after polishing, and the average value was used to calculate the material removal rate (MRR) of microgrooves with different sizes. The calculation formula is as follows:
MRR = Δ m ρ t S
where Δm (g) represents the quality difference of the sample before and after polishing; ρ (g/cm3) is the density of titanium alloy for experiment.; t (min) is the processing time; and S (cm2) is the area of the processed sample. The calculated material removal rate is shown in Figure 30.
It is found that the material removal rate is below 200 nm / min. The material removal after electrochemical polishing is in the micron level, which basically does not change the dimensional tolerance after polishing. After consulting the literature, it was found that the electrochemical polishing process will not affect the change and control of the macroscopic size.

5. Conclusions

In this study, the high-efficiency and high-quality ECP treatment of a microgroove TI–6Al–4V alloy was performed in a weakly acidic electrochemical polishing solution. The polishing performance and surface morphology were analyzed, and the optimal process conditions were determined. The effect of TI–6Al–4V–ECP on the surface quality under different polishing process conditions was studied. The main conclusions are as follows.
  • Compared with strongly acidic electrochemical polishing solutions such as a perchloric acid-glacial acetic acid solution with a volume ratio of 1:18 and perchloric acid–methanol–ethylene glycol solution with a volume ratio of 8:75:7, electrochemical polishing in a NaCl + ZnCl2 solution can significantly increase the solubility of the viscous layer, making the electrochemical removal of TI–6Al–4V easier, which is the reason for the high polishing rate.
  • Combined with the simulation results, the electrochemical polishing of the TI–6Al–4V alloy was performed by simulating the microgroove structure, and the optimal electrolyte flow rate and electrochemical polishing parameters were determined. Through the flow of the electrolyte and electrochemical polishing of TI–6Al–4V microgrooves with different aspect ratios under these parameters, the surface quality was improved, which also provided a new method for future research.
  • The surface quality of microgrooves with different aspect ratios significantly improved after electrochemical polishing under the optimal process parameters. The surface of the polished workpiece was analyzed using EDS, which confirmed the formation of aerobic elements and proved the appearance of the TiO2 passivation film on the surface of the workpiece after the experiment.
  • The interactions between different factors and the best polishing process were studied using single-factor experiments. The surface morphology improved at the bottom of the TI–6Al–4V alloy microgroove workpiece after flow electrochemical polishing. The micro-fluctuation and the number of scratches were reduced significantly, leveling was realized, and the micromorphology was enhanced.

Author Contributions

Conceptualization, X.W. and Y.W.; methodology, X.W., Y.W. and X.S.; software, X.W., Y.W. and Z.Y.; validation, X.W., Y.W., X.S. and Q.D.; investigation, X.W. and B.L.; data curation, X.W., Y.W. and K.Z.; writing—original draft preparation, X.W.; writing—review and editing, X.W., Y.W. and X.S.; supervision, X.W.; project administration, X.W.; funding acquisition, X.W. All authors have read and agreed to the published version of the manuscript.

Funding

This research was supported by National Natural Science Foundation of China (52105489, 52175441, 51805485); Natural Science Foundation of Zhejiang Province (LY21E050010).

Data Availability Statement

Data are contained within the article.

Conflicts of Interest

The authors declare no conflicts of interest. The funders had no role in the design of the study; in the collection, analyses, or interpretation of data; in the writing of the manuscript; or in the decision to publish the results.

References

  1. Kai, G.U.O.; Tian qi, H.E.; Rong, H.E. Research status and progress of heat treatment process of TI-6Al-4V titanium Alloy. World Nonferrous Met. 2021, 7, 16–17. [Google Scholar]
  2. Xue, S.; Kong, L.; Dai, Y.; Chen, S.; Lin, Z. Near-null interferometric test of aspheric cylinders utilizing a partial null lens. Meas. Sci. Technol. 2021, 32, 125016. [Google Scholar] [CrossRef]
  3. Hussain, O.; Ahmad, B.; Sheikh, S.S. Biotribological performance of medical-grade UHMW polyethylene-based hybrid composite for joint replacement. Polym. Polym. Compos. 2021, 29 (Suppl. 9), S1424–S1431. [Google Scholar] [CrossRef]
  4. Wang, L.; Wu, M.; Chen, H. Damage evolution and plastic deformation mechanism of passivation layer during shear rheological polishing of polycrystalline tungsten. J. Mater. Res. Technol. 2024, 28, 1584–1596. [Google Scholar] [CrossRef]
  5. Chen, H.; Wu, Z.; Hong, B. Study on the affecting factors of material removal mechanism and damage behavior of shear rheological polishing of single crystal silicon carbide. J. Manuf. Process. 2024, 112, 225–237. [Google Scholar] [CrossRef]
  6. Chen, H.; Wang, L.; Peng, F. Hydrogen retention and affecting factors in rolled tungsten: Thermal desorption spectra and molecular dynamics simulations. Int. J. Hydrogen Energy 2023, 48, 30522–30531. [Google Scholar] [CrossRef]
  7. Liu, J.-Y.; Li, W.-H.; Li, X.-H.; Yang, S.-Q.; Wen, X.-J.; Wu, R.-X. Research progress of metal additive manufacturing finishing technology for aviation parts. Surf. Technol. 2023, 52, 20–41. [Google Scholar]
  8. Ma, N.; You, Y.-Q. Electropolishing of TI-6Al-4V titanium alloy by selective laser melting in sulfamic acid-formamide solution. Plat. Finish. 2021, 40, 65–70. [Google Scholar]
  9. Wei, Z.; Lu, X.; Liu, Y.; Pan, G.; Luo, J. Inhibitors for organic phosphonic acid system abrasive free polishing of Cu. Appl. Surf. Sci. 2009, 255, 4114–4118. [Google Scholar] [CrossRef]
  10. Li, D.-Y. Electrochemical Polishing Mechanism and Influencing Factors of Copper in Phosphoric acid System. Ph.D. Thesis, Harbin University Technology, Harbin, China, 2014. [Google Scholar]
  11. Li, X.-J.; Guo, D.-M.; Kang, R.-K.; Jin, Z.-J. Electrochemical behavior of copper polishing slurry. J. Harbin Inst. Technol. 2008, 7, 1144–1147. [Google Scholar]
  12. Shan, K.; Zhou, P.; Cai, J.; Kang, R.; Shi, K.; Guo, D. Electrogenerated chemical polishing of copper. Precis. Eng. 2015, 39, 161–166. [Google Scholar] [CrossRef]
  13. Zhang, M.-L. Basic Experimental Study on Electrochemical Machining of Titanium Alloy. Master’s Thesis, Nanjing University of Aeronautics and Astronautics, Nanjing, China, 2008. [Google Scholar]
  14. Wei, Y.; Fang, X.; Qu, N.; Zhu, D. Effects of electrolyte flushing and surface state on electropolishing TB2 titanium Alloy. Int. J. Adv. Manuf. Technol. 2022, 119, 7865–7874. [Google Scholar] [CrossRef]
  15. Fan, L.-X.; Li, M.; Jia, J. Preparation of titanium Alloy EBSD samples by electrolytic polishing. Phys. Test. 2018, 36, 37–41. [Google Scholar]
  16. Wang, L.; Wu, R.-Z.; Niu, L.; An, Z.; Jin, Z. Electrochemical mechanical polishing of silicon carbide crystals. Diam. Abras. Abras. Tool. Eng. 2022, 42, 504–510. [Google Scholar]
  17. Chen, G.-M.; Du, C.-K.; Ni, Z.-F.; Bian, D.; Wang, H.; Zhang, P.; Zhang, X. Effect of complexing agent on chemical mechanical polishing of 316L stainless steel. Diam. Abras. Abras. Tool. Eng. 2022, 42, 753–759. [Google Scholar]
  18. Pang-Yan, H.-T. Research on Key Technology of Electrochemical Machining of Titanium Alloy Cascade. Master’s Thesis, Xi’an Technological University, Xi’an, China, 2023. [Google Scholar]
  19. Yu, N.; Fang, X.-L.; Zeng, Y.-B.; Zou, X.-H. Experimental study on micro electrochemical machining of Ti-6Al-4V in NaCl-ethylene glycol solution. Electr. Mach. Mold. 2018, 1, 25–29. [Google Scholar]
  20. Sun, Y.-B.; Zhou, K.-R.; Ma, J.-H.; Ma, D.-D.; Xie, Y.-Q. Effect of process parameters on electrochemical machining rate and machining Quality of TI-6Al-4V titanium alloy. Surf. Technol. 2018, 47, 307–313. [Google Scholar]
  21. Jacquet, P.A. Electrolytic method for obtaining bright copper surfaces. Nature 1935, 135, 1076. [Google Scholar] [CrossRef]
  22. Datta, M.; Vercruysse, D. Transpassive dissolution of 420 stainless steel in concentrated acids under electropolishing conditions. J. Electrochem. Soc. 1990, 137, 3016–3023. [Google Scholar] [CrossRef]
  23. Lohser, J.R. Evaluation of Electrochemical and Laser Polishing of Selectively LaserMelted 316L Stainless Steel. Ph.D. Thesis, California Polytechnic State University, San Luis Obispo, CA, USA, 2018. [Google Scholar]
  24. Yao, Y.-S.; Zhou, R.-G.; Zhang, C.-L.; Mei, T.; Wu, M. Surface polishing technology for additive manufacturing of complex metal components. Acta Aeronaut. Astronaut. Sin. 2022, 43, 244–256. [Google Scholar]
  25. Wang, S.; Wang, Y.; Zou, Y.; Wu, Y.; Chen, G.; Ouyang, J.; Jia, D.; Zhou, Y. A self-adjusting PTFE/TiO2 hydrophobic double-layer coating for corrosion resistance and electrical insulation. Chem. Eng. J. 2020, 402, 126116. [Google Scholar] [CrossRef]
  26. Zou, Y.; Wang, Y.; Xu, S.; Jin, T.; Wei, D.; Ouyang, J.; Jia, D.; Zhou, Y. Superhydrophobic double-layer coating for efficient heat dissipation and corrosion protection. Chem. Eng. J. 2019, 362, 638–649. [Google Scholar] [CrossRef]
  27. Xu, Z.-L. Crystallization Kinetics of Sodium Chloride in Ethylene Glycol Solution. Master’s Thesis, Southwest Petroleum University, Chengdu, China, 2015. [Google Scholar]
Figure 1. Two-dimensional simulation model of microgroove electrochemical polishing.
Figure 1. Two-dimensional simulation model of microgroove electrochemical polishing.
Processes 12 01114 g001
Figure 2. Grid division.
Figure 2. Grid division.
Processes 12 01114 g002
Figure 3. Curve of the removal amount at the bottom of the microgroove with time under different processing voltages: (a) 30 V; (b) 50 V; (c) 70 V; (d) 90 V.
Figure 3. Curve of the removal amount at the bottom of the microgroove with time under different processing voltages: (a) 30 V; (b) 50 V; (c) 70 V; (d) 90 V.
Processes 12 01114 g003
Figure 4. Distribution of electric field and current density after 600 s under processing at 90 V: (a) electric field distribution; (b) current density distribution.
Figure 4. Distribution of electric field and current density after 600 s under processing at 90 V: (a) electric field distribution; (b) current density distribution.
Processes 12 01114 g004
Figure 5. Schematic of the experimental electrochemical polishing platform for microgroove titanium alloys.
Figure 5. Schematic of the experimental electrochemical polishing platform for microgroove titanium alloys.
Processes 12 01114 g005
Figure 6. Comparison of microgroove and unilateral groove polishing.
Figure 6. Comparison of microgroove and unilateral groove polishing.
Processes 12 01114 g006
Figure 7. Schematic of microgroove fixture.
Figure 7. Schematic of microgroove fixture.
Processes 12 01114 g007
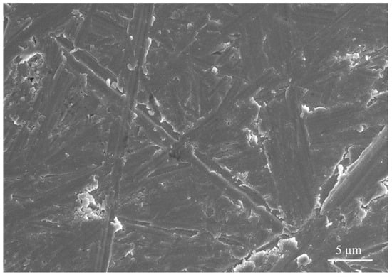
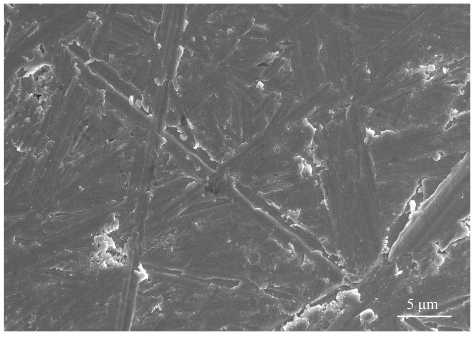
Figure 8. Surface morphology of the sample after pretreatment.
Figure 8. Surface morphology of the sample after pretreatment.
Processes 12 01114 g008
Figure 9. Potentiodynamic polarization curves of TI−6AL−4V alloy in different electrochemical polishing solutions.
Figure 9. Potentiodynamic polarization curves of TI−6AL−4V alloy in different electrochemical polishing solutions.
Processes 12 01114 g009
Figure 10. Corrosion current density and corrosion potential in different electrochemical polishing solutions.
Figure 10. Corrosion current density and corrosion potential in different electrochemical polishing solutions.
Processes 12 01114 g010
Figure 11. Surface morphology of the TI–6Al–4V alloy after polishing with different electrochemical polishing solutions: (a) HClO4—CH3COOH solution; (b) HClO4—CH3OH—C2H6O2 solution; (c) 4.0 wt.% NaNO3 solution; (d) 4.0 wt.% NaCl solution; (e) 4.0 wt.% NaCl + 0.2 wt.% ZnCl2 solution.
Figure 11. Surface morphology of the TI–6Al–4V alloy after polishing with different electrochemical polishing solutions: (a) HClO4—CH3COOH solution; (b) HClO4—CH3OH—C2H6O2 solution; (c) 4.0 wt.% NaNO3 solution; (d) 4.0 wt.% NaCl solution; (e) 4.0 wt.% NaCl + 0.2 wt.% ZnCl2 solution.
Processes 12 01114 g011
Figure 12. Simplified schematic of the detection area.
Figure 12. Simplified schematic of the detection area.
Processes 12 01114 g012
Figure 13. Simplified diagram of electrolyte flow direction.
Figure 13. Simplified diagram of electrolyte flow direction.
Processes 12 01114 g013
Figure 14. Surface roughness of the TI–6Al–4V alloy at different electrolyte flow rates.
Figure 14. Surface roughness of the TI–6Al–4V alloy at different electrolyte flow rates.
Processes 12 01114 g014
Figure 15. Surface morphology of the TI–6Al–4V alloy under different electrochemical polishing flow rates: (a) 0 m/s; (b) 0.1 m/s; (c) 0.15 m/s; (d) 0.20 m/s; (e) 0.25 m/s.
Figure 15. Surface morphology of the TI–6Al–4V alloy under different electrochemical polishing flow rates: (a) 0 m/s; (b) 0.1 m/s; (c) 0.15 m/s; (d) 0.20 m/s; (e) 0.25 m/s.
Processes 12 01114 g015
Figure 16. Surface roughness of the TI–6Al–4V alloy at different NaCl concentrations.
Figure 16. Surface roughness of the TI–6Al–4V alloy at different NaCl concentrations.
Processes 12 01114 g016
Figure 17. Surface morphology of the TI–6Al–4V alloy at different NaCl concentrations: (a) 1.0 wt.%; (b) 2.0 wt.%; (c) 3.0 wt.%; (d) 4.0 wt.%; (e) 5.0 wt.%.
Figure 17. Surface morphology of the TI–6Al–4V alloy at different NaCl concentrations: (a) 1.0 wt.%; (b) 2.0 wt.%; (c) 3.0 wt.%; (d) 4.0 wt.%; (e) 5.0 wt.%.
Processes 12 01114 g017
Figure 18. Surface roughness of the TI–6Al–4V alloy at different ZnCl2 concentrations.
Figure 18. Surface roughness of the TI–6Al–4V alloy at different ZnCl2 concentrations.
Processes 12 01114 g018
Figure 19. Surface morphology of the TI–6Al–4V alloy at different ZnCl2 concentrations: (a) 0.2 wt.%; (b) 0.4 wt.%; (c) 0.6 wt.%; (d) 0.8 wt.%; (e) 1.0 wt.%.
Figure 19. Surface morphology of the TI–6Al–4V alloy at different ZnCl2 concentrations: (a) 0.2 wt.%; (b) 0.4 wt.%; (c) 0.6 wt.%; (d) 0.8 wt.%; (e) 1.0 wt.%.
Processes 12 01114 g019
Figure 20. Polarization curves of the TI–6Al–4V alloy for different concentrations of the ZnCl2 solution.
Figure 20. Polarization curves of the TI–6Al–4V alloy for different concentrations of the ZnCl2 solution.
Processes 12 01114 g020
Figure 21. Surface roughness of the TI–6Al–4V alloy for different electrochemical polishing times.
Figure 21. Surface roughness of the TI–6Al–4V alloy for different electrochemical polishing times.
Processes 12 01114 g021
Figure 22. Surface morphology of the TI–6Al–4V alloy for different electrochemical polishing times: (a) 6 min; (b) 7 min; (c) 8 min; (d) 9 min; (e) 10 min.
Figure 22. Surface morphology of the TI–6Al–4V alloy for different electrochemical polishing times: (a) 6 min; (b) 7 min; (c) 8 min; (d) 9 min; (e) 10 min.
Processes 12 01114 g022
Figure 23. Surface roughness of the TI–6Al–4V alloy under different electrochemical polishing voltages.
Figure 23. Surface roughness of the TI–6Al–4V alloy under different electrochemical polishing voltages.
Processes 12 01114 g023
Figure 24. Surface morphology of the TI–6Al–4V alloy under different electrochemical polishing voltages: (a) 30 V; (b) 50 V; (c) 70 V; (d) 90 V.
Figure 24. Surface morphology of the TI–6Al–4V alloy under different electrochemical polishing voltages: (a) 30 V; (b) 50 V; (c) 70 V; (d) 90 V.
Processes 12 01114 g024
Figure 25. Surface roughness of TI–6Al–4V microgrooves with different aspect ratios under optimal process parameters.
Figure 25. Surface roughness of TI–6Al–4V microgrooves with different aspect ratios under optimal process parameters.
Processes 12 01114 g025
Figure 26. Surface morphology of TI–6Al–4V microgrooves with different aspect ratios under the optimal process parameters: (a) 1:1; (b) 2:1; (c) 3:1; (d) 4:1; (e) 5:1.
Figure 26. Surface morphology of TI–6Al–4V microgrooves with different aspect ratios under the optimal process parameters: (a) 1:1; (b) 2:1; (c) 3:1; (d) 4:1; (e) 5:1.
Processes 12 01114 g026
Figure 27. EDS profiles of the TI–6Al–4V microgroove surface before and after polishing: (a) before polishing; (b) after polishing.
Figure 27. EDS profiles of the TI–6Al–4V microgroove surface before and after polishing: (a) before polishing; (b) after polishing.
Processes 12 01114 g027
Figure 28. Surface element pattern of the TI–6Al–4V alloy after polishing.
Figure 28. Surface element pattern of the TI–6Al–4V alloy after polishing.
Processes 12 01114 g028
Figure 29. Microtopography of groove bottom after polishing.
Figure 29. Microtopography of groove bottom after polishing.
Processes 12 01114 g029
Figure 30. Material removal rate of microgrooves with different sizes.
Figure 30. Material removal rate of microgrooves with different sizes.
Processes 12 01114 g030
Table 1. Electrochemical simulation parameters.
Table 1. Electrochemical simulation parameters.
ParameterNumerical Value
Exchange current density (A/cm2)4.137 × 10−5
Anodic transfer coefficient1.5
Cathode transfer coefficient0.5
Titanium ion reference concentration (mol/L)0.001
Diffusion coefficient of titanium ions (cm2/s)10−6
Solution conductivity (S/m)7
Machining gap (mm)10
Voltage (V)30, 50, 70, 90
Faraday constant (C/mol)9.65 × 104
Table 2. Composition parameters of pickling solution.
Table 2. Composition parameters of pickling solution.
Name of SolutionSolution ComponentContent (mL/L)
Acid pickleHNO3, 65 wt.%210 mL/L
HF, 40 wt.%70 mL/L
Table 3. Experimental conditions.
Table 3. Experimental conditions.
Experimental ParametersNumerical Value
NaCl concentration4.0
ZnCl2 concentration0.4
Polishing time (min)8
Voltage (V)90
Flow rate (m/s)0, 0.1, 0.15, 0.20, 0.25
Table 4. Experimental conditions.
Table 4. Experimental conditions.
Experimental ParametersNumerical Value
NaCl concentration1.0, 2.0, 3.0, 4.0, 5.0
ZnCl2 concentration0.4
Polishing time (min)8
Voltage (V)90
Flow rate (m/s)0.20
Table 5. Experimental conditions.
Table 5. Experimental conditions.
Experimental ParametersNumerical Value
NaCl concentration4.0
ZnCl2 concentration0.2, 0.4, 0.6, 0.8, 1.0
Polishing time (min)8
Voltage (V)90
Flow rate (m/s)0.20
Table 6. Experimental conditions.
Table 6. Experimental conditions.
Experimental ParametersNumerical Value
NaCl concentration4.0
ZnCl2 concentration0.4
Polishing time (min)6, 7, 8, 9, 10
Voltage (V)90
Flow rate (m/s)0.20
Table 7. Experimental conditions.
Table 7. Experimental conditions.
Experimental ParametersNumerical Value
NaCl concentration4.0
ZnCl2 concentration0.4
Polishing time (min)8
Voltage (V)30, 50, 70, 90
Flow rate (m/s)0.20
Table 8. Experimental conditions.
Table 8. Experimental conditions.
Experimental ParametersNumerical Value
NaCl concentration4.0
ZnCl2 concentration0.4
Polishing time (min)8
Voltage (V)90
Flow rate (m/s)0.20
Depth-to-width ratio1:1, 2:1, 3:1, 4:1, 5:1
Disclaimer/Publisher’s Note: The statements, opinions and data contained in all publications are solely those of the individual author(s) and contributor(s) and not of MDPI and/or the editor(s). MDPI and/or the editor(s) disclaim responsibility for any injury to people or property resulting from any ideas, methods, instructions or products referred to in the content.

Share and Cite

MDPI and ACS Style

Wang, X.; Wang, Y.; Shao, X.; Zhou, K.; Deng, Q.; Yuan, Z.; Lyu, B. Electrochemical Polishing Method for Titanium Alloys with a Microgroove Structure. Processes 2024, 12, 1114. https://doi.org/10.3390/pr12061114

AMA Style

Wang X, Wang Y, Shao X, Zhou K, Deng Q, Yuan Z, Lyu B. Electrochemical Polishing Method for Titanium Alloys with a Microgroove Structure. Processes. 2024; 12(6):1114. https://doi.org/10.3390/pr12061114

Chicago/Turabian Style

Wang, Xu, Yekun Wang, Xuanda Shao, Kaiyao Zhou, Qianfa Deng, Zewei Yuan, and Binghai Lyu. 2024. "Electrochemical Polishing Method for Titanium Alloys with a Microgroove Structure" Processes 12, no. 6: 1114. https://doi.org/10.3390/pr12061114

APA Style

Wang, X., Wang, Y., Shao, X., Zhou, K., Deng, Q., Yuan, Z., & Lyu, B. (2024). Electrochemical Polishing Method for Titanium Alloys with a Microgroove Structure. Processes, 12(6), 1114. https://doi.org/10.3390/pr12061114

Note that from the first issue of 2016, this journal uses article numbers instead of page numbers. See further details here.

Article Metrics

Back to TopTop