Abstract
The steels from which the components of mining machinery are constructed must be based primarily on knowledge of their behaviour under environmental conditions and of the excavation technology. Secondly, the structural changes undergone by the materials due to mechanical and thermal processing and the stresses generated by the action of excavation forces that can induce internal stresses at a level that is difficult to determine must be taken into account. Determining the level of structural and mechanical degradation involves sampling the load-bearing structure elements of the excavation and storage machinery for analysis of the mechanical and chemical properties of the component materials. The paper focuses on issues related to the structural and mechanical degradation of steel as a material for parts of mining machinery. In this paper, a methodology for evaluating the degree of structural degradation of three types of bucket wheel excavators with different operating hours (ERc 1400-30/7-07 with 50,400 h, ERc 1400-30/7-08 with 69,264 h, and SRs 1300-26/3.5 with 112,000 h) is proposed. The methodology aims to provide a quantitative assessment of the structural degradation by considering the specific elastic limit of the material used in the machines and the number of hours of operation. This method uses a minimum set of destructive mechanical tests, such as tensile, resilience for three working temperatures, chemical analysis, and durometry on resistance elements taken from the machine, as well as the use of Weibull analysis. By combining this information with the number of hours of operation, a comprehensive evaluation can be made to determine the extent of degradation and potential maintenance requirements. The use of a minimum set of mechanical tests ensures an efficient and cost-effective approach to assessing the structural integrity of these machines. The metallographic analysis highlighted a predominant and defined form of grain rearrangement in the E14-07 machine after only 50,400 h. The constituents identified in the samples taken from the three machines are ferrite and pearlite. The highest hardness of the samples was recorded for the E14-08 machine, with values between 162–165 HV10. For bucket wheel excavators E14-07 and E14-08, the material structure showed elongated grains in the direction of deformation, compared to the material structure of E13-04, which has finely equiaxed grains. As a result of the research, final conclusions were formulated.
    1. Introduction
Any surface mining machine must meet the requirements and standards corresponding to its operating environment. In addition to these requirements, it must be taken into account that the loss of mechanical and structural properties results in the weakening and lowering of the safety level [,,,,,].
The machines used in open-pit mines are typically equipped with large buckets or shovels to extract the desired minerals or materials from the earth’s surface. They are designed to efficiently handle heavy loads, making them essential in the extraction and transportation processes of opencast mining operations. Additionally, these machines play an important role in ensuring the productivity and profitability of mining projects by streamlining the overall workflow and reducing manual labour requirements [,]. These machines are complex and movable machines that work in different geological and mining conditions. In the load-bearing structure of mining equipment, cracks appear in the material, generated over time under the action of variable stresses that develop during excavation. The premature damages and fractures of the part components, or of the whole structure can lead to significant downtime and costly repairs for mining operations. It is important for manufacturers to invest in thorough research and development to ensure robust designs and high-quality materials are used in the construction of mining machines []. Due to the structural and mechanical degradation of the material, there is a risk of losing the structural integrity, reducing the time of use, and operating a mining machine in safe and stable conditions. One way to extend the life of surface mining machines is to upgrade the main elements of these machines. The costs of these machines are very high, which is why most of the time they are included in a process to extend their working life. In their work [], the authors developed a unique numerical-experimental method for estimating the residual life of these machines and analysing the weak areas [,,,]. At the same time, the authors propose solutions to modernize the mechanical units and structural parts, which can reduce the negative impact of the new operating conditions on the mining machine []. There are numerous studies on the behaviour of this mechanical material frequently used in the construction of the component parts of mining equipment [,,], the failure behavior and the degree of wear of the component material of the load-bearing structure of heavy machinery [], deformation characteristics [], the stresses applied to some component parts of the excavators [,,].
Coal handling and excavation machines, due to their specificity, work in a dynamic regime, acting on both atmospheric factors and the external and internal tensions generated by the cutting forces []. After the standard operating life expires, an analysis of the load-bearing structure is necessary to determine the actual state of the mechanical stresses in order to establish the remaining life and the conditions for continued operation in complete safety []. These machines are typically used in large-scale mining operations where the extraction of minerals or resources from the earth’s surface is required. They are designed to efficiently remove overburden, extract valuable materials, and transport them to designated areas for further processing. Additionally, these machines play a crucial role in ensuring the safety and productivity of mining operations by minimizing manual labour and increasing operational efficiency [,].
The extraction of lignite in the coal deposits of Oltenia is carried out using continuous mining systems consisting of rotary excavators, high-capacity belt conveyors, dump trucks, and equipment for depositing and removing coal in coal deposits.
For the extraction of lignite from the Oltenia coal basin in Romania, two types of machines are used: ERc 1400-30/7(KRUPP Company, Federal Republic of Germany), with the largest weight, and for quarries with smaller excavation perimeters, SRs 1300-26/3.5 (KRUPP Company, Federal Republic of Germany). These two types of machines are differentiated by the following structural elements, taking into consideration only the material from which the load-bearing metal construction of the machine was made and the related standards (without discussing the excavation capacity, the drive mechanisms of the bucket wheel, or other similar elements): (a) ERc 1400-30/7 has the basic model of the excavator type Sch 1400/7-30 made by the company KRUPP, Federal Germany. The material used is: St52 for highly demanded resistance elements; St37 for less demanding strength elements; materials with characteristics according to DIN 17100; for design DIN 2261-2; and for commissioning and technical verification DIN 2261-1. The machine was assimilated in Romania under the name of ERc 1400-30/7-00, where 00 represents the number of the machine from the respective lignite quarry, using the same standards of design and technical realization but using construction steel produced in Romania: OL52.3 and OL 37.2 with the mechanical and chemical characteristics according to STAS 500-2/1978. At that time, in 1978, the relevant ministry and the relevant research institutes developed STAS 500-2-related technical data sheets for the mechanical, chemical, fatigue characteristics, or similarity to other international standards of construction steels for such machines. SRs 1300-26/3.5 were produced by the company TAKRAF, not assimilated in Romania, but produced in East Germany and assembled in the lignite quarries in Romania, where it still operates today. The material used is steel type: St38 and St52, TGL 13472 design standard, respectively, TGL13500 material standard.
Since the creation of these machines required high costs, for a good operation in safe conditions (or the modernization of the machine), it was necessary to carry out technical expertise to extend the remaining life span. Thus arises the problem of establishing a methodology for estimating the degree of structural degradation of the steel from the load-bearing resistance elements of the machinery and comparing it with the norms from the period of the machinery’s execution since there were no witness samples of the material used in its execution.
In the paper, a methodology for evaluating the degree of structural degradation of these types of machines is proposed. This assessment was carried out according to the elastic limit of the material and the number of hours of operation, using a minimum set of mechanical tests because the number of samples and the possibility of sampling from these machines are limited. For this purpose, we considered a number of three machines: E14-07 (abbreviation from ERc 1400-30/7-08) with a number of 50,400 h since commissioning, E14-08 with a number of 69,264 at commissioning, and E13-04 (abbreviation from machine type SRs 1300-26/3.5) with a number of 112,000 h from commissioning. As they are all bucket wheel excavators, and for ease of writing, these abbreviations have been agreed upon (E excavator). 
The sampling of the material for the execution of the samples was done following a finite element analysis of the load-bearing structure under the action of the maximum moment allowed by the machine’s overload coupling. For evaluation, we have established the following types of analysis:
- Metallographic Analysis: The structural details of the steel are examined, including dimensions and phase distribution, grain size, and any defects or cracks.
 - Tensile Analysis: Parameters such as yield strength, tensile strength, elongation, and reduction in cross-section are measured to evaluate the mechanical properties of the steel. Significant variations from the original specifications may indicate structural degradation.
 - Chemical Analysis: Significant deviations from nominal composition may indicate corrosion or other degradation processes.
 - Resilience Analysis: The energy absorbed during breaking is measured to assess the material’s ability to withstand intense loading conditions. The results may express susceptibility to cracking or brittleness, which may indicate structural degradation.
 - Analysis of the local hardening estimator (∆HV10) to see if there are local variations in hardness in the fracture zone of the material and if there are differences in hardness.
 
In order to evaluate the degree of structural degradation of steel according to the time of operation, we used the Weibull analysis, with the essential assumption that there is a relationship between the lifetime of the material and the time it spent in operation.
2. Macroscopic and Microscopic Deformation of Steel Elements
The metal materials used to a large extent in the mechanical construction of mining machinery are subjected during use to the action of mechanical loads—random excavation forces [,,,,]. Excavation in an inhomogeneous and anisotropic material with different interlayers makes the cutting force diagram random, Figure 1, in the excavation process [].
      
    
    Figure 1.
      Diagram of rotor cutting force intensities: (a) the action of the force on a single point on the rotor; (b) the action of the forces system on the rotating space.
  
As a result of the action of external forces, internal forces or mechanical stresses are created in the parts, which after a certain number of repetitions (cycles), depending on their intensity and the variation of their amplitude, can lead to the part breaking [,,,].
Although, if the stress is equivalent to the static tensile stress, it may be difficult to understand why breakage occurs when the stress amplitude is less than the yield strength. The reason is explained starting from the stress-strain curve without introducing the influence of random vibrations generated into the analysis. On this curve, the characteristic points that express the upper and lower yield strengths and the tensile strength can be distinguished. The yield strength is commonly considered to be the area where plastic deformation begins. In other words, one might think that plastic deformation occurs just below the yield point. However, it is found that some of the grains start to deform plastically at a stress much lower than the yield point (if the yield point is denoted by σc, then the strain initiation stress of the grains is about σc/3.
3. Methods for Determining the Mechanical Strength Characteristics of Component Materials
The laboratory mechanical tests were carried out on specimens, made from material taken from the arm—cup wheel subassembly, a component subassembly of the following machines, Table 1 [].
       
    
    Table 1.
    Tools for mechanical properties analysis [].
  
The used equipment was a Metacut M250 (equipment from the laboratory of the University of Petrosani) sample cutting machine, a Metapress A sample embedding machine, a Forcipol 2 grinding and polishing machine, a Nikon MA100 metallographic microscope, and a Vickers Hardness Tester CV-405DAT. In order to highlight the peculiarities of the behaviour of mechanically stressed polycrystalline metallic materials, reference tests are used [,,]:
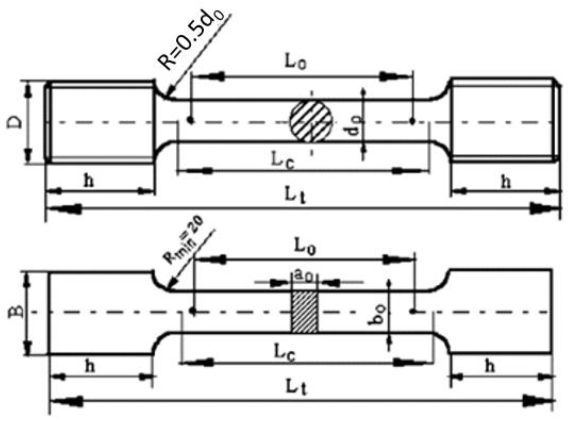
- Tensile test, which is carried out on specimens, with the shape and dimensions prescribed in SR EN 10002, Figure 2. The specimens were made of material taken from the arm-holder wheel subassembly, for the machines listed in Table 1, with the shape in Figure 3: a-material taken from the machine elbow, b-flat specimens, and cylindrical specimens []. All these were executed according to the standards. A hydraulic universal testing machine is used for this test.
 
      
    
    Figure 2.
      Tensile test specimens.
  
      
    
    Figure 3.
      Traction specimens: (a) sampled material; (b) flat specimens; (c) round specimens (where: T—tensile specimens; I—shock bending specimens; M—metallographic sample).
  
- 2.
 - Shock bending test []—highlights the peculiarities of the fracture behaviour of metallic materials at different temperatures. The conditions and the manner of carrying out the impact bending test and the mechanical characteristics that can be determined by this test are regulated by SR EN 10045-1/1993 (the standard used at the time the analysis was carried out). Depending on the shape of the notch, specimens can be: (a) V-shaped notch, where the notch has a depth of 2 mm, an opening angle of 450 and a radius of rounding at the tip of 0.25 mm, Figure 4a; (b) U-shaped notch, where the notch has a depth of 5 mm and a radius at the tip of 1 mm, Figure 4b [,].
      
    Figure 4. Specimen with notch: (a) in V; (b) in U. 
For the analysis, specimens with a V-notch were used. Figure 5 shows the re-sealed V-notch specimens made in 4 pieces for each of the temperatures: −20 °C, −10 °C and +20 °C.
      
    
    Figure 5.
      Specimens with a V-notch for shock bending analysis.
  
For the analysed mining equipment, we considered that this shape of the specimens’ best corresponds to the intended purpose because, by the action of the efforts on them, a tension concentrator is created in the area of the peak of the notch. This stress concentrator can amplify the effects of a defect or pre-existing crack, allowing a more accurate assessment of the bending behaviour under critical conditions. In addition, the V-notch specimens offer a standardized geometry, which contributes to the reproducibility of the results. A machine called a Charpy pendulum hammer is used to perform the impact bending test. The temperature drop for the test specimens at −20 °C will be carried out in a cryogenic plant (minimum temperature at −40 °C) and the temperature will be measured with an infrared thermometer type TESTO 845.
      
- 3.
 - The metallographic structure of a steel can be composed of several components, including grains, phases, precipitates, inclusions and grain boundaries In order to be able to analyse metallographically, preparatory operations will be carried out:
- sampling: from the same material from which the specimens for the other tests were made;
 - sample preparation by grinding and polishing: samples with dimensions of 20 × 30 × 10 mm mechanically machined on the 20 mm side;
 - metallographic attack with reagents, on steels: pearlite appears dark, ferrite remains white, we used as reagent: nital—nitric acid, concentration 1–5 mL, ethyl alcohol 100 mL.
 
 
The metallographic sample is a small portion of metal, taken from a metallic material, prepared in advance for metallographic analysis, Figure 6. For example, for the E14-07 machine, the samples are taken from the bracing taken from the bucket wheel arm of the excavator (Figure 6), and the cutting is done only mechanically through continuous cooling. For identification, they were marked with M 1, M2, M3 (M—Metallography, 1—sample number). In Figure 6, sample M3 can be seen from where it was taken. As mentioned, the sampling is done according to the stress magnitude determined by the finite element method.
      
      
    
    Figure 6.
      Sample plotting for metallographic samples.
  
- 4.
 - Hardness tests—Hardness is the property of materials to resist the penetration of hard bodies into their surface which tend to deform their surface.
 
The purpose of hardness testing is to assess local hardness across the thickness of the samples. This is an estimator for assessing the development of hard structural phases and constituents which may contribute to the occurrence of embrittlement-cracking phenomena when there is pronounced local hardening (by determining the local hardening estimator ΔHV10 and comparing its value with a value of 50%). It is considered that if ΔHV10 ≥ 50% in the examined areas, pronounced local hardening phenomena develop with inhomogeneous hard structures contributing to the occurrence of embrittlement-cracking phenomena.
Estimation of local hardening of the analysed steels on the areas of the load-bearing structure or on the samples taken is performed with the relation [,,,]:
      
        
      
      
      
      
    
      in which: HV10max is the maximum hardness in one area of the material (non-alloy steel); HV10min is the minimum hardness in another area of the material (non-alloy steel).
It is considered that if ΔHV10 ≥ 50%, in the areas analysed, accentuated structural hardening-fragilization phenomena have developed, with a high risk of producing brittle fractures. Figure 7 shows how to measure hardness on specimens.
      
    
    Figure 7.
      Hardness measurement on flat specimens: (a) before breakage; (b) after breakage.
  
The metallic materials used for the production of the machines in collaboration with F.R. of Germany(Essen, Germany) are (Table 2): for bracing St 37, respectively for load-bearing beams St 52; D.R. of Germany(Essen, Germany): St 38, St 52 (KT52), and those of indigenous production OL 37 respectively OL 52. 4 for load-bearing elements, have the mechanical characteristics in Table 3 and the chemical composition in Table 3. The correspondence of standards in Table 2 is given by the technical files of the relevant ministry and the Materials Research Institute for construction steels from the year 1978, as a supplement to STAS 500/2-1978, since certain machines were made in cooperation with the RD Germany, TAKRAf Company(Leipzig, Germany), respectively with the RF Germany, KRUPP Company(Essen, Germany).
       
    
    Table 2.
    Standards correspondence.
  
       
    
    Table 3.
    Mechanical characteristics and chemical composition of steels.
  
In addition to the mechanical characteristics of metallic materials for a structural analysis, other characteristics such as austenitic grain size, the amount of non-metallic inclusions and the amount of phases and constituents must be known (STAS 7626–79, respectively, STAS 5500–74). 
Depending on the size of the austenitic grain, common steels are classified into: coarse-grained steels (N = 1–3); medium-grained steels (N = 4–6); fine-grained steels (N = 7–10). 
A fine austenitic grain size—ensures high tensile strength values, high toughness, good plastic deformation and low cold brittleness tendency, low hardening deformation, low exfoliation, low hardening cracking tendency, low internal hardening stresses, small amounts of residual austenite. On the other hand, machining (after normalization) is poor, hardenability is low, tendency to form soft spots, poor carburizing behaviour.
On the other hand, coarse austenitic grain size—ensures good machining, high values of hardenability and creep resistance (creep is the property of materials to deform slowly and continuously under constant load), low tendency to staining, good carburizing behaviour.
Non-metallic inclusions in steels are particles originating from the technological processes of processing and casting. They worsen the properties of metallic materials, with the exception of MnS which improve the machining properties of steel [].
Structural reserve in steel is a measure of the remaining structural capacity of a steel element after it has suffered degradation or deterioration (after a certain number of operating hours), depending on the working conditions and environment. The structural reserve (RS%) remaining after a given number of hours can be determined by the percentage difference between the average value of the yield strength determined on specimens (VMep) and the standard value of the yield strength according to the standards (VSstas).
4. Results of Mechanical and Structural Testing
It will be carried out for the two groups of machines described in Table 1, i.e., excavation machines operating in lignite quarries for the excavation of sterile/lignite.
4.1. Tensile Test Analysis
Tensile test analysis was carried out on specimens at ambient temperature using a universal testing machine. With the data on the number of operating hours and the average yield strength determined experimentally on specimens from Table 4, the graph of the structural reserve is plotted in Figure 8, using Weibull analysis.
       
    
    Table 4.
    Cumulative tensile test results.
  
      
    
    Figure 8.
      Weibull analysis for cumulative results, tensile test: (a) structural reserve depending on the yield limit and operating hours; (b) percentage of structural degradation.
  
In the context of structural degradation, Weibull analysis can be applied to estimate and evaluate the probability of deterioration of a material or structural component as a function of time or another relevant variable. The estimated Weibull parameters, shape (k) and scale (λ), for each machine provide information about the shape and scale of the Weibull distribution associated with the structural degradation of that material. The shape (k) is an indicator of the shape of the Weibull distribution. The value of k influences how the probability of failure varies over time. If k > 1, failures become more and more likely with time. This indicates an accelerated degradation over time. Scale (λ) represents the scaling parameter and provides a measure of the characteristic duration of the degradation process. The higher λ, the slower the degradation. The estimated Weibull parameters are presented in Table 5.
       
    
    Table 5.
    The estimated Weibull parameters for each machine.
  
The following results from the analysis of the values obtained:
- For E14-07, we have a large shape (k), indicating a lower risk of premature failure, and a relatively small scale (λ), indicating a faster degradation;
 - For E14-08, we have a larger shape and scale, suggesting a longer lifetime and slower degradation;
 - For E13-04, we have an intermediate shape and smaller scale, indicating relatively rapid degradation but with a moderate risk of premature failure.
 
The tensile specimen breaking section, Figure 9, shows the shape for ductile materials, which have a prior plastic deformation type con-cup and a fibrous matte appearance in the central breaking area, Figure 8, for specimens (a), (b), for sprues (c) machine ERc1300-04, have a plastic deformation type con-cup, the cup has a shallower depth with a matte to glossy appearance (c).
      
    
    Figure 9.
      Tensile specimen breakage sections: (a) ERc1400-07/50,400 h; (b) ERc1400-08/69,264 h; (c) SRs1300-04/112,000 h.
  
4.2. Local Hardness Estimator Analysis ∆HV10
HV10 refers to Vickers hardness measured with a force of 10 (kgf). This measurement is often used to assess the hardness of material surfaces, including steel. The values of the estimator ∆HV10, are shown cumulatively in Table 6 and calculated with relation (1), for all samples taken from the elongation of excavation machines, which show values below 50%, attesting that no pronounced local hardening occurs in characteristic areas, even after a period of 112,000 h of operation. 
       
    
    Table 6.
    ∆HV10 estimator values.
  
For the accuracy of the measurements, the hardness is taken as close as possible to the breaking zone, but within 5 mm of the edge of the breaking zone.
An increase in local hardening can be observed, much less than ∆H10 = 50%, an increase in grain size, Figure 10, after a certain number of operating hours.
      
    
    Figure 10.
      Evolution of the local hardening estimator ∆H10 depending on the number of operating hours.
  
4.3. Metallographic Analysis
The metallographic structure of a steel refers to the microscopic appearance and arrangement of its metallic components [,]. To examine the metallographic structure of a steel, the optical microscope or scanning electron microscope is usually used.
The microstructure of carbon steels is revealed by metallographic etching of polished samples with NITAL reagent (2–5% nitric acid in ethyl alcohol).
From the metallographic analysis it results that with increasing machine life the austenite grain size increases as density per unit of measure, Table 7. Although the structure on the deformation direction becomes more deformation, a finer and finer structure, the hardness estimator increases greatly taking the material towards the plasticity zone, (c). The increase of the operating time causes at the metallographic level on the stress direction (a), (b) the austenite grain to re-spread but also an increase of its size due to the number of operating cycles, its re-spread when the material moves towards the plasticity zone (tends towards this zone). Machines E14-08 and E13-04 were exposed to a significant number of operating hours, with E13-04 having the highest number of hours. The grain structure indicates an adaptation to deformation stresses, either with elongated grains or finely equiaxed grains. When “equiaxial fine grains” are mentioned in metallographic analysis, it refers to the structure of the material in which the individual crystals are small in size and have an almost spherical or cubic shape, indicating a uniform distribution in all directions. The hardness of the samples varies within different limits; in the case of E14-08, the highest hardness is recorded.
       
    
    Table 7.
    Metallographic analysis of samples.
  
By means of the metallographic analysis and the Weibull tensile analysis, significant information was obtained, the integration of which, in the context of the structure-mechanical properties relationship, can bring additional value.
Structure and Hardness: Metallographic data revealed distinct structural characteristics for each machine, including grain size and grain distribution. In the absence of a dedicated discussion, we note that the grain size can directly influence the hardness of the material, a fact that should be considered in the interpretation of the results.
Relationship with Weibull Parameters: The tensile Weibull analysis provided essential parameters for life evaluation under mechanical loads. Integrating these data with structural aspects would allow a deeper analysis of the influence of structure on the strength of materials under loading conditions.
Interpretation of Degradation Percentages: Percentages of structural degradation were calculated according to operating hours. An analysis of a larger number of machines from different exploitation quarries with different operating hours could provide information on how these percentages are correlated with structural changes and their impact on mechanical properties.
4.4. Shock Bending Test Analysis
Toughness characteristics are determined by shock bending test at temperatures of +20 °C; −10 °C; −20 °C and are defined by the KV [J] fracture energy, V-notched specimens, Table 8, and the evolution as a function of the number of hours is illustrated in Figure 11.
       
    
    Table 8.
    Cumulative shock bending test results.
  
      
    
    Figure 11.
      Evolution of breaking energy depending on the number of operating hours.
  
In order to observe the structural difference in terms of the number of operating hours and their contribution to structural changes, two excavation machines, ERc1400-08 with 69,264 operating hours and SRs1300-04 with 112,000 operating hours, almost double the number of operating hours and a difference of 14 years of service, are considered, Figure 12.
      
    
    Figure 12.
      Appearance of the fracture zone: (a) after 69,264 h; (b) after 112,000 operating hours.
  
Upon analysis, Figure 12, it can be seen that the breaks are: ductile for temperatures above 0 °C; mixed ductile-fragile for temperatures below −100 °C, but, after an increase in the number of hours of operation, the appearance of the break changes, at a temperature of +20 °C, thus for a lower number of hours (69,264), the break is ductile with a pronounced fibrous, crystalline-matte appearance in the central area, Figure 12a; at a higher number of operating hours (112,000) the breakage is still ductile, but the crystalline aspect dominates the central area and the fibrous form of breakage decreases, Figure 12b.
5. Conclusions
This study contributes to the understanding of the evolution of the material structure during the operation and maintenance of mining equipment, with the aim of being able to extend their service life. Following the analysis carried out, we can formulate the following conclusions regarding the technical evaluation of the three bucket wheel excavators from the Oltenia coal basin:
Tensile tests performed on specimens can establish a value of the remaining structural reserve against a limit imposed by the standard, provided that there are no structural defects (voids, lamination defects) in the specimen material, the shape of the break and the con-cup deformation can tell about the fracture toughness of the specimen material.
Metallographic analysis of a steel refers to the microscopic appearance and arrangement of its metallic components. To examine the metallographic structure of a steel, the optical microscope or scanning electron microscope is usually used. This is the method by which the grain size of the material and its arrangement over time can be observed. 
Shock bending test—to reveal the peculiarities of the fracture behaviour of metallic materials at different temperatures. Analysis of the specimen’s fracture cross-section allows the assessment of toughness and fracture toughness, toughness being the property of materials to resist the action of external forces tending to destroy their integrity and to break only after previously visible plastic deformation.
From the analysis carried out, it can be established that as the number of hours of operation increases, the material moves towards the plastic zone, the grains reposition themselves in the direction of action of the loads, the breaking zone having a shiny appearance. The hardness in the breakage zone also increases, but all this means that the material has structural reserve for the machine to operate safely.
Regarding the plastic deformation, the tensile analysis (see Weibull Analysis) reveals the fact that increasing the number of hours of operation led to plastic deformation of the material. This suggests that the material was subjected to significant stresses during operation, which caused a significant change in its structure.
The resettlement of the grains—metallographic analysis—has a predominated and defined shape on the machine E14-07 after only 50,400 h: the resettlement of the grains in the direction of action of the loads indicates an adaptation of the material structure to the prevailing stresses. This reset may indicate an optimisation of the materials’ resistance to the specific loads of the machine.
Glossy appearance in the fracture zone—tensile fracture even at 112,000 h for E13-04: the presence of a glossy appearance in the fracture zone suggests a ductile fracture, which can be considered beneficial in many situations. This means that the material has the ability to deform before breaking, which can help alert the user and avoid sudden, brittle failure.
All machines show signs of some structural degradation, but the level varies depending on the hours of operation. The Weibull analysis indicates a variation in operating time, which may suggest the influence of different factors on each machine. It is important to continue to monitor and perform periodic inspections to assess the evolution of the material.
Author Contributions
All authors equally contributed in the present research, at all stages from the formulation of the problem to the final findings and solution. All authors have read and agreed to the published version of the manuscript.
Funding
This research received no external funding.
Data Availability Statement
Data are contained within the article.
Conflicts of Interest
The authors declare no conflict of interest.
References
- Arsić, D.; Nikolić, R.; Lazić, V.; Aleksandrović, S.; Radović, L.; Ilić, N.; Hadzima, B. An Example of Reparatory Surface Welding of the Mining Machine Vital Part. Commun.—Sci. Lett. Univ. Zilina 2021, 23, B39–B45. [Google Scholar] [CrossRef]
 - Rusiński, E.; Dragan, S.; Moczko, P.; Pietrusiak, D. Implementation of experimental method of determining modal characteristics of surface mining machinery in the modernization of the excavating unit. Arch. Civ. Mech. Eng. 2012, 12, 471–476. [Google Scholar] [CrossRef]
 - Rusiński, E.; Czmochowski, J.; Pietrusiak, D. Problems of steel construction modal models identification. Eksploat. I Niezawodn. Ść.-Maint. Reliab. 2012, 14, 54–61. [Google Scholar]
 - Rusinski, E.; Czmochowski, J.; Moczko, P.; Pietrusiak, D. Recent developments in surface mining machines design and modernization. In Proceedings of the 13th ISCSM 2016, Belgrade, Serbia, 11–14 September 2016. [Google Scholar]
 - Gao, X.C.; Wang, C.; Ren, X.H. Research on Mining Machinery Gear Materials. Adv. Mater. Res. 2012, 503–504, 680–683. [Google Scholar] [CrossRef]
 - Wang, K.; Xiong, Y.; Li, S.; Zhou, X.; Li, Z. Deformation Characteristics Analysis of Temporary Support in Unsymmetrical Loading Tunnel Excavation under Composite Support. Symmetry 2023, 15, 830. [Google Scholar] [CrossRef]
 - Grzegorz, O.; Gašić, V. Steel ropes in machines opencast mining. New Trends Prod. Eng. 2019, 2, 312–320. [Google Scholar] [CrossRef]
 - Wieczorek, A.N. Experimental studies on the influence of abrasive materials on the wear of hard-wearing steels. Tribologia 2018, 281, 133–141. [Google Scholar] [CrossRef]
 - Gu, L.; Liu, J.; Lu, S.; Zhang, S.; Liu, C. Research and Development of the Advanced High Strength Steel for the Mining Machinery. IOP Conf. Ser. Mater. Sci. Eng. 2018, 382, 022080. [Google Scholar] [CrossRef]
 - Wang, X.J.; Ding, Q.F.; Liu, W.B. Influence of Heat Treatment on Mechanical Properties and Microstructure of Mining Machinery Steel Plate Containing Molybdenum and Niobium. Adv. Mater. Res. 2012, 602–604, 342–346. [Google Scholar] [CrossRef]
 - Wieczorek, A.; Myszka, D. Abrasive Wear Properties of Fe-Based Alloys Designed for Mining Applications. Arch. Metall. Mater. 2017, 62, 1521–1534. [Google Scholar] [CrossRef]
 - Ma, Z.Y.; Yang, Y.T. Effect of Mo and Ni Content on the Mechanical Properties of Low Carbon and Alloy Steel Casting Sample for Coal-Mining Machinery. Adv. Mater. Res. 2012, 476–478, 329–333. [Google Scholar] [CrossRef]
 - Ma, M.; Wang, L.; Li, J.; Jia, X.; Wang, X.; Ren, Y.; Zhou, Y. Investigation of the Surface Integrity of Q345 Steel After Nd:YAG Laser Cleaning of Oxidized Mining Parts. Coatings 2020, 10, 716. [Google Scholar] [CrossRef]
 - Myszka, D.; Wieczorek, A. An Assessment of the Applicability of Austempered Ductile Iron Containing Mo and Ni for Mining Machines Parts. Arch. Metall. Mater. 2013, 58, 953–956. [Google Scholar] [CrossRef]
 - Shu, E.; Sun, W.H.; Liu, X.D.; Xiao, F.Q.; Hou, D.Y.; Hou, D.H.; Wang, G.D. A Study on Grade 1000MPa High Performance Steel Plate Processing by Direct Quenching. Mater. Sci. Forum 2013, 773–774, 312–318. [Google Scholar] [CrossRef]
 - Widder, L.; Varga, M.; Adam, K.; Kuttner, A. Development of Impact Energy Distribution of Various Abrasives during Cyclic Impact/Abrasion Testing. Solid State Phenom. 2017, 267, 234–242. [Google Scholar] [CrossRef]
 - Gottvald, J. Measuring and Comparison of Natural Frequencies of Bucket Wheel Excavators SchRs1320 and K 2000, GEMESED’11. In Proceedings of the 4th WSEAS International Conference on Energy and Development—Environment–Biomedicine 2011, Corfu Island, Greece, 14–16 July 2011; pp. 335–340. [Google Scholar]
 - Gottvald, J. The calculation and measurement of the natural frequencies of the bucket wheel excavator schrs 1320/4x30. Transport 2010, 25, 269–277. [Google Scholar] [CrossRef][Green Version]
 - Li, J.; Zhang, X. Steel Wire Mechanical Property Degradation Study Based on Numerical Simulation. Hindawi. Adv. Mater. Sci. Eng. 2022, 2022, 2207585. [Google Scholar] [CrossRef]
 - Macko, M.; Mroziński, A.; Prentki, A. Simulations CAE of wood pellet machine. MATEC Web Conf. 2019, 254, 02028. [Google Scholar] [CrossRef]
 - Grabowski, P.; Jankowiak, A.; Marowski, W. Fatigue lifetime correction of structural joints of opencast mining machinery. Eksploat. I Niezawodn.—Maint. Reliab. 2021, 23, 530–539. [Google Scholar] [CrossRef]
 - Vîlceanu, F. Studiul Duratei de Viaţă Pentru Utilajele de Extragere şi Depunere în Depozite, Utilizate în Carierele din Bazinul Olteniei. PhD Thesis, Universitatea din Petroșani, Petroșani, Romania, 2018. [Google Scholar]
 - Nishida, S.-I. Initiation and Propagation of Fatigue Cracks; Elsevier BV: Amsterdam, The Netherlands, 1992. [Google Scholar]
 - Zecheru, G.; Drăghici, G. Elemente de Stiinta si Ingineria Materialelor Vol 1, 2; Editura ILEX & Editura Universităţii din Ploiesti: Ploiesti, Romania, 2001. [Google Scholar]
 - Oprişa, G.; Pascu, D.R. Influenţa fenomenelor de ecruisare şi îmbătrânire asupra modulului de elasticitate. In Proceedings of the A XV–a Conferință Internațională-Multidisciplinară, “Profesorul Dorin Pavel—Fondatorul Hidroenergeticii Românești”, Sebeș, România, 3 February 2015. [Google Scholar]
 - Safta, V. Încercările Tehnologice şi de Rezistenţă ale Îmbinărilor Sudate sau Lipite; Editura SUDURA: Timişoara, România, 2006. [Google Scholar]
 - Ridzi, M.C.; Itu, R.B.; Kecs, W.W.; Itu, V. Assessment of remnant life duration for bucket wheel excavators in lignite quarries. In IOP Conference Series: Materials Science and Engineering; IOP Publishing: Bristol, UK, 2018. [Google Scholar]
 
Disclaimer/Publisher’s Note: The statements, opinions and data contained in all publications are solely those of the individual author(s) and contributor(s) and not of MDPI and/or the editor(s). MDPI and/or the editor(s) disclaim responsibility for any injury to people or property resulting from any ideas, methods, instructions or products referred to in the content.  | 
© 2024 by the authors. Licensee MDPI, Basel, Switzerland. This article is an open access article distributed under the terms and conditions of the Creative Commons Attribution (CC BY) license (https://creativecommons.org/licenses/by/4.0/).


