Next Article in Journal
Reservoir Advanced Process Control for Hydroelectric Power Production
Previous Article in Journal
Enhancing Visible-Light Photodegradation of TC-HCl by Doping Phosphorus into Self-Sensitized Carbon Nitride Microspheres
 
 
Font Type:
Arial Georgia Verdana
Font Size:
Aa Aa Aa
Line Spacing:
Column Width:
Background:
Article

Influence of the Measurement Resolution on the Filtration Analysis: An Improved Test Setup According to VDI 2762 Guideline

Institute of Particle Process Engineering, University of Kaiserslautern-Landau, 67663 Kaiserslautern, Germany
*
Author to whom correspondence should be addressed.
Processes 2023, 11(2), 299; https://doi.org/10.3390/pr11020299
Submission received: 22 November 2022 / Revised: 3 January 2023 / Accepted: 8 January 2023 / Published: 17 January 2023

Abstract

:
Specific parameters of cake filtration, such as the filter cake and filter medium resistances, can be determined using the pressurized housing cell standardized in the guideline VDI 2762 by measuring the filtrate mass on a laboratory scale. For reproducible measurements and an exact detection of the filtration start, an improved test setup is presented and compared with a standard setup according to the guideline VDI 2762. On the basis of measurements without and with a particle system to be filtered, it is shown that the characteristic nonlinear course at the beginning of each filtration, which can be seen in the t/V-V diagram, is influenced by the used measuring equipment.

1. Introduction

Filtration is used for the separation of numerous final or intermediate solid products from processes in the chemical, pharmaceutical or food industry such as crystallization or precipitation in a suspension [1]. To obtain these substances in the form of a dry product the particles can be removed partially or completely by filtration and dried thermally afterwards. The layout of filtration applications thus requires specific knowledge of the filter media to be used in interaction with the prevailing particle systems [2]. Solid-liquid separation processes often use a variety of fabrics, nonwovens or membranes with different mesh and pore sizes.
For dimensioning the filter and the peripheral devices connected to it the correct determination of resistance values such as the filter cake and the filter medium resistance is necessary. In order to reliably determine these characteristic properties during cake filtration corresponding laboratory tests are necessary, which are carried out with the pressurized housing cell standardized in VDI 2762 [3]. This test setup for liquid filtration is also described in [4,5]. Sedimentation effects which inevitably occur in the pressurized housing cell are described in [6]. Filter elements, filter cake resistance and cake formation can also be characterized by means of photocentrifugation [7,8]. Apart from filtration experiments carried out by means of overpressure, there are also experimental setups for vacuum filtration, which are used for scale-up to the industrial scale as well [9]. In addition to the actual measuring equipment for these filtration tests, the precise evaluation of the experimental results is of particular importance. In addition to the standard linear method described in the VDI 2762 alternative concepts have been developed in the past, which describe different determination methods for the filter cake and filter medium resistance. For the actual determination of the starting point of the filtration, which is directly coherent to the filter medium resistance, a modification of the standard method was presented by Tichy [10]. In addition, explained in VDI 2762 is the differential evaluation of the dt/dV-V plot, which is supposed to be less susceptible to deviations with respect to a starting point shift [3]. In contrast to the linear evaluation methods two concepts dealing with a nonlinear fitting method were also presented by Kuhn et al. [11] and Buchwald [12] to determine the filter cake and filter medium resistance. While the evaluation methods and the effects occurring during cake filtration [13,14,15,16,17] have been given great attention in the past, the influence of the measuring equipment itself on the filtration result has not been examined in detail. For example, all nonlinear pairs of values at the beginning of filtration in the t/V diagram were disregarded for the determination of the resistance values with the standard evaluation method according to VDI 2762. Research into the cause responsible for this was still pending. This gap is closed with this contribution. In addition, the measurement equipment and specific parameters such as the measuring speed and the resolution required for the measurements are not specified in more detail in the VDI 2762. For reproducible measurements and an exact detection of the filtration start an improved test setup is presented in this contribution which shows the influence of the measuring speed in interaction with the resolution of the available measuring equipment. Without the improvement of the measurement setup it would not have been possible to determine the influence of the measurement resolution. In previous studies the start of the filtration was simulated and analyzed [16,18,19]. Now, the changes made to the standard measurement setup make it possible to approximate the actual start of the filtration as closely as possible. Only with a high and fast measurement resolution a comparison between simulation and real experiment is possible in the future. Measurements with and without particles in water were carried out to prove that the filter media and filter cake resistances are influenced by the measuring equipment itself. It will be shown that the initial course of the filtration function in the t/V-V diagram, which is often nonlinear, is influenced by the measuring equipment as well and not exclusively by the initial filter cake formation.

2. Materials and Methods

2.1. Particle System and Filter Media

In order to be able to show the influence of the measuring equipment on the filtration experiments the selection of suitable filter media is decisive. A specific particle system is therefore also required to perform the filtration tests with the different filter media. Precipitated calcium carbonate (PCC-SCHAEFER PRECARB® 150) is used for this purpose [20]. PCC is a common material and has proven suitability for the use in filtration tests as a particle system in the past [21]. PCC is generally difficult to filter and has a strong tendency to build cracks in the filter cake. It thus represents an appropriate test material for the filtration experiments under realistic conditions. The particle size distribution Q3 of PCC (Figure 1) was determined in deionized water with a dispersion time of the sample of 2 min by means of static light scattering device (Horiba LA-950V2 from Retsch). PCC has a bimodal particle size distribution with a median size D50 of 5 µm. A SEM image (Figure 2) was taken to verify the fine fraction of the particle size distribution.
For the measurements without a particle system a membrane (3MTM MicroPESTM 12F) is used [22]. It is a hydrophilic membrane made of polyether sulfone (PES) with a bubble point (in water) of 1.05 ± 0.25 bar and a transmembrane flow (water, 25 °C) of ≥260 mL/(min cm2 bar). An SEM image of the membrane surface is shown in Figure 3. For the cake filtration tests with PCC two common filter media were used. These are a nonwoven (Kayser Filtertech 858,980 000 S/5) and a multifilament fabric (Junker-Filter JF 4161). Characteristic properties of both filter media such as the material, thickness, area weight and permeability are summarized in Table 1. The values listed there were taken from the data sheets of the respective manufacturers.
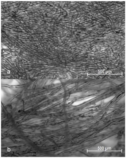
As can be seen in the optical microscope image (Figure 4) the nonwoven is heat-set on the upstream side (a) compared to the downstream side (b), which results in a smoothening of the surface. The multifilament fabric is heat-set on both sides to ensure minimal residual shrinkage (Figure 5).

2.2. Experimental Setup According to VDI 2762 with Laboratory Balance

The test setup described in VDI 2762 generally consists of a pressurized housing cell and a balance. The filter medium is located on the underside of the pressurized housing cell and is supported by a perforated plate with the largest possible flow surface. First, the suspension is filled in the pressurized housing cell and then the filtration is started by applying a differential pressure. The filtrate produced is discharged from the overpressure housing by means of a drain pipe and collected in a container located on a laboratory balance [3]. In the explained measurement setup, a standard laboratory balance (Kern KB 10000-1N) is used with which the mass over time is recorded by means of a LABVIEW program. The balance provides a resolution of 0.1 g with a settling time of 3 s. A pressure regulator (Festo VPPE-3-1-1/8-6-010-E1) is installed to set and control the pressure and a manually operated valve is inserted to apply the pressure within the pressurized housing cell. In addition, VDI 2762 does not provide any further details on the minimum requirements that the measuring equipment must fulfill.
Using the explained test setup, the exact starting point of the filtration can only be determined afterwards when evaluating the filtration results. This is due to the fact that the filtrate is discharged from the pressurized housing cell via a downpipe and cannot be determined in terms of quantity in the apparatus itself. Instead, the filtrate volume flow rate is calculated via the change in mass over time. However, the first change in mass detected by the balance is not equal with the starting point of the filtration since the actual start of the filtration is characterized by the first amount of filtrate leaving the filter medium. Hence, a time offset resulting from the drop height of the filtrate into the collecting container occurs. Since the pressurized housing cell is often mounted at a freely adjustable height for better handling, a constant time offset for each individual filtration cannot be expected. A possible solution for this problem was published by Tichy [10]. In order to determine the starting point of the filtration more precisely and independent of the mounting height the measuring apparatus is hydraulically coupled to the collecting container. This means that the entire area below the filter element is vented and filled with the continuous phase of the test suspension (often demineralized (DI) water) before the measurement begins. The outlet tube is therefore located below the liquid surface. This ensures that the first incidence of filtrate can be detected by a change in mass with the balance. A horizontal outlet also prevents the water jet from hitting the balance directly. An additional force on the balance due to the outgoing water jet is thus excluded [10].

2.3. Experimental Setup According to VDI 2762 with Rapid Balance

In order to show the influence of the measurement speed in context with the available resolution on the measurement result, the standard setup was modified. The schematic structure of the modified pressurized housing cell is shown in Figure 6.
The hydraulic coupling of the filtrate container with the filtration cell according to Tichy [10], as well as the pressure regulator, are retained as previously described. Instead of manually operated valves two directly actuated solenoid valves (Festo VZWD-L-M22C-M-G18-40-V-1P4-8) with an opening/closing time of approximately 20 ms were installed as manual valves can lead to different time delays depending on the user.
In order to achieve comparable measurement results it is necessary to ensure an identical time interval for opening and closing the valves, which is ensured by using solenoid valves. The valve in the drainpipe of the pressurized housing cell is not provided in the VDI 2762 but is used in this setup to prevent filtration from starting simply by filling the housing with suspension. The control of the two solenoid valves is carried out via a self-made controller based on a freely programmable microcontroller (Arduino Uno). The programming of the microcontroller was realized with the freely available open-source software of Arduino (Arduino IDE) [23]. With the help of pushbuttons programmed presets of the microcontroller can be started or the respective valves can be switch individually. For the filtration program a time delay of 50 ms was set between the drainpipe valve and the pressure valve. This ensures that the filtration test is started realistically since the outlet of the pressurized housing cell is always open to the ambient pressure. Furthermore, instead of a standard laboratory balance a rapid balance (Wipotec EC3000) is installed which provides a resolution of 0.02 g with a settling time < 120 ms. The measured masses are recorded with a time interval of 10 ms using the software associated with the balance.

2.4. Evaluation Methods

For a comparison of the two experimental setups the evaluation method of the measurement data is of particular importance. In the standard evaluation according to VDI 2762 the resistances of the filter medium ( R M ) and the filter cake ( α H ) are determined via a linear regression line in the t/V-V diagram [3]. By transforming the filter Equation (1) the unknown resistance values can be calculated (4). Here, the y-axis intercept ( P 1 ) and the slope of the regression line ( P 2 ) are directly included in the determination of these parameters. In the equations η is the dynamic viscosity of water, k is the concentration constant according to VDI 2762, Δ p is the differential pressure between the upstream and downstream side of the filter element and A is the available filter area in the pressurized housing cell.
t V = k · η · α H 2 · A 2 · Δ p   V + η · R M A · Δ p
t V = P 2   V + P 1
P 2 = k · η · α H 2 · A 2 · Δ p P 1 = η · R M A · Δ p
α H = 2 · A 2 · Δ p · P 2 k · η R M = A · Δ p · P 1 η
However, the course in the t/V-V diagram of a real measurement deviates from a linear line at the beginning. Thus, the linear regression is often carried out only over the partial range of the measurement data which show a linear course. In the recent past non-linear calculation approaches have been published in addition to the standard linear evaluation method [11,12]. These are intended to make a more precise determination of the resistance values possible since they consider all measured data of the filtration test and not just the linear ones in the t/V-V diagram.
Thus, for the filtration tests carried out with PCC the standard linear evaluation method according to VDI 2762 [3] and the non-linear evaluation method according to Kuhn et al. [11] are compared. According to Kuhn et al. the actually measured volume per time (V-t diagram) is analyzed and not the linear regression of the t/V-V diagram. By converting the filter Equation (2) into a quadratic Equation (5) the parameters ( P 1 ) and ( P 2 ) can be calculated by the general solution of a quadratic Equation (6). With a mathematical curve fitting using the method of least squares (7) the parameters ( P 1 ) and ( P 2 ) can then be determined for the whole measured V-t value pairs [11].
0 = P 2   V 2 + P 1 V t
V = P 1 + P 1 2 + 4 P 2   t 2 P 2
V i ^ , t i ^ = Measured values
J = i = 1 N [ V i ^ ( P 1 + P 1 2 + 4 P 2   t i ^ 2 P 2 ) ] 2
min P J ( x i ^ , y i ^ , P )
The calculation is carried out with MATLAB.
The starting point of the filtration is defined as the first detected change in mass of the balance and the end of filtration is defined as the emptying of the drainpipe by means of the gas throughput. Both characteristic points can be clearly determined in the V-t diagram. The hydraulic coupling of the collecting container with the pressurized housing cell ensures that the balance can detect the first amount of filtrate. With these criteria the conditions for the evaluation method according to Kuhn et al., which includes all measurement data between the start and end of filtration, is given.

3. Results

3.1. Influence of the Experimental Setup on the Measured Filtration Curve

3.1.1. Measurements without Particles

To evaluate the influence of the changed setup on the measurement results, first of all measurements without particles were performed with the membrane using deionized water at a differential pressure of 0.8 bar. The results of the measurements (V-t diagram) are presented in Figure 7.
The measurement data clearly show that the filtration curve is recorded with a time offset when using the standard laboratory balance and a measurement interval of 500 ms (Kern 500 ms). This can be attributed to the low resolution of the laboratory balance and the high settling time. The settling time is generally defined as the time required by a balance to determine the exact weight positioned on it. For static weighing the settling time is not critical since the weight to be determined does not change with time. However, it is critical for mass that change over time as far as the time steps of the mass change are smaller than the resolution accuracy of the balance. Since the smallest possible measurement intervals of the balance are to be preferred, especially with regard to the detection of the starting point of the filtration, the time steps in which the mass values are recorded were reduced. With a standard laboratory balance this leads to the effect that the measured values are recorded multiple due to the insufficient resolution of the balance for the speed of the mass change (Kern 100 ms). This also leads in total to a deviation of the filtration curve. With the rapid balance used in combination with the solenoid valves at measuring intervals of 10 ms a significant improvement could be achieved (Wipotec 10 ms). It can be concluded that it is therefore only possible to approximate the actual filtrate flow as closely as possible the faster and more accurately the balance can resolve the constantly changing mass.
From the obtained data it can also be proven that the characteristic nonlinear course in the t/V-V diagram (Figure 8) at the beginning of each filtration measurement is influenced to a considerable extent by the recording speed and resolution of the balance.
Since the test shown in Figure 8 is a measurement of the membrane without a particle system to be filtered the effects occurring in real particle filtration such as bridging over the meshes and cake formation in general on the filter element, which are characteristics of the transient process at the beginning, can be excluded. Due to the high resolution of the rapid balance the transition of the filtration curve from a nonlinear to a linear course is recognizable earlier. The reason for this is purely mathematical. If one forms the difference from the respective time step (t) with the associated volume value (V), deviations in the volume recording have a greater effect on the final result for small time steps and small volumes. Since the measurement deviations of the balance are independent of the respective volume, they play an increasingly minor role for higher volumes. It is therefore logical that a higher resolution of the balance results in a smaller nonlinear range at the beginning of the filtration measurements. This relationship can be seen in Figure 8. By using the standard evaluation method, due to simplicity reasons, this clearly visible demarcation makes it easier to identify the range that is being used for the calculation of the linear regression. Especially for filter media with high throughputs or as shown here for a measurement without a particle system that is finished after a few seconds, a sufficiently high and fast resolution is crucial. A clear transition of the filtration curve with the standard laboratory balance (Kern 500 ms) from a nonlinear to a linear course is only clearly visible shortly before the end of the measurement. The determination of the measurement range which is best suited for the calculation of a linear regression line and the associated determination of the resistance values is therefore subjective depending on the judgment of the evaluator. In contrast the measurement result of the rapid balance (Wipotec 10 ms) leaves little room for interpretation and the selection of the linear range is clear.

3.1.2. Measurements with Particles

In addition, filtration tests with a 25 m% suspension consisting of PCC and deionized water were carried out at a differential pressure of 0.8 bar to determine the filter media and filter cake resistances of the nonwoven and the multifilament. The various filter media ensure that differences between the measurement setups cannot be attributed to the materials used as the sole cause. The effects of higher measurement resolutions can be shown even more clearly by performing real particle filtrations. Figure 9 shows the t/V-V diagram of the filtration of 25 m% PCC using nonwoven filter material. As can be seen filtrate recording with the rapid balance leads to a significant reduction in the nonlinear range.
The same effect can also be observed when using the multifilament fabric as filtration medium (Figure 10). Comparing both test setups, it can be concluded that the nonlinear range at the beginning of a filtration is primarily influenced by the resolution accuracy of the measurement system and only secondarily by effects such as bridging over the meshes etc. for the particle system used.
The influence, which can be easily recognized visually in the t/V-V diagram also becomes clear quantitatively over several measurements. It can be seen in Figure 11 and Figure 12 that the deviations between the measurements from the nonwoven material are reduced significantly when the rapid balance is used. The abbreviation 500 ms stands for the measuring speed with the laboratory balance, 10 ms for the measuring speed with the rapid balance, linear for the standard linear evaluation method and non-lin. for the evaluation method according to Kuhn et al.
In addition to smaller deviations between the measurements, which are reflected in smaller error bars, the influence of the determination method also became clear. For filtration measurements with high resolution the type of evaluation has been shown to play no role. The differences in the final result between the standard linear method and the nonlinear regression according to Kuhn et al. are negligible. In the filtration tests with the standard laboratory balance only pairs of values in the t/V-V diagram above a volume value of 20 mL were considered for the linear determination method. In contrast, all measured values from the beginning to the end of filtration were considered for the non-linear evaluation. As can be clearly seen in Figure 11 and Figure 12 the exclusive consideration of the linear values even leads to a better approximation to the measurement result with the rapid balance compared to the nonlinear evaluation. The same effects can also be observed when determining the filter cake and filter medium resistance for the multifilament fabric (Figure 13 and Figure 14).
In general, larger measurement deviations occur with the multifilament examined but these are again independent of the evaluation method. The smaller deviations with the nonwoven material can be explained by a more uniform surface after heat setting. Due to the weave of the multifilament deviations are to be expected which cannot be completely compensated by heat setting.

4. Discussion

The pressurized housing cell according to VDI 2762 is a proven tool for testing a wide variety of filter materials on a laboratory scale and determining characteristic properties such as filter cake and filter medium resistance. In this contribution it was shown that the usage of a rapid balance in conjunction with electromagnetically switched valves instead of manually operated ones has a significant positive influence on the measurements. On the basis of the filtration measurements carried out it became clear that the nonlinear range in the t/V-V diagram at the beginning of each filtration measurement is considerably influenced by the measuring speed and the resolution of the measurement equipment. How long it takes until real transient processes such as initial droplet formation and bridging over the meshes are actually completed could be the subject of future investigations. Due to the significant reduction in the nonlinear range in the t/V-V diagram simply by choosing more precise measurement equipment it is questionable whether these play a significant role at all in relation to the entire measurement. Nevertheless, they undoubtedly exist. Due to the filling of the pressurized housing cell with suspension and the subsequent closing of the lid, which takes different amounts of time depending on the user, it is also questionable whether these initial processes have not already been completed by the inevitable sedimentation. With the comparison between the two test setups and the two evaluation methods shown here, it could therefore be demonstrated that it is completely legitimate to proceed according to the standard method described in VDI 2762 when determining the resistance values. Since any nonlinearities that may occur at the beginning of the t/V-V diagram are mainly caused by measurement inaccuracies they can be disregarded when determining the linear regression line. As shown, a higher resolution of the measuring equipment would not only facilitate the selection of the linear range, but also minimize the deviations between the measurements.

Author Contributions

Conceptualization, N.B.; methodology, N.B.; software, N.B.; validation, N.B.; formal analysis, N.B.; investigation, N.B.; data curation, N.B.; writing—original draft preparation, N.B.; writing—review and editing, N.B.; visualization, N.B.; project administration, N.B.; supervision, P.L. and S.A.; funding acquisition, P.L. and S.A. All authors have read and agreed to the published version of the manuscript.

Funding

This research was funded by AiF Projekt (21685N).

Data Availability Statement

Not applicable.

Conflicts of Interest

The authors declare no conflict of interest. The funders had no role in the design of the study; in the collection, analyses, or interpretation of data; in the writing of the manuscript; or in the decision to publish the results.

References

  1. Ripperger, S.; Gösele, W.; Alt, C. Filtration, 1. Fundamentals. In Ullmann’s Encyclopedia of Industrial Chemistry; Wiley-VCH Verlag GmbH & Co. KGaA: Weinheim, Germany, 2022. [Google Scholar]
  2. Tien, C. Introduction to Cake Filtration, 1st ed.; Elsevier: Amsterdam, The Netherlands, 2006. [Google Scholar]
  3. Verein Deutscher Ingenieure. VDI 2762, Mechanical Solid-Liquid Separation by Cake Filtration: Determination of Filter Cake Resistance; Beuth Verlag: Berlin, Germany, 2006. [Google Scholar]
  4. Anlauf, H. Standardfiltertests zur Bestimmung des Kuchen- und Filtermediumwiderstandes bei der Feststoffabtrennung aus Suspensionen Part 2. Filtr. Sep. 1994, 8, 116–126. [Google Scholar]
  5. Anlauf, H. Standardfiltertests zur Bestimmung des Kuchen- und Filtermediumwiderstandes bei der Feststoffabtrennung aus Suspensionen Part 1. Filtr. Sep. 1994, 8, 63–70. [Google Scholar]
  6. Bothe, C.; Esser, U.; Fechtel, T. Experimentelle und theoretische Untersuchungen zur Filtration mit überlagerter Sedimentation in Drucknutschen. Chem. Ing. Tech. 1997, 69, 903–912. [Google Scholar] [CrossRef]
  7. Boldt, S.; Lösch, P.; Krause, D.; Weibel, C.; Lerche, D.; Antonyuk, S. Charakterisierung von Filtermedien durch den Einsatz von Photozentrifugalfiltration (PZF): Proceedings. Dresdner Sens. 2021, 15, 137–142. [Google Scholar]
  8. Boldt, S.; Lerche, D.; Loginov, M. Filtrationsexperimente mittels analytischer Photozentrifugation Teil 1: Filtermediumwiderstand. Filtr. Sep Jahrgang 33 Nr. 5. 2019, 282–287. [Google Scholar]
  9. Wakeman, R.J.; Tarleton, E.S. Solid/Liquid Separation: Scale-Up of Industrial Equipment; Elsevier: Amsterdam, The Netherlands, 2005. [Google Scholar]
  10. Tichy, J.W. Zum Einfluss des Filtermittels und der Auftretenden Interferenzen Zwischen Filterkuchen und Filtermittel bei der Kuchenfiltration. Ph.D. Thesis, Technische Universität Kaiserslautern, Kaiserslautern, Germany, 2007. [Google Scholar]
  11. Kuhn, M.; Pergam, P.; Briesen, H. Parameter Estimation for Incompressible Cake Filtration: Advantages of a Modified Fitting Method. Chem. Eng. Technol. 2019, 43, 493–501. [Google Scholar] [CrossRef]
  12. Buchwald, T. Nonlinear Parameter Estimation of Experimental Cake Filtration Data. Ph.D. Thesis, TU Bergakademie Freiberg, Freiberg, Germany, 2021. [Google Scholar]
  13. Anlauf, H. Wet Cake Filtration: Fundamentals, Equipment, and Strategies; Wiley-VCH: Weinheim, Germany, 2019; ISBN 978-3-527-34606-6. [Google Scholar]
  14. Bandelt Riess, P.M.; Engstle, J.; Michael, K.; Briesen, H.; Först, P. Decreasing Filter Cake Resistance by Using Packing Structures. Chem. Eng. Technol. 2018, 41, 1956–1964. [Google Scholar] [CrossRef]
  15. Kühne, S.; Peuker, U.A. Cake Filtration of Multicomponent Suspensions. Chem. Eng. Technol. 2017, 41, 96–101. [Google Scholar] [CrossRef]
  16. Hund, D.; Lösch, P.; Kerner, M.; Ripperger, S.; Antonyuk, S. CFD-DEM study of bridging mechanisms at the static solid-liquid surface filtration. Powder Technol. 2020, 361, 600–609. [Google Scholar] [CrossRef]
  17. Bächle, V.; Morsch, P.; Fränkle, B.; Gleiß, M.; Nirschl, H. Interaction of Particles and Filter Fabric in Ultrafine Filtration. Eng 2021, 2, 126–140. [Google Scholar] [CrossRef]
  18. Puderbach, V.; Schmidt, K.; Antonyuk, S. A coupled CFD-DEM model for resolved simulation of filter cake formation during solid-liquid separation. Processes 2021, 9, 826. [Google Scholar] [CrossRef]
  19. Hund, D.; Schmidt, K.; Ripperger, S.; Antonyuk, S. Direct Numerical Simulation of cake formation during filtration with woven fabrics. Chem. Eng. Res. Des. 2018, 139, 26–33. [Google Scholar] [CrossRef]
  20. Schaefer Kalk. PRECARB®Calciumcarbonat. Available online: https://www.schaeferkalk.de/de/produkte/gefaellte-calciumcarbonate-pcc (accessed on 1 August 2022).
  21. Illies, S.; Anlauf, H.; Nirschl, H. Vibration-Enhanced Compaction of Filter Cakes and Its Influence on Filter Cake Cracking. Sep. Sci. Technol. 2017, 52, 2795–2803. [Google Scholar] [CrossRef]
  22. 3M. Datasheet MicroPES® 12F. Available online: https://multimedia.3m.com/mws/media/1809045O/3m-micropes-12f-data-sheet.pdf (accessed on 1 August 2022).
  23. Arduino. Arduino IDE. Available online: www.arduino.cc/en/software (accessed on 1 August 2022).
Figure 1. Volume-related particle size distribution Q3 of the used precipitated.
Figure 1. Volume-related particle size distribution Q3 of the used precipitated.
Processes 11 00299 g001
Figure 2. SEM image of the used precipitated calcium carbonate.
Figure 2. SEM image of the used precipitated calcium carbonate.
Processes 11 00299 g002
Figure 3. SEM image of the used polyether sulfone membrane (upstream side).
Figure 3. SEM image of the used polyether sulfone membrane (upstream side).
Processes 11 00299 g003
Figure 4. Optical microscope image of nonwoven. (a) upstream side (b) downstream side.
Figure 4. Optical microscope image of nonwoven. (a) upstream side (b) downstream side.
Processes 11 00299 g004
Figure 5. Optical microscope image of multifilament.
Figure 5. Optical microscope image of multifilament.
Processes 11 00299 g005
Figure 6. Modified pressurized housing cell.
Figure 6. Modified pressurized housing cell.
Processes 11 00299 g006
Figure 7. Effects of the balance. Membrane measured with 0 m% at 0.8 bar.
Figure 7. Effects of the balance. Membrane measured with 0 m% at 0.8 bar.
Processes 11 00299 g007
Figure 8. Effects of the balance. Membrane measured with 0 m% at 0.8 bar.
Figure 8. Effects of the balance. Membrane measured with 0 m% at 0.8 bar.
Processes 11 00299 g008
Figure 9. Effects of the balance. Nonwoven measured with 25 m% PCC at 0.8 bar.
Figure 9. Effects of the balance. Nonwoven measured with 25 m% PCC at 0.8 bar.
Processes 11 00299 g009
Figure 10. Effects of the balance. Multifilament measured with 25 m% PCC at 0.8 bar.
Figure 10. Effects of the balance. Multifilament measured with 25 m% PCC at 0.8 bar.
Processes 11 00299 g010
Figure 11. Effect on the filter medium resistance. Nonwoven measured with 25 m% PCC at 0.8 bar.
Figure 11. Effect on the filter medium resistance. Nonwoven measured with 25 m% PCC at 0.8 bar.
Processes 11 00299 g011
Figure 12. Effect on the filter cake resistance. Nonwoven measured with 25 m% PCC at 0.8 bar.
Figure 12. Effect on the filter cake resistance. Nonwoven measured with 25 m% PCC at 0.8 bar.
Processes 11 00299 g012
Figure 13. Effect on the filter medium resistance. Multifilament measured with 25 m% PCC at 0.8 bar.
Figure 13. Effect on the filter medium resistance. Multifilament measured with 25 m% PCC at 0.8 bar.
Processes 11 00299 g013
Figure 14. Effect on the filter cake resistance. Multifilament measured with 25 m% PCC at 0.8 bar.
Figure 14. Effect on the filter cake resistance. Multifilament measured with 25 m% PCC at 0.8 bar.
Processes 11 00299 g014
Table 1. Characteristic properties of the filter media for cake filtration.
Table 1. Characteristic properties of the filter media for cake filtration.
MaterialThickness/mmArea Weight/g m−2Permeability/
L dm−1 min−1 at 200 Pa
NonwovenPolyolefin1.35005
FabricPolypropylene0.95751
Disclaimer/Publisher’s Note: The statements, opinions and data contained in all publications are solely those of the individual author(s) and contributor(s) and not of MDPI and/or the editor(s). MDPI and/or the editor(s) disclaim responsibility for any injury to people or property resulting from any ideas, methods, instructions or products referred to in the content.

Share and Cite

MDPI and ACS Style

Benz, N.; Lösch, P.; Antonyuk, S. Influence of the Measurement Resolution on the Filtration Analysis: An Improved Test Setup According to VDI 2762 Guideline. Processes 2023, 11, 299. https://doi.org/10.3390/pr11020299

AMA Style

Benz N, Lösch P, Antonyuk S. Influence of the Measurement Resolution on the Filtration Analysis: An Improved Test Setup According to VDI 2762 Guideline. Processes. 2023; 11(2):299. https://doi.org/10.3390/pr11020299

Chicago/Turabian Style

Benz, Nikolai, Philipp Lösch, and Sergiy Antonyuk. 2023. "Influence of the Measurement Resolution on the Filtration Analysis: An Improved Test Setup According to VDI 2762 Guideline" Processes 11, no. 2: 299. https://doi.org/10.3390/pr11020299

APA Style

Benz, N., Lösch, P., & Antonyuk, S. (2023). Influence of the Measurement Resolution on the Filtration Analysis: An Improved Test Setup According to VDI 2762 Guideline. Processes, 11(2), 299. https://doi.org/10.3390/pr11020299

Note that from the first issue of 2016, this journal uses article numbers instead of page numbers. See further details here.

Article Metrics

Back to TopTop