Next Article in Journal
Optimal Allocation of Hybrid Energy Storage System Based on Smoothing Wind Power Fluctuation and Improved Scenario Clustering Algorithm
Next Article in Special Issue
The Handicap of New Technologies: Nobody Wants to Be the First for Commercial Application
Previous Article in Journal
Research on Controller of Glass Greenhouse Cleaner Based on PSO-Fuzzy-PID
Previous Article in Special Issue
Preparation and Application of New Polyhydroxy Ammonium Shale Hydration Inhibitor
 
 
Font Type:
Arial Georgia Verdana
Font Size:
Aa Aa Aa
Line Spacing:
Column Width:
Background:
Article

Optimum Design of Naphtha Recycle Isomerization Unit with Modification by Adding De-Isopentanizer

1
Petroleum Refining and Petrochemical Engineering Department, Faculty of Petroleum and Mining Engineering, Suez University, Suez 43512, Egypt
2
Chemical Engineering Department, College of Engineering, Imam Mohammad Ibn Saud Islamic University (IMSIU), Riyadh 11432, Saudi Arabia
3
Chemical Engineering Department, National Research Center, Cairo 11241, Egypt
*
Author to whom correspondence should be addressed.
Processes 2023, 11(12), 3406; https://doi.org/10.3390/pr11123406
Submission received: 19 October 2023 / Revised: 2 December 2023 / Accepted: 5 December 2023 / Published: 11 December 2023

Abstract

:
Environmental standards have recently imposed very rigorous limitations on the amounts of benzene, aromatics, and olefins, which can be found in finished gasoline. Reduction of these components could negatively affect the octane number of gasoline, so the isomerization process is gaining importance in the present refining context as an excellent safe alternative to increase the octane number of gasoline. The main aim of the naphtha isomerization unit is to modify the molecular structure of light naphtha to transform it into a more valuable gasoline blend stock, and simultaneously the benzene content is reduced by saturation of the benzene fraction. In this work, Aspen HYSYS version 12.1 is used to simulate the hydrogen once-through isomerization unit of an Egyptian refinery plant, located in Alexandria, in order to determine the properties, composition, and octane number of the isomerate product. Many potential changes are investigated in order to find the best design that efficiently raises octane number with the least amount of expense. Firstly, the plant is modified by adding one fractionator either before or after the reactor, then by adding two fractionators before and after the reactor; then the configuration which gives the highest product octane number with the highest Return on Investment (ROI) is chosen as the recommended optimum configuration. The results show that using two fractionators before and after the reactor is the best configuration. Optimization of this best configuration resulted in an increase in octane number by 7% and a decrease in the total cost by 13%.

1. Introduction

Isomerization is a process that has become one of the most promising techniques for upgrading gasoline quality; this is due to the process’s ability to produce high-octane gasoline by converting straight-chain paraffins to the branched forms of iso-paraffins, while simultaneously reducing the number of pollutants released into the environment. There are different types of isomerization; one of the most common types is geometric isomerization. Geometric isomerization results in the same molecular formula, but the atoms are arranged differently in space due to the presence of double bonds. Another type of isomerization is positional isomerization; positional isomers have the same molecular formula but differ in the location of the functional group in the carbon chain [1].
Catalytic reforming and isomerization are the two main processes used to improve octane number by hydrocarbon molecule rearrangement [2,3]. However, catalytic reforming also involves breaking down large hydrocarbons into smaller more valuable molecules [4]. The two processes differ in feedstock, operating conditions, and quality of the product; catalytic reforming has a limited ability to process naphtha with a high content of normal paraffin. The reformate, produced from the reforming process, has a much higher content of benzene than permissible by the current environmental regulations in many countries.
Isomerization is considered as a more refined and economical way of increasing the octane rating. The quality of isomerate depends on several factors such as temperature, naphthene content, and liquid hourly space velocity (LHSV); increasing temperature positively affects the reaction rates. In addition, as the naphthene content of the feed increases, the amount of hydrogen required to open the naphthene ring increases. However, a severe reduction in LHSV will result in channeling [5].
Many studies have been done to improve the performance of the isomerization process [6,7]. Naqvi et al. reviewed the isomerization catalyst used, main reactions, reaction mechanisms, and classification of the isomerization processes [8]. Nikitav Checantsev and Gyngazova introduced a mathematical model for light naphtha isomerization units with different compositions of raw materials, which gives isomerate composition agreement with experimental data obtained from the industrial isomerization units of Russian refineries. Their proposed isomerization mathematical model enables the user to compare the efficiency of different isomerization units and select the more suitable variant of process optimization for a given raw material. The calculations are carried out on an isomerization process scheme with recycling n-pentane [9].
Hamadi and Kadhim introduced a material balance and kinetic model for penex isomerization, in which material balance calculations have been performed for the prediction of kinetics, which is the rate constant for conversion of n-paraffin to olefin “K1”, rate constant for conversion of olefin to i-paraffins “K2”, and activation energy. Their study showed that increasing temperature results in an increase in K1 and a decrease in K2 [10]. The optimization of process variables was introduced by Shahata et al. in 2018; in their work, the variables affecting isomerization product octane numbers such as feed composition, temperature, hydrogen-to-feed ratio, and LHSV have been analyzed and optimized using response surface methodology (RSM) [11]. Chuzlov et al. developed a mathematical model for a light naphtha catalytic isomerization unit, where the plant operation with catalytic isomerization and separation columns has been optimized. They aimed to select the optimal modes of separation columns to achieve the desired separation between the units [12]. Jarullah et al. introduced a new naphtha isomerization process, called AJAM, where the isomerization reactor model was validated using data from Baiji North Refinery (BNR). In their study, it is found that adding a de-isopentanizer “DIP” has a positive effect on the research octane number (RON), isomerate properties, and operation cost. Their study concluded that the proposed AJAM isomerization process gives the maximum RON, isomerate yield, and minimum cost compared to molecular sieve technologies [13]. Nagabhatla Viswanadham et al. converted naphtha feedstock into high-octane gasoline blending stock, which is rich in iso-paraffin and suitable for fuel applications. They used three catalyst systems, which exhibit different acidities. Nano crystalline ZSM-5, containing inter-crystalline voids, is also studied in their research to investigate the effect of micro porosity on the product selectivity; then, the quality of isomerate in terms of total iso-paraffins is analyzed. Studies were also conducted on two single-component feeds, n-heptane, and n-octane, to understand the effect of hydrocarbon chain length on the reactivity and product selectivity in the process [14]. Yu. N. Lebedevincrease et al. showed that fitting isomerization units with a de-isohexanizer “DIH” tower increases the RON of isomerate by a minimum of 4–5 points; the product from the stabilizer is fed to this tower to separate low-octane n-hexane and methyl pentanes, which are taken back with the side stream into the reactor for repeated conversion [15].
The availability of low-value naphtha and other such feedstocks calls for the development of efficient methods for adding value to the feedstocks through octane number enhancement. The feedstock has a low octane number most times (<60), which is not reliable for fuel applications, in which high-octane gasoline is required. Therefore, the isomerization of n-paraffins attracted much attention for the refinery processes. In addition, Euro-4 and Euro-5 standards did not only restrict the content of benzene to less than 1 vol.%, but also put restrictions on the total aromatics content; it must be less than 35 vol.%. To meet these environmental restrictions, reformate is usually diluted with isomerate in the ratio of 1:1. So, isomerization became the largest tonnage process after reforming. Saad Zafer showed that UOP offers several schemes, in which low-octane components are separated and recycled back to the reactors. These recycling modes of operation can lead to the production of a product with a higher octane number. He also confirmed that the addition of a de-isopentanizer (DIP) and a super de-isohexanizer (DIH) would achieve the highest octane from a fractionation hydrocarbon recycle flow scheme. Moreover, the scheme with de-isopentanizer (DIP) before the reactor section allows the production of isomerate with high octane number, increases the conversion level of n-pentanes, and at the same time reduces the reactor duty [16].
In this research, a new modification is developed by adding two fractionators before and after the reactor, where more economic savings to the refinery could be achieved. The improvement in process economics is not only related to obtaining high-quality product, but also comes from operating cost savings due to optimizing process conditions. This improvement was illustrated by applying the proposed modifications to the investigated case study.
The study shows how octane number is affected by separating i-pentane from feed before entering the reactor and recycling n-hexane to the reactor. The optimum conditions to produce the highest octane with minimum cost are also found in this study, using Aspen HYSYS V.12.1. Soave Redlich Kwong (SRK) fluid package is used to provide an estimation for the isomerate composition and the properties of all process streams. The Peng–Robinson Equation of State (EOS) is generally the recommended property package, as it predicts properties of mixtures ranging from well-defined light hydrocarbon systems to complex oil mixtures and provides optimized state equations for the rigorous handling of hydrocarbon systems. However, it is approved that the SRK fluid package is more suitable for isomerization reaction calculations [17].

2. Methodology

The method used in this work can be summarized in the following steps:
  • Hydrogen once through the isomerization unit with de-hexanizer (DH) after the reactor section in the Base Case (BC) is simulated with Aspen HYSYS V12.1., and then the model is validated.
  • Three alternative modifications to the existing case study have been applied and the effect of each modification on the naphtha octane number is monitored; the proposed modifications are as follows:
    • Removing de-hexanizer from the isomerization unit [Proposed Case 1 (PC1)].
    • Replacing the existing de-hexanizer tower with de-iso-pentanizer ahead of the reactor section [Proposed Case 2 (PC2)].
    • Installing de-iso-pentanizer and de-hexanizer at the same time [Proposed Case 3 (PC3)].
  • The configuration, which gives the highest octane number and ROI, is chosen as the best modification.
  • The best process modification is optimized using the original multi-variable optimizer in Aspen HYSYS V. 12.1 and the optimum conditions for the highest octane number and lower cost are determined.

2.1. Process Description

2.1.1. Base Case

The process presented in this research work is an isomerization unit of an Egyptian plant located in Alexandria, in which the octane number is upgraded from 66 to 82 in a penex process using a chlorinated alumina-based catalyst. In that process, low-octane components such as n-hexane and methyl pentane are recycled to the reactor, as shown in Figure 1, to increase octane number (isomerization with de-hexanizer) [18]. Naphtha feed comes from an atmospheric distillation unit, and from cracking units as hydrocracker and coker units. In this isomerization unit, naphtha and make-up hydrogen are first passed through driers to remove any traces of water to avoid poisoning of the Penex catalyst. After that, naphtha and hydrogen are mixed and then heated by exchanging heat with the first and second reactor effluents. Chlorine is injected into the reactor charge to provide acid sites on the catalyst’s surface that are necessary for the isomerization reaction. The feed reached the reaction temperature by a fired heater. The effluent of the first reactor is then cooled using exchangers before entering the second reactor to remove the generated heat from exothermic reactions in the first reactor bed. The reactor’s effluent is then fed to a stabilizer to separate light gases (C4 and hydrogen) from the product. The overhead gases are neutralized, and LPG is produced. The stabilized isomerate undergoes fractionation to maximize its octane number using a de-hexanizer, in which unconverted hexanes and low-octane products are separated from products. They are recycled to be mixed with fresh feed to improve product octane number. This Base Case has the lowest cost of the recycle flow schemes and supplies a high octane isomerate product; this scheme allows increasing hexane conversion but does not raise the content of isopentanes in the product. So, higher octane could be achieved by adding other fractionators [16].

2.1.2. Proposed Case 1

Once-through isomerization process is the most widely used isomerization process for producing moderate octane upgrades of light naphtha, in this process is similar to base case except that de-isohexanizer is removed as shown in Figure 2; this process is highly common, less expensive, and the simplest isomerization process unit but its main disadvantage is limited octane boost, so for higher octane another configuration with naphtha recycling is used [8,16].

2.1.3. Proposed Case 2

In this process, the feed stream enters a de-isopentanizer, in which i-C5 is separated overhead and sent to the gasoline blending pool. I-C5 is already an isomer, so its removal would only lower the unit’s capacity. The bottoms of the de-isopentanizer containing n-C5 and C6′s are dried and hydrogenated and passed through the reactor to isomerize the hydrocarbons. After separating hydrogen reactor effluent, it enters a stabilizer where the propane and lighter hydrocarbons are removed to be used as fuel gases. The bottom product is sent to the blending pool, as shown in Figure 3. This process has many advantages such as reducing throughput and increasing the driving force for isomerization. It produces isomerate with a high-octane number as it increases the conversion level of n-pentanes, while lowering reactor duty and space velocity. It is reasonable when the isopentane’s content in the feed is more than 13% [8,16].

2.1.4. Proposed Case 3

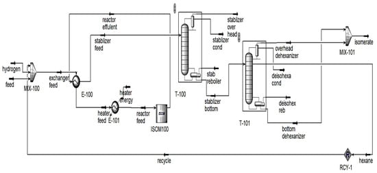
In this proposed case, both fractionators (de-isopentanizer and a de-hexanizer) are introduced to the base case study. The flow diagram of the process was not found in the literature survey, but the configuration of the process will be illustrated in Figure 4, which shows the simulated proposed configuration. The feed stream enters a de-isopentanizer, in which i-C5 is separated overhead and sent to the gasoline blending pool to lower the unit’s capacity. The bottoms of the de-isopentanizer, containing n-C5 and C6′s, are dried for maximum catalyst activity. The bottoms are then hydrogenated and passed through the reactor to isomerize the hydrocarbons. After separating hydrogen reactor effluent, it enters a stabilizer to boost conversion levels. The stabilized isomerate undergoes fractionation to maximize the octane number of the isomerate using de-hexanizer in which unconverted hexanes and low-octane products are separated from products. They are then recycled to be mixed with reactor feed to improve product octane number. This method is applied to feed containing significant amounts of isopentane. Less normal pentane would isomerize because of the equilibrium reaction, as overall concentration would be constrained by the iso-pentane in the feed. The equilibrium is pushed forward and more of the normal pentanes can isomerize when isopentane is removed from the feed. In this unit, the de-hexanizer is employed, and normal C5 and C6 are recycled to the reactor, resulting in greater octane of the produced fuel [8,16].

2.1.5. Feed Properties and Its Requirement

Feed of the four isomerization units has temperature, pressure, and molar flow as 72 °C, 10.3 barg, and 582 kmole/h, respectively. The feed is hydrotreated using cobalt, molybdenum, and nickel oxide as catalysts. Light naphtha composition and properties are listed in Table 1 and Table 2. Makeup hydrogen is produced from the platforming unit in the same company; the liquid volume flow of makeup gas is 7.94 m3/h and detailed makeup gas composition is tabulated in Table 2. This process does not require costly feed pre-fractionation for the removal of C6 cyclic or C7+ hydrocarbons, as it could process feeds with high levels of C6 cyclic and C7+ components. In addition, feeds with noticeable levels of benzene can be processed without the need to separate the saturated section, which allows the removal of benzene in the light naphtha, while an octane upgrade takes place. To maintain catalyst activity, feed should be treated; it is allowed for feed, which contains up to 15 percent C7+ with low effect on design requirements. The feed should not contain benzene higher than 5%. Sulfur is undesirable in the process; it must be removed in the hydrotreater, as it reduces the rate of reaction and octane number of products. Water, nitrogen, and oxygen-containing compounds will poison the catalyst and lower its lifetime, so feed and hydrogen should be dried to remove water to eliminate forming acids [21,22].

2.1.6. Catalyst

Catalyst composed of chlorinated alumina impregnated with 0.25 wt. percentage of platinum is loaded in fixed-bed reactors. No oxygen is allowed to contact the catalyst during loading, as the chloride alumina bond is highly sensitive to oxygen compounds, so oxygen compounds are removed using a molecular sieve. Catalyst loading is dense, so the amount of catalyst in the reactor is increased and continuous addition of perchloro ethylene is necessary to maintain acidity.

2.2. Simulation

Aspen HYSYS is used in this work to simulate the base case study and the three proposed cases. In order to determine the composition and attributes of each stream as well as the product octane number, each case includes a unique simulation model based on the same feed composition and flow rate. Isomerization unit operation in Hysys is a detailed kinetic model of the isomerization unit. It models isomerization, hydrocracking, ring opening, saturation, and heavy reactions. The isomerization reactor is manually tuned since the isomerization unit models one reactor. The isomerization reactor is modeled using the Aspen EORXR model. Isomerization and hydrogenation reactions are reversible, while the other reaction classes are irreversible. Each reaction class is first order with respect to the primary reactant. The reactor has a diameter of 2.7 m and a 7.9 m length; catalyst-specific density is 0.8367 with a void Fraction of 0.25 [24].

2.2.1. Simulation of Base Case

In this process, a de-hexanizer is used after the stabilizer for recycling low-octane components such as straight-chain normal hexane and methyl pentane to the reactor for improving the octane of the produced gasoline as shown in Figure 5. The results of the simulation are presented in Table 3.

2.2.2. Simulation of Proposed Case 1

A once-through isomerization process is more affordable since there is no longer a need for a recycling gas compressor in the isomerization process. This process requires adding chloride continuously to maintain the catalyst’s activity, necessitating the use of a caustic scrubber to neutralize the acidity of the off-gases and prevent corrosion. Additionally, a make-up gas drier is required to remove moisture and extend the catalyst’s lifespan.
Figure 6 shows the simulation of the once-through isomerization process. The simulation results are tabulated in Table 4. This once-through operation produces research octane number (RON) improvement depending on the distribution of isomers in the feed stream. Lower octane components should be isolated and recycled back into the reactors to increase the octane number. As shown in Table 4, the concentration of straight chain components as well as the aromatics are decreased, while the branched-chain components are increased in the stabilized gasoline product. This confirms the upgrading of the produced gasoline octane number.

2.2.3. Simulation of Second Proposed Case

In this case, de-isopentanizer is used ahead of the reactor to separate isopentane from the input stream, as illustrated in Figure 7; the simulation results of the considered process are listed in Table 5.

2.2.4. Simulation of Third Proposed Case

In this process, both fractionators (de-isopentanizer and a de-hexanizer) are introduced as described in Figure 4, resulting in greater octane of the produced fuel [14]; the simulation results are provided in Table 6.

2.2.5. Validation of Base Case Simulation Result

The results of the simulated base case of isomerization unit were validated with the data extracted from an industrial case of isomerization unit at an Egyptian refinery plant located in Alexandria. A comparison between the real state of the base case and simulation results is shown in Figure 8; it confirms that there is a good agreement between the actual and simulated results. Therefore, the base case simulation model can be used to evaluate the performance of the proposed configurations. It is worth mentioning that a similar result was reported by Yu. N. Lebedev who proved that Kedr-89 Co. has revamped several existing isomerization units by adding a DIH tower and an increase in the RON of commercial isomerate has been achieved. The experience of Kedr-89 Co. showed also that fitting isomerization units with a DIH tower increases the RON of commercial isomerate by a minimum of 4–5 points, which nearly almost agrees with the base case result [15].

2.2.6. Simulation Results Discussion

The light naphtha isomerization unit’s simulation was carried out using the feed’s real characteristics and composition. Several scenarios were simulated, and Table 7 displays the obtained process’s octane number of the gasoline product. The employment of both fractionators, before and after the reactor, results in a superior grade of product. This is because the concentration of the normal paraffins at the reactor input increases due to the removal of i-pentane, which forces the reaction to undergo more isomerization. Additionally, the isomerization unit with both a de-hexanizer and a de-isopentanizer has a high-octane number for the produced isomerate compared to the unit with de-hexanizer alone, which is still higher than the unit applying a de-isopentanizer alone.
From (Aspen Hysys V12.1 Help) the Healy blend for RON and MON calculation uses the following formulas:
RON = RONsum + 0.05411(∆RONMON1 − RONsum × ∆RONMON) +
0.00098 (olfsum2 − olf2sum) − 0.00074(Aromsum2 − Arom2sum)
MON = MONsum + 0.03908(∆RONMON2 − MONsum × ∆RONMON) − 7.03 ×
10−7(Aromsum2 − Arom2sum)2)
where
RONsum i R O N i  × vi
MONsum i M O N i  × vi
olfsum i o l f i  × vi
olfsum2 = ∑iolfi2 × vi
Aromsum i A r o m i  × vi
Aromsum2 = ∑iAromi2 × vi
∆RONMON = ∑i(RONi − MONi) × vi
∆RONMON1 = ∑iRONi(RONi − MONi) × vi
∆RONMON2 = ∑iMONi(RONi − MONi) × vi
vi = volume fraction
for stream level blending:
Vol Frac =  v o l u m e   f l o w   i v o l u m e   f l o w   o f   s t r e a m
For component level blending
Vol Frac =  v o l u m e   f l o w   o f   c o m p o n e n t   i   i n   s t r e a m t o t a l   v o l u m e   f l o w   o f   c o m p o n e n t   i n   a l l   s t r e a m

2.3. Economic Study of the Different Investigated Isomerization Processes

All chemical process elements, such as equipment, instruments, electricity, utilities, operating expenses, and feed and product prices are included in the economic assessment for each isomerization case, in order to select the optimal case. Based on the total fixed costs and profits, the payback period and returns on investments (ROI) are determined; a good investment will have a short payback period and a high ROI [25,26].

2.3.1. Capital Investment

Fixed and working capital investments are the two categories of capital investment [24]. Manufacturing fixed capital includes expenses such as those required for the full operation of the process, such as instruments, foundations, insulation, piping, and site separation. Working capital includes expenses required for operation. The sum of both is known as total capital investment.

Capital Costs Calculations

The costs for the current isomerization plant as well as the modified plants with the proposed changes must be calculated according to the current prices. Therefore, it is important for capital costs calculations to use the cost index, which relates the current price of equipment to its price in the past, as presented by the following equation [25,26,27]:
P r e s e n t   c o s t = O r i g i n a l   c o s t × i n d e x   v a l u e   a t   p r e s e n t   t i m e i n d e x   v a l u e   a t   t i m e   o r i g i n a l   c o s t   w a s   o b t a i n e d .
Based on applicable data for the built-in isomerization unit, capital costs were calculated. Figure 9 shows the total capital cost for the original as well as each modification scenario. It is noticed that the isomerization process with adding both a de-hexanizer and a de-isopentanizer has the highest capital cost. This can be attributed to the addition of two extra fractionators and the usage of expensive equipment for recycling unconverted hexanes. This increase in capital cost is a result of the use of additional reboilers, condensers, exchangers, and pumps, which are required with an increase in fractionators. De-hexanizer-based isomerization requires a greater initial investment than iso-pentanizer-based isomerization because a larger reaction section and higher recycling flow are required.

2.3.2. Operating Costs

Raw material costs, operational labor costs, utilities, maintenance and repairs, operating supplies, laboratory charges, catalyst, solvent, depreciation, insurance, and municipal taxes are all included in operating costs. The operating cost also includes the costs of labor, catalysts, chemicals, make-up hydrogen, energy, steam, cooling water, and raw materials (naphtha).
Operating cost = raw material cost (naphtha cost) + electricity cost + steam cost + cooling water cost + labor cost + catalyst cost + chemicals cost + and make-up hydrogen cost [25,26].
Since the cost of feed and hydrogen for each unit is the same, all instances have the same raw material cost. According to the calculation of operating costs, the isomerization unit with both a de-isopentanizer and a de-hexanizer has the highest operating costs as addressed in Table 8.

2.3.3. Profit, ROI, and Payback Period for Different Isomerization Scenarios

The main objective of every endeavor is to make money. Therefore, assessing profit not only determines the success of the project but also clarifies how we spend our money and provides funding for growing businesses. Profit is the refinery’s net cash flow expressed in dollars per time unit. Profit is derived by subtraction of total operating costs from total expenses (total operating costs) as presented by Equation (2) [25]. It should be noted that the price of gasoline was calculated according to U.S. Energy Information Administration [25,27].
P r o f i t = T o t a l   i n c o m e T o t a l   e x p e n s e s
ROI = (average yearly profit/total capital cost) × 100
PC3 of the investigated isomerization processes has the best profit, since the product is of the highest quality; nevertheless, while having the highest operating and capital expenses, the high-grade gasoline generated allows income to exceed the necessary operating costs. Because the unconverted hexane could be recycled, the isomerization process by adding a de-hexanizer (PC3) is quite profitable. A once-through isomerization process (PC1) has the lowest profit because of the low-quality product that is generated after isomerization.
According to the results of the economic analysis, isomerization with adding both a de-hexanizer and a de-isopentanizer produces the greatest octane number and the shortest payback period, as shown in Table 9. As a result, isomerization using a de-hexanizer and a de-isopentanizer is optimized for minimum-cost modeling and is included in the simulation. The original steady state optimizer in Aspen HYSIS version 12.1 is used to minimize cost using two variables at the same time, temperature, and pressure of isomerization reactor feed.

2.4. Process Optimization

The introduced four cases; simple once-through isomerization, isomerization with adding a de-isopentanizer, isomerization with adding a de-hexanizer, and isomerization with adding both of a de-hexanizer and a de-isopentanizer, are simulated to determine the best case with respect to octane number and ROI. The temperature and pressure of the isomerization reactor feed are selected as the optimization variables in this process as indicated in Table 10.

2.4.1. Design Variables

Design parameters include fixed parameters in all optimization runs such as feed conditions and are shown in Table 1. On the other hand, optimization variables include variables, which are allowed to change for the optimization calculation to achieve the optimum value [24]. Design variables used in the original optimizer to reach the lowest isomerization cost are the temperature and pressure of the isomerization reactor. Temperature is controlled by a thermodynamic equilibrium, which is favorable at low temperatures (<200 °C). Equilibrium limits maximum conversion at any given set of conditions. High temperatures increase the catalyst activity and the resulting research octane number. However, at very high temperatures, the concentration of iso-paraffins in the product will decrease since a crack in hydrocarbons to light gases has occurred as a side reaction; this consequently reduces the yield. The increase in pressure does not affect the yield of isomerate but increases the operating cost. On the other hand, decreasing the pressure below a certain value will result in a decrease in the activity of the catalyst, as heavy compounds such as cyclic C6 compounds will block the active sites of the catalyst and decrease its activity. The purpose of the range is to scale the gradients of the cost function and constraints and give similar gradient magnitude for each variable. The gradients of the objective function and constraints vary inversely with the variable ranges [24].
The objective of the optimization is to minimize the total cost, taking into consideration the raw material cost, stabilizer reboiler heating cost, stabilizer condenser cooling cost, heater cost, fractionators reboiler heating cost, and fractionators condenser cooling cost. The original steady state optimizer in Aspen HYSYS version 12.1 is used for cost calculations, which aims to minimize cost, where the temperature and pressure of the feed to the isomerization reactor are the two main affecting variables.
Isomerization unit target is to upgrade the octane number of light naphtha, which is related to anti-knocking quality of gasoline; this is achieved by modifying the structure of straight chain components to be branched chain components.
Optimization of an isomerization process includes two targets: minimum cost and high-octane number of the isomerate product. The operating cost includes the costs of raw material, utility, labor, catalyst, chemicals, and makeup hydrogen. Labor, catalyst, and chemicals costs are fixed in all optimizations runs, and this consequently leads to include only raw material and utility costs in the objective function. The price value is used to calculate the objective function value. Equation (3) is used for determining the objective function value [24]:
Objective Function: Value = Price × Current Value
Objective function = de-isopentanizer Cond utility heat flow(KJ/h) × 7.89 ×10−6 ($/kJ) × 7000 (h/year) + de-isopentanizer reboiler utility heat flow (KJ/h) × 7.5 × 10−5 × 7000 (h/year) + heater utility heat flow(KJ/h) × 5.7 × 10−4 ($/KJ) × 7000 (h/year) + stabilizer Cond utility heat flow(KJ/h) × 7.89 × 10−6 ($/KJ) × 7000 +stabilizer reboiler utility heat flow (KJ/h) × 8.62 × 10−4 ($/KJ) × 7000 (h/year) + deisohexanizer Cond (KJ/h) × 7.89 × 10−6 ($/KJ) × 7000 (h/year) + deisohexanizer reboiler utility heat flow (KJ/h) × 5.7 × 10−4 × ($/KJ) × 7000 (h/year) + feed mass flow rate (kg/h) × 0.918 ($/Kg) × 7000 (h/year) + hydrogen mass flow rate (kg/h) × 6.74 × 10−3 ($/KG) × 7000 (h/year) [28].
Constrain equation: octane number ≥ 86.

2.4.2. Energy Analysis

The utility costs include de-isopentanizer reboiler heat flow, de-isopentanizer condenser heat flow, heater utility heat flow, de-hexanizer reboiler heat flow, de-hexanizer condenser heat flow, stabilizer condenser heat flow, and stabilizer reboiler heat flow costs.
This objective function is minimized to find the optimum conditions. The optimization results reveal that the optimum temperature and pressure of the reactor feed are 155 °C and 45.4 barg, respectively.
It is noticed that the optimized temperature and pressure are greater than operational ones; however, when compared as shown in Table 11, it is discovered that the heat flow of the heater, stabilizer reboiler and condenser, and de-hexanizer reboiler and condenser are lower as the reactor feed temperature is higher, resulting in minimizing cost. This process resulted in an increase in octane numbers by 7% and a decrease in the total cost by 13%.

3. Conclusions

The aim of the current research work is directed to studying, improving, and optimizing an isomerization plant located in Alexandria, Egypt. Three types of changes in the main structure of the isomerization process are introduced. The changes consider the addition of one or two fractionation columns before or after the reactor. The purpose of these fractionators is separating the unreacted normal (unbranched) paraffins to be recycled to the reactor for increasing the octane number of the isomerate product. The simulation and optimization tool used in this paper is Aspen HYSYS version 12.1.
The simulation results showed that the octane number and ROI of the isomerization process using two fractionators (a de-hexanizer and a de-isopentanizer) before and after the reactor increased to 86.5 and 29.9%, respectively. For the process of adding a de-isopentanizer before the reactor, the octane number and ROI reached 78.15 and 20%, respectively. Regarding the isomerization process with adding a de-hexanizer after the reactor, the octane number of 81 and ROI of 17% are obtained. Therefore, adding two fractionators to the original isomerization plant is more profitable with the highest product octane number compared with the other investigated configurations.
This work also studies the optimization of this selected best process to be more profitable. The optimization of this process seeks to find the optimum conditions for the reactor feed. The optimization results showed that the optimum temperature and pressure of the reactor feed are 155 °C and 45.4 bar_g, respectively. It is noticed that the obtained optimum conditions of the reactor feed stream led to the maximum product’s octane number and minimum heat flow of the de-hexanizer and stabilizer, which resulted in a significant decrease in utility costs. The optimization results reveal an increase in octane numbers by 7% and a decrease in the total cost by 13%. These results prove the economic effectiveness of the proposed modification and optimization on the existent isomerization process, which can be applied to similar processes to increase their profitability.

Author Contributions

Conceptualization, W.S.O., S.M.S. and A.A.B.; methodology, W.S.O., A.M.S. and S.M.S.; software, A.M.S., A.E.F.; validation, A.E.F., W.S.O. and A.A.B.; formal analysis, A.E.F. and S.M.S.; investigation, A.E.F., A.M.S. and A.G.G.; resources, W.S.O. and A.A.B.; data curation, A.E.F., A.M.S. and A.G.G.; writing—original draft preparation, A.E.F., W.S.O.; writing—review and editing, A.M.S., A.G.G. and A.A.B.; visualization, A.M.S., S.M.S. and A.G.G.; supervision, W.S.O., S.M.S. and A.A.B.; funding acquisition, A.G.G. and A.A.B. All authors have read and agreed to the published version of the manuscript.

Funding

This work was supported and funded by the Deanship of Scientific Research at Imam Mohammad Ibn Saud Islamic University (IMSIU) (grant number IMSIU-RG23064).

Data Availability Statement

Data are available upon request through the corresponding author.

Conflicts of Interest

The authors declare no conflict of interest.

References

  1. Hasini, A. Pediaa. Available online: https://pediaa.com/HasiniA/what-is-the-difference-between-isomerization-and-reforming/ (accessed on 20 July 2023).
  2. Oyekan, S. Catalytic Naphtha Reforming Process; Taylor & Francis Group, LLC: Boca Raton, FL, USA, 2019. [Google Scholar]
  3. Valavarasu, G.; Sairam, B. Light Naphtha Isomerization Process: A Review. Pet. Sci. Technol. 2013, 31, 580–595. [Google Scholar] [CrossRef]
  4. Petrov, I.; Stratiev, D.; Shishkova, I.; Yordanov, D. A hybrid reformer performance analysis reveals the reason for reformate octane deterioration. Oil Gas Eur. Mag. 2021, 47, 14–20. [Google Scholar]
  5. Tamizhdurai, P.; Ramesh, A.; Krishnan, P.; Narayanan, S.; Shanthi, K.; Sivasanker, S. Effect of acidity and porosity changes of dealuminated mordenite on n-pentane, n-hexane and light naphtha isomerization. Microporous Mesoporous Mater. 2019, 287, 192–202. [Google Scholar] [CrossRef]
  6. Shakor, Z.M.; Ramos, M.J.; AbdulRazak, A.A. A detailed reaction kinetic model of light naphtha isomerization on Pt/zeolite catalyst. J. King Saud Univ.-Eng. Sci. 2022, 34, 303–308. [Google Scholar] [CrossRef]
  7. Hamied, R.S.; Shakor, Z.M.; Sadeiq, A.H.; Razak, A.A.A.; Khadim, A.T. Kinetic Modeling of Light Naphtha Hydroisomerization in an Industrial Universal Oil Products Penex™ Unit. Energy Eng. 2023, 120, 1371–1386. [Google Scholar] [CrossRef]
  8. Naqvi, S.R.; Bibi, A.; Naqvi, M.; Noor, T.; Nizami, A.S.; Rehan, M.; Ayoub, M. New trends in improving gasoline quality and octane through naphtha isomerization: A short review. Appl. Petrochem. Res. 2018, 8, 131–139. [Google Scholar] [CrossRef]
  9. Chekantsev, N.V.; Gyngazova, M.S. Mathematical modeling of light naphtha (C5, C6) isomerization process. J. Chem. Eng. 2014, 238, 120–128. [Google Scholar] [CrossRef]
  10. Hamadi, A.S.; Kadhim, R.A. Material Balance and Reaction Kinetics Modeling for Penex Isomerization Process in Daura Refinery. MATEC Web Conf. 2017, 111, 02012. [Google Scholar] [CrossRef]
  11. Shahata, W.M.; Mohamed, M.F.; Gad, F.K. Monitoring and modelling of variables affecting isomerate octane number produced from an industrial isomerization process. J. Pet. 2018, 27, 945–953. [Google Scholar] [CrossRef]
  12. Chuzlov, V.A.; Chekantsev, N.V.; Ivanchina, E.D. Development of Complex Mathematical Model of Light Naphtha Isomerization and Rectification Processes. Procedia Chem. 2014, 10, 236–243. [Google Scholar] [CrossRef]
  13. Jarullah, A.T.; Abed, F.M.; Ahmed, A.M.; Mujtaba, I.M. Optimization of Several Industrial and Recently Developed AJAM Naphtha Isomerization Processes Using Model Based Techniques. Computers 2019, 126, 403–420. [Google Scholar]
  14. Viswanadham, N.; Saxena, S.K.; Garg, M. Octane number enhancement studies of naphtha over noble metal loaded zeolite catalysts. J. Ind. Eng. Chem. 2013, 19, 950–955. [Google Scholar] [CrossRef]
  15. Lebedev, Y.N.; Ratovskii, Y.Y.; Karmanov, E.V.; Zaitseva, T.M.; Pod’yablonskaya, T.V. Revamping of isomerization units. Chem. Technol. Fuels Oils 2010, 46, 244–247. [Google Scholar] [CrossRef]
  16. Zafar, S. Academia. Penex Process. Available online: https://www.academia.edu/9687674/Penex_Process (accessed on 13 November 2023).
  17. Abd Hamid, M. HYSYS: An Introduction to Chemical Engineering Simulation for UTM Degree++ Program; Universiti Teknologi Malaysia: Skudai, Malaysia, 2007. [Google Scholar]
  18. Chuzlov, V.A.; Molotov, K.V. Semantic Scholor. Available online: https://www.semanticscholar.org/paper/Analysis-of-Optimal-Process-Flow-Diagrams-of-Light-Chuzlov-Molotov/c19bc5029bd217c5cd3c12e44df7d16d5b1aaca6/ (accessed on 6 December 2023).
  19. Hassan, E. Hassanelbanhawi. Available online: http://hassanelbanhawi.com/processes/isomerization-process/ (accessed on 13 November 2023).
  20. Sluzer Technology. Available online: https://www.eia.gov/dnav/pet/PET_PRI_GND_DCUS_NUS_M.htm (accessed on 13 November 2023).
  21. Surinder, P. Refining Processes Handbook, 1st ed.; Gulf Professional Publishing, Ed.; Elsevier: Houston, TX, USA, 2003. [Google Scholar]
  22. Meyer, R.A. Handbook of Petroleum Refining Processes, 3rd ed.; McGraw-Hill Education LLC: New York, NY, USA, 2004. [Google Scholar]
  23. General Operating Manual of Isomerization Unit of an Egyptian Petroleum Refinery Plant, UOP Manuals. 1997. Available online: https://pdfcoffee.com/nht-isom-pdf-free.html (accessed on 20 August 2023).
  24. AspenTech. Aspen HYSYS Petroleum Refining Unit Operations & Reactor Models; Aspen Technology: Bedford, MA, USA, 2016. [Google Scholar]
  25. Peters, M.S. Plant Design and Economics for Chemical Engineers, 5th ed.; McGraw Hill Education LLC: New York, NY, USA, 2003. [Google Scholar]
  26. Gary, J.H.; Handwerk, G.E.; Kaiser, M.J. Petroleum Refining: Technology and Economics, 5th ed.; CRC Press: Boca Raton, FL, USA, 2007. [Google Scholar]
  27. Plant Cost Index, Chemical Engineering. Available online: https://personalpages.manchester.ac.uk/staff/tom.rodgers/Interactive_graphs/CEPCI.html?reactors/CEPCI/index.html (accessed on 15 August 2023).
  28. US Energy Information Administration. Retail Motor Gasoline and On-Highway Diesel Fuel Prices, Monthly Energy Review. 2022. Available online: https://www.eia.gov/petroleum/gasdiesel/ (accessed on 20 August 2023).
Figure 1. Flow diagram of base case [18].
Figure 1. Flow diagram of base case [18].
Processes 11 03406 g001
Figure 2. Flow diagram of first proposed case1 “once through isomerization” [19].
Figure 2. Flow diagram of first proposed case1 “once through isomerization” [19].
Processes 11 03406 g002
Figure 3. Flow diagram of second proposed case 2 [20].
Figure 3. Flow diagram of second proposed case 2 [20].
Processes 11 03406 g003
Figure 4. Simulation for third proposed case.
Figure 4. Simulation for third proposed case.
Processes 11 03406 g004
Figure 5. Simulation of the base case.
Figure 5. Simulation of the base case.
Processes 11 03406 g005
Figure 6. Simulation for first proposed case.
Figure 6. Simulation for first proposed case.
Processes 11 03406 g006
Figure 7. Simulation for second proposed case.
Figure 7. Simulation for second proposed case.
Processes 11 03406 g007
Figure 8. Comparison between real state of base case and simulation result.
Figure 8. Comparison between real state of base case and simulation result.
Processes 11 03406 g008
Figure 9. Capital and operating costs for the four investigated cases of isomerization.
Figure 9. Capital and operating costs for the four investigated cases of isomerization.
Processes 11 03406 g009
Table 1. Naphtha feed and hydrogen conditions [23].
Table 1. Naphtha feed and hydrogen conditions [23].
PropertiesNaphtha FeedHydrogen
Vapor fraction 0.01.0
Temperature, °C 72.038.0
Pressure, barg10.344.6
Molar flowrate, kgmole/h 582.0241.0
Mass flowrate, kg/h 47,807.51246.5
Liquid volume flowrate, m3/h 70.77.9
Table 2. Naphtha feed and hydrogen composition [23].
Table 2. Naphtha feed and hydrogen composition [23].
Component, Mole FractionNaphtha FeedHydrogen
H20.00000.9014
Methane 0.00000.0318
Ethane 0.00000.0282
Propane 0.00000.0233
I-butane 0.00000.0055
n-butane 0.00110.0000
I-pentane 0.11690.0013
n-pentane 0.1330.0063
Cyclopentane 0.01950.0000
2,2-Dimethyl butane 0.00490.0001
2,3-Dimethyl butane 0.01660.0002
2-Methyl pentane 0.1040.0004
3-Methyl pentane 0.09370.0001
Hexane 0.30720.0001
Cyclohexane 0.08690.0000
Benzene 0.03180.0000
Cycloheptane 0.05840.0000
n-heptane 0.02600.0000
H2O 0.00000.0012
Table 3. Different streams conditions and composition for base case.
Table 3. Different streams conditions and composition for base case.
ItemReactor EffluentStabilizer FeedReactor FeedStabilizer over HeadStabilizer BottomOverhead of De-HumanizerBottom of De-HexanizerHexaneIsomerate
Temperature, °C 179.89138.00145.0036.00177.2672.78124.28105.8880.33
Pressure, barg 32.9915.3833.0013.9315.101.032.001.891.03
Molar flowrate, kmole/h 977.48977.481063.32176.05801.43467.7092.39241.33560.1
Mass flowrate, kg/h 69,79369,79369,746292866,86537,863830420,69846,167
H20.1220.1220.2040.6780.0000.0000.0000.0000.000
Methane0.0090.0090.0070.0480.0000.0000.0000.0000.000
Ethane0.0080.0080.0060.0440.0000.0000.0000.0000.000
Propane0.0140.0140.0050.0780.0000.0000.0000.0000.000
i-butane0.0100.0100.0010.0560.0000.0000.0000.0000.000
n-butane0.0060.0060.0010.0330.0000.0000.0000.0000.000
i-pentane0.1270.1270.0640.0620.1410.2420.0000.0000.202
n-pentane0.0500.0500.0740.0020.0600.1030.0000.0000.086
Cyclopentane0.0120.0120.0110.0000.0140.0240.0000.0000.020
2,2-DMC40.1150.1150.0030.0000.1400.2390.0000.0000.200
2,3-DMC40.0390.0390.0110.0000.0480.0770.0000.0090.064
2-MC50.1500.1500.0810.0000.1830.2580.0030.1050.216
3-MC50.0960.0960.1130.0000.1180.0570.0190.2730.050
n-hexane0.0620.0620.2200.0000.0760.0000.0650.2280.011
Cyclohexane0.0860.0860.1090.0000.1050.0000.2010.2720.033
Benzene0.0000.0000.0170.0000.0000.0000.0000.0000.000
Cycloheptane0.0530.0530.0520.0000.0650.0000.3350.0870.055
2,3-DMC50.0000.0000.0000.0000.0000.0000.0000.0000.000
n-heptane0.0140.0140.0160.0000.0170.0000.1280.0090.021
H2O0.0000.0000.0000.0000.0000.0000.0000.0000.000
Table 4. Different stream conditions and composition for first proposed case.
Table 4. Different stream conditions and composition for first proposed case.
PropertiesFeedHydrogenExchanger FeedHeat FeedReactor EffluentStabilizer FeedReactor FeedStabilizer over HeadStabilizer Bottom
Pressure, barg10.344.610.333.933.115.433.913.915.1
Temperature, °C72.038.0
Molar flowrate, kmole/h582.0241.0823.0823.0757.2757.2823.0196.3560.9
Mass flowrate, kg/h47,8081,24749,05449,05449,19349,19349,0542,90746,286
H20.0000.9010.2640.2640.1890.1890.2640.7280.000
methane0.0000.0320.0090.0090.0110.0110.0090.0420.000
Ethane0.0000.0280.0080.0080.0100.0100.0080.0380.000
Propane0.0000.0230.0070.0070.0150.0150.0070.0560.000
I-butane0.0000.0060.0020.0020.0090.0090.0020.0330.000
n-butane0.0010.0000.0010.0010.0050.0050.0010.0190.000
I-pentane0.1170.0010.0830.0830.1530.1530.0830.0810.178
n-pentane0.1330.0060.0960.0960.0560.0560.0960.0020.075
Cyclopentane0.0200.0000.0140.0140.0150.0150.0140.0000.020
2,2-DMC40.0050.0000.0040.0040.1070.1070.0040.0000.145
2,3-DMC40.0170.0000.0120.0120.0350.0350.0120.0000.047
2-MC50.1040.0000.0740.0740.1290.1290.0740.0000.174
3-MC50.0940.0000.0660.0660.0820.0820.0660.0000.110
n-pentane0.3070.0000.2170.2170.0510.0510.2170.0000.069
cyclohexane0.0870.0000.0620.0620.0630.0630.0620.0000.085
benzene0.0320.0000.0230.0230.0000.0000.0230.0000.000
cycloheptane0.0580.0000.0410.0410.0440.0440.0410.0000.060
n-heptane0.0260.0000.0180.0180.0150.0150.0180.0000.021
H2O0.0000.0010.0000.0000.0000.0000.0000.0000.000
Table 5. Different stream conditions and composition for second proposed case.
Table 5. Different stream conditions and composition for second proposed case.
PropertiesHeater FeedReactor EffluentStabilizer FeedReactor FeedStabilizer over HeadStabilizr BottomIsomerateDeiso-Pentanizr BottomI-Pentane
Temperature, °C124.04172.83127.00133.0037.00173.0080.4582.9949.40
Pressure, barg33.8533.8515.3833.8513.9315.101.001.001.00
Molar flowrate, kmole/h764.07696.19696.19764.07180.49515.70574.63523.0758.93
Mass flowrate, kg/h44,81144,96144,96144,811221542,74646,98943,5654243
H20.2840.2020.2020.2840.7800.0000.0000.0000.000
methane0.0100.0120.0120.0100.0450.0000.0000.0000.000
ethane0.0090.0110.0110.0090.0320.0030.0030.0000.000
propane0.0070.0160.0160.0070.0370.0090.0080.0000.000
i-butane0.0020.0090.0090.0020.0150.0070.0060.0000.000
n-butane0.0000.0050.0050.0000.0070.0040.0050.0000.011
i-pentane0.0150.1060.1060.0150.0680.1200.2070.0210.965
n-pentane0.1010.0400.0400.1010.0150.0490.0460.1450.024
Cyclopentane0.0150.0160.0160.0150.0010.0220.0190.0220.000
2,2-DMC40.0040.1140.1140.0040.0010.1540.1380.0060.000
2,3-DMC40.0130.0370.0370.0130.0000.0510.0450.0190.000
2-MC50.0790.1410.1410.0790.0000.1900.1710.1160.000
3-MC50.0710.0900.0900.0710.0000.1210.1090.1040.000
n-hexane0.2340.0570.0570.2340.0000.0760.0690.3420.000
Cyclohexane0.0660.0660.0660.0660.0000.0900.0800.0970.000
benzene0.0240.0000.0000.0240.0000.0000.0000.0350.000
Cycloheptane0.0450.0450.0450.0450.0000.0600.0540.0650.000
n-heptane0.0200.0170.0170.0200.0000.0230.0200.0290.000
Table 6. Different stream conditions and composition for third proposed case.
Table 6. Different stream conditions and composition for third proposed case.
PropertiesReactor EffluentStabilizer FeedReactor FeedStabilizer over HeadStabilizer BottomOverhead
De-hexanizer
Bottom
De-hexanizer
IsomerateDeiso-
Pentanizr Bottom
Recycle
Temperature, °C160.78150.00138.0036.00183.1971.32122.5277.2683.0099.74
Pressure, barg36.4831.3036.5013.9315.101.032.001.001.001.72
Molar flowrate, kmole/h1649164917141951455395108562523951
Mass flowrate, kg/h126,468126,468126,4662591123,87732,755939046,39843,55481,671
H20.0900.0900.1260.7590.0000.0000.0000.0000.0000.000
methane0.0050.0050.0050.0410.0000.0000.0000.0000.0000.000
ethane0.0040.0040.0040.0370.0000.0000.0000.0000.0000.000
propane0.0050.0050.0030.0450.0000.0000.0000.0000.0000.000
i-butane0.0030.0030.0010.0250.0000.0000.0000.0000.0000.000
n-butane0.0010.0010.0000.0110.0000.0000.0000.0010.0000.000
i-pentane0.0430.0430.0070.0800.0380.1410.0000.2000.0210.000
n-pentane0.0150.0150.0450.0030.0170.0630.0000.0470.1450.000
Cyclopentane0.0070.0070.0070.0000.0080.0290.0000.0200.0220.000
2,2-DMC40.1690.1690.0120.0000.1910.6600.0000.4640.0060.018
2,3-DMC40.0530.0530.0460.0000.0610.0460.0000.0320.0190.073
2-MC50.2000.2000.2150.0000.2270.0580.0000.0410.1160.323
3-MC50.1260.1260.1520.0000.1430.0040.0000.0030.1040.216
n-hexane0.0770.0770.1780.0000.0870.0000.0040.0010.3420.133
cyclohexane0.1040.1040.1150.0000.1170.0000.2160.0410.0970.155
benzene0.0000.0000.0110.0000.0000.0000.0000.0000.0350.000
Cycloheptane0.0780.0780.0590.0000.0890.0000.5850.1120.0650.070
n-heptane0.0130.0130.0130.0000.0140.0000.1240.0240.0290.008
H2O0.0000.0000.0000.0000.0000.0000.0000.0000.0000.000
H20.0900.0900.1260.7590.0000.0000.0000.0000.0000.000
methane0.0050.0050.0050.0410.0000.0000.0000.0000.0000.000
Table 7. Isomerate octane number for the four cases of isomerization unit modifications.
Table 7. Isomerate octane number for the four cases of isomerization unit modifications.
The Modified Isomerization UnitIsomerate Reasearch Octane Number (RON)
PC177.06
PC278.15
BC80.91
PC386.42
Table 8. Operating costs of the four cases of isomerization processes [28].
Table 8. Operating costs of the four cases of isomerization processes [28].
ItemPC1PC2BCPC3
Price of feed naphtha, USD/tone918918918918
Price of produced isomerate, USD/Gallon2.712.722.93.2
Octane number of produced isomerate77.0678.1580.9186.42
Volume of produced isomerate, Gallon /hour18,24518,60618,321.618,340
Hydrogen price, USD/MT6746674667466746
Total utilities cost, USD/year5,221,7102,029,9908,965,58016,845,500
Total raw materials cost, USD/year307,268,000307,268,000307,267,000307,268,000
Total operating cost, USD/year338,357,000335,180,000342,897,000351,879,000
Total product sales, USD/year345,126,000354,426,000372,345,000411,075,000
Table 9. Profit, ROI, and payback period for different isomerization scenarios.
Table 9. Profit, ROI, and payback period for different isomerization scenarios.
Item BCPC1PC2 PC3
Profit, USD/year 6,769,00019,246,00029,448,00059,196,000
ROI, % 10.6920.251730.99
Payback period, year 9.354.9365.853.23
Table 10. Design variable range.
Table 10. Design variable range.
VariableMinimumMaximum
Temperature °C120160
Pressure barg17.774
Table 11. Heat flows of different types of utilities for the optimized and non-optimized isomerization process with adding of a de-hexanizer and a de-isopentanizers.
Table 11. Heat flows of different types of utilities for the optimized and non-optimized isomerization process with adding of a de-hexanizer and a de-isopentanizers.
Utility TypeHeat Flow of Non-Optimized Process, kJ/hHeat Flow of the Optimized Process, kJ/h
De-isopentanizer condenser19,035,232.219,035,232
De-isopentanizer reboiler21,340,938.321,340,938
De-hexanizer condenser104,831,445.363,822,765
De-hexanizer reboiler138,039,323.649,638,262
Stabilizer reboiler70,816,415.755,973,348
Stabilizer condenser59,885,821.444,419,607
Heater energy12,891,639.911,214,280
Disclaimer/Publisher’s Note: The statements, opinions and data contained in all publications are solely those of the individual author(s) and contributor(s) and not of MDPI and/or the editor(s). MDPI and/or the editor(s) disclaim responsibility for any injury to people or property resulting from any ideas, methods, instructions or products referred to in the content.

Share and Cite

MDPI and ACS Style

Osman, W.S.; Fadel, A.E.; Salem, S.M.; Shoaib, A.M.; Gadallah, A.G.; Bhran, A.A. Optimum Design of Naphtha Recycle Isomerization Unit with Modification by Adding De-Isopentanizer. Processes 2023, 11, 3406. https://doi.org/10.3390/pr11123406

AMA Style

Osman WS, Fadel AE, Salem SM, Shoaib AM, Gadallah AG, Bhran AA. Optimum Design of Naphtha Recycle Isomerization Unit with Modification by Adding De-Isopentanizer. Processes. 2023; 11(12):3406. https://doi.org/10.3390/pr11123406

Chicago/Turabian Style

Osman, Walaa S., Asmaa E. Fadel, Shazly M. Salem, Abeer M. Shoaib, Abdelrahman G. Gadallah, and Ahmed A. Bhran. 2023. "Optimum Design of Naphtha Recycle Isomerization Unit with Modification by Adding De-Isopentanizer" Processes 11, no. 12: 3406. https://doi.org/10.3390/pr11123406

APA Style

Osman, W. S., Fadel, A. E., Salem, S. M., Shoaib, A. M., Gadallah, A. G., & Bhran, A. A. (2023). Optimum Design of Naphtha Recycle Isomerization Unit with Modification by Adding De-Isopentanizer. Processes, 11(12), 3406. https://doi.org/10.3390/pr11123406

Note that from the first issue of 2016, this journal uses article numbers instead of page numbers. See further details here.

Article Metrics

Back to TopTop