Gas–Liquid Two-Phase Flow Investigation of Side Channel Pump: An Application of MUSIG Model
Abstract
1. Introduction
2. Numerical Model and Simulation
2.1. Pump Model
2.2. Boundary Setting and Mesh Independence
2.3. Turbulence Model
2.4. MUSIG Model
2.5. Monitoring Points
3. Experimental Pump Performance Characteristics
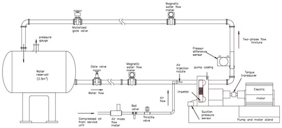
3.1. Experimental Apparatus
3.2. Experimental Validation with the MUSIG
4. Results and Discussion
4.1. Head Fluctuation
4.2. Analysis on the Internal Flow Characteristics
4.2.1. Pressure and Velocity Analysis
4.2.2. Exchanged Mass Flow
4.3. Gas Distribution in Side Channel Pump
4.3.1. GVF Distribution in the Impeller
4.3.2. GVF Variations
4.3.3. Bubble Diameter Distribution in the Entire Flow Domain
4.3.4. Bubble Diameter Variations
4.3.5. Bubble Diameter Variation at Different Heights
5. Conclusions
- With increasing IGVF, the pump performance tends to have an obvious degradation and the operation range of the hydraulic head becomes shortened. Thus, the side channel pump is significantly sensitive to the inlet gas quantity.
- The suction side of the blade is more likely to concentrate bubbles, especially near the inner radius of the blades where the GVF is always double that of other regions. However, at the outer radius of the impeller, there is very little or no gas.
- In general, the diameter of bubbles in the impeller and side channel are similar and small for most regions due to the strong shear turbulence flow, which eliminates large bubbles, except for the inner radius of axial gap. In the impeller, the diameter of bubbles in the middle of the blades is also relatively higher than for other parts.
- In addition, once mixture fluid goes into the impeller from the inlet pipe, the large bubbles break immediately. No gas hold up will occur in the impeller passage caused by large bubbles. Thus, this is why all side channel pumps have the capacity to deliver gas–liquid two-phase flow.
- Finally, this study reveals that the GVF and large diameter are mainly concentrated at the inner radius and gaps close to the inlet region. Therefore, to process higher amounts of gas during oil exploration and transportation of volatile chemicals, an additional gas-out hole is recommended in this region.
Author Contributions
Funding
Acknowledgments
Conflicts of Interest
Nomenclature
| g | Acceleration due to gravity, m/s2 |
| ns | Specific speed |
| D1 | Inner diameter, mm |
| D2 | Outer diameter, mm |
| w | Blade width, mm |
| b | Blade thickness, mm |
| θ | Suction angle, ° |
| σ | Radial clearance, mm |
| s | Axial clearance, mm |
| φ | Wrapping angle, ° |
| D3 | Side channel diameter, mm |
| Q | Flow rate, m3/h |
| n | Rotating speed, rpm |
| ρ | Density, kg/m3 |
| H | Head, m |
| YPlus | Non-dimensional wall distance |
| k | Kinetic energy of turbulence, m2/s2 |
| ϵ | Dissipation of kinetic energy of turbulence, m2/s2 |
| ω | Specific dissipation of turbulence kinetic energy, s-1 |
| t | Time, s |
| x, y, z | Coordinates in stationary frame |
| xi | Cartesian coordinates: x, y, z |
| i, j | Components in different directions |
| μ | Dynamic viscosity, Pa.s |
| β’, γ | Turbulence –model coefficients |
| μT | Turbulent viscosity, m2/s |
| σk, σω | Turbulence-model coefficients |
| m | Mass, kg |
| ς | Mass, kg |
| h | Height of the side height, mm |
| ψ | Head coefficient |
| BB | Birth rate due to breakdown of larger particles |
| DB | Death rate due to breakdown into smaller particles |
| BC | Birth rate due to coalescence of smaller particles |
| DC | Death rate due to coalescence with other particles |
| Abbreviations | |
| IGVF | Inlet gas volume fraction |
| MUSIG | Multi size group |
| 3-D | Three dimensional |
| CFD | Computational fluid dynamics |
| SST | Shear stress transport |
References
- Kosmowski, I. Behavior of centrifugal pump when conveying gas entrained liquids. In Proceedings of the 7th Technical conference of BPMA, Cranfield, UK, July 1981; pp. 283–291. [Google Scholar]
- Appiah, D.; Zhang, F.; Yuan, S.Q.; Osman, M.K. Effects of the Geometrical Conditions on the Performance of a Side Channel Pump: A review. Int. J. Energy Res. 2018, 42, 416–428. [Google Scholar] [CrossRef]
- Siemen, O.; Hinsch, J. A Circulation Pump Which Acts Partially with Sealing Circling Auxiliary Liquid. Germany Patent 413435, 3 March 1920. [Google Scholar]
- Ritter, C. About Self-Priming Centrifugal Pumps and Experiments on a New Same Kind of Pump; Phd TU Dresden: Dresden, Germany, 1930. [Google Scholar]
- Rchmiedchen, W. Investigations on Centrifugal Pumps with Lateral Ring Channel; Phd TU Dresden: Dresden, Germany, 1932. [Google Scholar]
- Surek, D. The influence of the geometry of the blade on the gradient of characteristic lines of side channel machines. Res. Eng. 1998, 64, 17382. [Google Scholar]
- Fleder, A.; Böhle, M. A Study of the Internal Flow Structure in a Side Channel Pump. In Proceedings of the ISROMAC-14, Honolulu, HI, USA, 27 February–2 March 2012. [Google Scholar]
- Fleder, A.; Böhle, M. A Systematical Study of the Influence of Blade Length, Blade Width and Side Channel Height on the Performance of a Side Channel Pump. ASME J. Fluid Eng. 2015, 137, 121102. [Google Scholar] [CrossRef]
- Zhang, F.; Appiah, D.; Yuan, S.Q. Energy loss evaluation in a side channel pump under different wrapping angles using entropy production method. Int. Commun. Heat Mass Transfer 2020, 113, 104526. [Google Scholar] [CrossRef]
- Zhang, F.; Böhle, M.; Yuan, S.Q. Experimental investigation on the performance of a side channel pump under gas–liquid two-phase flow operating condition. Proc. Inst. Mech. Eng. Part A J. Power Energy 2017, 231, 645–653. [Google Scholar] [CrossRef]
- Fleder, S.; Hassert, F.; Böhle, M. Influence of Gas-Liquid Multiphase-Flow on Acoustic Behavior and Performance of Side Channel Pumps. In Proceedings of the ASME 2017 Fluids Engineering Division Summer Meeting, Waikoloa, HI, USA, 30 July–3 August 2017. [Google Scholar]
- Minemura, K.; Murakami, M. Effects of entrained air on the performance of a centrifugal pump (first report, performance and flow conditions). Bull. JSME 1974, 17, 1047–1055. [Google Scholar]
- Minemura, K.; Murakami, M. Effects of entrained air on the performance of a centrifugal pump (second report, effects of number of blades). Bull. JSME 1974, 17, 1286–1295. [Google Scholar]
- Verde, W.; Biazussi, J.; Sassim, N. Experimental study of gas-liquid two-phase flow patterns within centrifugal pumps impellers. Exp. Therm. Fluid Sci. 2017, 85, 37–51. [Google Scholar] [CrossRef]
- Furuya, O. An analytical model for prediction of two-phase(noncondensable) flow pump performance. J. Fluids Eng. (Trans. ASME) 1985, 107, 139–147. [Google Scholar] [CrossRef]
- Minemura, K.; Tomomi, U. Prediction of air-water two-phase flow performance of a centrifugal pump based on one-dimension two-fluid model. J. Fluids Eng. (Trans. ASME) 1998, 120, 327–334. [Google Scholar] [CrossRef]
- Poullikkas, A. Compressibility and condensation effects when pumping gas-liquid mixtures. Fluids Dyn. Res. 1999, 25, 55–62. [Google Scholar] [CrossRef]
- Si, H.; Su, X.; Jing, G. Unsteady numerical simulation for gas–liquid two-phase flow in self-priming process of centrifugal pump. Sci. Technol. Rev. 2014, 85, 694–700. [Google Scholar]
- Wu, Y.L. Three-dimension calculation of oil-bubble flows through a centrifugal Pump impeller. In Proceedings of the Third Internal Conference on Pump and Fan; Tsinghua University Press: Beijing, China, 1998; pp. 526–532. [Google Scholar]
- Barrios, L.; Prado, M.G. Modeling two phase flow inside an electrical submersible pump stage. J. Energy Resour. Technol. 2009, 133, 227–231. [Google Scholar]
- Xiaojun, L.; Bo, C.; Xianwu, L.; Zuchao, Z. Effects of flow pattern on hydraulic performance and energy conversion characterisation in a centrifugal pump. Renew. Energy 2020, 151, 475–487. [Google Scholar]
- Lo, S. Application of the MUSIG model to bubbly flows. AEA Technology AEAT-1096 1996, 230, 8216–8246. [Google Scholar]
- Lucas, D.; Krepper, E.; Prasser, H.M. Evolution of flow patterns, gas fraction profiles and bubble size distributions in gas-liquid flows in vertical tubes. Trans. Inst. Fluid-Flow Machinery 2003, 112, 37–46. [Google Scholar]
- Krepper, E.; Lucas, D.; Prasser, H. On the modelling of bubbly flow in vertical pipes. Nucl. Eng. Design 2005, 235, 597–611. [Google Scholar] [CrossRef]
- Krepper, E.; Lucas, D.; Frank, T. The inhomogeneous MUSIG model for the simulation of polydispersed flows. Nucl. Eng. Des. 2008, 238, 1690–1702. [Google Scholar] [CrossRef]
- Liao, Y.; Lucas, D. A literature review of theoretical models for drop and bubble breakup in turbulent dispersions. Chem. Eng. Sci. 2009, 64, 3389–3406. [Google Scholar] [CrossRef]
- Frank, T.; Zwart, P.; Krepper, E. Validation of CFD models for mono- and polydisperse air–water two-phase flows in pipes. Nucl. Eng. Des. 2008, 238, 647–659. [Google Scholar] [CrossRef]
- Liao, Y.; Lucas, D. A literature review on mechanisms and models for the coalescence process of fluid particles. Chem. Eng. Sci. 2010, 65, 2851–2864. [Google Scholar] [CrossRef]
- Liao, Y.; Lucas, D.; Krepper, E. Development of a generalized coalescence and breakup closure for the inhomogeneous MUSIG model. Nucl. Eng. Des. 2011, 241, 1024–1033. [Google Scholar] [CrossRef]
- Liao, Y.; Rzehak, R.; Lucas, D. Baseline closure model for dispersed bubbly flow: Bubble coalescence and breakup. Chem. Eng. Sci. 2015, 122, 336–349. [Google Scholar] [CrossRef]
- Bhole, M.; Joshi, J.; Ramkrishna, D. CFD simulation of bubble columns incorporating population balance modeling. Chem. Eng. Sci. 2008, 63, 2267–2282. [Google Scholar] [CrossRef]
- Yeoh, G.; Tu, J. Population balance modelling for bubbly flows with heat and mass transfer. Chem. Eng. Sci. 2004, 59, 3125–3139. [Google Scholar] [CrossRef]
- Sherman, C.; Yeoh, G.; Tu, J. Population balance modeling of bubbly flows considering the hydrodynamics and thermomechanical processes. Aiche J. 2008, 54, 1689–1710. [Google Scholar]
- Zhang, F.; Appiah, D.; Zhang, J.F. Transient flow characterization in energy conversion of a side channel pump under different blade suction angles. Energy 2018, 161, 635–648. [Google Scholar] [CrossRef]
- Celik, I.; Ghia, U. Procedure for Estimation and Reporting of Uncertainty Due to Discretization in CFD Applications. J. Fluids Eng. 2008, 130, 078001. [Google Scholar]
- Pei, J.; Fan, Z.; Appiah, D. Performance prediction based on effects of wrapping angle of a side channel pump. Energies 2019, 12, 139. [Google Scholar] [CrossRef]
- Wang, Y.F.; Zhang, F.; Yuan, S.Q. Effect of Unrans and Hybrid Rans-Les Turbulence Models on Unsteady Turbulent Flows Inside a Side Channel Pump. ASME J. Fluids Eng. 2020, 142, 061503. [Google Scholar] [CrossRef]
- Menter, F. Two equation k-w turbulence models for aerodynamic flows. In Proceedings of the 23rd Fluid Dynamics, Plasma dynamics, and Lasers Conference, Orlando, FL, USA, 6–9 July 1993; p. 2906. [Google Scholar]
- Menter, F. Two-equation eddy-viscosity turbulence models for engineering applications. AIAA J 1994, 32, 1598–1605. [Google Scholar] [CrossRef]
- ANSYS, Inc. ANSYS Academic Research, Release 15.0, Help System, ANSYS CFX-Solver Theory Guide; 15317; ANSYS, Inc.: Canonsburg, PA, USA, 2013. [Google Scholar]
- Luo, X.W.; Ji, B. A review of cavitation in hydraulic machinery. J. Hydrodyn. 2016, 28, 335–358. [Google Scholar] [CrossRef]
- Bachert, B.; Brunn, B.; Stoffel, B. Experimental Investigations Concerning Influences on Cavitation Inception at an Axial Test Pump. In Proceedings of the ASME-JSME Joint Fluids Summer Engineering Conference, Honolulu, HI, USA, 6–10 July 2003. [Google Scholar]
- Pei, J.; Osman, M.K.; Wang, W. Unsteady flow characteristics and cavitation prediction in the double-suction centrifugal pump using a novel approach. Proc. Institut. Mech. Eng. Part A J. Power Energy 2019. [Google Scholar] [CrossRef]
- Zhang, F.; Chen, K.; Appiah, D. Numerical Delineation of 3D Unsteady Flow Fields in Side Channel Pumps for Engineering Processes. Energies 2019, 12, 1287. [Google Scholar] [CrossRef]
























| Domain | Grid Number (×106) | Grid Quality Criterion | Average Yplus | |||
|---|---|---|---|---|---|---|
| Determinant 3 × 3 × 3 | Angle (°) | Aspect Ratio | Mesh Size (mm) | |||
| Inlet | 0.1 | 0.60–1 | 46.89–89.64 | 1.27–40.1 | 0.01–1.5 | 18.54 |
| Impeller | 3.4 | 0.62–1 | 20.62–87.91 | 1.10–23.0 | 0.01–0.8 | 34.28 |
| Side channel | 1.0 | 0.57–1 | 37.78–89.90 | 1.28–42.4 | 0.01–1.5 | 43.94 |
| Point | Impeller | x (mm) | y (mm) | z (mm) |
|---|---|---|---|---|
| 1 | IM1 | −36 | −62.35 | 7.5 |
| 2 | IM2 | −33 | −57.16 | 7.5 |
| 3 | IM3 | −30 | −51.96 | 7.5 |
| 4 | IM4 | −27 | −46.77 | 7.5 |
| 5 | IM5 | −24 | −41.57 | 7.5 |
| 6 | IM6 | −21 | −36.37 | 7.5 |
© 2020 by the authors. Licensee MDPI, Basel, Switzerland. This article is an open access article distributed under the terms and conditions of the Creative Commons Attribution (CC BY) license (http://creativecommons.org/licenses/by/4.0/).
Share and Cite
Zhang, F.; Chen, K.; Zhu, L.; Appiah, D.; Hu, B.; Yuan, S. Gas–Liquid Two-Phase Flow Investigation of Side Channel Pump: An Application of MUSIG Model. Mathematics 2020, 8, 624. https://doi.org/10.3390/math8040624
Zhang F, Chen K, Zhu L, Appiah D, Hu B, Yuan S. Gas–Liquid Two-Phase Flow Investigation of Side Channel Pump: An Application of MUSIG Model. Mathematics. 2020; 8(4):624. https://doi.org/10.3390/math8040624
Chicago/Turabian StyleZhang, Fan, Ke Chen, Lufeng Zhu, Desmond Appiah, Bo Hu, and Shouqi Yuan. 2020. "Gas–Liquid Two-Phase Flow Investigation of Side Channel Pump: An Application of MUSIG Model" Mathematics 8, no. 4: 624. https://doi.org/10.3390/math8040624
APA StyleZhang, F., Chen, K., Zhu, L., Appiah, D., Hu, B., & Yuan, S. (2020). Gas–Liquid Two-Phase Flow Investigation of Side Channel Pump: An Application of MUSIG Model. Mathematics, 8(4), 624. https://doi.org/10.3390/math8040624

