Abstract
The human brain is an extremely sophisticated system. Several neural models have been proposed to mimic and understand brain function. Most of them incorporate memristors to simulate autapse or self-coupling, electromagnetic radiation and the synaptic weight of the neuron. This article introduces and studies the dynamics of a Hopfield neural network (HNN) consisting of four neurons, where one of the synaptic weights of the neuron is replaced by a memristor. Theoretical aspects such as dissipation, the requirements for the existence of attractors, symmetry, equilibrium states and stability are studied. Numerical investigations of the model reveal that it develops very rich and diverse behaviors such as chaos, hyperchaos and transient chaos. These results obtained numerically are further supported by the results obtained from an electronic circuit of the system, constructed and simulated in PSpice. Both approaches show good agreement. In light of the findings from the numerical and experimental studies, it appears that the 4D Hopfield neural network under consideration in this work is more complex than its original version, which did not include a memristor.
Keywords:
4D Hopfield neural network; theoretical analyses; numerical investigations; complicated behaviors; analog circuit implementation MSC:
34C28; 37D45; 65P20
1. Introduction
Many interconnected neurons make up the brain system. It is classed as one of the most complex systems. Neuroscience studies show that brain function is closely linked to a variety of dynamic phenomena [1]. It has been found that the chaotic patterns exhibited by the brain are related to some neurological diseases, among which we can cite epilepsy [2], Alzheimer’s disease [3], etc. A multitude of neural network models have been proposed and investigated. In the literature, the HNN model is widely investigated due to its ability to better describe the brain [4]. This is why so many studies have been conducted on this model. For example, Huang with his colleagues [5] constructed an HNN model using two biological neural systems, which was discovered to exhibit self-excited extreme multistability. Initial offset boosting behavior and image encryption are studied in an HNN system consisting of a memristor in [6]. Lin with his co-partners [7] discovered rich patterns in an HNN system exposed to electromagnetic radiation. Kamdoum and co-workers [8] have coupled two Hopfield neurons through a multistable memrsitor. They implemented the proposed network model through microcontroller and developed a scheme for image encryption. In [9], the authors explored a model integrating diverse categories of external factors. Deng et al. [10] developed chaotic patterns and image encryption in a Hopfield neural network model impacted by an activation threshold neuron. All these fascinating works prove clearly that the Hopfield neural network is very interesting and has a crucial role in a field of study like neuroscience. Li’s group [11] found hyperchaos for some weight matrices in an HNN with four neurons. Following them, Huang and Yang [12] discovered hyperchaos in a novel HNN model. Kong and colleagues [13] introduced a memristor into a fractional-order Hopfield neuron model to generate hyperchaos, multiscroll and extreme multistability. They implemented the model via microcontroller and designed an algorithm for image encryption. The dynamics and analog circuit of a hyperchaotic HNN, having a wide variety of behaviors, were reported in [14].
All these works show the great interest in Hopfield-type neural networks. Inspired by these works, this paper introduces a Hopfield-class neural network with four neurons and a nonlinear synaptic weight that can develop chaos, hyperchaotic behavior and transient chaos. A chaotic neural network with four neurons like the one studied in this work can provide a balance between complexity and stability. It can exhibit rich dynamical behaviors, such as multiple coexisting states, hyperchaos, and controlled bifurcations, which are useful for applications in memory storage and information processing. Compared to smaller networks, it offers more flexibility in encoding patterns while avoiding the excessive computational costs seen in larger networks. Additionally, its chaotic nature can be leveraged for secure communication and encryption techniques. Overall, four-neuron chaotic networks provide an efficient way to explore nonlinear dynamics in neural computing. The contributions of this paper can be summarized as follows:
- -
- Introduce a Hopfield-class neural network having a nonlinear synaptic weight and capable of generating interesting dynamics such as chaos, hyperchaos and transient chaos;
- -
- Present simulations to emphasize the rich behaviors exhibited by the proposed HNN model;
- -
- Develop and implement an electronic circuit in PSpice capable of reproducing the complex behaviors of the studied HNN model.
The other parts of this work are organized as follows: Section 2 presents the design of the model and the analysis of its basic properties, such as dissipation, the conditions for the existence of attractors, symmetry, the fixed points and their stabilities. Section 3 outlines the dynamic behaviors of the model, and the electronic circuit necessary for the study of our HNN model, designed and simulated in PSpice, is described in Section 4. This is done with a view to giving more credit to theoretical and numerical studies. Finally, Section 5 brings a conclusion to this work.
2. Model Design and Analysis of Its Basic Properties
2.1. Model Design
The HNN is an efficient model for simulating human brain behaviors. Its mathematical description studied in [15] is given by
in which the different terms are identified as follows: is the state variable which represents the voltage across the capacitor ; is the resistance enveloping the neuron; is the bias current; is the function used to activate the neuron; and is the synaptic weight which represents the strength of neuronal connections. In this study, we consider that
where The HNN model studied in this work is constructed based on the diagram in Figure 1a and its detailed form in Figure 1b.
Figure 1.
Diagram of the studied HNN model (a) and its detailed form (b).
With reference to Figure 1, the state equation of the studied HNN model is described as follows:
In the studied HNN model (3), the synaptic weight w44 will be considered as the main control bifurcation parameter. This is due to its considerable influence on the dynamics of the system under study.
2.2. Evaluation of the Basic Properties of the Studied HNN Model
Here, we evaluate some basic characteristics of the studied HNN model, among which we have dissipation, the conditions for the existence of attractors, symmetry, and the equilibrium states and their stability.
The method described in [16,17] is used to evaluate dissipation. According to this method, system (3) can be transformed into the following form:
Let be the volume of Ω(t) (where Ω(t) is a space in ). Its derivative with respect to time is
with representing the contraction rate of the volume. This volume contraction rate can easily be expressed as follows:
Given that a = 1, b = 0.2 and ) with the specific values of the parameters and , the studied HNN model is dissipative and can consequently sustain attractors.
The method described in [18,19] is used to prove that the HNN model under consideration is bounded. Based on this method, let the Lyapunov function be defined as
where its time derivative is
For the sake of simplifying the calculations, let us define
From the above, the following equation is obtained:
Given that ; .
Therefore, the function is bounded and
So, considering the above, Equation (10) becomes the following:
Thus,
Assuming a large region D0 > 0 and D = V (x1, x2, x3, x4), such that D > D0, the following inequality exists:
where >0.
Then,
From the above, Therefore,
This indicates that the studied HNN model is bounded.
For the study of the symmetry of the HNN model under investigation, we consider the following: By applying the transformation , the system changes. It can be concluded that the system is asymmetric and only has asymmetric attractors.
To calculate the equilibrium states of the HNN model under investigation and sort out their corresponding stability, the following equation is considered, which is obtained by equating the right-hand side of all the equations in (3) to zero as shown below:
The Jacobian matrix at any equilibrium state ; ; is expressed as follows:
where =. The eigenvalues at the equilibrium state ; ; are the solutions of Equation (17):
The coefficients are given by system (19).
By applying the Routh–Hurwitz criterion [20] to Equation (17), the following inequalities are obtained:
where .
The results of the stability analysis are shown in Table 1 for some adjusted values of the synaptic weight .
Table 1.
Equilibrium states and their stability for some adjusted values of the synaptic weight .
3. Complicated Dynamics in the Studied HNN Model
In this section, numerical simulations of the studied HNN model performed to illustrate its dynamic behaviors are described. These numerical simulations were performed using Runge Kuta’s algorithm, in which a step size of 0.001 was considered. The Lyapunov exponent spectra were computed with the help of the algorithm described in [21].
The behaviors of a dynamic system are better explored when it is studied by simultaneously varying at least two of its parameters. This approach makes it possible to delimit the regions where different system behaviors are localized. This facilitates the choice of system parameter values according to the desired application. Figure 2 shows the dynamic behaviors of the studied HNN model when two of its parameters are varied simultaneously.
Figure 2.
Dynamic behaviors of the studied HNN model in (a) the plane and (b) the plane.
In Figure 2, the chaotic behavior is marked in the yellow and black areas, while periodic behavior is localized in the green and blue areas. This result can help the engineer when designing such a system. Indeed, it shows that if chaotic behavior is desired, then the choice of parameters should be made in the yellow and red color zones. However, if periodic behavior is desired, then parameter values should be selected in the green and blue color zones.
The dynamic behavior of the system is further analyzed through the bifurcation diagram shown in Figure 3a and its Lyapunov exponent spectra in Figure 3b for , and the initial conditions .
Figure 3.
Local maxima of neuron x3 (a) versus synaptic weight and (b) Lyapunov exponent spectra for , and the initial conditions .
Looking at Figure 3, when the synaptic weight is varied in an increasing direction (from 120 to 200), the system under study exhibits periodic, chaotic and hyperchaotic behaviors. Periodic behavior is located at intervals where or , chaotic behavior is localized at intervals of parameter w44 where , and hyperchaotic behavior is observed at the intervals of parameter w44 (156 < < 171.4), where the first two Lyapunov exponents and are positive.
The bifurcation diagram with the Lyapunov exponent spectra in Figure 4 examines the impact of the synaptic weight w22 on the dynamical behavior of the model.
Figure 4.
Local maxima of neuron x1 (a) versus synaptic weight and (b) Lyapunov exponent spectra for , and the initial conditions .
Looking at the results in Figure 4, it is clear that when the synaptic weight values of w22 change, the system’s behavior is affected. For some values of w22, the system is periodic (with w22 varying roughly between 0 and 1.55), and for other values of w22, the system is chaotic ( with w22 varying roughly between 1.55 and 1.8) and hyperchaotic (with w22 varying roughly between 1.8 and 2.1). This confirms that changing synaptic weight values of w22 have an impact on system stability.
To illustrate, a sample of hyperchaotic phase portraits in different planes are shown in Figure 5 for some values of the synaptic weight .
Figure 5.
Hyperchaotic attractors generated in the studied HNN model for particular values of the synaptic weight : (a) for w44 = 160; (b) for w44 = 165; (c) for w44 = 169 and (d) for w44 = 171. The remaining parameter values and initial conditions are w22 = 2, w21 = 0.25 and .
Transient chaos, or metastable chaos, is a fascinating phenomenon in dynamical systems where chaotic behavior appears temporarily before the system settles into a regular, predictable state. Unlike sustained chaos, which persists indefinitely, transient chaos occurs when trajectories exhibit chaotic motion for a finite time before eventually stabilizing.
This behavior is often linked to chaotic saddles, which are unstable structures in phase space that temporarily trap trajectories, causing them to behave unpredictably before escaping. The duration of transient chaos depends on the initial conditions and system parameters. Some trajectories may experience chaotic motion for longer than others, depending on the considered initial conditions and the values of the parameters of the system.
Transient chaos is observed in various systems, including mathematical models [22,23,24], mechanical systems [25], electrical circuits [26,27], and biological networks [28]. For example, in turbulence, fluid motion may appear chaotic for a while before transitioning to a steady flow. Similarly, in neural networks, transient chaotic activity can influence signal processing before stabilizing.
During the numerical simulations of the HNN model under study, it was observed that the initial conditions impacted its behavior considerably. For specific initial conditions, the time series presents a region of irregular and regular states (i.e., transient chaos), as shown in Figure 6.
Figure 6.
Evidence of transient chaos in the HNN model under study. (a) chaotic behavior for t < 4000 and periodic behavior for t > 4000 with a fixed value w44 = 147, (b) Lyapunov exponents. The remaining parameter values and initial conditions are w22 = 2, w21 = 0.25 and .
Looking at Figure 6, two phases can be distinguished: a chaotic phase for t < 4000 and a periodic one for t > 4000. Transient chaos is confirmed by the time Lyapunov exponent graph, where we see that for t < 4000, the maximum Lyapunov exponent is positive (reflecting chaotic behavior) and negative or zero for t > 4000 (reflecting periodic behavior).
It is important to note that transient chaos can influence a two-parameter bifurcation diagram by introducing regions where the system exhibits chaotic behavior temporarily before settling into a stable state. In such cases, the bifurcation diagram may show complex transitions between periodic and chaotic regimes, with transient chaotic behavior appearing in certain parameter ranges. For example, in electrical engineering, engineers use two-parameter bifurcation diagrams to analyze how different system parameters such as voltage levels and load variations affect stability. If transient chaos is present, the two-parameter bifurcation diagram may show regions where the system behaves unpredictably for a finite time before settling into a stable operating condition. This helps identify critical thresholds where the system transitions between chaotic and periodic behavior.
4. PSpice-Based Circuit Simulations
Here, an electronic circuit capable of reproducing the system’s dynamic behaviors is designed and simulated in PSpice. The aim of this approach is to validate the results obtained from numerical simulations.
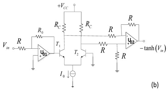
To achieve this objective, the electronic circuit designed to mimic the dynamics of system 3 is shown in Figure 7a, and the electronic circuit which realizes the Tanh(.) function is shown in Figure 7b.

Figure 7.
Electronic circuit designed to mimic the system dynamics (a) and electronic circuit which realizes the Tanh(.) function (b).
Applying Kirchhoff’s electrical circuit laws to Figure 6a, we obtain the electrical state equations, described as follows:
The relationship between the circuit and the mathematical model (3) are described as follows:
Note that R13 is the resistor used to control the dynamics of the circuit. Its value is varied to obtain the various dynamic behaviors that are devolved by the circuit.
The results of the analog simulations in PSpice are shown in Figure 8 (hyperchaotic phase portraits in diverse planes and for values of the control resistor R13) and Figure 8 (transient chaotic behavior).
Figure 8.
Hyperchaotic phase portraits in different planes obtained in PSpice for some values of the control resistor R13. (a) R13 = 0.065 KΩ, (b) R13 = 0.060 KΩ, (c) R13 = 0.059 KΩ, and (d) R13 = 0.058 KΩ. The other resistors have the values indicated above. The initial voltages across the capacitors are Vc1 = Vc2 = Vc3 = Vc4 = 0.1 V.
It can be seen from Figure 8 and Figure 9 that the circuit designed to mimic the dynamics of the HNN model under study works well. The hyperchaotic phase portraits and transient chaos behavior obtained in PSpice present a good level of similarity with the results carried out using numerical simulations (see Figure 5 and Figure 6).
Figure 9.
Observation of transient chaos behavior in PSpice for R13 = 0.068 KΩ. (a) time series, (b) chaotic phase portrait and (c) periodic phase portrait. The other resistors have the values indicated above. The initial voltages across the capacitors are Vc1 = Vc2 = Vc3 = Vc4 = 0.1 V.
5. Conclusions
This article introduced and studied the dynamics of a Hopfield neural network consisting of four neurons. The model was designed and some theoretical studies on aspects such as symmetry, dissipation, the conditions for the existence of attractors and the equilibrium points and their stability were carried out. Numerical investigations revealed that the studied HNN model develops rich and diverse behaviors such as chaos, hyperchaos and transient chaos. An electronic circuit for the formulated HNN model was designed and simulated in PSpice. A good level of similarity was observed between the numerical simulations and the PSpice results. The effects of autapse or self-coupling and external electromagnetic radiation were not considered in the studied model. However, these effects are present in the real world and have an impact on the behaviors of the neurons. In order to get closer to reality, our future work will consider a chaotic neural network under the influence of self-coupling and electromagnetic radiation.
Author Contributions
Conceptualization, V.K.T.; formal analysis, G.N.; funding acquisition, G.G.; investigation, V.-T.P.; methodology, V.K.T.; software, G.N.; writing—original draft, V.-T.P.; writing—review and editing, G.G. All authors have read and agreed to the published version of the manuscript.
Funding
This work was funded by MISE project H@B (Health at board), CUP B89J24002570005.
Data Availability Statement
Data is contained within the article.
Conflicts of Interest
The authors declare no conflicts of interest.
References
- Babloyantz, A.; Lourenco, C. Brain chaos and computation. Int. J. Neural Syst. 1996, 7, 461–471. [Google Scholar] [CrossRef] [PubMed]
- Kwan, P.; Brodie, M.J. Early identification of refractory epilepsy. N. Engl. J. Med. 2000, 342, 314–319. [Google Scholar] [CrossRef] [PubMed]
- de Haan, W.; van der Flier, W.M.; Koene, T.; Smits, L.L.; Scheltens, P.; Stam, C.J. Disrupted modular brain dynamics reflect cognitive dysfunction in Alzheimer’s disease. Neuroimage 2012, 59, 3085–3093. [Google Scholar] [CrossRef]
- Hopfield, J.J. Neurons with graded response have collective computational properties like those of 2-state neurons. Proc. Natl. Acad. Sci. USA 1984, 81, 3088–3092. [Google Scholar] [CrossRef] [PubMed]
- Huang, L.L.; Zhang, Y.; Xiang, J.H.; Liu, J. Extreme Multistability in a Hopfield Neural Network Based on Two Biological Neuronal Systems. IEEE Trans. Circuits Syst. II Express Briefs 2022, 69, 4568–4572. [Google Scholar] [CrossRef]
- Sun, L.; Luo, J.; Qiao, Y. Initial offset boosting dynamics in a memristive Hopfield neural network and its application in image encryption. Chin. J. Comput. Phys. 2023, 40, 106. [Google Scholar]
- Lin, H.; Wang, C.; Tan, Y. Hidden extreme multistability with hyperchaos and transient chaos in a Hopfield neural network affected by electromagnetic radiation. Nonlinear Dyn. 2020, 99, 2369–2386. [Google Scholar] [CrossRef]
- Kamdoum Tamba, V.; Mbanda Biamou, A.L.; Pham, V.T.; Grassi, G. Multistable memristor synapse-based coupled bi-Hopfield neuron model: Dynamic analysis, microcontroller implementation and image encryption. Electronics 2024, 13, 1–19. [Google Scholar]
- Li, R.; Dong, E.; Tong, J.; Wang, Z. A Novel Multiscroll Memristive Hopfield Neural Network. Int. J. Bifurc. Chaos 2022, 32, 2250130. [Google Scholar] [CrossRef]
- Deng, Q.; Wang, C.; Lin, H. Chaotic dynamical system of Hopfield neural network influenced by neuron activation threshold and its image encryption. Nonlinear Dyn. 2024, 112, 6629–6646. [Google Scholar] [CrossRef]
- Li, Q.; Yang, X.-S.; Yang, F. Hyperchaos in Hopfield-type neural networks. Neurocomputing 2005, 67, 275–280. [Google Scholar] [CrossRef]
- Huang, Y.; Yang, X.-S. Hyperchaos and bifurcation in a new class of four-dimensional Hopfield neural networks. Neurocomputing 2006, 69, 1787–1795. [Google Scholar] [CrossRef]
- Kong, X.; Yu, F.; Yao, W.; Cai, S.; Zhang, J.; Lin, H. Memristor-induced hyperchaos, multiscroll and extreme multistability in fractional-order HNN: Image encryption and FPGA implementation. Neural Netw. 2024, 171, 85–103. [Google Scholar] [CrossRef]
- Njitacke, Z.T.; Isaac, S.D.; Kengne, J.; Negou, A.N.; Leutcho, G.D. Extremely rich dynamics from hyperchaotic Hopfield neural network: Hysteretic dynamics, parallel bifurcation branches, coexistence of multiple stable states and its analog circuit implementation. Eur. Phys. J. Spec. Top. 2020, 229, 1133–1154. [Google Scholar] [CrossRef]
- Li, Q.; Yang, X. Complex Dynamics in a Simple Hopfield-Type Neural Network. In Advances in Neural Networks—ISNN 2005; Wang, J., Liao, X., Yi, Z., Eds.; Lecture Notes in Computer Science; Springer: Berlin/Heidelberg, Germany, 2005; Volume 3496, pp. 357–362. [Google Scholar]
- Nayfeh, A.H.; Balakumar, B. Applied Nonlinear Dynamics: Analytical, Computational and Experimental Methods; Wiley: New York, NY, USA, 1995. [Google Scholar]
- Hilborn, R.C. Chaos and Nonlinear Dynamics-An Introduction for Scientists and Engineers; Oxford University Press: Oxford, UK, 1994. [Google Scholar]
- Nik, H.S.; Effati, S.; Saberi-Nadjafi, J. Ultimate bound sets of a hyperchaotic system and its application in chaos synchronization. Complexity 2015, 20, 30–44. [Google Scholar] [CrossRef]
- Chen, M.; Xu, Q.; Lin, Y.; Bao, B.C. Multistability induced by two symmetric stable node foci in modified canonical Chua’s circuit. Nonlinear Dyn. 2017, 87, 789–802. [Google Scholar] [CrossRef]
- Chang, T.S.; Chen, C.T. On the Routh Hurwitz criterion. IEEE Trans. Autom. Control 1974, 19, 250. [Google Scholar] [CrossRef]
- Wolf, A.; Swift, J.B.; Swinney, H.L.; Wastano, J.A. Determining Lyapunov exponents from time series. Phys. D: Nonlinear Phenom 1985, 16, 285–317. [Google Scholar] [CrossRef]
- Dadras, S.; Momeni, H.R.; Qi, G. Analysis of a new 3D smooth autonomous system with different wing chaotic attractors and transient chaos. Nonlinear Dyn. 2010, 62, 391–405. [Google Scholar] [CrossRef]
- Izrailev, F.M.; Timmermann, B.; Timmermann, W. Transient chaos in a generalized Henon map on the torus. Phys. Lett. A 1988, 126, 405–410. [Google Scholar] [CrossRef]
- Yorke, J.A.; Yorke, E.D. The transition to sustained chaotic behavior in the Lorenz model. J. Stat. Phys. 1979, 21, 263–277. [Google Scholar] [CrossRef]
- Paula, A.S.; Savi, M.A.; Peireira-Pinto, F.H. Chaos and transient chaos in an experimental nonlinear pendulum. J. Sound. Vib. 2006, 294, 585–595. [Google Scholar] [CrossRef]
- Tamba, V.K.; Fotsin, H.B.; Kengne, J.; Elie, B.; Megam Ngouonkadi, P.K. Talla Emergence of complex dynamical behaviors in improved Colpitts oscillators: Antimonotonicity, coexisting attractors, and metastable chaos. Int. J. Dynam. Control 2017, 5, 395–406. [Google Scholar] [CrossRef]
- Kengne, J. Coexistence of chaos with hyperchaos, period-3 doubling bifurcation, and transient chaos in the hyperchaotic oscillator with gyrators. Int. J. Bifurc. Chaos 2015, 25, 1550052. [Google Scholar] [CrossRef]
- Yang, X.S.; Yuan, Q. Chaos and transient chaos in simple Hopfield neural network. Neurocomputing 2005, 69, 232–241. [Google Scholar] [CrossRef]
Disclaimer/Publisher’s Note: The statements, opinions and data contained in all publications are solely those of the individual author(s) and contributor(s) and not of MDPI and/or the editor(s). MDPI and/or the editor(s) disclaim responsibility for any injury to people or property resulting from any ideas, methods, instructions or products referred to in the content. |
© 2025 by the authors. Licensee MDPI, Basel, Switzerland. This article is an open access article distributed under the terms and conditions of the Creative Commons Attribution (CC BY) license (https://creativecommons.org/licenses/by/4.0/).