Phase Shift APOD and POD Control Technique in Multi-Level Inverters to Mitigate Total Harmonic Distortion
Abstract
1. Introduction
- A cascaded H-bridge multi-level inverter performs much better than the traditional two-level inverter because it reduces the total harmonic distortion (THD), the switch rating, and the electromagnetic performance.
- By comparing the traditional two-level inverter with the cascade H-bridge multi-level inverter, it can be found that the THD decreases with the increase in the multi-level inverter topology level. Signal power quality is also improving.
- The results show that the power quality improves with the increase in the frequency modulation ratio. The switching loss of the inverter increases with the addition of the switching frequency.
- The control uses sinusoidal pulse width modulation (SPWM) to minimize the THD by using P.D. and POD technologies. This design minimizes the output voltage, THD, or harmonic value while reducing switching losses.
- Single-pole PWM inverters have been found to be more efficient than bipolar PWM inverters because there are three levels of single-pole inverters compared to two levels of bipolar inverters. The larger the output level, the simpler the filter’s total harmonic distortion (THD).
- By comparing unipolar and bipolar systems, it can be observed that the THD decreases as the level of the multi-level inverter topology increases. The signal power efficiency is also improving. It also has the disadvantage of increasing the complexity of switching.
2. Related Works
2.1. Pulse Width Modulation (PWM) Technology
2.2. Duty Cycle of PWM Technology
2.3. PWM Dead Time
2.4. Modulation Index
2.5. Sinusoidal Pulse Width Modulation (SPWM)
2.5.1. Bipolar Sinusoidal Pulse Width Modulation
2.5.2. Multi-Level Inverter
2.6. Filter Design
2.7. Inverter Switching and Voltage Levels
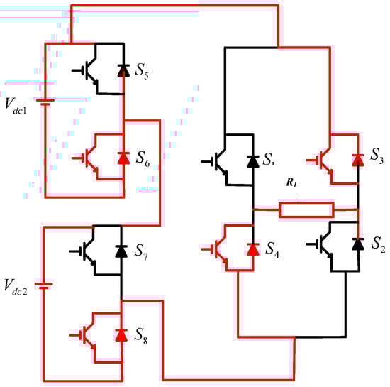
Level and Polarity Generation
3. Sinusoidal Pulse Width Modulation (SPWM) for Multi-Level Inverter (MLI)
- POD (phase opposition disposition)
- APOD (alternate phase opposition disposition)
- Harmonic analysis of APOD and POD modulation strategies
- When is a fundamental or harmonic wave.
- When is the carrier’s harmonic and the carrier’s multiplier.
- When is a carrier multiple of the side-band harmonics.
4. Results and Discussions
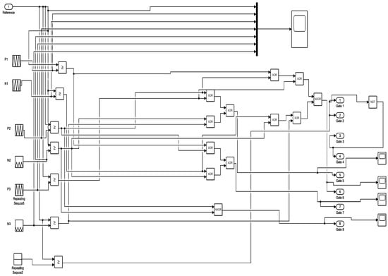
4.1. Simulation Model
4.2. Simulation Results
4.2.1. APOD MC PWM Modulation Strategy
4.2.2. POD MC PWM Modulation Strategy
4.2.3. Variable Carrier Frequency APOD Modulation Strategy
4.3. DSP Programming
4.4. Real-Time Simulation Testing in Xsim System
5. Conclusions
Author Contributions
Funding
Data Availability Statement
Acknowledgments
Conflicts of Interest
References
- Wang, L.; Han, X.; Gao, Y. Research of Construction and Practice of Blended “Golden Course” Teaching Based on C language programming. In Proceedings of the 2021 2nd International Conference on Big Data and Informatization Education (ICBDIE), Hangzhou, China, 2–4 April 2021; pp. 587–590. [Google Scholar] [CrossRef]
- Xiao, M.; Xu, Q.; Ouyang, H. An Improved Modulation Strategy Combining Phase Shifted PWM and Phase Disposition PWM for Cascaded H-Bridge Inverters. Energies 2017, 10, 1327. [Google Scholar] [CrossRef]
- Sekar, R.M.; Murugesan, S.; Devadasu, G.; Salkuti, S.R. A Coyote Optimization-Based Residual Attention Echo State Reactive Controller for Improving Power Quality in Grid-PV Systems. Machines 2023, 11, 384. [Google Scholar] [CrossRef]
- Krishnamoorthy, U.; Pitchaikani, U.; Rusu, E.; Fayek, H.H. Performance Analysis of Harmonic-Reduced Modified PUC Multi-Level Inverter Based on an MPC Algorithm. Inventions 2023, 8, 90. [Google Scholar] [CrossRef]
- Babkrani, Y.; Naddami, A.; Hayani, S.; Hilal, M.; Fahli, A. Simulation of Cascaded H—Bridge Multilevel Inverter with Several Multi-carrier Waveforms and Implemented with P.D., POD and APOD Techniques. In Proceedings of the 2017 International Renewable and Sustainable Energy Conference (IRSEC), Tangier, Morocco, 4–7 December 2017; pp. 1–6. [Google Scholar] [CrossRef]
- Noman, A.M.; Al-Shamma’a, A.A.; Addoweesh, K.E.; Alabduljabbar, A.A.; Alolah, A.I. Cascaded Multilevel Inverter Topology Based on Cascaded H-Bridge Multilevel Inverter. Energies 2018, 11, 895. [Google Scholar] [CrossRef]
- Noorsal, E.; Rongi, A.; Ibrahim, I.R.; Darus, R.; Kho, D.; Setumin, S. Design of FPGA-Based SHE and SPWM Digital Switching Controllers for 21-Level Cascaded H-Bridge Multilevel Inverter Model. Micromachines 2022, 13, 179. [Google Scholar] [CrossRef] [PubMed]
- Balamurugan, S.; Palanisamy, R.; Karthikeyan, B. Experimental Investigation of Modular Multilevel Converter Using Space Vector Pulse Width Modulation. J. Electr. Eng. Technol. 2023. [Google Scholar] [CrossRef]
- Soltani, M.; Pairo, H.; Shoulaie, A. Modelling approach for multi-carrier-based pulse-width modulation techniques utilised in asymmetrical cascaded H-bridge inverters. IET Power Electron. 2019, 12, 3822–3832. [Google Scholar] [CrossRef]
- Mahmoud, M.M.; Atia, B.S.; Esmail, Y.M.; Ardjoun, S.A.E.M.; Anwer, N.; Omar, A.I.; Alsaif, F.; Alsulamy, S.; Mohamed, S.A. Application of Whale Optimization Algorithm Based FOPI Controllers for STATCOM and UPQC to Mitigate Harmonics and Voltage Instability in Modern Distribution Power Grids. Axioms 2023, 12, 420. [Google Scholar] [CrossRef]
- Rao, B.N.; Suresh, Y.; Naik, B.S.; Venkataramanaiah, J.; Aditya, K.; Panda, A.K. A novel single source multilevel inverter with hybrid switching technique. Int. J. Circuit Theory Appl. 2022, 50, 794–811. [Google Scholar] [CrossRef]
- Garcia-Reyes, L.A.; Beltrán-Telles, A.; Bañuelos-Ruedas, F.; Reta-Hernández, M.; Ramírez-Arredondo, J.M.; Silva-Casarín, R. Level-Shift PWM Control of a Single-Phase Full H-Bridge Inverter for Grid Interconnection, Applied to Ocean Current Power Generation. Energies 2022, 15, 1644. [Google Scholar] [CrossRef]
- Memon, R.; Mahar, M.A.; Larik, A.S.; Shah, S.A.A. Design and Performance Analysis of New Multilevel Inverter for PV System. Sustainability 2023, 15, 10629. [Google Scholar] [CrossRef]
- Khasim, S.R.; Dhanamjayulu, C. Design and Implementation of Asymmetrical Multilevel Inverter with Reduced Components and Low Voltage Stress. IEEE Access 2022, 10, 3495–3511. [Google Scholar] [CrossRef]
- Wang, Z.; He, Z.; Gao, C. A Systematic Study on the Harmonic Overlap Effects for DC/AC Converters under Low Switching Frequency Modulation. Energies 2021, 14, 2811. [Google Scholar] [CrossRef]
- Prasad, D.; Dhanamjayulu, C. Reduced Voltage Stress Asymmetrical Multilevel Inverter with Optimal Components. IEEE Access 2022, 10, 53546–53559. [Google Scholar] [CrossRef]
- Almakhles, D.; Jayachandran, D.N.; Anbazhagan, L.; Hannachi, M.; Mohamed Ali, J.S. Dynamic Analysis of Extendable Hybrid Voltage Lift DC–DC Converter for DC Microgrid. Processes 2022, 10, 2652. [Google Scholar] [CrossRef]
- Mohammed, M.F.; Qasim, M.A. Single Phase T-Type Multilevel Inverters for Renewable Energy Systems, Topology, Modulation, and Control Techniques: A Review. Energies 2022, 15, 8720. [Google Scholar] [CrossRef]
- Lin, B.-R.; Liu, Y.-C. Analysis of a Wide Voltage Hybrid Soft Switching Converter. Electronics 2021, 10, 473. [Google Scholar] [CrossRef]
- Odeh, C.I.; Kondratenko, D.; Lewicki, A.; Morawiec, M.; Jąderko, A.; Baran, J. Pulse-Width Modulation Template for Five-Level Switch-Clamped H-Bridge-Based Cascaded Multilevel Inverter. Energies 2021, 14, 7726. [Google Scholar] [CrossRef]
- Smadi, I.A.; Albatran, S.; Alsyouf, M.A. Optimal Control of a Compact Converter in an AC Microgrid. Electronics 2018, 7, 102. [Google Scholar] [CrossRef]
- Zhao, L.; Xu, C.; Zheng, X.; Li, H. A Dual Half-Bridge Converter with Adaptive Energy Storage to Achieve ZVS over Full Range of Operation Conditions. Energies 2017, 10, 444. [Google Scholar] [CrossRef]
- Habib, S.; Abbas, G.; Jumani, T.A.; Bhutto, A.A.; Mirsaeidi, S.; Ahmed, E.M. Improved Whale Optimization Algorithm for Transient Response, Robustness, and Stability Enhancement of an Automatic Voltage Regulator System. Energies 2022, 15, 14. [Google Scholar] [CrossRef]
- Das, B.; Bhattacharya, A.; Chatterjee, D.; Kasari, P.R. Development of modified cascaded multilevel inverter configuration with less number of switches. In Proceedings of the TENCON 2017—2017 IEEE Region 10 Conference, Penang, Malaysia, 5–8 November 2017; pp. 1550–1555. [Google Scholar] [CrossRef]
- Rawa, M.; Mohamed Ali, J.S.; Siddique, M.D.; Mekhilef, S.; Wahyudie, A.; Seyedmahmoudian, M.; Stojcevski, A. A New Multilevel Inverter Topology with Reduced DC Sources. Energies 2021, 14, 4709. [Google Scholar] [CrossRef]
- Wang, H.; Yang, G.; Kang, W.; Zhang, X.; Fan, X.; Xiao, F. Minimum-Output-Current-Ripple Control of Current-Fed Three-Level Phase-Shift Full-Bridge Converter. Energies 2022, 15, 6444. [Google Scholar] [CrossRef]
- Ch, L.R. Analysis of THD for Multilevel Inverters with Novel Pulse Width Modulation Techniques. In Proceedings of the 2021 IEEE International Conference on Intelligent Systems, Smart and Green Technologies (ICISSGT), Visakhapatnam, India, 13–14 November 2021; pp. 150–155. [Google Scholar] [CrossRef]
- Paramasivan, M.; Eswaramoorthy, K.; Muniraj, R.; Kanthan, P.L.; Babu, T.S.; Jeevananthan, S.; Alhelou, H.H. An Alternative Level Enhanced Switching Angle Modulation Schemes for Cascaded H Bridge Multilevel Inverters. IEEE Access 2023, 11, 57365–57382. [Google Scholar] [CrossRef]
- Aljafari, B.; Rameshkumar, K.; Indragandhi, V.; Ramachandran, S. A Novel Single-Phase Shunt Active Power Filter with a Cost Function Based Model Predictive Current Control Technique. Energies 2022, 15, 4531. [Google Scholar] [CrossRef]
- Sunddararaj, S.P.; Srinivasarangan Rangarajan, S. An Extensive Review of Multilevel Inverters Based on Their Multifaceted Structural Configuration, Triggering Methods and Applications. Electronics 2020, 9, 433. [Google Scholar] [CrossRef]
- Siddique, M.D.; Mekhilef, S.; Shah, N.M.; Ali, J.S.M.; Meraj, M.; Iqbal, A.; Al-Hitmi, M.A. A New Single Phase Single Switched-Capacitor Based Nine-Level Boost Inverter Topology With Reduced Switch Count and Voltage Stress. IEEE Access 2019, 7, 174178–174188. [Google Scholar] [CrossRef]






































| Ref(s) | PWM Technology | Applications | Key Findings | Research Gaps/Opportunities |
|---|---|---|---|---|
| [16] | SPWM and Various PWM Techniques | General Inverter Applications | Discussed effective filter design principles and observed various PWM techniques. | Future work could explore optimization of filter designs for specific applications to further reduce THD |
| [17,18] | SHEPWM, Optimized PWM, SVPWM | Multi-level Inverters | Presented several important digital PWM technologies simplifying PWM generation. | Development of more efficient algorithms for PWM generation to reduce computational complexity. |
| [19] | Sinusoidal and Square PWM | Asymmetrical Multi-level Structures | Lower THD at output voltage with fewer components in asymmetrical arrangements. | Investigate the scalability of asymmetrical designs in higher-power applications. |
| [20] | Carrier-based PWM (PDPWM, PODPWM, APODPWM) | H-Bridge Multi-level Inverters | Compared different carrier-based PWM strategies for THD reduction. | Comparative studies on the efficiency and performance of these PWM strategies in real-world applications. |
| [21] | Duty Cycle PWM | Voltage Regulation | Utilized the duty cycle for inverter output voltage regulation. | Deep dive into adaptive duty cycle strategies for dynamic load conditions. |
| [22] | Bipolar SPWM | Low-power Inverters | High performance with bipolar PWM when sinusoidal signal level is higher than the triangle signal level. | Explore the limitations and performance in high-power scenarios. |
| [23] | Multi-level Inverter | High-power Applications | Improved power quality with increased output voltage levels. | Addressing the increase in component count and switching losses with higher levels. |
| [24] | Filter Design | Signal Processing | Emphasized the importance of filters in achieving pure sine wave outputs. | Innovation in filter design to further reduce THD in inverter outputs. |
| [25] | Inverter Switching and Voltage Levels | Polarity and Level Generation | Detailed the operation of IGBT switches in generating output voltage levels. | Examination of alternative switching materials and technologies for efficiency improvements. |
| [26] | Simulation and Control | Inverter Design | Utilized MATLAB for simulation and control of multi-level inverters. | Advancements in simulation tools for more accurate prediction of inverter behavior under diverse conditions. |
| Level | S1 | S2 | S3 | S4 | S5 | S6 | S7 | S8 | Output |
|---|---|---|---|---|---|---|---|---|---|
| 0 | ON | ON | OFF | OFF | OFF | OFF | OFF | OFF | 0Vdc |
| 1 | ON | ON | OFF | OFF | OFF | ON | ON | OFF | +Vdc |
| 2 | ON | ON | OFF | OFF | ON | OFF | OFF | ON | +2Vdc |
| 3 | ON | ON | OFF | OFF | OFF | ON | OFF | ON | +3Vdc |
| Level | S1 | S2 | S3 | S4 | S5 | S6 | S7 | S8 | Output |
|---|---|---|---|---|---|---|---|---|---|
| 0 V | ON | ON | OFF | OFF | OFF | OFF | OFF | OFF | 0 |
| Level | S1 | S2 | S3 | S4 | S5 | S6 | S7 | S8 | Output |
|---|---|---|---|---|---|---|---|---|---|
| 4 | OFF | OFF | ON | ON | OFF | OFF | OFF | OFF | 0 |
| 5 | OFF | OFF | ON | ON | OFF | ON | ON | OFF | −Vdc |
| 6 | OFF | OFF | ON | ON | ON | OFF | OFF | ON | −2Vdc |
| 7 | OFF | OFF | ON | ON | OFF | ON | OFF | ON | −3Vdc |
| Parameter | Specification |
|---|---|
| The input voltage | 72 and 144 v |
| Output voltage level | 7 |
| Switch | IGBT |
| Without a switch: | 8 |
| R.L. load | 100 ohms, 2 × 10−3 H |
Disclaimer/Publisher’s Note: The statements, opinions and data contained in all publications are solely those of the individual author(s) and contributor(s) and not of MDPI and/or the editor(s). MDPI and/or the editor(s) disclaim responsibility for any injury to people or property resulting from any ideas, methods, instructions or products referred to in the content. |
© 2024 by the authors. Licensee MDPI, Basel, Switzerland. This article is an open access article distributed under the terms and conditions of the Creative Commons Attribution (CC BY) license (https://creativecommons.org/licenses/by/4.0/).
Share and Cite
Bano, K.; Abbas, G.; Hatatah, M.; Touti, E.; Emara, A.; Mercorelli, P. Phase Shift APOD and POD Control Technique in Multi-Level Inverters to Mitigate Total Harmonic Distortion. Mathematics 2024, 12, 656. https://doi.org/10.3390/math12050656
Bano K, Abbas G, Hatatah M, Touti E, Emara A, Mercorelli P. Phase Shift APOD and POD Control Technique in Multi-Level Inverters to Mitigate Total Harmonic Distortion. Mathematics. 2024; 12(5):656. https://doi.org/10.3390/math12050656
Chicago/Turabian StyleBano, Kalsoom, Ghulam Abbas, Mohammed Hatatah, Ezzeddine Touti, Ahmed Emara, and Paolo Mercorelli. 2024. "Phase Shift APOD and POD Control Technique in Multi-Level Inverters to Mitigate Total Harmonic Distortion" Mathematics 12, no. 5: 656. https://doi.org/10.3390/math12050656
APA StyleBano, K., Abbas, G., Hatatah, M., Touti, E., Emara, A., & Mercorelli, P. (2024). Phase Shift APOD and POD Control Technique in Multi-Level Inverters to Mitigate Total Harmonic Distortion. Mathematics, 12(5), 656. https://doi.org/10.3390/math12050656

