Abstract
Cooling water towers are commonly used in industrial and commercial applications. Industrial sites frequently have harsh environments, with certain characteristics such as poor air quality, close proximity to the ocean, large quantities of dust, or water supplies with a high mineral content. In such environments, the quality of electrical conductivity in the cooling water towers can be significantly negatively affected. Once minerals (e.g., calcium and magnesium) form in the water, conductivity becomes too high, and cooling water towers can become easily clogged in a short time; this leads to a situation in which the cooling water host cannot be cooled, causing it to crash. This is a serious situation because manufacturing processes are then completely shut down, and production yield is thus severely reduced. To solve these problems, in this study, we develop a practical designation for a photovoltaic industry company called Company-L. Three control methods are proposed: the motor control method, the PID control method, and the fuzzy PID control method. These approaches are proposed as solutions for successfully controlling the forced replenishment and drainage of cooling water towers and controlling the opening of proportional control valves for water release; this will further dilute the electrical conductivity and control it, bringing it to 300 µS/cm. In the experimental processes, we first used practical data from Company-L for our case study. Second, from the experimental results of the proposed model for the motor control method, we can see that if electrical conductivity is out of control and the conductivity value exceeds 1000 µS/cm, the communication software LINE v8.5.0 (accessible via smartphone) displays a notification that the water quality of the cooling water towers requires attention. Third, although the PID control method is shown to have errors within an acceptable range, the proportional (P) controller must be precisely controlled; this control method has not yet reached this precise control in the present study. Finally, the fuzzy PID control method was found to have the greatest effect, with the lowest level of errors and the most accurate control. In conclusion, the present study proposes solutions to reduce the risk of ice-water host machines crashing; the solutions use fuzzy logic and can be used to ensure the smooth operation of manufacturing processes in industries. Practically, this study contributes an applicable technical innovation: the use of the fuzzy PID control model to control cooling water towers in industrial applications. Concurrently, we present a three-tier monitoring checkpoint that contributes to the PID control method.
Keywords:
cooling water towers; electrical conductivity; motor control; PID control; fuzzy PID control MSC:
03E72; 03E75
1. Introduction
The production of 4G and 5G optical filters [1,2] is essential for optical communications, and their production accuracy requirements are very high. Thus, there are relatively stringent requirements for the condition of the equipment and machines used for their production; the cooling water required for the machinery and equipment needs to be consistent in temperature. The main source of cooling water in production lines is the cooling water host; this host creates secondary cooling water with a temperature of 23~25 °C after heat exchange. This can then be used in the cooling of production machines and equipment; this processing flow is called the process cooling water (PCW) flow. Given this source, cooling water towers [3,4] are important pieces of equipment for all cooling water hosts; cooling water towers supply cooling water to the host machine for the function of heat exchange. However, cooling water is concentrated and reduced due to the negative effects of the heat dissipation process (HDP). The presence of harmful minerals and the degree of electrical conductivity will gradually increase, which may cause poor performance and crashing in the product line, resulting in issues and an increase in defective products. This context motivated us to further understand the cause–effect relationship between electrical conductivity and cooling water quality in order to solve the problem of excessive electrical conductivity [5,6] (such as 1000 μS/cm to 1500 μS/cm), which causes related machine and device damage. Electrical conductivity is the reciprocal of electrical resistivity and can be used to measure the ability of a material to carry an electrical current [7]. Interestingly, elevated electrical conductivity can be considered pollution in cooling water. Thus, successfully controlling electrical conductivity (perhaps 200 μS/cm to 400 μS/cm) is an important research issue. A goal of research in this field is to automatically control it within a reasonable range, specifically determining and maintaining the optimal electrical conductivity that can stabilize a system and extend its lifespan.
In recent years, research on electrical conductivity has been quite extensive in various fields. Coetzee et al. [5] proposed research on composite materials and electrical conductivity to investigate the potential relationship between the electrical conductivity of composite materials and the formation of conductive paths. Moreover, Banti [6] provided research on electrical conductivity in food processing technologies; this comprises quite a special case—the research results showed that electrical conductivity decreases with increases in sugar content, but a decrease in the hardness of fruits and vegetables is related to an increase in their electrical conductivity. Accordingly, Wu and Brant [7] demonstrated that electrical conductivity can be applied when studying the influence of magnetic fields on water composition; their research results showed that, as water velocity increases, electrical conductivity also increases. Yoshino et al. [8] determined the hydrogen content of Earth’s mantle and created an electromagnetic map by measuring electrical conductivity. Mohammadpour-Haratbar et al. [9] argue that their research results on the electrical conductivity of nanocomposites indicate that the volume fraction and aspect ratio of nanowires have the greatest impact on the electrical conductivity of nanocomposites. Generally speaking, the issue of addressing electrical conductivity is particularly valuable in industrial applications; thus, this subject is very interesting to researchers and has applications in many domains. Furthermore, from reviews of past research [10,11,12], we can see that it is worthwhile to design safe and productive plants, enabling us to effectively process the controls of electrical conductivity in relation to the well-known proportional (P), integral (I), and differential (D) measures that are required for the PID controller; this will enable us to successfully adjust their technical effects during the manufacturing processes. It is important to finely control electrical conductivity when seeking to improve production performance. Here, with particular reference to the fuzzy theory—which has received significant attention in recent decades—we propose a practical framework that combines PID-based controllers and the rules of fuzzy set theory [13,14,15,16] to adjust and control electrical conductivity, allowing for the more effective and precise tuning of target values. Thus, the PID controller and the rules of fuzzy logic are integrated into the study subject; we present a combination of techniques for the study of the electrical conductivity of cooling water towers within industrial–academic research—the approach presented here represents a technical innovation.
In light of the context described above, we propose some acceptable and feasible solutions for the issues faced in controlling the electrical conductivity of cooling water towers, using a company as a case study. Thus, this study presents several key points for the improvement of the case study company: (1) implement effective electrical conductivity management through motor control and communication software; (2) build and simulate the PID control method; (3) build and simulate the fuzzy PID control model; (4) evaluate the motor control method and compare it with the traditional method; and (5) compare the PID control and fuzzy PID control methods of controlling water quality so that electrical conductivity is controlled at a stability of 300 μS/cm—this helps ensure good performance.
This paper is divided into five sections, as follows: Section 1 is an introduction, including the research problem, research motivation, and research purpose. Section 2 presents a literature review, addressing the quality of related cooling water towers, PID control theory, and fuzzy control theory. Section 3 describes the research architecture of the three proposed methods, including motor control, PID control, and fuzzy PID control, which are of benefit for electrical conductivity research. Section 4 discusses the implementation of the method and the analysis results for the control of the motor, the PID control by Simulink, and the fuzzy PID control. Section 5 presents the conclusion of this paper, with proposals for future research.
2. Literature Review
This section reviews studies that have been conducted in the following three fields within the literature: cooling water towers and their applications, PID control theory, and fuzzy control theory.
2.1. Cooling Water Towers and Their Applications
Cooling water towers [17,18,19] usually use tap water, and the electrical conductivity of tap water is between 200 μS/cm and 400 μS/cm; however, an increase in the mineral concentration of tap water leads to an increase in its electrical conductivity and thus leads to an increase in the electrical conductivity of cooling water towers. Therefore, the mineral concentration and its corresponding electrical conductivity, and effective solutions for the problems that arise, are important issues from the perspectives of the industrial and academic sectors. Common uses for cooling water towers include various cross-industrial applications, and these receive positive feedback. As for general cooling water towers, there are two main types. One is the open cooling tower system [20], and the other is the closed cooling tower system [21]. However, we can also divide cooling tower systems into three core types: cross-flow cooling towers [22], counter-flow cooling towers [23], and combined-flow cooling towers [24]. These categories are based on the relative flow directions of air and water. The regular maintenance and cleaning of the heat sink and coils can protect the system from the negative effects of electrical conductivity, ensuring the long-lasting efficiency of the machinery and equipment. Thus, it is known that electrical conductivity is closely related to the lifespan of cooling water towers. The exploration of electrical conductivity is valuable and is welcomed in the field.
Through a literature review of research on electrical conductivity and cooling water towers, some important studies have been reviewed. The variety of research methods found in the literature on this topic is inspiring when formulating research processes. (1) First, research on the scaling of enhanced tubes in cooling tower water systems is addressed [25]. A 98-day scaling test was conducted using enhanced tubes and ordinary tubes. The advantage of this research is that, during the long-term test, the water quality and flow rate were maintained at typical levels. (2) Next, Shen et al. [26] conducted research into a new fouling measurement system; they established a practical fouling measurement model based on a series of fouling tests under different controlled conditions, providing useful information for future designers of research fouling test systems seeking superior performances. (3) Another study focused on the prediction of electrical conductivity through machine learning tools; they achieved positive outcomes [27] and were able to provide highly accurate predictions for discovering water resources. (4) Mattas et al. [28] used three models—factor analysis (FA), artificial neural network (ANN), and multiple linear regression (MLR)—to forecast the electrical conductivity of an aquifer; they found that a large number of samples enable the ANN and MLR models to effectively optimize the management of water resources. (5) The findings of the analysis conducted by Obianyo [29] indicated that electrical conductivity has a significant impact on storage containers, affecting water quality; this research showed that the chemical parameters of stored water are more conservative than those of other water sources and that the quality of this water can still meet the regulations set by the World Health Organization.
Based on our review of the literature, we have been able to summarize the details of various methods for the measurement of electrical conductivity.
2.2. PID Control Theory
Interestingly, it is important that the P (proportional), I (integral), and D (differential) factors of the PID controller [30,31,32] can correspond to the current error, the past accumulated error, and the future error, respectively. By adjusting the three parameters of the PID controller, the control system can be adjusted to meet specific design needs. The response of the controller can be determined by observing how fast or how slowly it responds to an error, the degree of the controller’s overshooting, and the degree of system oscillation. It is known that using a PID controller may not necessarily achieve optimal control or system stability; some applications only need to keep some units of the PID controller and set the parameters of the unnecessary units to zero. Thus, the PID controller can become a PI controller [33,34,35], a PD controller [36,37,38], a P controller, or an I controller. Among them, the PI controller is more commonly used because the D controller is very sensitive to feedback noise; without the I controller, the system will not return to the reference value, and there will be an error amount. A PID controller can be used to control any variable that can be measured and controlled. Thus, it can be used to control temperature, pressure, flow, chemical composition, speed, etc. The cruise control function on a car is a real-world example of this; some control systems connect several PID controllers in series or into a network.
Accordingly, proportional (P) control is a simple control method that includes input and output signals from the controller. The input error signal becomes a proportional relationship. Integral (I) control integrates the error term signal between the controller’s output value and the input value, forming a proportional relationship. For automatic control, in order to eliminate the steady-state error, the controller must introduce an integral term. When integrating the error over time, the integral will increase as time increases. This will reduce the error to an integral term, which will also increase as time increases. If the controller is designed properly, the controller output will increase the steady-state error and gradually reduce it to zero. The integral term is formatted and shown in Equation (1).
where represents the proportional units and the expected performance indicator, having a frequency domain analysis and a time domain analysis; is the transfer function; and is the frequency change.
Differential (D) control refers to the rate of change for the error in the controller. Sometimes, it is necessary to overcome the error signal. At this time, the differentiator must be adjusted to prevent the error from changing too much. If there is a large inertia or hysteresis, the controlled object adjusts the dynamic characteristics to improve the system. However, the steady-state error cannot be adjusted at all. PI may have a slow response to eliminate the steady-state error, while PD may respond faster to eliminate the steady-state error. Thus, the PID controller improves the shortcomings of the PD and PI controllers. The PID controller can allow the system error to be controlled very stably. Equation (2) is the operation formula of PID control, including the proportional term, the integral term, and the differential term. Equation (3) is the Laplace transform function of Equation (2). Equation (4) depicts how the transfer function at a given frequency represents the relationship between the controller’s input value and the target error.
In the equations, and are the Laplace transforms of and , respectively; regarding and , , , and are the gain coefficients (Gain) of the controllers for the proportional, integral, and differential controls, respectively.
where is the proportional control for the frequency domain analysis; is the integral control; is the differential control; is the system response of the transfer function; and is the transient response or a linear control system. This will respond in a step-by-step manner through the Laplace transformation.
Moreover, the PID–Ziegler–Nichols (PID–ZN) algorithm [39,40,41] can effectively adjust , , and . When adjusting , if the frequency of feedback increases, the cycle will become shorter. Thus, must be used when adjusting the high-frequency band, must be used when adjusting the mid-frequency band, and must be used when adjusting the low-frequency band. In addition to series correction, the analysis system can perform feedback correction, which is widely used in some correction methods. Local feedback correction is more commonly used for fuzzy PID system correction. This will affect the overall control speed. can be used to correct ; if it is too large, it will be corrected.
2.3. Fuzzy Control
Fuzzy control [42,43,44] includes the functions of fuzzification, fuzzy rules [45,46,47], fuzzy inference engines [48,49], and defuzzification. Figure 1 shows a diagrammatic sketch of the structure of fuzzy control. Fuzzy control is a computer-intelligent controller based on fuzzy set theory, fuzzy language variables, and fuzzy logical reasoning. The input of this mechanism is to convert the original data of 0 and 1 into a numerical value between 0 and 1 through fuzzification, which is closer to human thinking than the original dichotomy of non-zero or one. During the inference process, the data are fuzzy, but through the defuzzification step, the output can be made into a precise value. Fuzzy control is often used in intelligent computing, constructing expert systems [50,51,52], and jointly applied with neural networks [53,54,55]; this is described in the following five main steps: (1) The first step in fuzzy control is the establishment of a knowledge base, which requires relevant fuzzy sets to be defined for each input feature variable. (2) The second step is the rule base, where domain experts design a set of rules for inference and decision-making. The fuzzy rule base can have IF–THEN statements, where the IF is the antecedent and the THEN is the consequent. (3) The third step is fuzzification, which converts clear input values into corresponding fuzzy sets through fuzzification. This is combined with the previously established knowledge base and rule base to complete the fuzzification mechanism. (4) The fourth step is the fuzzy inference engine, which calculates the degree of fuzzy matching through fuzzy input and fuzzy sets. The rules to be triggered are determined based on the input and the corresponding fuzzy set. (5) The fifth step is defuzzification, which performs fuzzy operations through the rules set by experts and aggregates and outputs all the matching rules. The most common ones are the center of gravity method [56,57], the average maximum belonging value (mean of maximum) method [58], and the weighted fuzzy mean method [59]. Among them, the center of gravity method is the most commonly used method because it is biased towards the rule with the largest output; it is important to find the center of gravity [60] of the output and use this point as the output value of the defuzzification process.
Figure 1.
A diagrammatic sketch of the structure of fuzzy control.
3. Research Method
This section outlines the research structure and research steps for the model proposed in this study. Additionally, this section presents a data analysis of the case study to identify which method is the most suitable for addressing electrical conductivity in the control of water quality while handling a management group through LINE v8.5.0 of communication software.
3.1. Research Structure of the Proposed Model
The research structure of the proposed model includes a five-stage process that is shown in Figure 2. Initially, the first stage is the definition of the problem, starting with actual equipment and environmental problems so that they may be studied and improved. The second stage starts with the analysis of water quality and extends the discussion, then describes the equipment overview of the cooling water tower and introduces PID control theory and fuzzy control theory. The third stage consists of three research methods: the motor control conductivity research method, the PID control method of Simulink, and the fuzzy PID control method. The fourth stage analyzes the experimental results of the three research methods in the third stage. The fifth and final stage involves a discussion of the overall research results. In general, we have created three core directions, allowing us to construct three control methods: the design of motor control methods for electrical conductivity; the simulation of the PID control methods using Simulink; and the simulation of fuzzy PID control methods. These approaches enable us to implement the proposed model. The steps of this process are described in detail in the following three subsections, respectively.
Figure 2.
Research structure: the five stages of the proposed model.
3.2. Design of the Motor Control Method for Electrical Conductivity
Initially, a brief introduction to the optical communication industry is provided here; this is necessary in order for the reader to understand the industry’s background and the problems that affect its products, thus setting the context of the case study of this paper: Company-L. Company-L is currently engaged in the production of 4G and 5G optical communication technologies. There are strict quality requirements for cooling water in the production lines at Company-L; any subtle differences in temperature in the cooling water significantly affect the product yield. As such, it is crucial to prevent the cooling water from causing equipment malfunction or reducing device functionality; this context provides the motivation for this study.
Accordingly, for the first three stages of the motor control method in the proposed model, this study mainly focuses on potential improvements to the hardware and the experimental equipment in electronic motors and their materials: electrical conductivity meter, flow meter, solenoid valve, electrical conductivity sensor, electronic motor controller, etc. Additionally, the transmitter is a focus of this study; this combines with LINE v8.5.0 of social software to send signals to the responsible group when necessary. Importantly, improvements in hardware devices in this industry take the form of the following four directions:
- (1)
- Designing improvements in the hardware of related electronic motor materials: We have two key directions for defining the motor control method in order to finely control electrical conductivity. (a) Electrical conductivity meter: This meter has high and low electrical conductivity for potential contacts A and B, respectively; the potential contacts operate when there is no electrical current. When electrical conductivity is high, contact A is selected to ensure that the motor circuit is a self-holding circuit; conversely, when electrical conductivity is low, contact B is selected to cut off the self-holding circuit. In this way, motor control for electrical conductivity can be effectively operated. (b) Solenoid valve and flow meter: When designing a solenoid valve that uses an automatic control circuit, special attention must be paid to the flow meter, measuring the pressure at the right time. Because electrical conductivity needs to dilute the concentration, it is necessary to select a flow meter that assists the forced water inlet and drainage processes and cooperates with the flow meter in order to successfully control the flow of the water.
- (2)
- Controlling the influenced factors of electrical conductivity joined with the LINE group: Firstly, the original conditions for the electrical conductivity of the cooling water tower used in this case study are 450 µS/cm, with a loading of 80~100% based on the addition of chlorine ingots on a sunny day. After implementing 20 h of observation, the electrical conductivity is changed to 1250 µS/cm (original 450 µS/cm + new 800 µS/cm), and this conductivity change can be easily and quickly scaled; if it rapidly reaches above 1500 µS/cm, then the LINE group is alerted by the transmitter to alert the on-duty personnel. Secondly, this study aims to reduce the electrical conductivity to an optimal value of 300 µS/cm so that the components (e.g., honeycomb coils) in the cooling water system will not become stuck and so that the heat exchanging efficiency of this system can be significantly improved. Thus, good control of the influencing factors of electrical conductivity, joined with the LINE group, is important for the motor control method.
- (3)
- Handling the parameters of the water replenishment volume for the cooling water tower: All the parameters of the total water replenishment volume are determined by referring to the actual settings from the case study, Company-L. These parameters are described in detail below, and it is an important and interesting topic for ensuring that we successfully handle them in this process of hardware improvement. Moreover, periodic discharging volume indicates that circulating water must be discharged regularly in light of the specifications for ensuring water quality and heat exchange efficiency. Given the above statements, it is seen that water replenishment and discharge are of equal importance.
- (a)
- The machine model used at Company-L: LRC-N-250 located at a manufacturer of New Taipei City, Taiwan.
- (b)
- Inlet water temperature: 37 °C (T1).
- (c)
- Outlet water temperature: 32 °C (T2).
- (d)
- Wet bulb temperature: 28 °C.
- (e)
- Circulation water volume: 2787 L/min.
- (f)
- Total volume of water supply = evaporation loss (A) + splash loss (B) + periodic discharging volume (C).
- (g)
- Evaporation loss (A) = (37 − 32) ÷ 600 × circulation water volume × 60 = 1393 L/h.
- (h)
- Splash loss (B) = circulation water volume × 60 × 0.05% (for a square water tower) = 84 L/h.
- (i)
- Periodic discharging volume (C) = evaporation loss ÷ (4 − 1) − splash loss = 380 L/h.
- (j)
- Thus, the total volume of water supply is 1857 L/h (i.e., 1393 + 84 + 380).
- (k)
- Lastly, the maximum volume of automatic water replenishment is 30.95 L/min.
- (4)
- Improving the design of the pipeline: While designing the pipeline, this study improves a flow meter with a maximum flow rate of 80~85 L/min as a method of forced water replenishment and drainage, which is larger than the maximum 30.95 L/min originally designed by Company-L. This study uses a pressurized motor for forced water replenishment, with a water pressure of about 2.28~2.42 kg/cm2. However, the flow rate for the forced drainage far exceeds the maximum volume of water replenishment; thus, we use a flow meter to adjust the equal flow rate for both the forced water replenishment and drainage. Under these conditions, we can allow the system to be maintained normally, and the electrical conductivity of the cooling water tower can be quickly reduced when the flow rates are properly matched.
3.3. Simulation of the PID Control Method Using Simulink
Next, for the third stage of the proposed model for the PID control method, we studied the mathematical models that are presented in [61]; these can be used to calculate the electrical conductivity of cooling water towers. Concurrently, we extracted three related key components of the cause–effect relationship—minerals in the water, variation in conductivity volume, and hydration of the water—after a thorough exploration of the electrical conductivity. Additionally, we derived and designed three important mathematical formulas for the calculation of mineral content, monitoring the changes in conductivity volume, and the calculation of automatic hydration; these comprise three-tiered monitoring checkpoints in order to accurately monitor the variation in conductivity control. The three checkpoints of these formulas are very helpful for accomplishing the simulation of the proposed PID control method; thus, they are described and formatted here.
Initially, we first refer to the following Equations (5)–(8) sequentially [61]; these are focused on the energy-saving improvement of the cooling tower fan. The major considerations are mainly based on the water volume of the cooling tower, the flow rates of the water replenishment and discharge, and the minerals contained in the water; calculations are made according to physical relationships and to further derive the three related formulas, primarily to simulate the changes in conductivity within the cooling water.
Accordingly, the three mathematical formulas of the three-tiered monitoring checkpoints can be obtained spontaneously. For the first-tiered monitoring checkpoint, Equation (9) is used to calculate the mineral content as follows:
Next, for the second-tiered monitoring checkpoint, Equation (10) is used to calculate the total content of the accumulated electrical conductivity. Equation (11) is used to calculate the amount of automatic water discharge from the water tower, effectively adjusting the content of the conductivity volume as follows:
Finally, for the third-tiered monitoring checkpoint, Equation (12) is used to conduct and compute the automatic hydration as follows:
where is the total mineral content of the water tower; is the time; is the total water volume of the water tower; is the electrical conductivity mineral concentration of the water tower; is the flow rate of water replenishment; is the electrical conductivity mineral concentration of water replenishment; is the total flow rate of automatic water discharging; is the flow rate of automatic water discharging; is the relative humidity; is the ambient temperature; is the temperature coefficient of the water surface; is the diffusion coefficient of gas; is the wind speed; is the water loss rate created due to loading; and is the loading.
Furthermore, we can format the three core mathematical models mentioned above through Simulink; thus, we can meaningfully simulate their outcomes for the case study company (in the 5G optical communication industry). We can utilize Simulink to access the toolboxes provided by MATLAB in version R2016b; this is very useful software for both industry and academia in constructing models and dynamic analyses. The simulation diagram of the mathematical functions in this study is identified in a block function; this allows us to select the experimental simulation of the conductivity status for the cooling tower by using the block function of SIMULINK, benefiting the PID control method.
3.4. Simulation of the Fuzzy PID Control Method
The last part of the third stage for the fuzzy PID control method uses fuzzy logic to perform a fine-tuning control process for the previous PID control process; this enables a reduction in system error. We have three important directions for defining the related fuzzy PID control: (1) Based on the PID–ZN algorithm [39,40,41], we can effectively adjust , , and ; thus, three correction cases can be identified: (a) can be used to adjust the high-frequency band; (b) can be used to adjust the mid-frequency band; and (c) can be used to adjust the low-frequency band. (2) is the variation value, and , , and are the variation values of the three types (i.e., , , and ), respectively. (3) Thus, can perform feedback corrections to correct series and parallel connections in the temporal analysis system of fuzzy PID control; this enables its special function—effectively correcting and improving the system’s performance. We take this case study as an example. The controller can control the ratio of the forced water replenishment and drainage of the actuator, regardless of whether it is large or small.
Accordingly, we use the element of Simulink from the fuzzy control. After inputting FUZZY, the fuzzy control system is precise because it has been deduced by experts. We present the following six important procedures, involving key techniques for implementing this fuzzy PID control system.
- (1)
- The most classic one is the IF–THEN rule statement; this is used to establish the conditional forms comprising the knowledge base, as proposed by the experts working on this study. Moreover, fuzzy control uses set functions to formulate intersections and unions and uses AND/OR to distinguish additions and subtractions, respectively.
- (2)
- Another important factor is that the three parts illustrate a typical instance of control: the first part is the antecedent part (INPUT), the second part is the inference engine (e.g., Mamdani, as used in this study), and the last part is the consequent part (OUTPUT). In this study case, we assume that the input range of the electrical conductivity for the antecedent part is (250, 350), and we assume that 300 μS/cm of electrical conductivity is for the consequent part.
- (3)
- There are three partial ranges of input parts (low, medium, and high); the intermediate inference engine is Mamdani. For the OUTPUT parts (also low, medium, and high), the range is also (250, 350) and is the same as the input part.
- (4)
- We can simultaneously modify the input and output rules of FUZZY and adjust the fuzzy rules to make this fuzzy control approach more precise.
- (5)
- We subsequently use the center of gravity method [60] to specifically determine which values of the controls can achieve an ideal status; this will be identified as a suitable result for electrical conductivity, e.g., the assumed optimal 300 μS/cm.
- (6)
- We then use comprehensive reports to assess the simulation results for this method.
4. Experimental Analysis and Empirical Results
After implementing the proposed model with actual data from the case of Company-L, relevant experimental results with findings are described in the following seven subsections. The first subsection describes the experimental result of the motor control method for controlling electrical conductivity; the second subsection conducts the simulating processes of the PID control method and presents the results; the third subsection performs an empirical simulation of the fuzzy PID control method; the fourth subsection presents the comparison results for the three proposed methods; the fifth subsection describes the research findings; the sixth subsection discusses the experimental results; the last subsection addresses the research limitations. Figure 3 shows the flow diagram for the experimental analysis and empirical results. (Note: The dotted line represents the existing system).
Figure 3.
The flow diagram for implementing the proposed model with actual data.
4.1. The Empirical Results of Implementing the Motor Control Method
In the fourth stage of the proposed model, we used case data from Company-L to simulate the control of electrical conductivity; the goal was to reach the ideal target value under 1000 μS/cm, ensuring safe system cooling. Thus, we obtained the following designs for improvements in the hardware and the software.
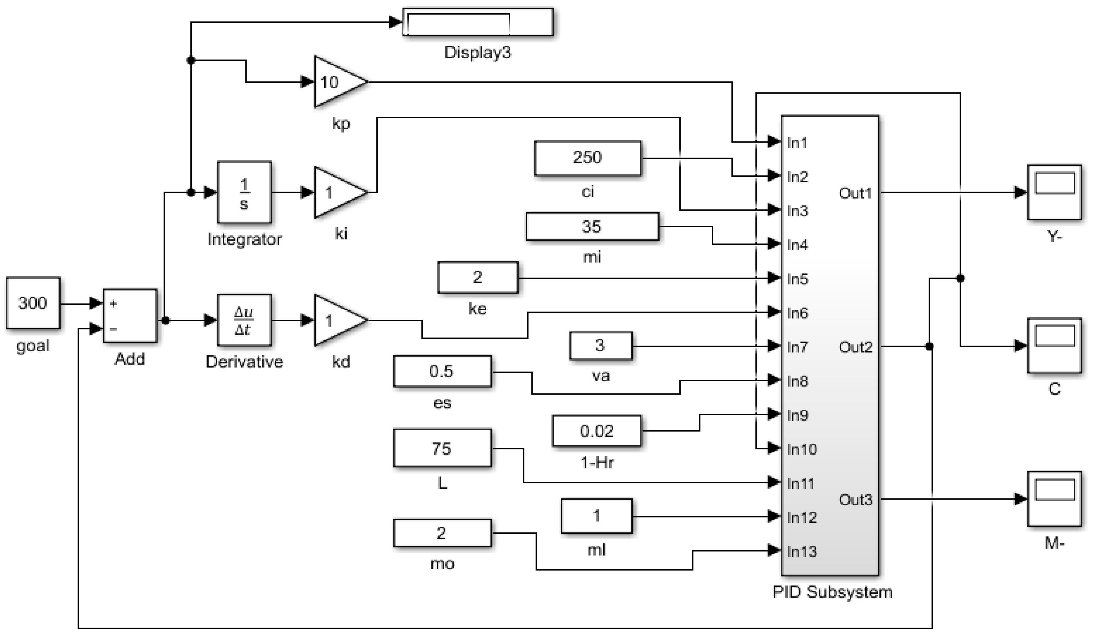
- (1)
- Forced water replenishment pipelines: We present the design for the forced water replenishment pipelines together with the original automatic water replenishment pipelines. In the real-world operation of this system, it becomes necessary to initiate forced water replenishment in order to reduce electrical conductivity when it is too high; conversely, automatic water replenishment is ready to be used when the electrical conductivity is under control. Figure 4 shows a flowchart of the implementation of the motor control method. In Figure 4, the circle represents the connection point, which adds the target value and concurrently subtracts the actual value; this represents a real measurement for the sensor that is controlled by the system and allows us to export the error value.
Figure 4. Flowchart for implementing the motor control method.
Primarily, we created a three-core design for the improvement of the hardware device, with a water inlet, a drainage system, and a circuit; this design is appropriate for the proposed control method.
- (1)
- Water inlet design: Originally, automatic water replenishment could maintain a certain water level in the water basin of the cooling water tower so that no water was lost. Without affecting the original conditions, we add a forced water replenishment system comprising flow meters, pipe fittings, gate valves, and proportional valves as a modification to the hardware design. The solenoid valve is automatically opened to force the replenishment of water when the electrical conductivity is too high; then, the electrical conductivity accordingly decreases. The forced water replenishment system is automatically turned off when the set target value is reached; automatic water replenishment is then resumed.
- (2)
- Drainage design: A forced water drainage system is added to the original cooling water tower drainage pipeline. When installing the forced drainage system, we focus on the flow meter, using the power of the pump to control the flow rate. In this study, the pressure (80 L/min) of the forced water replenishment and the drainage are more than twice the pressure (30.5 L/min) of the original pipeline. Thus, the new design of forced drainage creates an aperture in the middle of the water basin; this approach uses a pump to hit the flow meter, uses an adjustment valve to adjust the flow, and then connects it to the solenoid valve of the forced drainage to discharge it to the sewage treatment plant. When the electrical conductivity increases to the point where discharge is necessary, discharge of a proper amount is performed in a timely manner to achieve the target value.
- (3)
- Circuit design: A circuit function is added to the controller; this automatically starts the forced water replenishment and drainage processes when the electrical conductivity is too high or too low. In this study, we set the electrical conductivity at a controllable and suitable target value of 300 µS/cm. The electrical conductivity of the water source must be lower than the target value before the dilution can be controlled. Importantly, the forced water replenishment and drainage both use the control actuator (i.e., controlled object) and electrical conductivity (i.e., controller) of the solenoid valve. Based on this operating method, the functionality of the motor control can be effectively achieved. Thus, if the conductivity is very high, then a normal conductivity controller can quickly operate to bring the conductivity down to an ideal level. In addition, we designed a social transmitter function to improve the related software, which will help employees throughout the site and improve their performances.
- (4)
- LINE group of software improvements: The motor control method can be more effectively controlled by adding communication software, i.e., the LINE (v8.5.0) transmitter, and using wireless control enabled by the Internet of Things (IoT) to achieve the purpose of real-time monitoring. If there is a control error (or abnormality) or the electrical conductivity is too high, then a LINE message is instantly issued to alert on-duty personnel of the issue. Thus, this software improvement is necessary for the attainment of improved performance in this motor control method.
In total, based on the experimental results from the motor control method, four key advantages are gained through the successful control of electrical conductivity: (1) Advantage 1: The heat sink within the cooling water tower does not need to be replaced frequently, which reduces the costs of equipment. (2) Advantage 2: The cooling water host will not be too dirty, meaning that it is less likely to block the pipeline; this lowers the likelihood that the cooling water host will crash, resulting in a reduction in equipment maintenance costs. (3) Advantage 3: The pipelines of the cooling water system will not be too dirty, meaning that the need to process the water will be less frequent; this saves the energy that would otherwise be used to run this process. (4) Advantage 4: The cooling water is cleaner than the previous traditional method; thus, the cooling efficiency increases and energy can be effectively saved. It is found that it is effective to use the motor control method to automatically stabilize electrical conductivity. This helps the production lines run smoothly, and the operations are smoother for factory staff because the production lines will not suddenly or frequently shut down and the production capacity and quality control will effectively be improved.
There are three key benefits to address here that are achieved through the implementation of this motor control system—with hardware and software improvements—allowing us to achieve the purpose of this study: (1) First, after modifying the drainage pipeline, the flow meter can be used to stably control the flow rate; this is a key factor in managing electrical conductivity. It was found that, due to the lack of pressure in the drainage, the flow rate was too low to be effectively controlled. (2) Table 1 shows the actual control status of ideal electrical conductivity for 70 L/min and 60 L/min, respectively. In the table, we can see that the actual electrical conductivity is the goal of the controller, at 70 L/min and 60 L/min, with a suitable 300 µS/cm. Concurrently, it was found that the controller circuit supports the successful actions of the control process; thus, we can work towards successfully implementing this cooling water tower process using the above-described mechanism. (3) The primary objective of this study is to control the electrical conductivity at an optimal 300 µS/cm. A key point to note is that the method proposed in this study does not discharge the water due to its electrical conductivity since this is now possible to control; thus, resources can be recycled and reused effectively. Figure 5 shows a LINE message notifying staff of an urgent case relating to electrical conductivity. Using these software improvements, we can reach a practical realization of the IoT control of the wireless network for online monitoring of the electrical conductivity on the site.
Table 1.
Actual control status of ideal electrical conductivity for 70 L/min and 60 L/min, respectively.
Figure 5.
Message of a LINE (v8.5.0) transmitter display.
4.2. The Simulation Results of the PID Control Method
As for the results of implementing the PID control method, four key areas are addressed using the Simulink function (in MATLAB in version R2016b) in the software improvements for the case study company, as follows:
- (1)
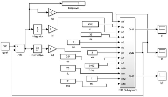
- Figure 6 shows that Simulink simulates the control processes of the cooling water towers under the PID control method. In Figure 6, similar to Figure 4, because the high and low electrical conductivity sensed by the sensor causes an error value that can be differentiated from the target value set in this study, the controller can immediately adjust the high and low values. Concurrently, the electrical conductivity sensor sends a signal to the controller so that the actuator (the controlled object) can open or close in order to lower the error value. Thus, through the Simulink function, it can clearly be seen that we can effectively decrease the error value and achieve successful control of the electrical conductivity of the cooling water tower through this software improvement.
Figure 6. Flowchart to simulate the PID control method on Simulink in factory mode.
- (2)
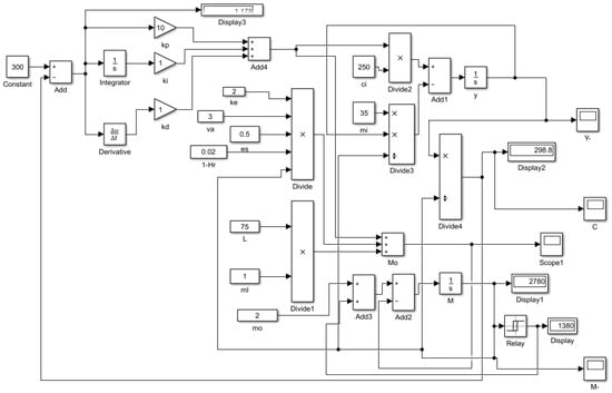
- We further join the PID control element with the automatic water replenishment and drainage processes to create a block function diagram (as shown in Figure 7); this is different from a traditional/basic cooling water tower in factory mode. Figure 7 shows a diagram of the block function that was derived from Equations (9)–(12) for simulating the PID control method; this was depicted using Simulink (in MATLAB). From Figure 7, it can be seen that we have made some effective improvements in simulating the PID control method when compared to the traditional method used previously.
Figure 7. A schematic diagram of the block function of the PID control using Simulink.
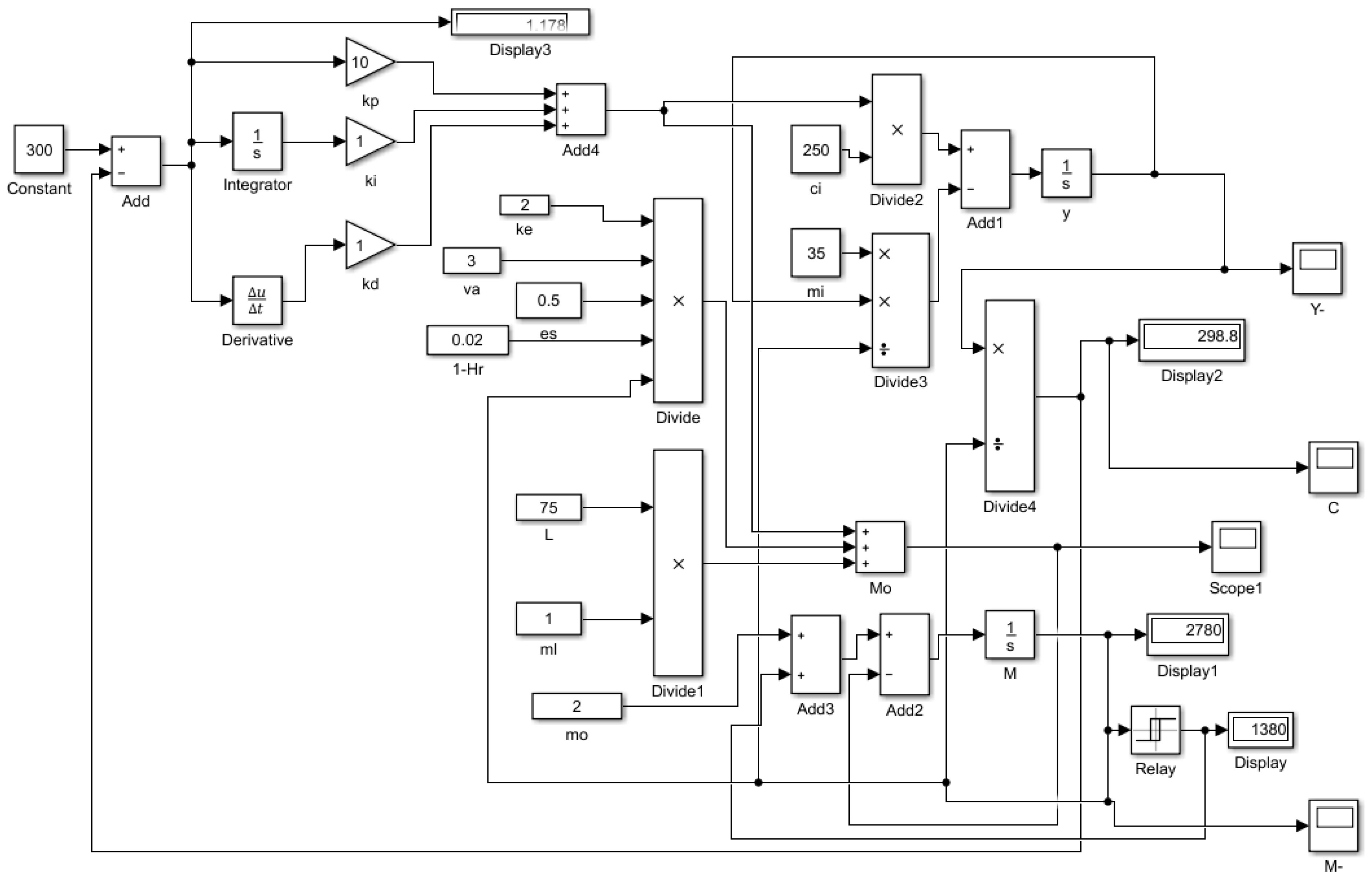
- (3)
- Accordingly, the diagram of the block function can be simplified, as shown in Figure 8, which is derived from Equations (9)–(12); note that this is for a simple PID control of the block function using Simulink, as shown in Figure 7. In Figure 8, through the Simulink mode of the PID control function, the kp control actuator can effectively control the flow ratio (e.g., big or small) of the forced water replenishment and drainage to further affect and adjust the overall control speed (fast or slow), respectively. Next, ki is an actuator for acceptable control; if we find that kp has a larger value, it can be corrected by ki. kd is just the differentiator for the block function. Importantly, this is a common form of transfer function used in the PID controller associated with a positive performance of improvements for industry applications. (Note: As a reminder, Ti = kp/ki and Td = kd/kp are the known integral and differential time constants, respectively).
Figure 8. A schematic diagram of the simplified block function of PID control using Simulink from Figure 7.
- (4)
- Finally, in this way, the PID function of Simulink is used for three types (i.e., kp, ki, and kd) of control methods and adjusts other factors of control change to check whether the PID is out of control; this is a necessary element of this process, and a key purpose of it is to control the ideal electrical conductivity value. Through the set function of PID control, the error values become small so that the control for electrical conductivity is stable; in other words, if the error value is enlarged, then the control function will fail. This results in a bad electrical conductivity result. Thus, it is important to reduce the error (e) values using the block function of the PID control method using Simulink.
4.3. The Simulation Results of the Fuzzy PID Control Method
Subsequently, the following six important points are highlighted in detail, allowing us to identify the main results through schematic diagrams of the fuzzy PID control method.
- (1)
- For the input function values: Because the PID control method is not precisely fine-tuned, the addition of the FUZZY function with fuzzy rules into the PID control method supports the ability of the method to effectively control the errors. For the FUZZY function, the input (e—error) values have ranges of nine rules, which are defined in Simulink as SS, SM, SB, MS, Z, MB, BS, BM, and BB, i.e., (small, small), (small, medium), (small, big), (medium, small), (zero), (medium, big), (big, small), (big, medium), and (big, big), respectively. Figure 9 shows the input values of the membership function for nine fuzzy rules of the antecedent part, which can adjust the error. From Figure 9, the horizontal axis (X) ranges from 0 to 10, as per the split nine rules, and the height (vertical axis, Y) is from 0 to 1. The nine fuzzy rules are as follows: (0 to 1.5), (0 to 2.5), (1 to 3.5), (2.5 to 5), (4.5 to 6.5), (5 to 7.5), (6.5 to 8.5), (7.5 to 10), and (8.5 to 10).
Figure 9. Input (error) values of the membership function rules of the antecedent part.
- (2)
- For the fuzzy inference engine: Next, Figure 10 shows that the inference engine that selects fuzzy rules has one input value and three output values. The three output values are Δkp, Δki, and Δkd in the three phases (first, middle, and last, respectively). Figure 10 shows a schematic explanatory diagram of kp, ki, and kd, obtained from the fuzzy inference of rules using the inference engine Mamdani in Simulink. From Figure 10, we can see that the fuzzy rules can have various combinations with the forms of the IF–THEN statement—e.g., “IF input value (e) is SS, THEN Δkp is SS, Δki is SS, and Δkd is SS”.
Figure 10. A schematic explanatory diagram of kp, ki, and kd from the fuzzy inference engine Mamdani in Simulink.
- (3)
- For the output Δkp: Firstly, starting from Δkp, the range it controls is from 0 to 1. There are nine additional membership functions; the ranges that are controlled here are different. For the output of Δkp, Figure 11 shows nine membership functions in the fuzzy control to adjust the error, which include (SS is 0 to 0.12), (SM is 0 to 0.25), (SB is 0.12 to 0.38), (MS is 0.25 to 0.5), (Z is 0.38 to 0.62), (MB is 0.5 to 0.75), (BS is 0.62 to 0.88), (BM is 0.75 to 1), and (BB is 0.88 to 1). This is a relatively small range of error corrections for adjusting the error in the first phase; thus, this fuzzy PID method is more accurate than the general PID control method. It is therefore proven that the fuzzy method is more effective than the general PID control method.
Figure 11. Nine membership functions of the fuzzy control method for the output Δkp.
- (4)
- For the output Δki: Figure 12 shows nine membership functions of the output Δki. In Figure 12, it has (SS is −0.1 to −0.07), (SM is −0.1 to −0.05), (SB is −0.07 to −0.03), (MS is −0.05 to 0), (Z is −0.03 to 0.03), (MB is 0 to 0.05), (BS is 0.03 to 0.07), (BM is 0.05 to 0.1), and (BB is 0.07 to 0.1). These are the ranges of the controllable adjustment error. There is a more subtle adjustment error in the mid-phase. According to the concept of mathematics, the integral (I) can be used to change the linear equation into a square (quadratic equation) to make the area of the curve smoother; thus, a smoother result is obtained from Δki.
Figure 12. Nine membership functions of the fuzzy control method for the output Δki.
- (5)
- For the output Δkd: Finally, Δkd is used in the last phase to further adjust the areas where the Δki may not have completely adjusted. Figure 13 shows the nine membership functions for the output Δkd of the consequent part: (SS is −0.01 to −0.007), (SM is −0.01 to −0.005), (SB is −0.007 to −0.003), (MS is −0.005 to 0), (Z is −0.003 to 0.003), (MB is 0 to 0.005), (BS is 0.003 to 0.007), (BM is 0.005 to 0.01), and (BB is 0.007 to 0.01). Comparatively, there is a finer adjustment value for the deviation with the use of fuzzy control to present the value obtained by the expert system for the PID adjustment. More importantly, these values are smaller when compared to those shown in Figure 11 and Figure 12.
Figure 13. Nine membership functions of the fuzzy control method for the output Δkd.
- (6)
- For the total fuzzy control of PID by Δkp, Δki, and Δkd rule base: There is a total of nine error values in the rule function library from Simulink; eventually, 9 × 3 (i.e., ΔKp, ΔKi, and ΔKd) = 27 rule base descriptions can be identified. Table 2 lists these fuzzy rule bases, which can be used to correct the errors that occur. This method equips us with the ability to perform collective control and adjust transient and steady-state errors, ensuring that the control system is more stable for the case study, Company-L. Because electrical conductivity does not have a negative value that can be used to identify the correction in a practical application, it can only be used to find a relatively small positive value; however, its maximum value has a certain range and cannot exceed the suitable 300 μS/cm that was preset in this study. Interestingly, these rules within a fuzzy rule base can be adjusted, and different fuzzy control rules can certainly lead to varying results. Thus, through this experiment—as a result of the simulation—we can identify better IF–THEN forms. These are addressed in Table 2; it can be seen that the fuzzy PID control method of error correction is very stable and effective.
Table 2. Δkp, Δki, and Δkd rule base descriptions for the fuzzy PID control.
4.4. Comparison Between the Results of the Proposed Three Control Methods
After implementing the proposed three control methods, we have identified three comparison outcomes from the empirical results of this study, as follows:
- (1)
- Comparing the motor control and the original traditional methods: First, after implementing the motor control method, the past traditional method was revised, and the status of the control of the electrical conductivity was improved. Figure 14 shows the actual hardware improvements of the motor control method for the electrical conductivity quality. Particularly, from Figure 14, we can see that it is important to adjust to have the same inflow and outflow rates for the forced water replenishment and drainage; this successful flow control prevents the system from going out of control. Figure 15 shows the partial comparison results of dirt sticking and cleaning for the cooling water system from the case study, Company-L. From Figure 15, it is clear that the proposed motor control method has better performance compared to the original method for the cooling water system in the case of Company-L. Thus, several advantages are gained in controlling the conductivity. First, the heat sinks in the cooling tower do not need to be frequently replaced. Second, the cooling water host will not malfunction due to excessive dirt causing blockages in the pipes. Third, the cooling water pipelines and the host will not be too dirty, and the cooling water used in the manufacturing process will not cause frequent shutdowns. Fourth, because the cooling water is cleaner, the cooling efficiency increases, leading to significant energy savings.
Figure 14. The status of hardware improvements for implementing the motor control method.
Figure 15. The partial comparison results of dirt sticking and cleaning before and after the motor control method for the case study, Company-L.
- (2)
- Comparing the PID control and the fuzzy PID control methods: To measure the performance of the PID control and fuzzy PID control methods, we provide two comparative bases: the different temperatures and the different conditions of loading. These comparisons enable us to identify their simulation and experimental performances, as follows:
- (a)
- Comparison of conductivity changes at different temperatures: We have conducted simulations of Equations (9)–(12) for the electrical conductivity of the water at different temperatures and present the results of three of them (i.e., 25 °C, 28 °C, and 32 °C). Table 3 lists the comparisons of the electrical conductivity for different temperatures. From Table 3, it is clear that the fuzzy PID control method has a steadier electrical conductivity than the PID control method; in particular, this case is more obvious for a temperature of 32°C, and the PID control method is more unstable compared to the fuzzy PID control method. (Note: PID control is at blue line, and fuzzy PID control is at red line).
Table 3. Comparison of electrical conductivity at different temperatures.Table 3. Comparison of electrical conductivity at different temperatures.Comparison of PID (Blue Line) and Fuzzy PID (Red Line) Input value Ke Va es 1 − Hr L 2 cfm 3 cfm 0.5 0.02 100% 2 (L%) 3 (L%) 250 Output value Conductivity C in 25°C 
Conductivity C in 28°C 
Conductivity C in 32°C 
- (b)
- Comparison of conductivity changes under different conditions of es with loading 100%: We further simulated the conductivity changes under different es values (i.e., 0.8, 0.9, and 1.0), all with a loading of 100%. Figure 16 shows the situations of electrical conductivity changes under different es values for the PID control and the fuzzy PID control methods. From Figure 16, it is clear that, for electrical conductivity, the fuzzy PID control method has a steadier degree of conductivity than the PID control method. In particular, this conductivity has 320 µS/cm, which is high for es 1.0; however, the fuzzy PID control method is very stable at 300 µS/cm. This provides evidence that the fuzzy PID control method has better performance than the PID control method.
Figure 16. The comparison results for the conductivity changes under different es values for the two control methods. (Note: PID control for blue line and fuzzy PID control for red line).
- (3)
- The comparison conclusion of the PID control and the fuzzy PID control methods: To conclude the simulation results, we conducted a further 44 experiments under widely different conditions, achieving a total of 44 result charts; here, we can see that the fuzzy PID control method remains unaffected, with a stable electrical conductivity of 300 µS/cm. For brevity, in this publication—of the 44 charts—Figure 17 shows only one of the comparison results for the PID control and fuzzy PID control methods from the case of Company-L. From Figure 17, and informed by all 44 of the result charts, we can conclude that the fuzzy PID control method has excellent performance compared to the PID control method, successfully achieving our aim of maintaining the electrical conductivity at 300 µS/cm. The interesting results effectively prove that the fuzzy PID control method is a very good control system for cooling water towers.
Figure 17. An example from the 44 experimental comparison result charts for the PID control and the fuzzy PID control methods from the case study, Company-L. (Note: PID control for blue line and fuzzy PID control for red line).
4.5. Research Finding
According to the main empirical results of this study, the research findings from our comparisons of the three core control methods include the following four key points:
- (1)
- Motor control: From Figure 5 and Figure 15, we can see that the control of the motor is relatively diverse. Wireless LINE control is used, allowing on-duty personnel to control the electrical conductivity of the water more easily, promptly, and effectively. Thus, it can be seen that the motor control method—with improvements in hardware combined with improvements in software with wireless LINE v8.5.0—is an effective approach for successfully processing the electrical conductivity of a cooling water tower. Additionally, this approach achieves better performance than the manual operation conducted in the traditional approach.
- (2)
- PID control: Although the error of the PID control method is within an acceptable range, a gap remains; to remedy this, the P controller must be finely controlled in order to achieve a precise control outcome. With even a small shortcoming in this control method, the control will be slightly unstable (please see Figure 16). Thus, it is found that, although the result of the PID control method is positive, this approach still has a minor defect—there is a slightly large range against the maximum and minimum values of the electrical conductivity when compared to the fuzzy PID control method.
- (3)
- Fuzzy PID control: From Table 3 and Figure 16 and Figure 17, it is clear that the fuzzy PID control method has a better stable result in comparison with the PID control method, with the smallest error being present. Thus, it can be seen that the fuzzy PID control method has value in its suitability for applications in different environmental contexts. This potential for application in successfully controlling cooling water towers, regardless of their industrial or commercial uses, should be further explored.
- (4)
- All three control methods—in conclusion: To conclude, when assessing all three proposed methods for the case study, Company-L, two potential directions can be taken in pursuit of successful control. It is found that (a) the motor control method is better than the original method and (b) the fuzzy PID control is better than the PID control method. These comparisons both refer to the methods’ performances in controlling electrical conductivity and avoiding downtime in cooling water towers, which causes irregular problems in production lines.
4.6. Discussion
Here, we present some meaningful discussions with fresh insights, enriching the background information for readers of the present study to assist in their understanding of different potential uses of the here-presented control methods:
- (1)
- This study focuses on the regional impact of water quality on scale and electrical conductivity. Once scaling occurs in cooling water towers, it causes blockages in water pipes. If the electrical conductivity in the cooling water tower can be properly controlled, then the risk of crashing the cooling water host machine can be reduced as much as possible. Thus, the development of different control methods for handling cooling water towers is an interesting and important issue, and subsequent studies on this subject can be further explored.
- (2)
- Traditionally, reducing electrical conductivity in cooling water towers is commonly conducted through manual water discharging methods; however, this is an unscientific method, which often results in artificially discharging too much or too little water. Too much water can reduce electrical conductivity, but this approach wastes water resources; conversely, too little water results in high electrical conductivity and easily causes device deterioration. Ultimately, from the empirical simulation results, electrical conductivity must be controlled at 300 μs/cm to ensure that the metal products are less likely to cauterize and become stuck. This finding is a useful contribution to the field and may be helpful for researchers and practitioners in approaching similar industrial applications.
- (3)
- This study successfully uses three control methods for controlling electrical conductivity, achieving the maintenance of an ideal state. This approach can mainly be used in industry applications to avoid the risk of production line downtime and damage caused to the production process by sudden abnormal interruptions in cooling water equipment systems. Thus, the empirical results obtained through the simulation in the present study are important and consequential in research that aims to use fuzzy PID techniques for further applications.
- (4)
- The fuzzy PID control method had the greatest effect in controlling electrical conductivity in this study. PID control is not a particularly fine-tuned approach, so the addition of fuzzy theory can aid practitioners in attaining good control when using PID by improving and narrowing the error values, reaching a perfect method combination. Using the fuzzy PID control model to specifically control the discharge of water not only improves the error rate of the cooling water system but also saves labor and water energy outputs. Good electrical conductivity quality can extend the life of cooling water towers and make their maintenance easier, allowing the case company to develop sustainably and improve the overall environment.
- (5)
- Moreover, cooling water towers are commonly used to circulate cooling water within a variety of industrial facilities, such as oil refineries, petrochemical and other chemical industries, and thermal and nuclear power plants. Small cooling towers are also utilized to provide air conditioning in buildings, small and medium enterprises, service industries, etc. More importantly, to manufacture precision optoelectronic components, Company-L must strictly control electrical conductivity quality to achieve the requirements of operational conditions. From the research results, it is shown that the water quality of the cooling water towers can be accurately adjusted in such harsh environments through the proposed methods. Accordingly, it can be widely used in non-precision or low-precision product industries, providing them with stable electrical conductivity.
- (6)
- In recent years, there has been an increase in “green manufacturing”, which aims to reduce the overall carbon footprint of manufacturing, with industries adopting eco-friendly manufacturing approaches to protect against global warming and ensure a sustainable future. In particular, the cooling water towers that are required in many factories consume a lot of water and electricity every day and have become one of the core focuses in research on environmental preservation and energy savings in factories. Most industrial operations require cold water for the dispersion of heat from equipment. When hot water enters the water towers, it is cooled by fans, heat dissipation materials, and additional cold water before being recycled. In this study, although sewage with controlled electrical conductivity is recycled and reused, mineral discharge into sensitive ecosystems and excesses of recycled materials are further processed in sewage treatment plants; here, emitted gases are monitored and managed for organic matter concentration in accordance with government-issued environmental regulations.
4.7. Research Limitation
Three research limitations for this study are further highlighted from different perspectives to better enrich future applications and the technological background, satisfy management requirements, and attend to the emerging issue of sensitive ecosystems.
- (1)
- First, addressing the issue of the control of mineral discharge in sensitive ecosystems and sustainable manufacturing, this study has a lack of measurement and management; thus, in future efforts, this should be a focus for Company-L.
- (2)
- Next, the findings of the present study, with a focus on a case study in Taiwan, may not be generalizable; thus, in pursuit of empirical results and to affirm the significance of the study, further research findings and validation and evaluation should be conducted to allow the findings to be generalized in suitable industry applications. This is especially the case for the environments in transnational countries. Similarly, the analysis results from the three proposed methods are limited in the related photovoltaic industry; thus, a remodeling of the three proposed methods is required so that we may re-test the impact on various environmental factors when this approach is applied to district cases from this industry.
- (3)
- For the scalability and adaptability of the solutions, the proposed methods should be reevaluated when considering larger cooling water towers or more complex systems.
- (4)
- Finally, the time horizon of the study also lacks evaluation; thus, further adjustment and measurement should be conducted across various cross-time effects in order to cover a more comprehensive period (e.g., a longitudinal study).
5. Conclusions
In summary, the conclusions are divided into four parts: study significance, study contribution, management implications and academic implications, and future research.
5.1. Study Significance
Through the proposed three methods, three key benefits are presented to highlight important parameters or components and to present a preliminary cost–benefit analysis.
- (1)
- For the parameters: Generally speaking, the motor control method is mainly based on the control of speed and position parameters and improvements in hardware and software in comparison with the traditional control method. The traditional PID controller is the commonly used control mode; the parameters of this controller are set to be fixed in kp, ki, and kd. Another important factor of the fuzzy PID is that it uses fuzzy set theory and inference rules of thumb to adjust all the parameter values of the fuzzy PID controller based on the actual situation so that the controller can maintain its robustness within a certain range, not damaging any circulation pipeline equipment in the factory due to substantial changes and benefiting electrical conductivity.
- (2)
- For the optimal processing of the parameters: Firstly, the fuzzy rules used in this study were established by experts in cooling water towers in factories. The optimal parameters of the fuzzy PID controller can be obtained and calculated from the mathematical operation mode of the fuzzy rules. Secondly, the motor control method takes advantage of using the main hardware improvements with the parameters of speed and position controls; thus, it is processed optimally by the control of hardware devices, such as flowmeter control, for manipulating the automatic water replenishment and the forced water replenishment and discharge.
- (3)
- For cost-effectiveness: When implementing the fuzzy PID control method versus the other two alternatives, a rough cost–benefit analysis is required. The cost difference between using a fuzzy PID controller and a traditional PID controller mainly lies in adding and configuring the firmware device of the fuzzy PID control. What is increased is the cost required just for technique improvement of software applications; overall, it will not increase the fixed costs too much. Interestingly, this technique improvement can not only be used as an output to increase new technology revenue but also can lower the follow-up investment cost of hardware devices. As for the motor control method, it is implemented in the device improvement, such as water inlet design, drainage design, and circuit design; thus, the cost can be compared to the other two PID alternatives. As a whole, the costs can be ranked in descending order as follows: the motor control method > the PID control method > the fuzzy PID method.
5.2. Study Contribution
In conclusion, from the exploration of the limited relevant literature and all the study results, the study contributes the three following key findings: (1) This study is the first to successfully employ a fuzzy PID control technique in monitoring the quality of cooling tower waters for controlling the forced water replenishment and discharging to improve the error rate of processing in a cooling water system. (2) Thus, this study presents an exploratory innovation approach—a fuzzy PID control method—that identifies the newer issue of electrical conductivity applications. (3) Simultaneously, this study has a practical contribution to technological use innovation in a new field, and the empirical simulation findings of the research contribute helpful outcomes to interested parties and can be used as a direction for future research addressing issues surrounding electrical conductivity.
5.3. Management Implications and Academic Implications
Two meaningful implications can be extracted from the results of the present study, providing useful references to interested parties from the perspectives of industry and academia.
- (1)
- Management implications: Since the quality management of cooling water directly affects the hazards posed by scale in equipment, good management can keep the heat transfer efficiency at a high level. The effective use of water resources is an important factor in industrial development, particularly for factories where water resources are insufficient. Demand for water continues to increase with the continuous development of the industry; thus, the question of how we can effectively save water and optimize the use of this resource has become an important one for enterprises pursuing sustainable development. In contrast, when the quality of a water supply is not properly managed, cooling water towers are frequently prone to scaling, corrosion, reduced heat exchange performance, increased cleaning costs, etc., which increases their operating costs in manufacturing processes. Thus, through the integration of the motor control method and communication software, LINE (v8.5.0), personnel can control the electrical conductivity more easily, realizing the benefits of technological management and capitalizing on the IoT. Specifically, the industrial Internet of Things (IIoT) [62] connects sensors and controllers with monitoring capabilities to the Internet and uses mobile communications to integrate data from connected devices for further calculation and analysis, obtaining valuable information. Moreover, the performance of the PID control and fuzzy PID control methods should be identified with a principal accreditation. Driven by the results of the case study, we create new insights, help companies avoid failures, and formulate feasible methods to erase problems and improve production processes, thereby improving production efficiency, reducing operating risks, and ultimately realizing a new stage of smart production management. Thus, the study has implied value in managerial aspects due to the benefits offered by the proposed three control models.
- (2)
- Academic implications: This study combines academic theories, such as PID control and fuzzy inference (simple, flexible, and adaptable), and applies them to controlling the electrical conductivity of cooling water towers. The characteristic of fuzzy theory and PID control is that it first uses the integration method to identify the object to be controlled, then it can improve control performance and quickly correct errors caused by interference. Thus, this study presents an innovative set of methods that can be applied in the field of fuzzy research for integrating cooling water towers.
5.4. Future Research
Although this study yielded good results and extracted research findings, there is still potential for further improvements. Follow-up research can be undertaken in four ways to provide insights into the manufacturing process:
- (1)
- Different motor control methods: By using AppInventor to control water quality, more motor control methods can be achieved in the future.
- (2)
- Different fuzzy control methods: Different methods can be explored in the future for their practicability and the broader applicability of the proposed fuzzy PID method using different fuzzy rule bases, i.e., different from the rules presented in Table 2.
- (3)
- Use of the electrode method: This alternative approach, which utilizes an electrolysis system, improves the quality of water and can further reduce its conductivity. This electrode method uses a special metal as an electroplating layer. Through the electrode-type scale absorber, the quality of the cooling waters can be further improved.
- (4)
- Use of pure water and an ultraviolet machine: An alternative is to combine pure water and an ultraviolet machine. Since the process of using pure water involves recycling the water, the water quality is improved; the water quality itself is pure, and the electrical conductivity will be low after this filtering process. This method can be assessed in the future.
Author Contributions
Conceptualization, J.-R.C. and T.-W.W.; methodology, J.-R.C. and T.-W.W.; software, T.-W.W.; resources, T.-W.W.; data curation, T.-W.W.; writing—review and editing, Y.-S.C., Y.-H.H., M.Y.-J.L. and C.-K.L.; visualization, Y.-S.C., Y.-H.H., M.Y.-J.L. and C.-K.L. All authors have read and agreed to the published version of the manuscript.
Funding
This research was partially supported by the National Science and Technology Council of Taiwan for grant numbers 111-2221-E-167-036-MY2.
Data Availability Statement
Data are contained within the article.
Conflicts of Interest
The authors declare no conflicts of interest.
References
- Boddu, R.; Deb, A.; Roy, J.S. Design of a microstrip filtering antenna for 4G and 5G wireless networks. J. Telecommun. Inf. Technol. 2023, 78–83. [Google Scholar] [CrossRef]
- Pavon-Marino, P.; Moreno-Muro, F.J.; Garrich, M.; Quagliotti, M.; Riccardi, E.; Rafel, A.; Lord, A. Techno-economic impact of filterless data plane and agile control plane in the 5G optical metro. J. Light. Technol. 2020, 38, 3801–3814. [Google Scholar] [CrossRef]
- Li, S.; Flynn, M.R. Cooling tower plume abatement and plume modeling: A review. Environ. Fluid Mech. 2021, 21, 521–559. [Google Scholar] [CrossRef]
- Kumar, A.; Saini, M.; Gupta, N.; Sinwar, D.; Singh, D.; Kaur, M.; Lee, H.N. Efficient stochastic model for operational availability optimization of cooling tower using metaheuristic algorithms. IEEE Access 2022, 10, 24659–24677. [Google Scholar] [CrossRef]
- Coetzee, D.; Venkataraman, M.; Militky, J.; Petru, M. Influence of nanoparticles on thermal and electrical conductivity of composites. Polymers 2020, 12, 742. [Google Scholar] [CrossRef]
- Banti, M. Review on electrical conductivity in food, the case in fruits and vegetables. World J. Food Sci. Technol. 2020, 4, 80–89. [Google Scholar] [CrossRef]
- Wu, T.; Brant, J.A. Magnetic field effects on pH and electrical conductivity: Implications for water and wastewater treatment. Environ. Eng. Sci. 2020, 37, 717–727. [Google Scholar] [CrossRef]
- Yoshino, T.; Manthilake, G.; Pommier, A. Probing deep hydrogen using electrical conductivity. Elements 2024, 20, 247–252. [Google Scholar] [CrossRef]
- Mohammadpour-Haratbar, A.; Zare, Y.; Rhee, K.Y. Simulation of electrical conductivity for polymer silver nanowires systems. Sci. Rep. 2023, 13, 5. [Google Scholar] [CrossRef]
- Turan, A. PID controller design with a new method based on proportional gain for cruise control system. J. Radiat. Res. Appl. Sci. 2024, 17, 100810. [Google Scholar] [CrossRef]
- Chotikunnan, P.; Chotikunnan, R. Dual design PID controller for robotic manipulator application. J. Robot. Control. (JRC) 2023, 4, 23–34. [Google Scholar] [CrossRef]
- Lopez-Sanchez, I.; Moreno-Valenzuela, J. PID control of quadrotor UAVs: A survey. Annu. Rev. Control. 2023, 56, 100900. [Google Scholar] [CrossRef]
- Chen, Y.S.; Hung, Y.H.; Lee, M.Y.J.; Lai, C.J.; Chang, J.R.; Chien, C.Y. Identification of the Yield Rate by a Hybrid Fuzzy Control PID-Based Four-Stage Model: A Case Study of Optical Filter Industry. Axioms 2024, 13, 54. [Google Scholar] [CrossRef]
- Hai, T.; Zhou, J.; Furukawa, N. Performance enhancement of fuzzy-PID controller for MPPT of PV system to extract maximum power under different conditions. Soft Comput. 2024, 28, 2035–2054. [Google Scholar] [CrossRef]
- Ma, C.; Huang, B.; Basher, M.K.; Rob, M.A.; Jiang, Y. Fuzzy PID control design of mining electric locomotive based on permanent magnet synchronous motor. Electronics 2024, 13, 1855. [Google Scholar] [CrossRef]
- Sanguino, T.D.J.M.; Domínguez, J.M.L. Design and stabilization of a Coandă effect-based UAV: Comparative study between fuzzy logic and PID control approaches. Robot. Auton. Syst. 2024, 175, 104662. [Google Scholar] [CrossRef]
- Shiqi, L.; Qiankun, L.; Jinchun, S. A comprehensive synthesis approach of re-circulating cooling water system based on stage-wise structure and Poppe method. Alex. Eng. J. 2022, 61, 7733–7748. [Google Scholar] [CrossRef]
- Zhang, Y.; Duan, H.; Chen, E.; Li, M.; Liu, S. Physicochemical characteristics and the scale inhibition effect of air nanobubbles (A-NBs) in a circulating cooling water system. Langmuir 2023, 39, 1629–1639. [Google Scholar] [CrossRef]
- Zezatti, V.M.; Ochoa, A.; Urquiza, G.; Basurto, M.; Castro, L.; Garcia, J. The implementation of a nickel-electroless coating in heat exchanger pipes considering the problem of the environmental conditions ofthe cooling water without recirculation to increase the effectiveness under uncertainty. Int. J. Comb. Optim. Probl. Inform. 2022, 13, 73–82. [Google Scholar]
- Nasrabadi, M.; Finn, D.P. Analysis of a low-temperature small approach open cooling tower integrated with radiant cooling and displacement ventilation for space conditioning in temperate climates. Adv. Build. Energy Res. 2022, 16, 754–779. [Google Scholar] [CrossRef]
- Liu, H.; Wu, Z.; Zhang, B.; Chen, Q.; Pan, M.; Ren, J.; He, C. A large-scale stochastic simulation-based thermodynamic optimization for the hybrid closed circuit cooling tower system with parallel computing. Energy 2023, 283, 128434. [Google Scholar] [CrossRef]
- Can, O.F.; Alabbas, M. Numerical investigation of cross-flow water cooling towers. J. Therm. Sci. Eng. Appl. 2023, 15, 071010. [Google Scholar] [CrossRef]
- Senawi, M.Y. A novel analytical solution of merkel equation for counterflow cooling towers. J. Teknol. 2024, 86, 13–20. [Google Scholar] [CrossRef]
- Bhatkar, V.W. Determination of water loss for an adiabatic cooling of a fin fan water cooler. Mater. Today Proc. 2021, 47, 5629–5631. [Google Scholar] [CrossRef]
- Shen, C.; Gao, R.; Wang, X.; Yao, Y. Investigation on fouling of enhanced tubes used in a cooling tower water system based on a long-term test. Int. J. Refrig. 2019, 104, 9–18. [Google Scholar] [CrossRef]
- Shen, C.; Wang, L.; Ford, S.E.; Zhang, C.; Wang, X. A novel fouling measurement system: Part I. design evaluation and description. Int. J. Heat Mass Transf. 2017, 110, 940–949. [Google Scholar] [CrossRef]
- Ekemen Keskin, T.; Özler, E.; Şander, E.; Düğenci, M.; Ahmed, M.Y. Prediction of electrical conductivity using ANN and MLR: A case study from Turkey. Acta Geophys. 2020, 68, 811–820. [Google Scholar] [CrossRef]
- Mattas, C.; Dimitraki, L.; Georgiou, P.; Venetsanou, P. Use of factor Analysis (FA), artificial neural networks (ANNs), and multiple linear regression (MLR) for electrical conductivity prediction in aquifers in the gallikos river basin, northern Greece. Hydrology 2021, 8, 127. [Google Scholar] [CrossRef]
- Obianyo, J.I. Effect of storage containers on water quality. Trop. J. Sci. Technol. 2020, 1, 66–73. [Google Scholar]
- Borase, R.P.; Maghade, D.K.; Sondkar, S.Y.; Pawar, S.N. A review of PID control, tuning methods and applications. Int. J. Dyn. Control 2021, 9, 818–827. [Google Scholar] [CrossRef]
- Guan, Z.; Yamamoto, T. Design of a reinforcement learning PID controller. IEEJ Trans. Electr. Electron. Eng. 2021, 16, 1354–1360. [Google Scholar] [CrossRef]
- Phu, N.D.; Hung, N.N.; Ahmadian, A.; Senu, N. A new fuzzy PID control system based on fuzzy PID controller and fuzzy control process. Int. J. Fuzzy Syst. 2020, 22, 2163–2187. [Google Scholar] [CrossRef]
- Kocaarslan, I.; Kart, S.; Altun, Y.; Genc, N. Lyapunov based PI controller for PEM fuel cell based boost converter. Int. J. Renew. Energy Res. 2020, 10, 275–280. [Google Scholar]
- Du, Z.; Yufan, F.; Yang, X.; Li, J. Design of PI controller for a class of discrete cascade control systems. IEEE Trans. Autom. Sci. Eng. 2022, 20, 2607–2615. [Google Scholar] [CrossRef]
- Alhejji, A.; Mosaad, M.I. Performance enhancement of grid-connected PV systems using adaptive reference PI controller. Ain Shams Eng. J. 2021, 12, 541–554. [Google Scholar] [CrossRef]
- Lloyds Raja, G.; Ali, A. New PI-PD controller design strategy for industrial unstable and integrating processes with dead time and inverse response. J. Control Autom. Electr. Syst. 2021, 32, 266–280. [Google Scholar] [CrossRef]
- Etedali, S.; Zamani, A.A.; Akbari, M.; Seifi, M. A new seismic control framework of optimal PIλDµ controller series with fuzzy PD controller including soil-structure interaction. J. Frankl. Inst. 2023, 360, 10536–10563. [Google Scholar] [CrossRef]
- Hosseini, M.I.; Khalilpour, S.A.; Taghirad, H.D. Practical robust nonlinear PD controller for cable-driven parallel manipulators. Nonlinear Dyn. 2021, 106, 405–424. [Google Scholar] [CrossRef]
- Patel, V.V. Ziegler-nichols tuning method: Understanding the pid controller. Resonance 2020, 25, 1385–1397. [Google Scholar] [CrossRef]
- Ghosh, A.; Ray, A.K.; Nurujjaman, M.; Jamshidi, M. Voltage and frequency control in conventional and PV integrated power systems by a particle swarm optimized Ziegler–Nichols based PID controller. SN Appl. Sci. 2021, 3, 314. [Google Scholar] [CrossRef]
- Mintsa, H.A.; Eny, G.E.; Senouveau, N.; Nzué, R.M.A. Optimal tuning PID controller gains from ziegler-nichols approach for an electrohydraulic servo system. J. Eng. Res. Rep. 2023, 25, 158–166. [Google Scholar] [CrossRef]
- Precup, R.E.; Preitl, S.; Petriu, E.; Bojan-Dragos, C.A.; Szedlak-Stinean, A.I.; Roman, R.C.; Hedrea, E.L. Model-based fuzzy control results for networked control systems. Rep. Mech. Eng. 2020, 1, 10–25. [Google Scholar] [CrossRef]
- Pan, Y.; Wu, Y.; Lam, H.K. Security-based fuzzy control for nonlinear networked control systems with DoS attacks via a resilient event-triggered scheme. IEEE Trans. Fuzzy Syst. 2022, 30, 4359–4368. [Google Scholar] [CrossRef]
- Sun, Y.; Wang, F.; Liu, Z.; Zhang, Y.; Chen, C.P. Fixed-time fuzzy control for a class of nonlinear systems. IEEE Trans. Cybern. 2020, 52, 3880–3887. [Google Scholar] [CrossRef] [PubMed]
- Varshney, A.K.; Torra, V. Literature review of the recent trends and applications in various fuzzy rule based systems. Int. J. Fuzzy Syst. 2023, 25, 2163–2186. [Google Scholar] [CrossRef]
- Cao, N.; Dvořák, A.; Štěpnička, M.; Valášek, R. Redundancy criteria for linguistic fuzzy rules. Expert Syst. Appl. 2023, 214, 119112. [Google Scholar] [CrossRef]
- Hasanipanah, M.; Bakhshandeh Amnieh, H. A fuzzy rule based approach to address uncertainty in risk assessment and prediction of blast-induced Flyrock in a quarry. Nat. Resour. Res. 2020, 29, 669–689. [Google Scholar] [CrossRef]
- Acampora, G.; Schiattarella, R.; Vitiello, A. On the implementation of fuzzy inference engines on quantum computers. IEEE Trans. Fuzzy Syst. 2022, 31, 1419–1433. [Google Scholar] [CrossRef]
- Le Chau, N.; Dao, T.P.; Dang, V.A. An efficient hybrid approach of improved adaptive neural fuzzy inference system and teaching learning-based optimization for design optimization of a jet pump-based thermoacoustic-Stirling heat engine. Neural Comput. Appl. 2020, 32, 7259–7273. [Google Scholar] [CrossRef]
- Khalil, A.M.; Li, S.G.; Lin, Y.; Li, H.X.; Ma, S.G. A new expert system in prediction of lung cancer disease based on fuzzy soft sets. Soft Comput. 2020, 24, 14179–14207. [Google Scholar] [CrossRef]
- Pievtsov, H.; Turinskyi, O.; Zhyvotovskyi, R.; Sova, O.; Zvieriev, O.; Lanetskii, B.; Shyshatskyi, A. Development of an advanced method of finding solutions for neuro-fuzzy expert systems of analysis of the radio electronic situation. EUREKA Phys. Eng. 2020, 4, 78–89. [Google Scholar] [CrossRef]
- Santos, J.; Torres-Machi, C.; Morillas, S.; Cerezo, V. A fuzzy logic expert system for selecting optimal and sustainable life cycle maintenance and rehabilitation strategies for road pavements. Int. J. Pavement Eng. 2022, 23, 425–437. [Google Scholar] [CrossRef]
- Tabbussum, R.; Dar, A.Q. Performance evaluation of artificial intelligence paradigms—Artificial neural networks, fuzzy logic, and adaptive neuro-fuzzy inference system for flood prediction. Environ. Sci. Pollut. Res. 2021, 28, 25265–25282. [Google Scholar] [CrossRef]
- Fei, J.; Wang, Z.; Liang, X.; Feng, Z.; Xue, Y. Fractional sliding-mode control for microgyroscope based on multilayer recurrent fuzzy neural network. IEEE Trans. Fuzzy Syst. 2021, 30, 1712–1721. [Google Scholar] [CrossRef]
- Fei, J.; Liu, L. Real-time nonlinear model predictive control of active power filter using self-feedback recurrent fuzzy neural network estimator. IEEE Trans. Ind. Electron. 2021, 69, 8366–8376. [Google Scholar] [CrossRef]
- Sain, D.; Mohan, B.M. Modeling, simulation and experimental realization of a new nonlinear fuzzy PID controller using center of Gravity defuzzification. ISA Trans. 2021, 110, 319–327. [Google Scholar] [CrossRef]
- Naimi, M.; Tahayori, H.; Sadeghian, A. A fast and accurate method for calculating the center of gravity of polygonal interval type-2 fuzzy sets. IEEE Trans. Fuzzy Syst. 2020, 29, 1472–1483. [Google Scholar] [CrossRef]
- Indrawaty, N.Y.; Musrini, B.M.; Ramsza, P.R. Implementation of mean of maximum on cigarette smoke control in a room. Electroteh. Electron. Autom. 2022, 70, 59–68. [Google Scholar]
- Olaru, L.M.; Gellert, A.; Fiore, U.; Palmieri, F. Electricity production and consumption modeling through fuzzy logic. Int. J. Intell. Syst. 2022, 37, 8348–8364. [Google Scholar] [CrossRef]
- Zhao, X.; Xiao, W. Uncertainty analysis of aircraft center of gravity deviation and passenger seat allocation optimization. Mathematics 2024, 12, 1591. [Google Scholar] [CrossRef]
- Ma, S.F. Research on Energy Saving Improvement of Cooling Tower Fan. Master’s Thesis, National Changhua University of Education, Changhua City, Taiwan, 2023; pp. 1–50. [Google Scholar]
- Peter, O.; Pradhan, A.; Mbohwa, C. Industrial internet of things (IIoT): Opportunities, challenges, and requirements in manufacturing businesses in emerging economies. Procedia Comput. Sci. 2023, 217, 856–865. [Google Scholar] [CrossRef]
Disclaimer/Publisher’s Note: The statements, opinions and data contained in all publications are solely those of the individual author(s) and contributor(s) and not of MDPI and/or the editor(s). MDPI and/or the editor(s) disclaim responsibility for any injury to people or property resulting from any ideas, methods, instructions or products referred to in the content. |
© 2024 by the authors. Licensee MDPI, Basel, Switzerland. This article is an open access article distributed under the terms and conditions of the Creative Commons Attribution (CC BY) license (https://creativecommons.org/licenses/by/4.0/).