Two-Tier Configuration Model for the Optimization of Enterprise Costs and User Satisfaction for Rural Microgrids
Abstract
1. Introduction
2. Characteristics and Structure of Rural Microgrids
2.1. The Characteristics of Rural Power Distribution Networks
- (1)
- Weak grid structure. Most rural microgrids have a simple, single-line power supply configuration due to a weak grid architecture. This straightforward structure connects to the main power grid and includes connection points, distributed power generators, and energy storage systems. While the single-line power supply framework offers cost efficiencies, it harbors the potential for power supply instability [22]. Rural microgrids typically possess the capability to seamlessly integrate with or disconnect from the main grid, allowing for adjustments between grid-tied and wholly independent operations based on demand [23]. This confers a significant level of flexibility and self-reliance.
- (2)
- Abundant forms of energy. Rural regions often have facilitated access to diverse renewable energy sources, laying a robust foundation for rural microgrid development. This observation is made with objectivity, devoid of subjective assessments. Among the renewable energy sources prevalently harnessed in rural microgrids, there are wind, hydro, photovoltaic, and biomass energy sources [24,25,26]. The plethora of energy varieties offers an economically sustainable and ecologically benign solution for rural locales. Furthermore, this diversification diminishes reliance on external energy sources, bolstering energy security and fostering sustainable advancement in rural regions.
- (3)
- Poor quality of electricity. The employment of renewable energy sources within rural microgrids often leads to an intermittent and unpredictable power supply, adversely impacting the stability and reliability of the electrical energy provided [27]. Moreover, constraints in energy storage and management systems, arising from technological limitations and investment restrictions, can impede efforts to mitigate supply instability [28]. This confluence of factors can precipitate power quality concerns, including voltage instability and frequency variations, adversely affecting rural microgrid consumers. Such complications can detrimentally influence daily living and economic operations.
- (4)
- Low user satisfaction. Power quality instability within rural microgrids directly influences the electricity experience of users, potentially detracting from their overall satisfaction. Recurrent power interruptions and voltage fluctuations can gravely impact residents’ quality of life and disrupt the routine operations of businesses [29]. Moreover, rural microgrids frequently face challenges in delivering dependable services and swift responses in the face of extreme weather events or equipment malfunctions, owing to the technical and financial limitations.
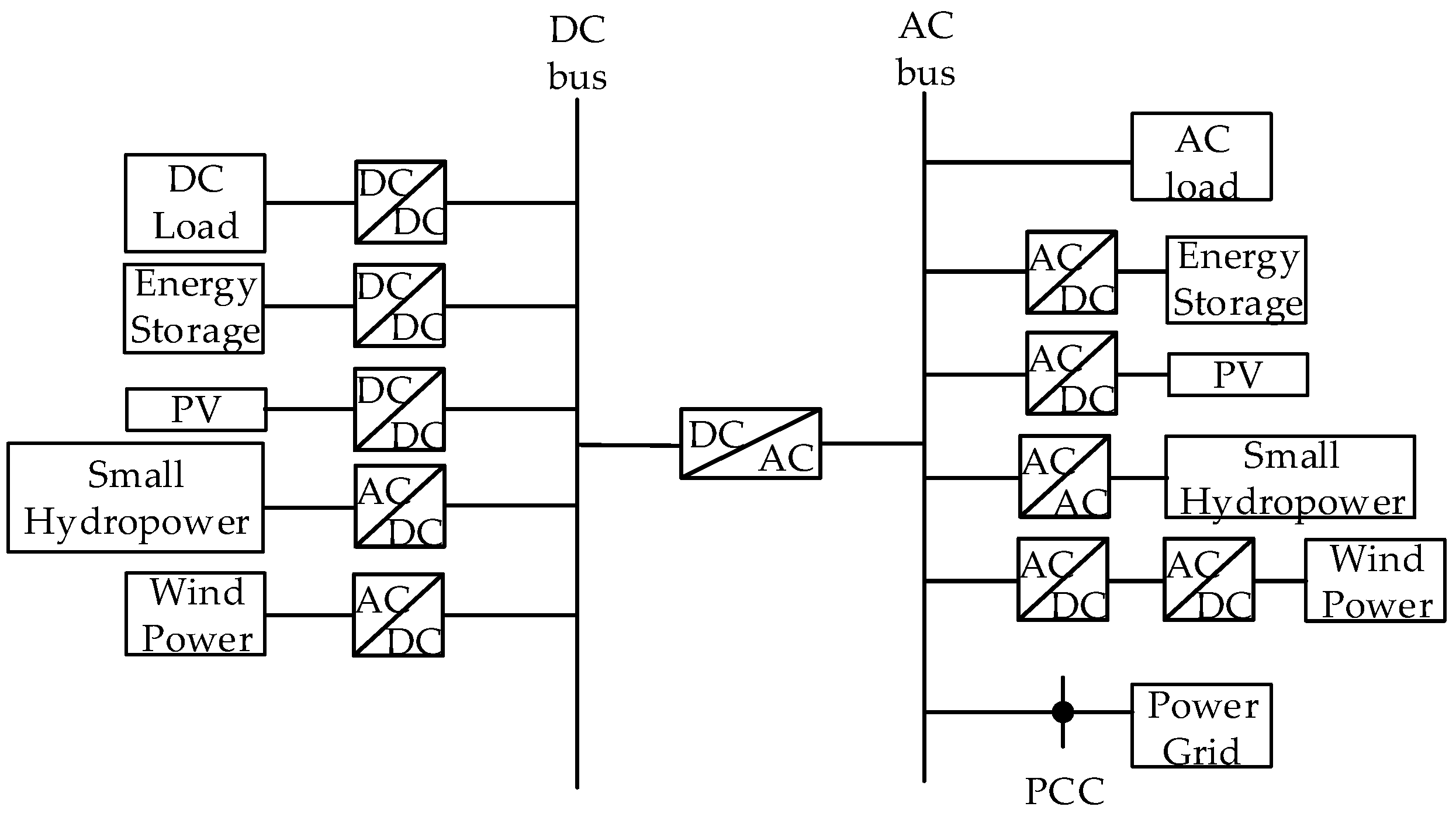
2.2. The Structure of Rural Microgrids
3. Interconnected Rural Microgrid Two-Tier Planning Model
3.1. Minimum Cost Model for Microgrid Construction and Operation
- (1)
- Construction Cost of the rural microgrid:
- (2)
- Operational, Maintenance, and Testing Cost of the rural microgrid:
- (3)
- Penalty Cost for Wasted Wind, Light, and Water in the rural microgrid:
3.2. Maximum User Satisfaction Model
4. Solution of a Two-Tier Planning Model for Rural Microgrid
4.1. Decoupling of Two-Tier Planning Models
4.2. Solution Algorithm
5. Case Study
5.1. Input Data
5.2. Optimization Results
5.3. Parametric Analysis
- (1)
- Anticipated construction costs
- (2)
- Customer satisfaction
6. Conclusions
Author Contributions
Funding
Data Availability Statement
Conflicts of Interest
References
- Kamal, M.M.; Ashraf, I.; Fernandez, E. Optimal sizing of standalone rural microgrid for sustainable electrification with renewable energy resources. Sustain. Cities Soc. 2023, 88, 104298. [Google Scholar] [CrossRef]
- Li, S.; Zhang, L.; Su, L.; Nie, Q. Exploring the coupling coordination relationship between economic environment and renewable energy development in rural areas: A case of China. Sci. Total Environ. 2023, 880, 163229. [Google Scholar] [CrossRef] [PubMed]
- Cao, M.; Yu, J. Sales channel classification for renewable energy stations under peak shaving resource shortage. Int. J. Electr. Power Energy Syst. 2024, 160, 110115. [Google Scholar] [CrossRef]
- Zhang, X.; Guo, K.; Wang, L.; Cong, Y.; Wang, Q. Analysis of the Influence of Distributed Generation on Distribution Network Voltage. J. Phys. Conf. Ser. 2023, 2418, 012034. [Google Scholar] [CrossRef]
- Min, C. Investigating the Effect of Uncertainty Characteristics of Renewable Energy Resources on Power System Flexibility. Appl. Sci. 2021, 11, 5381. [Google Scholar] [CrossRef]
- Wang, J.; Chen, L.; Tan, Z.; Du, E.; Liu, N.; Ma, J.; Sun, M.; Li, C.; Song, J.; Lu, X.; et al. Inherited spatial uncertainty of renewable power in China. Nat. Commun. 2023, 1, 5379. [Google Scholar] [CrossRef]
- Semshchikov, E.; Negnevitsky, M.; Hamilton, J.; Wang, X. Cost Efficient Strategy for High Renewable Energy Penalty in Isolated Power Systems. IEEE Trans. Power Syst. 2020, 5, 3719–3728. [Google Scholar] [CrossRef]
- Vaka, S.S.K.R.; Matam, S.K. Optimal sizing of hybrid renewable energy systems for reliability enhancement and cost minimization using multi-objective technology in microgrids. Energy Storage 2022, 5, e419. [Google Scholar] [CrossRef]
- Huang, Y.X.; Li, G.F. Resilient Distribution Networks by Microgrid Formation Using Deep Reinforcement Learning. IEEE Trans. Smart Grid 2022, 13, 4918–4930. [Google Scholar] [CrossRef]
- Wongdet, P.; Boonraksa, T.; Boonraksa, P.; Pinthurat, W.; Marungsri, B.; Hredzak, B. Optimal Capacity and Cost Analysis of Battery Energy Storage System in Standalone Microgrid Consulting Battery Lifetime. Batteries 2023, 9, 76. [Google Scholar] [CrossRef]
- Boonraksa, T.; Pinthurat, W.; Wongdet, P.; Boonraksa, P.; Marungsri, B.; Hredzak, B. Optimal Capacity and Cost Analysis of Hybrid Energy Storage System in Standalone DC Microgrid. IEEE Access 2023, 11, 65496–65506. [Google Scholar] [CrossRef]
- Abdelghany, M.B.; Al-Durra, A. A Coordinated Optimal Operation of a Grid-Connected Wind-Solar Microgrid Incorporating Hybrid Energy Storage Management Systems. IEEE Trans. Sustain. Energy 2024, 15, 39–51. [Google Scholar] [CrossRef]
- Abid, M.S.; Apon, H.J.; Hossain, S.; Ahmed, A.; Ahshan, R.; Lipu, M.S.H. A novel multi-objective optimization based multi-agent deep reinforcement learning approach for microgrid resources planning. Appl. Energy 2024, 353, 122029. [Google Scholar] [CrossRef]
- Li, B.; Zhao, R.; Lu, J.; Xin, K.; Huang, J.; Lin, G.; Chen, J.; Pang, X. Energy management method for microgrids based on improved Stackelberg game real-time pricing model. Energy Rep. 2023, 10, 1247–1257. [Google Scholar] [CrossRef]
- Torkan, R.; Ilinca, A.; Ghorbanzadeh, M. A genetic algorithm optimization approach for smart energy management of microgrid. Renew. Energy 2022, 197, 852–863. [Google Scholar] [CrossRef]
- Wang, T.H.; Hua, H.C. A bi-level dispatch optimization of multi-microgrid considering green electricity consumption willingness under renewable portfolio standard policy. Appl. Energy 2024, 356, 122428. [Google Scholar] [CrossRef]
- Jiménez-Vargas, I.; Rey, J.M. Sizing of hybrid microgrids considering life cycle assessment. Renew. Energy 2023, 202, 554–565. [Google Scholar] [CrossRef]
- Pramila, V.; Kannadasan, R. Smart grid management: Integrating hybrid intelligent algorithms for microgrid energy optimization. Energy Rep. 2024, 12, 2997–3019. [Google Scholar] [CrossRef]
- Khodabakhsh, R.; Sirouspour, S. Optimal Control of Energy Storage in a Microgrid by Minimizing Conditional Value-at-Risk. IEEE Trans. Sustain. Energy 2016, 7, 1264–1273. [Google Scholar] [CrossRef]
- Song, Y.; Sahoo, S.; Yang, Y.; Blaabjerg, F. Probabilistic Risk Evaluation of Microgrids Considering Stability and Reliability. IEEE Trans. Power Electron. 2023, 38, 10302–10312. [Google Scholar] [CrossRef]
- Zhao, T.Y.; Pan, X.W.; Yao, S.H. Strategic Bidding of Hybrid AC/DC Microgrid Embedded Energy Hubs: A Two-Stage Chance Constrained Stochastic Programming Approach. IEEE Trans. Sustain. Energy 2020, 11, 116–125. [Google Scholar] [CrossRef]
- Muduli, U.R.; El Moursi, M.S. Impedance Modeling with Stability Boundaries for Constant Power Load During Line Failure. IEEE Trans. Ind. Appl. 2024, 60, 1484–1496. [Google Scholar] [CrossRef]
- Arai, J.; Taguchi, Y. Coordinated control between a grid forming inverter and grid following inverters suppling power in a standalone microgrid. Glob. Energy Interconnect. 2022, 3, 259–265. [Google Scholar] [CrossRef]
- Singh, V.K.; Verma, A.; Bhatti, T.S. Bhatti. Integration and Control of Renewable Energy-Based Rural Microgrids. IETE J. Res. 2022, 6, 4492–4502. [Google Scholar] [CrossRef]
- Yang, S.; Fang, J.; Zhang, Z.; Lv, S.; Lin, H.; Ju, L. Two-stage coordinated optimal dispatching model and benefit allocation strategy for rural new energy microgrid. Energy 2024, 292, 130274. [Google Scholar] [CrossRef]
- Herwandi, H.; Kamajaya, L.; Fitri, F. Designing and Analyzing a Hybrid Photovoltaic-Biomass Microgrid for Rural Communities. Int. J. Renew. Energy Res. 2023, 3, 1070–1081. [Google Scholar]
- Kamal, M.M.; Asharaf, I.; Fernandez, E. Optimal energy scheduling of a standalone rural microgrid for reliable power generation using renewable energy resources. Energy Sources Part A Recovery Util. Environ. Eff. 2023, 1, 485–504. [Google Scholar] [CrossRef]
- Yang, C.; Meng, T.; Ma, H.; Qi, S.; Jia, Z. Research on Optimal Operation of Low Carbon Rural Microgrid Integrated with Optical Storage and Charging. J. Phys. Conf. Ser. 2023, 2527, 012007. [Google Scholar] [CrossRef]
- Yadav, P.; Davies, P.J.; Sarkodie, S.A. The prospects of decentralised solar energy home systems in rural communities: User experience, determinants, and impact of free solar power on the energy poverty cycle. Energy Strategy Rev. 2019, 26, 100424. [Google Scholar] [CrossRef]
- Mirsaeidi, S.; Dong, X.Z.; Shi, S.X. AC and DC Microgrids: A Review on Protection Issues and Approaches. J. Electr. Eng. Technol. 2017, 12, 2089–2098. [Google Scholar]
- Ribó-Pérez, D.; Bastida-Molina, P.; Gómez-Navarro, T. Hybrid assessment for a hybrid microgrid: A novel methodology to critically analyse generation technologies for hybrid microgrids. Renew. Energy 2020, 157, 874–887. [Google Scholar] [CrossRef]
- Ansari, S.; Chandel, A.; Tariq, M. A comprehensive review on power converters control and control strategies of AC/DC microgrid. IEEE Access 2020, 9, 17998–18015. [Google Scholar] [CrossRef]
- Wang, Q.; Zhang, W.; Li, J.; Ma, Z.; Chen, J. Benefits or harms? The effect of online review manipulation on sales. Electron. Commer. Res. Appl. 2023, 57, 101224. [Google Scholar] [CrossRef]
- Liu, D.N.; Wang, L.X.; Wang, W.Y. Strategy of Large-Scale Electric Vehicles Absorbing Renewable Energy Abandoned Electricity Based on Master-Slave Game. IEEE Access 2021, 9, 92473–92482. [Google Scholar] [CrossRef]
- Gusain, C.; Nangia, U.; Tripathi, M.M. Optimal sizing of standalone hybrid renewable energy system based on reliability indicator: A case study. Energy Convers. Manag. 2024, 310, 118490. [Google Scholar] [CrossRef]
- Watts, C.; McCarthy, C.; Levite, B. The Need for Consumer-Centric Reliability Metrics. IEEE Power Energy Mag. 2022, 20, 117–124. [Google Scholar] [CrossRef]
- Rigo-Mariani, R.; Sareni, B. Fast power flow scheduling and sensitivity analysis for sizing a microgrid with storage. Math. Comput. Simul. 2016, 131, 114–127. [Google Scholar] [CrossRef]
- Hizarici, H.; Demirel, O.; Turkay, B.E. Distribution network reconfiguration using time-varying acceleration coefficient assisted binary particle swarm optimization. Eng. Sci. Technol. Int. J.-JESTECH 2022, 35, 101230. [Google Scholar] [CrossRef]
- Suman, G.K.; Guerrero, J.M.; Roy, O.P. Optimisation of solar/wind/bio-generator/diesel/battery based microgrids for rural areas: A PSO-GWO approach. Sustain. Cities Soc. 2021, 67, 102723. [Google Scholar] [CrossRef]
- Valdez, F.; Melin, P. A survey on nature-inspired optimization algorithms with fuzzy logic for dynamic parameter adaptation. Expert Syst. Appl. 2014, 41, 6459–6466. [Google Scholar] [CrossRef]
- Gad, A.G. Particle Swarm Optimization Algorithm and Its Applications: A Systematic Review. Arch. Comput. Methods Eng. 2023, 30, 3471. [Google Scholar] [CrossRef]
- Jain, M.; Saihjpal, V.; Singh, N. An Overview of Variants and Advancements of PSO Algorithm. Appl. Sci. 2022, 12, 8392. [Google Scholar] [CrossRef]





| Symbol | Explanation | Unit |
|---|---|---|
| Construction cost | USD | |
| Operational, maintenance, and testing cost | USD | |
| Penalty cost | USD | |
| Individual investment expenditures for Photovoltaic power plants, wind turbines, hydropower stations, and energy storage facilities | USD | |
| The aggregated investment cost for all grid-tied inverters | USD | |
| Quantity of photovoltaics, wind turbines, hydro Generators, and energy storage | Unit | |
| Discount rate | - | |
| Projected lifespan | Year | |
| The unitary average costs associated with the operation, maintenance, and testing (OMT) of individual photovoltaic power stations, wind turbines, hydropower stations, and energy storage facilities | USD | |
| Annual average expenditure for the OMT Activities of all grid-tied inverters | USD | |
| Penalization factors for the abandonment of solar, wind, and hydroelectric power | USD | |
| The maximal power outputs achievable by photovoltaic systems, wind turbines, and hydro stations | kW | |
| The actual power outputs from photovoltaic systems, wind turbines, and hydroelectric stations | kW | |
| The maximal quantity of hours per day during which electrical power is wasted | Hour | |
| The comprehensive economic cost | USD | |
| The upper limits on the number of photovoltaic, wind turbine, and hydroelectric devices | Unit | |
| The aggregate output power generated by distributed power sources | kW | |
| Power consumption | kW | |
| The power generation margin within the microgrid | - | |
| The output powers of an individual photovoltaic unit, wind turbine, and hydropower unit | kW | |
| Reliability | - | |
| Cost-effectiveness | - | |
| The importance of electricity reliability | - | |
| The importance of electricity cost-effectiveness | - | |
| The annual duration of power outages experienced within the rural microgrid | Day | |
| The period constituting one calendar year | Day | |
| The electricity tariff charged to residents prior to the establishment of the rural microgrid | USD | |
| The rate post-establishment | USD | |
| Minimum reliability | - |
| Equipment | Construction Costs (USD/Group) | Operation and Maintenance Costs (USD/kw·h) |
|---|---|---|
| Photovoltaic | 27,600 | 1.4 × 10−3 |
| Fan | 41,400 | 4.1 × 10−3 |
| Small hydropower | 414,000 | 3.59 × 10−2 |
| Energy storage | 13,800 | 1.4 × 10−3 |
| Grid connected inverter | 13,800 | 0 |
| Scheme | Photovoltaics/Group | Fan/ Group | Small Hydropower/Group | Energy Storage/Group | Construction Cost (USD) | Operation Cost (USD) | Total Cost (USD) | User Satisfaction |
|---|---|---|---|---|---|---|---|---|
| 1 | 15 | 12 | 1 | 11 | 5,187,822 | 4,236,198 | 9,424,020 | 0.83 |
| 2 | 19 | 18 | 1 | 15 | 6,343,729 | 4,741,811 | 11,085,540 | 0.99 |
| 3 | 17 | 12 | 1 | 15 | 5,793,297 | 4,306,923 | 10,100,220 | 0.90 |
| Scheme | Anticipated Construction Cost (USD) | Photovoltaics/ Group | Fan/ Group | Small Hydropower/ Group | Energy Storage/ Group | Operation Cost (USD) | Total Cost (USD | User Satisfaction |
|---|---|---|---|---|---|---|---|---|
| 1 | 4,444,738 | 12 | 14 | 1 | 11 | 4,178,882 | 8,623,620 | 0.80 |
| 2 | 5,614,406 | 16 | 15 | 1 | 13 | 4,150,474 | 9,764,880 | 0.89 |
| 3 | 5,187,822 | 15 | 12 | 1 | 11 | 4,236,198 | 9,424,020 | 0.83 |
| Scheme | User Satisfaction | Photovoltaics/ Group | Fan/ Group | Small Hydropower/ Group | Energy Storage /Group | Construction Cost (USD) | Operation Cost (USD) | Total Cost (USD) |
|---|---|---|---|---|---|---|---|---|
| 1 | 0.70 | 10 | 12 | 1 | 11 | 3,811,742 | 4,059,778 | 7,871,520 |
| 2 | 0.90 | 17 | 12 | 1 | 15 | 6,343,729 | 4,741,811 | 10,100,220 |
| 3 | 0.80 | 12 | 14 | 1 | 11 | 4,444,738 | 4,178,882 | 8,623,620 |
| Scheme | User Satisfaction | Photovoltaics/ Group | Fan/ Group | Small Hydropower/ Unit | Energy Storage /Group | Total Cost (USD) | |
|---|---|---|---|---|---|---|---|
| Construction solutions in different schemes | 1 | 0.70 | 10 | 12 | 1 | 11 | 7,871,520 |
| 2 | 0.90 | 17 | 12 | 1 | 15 | 10,100,220 | |
| 3 | 0.80 | 12 | 14 | 1 | 11 | 8,623,620 | |
| Construction solutions under different anticipated construction costs | 1 | 0.80 | 12 | 14 | 1 | 11 | 8,623,620 |
| 2 | 0.89 | 16 | 15 | 1 | 13 | 9,764,880 | |
| 3 | 0.83 | 15 | 12 | 1 | 11 | 9,424,020 | |
| Construction solutions under different user satisfaction | 1 | 0.70 | 10 | 12 | 1 | 11 | 7,871,520 |
| 2 | 0.90 | 17 | 12 | 1 | 15 | 10,100,220 | |
| 3 | 0.80 | 12 | 14 | 1 | 11 | 8,623,620 |
Disclaimer/Publisher’s Note: The statements, opinions and data contained in all publications are solely those of the individual author(s) and contributor(s) and not of MDPI and/or the editor(s). MDPI and/or the editor(s) disclaim responsibility for any injury to people or property resulting from any ideas, methods, instructions or products referred to in the content. |
© 2024 by the authors. Licensee MDPI, Basel, Switzerland. This article is an open access article distributed under the terms and conditions of the Creative Commons Attribution (CC BY) license (https://creativecommons.org/licenses/by/4.0/).
Share and Cite
Fang, Y.; Li, M.; Yue, Y.; Liu, Z. Two-Tier Configuration Model for the Optimization of Enterprise Costs and User Satisfaction for Rural Microgrids. Mathematics 2024, 12, 3256. https://doi.org/10.3390/math12203256
Fang Y, Li M, Yue Y, Liu Z. Two-Tier Configuration Model for the Optimization of Enterprise Costs and User Satisfaction for Rural Microgrids. Mathematics. 2024; 12(20):3256. https://doi.org/10.3390/math12203256
Chicago/Turabian StyleFang, Yong, Minghao Li, Yunli Yue, and Zhonghua Liu. 2024. "Two-Tier Configuration Model for the Optimization of Enterprise Costs and User Satisfaction for Rural Microgrids" Mathematics 12, no. 20: 3256. https://doi.org/10.3390/math12203256
APA StyleFang, Y., Li, M., Yue, Y., & Liu, Z. (2024). Two-Tier Configuration Model for the Optimization of Enterprise Costs and User Satisfaction for Rural Microgrids. Mathematics, 12(20), 3256. https://doi.org/10.3390/math12203256

