Abstract
The Sliding Mode Observer (SMO) is widely used for the sensorless control of Permanent-Magnet Synchronous Motors (PMSMs) due to its simple structure and strong parameter robustness. However, traditional SMOs have a limited speed range and suffer from chattering issues, which affect the accuracy of rotor position estimation. To address these problems, this paper proposes an Adaptive Super-Twisting SMO (AST-SMO) method. First, a fast super-twisting function is designed to resolve the step problem that occurs at the zero-crossing of the traditional sign function. Next, an adaptive-tracking high-order Sliding Mode Observer is constructed to extend the speed range of the SMO. The stability of the system is proven using the Lyapunov theorem. Finally, a sensorless control system for PMSMs is implemented and validated in MATLAB/SIMULINK. The results indicate that, compared to the traditional SMO, the AST-SMO reduces the back EMF THD from 20.03% to 14.2%. Additionally, the rotor estimation error across all speed ranges is less than 0.01. Therefore, AST-SMO offers a higher tracking accuracy, a wider speed range, and effectively suppresses sliding mode chattering and harmonic interference.
MSC:
37N35; 70Q05; 93C10; 93B52
1. Introduction
Permanent magnet synchronous motors (PMSMs) are widely used in aerospace, automotive, and other fields due to their compact size, high power density, and strong load-carrying capacity. These motors are essential in applications demanding efficiency and reliability. Typically, rotor position information is required for controlling PMSMs. However, in high power density applications constrained by volume and material strength, the installation of position sensors is limited. Installing position sensors can increase the axial length of the rotor, leading to vibration and other issues. Additionally, the presence of sensors can introduce points of failure, increasing maintenance needs and reducing the overall system reliability. Given this research context, sensorless control has garnered extensive attention [,,].
Currently, sensorless control techniques for position estimation can be broadly categorized into two main approaches [,]. One approach is to employ high-frequency injection methods to estimate the rotor position in the zero-to-low-speed range [], where traditional back electromotive force (back EMF) signals are not reliable. This method involves superimposing a high-frequency signal on the motor’s voltage and analyzing the resulting current response to deduce position information. While effective at low speeds, this method can introduce additional complexity and noise into the system.
Another approach is to design observers to estimate or predict rotor position based on motor back EMF or stator flux information in the medium-to-high-speed range []. Among these, methods based on back EMF estimation are widely adopted due to their avoidance of additional signal injection. These methods typically include Sliding Mode Observers, Kalman filters, and nonlinear flux methods. However, Kalman filters are complex to implement, limiting their practical application. Although the nonlinear flux linkage method proposed in [] is cleverly designed, easy to implement, and widely adopted, it relies heavily on the motor’s flux linkage parameters. This dependency affects its control performance under challenging operating conditions, such as high temperatures. Therefore, further improvements are needed. Compared to the aforementioned methods, Sliding Mode Observers, in particular, are favored for their robustness against motor parameter variations and external disturbances []. They utilize the inherent properties of back EMF, which become more pronounced at higher speeds, to provide accurate position estimation.
Traditional SMO methods use the sign function to converge the system state. Due to the abrupt changes in the sign function at zero crossings, this inevitably causes chattering when the system converges to the sliding surface. This issue is also mentioned in []. To address the chattering issue, researchers have conducted various studies. Current solutions to chattering can be mainly categorized into two types. The first type introduces a low-pass filter (LPF) to filter the back EMF, thereby reducing the chattering caused by the observer’s inherent defects. For instance, a novel adaptive LPF method was proposed in [], effectively reducing system chattering. In [], a cascaded LPF control method for traditional SMOs achieved good control results. However, it is important to note that the introduction of LPFs can introduce delays into the system. This delay is exacerbated by solutions involving multiple LPFs, as in [], which can lead to significant position estimation errors and can degrade the overall system performance. The second type of solution involves designing continuous functions to replace the sign function, thereby reducing system chattering. For example, sigmoid and hyperbolic functions have been used in [,] to mitigate chattering. However, it is crucial to recognize that while the sign function ensures system robustness against disturbances, completely removing the sign function, as in these approaches, can reduce the system’s robustness and negatively impact the overall control performance.
To address the aforementioned issues, the authors of [,] introduced the full-order Sliding Mode Observer (SMO) method, which retains the strong robustness of SMOs by designing a feedback gain matrix and avoids system delay problems by not introducing a low-pass filter (LPF). However, the full-order SMO algorithm involves numerous parameters, complicating the observer design and limiting its further application. The authors of [] proposed a sensorless control scheme based on a quadrature phase-locked loop and a novel filter, which estimates the rotor position angle by estimating the fundamental wave of the back EMF. While this method improves the accuracy of back EMF estimation, the presence of harmonic disturbances in the back EMF affects the accuracy of the position estimation and, consequently, the overall control performance of the system. The authors of [,] introduced the super-twisting algorithm, a higher-order SMO method. The super-twisting algorithm effectively addresses chattering and LPF issues by achieving smooth switching near zero points. However, this method uses fixed observer gain values, which do not meet the requirements of wide-speed-range sensorless applications.
Based on the limitations of the aforementioned studies, this paper proposes a novel Adaptive Super-Twisting Sliding Mode Observer (AST-SMO) sensorless algorithm for PMSMs. This algorithm aims to suppress system chattering, achieve a wide speed range, and provide high-accuracy position estimation. The main contributions of this paper are as follows:
- The proposed method adaptively adjusts the system’s feedback coefficients based on speed variations, thereby extending the speed range of the PMSM drive system.
- The fast super-twisting algorithm is employed to reduce system chattering, enhance dynamic response capability, and enable rapid position estimation.
The remainder of this paper is organized as follows: Section 2 presents a mathematical model of PMSMs and describes the design method of the traditional SMO. Section 3 introduces the proposed AST-SMO sensorless algorithm and provides a stability proof. Section 4 validates the proposed method through corresponding simulations. By implementing these advanced techniques, the proposed sensorless control algorithm offers a promising solution for PMSM applications requiring high precision and reliability. The adaptability and robustness of the method make it suitable for a wide range of speeds and operational conditions, thereby enhancing the overall performance and efficiency of PMSM-based systems.
2. PMSM Mathematical Model and Traditional SMO Design
For ease of subsequent analysis, this section introduces the basic mathematical model of PMSMs and the design of conventional SMOs, including both traditional SMO and higher-order SMO designs.
2.1. The Design of Traditional SMOs
Surface-mount PMSM equations in the αβ coordinate system can be expressed as []:
with
where uα and uβ are the stator voltages, iα and iβ are the stator currents, Rs is the stator resistance, L is the inductance, ωe is the electrical angular velocity, and eα and eβ are the back electromotive force (EMF); p represents a differential operator.
From Equation (2), it can be seen that the back EMF contains relevant information about the rotor position and speed. Therefore, rewriting this equation leads to the following:
The design of the traditional SMO involves restructuring the mathematical model of the PMSM using sign functions. Therefore, the mathematical model of the traditional SMO for PMSMs can be written as follows []:
Afterward, the rotor position and speed information can be obtained using the arctangent function. However, traditional SMOs’ use of the discontinuous sign function introduces chattering in the estimated back EMF, necessitating the introduction of an LPF to filter the back EMF, consequently causing phase delays. Additionally, because traditional SMOs depend on the back EMF for angle decoupling, the decoupling process is affected by speed variations, impacting the overall control performance and accuracy of the motor system.
2.2. The Design of High-Order SMOs
Compared to traditional Sliding Mode Observers, higher-order Sliding Mode Observers (HSMOs) eliminate the issues of phase delay and amplitude attenuation caused by the introduction of LPFs. Next, we will briefly introduce the specific implementation of HSMOs [].
The implementation of HSMOs is also based on the back EMF. In fact, from Equation (2), it is easy to see that:
Therefore, the HSMO, with stator currents and back EMF as state variables, can be designed as follows []:
Despite HSMOs eliminating the phase delay and amplitude attenuation issues introduced by LPFs, they still uses the sign function, which causes chattering in position estimation. Additionally, HSMOs employ fixed tuning coefficients m and k, which results in a narrow speed regulation range. These issues need to be addressed further.
3. The Proposed AST-SMO Sensorless Control Algorithm
In light of the aforementioned deficiencies, this section presents an Adaptive Super-Twisting Sliding Mode Observer, termed the AST-SMO, for sensorless rotor position estimation. Relative to its conventional counterpart, this algorithm significantly enhances the precision of rotor position estimation, while facilitating adaptive coefficient adjustments within different velocity intervals. Notably, it effectively mitigates the adverse effects of sliding mode chattering and harmonic disturbances. Furthermore, a rigorous stability analysis is conducted to validate the proposed methodology.
The specific design of the AST-SMO includes the adaptive coefficient kv, the fast super-twisting function, and the hyperbolic function. The adaptive coefficient kv ensures rapid convergence to the sliding mode surface across various speed ranges. The fast super-twisting function and the hyperbolic function are designed to replace the traditional sign function, thereby minimizing the chattering effects of the SMO. The following sections provide a detailed description of the design scheme.
3.1. The Design of the AST-SMO
Firstly, to ensure the rapid convergence of the sliding mode surface at different speeds, an adaptive sliding mode gain coefficient is designed as follows:
where kmin is the basic sliding mode gain, ensuring the robustness of the motor at lower speeds, and k is the adaptive adjustment coefficient, ensuring the rapid convergence of the sliding mode surface when switching between different speed ranges. The operation process of the adaptive coefficient kv can be described as follows: When the system needs to operate at variable speeds, the sliding mode surface error is non-zero, so the adaptive coefficient kv increases. When the system reaches a stable operating state, the sliding mode surface error becomes zero, and the system’s adaptive adjustment coefficient decreases. When the system’s equilibrium state is disturbed, kv further increases. The operation process of kv, as described above, ensures that the motor operates in a wide speed range.
As per Equation (4), the implementation of HSMO comprises two components—an estimation of the stator current and an estimation of the back electromotive force (EMF). In traditional HSMOs, both the stator current and back EMF estimation employ the sign function. However, the sign function exhibits discontinuities at zero crossings, leading to system oscillations, as depicted in Figure 1.

Figure 1.
Image of the sign function.
For the estimation of the stator current, which undergoes relatively rapid changes in practical control, the fast Super-Twisting function algorithm is adopted to replace the original sign function. This is combined with the adaptive coefficient kv proposed in Equation (8). Therefore, the estimation of the stator current can be expressed as follows:
with
For the estimation of back EMF, to reduce high-frequency chattering caused by the discontinuity of traditional sign functions and to eliminate the need for a low-pass filter (LPF), a hyperbolic function is employed to replace the conventional sign(.) function. The hyperbolic function is defined as follows:
where α is a positive constant that determines the steepness of the hyperbolic function. This substitution smooths the switching function, effectively reducing high-frequency oscillations without introducing the phase delay associated with LPF. To ensure the efficacy of hyperbolic(x), the hyperbolic function with α = 2 is chosen as the switching function for estimating the back electromotive force. The graphical representation of hyperbolic(x) is depicted in Figure 2.

Figure 2.
Image of the hyperbolic function under α = 2.
Therefore, the final formulation of AST-SMO can be succinctly summarized as follows:
Subsequently, upon computing the back electromotive force, the rotor angle and velocity can be obtained through a phase-locked loop (PLL). The block diagram of the PLL is illustrated in Figure 3:

Figure 3.
Block diagram of the PLL.
3.2. Stability Analysis
First, define the current sliding surface as follows:
Similarly, define and .
To prove that the designed Sliding Mode Observer can stably operate on the sliding surface, a stability analysis of the designed observer is required. Define the Lyapunov function for the current sliding surface as follows:
Based on the reachability condition of the sliding mode and the corresponding Lyapunov stability theorem, the derivative of Vi must satisfy the negative definite condition. Thus, the following must be satisfied:
Combining Equations (11)–(13), it can be deduced that:
The adaptive sliding mode gain kv must satisfy the following condition:
When the stator currents reach the sliding surface, the observed stator currents will converge to the actual values. At this point, = 0, = 0, and p = p = 0. From Equation (15), it can be derived that:
Combining Equations (13) and (18), a state equation with the back EMF error as the variable can be obtained:
By solving the differential equation, the corresponding characteristic equation can be obtained as follows:
In this equation, s is the Laplace operator. The characteristic roots of Equation (20) are computed as follows:
From the above equation, it can be observed that the roots of this characteristic equation form a pair of complex conjugate roots located in the left half-plane of the complex plane. Therefore, it can be proved that the system is stable.
4. Simulation Verification
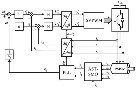
The overall control block diagram of the system, as shown in Figure 4, primarily consists of a Field-Oriented Control (FOC) system and an Adaptive Super-Twisting Sliding Mode Observer. The Adaptive Super-Twisting Sliding Mode Observer is employed to obtain the rotor speed and position information, enabling the sensorless control of the Permanent-Magnet Synchronous Motor (PMSM) through the FOC system. Given that the motor under consideration is a surface-mount permanent-magnet motor, id = 0 control is adopted for ease of subsequent control. The corresponding closed-loop control system diagram is depicted below:

Figure 4.
Block diagram of the AST-SMO.
The block diagram above illustrates the structure of the PMSM control system using the AST-SMO. This system includes speed control, current control, coordinate transformation, Space Vector Pulse Width Modulation (SVPWM), and the AST-SMO itself. The difference between the target speed and the actual speed is processed using a PI controller to generate the target current iq∗. For ease of control, an id∗ = 0 strategy is employed. The difference between the actual currents, id and iq, and their respective target values is processed using PI controllers to generate Ud∗ and Uq∗ voltage commands.
These commands are then transformed through coordinate transformation and the SVPWM module to generate the actual voltage commands that drive the inverter, subsequently driving the PMSM. The three-phase currents output by the inverter are fed back into the system through coordinate transformation. The AST-SMO uses these feedback currents and voltages to estimate the rotor position and speed. A phase-locked loop (PLL) converts these estimates into rotor position and speed, which are fed back into the closed-loop control system. This setup enables the precise control of the PMSM, providing efficient speed and current regulation, while suppressing sliding mode chattering and harmonic interference. For more details on SVPWM and coordinate transformation, please refer to [].
4.1. Simulation Analysis
The motor parameters utilized in this study are presented in Table 1. The sampling frequency and carrier frequency of the motor are set to 10 kHz. The proposed algorithms are validated through simulation using MATLAB/Simulink software. The simulation validation is divided into two parts—dynamic performance comparison and steady-state performance comparison. The dynamic performance comparison aims to verify the adaptive capability and wide speed range of the AST-SMO at different speeds, as discussed earlier. The steady-state performance comparison focuses on evaluating the rotor position estimation error and the accuracy of the back EMF estimation, thereby validating the theoretical analysis presented previously.

Table 1.
Experiment platform PMSM parameters.
4.2. Comparsion and Analysis of Dynamic Performance
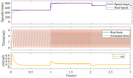
The initial set speed is 500 r/min, and at t = 1 s and t = 2 s, the set speed is adjusted to 800 r/min and 700 r/min, respectively. These adjustments are used to compare the rotor position information obtained using the traditional High-Speed Sliding Mode Observer (HSMO) and the Adaptive Super-Twisting Sliding Mode Observer (AST-SMO) across different speed ranges. The comparison includes the rotor position results and the error between the actual angle and the observed angle. The test results under the aforementioned conditions are shown in Figure 5 and Figure 6.

Figure 5.
Simulated dynamic response under HSMO.

Figure 6.
Simulated dynamic response under AST-SMO.
The comparative observation results between the HSMO and AST-SMO are illustrated in Figure 5 and Figure 6. From top to bottom, they depict the rotor speed, rotor position comparison results, and the error between the actual angle and the observed angle. From Table 2, it can be observed that at 500 r/min, the estimation error of the traditional HSMO is approximately 0.122 rad. As the speed increases to 800 r/min, the rotor estimation error of HSMO increases to 0.245 rad, and the speed fluctuations begin to rise. When the speed decreases to 700 r/min, the rotor estimation error of the HSMO decreases to 0.170 rad. This indicates that the HSMO converges well on the sliding surface at medium-to-low speeds, but requires coefficient readjustment at high speeds to ensure sliding surface convergence, thereby increasing the workload for engineering personnel in parameter tuning.

Table 2.
Example: comparison of two principles.
In comparison to the HSMO, the AST-SMO exhibits a superior tracking performance for θ across different speeds due to the introduction of the adaptive adjustment coefficient kv. Moreover, as the AST-SMO employs an enhanced super-twisting algorithm, its rotor position error stabilizes below 0.01 rad across various speed ranges, outperforming the HSMO comprehensively.
4.3. Comparsion and Analysis of Steady-State Performance
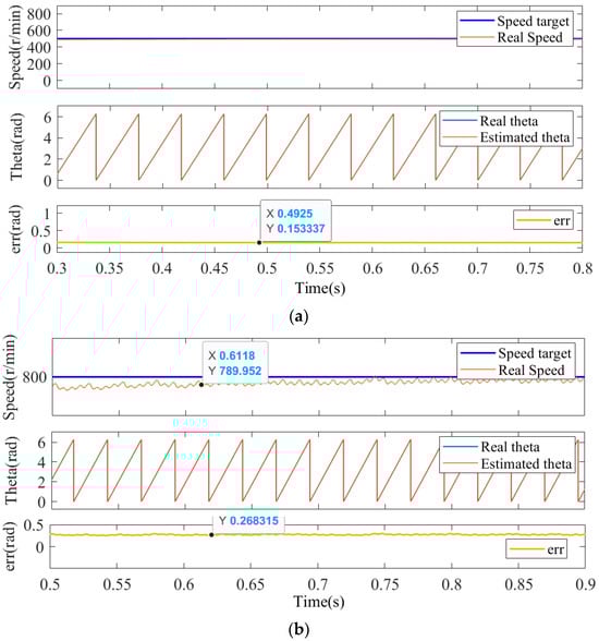
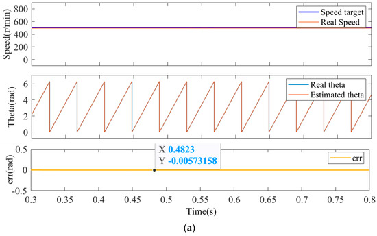
This section compares the steady-state performance of the HSMO and AST-SMO at constant speeds, set at 500 r/min and 800 r/min. Both the HSMO and AST-SMO estimate rotor position information based on back EMF. Therefore, waveform and FFT analysis results at 500 r/min and 800 r/min are provided for both methods to better compare their performance.
The steady-state simulation results of HSMO and AST-SMO are shown in Figure 7 and Figure 8. At 500 r/min, the rotor position estimation error for HSMO is 0.15 rad, whereas for AST-SMO, it is −0.0057 rad. At 800 r/min, the rotor position estimation error for HSMO increases to 0.268 rad, resulting in a speed tracking error of 11 r/min due to the influence of the rotor error. In contrast, AST-SMO demonstrates a better adaptability across various speed ranges, with a rotor position estimation error of only −0.009 rad and a speed error of merely 4.76 r/min at 800 r/min. Therefore, compared to the HSMO, the AST-SMO exhibits a superior steady-state performance.

Figure 7.
The steady-state simulation results of the HSMO for (a) 500 r/min and (b) 800 r/min.


Figure 8.
The steady−state simulation results of the AST−SMO for (a) 500 r/min and (b) 800 r/min.
Since both the HSMO and AST-SMO derive rotor position information based on estimated back EMF, a further comparison of their steady-state performance is provided by presenting the back EMF waveforms and FFT analysis results of the HSMO and AST-SMO at 800 r/min. The simulation results are depicted in Figure 9 and Figure 10. From these figures, it is evident that the AST-SMO exhibits a significantly improved back EMF waveform quality compared to the HSMO. The FFT analysis results reveal that the total harmonic distortion (THD) of the estimated back EMF for the HSMO is 20.03%, while for the AST-SMO, it is 14.2%. This indicates that the AST-SMO achieves a better harmonic suppression in the estimated back EMF, resulting in a more accurate position estimation and a superior steady-state performance compared to the HSMO.


Figure 9.
The estimated back EMF results at 800 rpm for (a) the HSMO and (b) the AST−SMO.

Figure 10.
The FFT analysis results at 800 rpm for (a) the HSMO and (b) the AST-SMO.
5. Conclusions
In response to the narrow speed range and significant chattering issues associated with traditional SMOs, this paper proposes an Adaptive Super-Twisting Sliding Mode Observer (AST-SMO) method. By employing a fast super-twisting function, it addresses the step-like behavior of traditional sign functions at zero-crossings. Additionally, an adaptive tracking coefficient is introduced, thereby expanding the speed range of SMOs. Theoretical analyses and simulation results demonstrate that compared to existing HSMOs, AST-SMOs offer a wider speed range, a more accurate rotor position estimation, and effectively suppress the harmonics of back EMF. This method offers a novel option for the sensorless control of PMSMs, contributing to the broader application of PMSMs in fields such as new energy vehicles and wind power generation.
Author Contributions
Conceptualization, H.W. and G.Z.; methodology, H.W.; software, X.L.; validation, H.W. All authors have read and agreed to the published version of the manuscript.
Funding
This work was supported in part by the Science and Technology Innovation Project of National Shuohuang Railway Company (SHTL-22-17), and in part by the Key Research Development Project of Nanjing Polytechnic Institute under Grant NJPI-2021-14.
Data Availability Statement
The original contributions presented in the study are included in the article material, further inquiries can be directed to the corresponding author.
Conflicts of Interest
The authors declare no conflict of interest.
Nomenclature
ua | Motor stator voltage of α axis |
uβ | Motor stator voltage of β axis |
ea | Back EMF under α-axis |
eβ | Back EMF under β-axis |
ia | Stator current of α axis |
iβ | Stator current of β axis |
Estimated stator current of α axis | |
Estimated stator current of β axis | |
Estimated back EMF of α axis | |
Estimated back EMF of β axis | |
P | Differential Operator |
Ld | D-axis inductance |
Lq | Q-axis inductance |
kmin | Basic sliding mode gain |
kva | α-axis adaptive coefficient |
kvβ | β-axis adaptive coefficient |
Sa | α-axis sliding surface |
Sβ | β-axis sliding surface |
References
- Yin, Z.; Zhang, Y.; Cao, X.; Yuan, D.; Liu, J. Estimated position error suppression using novel PLL for IPMSM sensorless drives based on full-order SMO. IEEE Trans. Power Electron. 2021, 37, 4463–4474. [Google Scholar] [CrossRef]
- Lee, J.; Hong, J.; Nam, K.; Ortega, R.; Praly, L.; Astolfi, A. Sensorless control of surface-mount permanent-magnet synchronous motors based on a nonlinear observer. IEEE Trans. Power Electron. 2009, 25, 290–297. [Google Scholar]
- Yang, S.-C.; Chen, G.-R. High-speed position-sensorless drive of permanent-magnet machine using discrete-time EMF estimation. IEEE Trans. Ind. Electron. 2017, 64, 4444–4453. [Google Scholar] [CrossRef]
- Zhang, G.; Wang, G.; Zhang, H.; Wang, H.; Bi, G.; Zhang, X.; Xu, D.G. Pseudorandom-frequency sinusoidal injection for position sensorless IPMSM drives considering sample and hold effect. IEEE Trans. Power Electron. 2019, 34, 9929–9941. [Google Scholar] [CrossRef]
- Zhang, Y.; Yin, Z.; Liu, J.; Zhang, R.; Sun, X. IPMSM sensorless control using high-frequency voltage injection method with random switching frequency for audible noise improvement. IEEE Trans. Ind. Electron. 2019, 67, 6019–6030. [Google Scholar] [CrossRef]
- Chen, S.; Ding, W.; Wu, X.; Huo, L.; Hu, R.; Shi, S. Sensorless control of IPMSM drives using high-frequency pulse voltage injection with random pulse sequence for audible noise reduction. IEEE Trans. Power Electron. 2023, 38, 9395–9408. [Google Scholar] [CrossRef]
- Bouheraoua, M.; Wang, J.; Atallah, K. Rotor position estimation of a pseudo direct-drive PM machine using extended Kalman filter. IEEE Trans. Ind. Appl. 2016, 53, 1088–1095. [Google Scholar] [CrossRef]
- Zhang, L.; Tao, R.; Zhang, Z.-X.; Chien, Y.-R.; Bai, J. PMSM non-singular fast terminal sliding mode control with disturbance compensation. Inf. Sci. 2023, 642, 119040. [Google Scholar] [CrossRef]
- Comanescu, M. Design of a MRAS-based estimator for the speed and rotor time constant of the induction motor using sliding mode. In Proceedings of the 2016 International Symposium on Power Electronics, Electrical Drives, Automation and Motion (SPEEDAM), Capri, Italy, 22–24 June 2016. [Google Scholar]
- Wang, G.; Zhan, H.; Zhang, G.; Gui, X.; Xu, D. Adaptive compensation method of position estimation harmonic error for EMF-based observer in sensorless IPMSM drives. IEEE Trans. Power Electron. 2013, 29, 3055–3064. [Google Scholar] [CrossRef]
- Yazdani, D.; Bakhshai, A.; Jain, P.K. A three-phase adaptive notch filter-based approach to harmonic/reactive current extraction and harmonic decomposition. IEEE Trans. Power Electron. 2009, 25, 914–923. [Google Scholar] [CrossRef]
- Kim, H.; Son, J.; Lee, J. A high-speed sliding-mode observer for the sensorless speed control of a PMSM. IEEE Trans. Ind. Electron. 2010, 58, 4069–4077. [Google Scholar]
- Gong, C.; Hu, Y.; Wen, H.; Chen, G.; Li, W.; Gao, J. Reliable winding-based DC-bus capacitor discharge technique over full-speed range for IPMSM drive in electric vehicles without position sensor. IEEE Trans. Ind. Electron. 2019, 67, 8131–8142. [Google Scholar] [CrossRef]
- Wang, G.; Li, Z.; Zhang, G.; Yu, Y.; Xu, D. Quadrature PLL-based high-order sliding-mode observer for IPMSM sensorless control with online MTPA control strategy. IEEE Trans. Energy Convers. 2012, 28, 214–224. [Google Scholar] [CrossRef]
- Ye, S.; Yao, X. A modified flux sliding-mode observer for the sensorless control of PMSMs with online stator resistance and inductance estimation. IEEE Trans. Power Electron. 2020, 35, 8652–8662. [Google Scholar] [CrossRef]
- Song, X.; Fang, J.; Han, B.; Zheng, S. Adaptive compensation method for high-speed surface PMSM sensorless drives of EMF-based position estimation error. IEEE Trans. Power Electron. 2015, 31, 1438–1449. [Google Scholar] [CrossRef]
- Qiao, Z.; Shi, T.; Wang, Y.; Yan, Y.; Xia, C.; He, X. New sliding-mode observer for position sensorless control of permanent-magnet synchronous motor. IEEE Trans. Ind. Electron. 2012, 60, 710–719. [Google Scholar] [CrossRef]
- Dominguez, J.R.; Navarrete, A.; Meza, M.A.; Loukianov, A.G.; Canedo, J. Digital sliding-mode sensorless control for surface-mounted PMSM. IEEE Trans. Ind. Inform. 2013, 10, 137–151. [Google Scholar] [CrossRef]
Disclaimer/Publisher’s Note: The statements, opinions and data contained in all publications are solely those of the individual author(s) and contributor(s) and not of MDPI and/or the editor(s). MDPI and/or the editor(s) disclaim responsibility for any injury to people or property resulting from any ideas, methods, instructions or products referred to in the content. |
© 2024 by the authors. Licensee MDPI, Basel, Switzerland. This article is an open access article distributed under the terms and conditions of the Creative Commons Attribution (CC BY) license (https://creativecommons.org/licenses/by/4.0/).