Abstract
Technical power losses in power systems are unavoidable, caused by factors such as transformer impedance, conductor resistance, equipment inefficiencies, line reactance, and phase imbalances. Reducing these losses is essential for improving system efficiency. This study introduces an innovative approach using Artificial Neural Networks (ANN) combined with the graphical interface to predict complete curves of real and reactive power losses in power systems under various contingencies. The key advantage of this methodology is its speed, allowing quick estimation of power loss curves both in normal and contingency conditions, whether mild or severe. ANN models excel at capturing the nonlinear behavior of power systems, eliminating the need for iterative methods commonly used in traditional approaches. The results showed that the ANN performed effectively, with a mean squared error during training below the specified threshold. For samples not included in the training set, the network accurately estimated 99% of the real and reactive power losses within the specified range, with residuals around 10−3 and an overall accuracy rate of 99% between the desired and obtained outputs. Additionally, a Graphical User Interface (GUI) was implemented to facilitate user interaction, allowing for easy visualization of power-loss predictions and real-time adjustments.
1. Introduction
Electricity is an essential resource worldwide, with continuity and quality of supply being fundamental to our quality of life [1,2,3,4]. Currently, the increase in demand, combined with the deregulation of the electricity sector and restrictive policies on the construction of new transmission lines and hydroelectric plants, has led power systems (PS) to operate near their operational limits, i.e., close to the critical point (CP). Additionally, droughts often result in energy rationing, especially in countries like Brazil, where 60% of the demand is met by hydropower [5].
Systems operating near their limits are more vulnerable to contingencies, making security analysis crucial to identify those that can impact the system. Although an electrical system faces numerous contingencies, few are severe enough to cause instability [6,7,8,9].
Static voltage stability analysis, using P-V and Q-V curves to determine the loading margin, is the primary tool in contingency studies. Continuation Power Flow (CPF) with parameterization techniques [10,11,12] is the method used to obtain these curves, allowing for the complete acquisition of P-V curves using the appropriate parameter [13,14,15]. The Western System Coordinating Council [16] requires companies to maintain a 5% safety margin for active power in single contingencies (N − 1) and 2.5% for double contingencies (N − 2).
These challenges have motivated the electric sector to invest in tools to improve power generation, transmission, and distribution [17], such as Artificial Neural Networks (ANN) [18,19,20]. In [17], the use of the Extreme Learning Machine (ELM) algorithm [21] was proposed to more accurately and efficiently predict the voltage stability margin, with a mean percentage error of just 3.32% and a mean error of 0.0495, satisfactory results for practical use.
In [18], a pattern recognition ANN was developed to classify the operating conditions of a power transformer, achieving 98% accuracy with the 815 samples presented and 100% accuracy in validation. In [19], a multilayer perceptron neural network was used to predict total real and reactive power losses in power systems under pre-contingency conditions. The results, using IEEE systems with 14, 30, and 57 buses, were satisfactory, with a mean squared error of around 10−4 and a coefficient of determination (R2) of 0.998. In validation, using 20% of the data that was not part of the training, the network demonstrated effectiveness, with a mean squared error of approximately 10−3.
In [20], an ANN approach was proposed to obtain complete P-V curves of power systems subjected to contingencies, using MLP (Multilayer Perceptron) and RBF (Radial Basis Function) networks. The results indicated strong performance, with a Mean Squared Error (MSE) in training below the specified value. The network estimated 98.4% of voltage magnitude values within the established range, with residuals around 10−4 and an accuracy rate of approximately 98%, with the RBF network outperforming the MLP.
Promising results were also found by Aydin [22], where the ANN reproduced the same results with high accuracy and speed compared to conventional voltage stability calculation methods. The loading parameter and voltage stability margin index were calculated using eight input variables and 14 training functions, identifying the fastest and most effective training function.
In this context, this work proposes an innovative approach compared to previous studies [19] for obtaining real and reactive power loss curves in pre- and post-contingency scenarios. Now, the innovation lies in applying this methodology to systems under contingencies, both simple and severe, providing a more robust approach for loss calculation in critical scenarios. The use of ANN is proposed to estimate these technical losses and, consequently, the loading margin of a system, not only under normal operating conditions but also in contingency situations.
Additionally, the proposal of this study includes the development of a graphical interface integrated into the ANN [23]. This interface facilitates the visualization and interaction of operators with power loss results and voltage curves, enabling a more intuitive and faster analysis of system behavior, both under normal conditions and during contingencies.
2. Materials and Methods
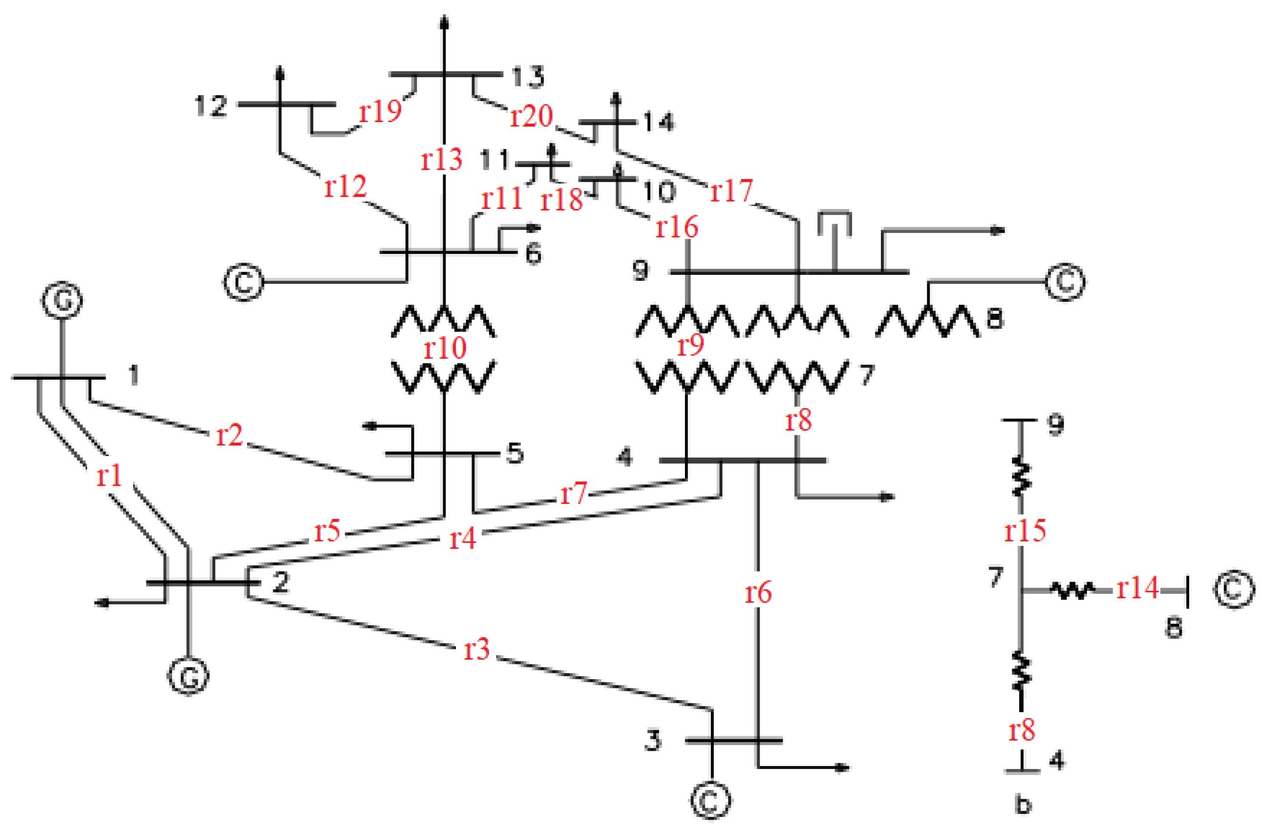
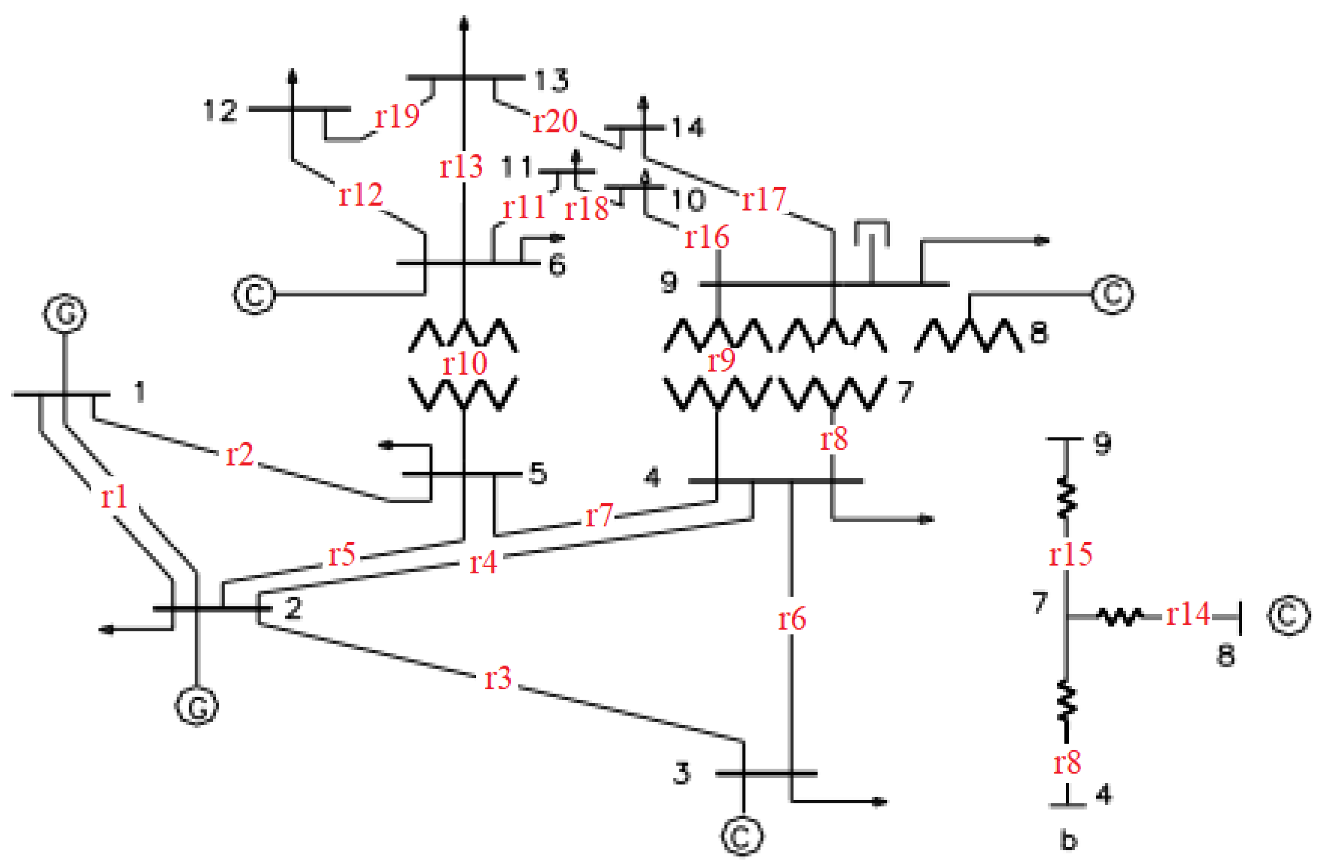
The power system analyzed in this study corresponds to the IEEE 14-bus test configuration, a widely recognized standard in power system research and analysis. As shown in Figure 1, this system consists of 14 buses connected through a network of transmission lines, providing a simplified yet effective model for studying various operational and contingency scenarios in electrical power systems. It consists of 20 branches. For the analysis, 90 samples were generated for each scenario (21 scenarios, i.e., r0, r1, r2, …, r20) in which a branch was removed from the system, simulating the applied contingencies (pre-contingency = r0 and post-contingency = r1, r2, …, r20), resulting in a total of 90 × 21 = 1890 samples. Specifically, removing branch 1 (r1) results in a severe N − 2 contingency (double contingency), which significantly impacts the system’s loading margin, as highlighted in the results. In contrast, the remaining contingencies are categorized as simple (N − 1), representing single-branch removals. Additionally, the symbol N − 0 refers to the system under normal operating conditions, without any contingencies, corresponding to the pre-contingency P-V curve (r0).
Figure 1.
The IEEE 14-bus system with respective branches r.
2.1. Artificial Neural Network
The 1890 samples utilized for training and validation were generated through the methodology detailed in reference [10]. Each sample comprises six distinct data points: four input variables for the Artificial Neural Network (ANN), which include the loading factor (λ), the real power (Pgslack), and reactive power (Qgslack) generated at the slack bus, as well as the branch number corresponding to the specific transmission lines or transformers involved. Additionally, two output data points are included, representing the total real (Pa) and reactive (Pr) power losses within the system. In other words, each sample contains six data points, totaling 1890 × 6 = 11,340 data points used in the study. The authors chose to generate 90 samples per scenario for simplicity in presenting the results. However, other values could have been used instead of 90. This comprehensive data structure is essential for effectively training the ANN to accurately predict power losses under various operational conditions.
The number of inputs was chosen based on the characteristics of the model and the formulation of conventional power flow. The four selected variables are parameters that can be adjusted or kept constant in different scenarios. For instance, when determining the loading margin of a power system or the P-V curves (power versus voltage), the loading factor, as well as the Pgslack and Qgslack variables, is varied, and consequently, the branch number to be removed for the established contingency (pre- or post-contingency, r0, r1, r2, …, r20) is adjusted. This process enables the calculation of total power losses or the magnitudes of the voltages at all system buses. For this work, the total real and reactive power losses were obtained.
The Artificial Neural Network (ANN) employed in this study is a feedforward Multilayer Perceptron (MLP), as described in reference [24]. The network architecture comprises three distinct layers: an input layer containing four neurons, a hidden layer with 10 neurons, and an output layer comprising two neurons, as illustrated in Figure 2. The ANN is trained using the backpropagation algorithm, a widely recognized method for optimizing neural network performance [25].
Figure 2.
ANN used in this work (Function Fitting Neural Network or MLP).
To facilitate both data preparation and results generation, the MATLAB® software (R2024a) [26] was utilized extensively. In addition to data processing, MATLAB® was also used to develop a Graphical User Interface (GUI), allowing for intuitive interaction with the ANN model. This GUI enabled users to easily input parameters, visualize results, and analyze the network’s performance, enhancing the overall usability and accessibility of the system.
The value of uk (Equation (1)) represents the weighted sum of the input values x multiplied by their corresponding weights W, along with the addition of a bias term. The inclusion of the bias enhances the neural network’s flexibility, providing an additional degree of freedom that allows the network to better adapt to the underlying patterns in the training data.
Once the value of uk was determined, the next step involved calculating the activation function f(uk) to derive the corresponding output of the neural network. In this study, we utilized the hyperbolic tangent function (Equation (2)) as the activation function for the hidden layer, which is known for its ability to model complex relationships and handle non-linearities effectively. For the output layer, a linear function (Equation (3)) was employed, allowing for a direct and unbounded output that is particularly useful for regression tasks. This combination of activation functions facilitates the network’s capability to learn and generalize from the input data:
where α is an arbitrary constant that represents the inclination of the curve. This parameter plays a crucial role in determining the slope and behavior of the curve, influencing how changes in the input values affect the output. By adjusting λ, one can manipulate the steepness of the curve, allowing for a more flexible model that can better fit the underlying data trends. This adaptability is essential in applications where precise modeling of relationships is required, as it enables the curve to accurately reflect the dynamics of the system being analyzed.
2.2. Graphical User Interface
A Graphical User Interface (GUI) is a user-friendly interface that allows individuals to interact with software applications through visual elements, such as graphics, icons, and menus, rather than text-based commands. The main features of GUIs include:
- Visual Elements: Buttons, icons, and windows that make it easier for users to understand and operate the application.
- Interactivity: Users can perform actions such as clicking and dragging, allowing for dynamic manipulation of the application’s functionalities.
- Accessibility: Designed to accommodate a wide range of users, GUIs simplify complex tasks, improving overall efficiency.
- Feedback: They provide immediate visual responses to user actions, such as changing button colors.
- Customization: Many GUIs allow users to adjust settings and layouts, enhancing user satisfaction.
GUIs are widely used in various applications, such as software development (e.g., MATLAB®, Visual Studio), data visualization, interactive websites, and mobile applications. The advantages of GUIs include a more user-friendly experience, greater efficiency in task completion, and visual appeal that enhances user engagement.
The Graphical User Interface (GUI) was developed by utilizing the Figure function along with its various properties, including Color, Units, MenuBar, NumberTitle, Position, Resize, and Name. These properties were crucial for customizing the appearance and behavior of the GUI window. Additionally, the Uicontrol command was employed, which comes with its own set of properties, such as Units, Position, String, Style, Enable, CallBack, Visible, BackgroundColor, ForegroundColor, and HorizontalAlignment [26]. These properties allowed for the creation of interactive elements, enhancing user engagement and usability.
The methodology employs a Graphical User Interface (GUI) integrated with the ANNs, serving as a practical and efficient tool to analyze all system contingencies quickly.
Figure 3 illustrates an example of the Figure function and the Uicontrol command, showcasing the creation of a button within the GUI. This visual representation highlights how these functions can be combined to construct a user-friendly interface that facilitates interaction with the underlying software functionalities.
Figure 3.
Example of creating a button.
The proposed methodology for predictive modeling of total real and reactive power losses in contingency systems uses Function Fitting Neural Networks in conjunction with a Graphical User Interface (GUI). The ANN was implemented as an additional tool for contingency analysis, allowing for a quick and efficient evaluation of different system conditions.
The neural network architecture used is of the Multilayer Perceptron (MLP) type, which was trained to predict total power losses (real and reactive) in contingency scenarios. The integration of a graphical interface facilitates user interaction, enabling the configuration and analysis of contingencies in an intuitive manner, without the need to directly deal with the complex calculations of the model.
The application of the ANN was specifically adapted to address the features of contingency systems, tackling typical challenges such as the singularity of the Jacobian matrix, which can occur in conventional methods. To validate the model, comparisons were made between the ANN predictions and real values, demonstrating the effectiveness of the proposed approach.
The combination of the ANN with the graphical interface provides a practical and efficient solution, simplifying contingency analysis and enhancing the system’s forecasting capability.
3. Results and Discussion
Figure 4a presents the main screen of the program developed using Artificial Neural Networks (ANN). Users have the option to select from five different types of neural networks. For this work, the chosen network is the Function Fitting Neural Network, selected specifically for its effectiveness in estimating values. By clicking the “Artificial Neural Networks (ANN)” button, a new window opens (Figure 4b), allowing users to input the necessary data for network processing and training. This new interface is designed to streamline data entry and analysis of results, ensuring a more intuitive and efficient user experience. Figure 4b displays the data entry screen, where users are required to input both the input data and the desired output data for the neural network.
Figure 4.
Developed program, (a) main screen, (b) data entry screen.
The second interactive screen features three buttons that enable the user to assess whether the dimensions of the entered matrices are compatible. If the matrices are not compatible, a warning message is issued to guide the user. This screen also provides the functionality to check the dimensions of the input data. Additionally, if the user wishes to clear the input fields, this can easily be accomplished with the provided option (“Clear Data Button”).
Once the data has been entered and verified, clicking the “Create ANN” button transfers the user to another screen (Figure 5a). Here, users can specify the number of intermediate layers for the neural network, choosing either one or two layers. Following this selection, the user can then decide on the desired number of neurons in the intermediate layer, as illustrated in Figure 5b. This structured approach not only enhances user interaction but also ensures that users have control over their neural network configuration, facilitating a more tailored experience in building their artificial neural networks.
Figure 5.
Developed program, (a) choice of the number of hidden layers, (b) choice of the number of neurons.
After selecting the number of neurons in the hidden layer, a new screen is displayed, as illustrated in Figure 6. In this screen, the user has the opportunity to choose various parameters and configurations for the neural network, including the desired learning algorithm, the number of epochs, the expected error, the learning rate, and the total training time. It is important to emphasize that the program will terminate the training as soon as one of the stipulated criteria is met.
Figure 6.
Definition of the ANN parameters.
After defining all these criteria, the user can verify the previously selected settings at the top of the window. It is also possible to define the transfer functions for the hidden layers and the output layer. The available options include Linear, Hyperbolic Tangent, Sigmoid, Saturated Linear, or a New Function, allowing for customization that meets the specific needs of the work.
In addition, the user can choose from a variety of learning algorithms, such as Levenberg–Marquardt Backpropagation, Gradient Descent Backpropagation, Gradient Descent Backpropagation with Momentum, Gradient Descent Backpropagation with Adaptive Learning Rate, Momentum and Adaptive Learning Rate Backpropagation, or a New Algorithm.
If there are any errors in the parameter choices, the user has the option to reset the neural network (Reset button). After making all necessary adjustments, the next step is to train the network by clicking the “Train” button. This process provides the user with complete control over the configuration and training of the neural network, ensuring that the choices made align with the work’s objectives.
In the interface shown in Figure 6, the user also has the ability to configure the fraction of samples to be used for both training and validation of the neural network. This step is crucial for ensuring that the network is trained on a diverse and representative dataset, while maintaining a portion of the data for validation to evaluate the network’s generalization ability. The user can flexibly adjust the percentage of data allocated to each phase, depending on the specific requirements of the work.
In order to obtain the best configuration for the ANN, an algorithm proposed in [18] was used, which reinitializes the training and validation several times. With each new execution, the algorithm adjusts the network parameters, such as the number of hidden layers, the number of neurons in each layer, and the proportion of samples allocated for training and validation, among others. After completing all executions, the configuration that shows the best performance during the validation phase is stored and used in this work. This process ensures that the neural network is optimized for the specific requirements of the application, increasing its accuracy and efficiency.
For this work, the network was trained using 90% of the samples, leaving 10% for validation purposes. This distribution ensures that the network has sufficient data to learn effectively, while still being tested against unseen data to verify its performance and prevent overfitting. By allocating a portion of the data specifically for validation, the user can assess how well the network will perform on new, unseen inputs after training is completed.
The training and validation split is an essential step in the overall configuration process, as it directly impacts the accuracy and reliability of the neural network’s predictions. Additionally, the user has control over fine-tuning other parameters—such as the number of epochs, learning algorithms, and transfer functions—further contributing to the customization and optimization of the network for the given task. Once all configurations are finalized, the training phase can commence, with results providing valuable insights into the network’s ability to model and predict outcomes based on the provided data set.
By implementing a proper sample distribution, this tool enhances the robustness of the neural network and ensures that the user achieves meaningful results in both training and validation phases.
By clicking the “Training” button, the network will begin the training and validation process according to the established proportion of 90% for training and 10% for validation. Once the training is complete, a new window will open, as shown in Figure 7. In this window, the user can review the entire performance of the network during both the training and validation phases. Additionally, it will display comparisons between the desired output (target—Ydes) and the output obtained from the ANN (Yob), allowing the user to assess the accuracy and effectiveness of the model.
Figure 7.
Performance results screen of the ANN.
Table I, located within Figure 8, presented on the screen in Figure 8, along with Figure 9, Figure 10 and Figure 11, display the results of the 1890 samples used for training and validation. Table I was generated by clicking the “Total Performance—Table” button in Figure 7. The configuration consisted of 1701 samples for training (90%) and 189 samples for validation (10%).
Figure 8.
Specified and achieved values in the training and validation phases of the ANN.
Figure 9.
Training and validation of the ANN, (a) performance (MSE), (b) error histogram (Ydes − Yob) with 20 intervals for the 1890 samples.
Figure 10.
Total real and reactive power losses (Pa and Pr) for all applied contingencies (all 1890 samples), desired output (Ydes) vs. obtained output (Yob) via ANN.
Figure 11.
Predicted total real and reactive power losses (Pa and Pr) for all applied contingencies (189 samples in the validation phase), desired output (Ydes) vs. obtained output (Yob) via ANN.
Figure 9a, obtained by clicking the “Performance (MSE)—Graphic” button, shows the Mean Squared Error (MSE) during both the training and validation phases. The iterative process was halted at the 19th iteration when one of the specified values in Table I was achieved, with a training MSE value of 0.000858 and a CPU time of 2 s (running on an Intel(R) Core i7 2.20 GHz processor with 16 GB of RAM), indicating good performance in the network’s training process. One major advantage of using ANN models is their ability to capture the nonlinear characteristics of the system under study, avoiding traditional iterative procedures.
If the user wants to view the values of the weights adjusted during the training process, simply click on the “View Weights” button. This will generate Table A1, Table A2 and Table A3, displaying the values of the weights for the hidden and output layers, as well as the bias weights of the trained ANN. These tables are presented in Appendix A.
For the samples not included in the training phase (i.e., those used in the validation phase), the MSE was 0.0036841. Table I also presents the R2 (correlation coefficient) values for both phases of the network. The R2 value during the training phase was 0.9994, indicating that the network was well-trained and showed no significant difference between the desired and obtained values in classifying the 1701 samples (approximately 98% correlation between the ANN output Yob and the desired output Ydes). For the validation phase, the R2 value was 0.9963, demonstrating that the network’s predictive accuracy remained high even for the 189 validation samples.
Figure 9b, obtained by clicking the “Error Histogram—Graphic” button, shows a histogram of the errors (the difference between the obtained output (Yob) and the desired output (Ydes = target)) divided into 20 intervals for the 1890 samples (totaling 2 × 1890 data points—Pa and Pr) during the training and validation phases. It is evident that the errors in both the training and validation phases are close to zero, which explains the strong performance seen in Figure 9a.
Figure 10 presents the total real power losses (Pa) and reactive power losses (Pr) for the pre-contingency (r0) and all 20 contingencies (r1, r2, r3, …, r20) in the IEEE 14-bus system. In other words, it displays the desired outputs (Ydes) and obtained outputs (Yob) in both phases of the network (using 100% of the samples), as a function of the load factor λ, the real and reactive power generated at the slack bus (Pgslack and Qgslack), and the branch number. A high similarity between the desired and obtained outputs is observed, demonstrating the model’s effectiveness.
Figure 10 was generated by clicking the “100% of the samples” icons for both the desired output (Ydes) and the obtained output (Yob). The value 1 was assigned to the “Output Neuron Number” to represent total real power losses (Pa), while the value 2 was assigned to represent total reactive power losses (Pr). In the training phase, considered the most crucial part of the process, the network learns to provide accurate responses based on the desired output (target), making it capable of estimating data that was not part of the training set. Figure 10 illustrates the total real and reactive power losses for all 1890 samples, covering all system contingencies. In this analysis, we compare the desired output (Ydes) with the obtained output (Yob) using the Artificial Neural Network (ANN) in both the training and validation phases (100%). Upon reviewing the results, a remarkable correspondence between the desired and obtained outputs is observed, highlighting the model’s effectiveness in replicating the expected system behavior throughout the training process. This similarity indicates a high performance of the ANN, emphasizing its learning and generalization capabilities when dealing with the analyzed contingencies.
Figure 11 presents only the samples used in the validation phase, meaning those that were not part of the network’s training. This figure was generated by clicking on the “Validation samples” icon for both outputs, selecting Output Number 1 for Pa (real power losses) and then Output Number 2 for Pr (reactive power losses), as shown in Figure 7. These results demonstrate that the ANN was able to accurately estimate the total real and reactive power losses based solely on the provided input data, without any direct influence from the training data set, highlighting the network’s generalization ability.
Figure 12 presents the total real power loss (Pa) curves for all system contingencies as a function of the loading factor λ, displaying the complete λ-Pa curves. This analysis allows us to assess the alignment between the desired outputs (Ydes) and the outputs obtained (Yob) by the Artificial Neural Network (ANN).
Figure 12.
Total real power losses (Pa) for all applied contingencies (all 1890 samples), desired output (Ydes) vs. obtained output (Yob) via ANN.
It is clear that the curves generated by the ANN closely follow the expected trends, underscoring the model’s accuracy in capturing the relationship between the loading factor and real power losses across all contingencies. The close similarity between the curves confirms the ANN’s effectiveness in replicating the desired system behavior, even under varying operational conditions represented by the contingencies.
In the first plot of Figure 12, two pre-contingency (N − 0 or r0) curves are shown. The blue line (Ydes) represents the desired output obtained through conventional continuation power flow, while the red line (Yob) shows the output generated by the ANN. This comparison highlights the ANN’s ability to model the system’s power loss behavior with high precision.
Figure 13 presents the total reactive power losses (Pr) curves for all system contingencies as a function of the loading factor λ, displaying the complete λ-Pr curves. When examining the second graph related to the r1 contingency, three distinct curves can be identified: a dashed curve represents the pre-contingency (N − 0) situation, showing the relationship between the loading factor λ and reactive power (Pr). The other two curves correspond to post-contingency conditions, with the blue curve (Ydes) representing the desired output and the red curve (Yob) representing the output obtained. The r1 contingency refers to the unavailability of the branch between buses 1 and 2 (N − 2), as illustrated in Figure 1.

Figure 13.
Total reactive power losses (Pr) for all applied contingencies (all 1890 samples), desired output (Ydes) vs. obtained output (Yob) via ANN.
A significant reduction in the loading margin is evident compared to the base case value, with the loading factor λ at the critical point (CP) of the post-contingency reduced to 0.9810, as obtained by the Artificial Neural Network (ANN). This decrease reflects the ANN’s ability to identify and quantify the impact of the contingency on the system’s capacity.
Figure 14a illustrates the difference, or error, between the desired outputs and those obtained by the Artificial Neural Network (ANN) for total real power losses (Pa) as a function of the branches and the 90 points for each scenario. It can be observed that the error values are minimal, remaining close to zero. These results indicate that the neural network was able to replicate the desired outputs with high precision, demonstrating the model’s effectiveness in predicting real power losses. The low magnitude of the errors reflects the robust performance of the ANN in this task, reinforcing its reliability as a modeling and forecasting tool. Figure 14b displays the difference between the total reactive power losses (Pr) derived from the desired outputs and those obtained via the Artificial Neural Network (ANN). This analysis highlights the minimal error between the two outputs, demonstrating the ANN’s capability to accurately estimate reactive power losses.
Figure 14.
Desired output minus output obtained via ANN, i.e., Error = Ydes − Yob, (a) total real power losses (Pa), (b) total reactive power losses (Pr).
4. Conclusions
This work presented a comprehensive methodology that combines Artificial Neural Networks (ANN) with a graphical user interface to determine total real and reactive power losses while obtaining the complete λ-Pa and λ-Pr curves for the power system subjected to contingencies. The analysis was based on key parameters such as the loading factor λ, the real and reactive power generated at the reference bus (Pgslack and Qgslack), and the branch number.
The results demonstrated that the neural network was effectively trained, achieving a Mean Squared Error (MSE) of 0.000858 at the 19th iteration, with a training duration of just 2 s and an R2 value of 0.9994 during the training phase, indicating that the output closely aligned with the desired targets. In the validation phase, the MSE for samples not included in the training was recorded at 0.0036841, which is remarkably close to the specified threshold of 0.001, resulting in a loading margin very close to the desired value.
This methodology allowed for the rapid and efficient generation of all curves, overcoming the issues of Jacobian matrix singularity that arise at the critical point of conventional load flow.
Additionally, the graphical user interface developed for this methodology facilitated an intuitive and efficient user experience, allowing users to interact with the ANN model seamlessly. Overall, the ANN proved to be a robust and efficient tool for determining power losses, demonstrating significant potential for application in power system analysis and optimization.
Author Contributions
A.B.N.: conceptualization and writing—original draft; A.d.Q. and G.G.d.S.: writing—original draft and editing, A.G., A.N.d.S. and E.G.: writing—review. All authors have read and agreed to the published version of the manuscript.
Funding
This research is funded by CAPES (Brazilian Federal Agency for Suport and Evaluation of Graduate Education) under grant number 88887.956029/2024-00 and PROPG (Graduate Programs—UNESP).
Data Availability Statement
The original contributions presented in the study are included in the article. Further inquiries can be directed to the corresponding author.
Acknowledgments
The authors would like to thank the financial support from São Paulo State University—UNESP.
Conflicts of Interest
The authors declare that they have no competing interests.
Nomenclature
| ANN | Artificial neural network |
| MSE | Mean square error |
| MLP | Multilayer perceptron network |
| Yob | Obtained outputs |
| Ydes | Desired outputs |
| CP | Critical point |
| λ | Loading factor |
| Pa | Total real power losses |
| Pr | Total reactive power losses |
| α | Inclination of the curve of hyperbolic tangent function |
Appendix A
Table A1, Table A2 and Table A3 present the weights W and bias of the hidden and output layers of the ANN configuration used in this work. Table A1 shows the weights corresponding to the connections between the four neurons in the input layer and the 10 neurons in the hidden layer (4 × 10). Table A2 lists the weights of the connections between the 10 neurons in the hidden layer and the two neurons in the output layer (10 × 2). Finally, Table A3 presents the bias of the hidden layer (10 × 1) and the output layer (2 × 1).
Table A1.
Weights of the connections between the neurons of the input layer and the hidden layer (WRm).
Table A1.
Weights of the connections between the neurons of the input layer and the hidden layer (WRm).
| Neuons Hidden Layer | |||||||||||
|---|---|---|---|---|---|---|---|---|---|---|---|
| m1 | m2 | m3 | m4 | m5 | m6 | m7 | m8 | m9 | m10 | ||
| Neurons input layer | R1 | 0.880 | 0.057 | −2.282 | −0.832 | −0.512 | 0.041 | −1.258 | −2.111 | 0.489 | −2.082 |
| R2 | −2.046 | 0.889 | 2.959 | 1.195 | 0.666 | −1.296 | 1.480 | 3.182 | 1.394 | 4.033 | |
| R3 | 0.608 | −0.966 | 1.295 | 0.971 | 1.401 | 1.311 | −0.145 | 0.050 | 1.763 | −2.217 | |
| R4 | 0.072 | −1.165 | −0.353 | −0.251 | −0.248 | 0.762 | 0.166 | −0.155 | 0.786 | −1.915 | |
Table A2.
Weights of the connections between the neurons of the hidden layer and the output layer (Wmi).
Table A2.
Weights of the connections between the neurons of the hidden layer and the output layer (Wmi).
| Neurons Output Layer | |||
|---|---|---|---|
| i1 | i2 | ||
| Neuons hidden layer | m1 | 0.0724 | 0.7669 |
| m2 | 0.0634 | −0.1444 | |
| m3 | 0.1553 | 0.1424 | |
| m4 | 0.3283 | 0.5813 | |
| m5 | 0.1825 | 0.3411 | |
| m6 | −0.1462 | 0.1839 | |
| m7 | 1.2385 | −0.1849 | |
| m8 | 0.1719 | 1.5231 | |
| m9 | 0.0128 | −0.0262 | |
| m10 | 0.4335 | −0.7322 | |
Table A3.
Bias of the neurons of each layer (hidden and output).
Table A3.
Bias of the neurons of each layer (hidden and output).
| Neuons Hidden Layer (mx1) | Neurons Output Layer (ix1) | ||
|---|---|---|---|
| 1 | −3.1640 | 1 | −0.2166 |
| 2 | −1.7160 | ||
| 3 | 1.2667 | ||
| 4 | −1.4319 | ||
| 5 | 0.0042 | ||
| 6 | 0.0044 | 2 | 0.2695 |
| 7 | −0.2699 | ||
| 8 | 2.1472 | ||
| 9 | 2.0663 | ||
| 10 | 3.3481 |
References
- Bompard, E.; Huang, T.; Wu, Y.; Cremenescu, M. Classification and Trend Analysis of Threats Origins to the Security of Power Systems. Int. J. Electr. Power Energy Syst. 2013, 50, 50–64. [Google Scholar] [CrossRef]
- Arango, L.G.; Deccache, E.; Bonatto, B.D.; Arango, H.; Ribeiro, P.F.; Silveira, P.M. Impact of Electricity Theft on Power Quality. In Proceedings of the 2016 17th International Conference on Harmonics and Quality of Power (ICHQP), Belo Horizonte, Brazil, 16–19 October 2016; pp. 557–562. [Google Scholar] [CrossRef]
- Arango, H.; de Abreu, J.P.G.; Bonatto, B.D.; Vieira Tahan, C.M.; Kagan, N.; Gouvea, M.R. The Influence of Quality on the Creation of Economic Value in Electricity Markets. In Proceedings of the Proceedings of 14th International Conference on Harmonics and Quality of Power—ICHQP 2010, Bergamo, Italy, 26–29 September 2010; pp. 1–6. [Google Scholar] [CrossRef]
- Dimov, G.; Tzvetkova, S.; Petleshkov, A.; Lozanov, Y. Analysis of the Impact of Current Investments on the Quality of Electricity Supply in Electricity Distribution Networks. In Proceedings of the 2022 14th Electrical Engineering Faculty Conference (BulEF), Varna, Bulgaria, 14–17 September 2022; pp. 1–4. [Google Scholar] [CrossRef]
- Operador Nacional do Sistema Elétrico—ONS. PEN 2020. Sumário Executivo. Plano de Operação Energética 2020/2024. Available online: http://www.ons.org.br/AcervoDigitalDocumentosEPublicacoes/ONS_PEN2020_24_final%20(6).pdf (accessed on 17 June 2020).
- Matarucco, R.R.; Bonini Neto, A.; Alves, D.A. Assessment of branch outage contingencies using the continuation method. Int. J. Electr. Power Energy Syst. 2014, 55, 74–81. [Google Scholar] [CrossRef]
- Sahraei-Ardakani, M.; Li, X.; Balasubramanian, P.; Hedman, K.W.; Abdi-Khorsand, M. Real-Time Contingency Analysis with Transmission Switching on Real Power System Data. IEEE Trans. Power Syst. 2016, 31, 2501–2502. [Google Scholar] [CrossRef]
- Prasher, S.; Nelson, L.; Sindhu, A.S.; Sumathi, S.; Jagdish, M. MCSVM and MCRVM Based Contingency Classification Model. In Proceedings of the 2023 Second International Conference on Electronics and Renewable Systems (ICEARS), Tuticorin, India, 2–4 March 2023; pp. 440–443. [Google Scholar] [CrossRef]
- Nascimento, M.R.; Ramos, F.A.; Almeida, L.C.; Gonçalves, N.V.C.; Grilo-Pavani, A.P.; Ramos, R.A. Computation of the Minimum Voltage Stability Margin Considering Loading Uncertainties and Contingency Analysis. In Proceedings of the 2023 IEEE Power & Energy Society General Meeting (PESGM), Orlando, FL, USA, 16–20 July 2023; pp. 1–5. [Google Scholar] [CrossRef]
- dos Santos, W.P.L.; Bonini Neto, A.; Gabriel Filho, L.R.A. Post-Contingency Loading Margin through Plane Change in the Continuation Power Flow. Energies 2023, 16, 7583. [Google Scholar] [CrossRef]
- Tostado-Véliz, M.; Kamel, S.; Jurado, F. Development and Comparison of Efficient Newton-Like Methods for Voltage Stability Assessment. Electr. Power Compon. Syst. 2020, 48, 1798–1813. [Google Scholar] [CrossRef]
- Wang, B.; Liu, C.; Sun, K. Multi-Stage Holomorphic Embedding Method for Calculating the Power-Voltage Curve. IEEE Trans. Power Syst. 2018, 33, 1127–1129. [Google Scholar] [CrossRef]
- Wang, T.; Wang, S.; Ma, S.; Guo, J.; Zhou, X. An Extended Continuation Power Flow Method for Static Voltage Stability Assessment of Renewable Power Generation-Penetrated Power Systems. IEEE Trans. Circuits Syst. II Express Briefs 2024, 71, 892–896. [Google Scholar] [CrossRef]
- Wu, D.; Wang, B. Holomorphic Embedding Based Continuation Method for Identifying Multiple Power Flow Solutions. IEEE Access 2019, 7, 86843–86853. [Google Scholar] [CrossRef]
- Lou, Y.; Ou, Z.; Tong, Z.; Tang, W.; Li, Z.; Yang, K. Static Voltage Stability Evaluation on the Urban Power System by Continuation Power Flow. In Proceedings of the 2022 5th International Conference on Energy, Electrical and Power Engineering (CEEPE), Chongqing, China, 22–24 April 2022; pp. 833–838. [Google Scholar] [CrossRef]
- Western System Coordinating Council (WSCC); Reactive Power Reserve Work Group. Final Report: Voltage Stability Criteria, Undervoltage Load Shedding Strategy, and Reactive Power Reserve Monitoring Methodology; Western System Coordinating Council (WSCC): Salt Lake City, UT, USA, 1998; 154p. [Google Scholar] [CrossRef]
- Zhang, R.; Xu, Y.; Dong, Z.Y.; Zhang, P.; Wong, K.P. Voltage Stability Margin Prediction by Ensemble Based Extreme Learning Machine. In Proceedings of the 2013 IEEE Power & Energy Society General Meeting, Vancouver, BC, Canada, 21–25 July 2013; pp. 1–5. [Google Scholar] [CrossRef]
- Gifalli, A.; Bonini Neto, A.; de Souza, A.N.; de Mello, R.P.; Ikeshoji, M.A.; Garbelini, E.; Neto, F.T. Fault Detection and Normal Operating Condition in Power Transformers via Pattern Recognition Artificial Neural Network. Appl. Syst. Innov. 2024, 7, 41. [Google Scholar] [CrossRef]
- da Silva, G.G.; de Queiroz, A.; Garbelini, E.; dos Santos, W.P.L.; Minussi, C.R.; Bonini Neto, A. Estimation of Total Real and Reactive Power Losses in Electrical Power Systems via Artificial Neural Network. Appl. Syst. Innov. 2024, 7, 46. [Google Scholar] [CrossRef]
- Bonini Neto, A.; Alves, D.A.; Minussi, C.R. Artificial Neural Networks: Multilayer Perceptron and Radial Basis to Obtain Post-Contingency Loading Margin in Electrical Power Systems. Energies 2022, 15, 7939. [Google Scholar] [CrossRef]
- Huang, G.B.; Zhu, Q.Y.; Siew, C.K. Extreme Learning Machine: Theory and Applications. Neurocomputing 2006, 70, 489–501. [Google Scholar] [CrossRef]
- Aydin, F.; Gümüş, B. Study of Different ANN Algorithms for Voltage Stability Analysis. In Proceedings of the 2020 Innovations in Intelligent Systems and Applications Conference (ASYU), Istanbul, Turkey, 15–17 October 2020; pp. 1–5. [Google Scholar] [CrossRef]
- Hasani, H.; Freddi, F. Artificial Neural Network-Based Automated Finite Element Model Updating with an Integrated Graphical User Interface for Operational Modal Analysis of Structures. Buildings 2024, 14, 3093. [Google Scholar] [CrossRef]
- Martí, B.V.; Bonini Neto, A.; Retana, D.N.; Parra, A.C.; Luzuriaga, S.G. Determination of biomass drying speed using neural networks. Biomass Bioenergy 2024, 186, 107260. [Google Scholar] [CrossRef]
- Werbos, P.J. Beyond Regression: New Tools for Prediction and Analysis in the Behavioral Sciences. Ph.D. Thesis, Harvard University, Cambridge, MA, USA, 1974. Available online: https://www.researchgate.net/publication/35657389 (accessed on 17 June 2022).
- Mathworks. Available online: http://www.mathworks.com (accessed on 20 January 2024).
Disclaimer/Publisher’s Note: The statements, opinions and data contained in all publications are solely those of the individual author(s) and contributor(s) and not of MDPI and/or the editor(s). MDPI and/or the editor(s) disclaim responsibility for any injury to people or property resulting from any ideas, methods, instructions or products referred to in the content. |
© 2025 by the authors. Licensee MDPI, Basel, Switzerland. This article is an open access article distributed under the terms and conditions of the Creative Commons Attribution (CC BY) license (https://creativecommons.org/licenses/by/4.0/).














