Abstract
A compromised Smart Grid, or its components, can have cascading effects that can affect lives. This has led to numerous cybersecurity-centric studies focusing on the Smart Grid in research areas such as encryption, intrusion detection and prevention, privacy and trust. Even though trust is an essential component of cybersecurity research; it has not received considerable attention compared to the other areas within the context of Smart Grid. As of the time of this study, we observed that there has neither been a study assessing trust within the Smart Grid nor were there trust models that could detect malicious attacks within the substation. With these two gaps as our objectives, we began by presenting a mathematical formalization of trust within the context of Smart Grid devices. We then categorized the existing trust-based literature within the Smart Grid under the NIST conceptual domains and priority areas, multi-agent systems and the derived trust formalization. We then proposed a novel substation-based trust model and implemented a Modbus variation to detect final-phase attacks. The variation was tested against two publicly available Modbus datasets (EPM and ATENA H2020) under three kinds of tests, namely external, internal, and internal with IP-MAC blocking. The first test assumes that external substation adversaries remain so and the second test assumes all adversaries within the substation. The third test assumes the second test but blacklists any device that sends malicious requests. The tests were performed from a Modbus server’s point of view and a Modbus client’s point of view. Aside from detecting the attacks within the dataset, our model also revealed the behaviour of the attack datasets and their influence on the trust model components. Being able to detect all labelled attacks in one of the datasets also increased our confidence in the model in the detection of attacks in the other dataset. We also believe that variations of the model can be created for other OT-based protocols as well as extended to other critical infrastructures.
Keywords:
cybersecurity; trust; Modbus; Modbus TCP; fieldbus; substation; substation security; risk; Smart Grid; advanced persistent threats 1. Introduction
The Smart Grid is the transformation of the traditional grid which can be combined with cyber devices to automate monitoring and control as well as include a two-way communication between systems [1]. The Smart Grid’s performance, just like that of the traditional grid, is centred on factors such as distribution, transmission, and generation. The coupling of the traditional power grid’s physical components and the cyber infrastructure has made the creation and continuous improvement of the Smart Grid possible. The diverse nature of the Smart Grid introduces varying applications and the integration of components such as electric vehicles, renewable energy resources, and variants of distributed power generators. Smart Grid has also introduced and improved vendor-independent standards that devices must conform to, thus allowing the seamless operation and integration of these devices into the Smart Grid.
Unfortunately, the cyber infrastructure’s integration into the power grid increases the attack vector of the Smart Grid, thereby making the security of the Smart Grid of paramount importance. In response, research has been undertaken under varying topics such as encryption [2], generation and management of cryptographic keys [3], privacy [4], risk assessment [5], and trust. Trust within the Smart Grid is important for determining whether an action, transaction, or communication is malicious or not. In the case of the notorious Stuxnet [6], there is the possibility that trust could have been implemented in devices to ascertain the legitimacy of malicious commands before responses or actions are taken on those commands.
We also observed that research on trust has not received the considerable attention that it deserves within the Smart Grid even though it abounds in other research areas such as E-commerce. Furthermore, other branches of security within the Smart Grid have largely received more contributions than trust. As of the time of writing this paper, no study assessing trust within the Smart Grid exists. As of the time of this study, we noticed that there were limited trust models that detected operational faults within the substation. However, these models could neither determine whether the faults were malicious or not, nor detect obvious or stealthy malicious attacks within the substation. Such attacks were predominant within advanced persistent threats (APTs).
The contributions of this study are as follows:
- We present a mathematical formalization of trust within the context of Smart Grid devices.
- We categorize the existing trust-based literature within the Smart Grid under the NIST conceptual domains and priority areas, multi-agent systems, and the derived trust formalization.
- We present a proposed novel substation-based trust model and implement a Modbus variation to detect final-phase attacks. We believe other protocol variants of the trust model can be created and developing these will be addressed in future work.
- The variation is tested against two publicly available Modbus datasets (EPM and ATENA H2020) under three kinds of tests, namely external, internal, and internal with IP-MAC blocking.
- The tests were performed from a Modbus server’s point of view and a Modbus client’s point of view.
- All attacks were detected and the behaviour of attacks was revealed based on their impact on the trust model’s components.
In this paper, we provide a background on the priority areas and conceptual domains of the Smart Grid as described by the National Institute of Standards and Technology (NIST) in Section 2 and Section 3. We then present a background on trust, its definitions, and trust-related attacks in Section 4. We categorize existing literature from Section 5, Section 6, Section 7 and Section 8. We present a proposed trust model and its Modbus variation from Section 9, Section 10 and Section 11. Implementation and results are presented in Section 12 and Section 13, respectively. We provide our conclusions and future work in Section 14 and Section 15. We also included a table of notations in Appendix A to be used as reference for the equations in the paper.
2. NIST Priority Areas on Smart Grid
The inclusion of a cyber infrastructure introduced a deficiency of myriad standards, which made maintaining the efficiency of the Smart Grid extremely challenging. In light of that, NIST identified nine key priority areas to be focused on to tackle these challenges [7]. These areas are discussed in this section.
2.1. Energy Storage
One major challenge in the power industry is the storage of energy. Because of the immense difficulties posed by such storage, supply and demand are carefully balanced. This challenge brings about the need to invest and investigate new technologies to store energy, which will improve the efficiency within the grid from supplier to consumer.
2.2. Wide-Area Situational Awareness (WASA)
Monitoring various components within the Smart Grid is salient to ensure their optimization. This guarantees that processes of demand and supply, as well as utilization forecasts, are facilitated. Thus, novel technologies and strategies are required to create tools that monitor and display these components within the Smart Grid.
2.3. Advanced Metering Infrastructure (AMI)
Power usage by consumers is a key parameter in observing demand within the Smart Grid. In the traditional grid, meters were manually read and recorded before being computed to know the actual utilization within a given period. The introduction of the Smart Grid assures the near-real-time monitoring of power usage with AMI. AMI creates a dual-channel network between the smart meters and business systems of utility providers. This enables the collection and distribution of meaningful data to customers and utility providers as well as competitive retail suppliers. Such information can be used to implement residential demand responses. Even though there are many different designs of AMI, it consists of communications software and hardware and their associated system and data management software.
2.4. Distributed Energy Resources (DERs)
DERs are resources that generate and/or store electricity for a local distribution system or a facility within that system. As such, DERs connect to these systems. DERs include combined heat and power (CHP) generators, electric vehicles/plug-in electric vehicles (PEVs), battery storage systems, solar panels, microgrids, and battery storage systems [8,9]. Because these technologies are relatively new, they continuously evolve. One key concern is using these resources to ensure a resilient, safe, and uninterrupted power grid and safeguarding the efficient generation, utilization, and storage of power from these resources.
2.5. Distribution Grid Management
Distribution grid management systems integrate customer operations, networked distribution systems, and transmission systems with actual physical components, such as transformers, feeders, circuit-breakers and relays, to enable real-time functionalities such as the monitoring of system performances and load utilization [7]. Thus, the automation of distribution systems is important to operations of the Smart Grid, especially where systems such as AMI and PEVs are deployed to provide benefits such as reductions in peak loads, providing field engineers with malfunctioning devices’ locations, and increased reliability.
2.6. Network Communications
Communication within the Smart Grid is important to ensure real-time monitoring, operations, and maintenance within the Smart Grid. Therefore, various technologies such as fibre-optics, wireless, and cellular (currently trending is 5G) are required in strategic areas or locations to aid in Smart Grid operations. Different routing algorithms are also required to ensure fast communication for the time-sensitive operations of some devices within the Smart Grid. Access to public and private communication networks will be required with various restrictions in place. Furthermore, critically important is ensuring that there is no collision or loss of messages during their transmission. Power network interfaces are required for long-distance transmission, and cost-effective solutions are always required. The efficient translation of protocols is also required as well as global standards to ensure that vendors can comply, thereby making communication seamless.
2.7. Demand Response and Consumer Energy Efficiency
Technologies to balance supply and demand are being used by electricity suppliers and system planners. These technologies allow them to provide incentives (mostly financial) and mechanisms for consumers that lead to the efficient use of power during unstable power periods or peak periods. By providing detailed information to clients about consumption, they can save energy by engaging in practices and investing in devices that ensure the efficient utilization of power. Offering time-based rates such as critical peak rebates, variable peak pricing and time-of-use pricing can allow customers to take part in demand response efforts. Customers could allow utility companies to use direct load control programs to cycle water heaters and air conditioners on and off during peak periods in exchange for lower bill charges or incentives that may be financial or non-financial.
2.8. Electric Transportation
Clean energy ensures reduced carbon emissions, reduced dependency on fossil fuel to drive the economy, and reduced carbon footprint for nations. Thus, the large-scale usage and patronage of PEVs are essential in ensuring that this happens. Technologies to ensure the cost-effective mass creation of these electric vehicles and their storage capacity are crucial to ensure that this happens.
2.9. Cybersecurity
In a world where everything is being relocated to the cyber-domain, cybersecurity is critical to ensure the safety, availability, and reliability of the Smart Grid. It is very important to ensure that the operations of the Smart Grid are not adversely affected when security is applied within the grid. Cybersecurity plays a critical role in the operations of previously mentioned areas (Figure 1). There has been research into (but not limited to) network communication [10,11], demand response [12,13], PEVs [14,15], AMI [16,17] and DER [18,19]. This research includes encryption [19], privacy [20], intrusion detection and prevention [21], and trust. In this paper, we present a survey on the research on trust within the Smart Grid, especially within the priority areas and conceptual domains of the Grid. In terms of systems and trust, it is required that systems be cognitive to be able to trust each other. It is for this reason that we also investigate the application of trust in multi-agent systems’ research within the Smart Grid. We also propose a trust model for substations within the Smart Grid.
Figure 1.
NIST priority areas: Importance of cybersecurity in priority areas.
3. NIST Conceptual Domain Model
The conceptual domain model represents seven logical domains within the Smart Grid [7]. These domains represent the present and near-future view of the Smart Grid (Figure 2). The domains communicate with each other through interfaces. Figure 3 shows the mapping of legacy systems in the grid to the conceptual domains.
Figure 2.
NIST conceptual domains [7].
Figure 3.
Mapping of legacy systems to conceptual domain [7].
3.1. Generation Domain
This is the domain where power or electricity is generated from renewable or non-renewable forms of energy, and applications in this domain are the first processes when it comes to the delivery of power to customers [22]. It is from here that power is transferred to the transmission or the distribution domain. Thus, the connections with those two domains must remain reliable because power cannot be served to customers without it. Applications that can be found in this domain are asset management, protection, measurement, records/logging and control.
3.2. Transmission Domain
The transmission domain is responsible for the bulk transfer of electrical power to the distribution domain from the generation domain through the use of multiple substations. A transmission network is usually managed and operated by a transmission-owning entity with the primary responsibility to ensure stability on the electrical grid by balancing supply (power generation) with demand (power consumption) across the transmission network. A Supervisory Control and Data Acquisition (SCADA) system, which comprises a communication network, control devices and field monitoring devices, is used to monitor the transmission network.
3.3. Distribution Domain
The distribution domain is electrically connected between the transmission domain and the customer domain. The electrical distribution system may be structured in a varied number of ways such as meshed, looped or radial—and each structure affects the reliability of the system. Initially, the communications interfaces within this domain were unidirectional and hierarchical, but now they work in a bi-directional manner. Typical applications within this domain are measurement and control, substation, DERs, distribution generation and storage.
3.4. Operations Domain
This domain ensures that the power system runs smoothly. A regulated utility is assigned the responsibility of ensuring this. Even though some of the functions in this domain may be provided by the service provider as the Smart Grid continuously evolves, there will always be core functions maintained in this domain. Typical applications in this domain are customer support, fault management, operation planning, monitoring, network calculations, maintenance and construction, analysis, records and assets, control, extension planning and reporting, and statistics.
3.5. Service Provider Domain
The service provider domain provides support to other domains such as home energy generation, the management of energy use, and billing and customer account management. Its communication with the operations and markets domain is critical for situational awareness, system control and enabling economic growth. Typical applications in the service provider domain include building management, customer management, installation and management, account management, billing and building management.
3.6. Markets Domain
The sale and purchase of grid assets are conducted in the Markets domain, hence its importance to ensure that communications within this domain are transparent and reliable. There is the balance of supply and demand as well as the exchange price within the power system that is ensured by this domain. It must also be noted that due to the evolving nature of the Smart Grid, the market domain is bound to evolve, which in turn will define the Smart Grid in the future. The market domain communicates with the entity that controls the assets (operations domain), the customer domain and the other domains that supply the assets. The efficient matching of demand for power with the consumption of power is dependent on the domain of the market; thus, the communication flow between that domain and the domains that supply the power is critical. Bulk generation and DERs (which are usually served through aggregators) are examples of power suppliers, with DER more likely to become greater partakers as the interactive nature of the grid increases. Typical applications in the market domain include market management, DER aggregation, market operations, trading, ancillary operations and retailing.
3.7. Customer Domain
The customer is the main beneficiary of the Smart Grid and is the reason the Grid was created. The sole purpose of the customer is to consume the electricity generated by the grid. The customer domain is usually divided into home, commercial/building and industrial domains due to the difference in their energy demands. Each sub-domain has a meter and an interface that connects to other domains for utility-to-customer interactions. This may be done over the Internet or the AMI. Home or building automation is one of the applications in the customer domain that relies on these interfaces to function. Home automation allows the control of appliances within the house. Industrial automation, which is similar to home automation, also allows the control of industrial processes such as manufacturing. The interfaces also allow the storage of energy in thermal energy units and batteries as well as the generation of energy from renewable sources such as solar panels that are close to the customer. Although the customer domain communicates with and is electrically connected to the distribution and generation domains, it communicates with the service provider, operations, and market domains.
4. Trust
The world would not function without trust. Without trust, it would be difficult for interactions and/or transactions to exist. As a concept, trust is fundamental in the building and maintenance of stability in human relations. Trusting someone or something helps create interactions between people and organizations. In the digital age, with the current existence of virtual markets and communities, the interest in trust has matured and as such, can be expanded into other domains. Thus, any effort undertaken towards the proper management of trust by sharing information that enables interactions between participants in the open environment is essential and challenging. It is worth noting that trust is only useful in uncertain situations where people or agents must cooperate to achieve goals.
4.1. Trust Definition and Formalization
According to the literature, trust has many definitions. A definition from the social sciences states that trust is the degree of subjective belief about the behaviours of a particular entity [23]. Trust is also defined as an agency’s subjective probability of performing a particular act [24]. In this paper, we define the trusting entity as the agent and the entity being trusted as the subject. Marsh [25] describes three levels of trust, namely basic trust, general trust, and situational trust. Basic trust is the general trusting disposition of an agent. General trust is the trust that an agent has on a subject at a certain time. Situational trust is the trust that the agent has on the subject, taking into account a certain situation.
It must be noted that trust has been applied in different contexts, thus the notion that trust has many definitions. Thus, the design of trust models is required to be within a context or in terms of the system being designed. Thus, the factors being chosen to design the trust model must be on objective grounds to ensure that the trust being modelled is also objective. Hence, the difficulty in modelling trust. Regardless, trust models must have a component that must accept the risk because, without the assessment of risk, there is no trust.
NIST defines risk as: A measure of the extent to which an entity is threatened by a potential circumstance or event [26]. Thus, for an agent, , and a subject, , we define the risk, , of a transaction, , involving and as a function as shown in (1). There must also be a component of knowledge, , within the trust model. Before and after a transaction, knowledge about and previous transactions () with the subject, the environment (, knowledge of , , and the time period (t), are also of prime importance in determining trust. We formulate knowledge as shown in (2). is a collection of transactions before the current transaction, and this is formulated in (3).
Thus, with risk, r, and knowledge, , the decision on trust can be made. Therefore, trust, , can be expressed as the output of a function that takes a tuple of elements as shown in (4) where is the previous trust value between and . The has an influence on the decision for to trust to undertake . Trust is represented as a continuous variable over a specified range usually or where 1 represents complete trust, represents complete mistrust and 0 represents no trust. It must be noted that the transitive property of trust may or may not exist. In a situation where it does not exist, for three agents , , and , the fact that trusts and trusts does not mean that trusts (see (5)). In a situation where transitivity exists, it means that trusts and trusts , therefore, trusts (see (6)).
Trust can be directly or indirectly evaluated. Direct trust is calculated based on direct interactions between the agent and the subject. The default definition of trust is direct trust and that is formulated in (4). In the situation where no interaction exists between the agent, , and subject, , trust is built based on opinions from other agents about the subject; this is termed indirect trust. As formalized in (7), in an environment of n agents, trust is computed based on the recommendation of, at most, agents.
4.2. Trust-Based Attacks
In ensuring that trust mechanisms do not work in an environment, adversaries employ different attacks or strategies [27,28]. Some of these attacks are as follows:
- Misleading feedback attack: In this attack, a compromised agent feeds bad reports or recommendations to other nodes to denigrate agents with good reputations. It is also known as bad-mouthing attack or betrayal attack.
- Sybil attack: This attack involves a malicious agent within the system creating fake identities to create a larger influence over other agents using false rankings.
- Newcomer attack: This attack involves the malicious agent reintroducing itself as a new agent within the system in an attempt to erase its history of bad scores.
- Ballot-stuffing attack: In this attack, malicious agents collude by providing inaccurate recommendations or reports in an attempt to take over the system. It is also known as collusion attack.
- On–off attack: This attack involves a malicious agent repeatedly switching between being honest and dishonest in an attempt to be undetected. It is also known as inconsistency attack.
5. Trust: State of the Art in Smart Grid
In this section, we present literature on trust within the Smart Grid, categorized by the priority areas, conceptual domains, and trust definitions—after which we briefly discuss our observations. We searched the IEEE, Science Direct, Scopus, Web of Science, ACM, and Springer Link databases to find literature by using the keywords trust, reputation, trust management, mistrust, and trust model. We further reduced the papers by pairing each keyword with each of the following keywords: cyber-physical systems, critical infrastructure, distributed energy resources, micro-grids, smart grid, smart meters, substations, advanced metering infrastructure, building automation and control systems, distribution automation, and industrial control systems. We streamlined the list by reading the abstracts to ensure that the papers were relevant to the subject matter. The remaining papers were scrutinized and categorized or left out if they were not relevant to the subject matter.
5.1. Research Areas
Cheng et al. sought to detect the credibility of data from different sources by establishing trust from the said sources [29]. Though they were not specific about which part of Smart Grid they were working on, their work implied that it could be used in all areas of the Smart Grid because it deals with big data. In their paper, they used trust and credibility interchangeably. Even though the knowledge component exists in terms of previous trust values and a forgetting rate, the measure of risk on the data from the data source and the data source itself was not computed. There were no tests against trust-based attacks.
Moving away from big data to secure routing, another paper sought to compute trust for secured routing in wireless-based communications in the Smart Grid [30]. Network-based features such as the average transmission rate, buffering capacity and time-to-live (TTL) are used to compute trust. Their algorithm first computes direct trust between nodes; indirect trust based on recommendations from other nodes; and finally uses that information to compute how to route information from one node to another within the Smart Grid communication infrastructure. This algorithm would work best in AMI but not in the generation and distribution domains of the Smart Grid where communications are more wired than wireless. This paper improved their previous trust model to identify benign and malicious nodes based on various features using a combination of Bayes, Dempster–Schafer and Fuzzy theory [31]. They employed a water cycle algorithm (WCA) to improve its efficiency and tested it using an NS-2 simulator. The parameters used are clear indicators of the knowledge component of trust; however, there was no measurement for risk to show the impact should a node be wrongfully trusted. The algorithm was also not tested against trust-based attacks.
Another paper also proposed a fuzzy logic-based trust model to ensure secure routing in the network [32]. It computes a global trust value by computing direct and indirect trust to allow nodes to make decisions on compromised nodes. They tested their work against trust-based attacks, but their algorithm had no risk component.
Still focusing on routing, Xiang et al. presented a trust-based geographical routing protocol which placed trusted nodes in a trust list [33,34,35]. To be part of the trusted list, the node was required to have a good performance ratio as well as a good recommendation from other nodes. Based on that list, a routing algorithm is implemented to route from one trusted node to another. Their work did not include a risk component and was not tested against trust-based attacks, even though it was tested against WSN-based DOS attacks. Their experiment was simulated using a Java-based simulator called J-Sim.
Though not creating their trust model, Bello et al. explored the impact of transitivity in network topology in the performance evaluation of the famous EigenTrust model [36]. They demonstrated that a network containing established transitivity connections implied that a benevolent node was quickly identified by a node, thereby reducing the average energy consumption. An improved version was tested against trust-based attacks and showed that structural similarity has an impact on robustness against trust-based attacks and malicious nodes [37].
In trying to detect a compromised node in a network, a trust management model was proposed based on fuzzy logic using the packet error rate, interaction duration and packet loss rate as features [38] to compute trust. There was no risk component in the calculation, and neither was the algorithm tested against trust-based attacks. The trust model was simulated using Xfuzzy-3.5.
Moving away from networks, and still within AMI, Pliatsios et al. computed trust based on three features, namely consumption, polling, and connection to detect malicious devices [39]. The continuous-time Markov chain was utilized to compute the trust value of a node. It was purely tested with numerical parameters. The trust value of a device was decreased or increased in unit steps within the range of 1–3 (inclusive) depending on the behaviour of the device. The state of the Markov chain stores the state of a previous interaction. However, the risk component does not exist to determine the extent of a possible threat on or from the device. Furthermore, an on–off attack can be used to ensure that the device’s trust value is maintained.
In tackling meter tampering within the AMI, Pradhan et al. did the reverse of calculating trust by using mistrust [40]. Their algorithm involved comparing the presented data with houses and actual data from smart meters to see whether a house is being truthful or not. A dishonest house is added to a mistrust table. Their algorithm has no risk component and was not tested against trust-based attacks.
In tackling cascading power failures, a trust management toolkit was proposed, which computes a trust value using the simple trust algorithm [41] which uses the threshold of grid values as input [42]. With the trust values being attained and Djikstra’s shortest path algorithm, it allows the flow of power in an optimal direction to prevent cascading failures. This work was improved upon to create a special protection system (SPS) that implemented a trust mechanism that is con-resistant and mitigates transient instabilities (being aperiodic of time) within the grid by using load-shedding strategies [43]. One of the key features in calculating trust values was ensuring that a node reports a frequency value around a specific threshold. There was no risk component, and their work was not tested against trust-based attacks.
Other papers assume that trust is already manifest in firewalls, intrusion detection systems (IDSs) and other security devices and therefore apply the term trust nodes for these devices. Thus, their research involves placing them in vantage points within the AMI [44,45,46,47,48] or SCADA network [49] and computing an optimal routing algorithm for them, especially when a node is compromised. These papers do not include any computations of trust because they assume that trust is already embedded in the devices.
5.2. Discussion
Concerning Table 1, it can be observed that the majority of the papers reviewed focused on AMI and network communications areas. Only one paper [29] fits across all the priority areas. Only two papers [42,43] were specifically focused on distribution grid management. Trust in the research areas of energy storage, electric transportation, demand response and consumer energy efficiency, WASA and DER is lacking.
Table 1.
Research on trust in Smart Grid categorized based on NIST priority areas.
In Table 2, research by Cheng et al. [29] covers all seven conceptual domains. Only two papers specifically cover transmission, distribution, generation and operation domains. The rest were focused on customer and service provider domains.
Table 2.
Research on trust in Smart Grid categorized by NIST conceptual domains.
In Table 3, none of the papers had a risk component for computing trust, and only two of the papers [32,37] tested their work against trust-based attacks. The knowledge component of most of the papers did not include previous transactions or states; thus, trust was computed based on the values of parameters that were provided for computation. Only two papers [38,39] implemented direct trust, and the rest computed both direct trust and indirect trust.
Table 3.
Research on trust in Smart Grid categorized by trust components.
6. Trust: State of the Art in Substations
Substations, aside from other functions, are responsible for transforming low voltage into high voltage or vice versa [50]. They are considered integral to the transmission and distribution of power within the Smart Grid. Substation automation systems (SASs), consisting of the station level, process level, and bay level, enable the integration of substations into the Smart Grid. The station level contains SCADA and some variations of HMI; the bay level comprises IEDs; and the process level comprises high-voltage primary devices (see Figure 4). IEDs are responsible for controlling circuit breakers which are responsible for the connection or disconnection of power lines. It is SCADA that controls the IEDs by sending commands to them.
Figure 4.
Substation automation system.
6.1. Research Areas
Trust has been stated as an important reflection of the state of the substation, the execution of legitimate commands of devices within the substation and the dissemination of sensitive substation information [51]. To detect malicious nodes in the protection zones of substations, trust was implemented in wireless sensor nodes [52,53] by using their wireless range. It must be noted that most substations that exist, at the time of this paper, do not use wireless sensor nodes in protection zones for substations but rather use IEDs which are serial-based or Ethernet-based.
Another paper presented the measurement of trust between substations by the use of behavioural pattern analysis [54,55]. The analysis used machine learning and statistical tools and used logs from the security gateway of substations as the source of data. These logs contained communication between substations. They computed a threat value to substations based on which the inverse was the trust value. However, the analysis is external to the substations, and therefore, an attack within a substation is likely to be over before an analysis is completed. Furthermore, most attacks originate from SCADA with legitimate commands, and these can go undetected.
Nasr et al. [56] built a system to secure SCADA from deontological threats. The system aims to limit the access of an attacker or a naive/unskilled operator to a critical substation. The performance of an operator in controlling remote substations and resolving alarms is considered in determining the operator’s trustworthiness.
Rashid et al., designed a trust system for securing IEC 61850 GOOSE communication [57]. The untested trust system comprised modules that mimicked firewall policies, checked frame formats and access control.
6.2. Discussion
None of the papers tested their work against trust-related attacks nor did they include a risk component in their models (see Table 4). The knowledge component of most of the papers did not include previous transactions or states and as a result, trust was computed based on the values of parameters that were provided for computation. Only two papers implemented both direct and indirect trust. None of the papers tested their work against trust-related attacks.
Table 4.
Research on trust in substation categorized by trust components.
7. Multi-Agent Systems (MASs)
A multi-agent system (MAS) is a system consisting of two or more intelligent agents [58]. An intelligent agent is described as an entity with four characteristics, namely social ability, reactivity, pro-activeness, and autonomy. Social ability requires that the agent should be able to interact with other agents. This is often mistaken as just the exchange of messages. However, it requires the ability to cooperatively interact and negotiate or in simple terms; agents should be able to converse. Reactivity requires that when there are changes to the environment in which the agent is in, the agent must react promptly; and based on its goals and those changes, the agent must take some appropriate action. Pro-activeness requires that the agent must change its dynamically behaviour to achieve its goals. Autonomy requires that agents must operate without any intervention from humans or any external system.
An MAS has an overall objective or goal to which each agent’s goals within the MAS must contribute to the achievement of that overall objective. There are three kinds of MAS architectures, namely centralized, decentralized, and hybrid. Centralized architecture has agents reporting to a central agent from whom the agents await instructions. Decentralized architecture has agents communicating with each other in a clustered manner, with each having the same level of priority. In the case of centralized architecture, the demise of the central agent spells the demise of the MAS. The optimization of MAS goals is challenging with a decentralized architecture because of the local nature of the connection between agents. The hybrid architecture combines the two previous architectures to utilize their advantages.
MAS has been implemented in microgrids [59], demand side management [60], smart meters [61], optimal power flow and energy-sharing [62], and Smart Grid simulation [63].
7.1. MAS Tools
The development of intelligent agents and MASs requires tools to make this feasible. The major software frameworks identified are presented in this section.
7.1.1. JADE
Java Agent Development Framework (JADE) is a software framework fully developed in the Java language [64,65,66]. JADE uses middleware to simplify the implementation of MAS, which ensures its implementation across a platform-independent distributed system. It also incorporates a set of graphical tools that are essential in remote configuration, debugging, and deployment. JADE is also free to use and is compliant with the specifications of the Foundation for intelligent physical agents (FIPA).
7.1.2. ZEUS
Zeus [65] is an open source agent development platform developed with the Java language. It is FIPA-compliant and supports knowledge query and manipulation language (KQML). It has, however, been discontinued.
7.1.3. VOLTTRON
VOLTTRON [65,67] is a framework specifically designed for use in electrical power systems. It was developed by the Pacific Northwest National Laboratory (PNNL), and it is available in Python. It is a modular, open source platform that is intended to support transactions between networked elements over the grid.
7.1.4. Aglets
Initially developed at the IBM Tokyo Research Laboratory, Aglets is a mobile agent platform and library that is written in Java [68] that eases the development of agent-based applications. Aglets includes a stand-alone server called Tahiti and a library that enables the developer to build mobile agents, as well as include the Aglets technology within their applications.
7.1.5. JACK
JACK [69,70] is a commercially licensed agent-oriented development environment. It was developed in Java and acts as a Java extension that provides classes for implementing agent behaviour. It provides a graphical user interface for creating agents within projects. It is highly portable and platform independent.
8. MASs with Trust in the Smart Grid
The application of trust within MASs will have a positively impactful role on security within the Smart Grid. However, there has been extremely limited research in this area. The few studies which were identified are mentioned in this section.
8.1. Research Areas
Zhao et al. [71] implemented both direct-based and reputation-based trust mechanisms to create a modified version of the contract net protocol (CNP) [72]. The new trust-based CNP model, which was implemented in distributed MAS architecture, was used in Smart Grid scheduling to ensure improved decision quality which led to improved energy efficiency. With the direct trust mechanism, the time and rating value of the trustee were used to calculate the direct trust. These values are stored individually by each agent. The recommendation trust requires the trust rating of the trustee from all other agents in the MAS. The values generated by the trust mechanisms are fed into the CNP model, which is used to calculate which agent a task is delegated to. The model was tested via simulation using JADE; therefore, a real-world test was not made. This model has not been tested against trust model-related attacks.
In another paper, an MAS-based negotiation mechanism was implemented to combat jamming attacks in the Smart Grid power market [73]. Their work involved using the trust-based CNP [71] during local marginal price (LMP) [74] negotiations. Their work was simulated on a PJM 5-bus system [75], and it was not tested against any trust-related attacks.
Pereira et al. implemented a trust model in testing the resilience of control systems in power purchasing in cyber-physical systems [76]. The trust is used to calculate the cost of power to be sold by a producer agent to a consumer agent based on the trust level of the consumer. The model was tested using the JADE and GridLab-D power distribution and analysis tool [77].
In another study, trust was used in the secure operation of state estimation algorithms in networked microgrids [78]. Each microgrid within the network was modelled as an agent. Each agent implements direct trust when an agent provides state estimation values that are below a certain threshold. A malicious node is then isolated by the peer agents from the network. The historical data based on which the behaviour of a node was based are not specified, and the tool used for simulation was also not specified. Their work was not tested against trust-related attacks to test its resilience.
Matei et al. [79] proposed a trust-based security mechanism for protecting the state estimation process against false data injection attacks by using a multi-agent filtering scheme. The agents assign a trust metric that is used to disregard messages from low-trusted agents. The mechanism involved a mathematical simulation and was not tested against trust-related attacks. Cunningham et al. [80] wanted to see the impact of trust in a hierarchical agent-based socio-technical system. They ran a scenario replicating the 2003 Northeast Blackout which, in the history of North America, was the largest blackout [81]. The system is comprised of the elements responsible for the handling of the blackout. Each element was identified as an agent. The trust value was a score based on how an agent successfully or unsuccessfully handled a task. Their work was simulated using JADE, and it was not tested against any trust-related attacks. Hussain et al. [82] implemented trust in the inclusion of DERs in Smart Grid. The update of the trust score of an agent was dependent on the adherence to the Service License Agreement between it and other agents. Their work was simulated using the JACK-AOS [83] multi-agent platform and was not tested against trust-related attacks.
Borowski et al. [84] implemented reputation-based trust in an agent-based backup protection scheme that aims to mitigate the effects of faults and faulty agents in substations. Their work was simulated using NS-2 [85], EPOCHS [86] and PSCAD/EMTDC [87] but was not tested against trust-related attacks.
8.2. Discussion
In stark contrast to Section 5, MAS-based trust within the AMI and network communication priority areas do not exist as shown in Table 5. Furthermore, energy storage, electric transportation, and WASA priority areas are still uncharted territories when it comes to trust. There are only three papers each for DER and distribution grid and only two for demand response and consumer energy efficiency areas. Clearly, this shows that a lot of work is required on trust in MAS-based environments in the Smart Grid.
Table 5.
Research on MAS-based trust in Smart Grid categorized based on NIST priority areas.
Table 6 shows that the generation, customer and service provider domains have yet to be explored while the markets domain only has two papers. Three papers were focused on the transmission, distribution, and operation domains, while only one was focused on the operations domain and only two focused on only the distribution domain.
Table 6.
Research on MAS-based trust in Smart Grid categorized by NIST conceptual domains.
Only one paper includes the risk component in its trust model, as shown in Table 7. The knowledge component of most of papers did not include previous transactions or states; therefore, trust was computed based on the values of parameters that were provided for computation. There were three papers that exclusively focused on direct trust, and one paper focused on indirect trust. Five papers focused on both types of trust.
Table 7.
Research on MAS-based trust in Smart Grid categorized by trust components.
All their works were simulated, and JADE was the most used framework among the tools, as shown in Table 8. Other types of frameworks or applications were used, but they were not discussed because they were not specifically designed for MAS. Six of the papers implemented a decentralized MAS architecture, while three of them implemented a centralized architecture.
Table 8.
MAS-based trust in Smart Grid categorized by other parameters.
9. Motivation
Section 5 and Section 6 demonstrate the scarcity of trust-related research within the Smart Grid. Even more so, Section 8 shows the scarcity of trust-related MAS research in the Smart Grid. Trust is essential, especially with respect to communication among IEDs and SCADA. As future work, it would be important for vendors to make IEDs secure-centrically autonomous by encompassing trust to have a security-related impactful role within substations. In the situation of existing IEDs that are resource-constrained, the integration of intelligent agents with IEDs could make this possible.
Trust among devices within the substation must be defined differently. The key parameters required to compute trust within devices are reliant on the communication among devices and SCADA. The type of communication can be a request, command or a response from a device or SCADA. As such, the risks involved in the acceptance of each communication that is received has to be computed to calculate trust. Furthermore, a history of communications is required to be stored to be used as a reference to compute trust. Concerning the formulation of trust in Section 4.1, trust among IEDs (and also SCADA) can be seen as a tuple with some modifications, as shown in (8).
is the message being analyzed before it can be trusted and accepted, is the agent device, is the subject device, is the risk involved should the message be accepted or trusted, and is the history of communication between and .
A simple conceptual algorithm is presented in Algorithm 1 where receives from and computes based on . If equals or exceeds the threshold value, is received and acted upon, otherwise it is dropped and an alert is raised. It must be noted that trust can be scaled on a continuum such that certain actions are taken when certain thresholds on that scale are exceeded [90]. Actions can range by sending warnings, raising alarms or in the worst case scenario, refuse to communicate with a non-trusted device.
| Algorithm 1 Pseudo-algorithm for trust computation for agent device. |
|
In Figure 5, we present a proposed trust model that can be implemented in a substation environment. We define consequence as the measure of damaging impact an action has on a substation. Consequence represents the risk involved when a current action/message is taken within the substation and requires some parameters from familiarity as input. Consequence requires knowing the state of the substation (environment state) and the dependencies (criticality) within the substation to calculate the risk or consequence of the action to be undertaken.
Figure 5.
Proposed trust model for substation.
We define familiarity as a measure of the consistency of actions/messages of different types between devices. Familiarity, in this situation, maps to the history of communication or existing knowledge in the trust formalization presented to date. According to Yonelinas [91] and Zhan et al. [92] factors that influence familiarity are exposure intensity, exposure frequency, and similar exposure. Exposure frequency is defined as the frequency with which messages/actions are exposed to the devices.
Exposure intensity is defined as the length of time in which the messages/actions are exposed to the devices. Similar exposure is the measure of the similarity of the messages/actions being exposed to the devices. The mathematical formulation of this model and the results are discussed in the remaining sections this paper.
The environment state is computed using standard computations to ensure fault protection scenarios such as overvoltage, undervoltage, etc. [93]. Computation of the environment is out of the scope of this paper.
10. Criticality
To determine the dependency of devices within the substation, we need to provide a ranking of each device in terms of how critical it is within the substation. The higher the ranking, the higher the cascading effect within the substation. To achieve this, we utilized an artifact from the literature to create the criticality rankings for a substation [94]. According to the paper, for a list of n number of devices, D is defined in Equation (9).
For each , a list of devices (including ) that are functionally dependent on are generated as shown in Equation (10). The reverse is also performed where the list of devices that functionally influence are also identified as shown in Equation (11). An intersection between and is identified using Equation (12).
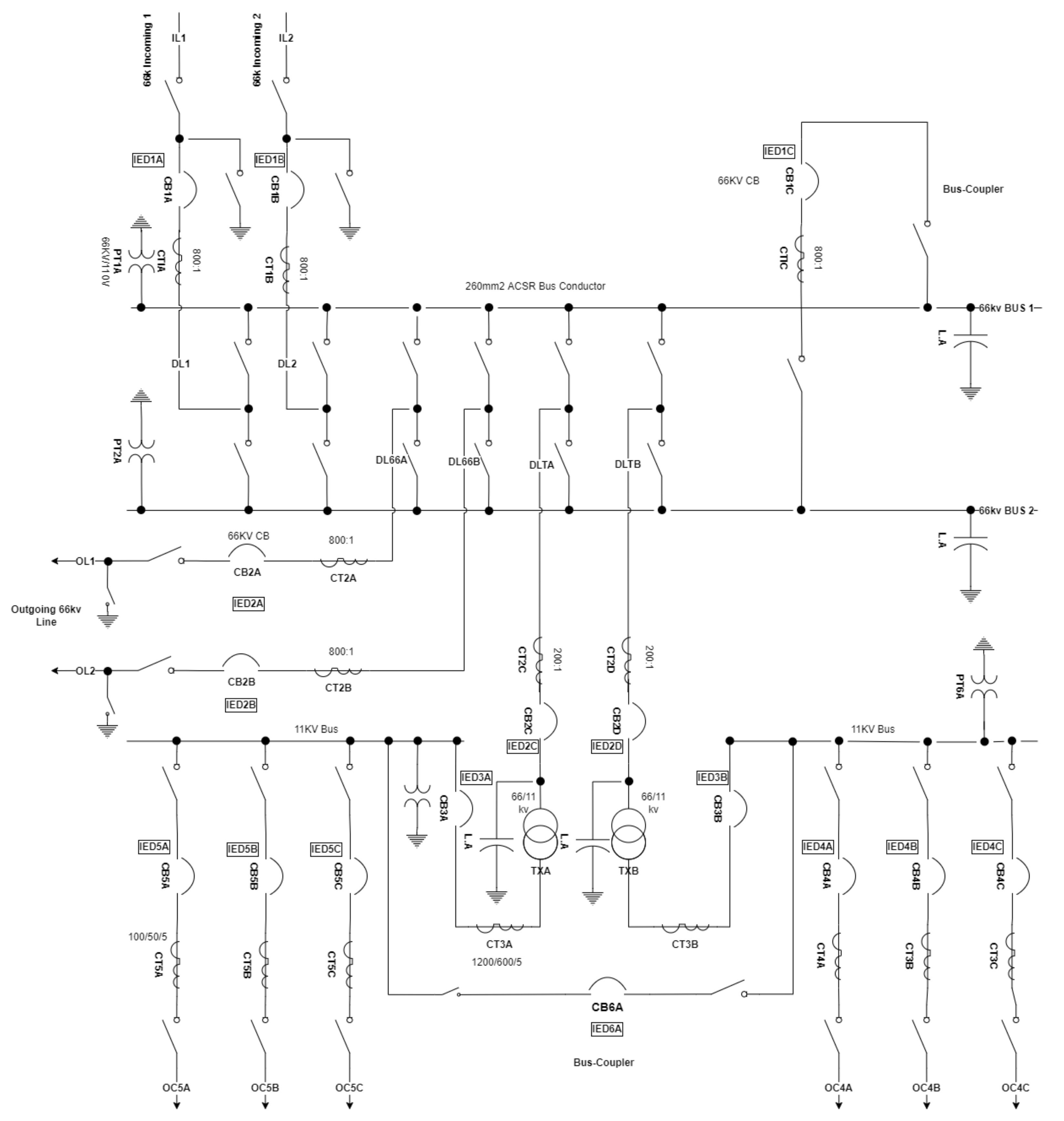
Within m number of rounds, each d having the same devices in and are given similar ranking, l (see Equation (13)). This results in a set of criticality rankings, L as shown in Equation (14). Devices in a single line diagram (Figure 6) were ranked as shown in Table 9 where devices starting with IED are the primary focus of this paper and the others can be ignored (details can be found in [94]).
Figure 6.
Labelled single-line diagram of 66/11 kV substation (adapted from [95]).
Table 9.
Criticality ranks of substation devices.
11. Models and Scenario
11.1. Substation Model
We define the substation, , as a three-tuple entity in Equation (15) where M, S, and N represent sets of clients, servers, and network devices, respectively, (Equations (16)–(18)). N interconnects S and M. There exists a set of queries, Q, and a set of corresponding responses, R, defined in Equations (19) and (20). Periodically, , sends Q to and receives R from . Each – pair may have a unique pair of Q and R. A query and its associated response have either read () or write () operations. Queries and responses made by the attacker are defined in Equations (21) and (22), respectively.
11.2. Attack Scenarios
With the substation, the ultimate goal of the attacker is gaining control of an element(s) of S to cause an outage within the Smart Grid. In most cases, the IED is that device. We present two scenarios where (or more than one) is compromised.
11.2.1. Compromised Network,
When N is compromised, the attacker, or , sends and/or to a device or uses any compromised element in M or S to do so. Unfortunately, there are no publicly recorded incidents of such nature; thus, we use this literature-sourced scenario [96]. In this scenario, , the attacker is oblivious to the substation’s architecture and as a result, requires cyber attacks to identify S before transmitting and/or . It is assumed that the attacker has already achieved this. Therefore, the possible attacks are identifiable in and below:
- Man-in-the-middle (MitM) attack: (or ) impersonates a device to send or ;
- Maliciously crafting packets: (or ) sends maliciously crafted (or ) to drop a payload or trigger a buffer overflow;
- Query flooding: (or ) exhausts a device’s resources with a bombardment of or .
11.2.2. Compromised Client
One notable device in M is SCADA. Publicly available documented attacks of utility companies have identified SCADA as the entry point preceded by successful social engineering attacks. The most notable attacks are Stuxnet, BlackEnergy [97], and Havex [98]. In this scenario, , the attacker controls to become before transmitting . SCADA’s compromise guarantees the attacker an architecture-wide view of the substation. Rarely identified publicly, it is also possible for an attacker to compromise to become to transmit . Thus, the considered attack scenarios are:
- Reconnaissance: For , transmits to to all existing Modbus addresses.
- Loading Malicious Firmware: makes inaccessible by loading a malicious firmware. This can be performed by utilizing a device-specific software within SCADA or embedding malicious bytes in . The former option is not within the scope of this paper.
- Baseline Replay Attack: (or ) replays Q or R to a device after profiling the substation to avoid detection.
- Write attack: Without reconnaissance and for , is sent to to all existing Modbus addresses. Another scenario requires a completed reconnaissance attack. , where , is sent to target an address of a specific . It can be also executed after a baseline replay attack.
11.3. Modbus TCP
Due to its documentation being readily available and it being used by modern and legacy substations (which form a significant percentage of substations worldwide [99]), Modbus TCP [100]—which is the TCP variant of Modbus [101]—is used. Furthermore, reinforcing our selection is the fact that there is current literature that is centred around its security [102], vulnerabilities [103], attack mitigation [104,105], and utilization in testbeds [106,107]. Utilizing TCP port 502, its implementation requires a client–server architecture. Modbus does not support unsolicited responses from servers. The Modbus TCP frame/packet consists of the Modbus Application Header (MBAP) header and the Protocol Data Unit (PDU) with their sizes and those of their components specified in Figure 7.
Figure 7.
Modbus TCP/IP frame.
The function code determines the request type that is sent to the server and the server responds using the same function code. The address(es) and/or the value written to/read being accessed from the server are specified in the data section of the PDU. The minimum Modbus request size is 12 bytes and that for response is 10 bytes and a maximum of 260 bytes for both. Table 10 shows a selection of the function codes selected for this work based on multiple datasets that were reviewed.
Table 10.
Selected modbus function codes.
11.4. Familiarity-Based Definitions
11.4.1. Exposure Intensity
When or is transmitted, a set of features, Z (Equation (23)), is created and used to compute exposure intensity, , as shown in Equation (29), where . An alert description, , associated with the value of . The description of each feature is available in the table of notations. The sender’s current message’s arrival time, , the sender’s previous message’s arrival time, , the sender’s first message’s arrival time, , the sender’s last message’s arrival time, , and the recipient’s dispatched message’s time, , are required to define the features in Equations (24)–(28).
11.4.2. Similar Exposure
When or is transmitted, a Moore machine is defined in Equation (30).
When transmits Q to , a Moore machine, , is defined to parse through as follows (the definition of each symbol can be found in the table of notations):
- defined in Equation (31) represents a set of states where each state represents or where is the initial state. Accept states are not required due endless transmissions of or .
- , defined in Equation (32), is a set of input alphabets extracted from or .
- is the transition function defined in Equation (33).
- A set of features, , is an output of (Equation (36)).
Finally, is defined in Equation (43) where and based on the generated value, the associated is generated.
11.4.3. Exposure Frequency
For each or that is received, is defined in Equation (44).
For each or , each feature is defined as follows:
- For , , .
- For , , .
- For , , .
- For , , .
- For , , , , .
- For , , , , .
- For , , , , .
- For , , , , .
- For , , ,
- For , , ,
- For , , ,
- For , , ,
- For , , , , .
- For , , , , .
- For , , .
- For , , .
Exposure frequency, , is finally defined in Equation(45)—where and the corresponding is generated.
11.4.4. Familiarity
Using all the exposures, we define familiarity, , Equation (46) where and .
11.5. Consequence-Based Definitions
In determining consequence-related values, any or , where is transmitted within a non-permitted time or scenario in a value of 1. For scenarios or periods where , the ratio of the criticality of the device (see Equation (14)) to the highest criticality ranking, , is used unless in exceptional cases.
, , , , and are sensitivity weights for adjusting such that and .
11.5.1. Environment Status Attack Value
The function determines the p’s state—and is a substation property. The environment flag, , is evaluated as shown in Equation (48)
11.5.2. Replay Attack Value
Here, the count of replay, y, increases by 1 if or . Therefore, using y, with being its threshold, the replay attack value, , is calculated in Equation (49).
11.5.3. Reconnaissance Attack Value
Using , and , for any or , the reconnaissance ranking, , is described in Equation (50).
11.5.4. Query Flooding Attack Value
Utilizing and , the query flooding rating, , is calculated in Equation (51)
11.5.5. Packet Manipulation Attack Value
Using and , for any or , the score of the datagram manipulation, , is estimated in Equation (52)
11.5.6. Consequence
Applying the use of , , , , and , the consequence, , is calculated in Equation (53)
11.6. Trust
Trust, in Equation (54), is prescribed as an ordered set of values (tuple) with as the score of the trust. The values of describe what negatively altered trust. is interpreted in Equation (55), where , is the original state prior to the calculation of trust, is the score of the previous trust, is the threshold of the trust score, represents the weight of forgiveness where , and represents the condition/state of the forgiveness. The attributes of forgiveness are deferred for later works. in Equation (4) maps to , maps to , and the additional parameters linked to the three exposures. This is primarily due to the inherent information these exposures contain about those parameters.
12. Implementation
Prior to our model assessment, assumptions made were as follows:
- The network communication of this substation is predictable because Q is pre-set by engineers.
- The pristineness of this substation; therefore, queries will be considered as malicious.
- The existence of a determinate number of devices inside the network of the substation for the Modbus communication; hence, H, is additionally bounded. These pairs can be categorised into two: the client group, , and the server group, . Additionally, is restricted from sending arbitrary responses. IP–MAC pairs outside this group are considered malicious and grouped as .
- Attacks that are neither Modbus nor IT-related are publicly disclosed by numerous CVE and CWE mitigation techniques; accordingly, they are considered outside of the sphere of the undertaking in this paper.
- The networking port utilized for Modbus communication by a device is restricted to the port number stated in the Modbus specification document.
- The attacker has penetrated the substation, achieved persistence, and has successfully evaded detection.
Datasets with both malicious and normal traffic were critical in our ability to effectively test our suggested model. The EPM dataset was one of two datasets that met our requirements [108] and the other being the ATENA H2020 dataset [109]. We took the following steps:
- The reference features (Equations (23), (36) and (44)) for the exposures in Section 11.4 were generated using the benign traffic captures of the two datasets.
- Based on established documentation of the datasets and careful analysis of every network capture file (pcap file) using Wireshark, , , and could be identified.
- From and , members that were compromised were grouped as . The rest of the members were the target devices, .
- Per each dataset, we concentrated on communications that were concerned with and generated sub-capture files containing their communication with the other groups.
Because was limited in the datasets, we relied on three types of tests to cover the attack scenarios (see Section 11.2) mentioned in this paper:
- External Attack Test: Here, the existing condition is maintained as , , and ; hence, complies with the attack scenario mentioned in Section 11.2.1. Evidently, the outcome is that or sent from will be flagged as expected without probing into the Modbus frame (see the first definition of Equation (43)).
- Internal Attack Test: For this test, we have (Equation (56)) and (Equation (57)) to depict as described in Section 11.2.2. Any or sent from these groups be flagged accordingly.
- Internal Attack Test with IP-MAC Blacklisting: The test and groups are the same as the internal test with the exception that any device that has is added to a group of blacklisted MAC-IP pairs, ; and is closed from further communication.
A Java application of the trust model was built to test the generated sub-pcap file. We used pcap4j library [110] to parse the Modbus packets. We then mapped a trust scale from the literature [90] to the Multi-State Information Sharing and Analysis Center (MS-ISAC) Alert Information [111] (Figure 8). The threshold flags for the exposures were set to and . All three tests were implemented for trust computation on the server side because there were external devices and internal devices that were used as attackers. Only the internal test was implemented for trust computation on the server side because there were only internal devices that were used for attack. Furthermore, the IP-MAC blacklist was well demonstrated on the server-side test so presenting it in this paper was deemed redundant.
Figure 8.
MS−ISAC alert mapped to trust scale [90,111].
13. Evaluation
This section discusses the implementation results in Section 12. An abridged description of each dataset is given before the discussion of the results. A summary of the trust score and alert descriptions/flags for sub-captures with unique characteristics are provided due to page limitations.
13.1. EPM Dataset
The Modbus dataset was used to test our work and the convert channel dataset of the EPM dataset was ignored [108]. This dataset has six benign capture files and five capture files that contain both benign and malicious traffic. The following attacks were implemented in the dataset. These were reconnaissance (characterization), command-and-control, moving malicious files, sending fake commands, and exploits. With the exception of reconnaissance, all other attacks were labelled; thus, we were able to provide the percentage of attacks detected by our model for those attacks.
We were able to do all three kinds of test from the server-side point of view. However, for the client-side point of view, only the internal tests were done because by default, clients do not send queries to external entities. Furthermore, the tests were only done on the command-and-control and moving malicious files attacks because those which involved a client device but the other attacks did not. On the server-side, we identified all malicious client-side messages and we did the reverse for the client-side. Table 11 and Table 12 showed that our model detected all the labelled attacks. We will explain our observations and delve deeper into the following sections.
Table 11.
Detected attacks towards the server.
Table 12.
Detected attacks towards the client.
13.1.1. External Attack Test towards Server
All packets sent from a member of were flagged as an IP-MAC Mismatch; thus, they were also assigned a Complete Distrust score and a Red—Severe alert level (Figure 9a). Figure 9b shows whether the packet is Modbus-related (Q or ) or not. These attacks affected .
Figure 9.
Server: EPM dataset external test− in CNC capture.
In scenarios where attacks were from a member of , the model flagged them and gave the appropriate scores. In the reconnaissance attack, a member of sent packets using a non-Modbus port that were flagged accordingly and assigned Complete Distrust scores (Figure 10. This attack also affected . Assuming that the substation environment was in a normal state, any q where was flagged as an APT threat, as displayed in Figure 11—it also affected .
Figure 10.
Server: EPM dataset external test− in characterization attack capture.
Figure 11.
Server: EPM external test− in send-fake-command attack capture.
13.1.2. Internal Attack Test towards Server
For exploiting moving files and CnC (Figure 12) attacks, all packets from a member of were given a Complete Distrust score and Red—Severe alert level which affected . Characterization, however, showed a member of sent and replayed which were given a Low Medium Distrust score and Yellow - Elevated alert level, as shown in Figure 13. In the send-fake-command scenario, a member of sends a write request and is flagged accordingly, as shown in Figure 14.
Figure 12.
Server: EPM dataset internal test− in command-and-control attack capture.
Figure 13.
Server: EPM dataset internal test− in characterization attack capture.
Figure 14.
Server: EPM dataset internal test− in send-fake-command attack scenario.
13.1.3. Internal Attack Test with IP-MAC Blacklisting towards Server
For the attacks, when the trust score of q is below the threshold, a member of becomes a member of and that is visible for exploit, CnC and moving-file captures when an unknown port was used (Figure 15). This means that all kinds of packets bearing the blacklisted member’s IP and MAC addresses were dropped; thus explaining the relatively larger number of flagged packets. The same goes for a send-fake-command scenario as well (Figure 16 and Figure 17).
Figure 15.
Server: EPM dataset internal test with IP-MAC blacklisting− in exploit attack capture.
Figure 16.
Server: EPM dataset internal test with IP-MAC blacklisting− in send-fake-command attack capture.
Figure 17.
Server: EPM dataset internal test with IP-MAC blacklisting− in send-fake-command attack capture.
13.1.4. Internal Attack Test towards Client
Attack scenarios where actual client devices were used are CnC and moving-files attacks. As such, those were the captures that we used to test our model. It can be shown in Figure 18 and Figure 19 that malicious packets used a different port and as such were flagged by the model accordingly.
Figure 18.
Client: EPM dataset internal test− in command-and-control capture.
Figure 19.
Client: EPM dataset internal test− in moving files capture.
We modified the reference feature values for one of the requests to test the model’s output. The model flagged the ’unknown’ requests with High Medium Trust score and a Blue—Guarded alert level (Figure 20 and Figure 21).
Figure 20.
Client: EPM dataset internal test− in command-and-control capture with modified reference features.
Figure 21.
Client: EPM dataset internal test− in moving files capture with modified reference features.
13.2. ATENA H2020 Dataset
In this dataset, ICMP flooding, TCP SYN flooding, Modbus query flooding, and MitM attacks were implemented. Of the four attacks, Modbus queryflooding and MitM attacks were focused more on Modbus. Regardless, capture files involving all four attacks had some Modbus packets in there so we focused on those. The dataset was grouped into three sets of capture files. The length of each capture file was either 30 min, 1 h, or 6 h. The attack duration was in series of either 1, 5, 15, or 30 min. We observed that only one read-access function code was implemented in this dataset; thus, we deactivated Equation (49) for consequence.
13.2.1. External Attack Test towards Server
MitM captures shows that requests from members of were detected and assigned IP-MAC Mismatch and Red—Severe as shown in Figure 22. Furthermore, some requests from members of were flagged Length Mismatch and Red—Severe because they contained packets that had more than one Modbus frame (Figure 23). In Figure 24, our model flagged some requests from members of as Query Flooding of Known Read Query, EI: Below Threshold ( affected) and a Blue—Guarded in the query flooding captures. Investigations show that these were a result of delayed requests due to query flooding attacks from members of . In the clean captures (Figure 25), there were two malicious requests from members of that contained multiple Modbus frames; thus, they were flagged with Length Mismatch and Red—Severe.
Figure 22.
Server: ATENA H2020 dataset external test− in MitM capture.
Figure 23.
Server: ATENA H2020 dataset external test− in MitM capture.
Figure 24.
Server: ATENA H2020 dataset external test− in query flooding capture.
Figure 25.
Server: ATENA H2020 dataset external test− in clean capture.
13.2.2. Internal Attack Test towards Server
In MitM captures, Figure 26 shows that a member of performed a baseline replay but did not perform any final attack and as such, was not detected by the model. However, when a baseline replay was performed and a final attack was done, it was detected and it showed the packet and multiple Modbus frames (Figure 27).
Figure 26.
ATENA H2020 dataset internal test− in MitM capture−baseline replay.
Figure 27.
ATENA H2020 dataset internal test− in MitM capture−baseline replay to final strike.
For query flooding captures, there are unknown writing requests that were flagged Unknown Write Query and Red—Severe as shown as Figure 28. Figure 29 shows Q sent by a member of within less than time periods that is finally flagged with Query Flooding Attack and Red—Severe exceeding . For the sake of simplicity, we set to five requests even though it will vary from substation to substation. The first four requests were marked as Blue—Guarded and the fifth was marked as Orange—High. Figure 30 shows requests being flagged with Red—Severe because the packet manipulation attack by triggered .
Figure 28.
ATENA H2020 dataset internal test− in query flooding capture−unknown write attack.
Figure 29.
ATENA H2020 dataset internal test− in query flooding capture−query flooding of known query.
Figure 30.
ATENA H2020 dataset internal test− in ping flood capture−maliciously crafted packets.
13.2.3. Internal Attack Test with IP-MAC Blacklisting towards Server
Figures starting from Figure 31, Figure 32 and Figure 33 show that the packets that are dropped after are less than and the device is placed in . Like the EPM dataset, it provides clarity on the attack caused by the violation. It also reveals that a compromised or attack device can be well behaved before acting to impair the target device.
Figure 31.
Server: ATENA H2020 dataset internal test with IP-MAC blacklisting− in MitM capture−baseline replay to final strike.
Figure 32.
Server: ATENA H2020 dataset internal test with IP-MAC blocking− in query flooding capture−unknown write attack.
Figure 33.
Server: ATENA H2020 dataset internal test with IP-MAC blocking− in query flooding capture−query flooding of known query.
13.2.4. Internal Attack Test towards Client
In this test, there were no external devices posing as servers; thus, we performed the internal test only. Attacks towards the client side from a member of were mostly affecting . Further probing of the packets revealed that there were delayed responses to requests (Figure 34 and Figure 35). We also observed that there replayed responses which saw a high increase time in query-response time. There were a few instances wherein the Modbus frame size exceeded the maximum frame size (Figure 36).
Figure 34.
Client: ATENA H2020 dataset internal test− in MitM capture.
Figure 35.
Client: ATENA H2020 dataset internal test− in query flooding capture.
Figure 36.
Client: ATENA H2020 dataset internal test− in ping flood DDOS capture.
13.2.5. Testing with Criticality Variation
The results presented to date had in reflecting a low criticality-ranked device in Table 9. Since most critical ranked devices provide , those will generate a significant number of false alarms, and we use the weights specified in Section 11.5 to adjust to a suitable value. We implemented this on the client side to raise the necessary alarms for the critical IED. It can be observed that the results are more sensitive and this can be used to promptly raise alarms for critical devices for action to be taken on them. Comparing the Figure 34 and Figure 37, it can be seen that Figure 37 is more sensitive.
Figure 37.
Client: ATENA H2020 dataset internal test with higher criticality weight.
13.3. Discussion
The results from our work showed that it was possible to characterize the attack of the datasets. Tests on the server side of the EPM dataset showed that and were the most affected because the attacks were more focused on TCP ports and Modbus read-only queries (see Figure 10, Figure 11, Figure 12, Figure 13, Figure 14, Figure 15, Figure 16 and Figure 17). However, tests on the client side show that only was affected (see Figure 18, Figure 19, Figure 20 and Figure 21). The labelling of this dataset allowed us to determine the accuracy of our model as shown in Table 11 and Table 12. Such confidence allows us to boldly claim similar accuracy with the ATENA H2020 dataset even though that dataset is not labelled. On the server side test, we observed that , , and were affected by the attacks which shows how comprehensive the attacks were (see Figure 22, Figure 23, Figure 24, Figure 25, Figure 26, Figure 27, Figure 28, Figure 29, Figure 30, Figure 31, Figure 32 and Figure 33). However, on the client side, it was mostly that was affected by the attacks (see Figure 34, Figure 35 and Figure 36).
Furthermore, we identified that a description of the mix of attacks was not referenced by the authors. We noticed that different works—not on trust, however—do not give specifics as our work has done in the wake of identifying attacks [112,113,114]. Furthermore, the comparison of our work with other trust models was challenging because there was only one trust model [84] that was utilized in a scenario such as ours. Notwithstanding, our trust model which computed trust made on the ratio of responses to requests and that would fail against baseline replay attacks. Their model would also not detect attacks contained in responses.
We noticed that the ATENA H2020 dataset had the same transaction ID throughout, and such an implementation makes it easy for an attacker to include malicious packets because there are no similarities in the MBAP header. We recommend that transaction IDs are made sequential to enable the tracking of packets. We also recommend that each request must utilize one session per request to mitigate TCP session hijackings. We also recommend that stacked Modbus PDU requests be dropped by an application’s Modbus implementation.
14. Conclusions
In this paper, we present a categorized review of literature related to trust within the Smart Grid. This categorization was guided by the trust definitions according to the literature and the NIST priority areas and conceptual domains. From the presented paper, it is very clear that a lot of work needs to be done in the field of trust within the Smart Grid as well as making efforts to have it implemented in a cognitive environment whereby components can be adaptable to situations.
We also presented and tested a novel trust model for substations that detects attacks within the substation. We stated that familiarity and consequence are required to compute trust. We included the output of the novel risk assessment tool to compute the consequence of an attack on a substation. Using the model, we tested our work on two publicly available datasets using three kinds of tests. The external test is one in which purely attacker devices (not compromised substation devices) are assumed to be not part of the substation’s network. The second is the internal test wherein all devices are assumed to be part of the substation’s network. The final test is the internal test with the IP-MAC block which assumes the position of the second test but blacklists any device that sends a malicious message.
Our model also revealed the behaviour of the datasets which has not been done in other trust models and not detailed as such in papers that used those datasets.
15. Future Work
We believe that our model can be embedded in a device’s logic, extended to other OT-based protocols such as DNP3 (future work), and implemented in other critical infrastructures. Queries made out of order during troubleshooting will create false alarms; thus, this is a weakness of our work and will be addressed in future work. We aim to look at the community computation of trust for future work for multiple devices to manage trust-based attacks. The trust transferability of a device from one substation to another is also marked for future work. We also observed that a Modbus dataset containing network captures and attack scenarios specific to substations is required and that will be addressed in future work.
Author Contributions
Conceptualization and methodology, K.B.-B., A.A.G. and A.H.L.; software, K.B.-B.; validation, formal analysis and investigation, K.B.-B., A.A.G. and A.H.L.; writing—original draft preparation, K.B.-B.; writing—review, editing and visualization K.B.-B., A.A.G. and A.H.L.; supervision, A.A.G. and A.H.L.; funding acquisition, A.A.G. All authors have read and agreed to the published version of the manuscript.
Funding
This research was funded by the Atlantic Canada Opportunities Agency (ACOA) through the Atlantic Innovation Fund (AIF) project #212420 and the Natural Sciences and Engineering Research Council of Canada—NSERC (Grant# RGPIN 231074).
Institutional Review Board Statement
Not applicable.
Informed Consent Statement
Not applicable.
Data Availability Statement
Not applicable.
Acknowledgments
The authors acknowledge the funding from the Atlantic Canada Opportunities Agency (ACOA) through the Atlantic Innovation Fund (AIF) project #212420 and a grant from the Natural Sciences and Engineering Research Council of Canada—NSERC (Grant# RGPIN 231074)—to Ali Ghorbani.
Conflicts of Interest
The authors declare no conflict of interest.
Abbreviations
The following abbreviations are used in this manuscript:
| ACM | Association for Computing Machinery |
| AMI | Advanced Metering Infrastructure |
| APT | Advanced Persistent Threat |
| ATENA | Advanced Tools to Assess and Mitigate the Criticality of ICT Components and |
| their Dependencies over Critical Infrastructures | |
| CB | Circuit Breaker |
| CHP | Combined Heat and Power |
| CnC | Command and Control |
| CNP | Contract Net Protocol |
| CONS | Consequence |
| CT | Current Transformer |
| CVE | Common Vulnerabilities and Exposures |
| CWE | Common Weakness Enumeration |
| DER | Distributed Energy Resources |
| DL | Direct Line |
| DOS | Denial of Service |
| EF | Exposure Frequency |
| EI | Exposure Intensity |
| EPM | École Polytechnique de Montréal |
| FIPA | Foundation for Intelligent Physical Agents |
| GOOSE | Generic Object-Oriented Substation Event |
| HMI | Human–Machine Interface |
| IBM | International Business Machines Company |
| IDS | Intrusion Detection Systems |
| IED | Intelligent Electronic Device |
| IEEE | Institute of Electrical and Electronics Engineers |
| IL | Incoming Line |
| IP | Internet Protocol |
| IP | Internet Protocol |
| JADE | Java Agent Development Framework |
| KQML | Knowledge Query and Manipulation Language |
| LMP | Local Marginal Price |
| MAC | Media Access Control |
| MAS | Multi-Agent System |
| MiTM | Man in the Middle |
| MS-ISAC | Multi-State Information Sharing and Analysis Center |
| NIST | National Institute of Standards and Technology |
| OC | Outgoing Circuit |
| OL | Outgoing Line |
| OT | Operational Technology |
| PEV | Plug-in Electric Vehicles |
| PNNL | Pacific Northwest National Laboratory |
| PT | Potential Transformer |
| SAS | Substation Automation System |
| SCADA | Supervisory Control and Data Acquisition |
| SE | Similar Exposure |
| SPS | Special Protection System |
| TCP | Transmission Control Protocol |
| TTL | Time to Live |
| TX | Transformer |
| WASA | Wide-Area Situational Awareness |
| WCA | Water Cycle Algorithm |
| WSN | Wireless Sensor Network |
Appendix A
Table A1.
Table of notations.
Table A1.
Table of notations.
| Notation | Meaning |
|---|---|
| Agent | |
| Subject | |
| Risk between and | |
| A transaction between and | |
| Knowledge about | |
| Knowledge of previous transactions between and | |
| Knowledge of | |
| t | Time |
| Trust between and | |
| Previous trust between and | |
| Agent device | |
| Subject device | |
| Message between and | |
| History of communication between and | |
| D | A list of n devices |
| List of devices functionally dependent on | |
| List of devices that functionally influence | |
| Intersection of and | |
| l | Criticality rank of devices |
| Substation | |
| M | A set of clients |
| S | A set of servers |
| N | A set of network devices |
| Q | A set of queries |
| R | A set of responses associated with Q |
| ype of query or response being either read or write | |
| A malicious Q | |
| Exposure intensity | |
| Exposure frequency | |
| Similar exposure | |
| An exposure’s threshold | |
| An alarm associated with a particular exposure factor of familiarity | |
| Z | A set of features associated with |
| A reference set of features associated with | |
| Pre-time feature | |
| Inter-query time feature | |
| Inter-response time feature | |
| Query-response time feature | |
| Transaction time feature | |
| Timeout feature | |
| Inter-query time threshold | |
| Inter-response time threshold | |
| Query-response time threshold | |
| Timeout threshold | |
| Moore machine used to generate -based features | |
| Finite set of states | |
| Read discrete input state | |
| Read coil state | |
| Write coil state | |
| Write multiple coils state | |
| Read holding registers state | |
| Write single register state | |
| Write multiple registers state | |
| Read input registers state | |
| Unknown state | |
| Modbus function code of or | |
| a | Modbus address |
| Modbus data value of a | |
| Modbus byte count of the value found at a | |
| Modbus length of data frame | |
| Length of entire Modbus packet | |
| Modbus coil/discrete input/input register/holding register quantity | |
| Modbus header length | |
| A set of input alphabets of | |
| A transition function of | |
| A set of features associated with | |
| A reference set of features associated with | |
| State traversed feature | |
| IP-MAC mismatch feature | |
| Port mismatch feature | |
| Unknown state feature | |
| Address match feature | |
| Address size match feature | |
| Function code match feature | |
| Discrete input reference match feature | |
| Discrete input quantity match feature | |
| Coil reference match feature | |
| Coil quantity match feature | |
| Holding register reference match feature | |
| Holding register quantity feature | |
| Input register reference match | |
| Input register quantity match | |
| Output function of | |
| A set of features associated | |
| A reference set of features associated | |
| Count for read coil function code | |
| Coil quantity | |
| Count for read discrete input function code | |
| Discrete input quantity | |
| Count for read holding register function code | |
| Holding register quantity | |
| Count for read input register function code | |
| Input register quantity | |
| Count for write single coil function code | |
| Coil value | |
| Coil data byte count | |
| Discrete input data byte count | |
| Holding register data byte count | |
| Input register data byte count | |
| Count for write single register function code | |
| Holding register value | |
| Count for write multiple coils function code | |
| Set of coil values | |
| Count for Write Multiple Registers function code | |
| Set of holding register values | |
| Input register value | |
| Set of input register values | |
| Frame size feature | |
| F | Familiarity |
| Replay sensitivity weight | |
| Replay sensitivity weight for unknown states | |
| Reconnaissance sensitivity weight | |
| Query flooding sensitivity weight | |
| Query flooding sensitivity weight for unknown states | |
| Criticality rank ratio | |
| Environment status attack value | |
| Replay attack value | |
| Reconnaissance attack value | |
| Query flooding attack value | |
| Packet manipulation attack value | |
| C | Consequence |
| Trust score | |
| Initial state of device | |
| Previous trust score | |
| Trust score threshold | |
| Forgiveness weight | |
| Forgiveness state of device | |
| Client group | |
| Server group | |
| Attack group | |
| Targeted group | |
| Compromised group | |
| Compromised client group | |
| Blacklisted group |
References
- Gupta, B.; Akhtar, T. A survey on smart power grid: Frameworks, tools, security issues, and solutions. Ann. Telecommun. 2017, 72, 517–549. [Google Scholar] [CrossRef]
- Knirsch, F.; Unterweger, A.; Unterrainer, M.; Engel, D. Comparison of the Paillier and ElGamal Cryptosystems for Smart Grid Aggregation Protocols. In Proceedings of the ICISSP, Valletta, Malta, 25–27 February 2020; pp. 232–239. [Google Scholar]
- Abbasinezhad-Mood, D.; Nikooghadam, M. Design and extensive hardware performance analysis of an efficient pairwise key generation scheme for smart grid. Int. J. Commun. Syst. 2018, 31, e3507. [Google Scholar] [CrossRef]
- Yu, S.; Park, K.; Lee, J.; Park, Y.; Park, Y.; Lee, S.; Chung, B. Privacy-preserving lightweight authentication protocol for demand response management in smart grid environment. Appl. Sci. 2020, 10, 1758. [Google Scholar] [CrossRef] [Green Version]
- Gunduz, M.Z.; Das, R. Cyber-security on smart grid: Threats and potential solutions. Comput. Netw. 2020, 169, 107094. [Google Scholar] [CrossRef]
- Langner, R. Stuxnet: Dissecting a cyberwarfare weapon. IEEE Secur. Priv. 2011, 9, 49–51. [Google Scholar] [CrossRef]
- Greer, C.; Wollman, D.; Prochaska, D.; Boynton, P.; Mazer, J.; Nguyen, C.; FitzPatrick, G.; Nelson, T.; Koepke., G.; Hefner, A., Jr.; et al. NIST Framework and Roadmap for Smart Grid Interoperability Standards, Release 3.0. Available online: https://tsapps.nist.gov/publication/get_pdf.cfm?pub_id=916755 (accessed on 21 October 2020).
- Sommerville, P.B. Distributed Energy Resources: The Role of Regional Planning, New Benefit-Cost Methodologies and the Competitive Landscape; Mowat Centre for Policy Innovation: Toronto, ON, Canada, 2019. [Google Scholar]
- Kent Hedrick. What New Capabilities Mean for Distribution Grid Management. Available online: https://www.landisgyr.com/webfoo/wp-content/uploads/2014/07/LAN-14009_GridMgmtWP_140728.pdf (accessed on 17 November 2020).
- Xia, J.; Wang, Y. Secure key distribution for the smart grid. IEEE Trans. Smart Grid 2012, 3, 1437–1443. [Google Scholar] [CrossRef]
- Bartoli, A.; Hernandez-Serrano, J.; Soriano, M.; Dohler, M.; Kountouris, A.; Barthel, D. Secure lossless aggregation for smart grid M2M networks. In Proceedings of the 2010 First IEEE International Conference on Smart Grid Communications, Gaithersburg, MD, USA, 4–6 October 2010; pp. 333–338. [Google Scholar]
- Maharjan, S.; Zhu, Q.; Zhang, Y.; Gjessing, S.; Basar, T. Dependable demand response management in the smart grid: A Stackelberg game approach. IEEE Trans. Smart Grid 2013, 4, 120–132. [Google Scholar] [CrossRef]
- Parvania, M.; Fotuhi-Firuzabad, M. Demand response scheduling by stochastic SCUC. IEEE Trans. Smart Grid 2010, 1, 89–98. [Google Scholar] [CrossRef]
- Deilami, S.; Masoum, A.S.; Moses, P.S.; Masoum, M.A. Real-time coordination of plug-in electric vehicle charging in smart grids to minimize power losses and improve voltage profile. IEEE Trans. Smart Grid 2011, 2, 456–467. [Google Scholar] [CrossRef]
- Carryl, C.; Ilyas, M.; Mahgoub, I.; Rathod, M. The PEV security challenges to the smart grid: Analysis of threats and mitigation strategies. In Proceedings of the 2013 International Conference on Connected Vehicles and Expo (ICCVE), Las Vegas, NV, USA, 2–6 December 2013; pp. 300–305. [Google Scholar]
- Liu, J.; Xiao, Y.; Li, S.; Liang, W.; Chen, C.P. Cyber security and privacy issues in smart grids. IEEE Commun. Surv. Tutor. 2012, 14, 981–997. [Google Scholar] [CrossRef]
- Liu, N.; Chen, J.; Zhu, L.; Zhang, J.; He, Y. A key management scheme for secure communications of advanced metering infrastructure in smart grid. IEEE Trans. Ind. Electron. 2012, 60, 4746–4756. [Google Scholar] [CrossRef]
- Qi, J.; Hahn, A.; Lu, X.; Wang, J.; Liu, C.C. Cybersecurity for distributed energy resources and smart inverters. IET Cyber-Phys. Syst. Theory Appl. 2016, 1, 28–39. [Google Scholar] [CrossRef] [Green Version]
- Srikantha, P.; Kundur, D. A DER attack-mitigation differential game for smart grid security analysis. IEEE Trans. Smart Grid 2015, 7, 1476–1485. [Google Scholar] [CrossRef]
- Lu, R.; Liang, X.; Li, X.; Lin, X.; Shen, X. EPPA: An efficient and privacy-preserving aggregation scheme for secure smart grid communications. IEEE Trans. Parallel Distrib. Syst. 2012, 23, 1621–1631. [Google Scholar]
- Radoglou–Grammatikis, P.I.; Sarigiannidis, P.G. Securing the smart grid: A comprehensive compilation of intrusion detection and prevention systems. IEEE Access 2019, 7, 46595–46620. [Google Scholar] [CrossRef]
- Goodman, S. Alliance Commission on National Energy Efficiency Policy. Available online: https://www.ase.org/history-energy-efficiency-alliance-commission-national-energy-efficiency-policy (accessed on 17 May 2020).
- Cook, K. Trust in Society. In Russell Sage Foundation Series on Trust, New York; Publisher is Russell Sage: New York, NY, USA, 2003; Volume 2, p. 432. [Google Scholar]
- Gambetta, D. Can we trust trust. Trust. Mak. Break. Coop. Relat. 2000, 13, 213–237. [Google Scholar]
- Marsh, S.P. Formalising trust as a computational concept. In STORRE: Stirling Online Research Repository; University of Stirling: Stirling, UK, 1994. [Google Scholar]
- Joint Task Force Transformation Initiative. SP 800-39. Managing Information Security Risk: Organization, Mission, and Information System View; NIST: Scotts Valley, CA, USA, 2011.
- Altaf, A.; Abbas, H.; Iqbal, F.; Derhab, A. Trust models of internet of smart things: A survey, open issues, and future directions. J. Netw. Comput. Appl. 2019, 137, 93–111. [Google Scholar] [CrossRef]
- Fung, C.J.; Zhang, J.; Aib, I.; Boutaba, R. Dirichlet-based trust management for effective collaborative intrusion detection networks. IEEE Trans. Netw. Serv. Manag. 2011, 8, 79–91. [Google Scholar] [CrossRef]
- Cheng, X.; Li, T. A credibility measurement method of smart grid data. In Proceedings of the 2016 IEEE Advanced Information Management, Communicates, Electronic and Automation Control Conference (IMCEC), Xi’an, China, 3–5 October 2016; pp. 1231–1235. [Google Scholar]
- Velusamy, D.; Pugalendhi, G.; Ramasamy, K. A Cross-Layer Trust Evaluation Protocol for Secured Routing in Communication Network of Smart Grid. IEEE J. Sel. Areas Commun. 2019, 38, 193–204. [Google Scholar] [CrossRef]
- Velusamy, D.; Pugalendhi, G. Water Cycle Algorithm Tuned Fuzzy Expert System for Trusted Routing in Smart Grid Communication Network. IEEE Trans. Fuzzy Syst. 2020, 28, 1167–1177. [Google Scholar] [CrossRef]
- Alnasser, A.; Sun, H. A fuzzy logic trust model for secure routing in smart grid networks. IEEE Access 2017, 5, 17896–17903. [Google Scholar] [CrossRef] [Green Version]
- Xiang, M.; Bai, Q.; Liu, W. Self-adjustable trust-based energy efficient routing for smart grid systems. In Proceedings of the 2012 IEEE/WIC/ACM International Conferences on Web Intelligence and Intelligent Agent Technology, Macau, China, 4–7 December 2012; Volume 3, pp. 378–382. [Google Scholar]
- Xiang, M.; Liu, W.; Bai, Q. Trust-based geographical routing for smart grid communication networks. In Proceedings of the 2012 IEEE Third International Conference on Smart Grid Communications (SmartGridComm), Tainan, Taiwan, 5–8 November 2012; pp. 704–709. [Google Scholar]
- Xiang, M.; Liu, W.; Bai, Q. TIGER: A trust-based intelligent geographical energy-aware routing for smart grid communication networks. In Proceedings of the 2013 12th IEEE International Conference on Trust, Security and Privacy in Computing and Communications, Melbourne, Australia, 16–18 July 2013; pp. 65–72. [Google Scholar]
- Bello, A.; Liu, W.; Bai, Q.; Narayanan, A. Revealing the role of topological transitivity in efficient trust and reputation system in smart metering network. In Proceedings of the 2015 IEEE International Conference on Data Science and Data Intensive Systems, Sydney, Australia, 11–13 December 2015; pp. 337–342. [Google Scholar]
- Bello, A.; Liu, W.; Bai, Q.; Narayanan, A. Exploring the role of structural similarity in securing smart metering infrastructure. In Proceedings of the 2015 IEEE International Conference on Data Science and Data Intensive Systems, Sydney, Australia, 11–13 December 2015; pp. 343–349. [Google Scholar]
- Reza, S.S.; Mahbub, T.N.; Islam, M.M.; Arifeen, M.M.; Remu, S.R.H.; Hossain, D.A. Assuring Cyber Security in Smart Grid Networks by Fuzzy-logic based Trust Management Model. In Proceedings of the 2019 IEEE International Conference on Robotics, Automation, Artificial-intelligence and Internet-of-Things (RAAICON), Dhaka, Bangladesh, 29 November–1 December 2019; pp. 1–4. [Google Scholar]
- Pliatsios, D.; Sarigiannidis, P.; Efstathopoulos, G.; Sarigiannidis, A.; Tsiakalos, A. Trust Management in Smart Grid: A Markov Trust Model. In Proceedings of the 2020 9th International Conference on Modern Circuits and Systems Technologies (MOCAST), Bremen, Germany, 7–9 September 2020; pp. 1–4. [Google Scholar]
- Pradhan, O.; Awan, M.; Newman, K.; Barnes, F. Trust and reputation approach to smart grid security. In Proceedings of the 2011 4th IEEE International Symposium on Resilient Control Systems, Boise, ID, USA, 9–11 August 2011; pp. 101–104. [Google Scholar]
- Fadul, J.; Hopkinson, K.; Andel, T.; Kurkowski, S.; Moore, J. Simple trust protocol for wired and wireless SCADA networks. In Proceedings of the International Conference on Cyber Warfare and Security, Dayton, OH, USA, 8–9 April 2010; Academic Conferences International Limited: Reading, UK, 2010; p. 89. [Google Scholar]
- Fadul, J.E.; Hopkinson, K.M.; Andel, T.R.; Sheffield, C.A. A trust-management toolkit for smart-grid protection systems. IEEE Trans. Power Deliv. 2013, 29, 1768–1779. [Google Scholar] [CrossRef]
- Shipman, C.M.; Hopkinson, K.M.; Lopez, J. Con-resistant trust for improved reliability in a smart-grid special protection system. IEEE Trans. Power Deliv. 2014, 30, 455–462. [Google Scholar] [CrossRef]
- Zhang, Y.; Sun, W.; Wang, L. Location and communication routing optimization of trust nodes in smart grid network infrastructure. In Proceedings of the 2012 IEEE Power and Energy Society General Meeting, San Diego, CA, USA, 22–26 July 2012; pp. 1–8. [Google Scholar]
- Zhang, Y.; Sun, W.; Wang, L. Efficient trust node aware routing in ZigBee communication network of smart grid. In Proceedings of the 2012 10th International Power & Energy Conference (IPEC), Ho Chi Minh City, Vietnam, 12–14 December 2012; pp. 321–326. [Google Scholar]
- Zhang, Y.; Sun, W.; Wang, L. Placement of primary-secondary trust nodes in smart grid communication network. In Proceedings of the 2013 IEEE Power & Energy Society General Meeting, Vancouver, BC, Canada, 21–25 July 2013; pp. 1–5. [Google Scholar]
- Zhang, Y.; Sun, W.; Wang, L. Fault-tolerant optimal routing of trust nodes in smart grid communications. In Proceedings of the 2012 IEEE International Conference on Cyber Technology in Automation, Control, and Intelligent Systems (CYBER), Bangkok, Thailand, 27–31 May 2012; pp. 281–286. [Google Scholar]
- Zhang, Y.; Wang, L.; Sun, W. Trust system design optimization in smart grid network infrastructure. IEEE Trans. Smart Grid 2013, 4, 184–195. [Google Scholar] [CrossRef]
- Hasan, M.M.; Mouftah, H.T. Optimization of trust node assignment for securing routes in smart grid SCADA networks. IEEE Syst. J. 2018, 13, 1505–1513. [Google Scholar] [CrossRef]
- McDonald, J.D. Electric Power Substations Engineering; CRC Press: Boca Raton, FL, USA, 2016. [Google Scholar]
- Hauser, C.H.; Bakken, D.E.; Dionysiou, I.; Gjermundrod, K.H.; Irava, V.; Helkey, J.; Bose, A. Security, trust, and QoS in next-generation control and communication for large power systems. Int. J. Crit. Infrastruct. 2008, 4, 3–16. [Google Scholar] [CrossRef]
- Singh, N.K.; Mahajan, V. Cyber Attack Detection In Smart Grid Substation Using Virtual Range Increment Furthermore, Trust Weight. In Proceedings of the 2019 8th International Conference on Power Systems (ICPS), Jaipur, India, 20–22 December 2019; pp. 1–6. [Google Scholar]
- Singh, N.K.; Mahajan, V. Detection of cyber cascade failure in smart grid substation using advance grey wolf optimization. J. Interdiscip. Math. 2020, 23, 69–79. [Google Scholar] [CrossRef]
- Obert, J.; Chavez, A.; Johnson, J. Behavioral based trust metrics and the smart grid. In Proceedings of the 2018 17th IEEE International Conference on Trust, Security and Privacy in Computing and Communications/12th IEEE International Conference on Big Data Science and Engineering (TrustCom/BigDataSE), New York, NY, USA, 1–3 August 2018; pp. 1490–1493. [Google Scholar]
- Obert, J.; Chavez, A. Graph-Based Event Classification in Grid Security Gateways. In Proceedings of the 2019 Second International Conference on Artificial Intelligence for Industries (AI4I), Laguna Hills, CA, USA, 25–27 September 2019; pp. 63–66. [Google Scholar]
- Nasr, P.M.; Yazdian-Varjani, A. Toward operator access management in SCADA system: Deontological threat mitigation. IEEE Trans. Ind. Inform. 2017, 14, 3314–3324. [Google Scholar] [CrossRef]
- Rashid, M.T.A.; Yussof, S.; Yusoff, Y. Trust system architecture for securing GOOSE communication in IEC 61850 substation network. Int. J. Secur. Its Appl. 2016, 10, 289–302. [Google Scholar] [CrossRef]
- Bellifemine, F.L.; Caire, G.; Greenwood, D. Developing Multi-Agent Systems with JADE; John Wiley & Sons: Hoboken, NJ, USA, 2007; Volume 7. [Google Scholar]
- Kuzin, A.Y.; Demidova, G.L.; Lukichev, D.V. An Approach of the JADE and Simulink Interaction to Control Smart Grid Based on the Multi Agent System. In Proceedings of the 2019 IEEE Conference of Russian Young Researchers in Electrical and Electronic Engineering (EIConRus), Saint Petersburg and Moscow, Russia, 28–31 January 2019; pp. 574–577. [Google Scholar]
- Maaroufi, M.; Ouassaid, M. Demand side management in smart grid by multi-agent systems technology. In Proceedings of the 2014 International Conference on Multimedia Computing and Systems (ICMCS), Marrakesh, Morocco, 14–16 April 2014; pp. 1042–1045. [Google Scholar]
- Garrab, A.; Bouallegue, A.; Bouallegue, R. Multi-Agent modeling of a meters network used in Smart Grid. In Proceedings of the 2014 World Congress on Computer Applications and Information Systems (WCCAIS), Hammamet, Tunisia, 17–19 January 2014; pp. 1–5. [Google Scholar]
- Kim, B.; Lavrova, O. Optimal power flow and energy-sharing among multi-agent smart buildings in the smart grid. In Proceedings of the 2013 IEEE Energytech, Cleveland, OH, USA, 21–23 May 2013; pp. 1–5. [Google Scholar]
- Dong, L.; Li, Y.; Liu, K.; Pu, T.; Liu, G. Research on smart grid simulation framework based on distributed intelligent system. In Proceedings of the 2014 International Conference on Power System Technology, Chengdu, China, 20–22 October 2014; pp. 1969–1974. [Google Scholar]
- JAVA Agent DEvelopment Framework. Available online: https://jade.tilab.com/ (accessed on 23 March 2020).
- Kantamneni, A.; Brown, L.E.; Parker, G.; Weaver, W.W. Survey of multi-agent systems for microgrid control. Eng. Appl. Artif. Intell. 2015, 45, 192–203. [Google Scholar] [CrossRef]
- Bellifemine, F.; Caire, G.; Poggi, A.; Rimassa, G. JADE: A software framework for developing multi-agent applications. Lessons learned. Inf. Softw. Technol. 2008, 50, 10–21. [Google Scholar] [CrossRef]
- Volttron|Devices|Data|Decisions. Available online: https://volttron.org/ (accessed on 4 March 2021).
- Welcome to the Aglets Web Site. Available online: http://aglets.sourceforge.net/ (accessed on 4 March 2021).
- AOS Group: Products. Available online: https://aosgrp.com/products/jack/ (accessed on 2 March 2021).
- Shakshuki, E.; Jun, Y. Multi-agent development toolkits: An evaluation. In Proceedings of the International Conference on Industrial, Engineering and Other Applications of Applied Intelligent Systems, Ottawa, ON, Canada, 17–20 May 2004; Springer: Berlin/Heidelberg, Germany, 2004; pp. 209–218. [Google Scholar]
- Zhao, X.; Hu, G.; Wu, Z. The Smart grid scheduling based on contract net protocol with trust model. In Proceedings of the 2014 IEEE/ACIS 13th International Conference on Computer and Information Science (ICIS), Taiyuan, China, 4–6 June 2014; pp. 419–424. [Google Scholar]
- Smith, R.G. The contract net protocol: High-level communication and control in a distributed problem solver. IEEE Trans. Comput. 1980, 29, 1104–1113. [Google Scholar] [CrossRef]
- Alavikia, Z.; Mozayani, N.; Shahbazi, J.; Alavikia, F. Utilizing an Agent Based Negotiation Mechanism to Defend Against Jamming Attack in Smart Grid Power Market. In Proceedings of the 2018 9th International Symposium on Telecommunications (IST), Tehran, Iran, 17–19 December 2018; pp. 45–52. [Google Scholar]
- Conejo, A.J.; Castillo, E.; Mínguez, R.; Milano, F. Locational marginal price sensitivities. IEEE Trans. Power Syst. 2005, 20, 2026–2033. [Google Scholar] [CrossRef]
- Li, F.; Bo, R. Small test systems for power system economic studies. In Proceedings of the IEEE PES General Meeting, Minneapolis, MN, USA, 25–29 July 2010; pp. 1–4. [Google Scholar]
- Pereira, A.; Rodrigues, N.; Barbosa, J.; Leitão, P. Trust and risk management towards resilient large-scale cyber-physical systems. In Proceedings of the 2013 IEEE International Symposium on Industrial Electronics, Taipei, Taiwan, 28–31 May 2013; pp. 1–6. [Google Scholar]
- Chassin, D.P.; Schneider, K.; Gerkensmeyer, C. GridLAB-D: An open-source power systems modeling and simulation environment. In Proceedings of the 2008 IEEE/PES Transmission and Distribution Conference and Exposition, Chicago, IL, USA, 21–24 April 2008; pp. 1–5. [Google Scholar]
- Cintuglu, M.H.; Ishchenko, D. Secure Distributed State Estimation for Networked Microgrids. IEEE Internet Things J. 2019, 6, 8046–8055. [Google Scholar] [CrossRef]
- Matei, I.; Baras, J.S.; Srinivasan, V. Trust-based multi-agent filtering for increased smart grid security. In Proceedings of the 2012 20th Mediterranean Conference on Control & Automation (MED), Barcelona, Spain, 3–6 July 2012; pp. 716–721. [Google Scholar]
- Cunningham, C.; Roque, A. Adapting an agent-based model of socio-technical systems to analyze security failures. In Proceedings of the 2017 IEEE International Symposium on Technologies for Homeland Security (HST), Waltham, MA, USA, 25–26 April 2017; pp. 1–7. [Google Scholar]
- Minkel, J. The 2003 Northeast Blackout–Five Years Later. Sci. Am. 2008, 13, 1–3. [Google Scholar]
- Hussain, S.; Honeth, N.; Gustavsson, R.; Sandels, C.; Saleem, A. Trustworthy injection/curtailment of DER in distribution network maintaining quality of service. In Proceedings of the 2011 16th International Conference on Intelligent System Applications to Power Systems, Hersonissos, Greece, 25–28 September 2011; pp. 1–6. [Google Scholar]
- AOS Group|Products. Available online: https://www.aosgrp.com/products/jack/ (accessed on 2 March 2021).
- Borowski, J.F.; Hopkinson, K.M.; Humphries, J.W.; Borghetti, B.J. Reputation-based trust for a cooperative agent-based backup protection scheme. IEEE Trans. Smart Grid 2011, 2, 287–301. [Google Scholar] [CrossRef]
- Chen, Q.; Schmidt-Eisenlohr, F.; Jiang, D.; Torrent-Moreno, M.; Delgrossi, L.; Hartenstein, H. Overhaul of IEEE 802.11 modeling and simulation in ns-2. In Proceedings of the 10th ACM Symposium on Modeling, Analysis, and Simulation of Wireless and Mobile Systems, Chania Crete Island, Greece, 22–26 October 2007; pp. 159–168. [Google Scholar]
- Hopkinson, K.; Wang, X.; Giovanini, R.; Thorp, J.; Birman, K.; Coury, D. EPOCHS: A platform for agent-based electric power and communication simulation built from commercial off-the-shelf components. IEEE Trans. Power Syst. 2006, 21, 548–558. [Google Scholar] [CrossRef]
- Anaya-Lara, O.; Acha, E. Modeling and analysis of custom power systems by PSCAD/EMTDC. IEEE Trans. Power Deliv. 2002, 17, 266–272. [Google Scholar] [CrossRef]
- Blangenois, J.; Guemkam, G.; Feltus, C.; Khadraoui, D. Organizational security architecture for critical infrastructure. In Proceedings of the 2013 International Conference on Availability, Reliability and Security, Regensburg, Germany, 2–6 September 2013; pp. 316–323. [Google Scholar]
- Guemkam, G.; Blangenois, J.; Feltus, C.; Khadraoui, D. Metamodel for reputation based agents system: Case study for electrical distribution SCADA design. In Proceedings of the 6th International Conference on Security of Information and Networks, Aksaray, Turkey, 26–28 November 2013; pp. 251–255. [Google Scholar]
- Cho, J.H.; Chan, K.; Adali, S. A survey on trust modeling. ACM Comput. Surv. (CSUR) 2015, 48, 1–40. [Google Scholar] [CrossRef]
- Yonelinas, A.P. The nature of recollection and familiarity: A review of 30 years of research. J. Mem. Lang. 2002, 46, 441–517. [Google Scholar] [CrossRef] [Green Version]
- Zhan, C.; Li, W.; Ogunbona, P. Measuring the degree of face familiarity based on extended NMF. ACM Trans. Appl. Percept. (TAP) 2013, 10, 1–22. [Google Scholar] [CrossRef]
- Tonkoski, R.; Lopes, L.A.C.; El-Fouly, T.H.M. Coordinated Active Power Curtailment of Grid Connected PV Inverters for Overvoltage Prevention. IEEE Trans. Sustain. Energy 2011, 2, 139–147. [Google Scholar] [CrossRef]
- Boakye-Boateng, K.; Ghorbani, A.A.; Lashkari, A.H. RiskISM: A Risk Assessment Tool for Substations. In Proceedings of the 2021 IEEE 9th International Conference on Smart City and Informatization (iSCI), Shenyang, China, 20–22 October 2021; pp. 23–30. [Google Scholar] [CrossRef]
- Single Line Diagrams Of Substations 66/11 kV and 11/0.4 kV: EEP. Available online: https://electrical-engineering-portal.com/single-line-diagrams-substations (accessed on 12 January 2021).
- Kim, B.K.; Kang, Y. Abnormal traffic detection mechanism for protecting IIoT environments. In Proceedings of the 2018 International Conference on Information and Communication Technology Convergence (ICTC), Jeju Island, Korea, 17–19 October 2018; pp. 943–945. [Google Scholar]
- Case, D.U. Analysis of the cyber attack on the Ukrainian power grid. Electr. Inf. Shar. Anal. Cent. (E-ISAC) 2016, 388, 1–29. [Google Scholar]
- Nelson, N. The Impact of Dragonfly Malware on inDustrial Control Systems. SANS Institute: Rockville, MD, USA, 2016. [Google Scholar]
- North American Protective Relay Marketplace. Available online: http://www.newton-evans.com/north-american-protective-relay-marketplace-new-report-now-available/ (accessed on 13 January 2021).
- Modbus Organization. MODBUS Messaging on TCP/IP Implementation Guide: V1.0b. Available online: https://www.modbus.org/docs/Modbus_Messaging_Implementation_Guide_V1_0b.pdf (accessed on 23 June 2021).
- Modbus Organization. Modbus Application Protocol Specification V1.1b. Available online: https://modbus.org/docs/Modbus_Application_Protocol_V1_1b3.pdf (accessed on 25 June 2021).
- Tidrea, A.; Korodi, A.; Silea, I. Cryptographic Considerations for Automation and SCADA Systems Using Trusted Platform Modules. Sensors 2019, 19, 4191. [Google Scholar] [CrossRef] [PubMed] [Green Version]
- Lai, Y.; Gao, H.; Liu, J. Vulnerability Mining Method for the Modbus TCP Using an Anti-Sample Fuzzer. Sensors 2020, 20, 2040. [Google Scholar] [CrossRef] [Green Version]
- Siniosoglou, I.; Radoglou–Grammatikis, P.; Efstathopoulos, G.; Fouliras, P.; Sarigiannidis, P. A unified deep learning anomaly detection and classification approach for smart grid environments. IEEE Trans. Netw. Serv. Manag. 2021, 18, 1137–1151. [Google Scholar] [CrossRef]
- Nyasore, O.N.; Zavarsky, P.; Swar, B.; Naiyeju, R.; Dabra, S. Deep packet inspection in industrial automation control system to mitigate attacks exploiting modbus/TCP vulnerabilities. In Proceedings of the 2020 IEEE 6th Intl Conference on Big Data Security on Cloud (BigDataSecurity), IEEE Intl Conference on High Performance and Smart Computing,(HPSC) and IEEE Intl Conference on Intelligent Data and Security (IDS), Baltimore, MD, USA, 25–27 May 2020; pp. 241–245. [Google Scholar]
- Si, Y.; Korada, N.; Ayyanar, R.; Lei, Q. A high performance communication architecture for a smart micro-grid testbed using customized edge intelligent devices (eids) with spi and modbus tcp/ip communication protocols. IEEE Open J. Power Electron. 2021, 2, 2–17. [Google Scholar] [CrossRef]
- González, I.; Calderón, A.J.; Portalo, J.M. Innovative Multi-Layered Architecture for Heterogeneous Automation and Monitoring Systems: Application Case of a Photovoltaic Smart Microgrid. Sustainability 2021, 13, 2234. [Google Scholar] [CrossRef]
- Lemay, A.; Fernandez, J.M. Providing {SCADA} network data sets for intrusion detection research. In Proceedings of the 9th Workshop on Cyber Security Experimentation and Test ({CSET} 16), Austin, TX, USA, 8 August 2016. [Google Scholar]
- Frazão, I.; Abreu, P.H.; Cruz, T.; Araújo, H.; Simões, P. Denial of service attacks: Detecting the frailties of machine learning algorithms in the classification process. In Proceedings of the International Conference on Critical Information Infrastructures Security, Kaunas, Lithuania, 24–26 September 2018; Springer: Berlin/Heidelberg, Germany, 2018; pp. 230–235. [Google Scholar]
- Pcap4J: A Java Library for Capturing, Crafting, and Sending Packets. Available online: Https://github.com/kaitoy/pcap4j (accessed on 31 May 2021).
- Infrastructure, C. Threat Information Sharing Framework. A Reference Guide for the Critical Infrastructure Community. USA Homeland Security. Available online: https://www.cisa.gov/sites/default/files/publications/ci-threat-information-sharing-framework-508.pdf (accessed on 10 January 2022).
- Saharkhizan, M.; Azmoodeh, A.; Dehghantanha, A.; Choo, K.K.R.; Parizi, R.M. An ensemble of deep recurrent neural networks for detecting iot cyber attacks using network traffic. IEEE Internet Things J. 2020, 7, 8852–8859. [Google Scholar] [CrossRef]
- Anthi, E.; Williams, L.; Rhode, M.; Burnap, P.; Wedgbury, A. Adversarial attacks on machine learning cybersecurity defences in Industrial Control Systems. J. Inf. Secur. Appl. 2021, 58, 102717. [Google Scholar] [CrossRef]
- Ayodeji, A.; Liu, Y.k.; Chao, N.; Yang, L.q. A new perspective towards the development of robust data-driven intrusion detection for industrial control systems. Nucl. Eng. Technol. 2020, 52, 2687–2698. [Google Scholar] [CrossRef]
Publisher’s Note: MDPI stays neutral with regard to jurisdictional claims in published maps and institutional affiliations. |
© 2022 by the authors. Licensee MDPI, Basel, Switzerland. This article is an open access article distributed under the terms and conditions of the Creative Commons Attribution (CC BY) license (https://creativecommons.org/licenses/by/4.0/).




































