Energy-Efficient Ternary Multipliers Using CNT Transistors
Abstract
1. Introduction
2. Carbon Nanotube Field-Effect Transistor (CNFET)
3. Proposed Work
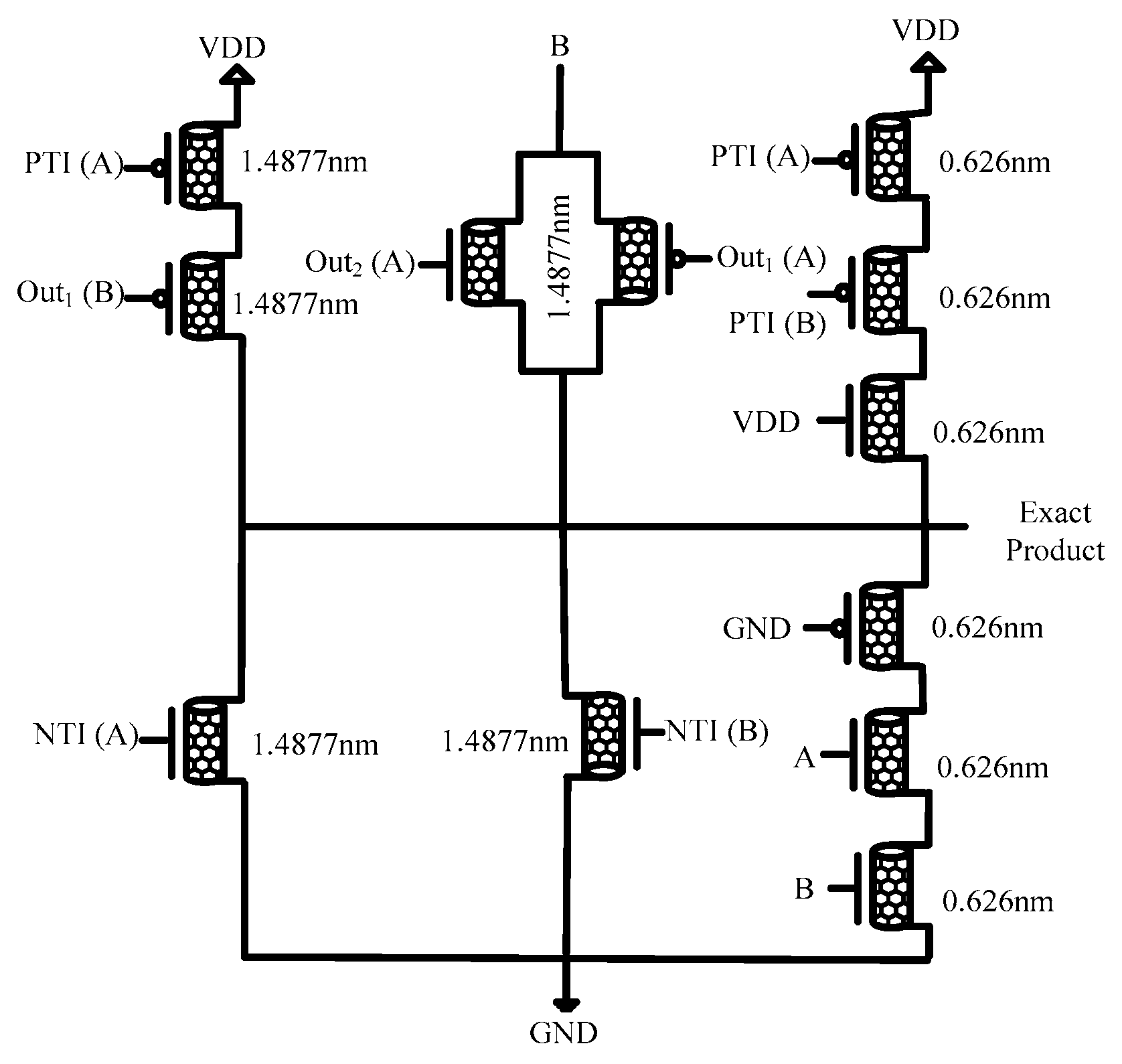
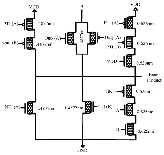
3.1. The Proposed Exact Design
3.2. The Proposed Inexact Designs
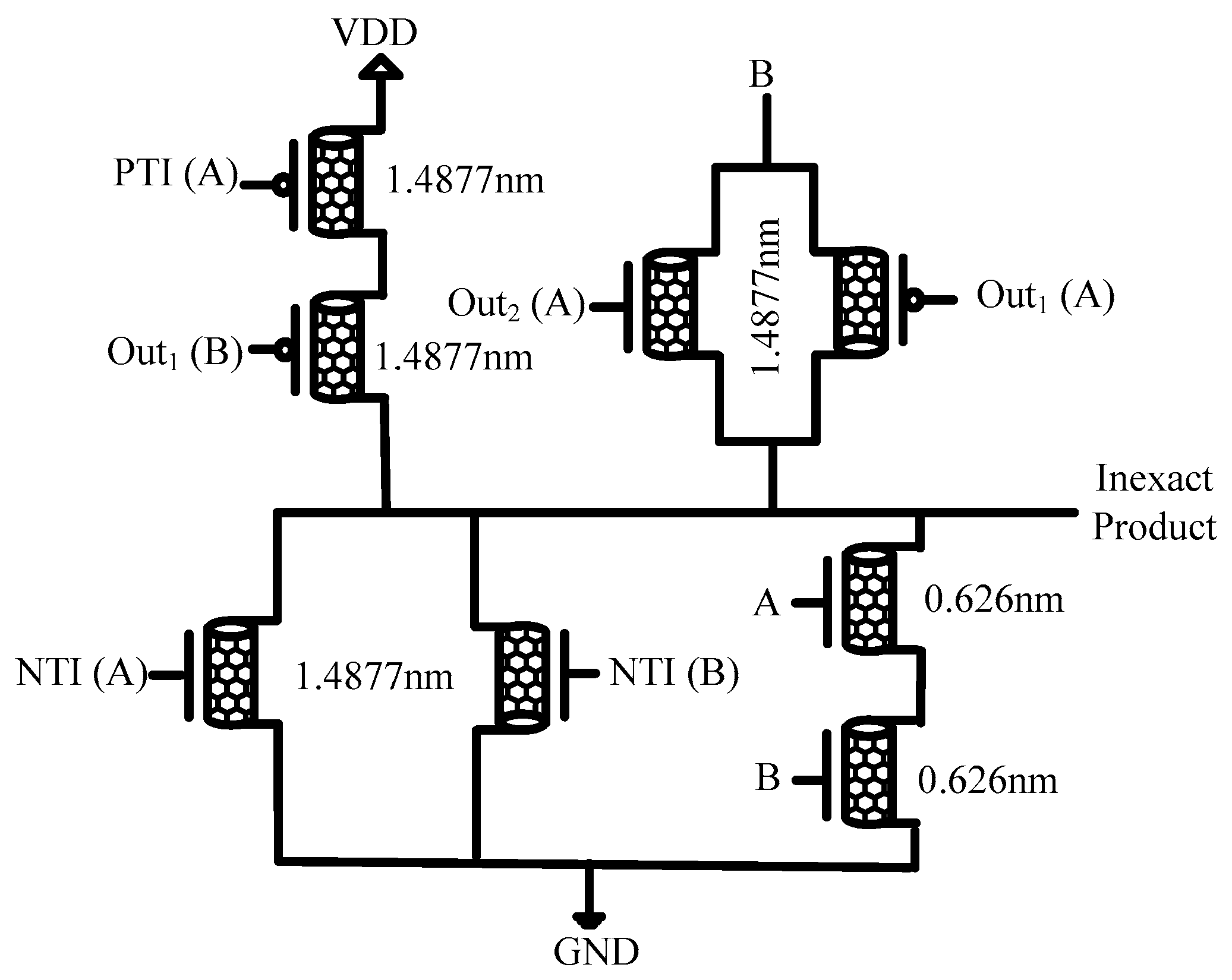
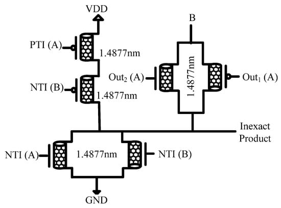
3.2.1. First Inexact Design
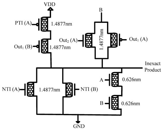
3.2.2. Second Inexact Design
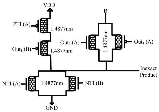
3.2.3. Third Inexact Design
3.2.4. Fourth Inexact Design
3.2.5. Fifth Inexact Design
4. Simulation Results
5. Applications
6. Conclusions
Author Contributions
Funding
Conflicts of Interest
References
- Kish, L.B. End of Moor’s law: Thermal noise death of integration in micro and nanoelectronics. Phys. Lett. A 2002, 305, 144–149. [Google Scholar] [CrossRef]
- Chen, J.K.; Akeyoshi, T.; Maezawa, K. Monostable-bistable transition logic elements (MOBILEs) based on monolithic integration of resonant tunneling diodes and FETs. Jpn. J. Appl. Phys. 1995, 34, 1199. [Google Scholar] [CrossRef]
- Hadley, P.; Lientschnig, G.; Lai, M.-J. Single-electron transistors. Conf. Ser. Inst. Phys. 1999, 174, 125–132. [Google Scholar]
- Tahoori, M.B.; Huang, J.; Momenzadeh, M.; Lombardi, F. Testing of quantum cellular automata. IEEE Trans. Nanotechnol. 2004, 3, 432–442. [Google Scholar] [CrossRef]
- Shahrom, E.; Hosseini, S.A. A new low power multiplexer based ternary multiplier using CNTFETs. AEU Int. J. Electron. Commun. 2018, 93, 191–207. [Google Scholar] [CrossRef]
- Ding, L.; Zhang, Z.; Liang, S.; Pei, T.; Wang, S.; Li, Y.; Zhou, W.; Liu, J.; Peng, L.M. CMOS-based carbon nanotube pass transistor logic integrated circuits. Nat. Commun. 2012, 3, 1–7. [Google Scholar] [CrossRef]
- Tabrizchi, S.; Sharifi, F.; Badawy, A.-H.; Saifullah, Z. Enabling energy-efficient ternary logic gates using CNFETs. In Proceedings of the 2017 IEEE 17th International Conference on Nanotechnology (IEEE-NANO), Pittsburgh, PA, USA, 25–28 July 2017; pp. 542–547. [Google Scholar]
- Firouzi, S.; Tabrizchi, S.; Sharifi, F.; Badawy, A.H. High performance, variation-tolerant CNFET ternary full adder a process, voltage, and temperature variation-resilient design. Comput. Electr. Eng. 2019, 77, 205–216. [Google Scholar] [CrossRef]
- Smith, K.C. A multiple valued logic: A tutorial and appreciation. Computer 1988, 4, 17–27. [Google Scholar] [CrossRef]
- Hurst, S.L. Multiple-valued logic—Its status and future. IEEE Trans. Comput. 1984, 33, 1160–1179. [Google Scholar] [CrossRef]
- Hayes, B. Third base. Am. Sci. 2001, 89, 490–494. [Google Scholar] [CrossRef]
- Sharifi, F.; Saifullah, Z.; Badawy, A.-H. Design of adiabatic MTJ-CMOS hybrid circuits. In Proceedings of the 2017 IEEE 60th International Midwest Symposium on Circuits and Systems (MWSCAS), Boston, MA, USA, 6–9 August 2017; pp. 715–718. [Google Scholar]
- Han, J.; Orshansky, M. Approximate computing: An emerging paradigm for energy-efficient design. In Proceedings of the 18th IEEE European Test Symposium (ETS), Avignon, France, 27–30 May 2013; pp. 1–6. [Google Scholar]
- Lemme, M.C.; Echtermeyer, T.J.; Baus, M.; Kurz, H. A graphene field effect device. IEEE Electron Device Lett. 2007, 28, 282–284. [Google Scholar] [CrossRef]
- Martel, R.; Schmidt, T.; Shea, H.R.; Hertel, T.; Avouris, P. Single-and multi-wall carbon nanotube field-effect transistors. Appl. Phys. Lett. 1998, 73, 2447–2449. [Google Scholar] [CrossRef]
- Bachtold, A.; Hadley, P.; Nakanishi, T.; Dekker, C. Logic circuits with carbon nanotube transistors. Science 2001, 294, 1317–1320. [Google Scholar] [CrossRef]
- Sharifi, F.; Moaiyeri, M.H.; Navi, K.; Bagherzadeh, N. Robust and energy-efficient carbon nanotube FET-based MVL gates: A novel design approach. Microelectron. J. 2015, 46, 1333–1342. [Google Scholar] [CrossRef]
- O’Connor, I.; Liu, J.; Gaffiot, F.; Prégaldiny, F.; Lallement, C.; Maneux, C.; Goguet, J.; Frégonèse, S.; Zimmer, T.; Anghel, L.; et al. CNTFET modeling and reconfigurable logic-circuit design. IEEE Trans. Circuits Syst. I Regul. Pap. 2007, 54, 2365–2379. [Google Scholar] [CrossRef]
- Qin, L.-C. Determination of the chiral indices (n, m) of carbon nanotubes by electron diffraction. Phys. Chem. Chem. Phys. 2007, 9, 31–48. [Google Scholar] [CrossRef] [PubMed]
- Bok, K.Y.; Kim, Y.B.; Lombardi, F. Novel design methodology to optimize the speed and power of the CNTFET circuits. In Proceedings of the IEEE International Midwest Symp on Circuits and Systems, Cancun, Mexico, 2–5 August 2009; pp. 1130–1133. [Google Scholar]
- Tabrizchi, S.; Taheri, M.; Navi, K.; Bagherzadeh, N. Novel CNFET ternary circuit techniques for high-performance and energy-efficient design. IET Circuits Devices Syst. 2018, 13, 193–202. [Google Scholar] [CrossRef]
- Deng, J. Device Modeling and Circuit Performance Evaluation for Nanoscale Devices: Silicon Technology Beyond 45 nm Node and Carbon Nanotube Field-Effect Transistors. Ph.D. Thesis, Stanford University, Stanford, CA, USA, 2007. [Google Scholar]
- Deng, J.; Wong, H.-S.P. A compact SPICE model for carbon-nanotube field-effect transistors including non-idealities and its application-part I: Model of the intrinsic channel region. IEEE Trans. Electron Devices 2007, 54, 3186–3194. [Google Scholar] [CrossRef]
- Deng, J.; Wong, H.-S.P. A compact SPICE model for carbon-nanotube field-effect transistors including non-idealities and its application-part II: Full device model and circuit performance benchmarking. IEEE Trans. Electron Devices 2007, 54, 3195–3205. [Google Scholar] [CrossRef]
- Daraei, A.; Hosseini, S.A. Novel Energy-Efficient and High-Noise Margin Quaternary Circuits in Nanoelectronics. AEU Int. J. Electron. Commun. 2019, 105, 145–162. [Google Scholar] [CrossRef]
- Moaiyeri, M.H.; Dosstaregan, A.; Navi, K. Design of energy-efficient and robust ternary circuits for nanotechnology. IET Circuits Devices Syst. 2011, 5, 285–296. [Google Scholar] [CrossRef]
- Lin, S.; Kim, Y.-B.; Lombardi, F. CNTFET-based design of ternary logic gates and arithmetic circuits. IEEE Trans. Nanotechnol. 2011, 10, 217–225. [Google Scholar] [CrossRef]
- Mehrabani, Y.S.; Mirzaee, R.F.; Zareei, Z.; Daryabari, S.M. A novel high-speed, low-power CNTFET-based inexact full adder cell for image processing application of motion detector. J. Circuits Syst. Comput. 2017, 26, 1750082. [Google Scholar] [CrossRef]
- Paul, B.C.; Fujita, S.; Okajima, M.; Lee, T.H.; Wong, H.-P.; Nishi, Y. Impact of a process variation on nanowire and nanotube device performance. IEEE Trans. Electron Devices. 2007, 54, 2369–2376. [Google Scholar] [CrossRef]
- Venkatesan, R.; Agarwal, A.; Roy, K.; Raghunathan, A. MACACO: Modeling and analysis of circuits for approximate computing. In Proceedings of the International Conference on Computer-Aided Design, San Jose, CA, USA, 7–10 November 2011; IEEE: New York, NY, USA, 2011; pp. 667–673. [Google Scholar]
- Momeni, A.; Han, J.; Montuschi, P.; Lombardi, F. Design and analysis of approximate compressors for multiplication. IEEE Trans. Comput. 2015, 64, 984–994. [Google Scholar] [CrossRef]
- Akbari, O.; Kamal, M.; Afzali-Kusha, A.; Pedram, M. Dual-quality 4: 2 compressors for utilizing in dynamic accuracy configurable multipliers. IEEE Trans. Very Large Scale Integr. (VLSI) Syst. 2017, 25, 1352–1361. [Google Scholar] [CrossRef]
- Liang, J.; Han, J.; Lombardi, F. New metrics for the reliability of approximate and probabilistic adders. IEEE Trans. Comput. 2013, 62, 1760–1771. [Google Scholar] [CrossRef]
- Kumar, T.; Verma, K. A theory based on conversion of RGB image to gray image. Int. J. Comput. Appl. 2010, 7, 7–10. [Google Scholar] [CrossRef]
- Aggarwal, D.; Dhindsa, K.S. Effect of embedding watermark on compression of the digital images. J. Comput. 2010, 2, 5–8. [Google Scholar]
















| 0 | 2 | 2 | 2 | 0 |
| 1 | 0 | 2 | 0 | 2 |
| 2 | 0 | 0 | 2 | 0 |
| Inexact 1 | Inexact 2 | Inexact 3 | Inexact 4 | Inexact 5 | |||||||
|---|---|---|---|---|---|---|---|---|---|---|---|
| 0 | 0 | 0 | 0 | 0 | 0 | 0 | 0 | 0 | 0 | 0 | 0 |
| 0 | 1 | 0 | 0 | 0 | 0 | 0 | 0 | 0 | 0 | 0 | 0 |
| 0 | 2 | 0 | 0 | 0 | 0 | 0 | 0 | 0 | 0 | 0 | 0 |
| 1 | 0 | 0 | 0 | 0 | 0 | 0 | 0 | 0 | 0 | 0 | 0 |
| 1 | 1 | 1 | 0 | 1 | 0 | 1 | 0 | 1 | 0 | 1 | 0 |
| 1 | 2 | 2 | 0 | 2 | 0 | 2 | 0 | 2 | 0 | 2 | 0 |
| 2 | 0 | 0 | 0 | 0 | 0 | 0 | 0 | 0 | 0 | 0 | 0 |
| 2 | 1 | 2 | 0 | 2 | 0 | 2 | 0 | 2 | 0 | 2 | 0 |
| 2 | 2 | 0 | 0 | 2 | 0 | 0 | 1 | 2 | 1 | X | 1 |
| Parameter | Description | Value |
|---|---|---|
| Physical channel Length | 32 nm | |
| The mean free path in the intrinsic CNT channel | 100 nm | |
| The length of doped CNT drain-side extension region | 32 nm | |
| The length of doped CNT source-side extension region | 32 nm | |
| The thickness of the high-k top gate dielectric material | 1 nm | |
| The dielectric constant of high-k top gate dielectric material | 16 | |
| The Femi level’s doped S/D tube | 6 eV | |
| The coupling capacitor of the channel region and the substrate | 20 pF/m |
| Delay (ps) | Power (uW) | Energy (aJ) | |
|---|---|---|---|
| Proposed exact design | 42.3 | 4.16 | 17.6 |
| 1st inexact design | 41.4 | 0.92 | 3.8 |
| 2nd inexact design | 41.5 | 0.81 | 3.3 |
| 3rd inexact design | 41.7 | 3.60 | 15 |
| 4th inexact design | 41.2 | 2.03 | 8.3 |
| 5th inexact design | 41.5 | 1.97 | 8.2 |
| Design of [5] | 37.2 | 2.92 | 10.8 |
| Design of [26] | 90.1 | 12.90 | 116 |
| Design of [27] | 83.7 | 18.87 | 158 |
| Transistors | Width (nm) | Width × Energy (e-25mJ) | |
|---|---|---|---|
| Proposed exact design | 26 | 2600 | 442 |
| 1st inexact design | 16 | 1600 | 60.8 |
| 2nd inexact design | 14 | 1400 | 46.2 |
| 3rd inexact design | 22 | 2200 | 330 |
| 4th inexact design | 20 | 2000 | 166 |
| 5th inexact design | 20 | 2000 | 164 |
| Design of [5] | 23 | 2300 | 248 |
| Design of [26] | 80 | 8000 | 9304 |
| Design of [27] | 94 | 9400 | 148,614 |
| NED (× 10−4) | Power (× 10−6 W) | NED × Power (× 10−10) | |
|---|---|---|---|
| 1st inexact design | 4.55 | 3.312 | 15.06 |
| 2nd inexact design | 2.27 | 2.916 | 6.619 |
| 3rd inexact design | 1.13 | 12.96 | 14.64 |
| 4th inexact design | 0.63 | 7.308 | 4.604 |
| 5th inexact design | 0.25 | 7.092 | 1.773 |
| Designs | PSNR (dB) | |
|---|---|---|
| Image Multiplication | RGB to Grayscale | |
| 1st design | (16.43, 19.85, 21.86) | (19.21, 19.21, 19.21) |
| 2nd design | (22.44, 25.85, 27.81) | (25.19, 25.19, 25.19) |
| 3rd design | (28.42, 31.78, 33.63) | (31.04, 31.04, 31.04) |
| 4th design | (28.04, 31.58, 33.31) | (31.17, 31.17, 31.17) |
| 5th design | (31.07, 32.29, 33.50) | (31.81, 31.81, 31.81) |
© 2020 by the authors. Licensee MDPI, Basel, Switzerland. This article is an open access article distributed under the terms and conditions of the Creative Commons Attribution (CC BY) license (http://creativecommons.org/licenses/by/4.0/).
Share and Cite
Tabrizchi, S.; Panahi, A.; Sharifi, F.; Mahmoodi, H.; A. Badawy, A.-H. Energy-Efficient Ternary Multipliers Using CNT Transistors. Electronics 2020, 9, 643. https://doi.org/10.3390/electronics9040643
Tabrizchi S, Panahi A, Sharifi F, Mahmoodi H, A. Badawy A-H. Energy-Efficient Ternary Multipliers Using CNT Transistors. Electronics. 2020; 9(4):643. https://doi.org/10.3390/electronics9040643
Chicago/Turabian StyleTabrizchi, Sepehr, Atiyeh Panahi, Fazel Sharifi, Hamid Mahmoodi, and Abdel-Hameed A. Badawy. 2020. "Energy-Efficient Ternary Multipliers Using CNT Transistors" Electronics 9, no. 4: 643. https://doi.org/10.3390/electronics9040643
APA StyleTabrizchi, S., Panahi, A., Sharifi, F., Mahmoodi, H., & A. Badawy, A.-H. (2020). Energy-Efficient Ternary Multipliers Using CNT Transistors. Electronics, 9(4), 643. https://doi.org/10.3390/electronics9040643

