Abstract
A new modification of an acceleration measurement sensor based on an acoustic waves resonance principle is proposed. Common angular-shaped sensors exhibit stress concentrations at the angular points near the origin points of destruction under external stresses; these points are the “Achilles’ heel” of the entire design. To overcome the above limitation, we suggest an angular-free ring-shaped sensitive element design that is characterized by enhanced robustness against external stress. The analytical treatment is validated by computer simulation results performed using the COMSOL Multiphysics software package. For an appropriate model parameterization, an original experiment has been carried out to estimate the stress-strained robustness of two potential candidates for sensitive console materials. Moreover, characteristics of the proposed sensor design, such as sensitivity threshold and maximum stress, have been obtained from the simulation data. The above results indicate that the proposed concept offers a promising advancement in surface acoustic waves (SAW) based accelerometer devices, and could, therefore, be used for several practical applications in such areas as biomedical and sports wearable devices; vehicular design, including unmanned solutions; and industrial robotics, especially those where high-G forces are expected.
1. Introduction
In recent years, integrated micromechanical solutions based on surface acoustic waves (SAW) resonance principles have attracted broad interest and suggested several potential applications, including biomedical and/or sports wearable devices [1,2]; vehicular designs, [3,4] including UAVs [5]; and temperature sensors [6,7,8]. In the current literature, various aspects of SAW sensor design and its manufacturing technology have been investigated thoroughly. Issues considered in recent literature include the choice of the sensitive element material [6,8,9], and the possibility of passive implementation with a wireless interface [10,11,12]. Acceleration measurements represent a prominent application possibility [13], where the proposed class of solutions has the potential to develop serial devices characterized by enhanced robustness and the implementation of high-G values, as indicated by a series of recent publications [14,15,16,17], including some developments by our research team [18,19].
Examples include recently proposed angular-shaped solutions based on rectangular and triangular shaped consoles [20,21]. However, the angular-shaped sensors exhibit inevitable disadvantages due to the concentration of external stresses; because of these stresses, the angular sensors represent the “Achilles’ heel” of the entire design.
To overcome the above limitation, we suggest an angular-free design based on the ring-shaped sensitive console element. The results presented in this article are obtained by modeling in the COMSOL Multiphysics software package [22].
2. Design Concept and Analytical Treatment
Optimization of the sensitive element (SE) topology plays a key role in the design and future performance of SAW-based inertial sensors. By varying the parameters of inertial masses (IM) and inter-digital transducers (IDT), one can achieve improved measurement accuracy, a simpler sensor design, and the required frequency range. Analytical calculation of the IDT is a complex problem with multiple optimization parameters. Therefore, it is advisable to use computer simulations to optimize the SE by numerical treatment. In addition, achieving the ultimate performance of the sensors is another goal of the design process. Due to the extremely stringent requirements imposed on the SE shock resistance, their experimental evaluation presents considerable challenges, as in some cases a representation of actual extreme conditions can hardly be achieved. The most straightforward solution is again to replace full-scale tests with computer simulations at least in the first approximation.
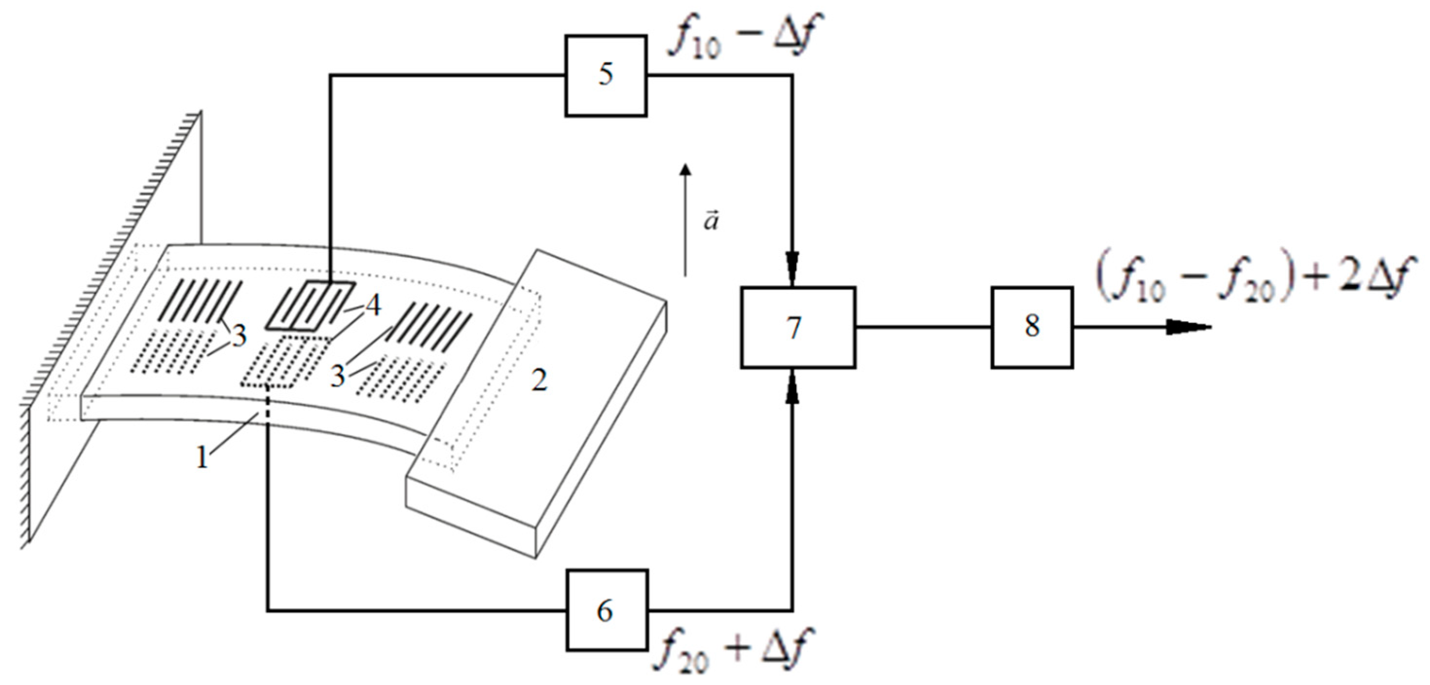
As shown in Figure 1, the pendulum type sensitive micromechanical accelerometer (MMA) consists of a quartz ST-cut console (1), rigidly fixed at one end and loaded with inertial mass (IM) (2) at the other end. On the opposite surfaces of the SE console, reflectors (3) and inter-digital transducers (IDT) (4), each operating at their own frequency, are located. To exclude the mutual synchronization of the two self-excited oscillators (5) and (6), the resonant frequencies of the single-cavity resonators should be sufficiently separated. The output signals of the oscillators (5) and (6) are multiplied by a frequency mixer (7). Application of external acceleration leads to the cantilever bending, such that the SE surfaces experience stress-strained deformations. The differential frequency at the output of the low-band filter (8) is proportional to the acceleration applied.
Figure 1.
The SAW accelerometer structural scheme. Figure adapted from Reference [20].
One of the most important properties that determines the sensitivity of MMAs on SAW is their relative deformation ability. The non-uniform distribution of the relative deformations leads to additional errors. To overcome this limitation, we suggest a ring-shaped sensor design that is rigidly attached along the edge (Figure 2a). Ring-shaped resonators are made from aluminum nitride and located symmetrically on the opposite surfaces of the SE. To increase sensitivity, the plate can be additionally loaded with an external IM (Figure 2b).
Figure 2.
The ring-shaped SE model with a triangle grid (a) and design components (b): 1: fixation scheme; 2: ring-shaped sensitive element console; 3: inertial mass; 4: ring-shaped SAW resonator (another one is located symmetrically below the console).
In the above design (see Figure 2), external acceleration is applied along the Z axis and leads to the deformation of the piezoelectric console (2). This in turn leads to the frequency adjustment of the opposite SAW resonators (4). To increase the sensitivity, inertial mass (3) is optionally applied. Further formation and processing of the output signal is similar to previous designs, as illustrated in Figure 1.
This SE design is suggested both because of its form and because its attachment method overcomes several drawbacks of earlier designs. In particular, the ring-shaped design is capable of withstanding and measuring significantly higher accelerations due to the absence of overstress points that represent the “Achilles’ heel” of the angular design. Moreover, the ring-shaped design provides a uniform distribution of stresses and relative deformations in the SAW-resonator deposition area and reduced error levels due to its lower cross sensitivity.
We analyzed the stress-strained state to assess the strength of the suggested SE design. Symmetric bending fixed around the perimeter and uniformly loaded round plates at the polar coordinates have been used [13]. Figure 3 shows the ring-shaped SE where r is a polar radius аnd is a polar angle, such that the relationship between polar and Cartesian coordinates is expressed by
thus,
Figure 3.
The ring-shaped console design.
The differential equation for the curved console surface of a transversely loaded plate in Cartesian coordinates takes the form
where x, y, z are coordinates of the Cartesian coordinate system, is a deflection of a plate, q is the load intensity, and D is a bending stiffness of the plate.
The differential equation of symmetric bending of the uniformly loaded ring-shaped plate in polar coordinates is given by
To obtain the maximum stress of the plate, one needs to take into account the load distribution, the boundary conditions and integrate the Equation (5) yielding
where R is the plate radius and h is the plate thickness.
Since MMA measures the acceleration the maximum stress can be expressed as
where F is the external force, S is the load area, m is the mass of the plate, a is the applied acceleration, ρ is the material density, and V is the ring-shaped plate volume.
The maximum stress can be finally expressed as
and thus is proportional to the acceleration value a and to the ratio.
3. Model Implementation and Computer Simulations
Figure 4 depicts the maximum stress as a function of the applied acceleration for two different SE materials, namely SiO2 ST-cut and LiNbO3 YX-128°-cut. Each straight line in Figure 4 corresponds to one of particular value of the ratio.
Figure 4.
Analytical evaluation of the ring-shaped sensor characteristics for (a) quartz ST-cut; (b) lithium niobate YX-128°-cut.
To estimate the sensor measurement range and its maximum overload represented by the ultimate strength for the mechanical bending of a ring-shaped console at which a qualitative change in the properties of the material occurs, it is necessary to know the mechanical capabilities of the SE.
The theory of maximum normal stresses is suitable only for the strength analysis of brittle materials and only under certain loading conditions [23]. The condition of bending strength expressed as calculated maximum stress , where is the ultimate strength of material. In this case, a strength test was performed to determine the magnitude of the maximum stresses and then compare them against permissible values. The elements satisfied the strength test conditions once they were able to withstand the maximum stress level at which the allowed deformation had not been exceeded.
In case of a linear stress state, the limiting value of the only principal stress can be determined directly from the experiment. In further analyses we assume that knowledge about the ultimate strength of the material allows one to estimate both the load values and the size of the SE. In order to determine the ultimate strength of the materials, static tests of quartz ST-cut samples and lithium niobate YX-128°-cut samples were conducted.
The fixation of the elements on a test bench replicated the proposed method of fixing the SE in the body of the accelerometer; this process also replicated the fixing scheme for calculating the maximum stress, such that the applied stress simulated the effect of acceleration on the SE.
The experiment was produced with the high-capacity testing system INSTRON-5985 [24]. As a result of the experiment, critical load values leading to the destruction of both quartz ST-cut (F = 555 N) and lithium niobate YX-128°-cut (F = 290.8 N) SEs have been obtained. Since the fixing scheme was non-standard, we next need to calculate the maximum stress of materials.
Table 1 contains the key parameters of the materials that explicitly affect the performance of the experimental setup. The first two parameters, the elastic modulus and the Poisson’s ratio, are tabulated for each material and can be found in the corresponding material science literature. The third parameter is the critical load value that had to be determined in a separate experiment, as described above. The remaining three parameters characterize the geometry of the console design determined with 0.05 mm accuracy.
Table 1.
Parameters of quartz ST-cut and lithium niobate YX-128°-cut for maximum stress calculation.
Next, we calculated the maximum stress σmax values for uniformly loaded plates using the materials parameters from the Table 1.
where is a tensile stress (Pa), is a maximum bending stress (Pa), were obtained graphically for the stress-strain curve. The maximum stress values obtained were = 141.8 MPa and 106.8 MPa for the quartz ST-cut and the lithium niobate YX-128°-cut, accordingly [8,9,13]. These values were used in further mathematical models and computer simulations.
To estimate the distribution of the relative deformations on the opposite sides of the ring-shaped SE, finite element analysis (FEM) was performed. Corresponding models in the COMSOL Multiphysics software package are shown in Figure 5.
Figure 5.
The overview of the manufactured experimental prototype according to the design illustrated in Figure 2.
The dimensions of the plates satisfied the previously chosen ratios (in this paper the next ratio values were considered 25, 100, 200 and 400). All anisotropic properties of the materials were taken into account in the model. Figure 6 shows the placement of the SAW-resonators on the ring-shaped SE. Figure 7 indicates that relative deformations in the case of the ring-shaped SAW-resonator (red line) are homogenous in comparison with non-homogenous distribution for the linear SAW-resonator (blue curve).
Figure 6.
The location of the SAW resonator: (a) linear case (b) ring-shaped case.
Figure 7.
Relative deformations of the linear and ring SAW resonators .
The symmetric location of the ring-shaped SAW resonator on the SE leads to equal sensitivities of the arms of the differential circuit, thus reducing errors induced by a geometric factor. Therefore, the distribution of relative deformations for the ring-shaped SE is uniform.
Deformation characteristics of the SE (deformations, internal stresses, relative stresses) under applied acceleration in the range between 0 and 20,000 g along the sensitivity axis z (see Figure 6) were obtained by computer simulations. Figure 8 shows the ring-shaped SE SAW-resonator frequency as a function of the applied acceleration.
Figure 8.
The dependence of the ring-shaped SE SAW-resonator frequency from acceleration: (a) quartz ST-cut; (b) lithium niobate YX-128°-cut; blue, green, red and black lines correspond to R2/h equals to 400, 200, 100 and 25, respectively.
3.1. Estimation of the Sensitivity Threshold of the Acceleration Sensor
Next, in order to assess the lower limit of sensitivity as recommended by the IUPAC (International Union of Pure and Applied Chemistry), it was necessary to determine the noise level [3].
To determine the noise level, the MMA output (shown in Figure 9) was recorded in the absence of external acceleration; this output indicated the standard deviation σ = 0.07 kHz. For normal functionality, the SE output signal should be at least 3 times higher than σ. In this case the lower measurement bound was approximately 0.2 kHz.
Figure 9.
The MMA output without external acceleration.
Next, based on the simulation results, the sensor sensitivity was evaluated. The simulation results indicated that the key sensor characteristics, such as sensitivity, dynamic range, and scale factor, depend explicitly on the ratio of SE sizes. Table 2 summarizes the simulation results for SE made of both quartz and lithium niobate materials and indicates predicted scaling factors, ranges of measured accelerations, and threshold sensitivity.
Table 2.
Parameters of quartz ST-cut and lithium niobate YX-128°-cut for maximum stress simulations (the absolute values for positive and negative acceleration values are given).
Calculations accounted for both the nonlinear effects and the anisotropic properties of the considered quartz materials of ST-cut and YX-128°-cut lithium niobate. Based on the simulation data, one can see that the scale factor of the quartz SE is almost double that of the lithium niobate. In addition, the dynamic range of the quartz SE is enhanced, while its threshold sensitivity is considerably lower.
3.2. The Ring-Shaped Sensitive Element Additionaly Loaded by Inertial Mass
A possible method to increase the resolution (quantified here by threshold sensitivity) of the SEs of the proposed sizes is to load each of them with inertial masses. To validate the above approach, we next analyzed the stress-strain state of SEs with additional IM (see Figure 10).
Figure 10.
The model of a round sensitive element loaded by inertial mass broken by a triangle grid.
The IM consists of a cylinder located in the central part of the plate on one of its two sides. The size of the cylinder is denoted by R′ and height H. The inertial mass was manufactured from a heavy alloy tungsten-nickel-copper (VNM). This alloy is characterized by high density ρ = 18,000 kg/m3, Young’s modulus of elasticity E = 350 GPa, and Poisson’s ratio γ = 0.29, while remaining non-magnetic.
The simulation data indicates that, as expected, the maximum stress in the case of a circular plate occurs at the IM attachment points.
Next, the sensitivity range of the stress-strain state of the SE was been evaluated. It is obvious that by increasing inertial mass, differential frequency also increases, as differential frequency depends on both the size and the relationship between the dimensions of the inertial mass and the plate, as represented by a 3D surface plot in Figure 11 (exemplified for (a) the quartz ST-cut, (b) is the lithium niobate YX-128°).
Figure 11.
The differential frequency as a function of the SE and IM relative dimensions under acceleration applied to the inertial mass attachment points: (a) quartz ST-cut; (b) lithium niobate YX-128°-cut.
For one volume of the inertial mass and the dimensions of the plate, the maximum sensitivity is observed under the condition < H (where is the radius of the IM, H is the height of the IM), and ratio (R is the plate radius), and the high sensitivity zone is shifted to the zone of attachment (see Figure 11) where it reaches its maximum at following by a decline (see Figure 12а). Thus, the radius of the inertial mass should be approximately 60% of the radius of the SE. The height of the IM can be limited only by its practicality and design features (see Figure 12b).
Figure 12.
Dependence of the differential frequency on R′/R (a) and H/h (b) for SE with IM.
Figure 12 shows the dependences of the differential frequency on the quotient of the IM height and the quartz plate radius of the ST-cut and lithium niobate YX-128°-cut. The graph shows that the maximum sensitivity of the element is achieved with a quotient of approximately and the high sensitivity zone is located near the attachment point.
For a comparative evaluation of the sensitivity of the two materials, 3D surfaces of difference frequencies were constructed in the sensitivity zones (Figure 13).
Figure 13.
Surfaces of difference frequency values of SE from quartz ST-cut and lithium niobate of cut YX-128º under the action of acceleration.
From the above, we can conclude the following: To achieve an increase in the sensitivity threshold using inertial mass, it is recommended to consider the following:
- The ratio of the radius of the IM to the radius of the plate should be for quartz materials of ST-cut and lithium niobate YX-128°;
- The ring resonator should be located near the attachment point;
- The sensitivity of quartz ST-cut is 2 times more than lithium niobate YX-128°.
The values of strains and internal stresses for cases with IM were re-read to the values of the sensor output signal for all the proposed sizes and materials ratios (Figure 14 (a) quartz ST-cut, (b) lithium niobate YX-128°)).
Figure 14.
Scale factors and ranges of measured accelerations for two types of SE with IM: (a) quartz ST-cut; (b) lithium niobate YX-128°-cut; blue, green, red and black lines correspond to R2/h equals to 400, 200, 100 and 25, respectively.
Each proposed ratio of dimensions of SE and IM corresponds to its dynamic range and scale factor. The results of calculations for SE from quartz and lithium niobate materials: scale factors, ranges of measured accelerations and thresholds of sensitivity are summarized in Table 3.
Table 3.
The parameters of quartz ST-cut and lithium niobate YX-128°-cut for maximum stress simulations (absolute values for positive and negative acceleration are given).
4. Conclusions
To summarize, we have suggested a new modification of an acceleration measurement sensor based on acoustic waves. Since angular-shaped sensors exhibit stress concentrations at the angular points near the origin points of destruction under external stresses, thus representing an “Achilles’ heel” for the entire design, it is plausible to suggest that an angular-free shape would be more robust. Here we have confirmed the above hypothesis by considering a ring-shaped sensitive element design that, as we have explicitly shown above, overcomes the typical limitations of the angular-shaped designs previously considered in literature, including earlier developments by our group. The analytical treatment is further validated by the computer simulation results performed using the COMSOL Multiphysics software package. For an appropriate model parameterization, an original experiment to estimate the stress-strained robustness of the two potential candidates for sensitive console materials has been carried out. Moreover, several characteristics of the proposed sensor design, such as the sensitivity threshold and maximum stress, have been obtained from the simulation data.
The above results indicate that the proposed concept offers a promising advancement in SAW based accelerometer devices and thus could have several practical applications in such areas as biomedical and sports wearable devices; vehicular design, including unmanned solutions; and industrial robotics, especially those where high-G forces are expected.
Author Contributions
Conceptualization, S.Y.S.; methodology, S.Y.S.; validation, S.Y.S. and M.A.K.; formal analysis, S.Y.S. and M.A.K.; writing—original draft, M.A.K.; writing—review and editing, S.Y.S. and O.A.M.; visualization, M.A.K.; project administration, O.A.M.; funding acquisition, O.A.M.
Funding
This research was funded by the Ministry of Science and Higher Education of the Russian Federation, basic state assignment No. 8.7130.2017/8.9.
Acknowledgments
We would like to thank the Faculty of Mechanics and Mathematics of the St. Petersburg State, which houses the high-capacity testing system INSTRON-5985 that was used for maximum load values of quartz ST-cut samples and the lithium niobate YX-128°-cut samples. We would like to thank Mikhail I. Bogachev for helpful discussion and proofreading of the manuscript.
Conflicts of Interest
The authors declare no conflicts of interest.
References
- Imenes, K.; Aasmundtveit, K.; Husa, E.M.; Høgetveit, J.O.; Halvorsen, S.; Elle, O.J.; Mirtaheri, P.; Fosse, E.; Hoff, L. Assembly and packaging of a three-axis micro accelerometer used for detection of heart infarction. Biomed. Microdevices 2007, 9, 951–957. [Google Scholar] [CrossRef] [PubMed]
- Dey, N.; Ashour, A.S.; Mohamed, W.S.; Nguyen, N.G. Acoustic sensors in biomedical applications. In Acoustic Sensors for Biomedical Applications; Springer: Cham, Switzerland, 2019; pp. 43–47. [Google Scholar]
- Chang, S.C.S. MEMS in Automobiles. In Microsystems and Nanotechnology; Spring: Berlin, Germany, 2012; pp. 721–757. [Google Scholar]
- Wilson, W.C.; Moore, J.P.; Juarez, P.D. Surface acoustic wave vibration sensors for measuring aircraft flutter. In Proceedings of the 2016 IEEE International Conference on Prognostics and Health Management (ICPHM), Ottawa, ON, Canada, 20–22 June 2016; IEEE: Piscataway, NJ, USA, 2016; pp. 1–7. [Google Scholar]
- Moshe, B.B.; Shvalb, N.; Baadani, J.; Nagar, I.; Levy, H. Indoor positioning and navigation for micro UAV drones. In Proceedings of the 2012 IEEE 27th Convention of Electrical and Electronics Engineers in Israel, Eilat, Israel, 14–17 November 2012; IEEE: Piscataway, NJ, USA, 2012. [Google Scholar]
- Giangu, I.; Cismaru, A.; Moldoveanu, A. GaN/Si based single SAW resonator temperature sensor operating in the GHz frequency range. Sens. Actuators A Phys. 2014, 209, 115–123. [Google Scholar]
- Silva, D.; Mendes, C.J.; Pereira, A.B.; Gegot, F.; Alves, L.N. Measuring Torque and Temperature in a Rotating Shaft Using Commercial SAW Sensors. Sensors 2017, 17, 1547. [Google Scholar] [CrossRef] [PubMed]
- Sagnard, M.; Laroche, T.; Ballandras, S. Surface acoustic waves properties on Ba2TiSi2O8 for high temperature sensors. In Proceedings of the International Ultrasonics Symposium (IUS), Tours, France, 18–21 September 2016; pp. 1–4. [Google Scholar]
- Zhou, J.; Pang, H.F.; Garcia-Gancedo, L.; Iborra, E.; Clement, M. Discrete microfluidics based on aluminum nitride surface acoustic wave devices. Microfluid. Nanofluid. 2015, 18, 537–548. [Google Scholar] [CrossRef]
- Liu, B.; Zeng, Y.; Tang, P. A noise-robust method for passive wireless resonant SAW sensor. Sens. Rev. 2016, 36, 312–320. [Google Scholar] [CrossRef]
- Han, T.; Zhang, C.; Hu, Y.; Yang, Y.; Tang, G. Recent Research Results on Wireless Passive Acoustic Sensors for Smart Grids Application. In Proceedings of the International Ultrasonics Symposium (IUS), Tours, France, 18–21 September 2016; pp. 1–5. [Google Scholar]
- Fan, Y.; Kong, P.; Qi, H.; Liu, H.; Ji, X. A surface acoustic wave response detection method for passive wireless torque Sensor. AIP Adv. 2018, 8, 1–12. [Google Scholar] [CrossRef]
- Wen, W.; Yangqing, H.; Xinlu, L. Development of SAW acceleration sensor with excellent temperature stability. In Proceedings of the 2015 IEEE SENSORS, Busan, Korea, 1–4 November 2015; IEEE: Piscataway, NJ, USA, 2015; pp. 1–4. [Google Scholar]
- Wang, W.; Xu, F.; He, S.; Li, S.; Lee, K. A new micro-rate sensor based on shear horizontal surface acoustic wave gyroscopic effect. Jpn. J. Appl. Phys. 2010, 49, 096602. [Google Scholar] [CrossRef]
- Templeton, D.; Saunders, D. Acoustic Design; Elsevier: Amsterdam, The Netherlands, 2014. [Google Scholar]
- Brown, T.G.; Davis, B.; Hepner, D.; Faust, J.; Myers, C.; Muller, C.; Harkins, T.; Holis, M.; Placzankis, B. Strap-down microelectromechanical (MEMS) sensors for high-g munition applications. IEEE Trans. Magn. 2001, 37, 336–342. [Google Scholar] [CrossRef]
- Wang, Y.; Fan, J.; Zu, J.; Xu, P. Quasi-static calibration method of a high-g accelerometer. Sensors 2017, 17, 409. [Google Scholar] [CrossRef] [PubMed]
- Lukyanov, D.; Shevchenko, S.; Kukaev, A.; Filippova, E.; Safronov, D. Micromechanical accelerometers based on surface acoustic waves. In Proceedings of the IEEE NORCHIP, Tampere, Finland, 27–28 October 2014; pp. 1–4. [Google Scholar]
- Lukyanov, D.; Shevchenko, S.; Kukaev, A.; Filippova, E.; Safronov, D. Microaccelerometer based on surface acoustic waves. In Proceedings of the 2014 Symposium on Piezoelectricity, Acoustic Waves, and Device Applications (SPAWDA), Beijing, China, 30 October–2 November 2014; IEEE: Piscataway, NJ, USA, 2014; pp. 18–21. [Google Scholar]
- Shevchenko, S.; Kukaev, A.; Khivrich, M.; Lukyanov, D. Surface-Acoustic-Wave Sensor Design for Acceleration Measurement. Sensors 2018, 18, 2301. [Google Scholar] [CrossRef] [PubMed]
- Wang, W.; Huang, Y.; Liu, X.; Liang, Y. Surface acoustic wave acceleration sensor with high sensitivity incorporating ST-X quartz cantilever beam. Smart Mater. Struct. 2014, 24, 015015. [Google Scholar] [CrossRef]
- COMSOL Multiphysics. v. 5.2. COMSOL AB, COMSOL Multiphysics: Stockholm, Sweden, 2015.
- Brown, M.W.; Miller, K.J. A theory for fatigue failure under multiaxial stress-strain conditions. Proc. Inst. Mech. Eng. 1973, 187, 745–755. [Google Scholar] [CrossRef]
- Instron: Materials Testing Machines for Tensile, Fatigue, Impact, Rheology and Structural Testing—Instron. Available online: http://www.instron.us/-/media/literature-library/products/2012/12/5900-series-general-brochure.pdf?la=en-US (accessed on 1 November 2019).
© 2019 by the authors. Licensee MDPI, Basel, Switzerland. This article is an open access article distributed under the terms and conditions of the Creative Commons Attribution (CC BY) license (http://creativecommons.org/licenses/by/4.0/).













